他励直流电动机启动之欧阳家百创编
- 格式:doc
- 大小:843.01 KB
- 文档页数:13
第一章 磁路 电机学1-11-2 磁路的磁阻如何计算?磁阻的单位是什么?答:磁路的磁阻与磁路的几何形状(长度、面积)和材1-3 铁心中的磁滞损耗和涡流损耗是怎样产生的,它们各与哪些因素有关?答:磁滞损耗:铁磁材料置于交变磁场中,被反复交变磁化,磁畴间相互摩擦引起的损耗。
经验公式VfB C p nm h h =。
与铁磁材料的磁滞损耗系数、磁场交变的频率、铁心的体积及磁化强度有关;涡流损耗:交变的磁场产生交变的电场,在铁心中形成环流(涡流),通过电阻产生的损耗。
经验公式G B f C p m Fe h 23.1≈。
与材料的铁心损耗系数、频率、磁通及铁心重量有关。
1-4 图示铁心线圈,已知线圈的匝数N=1000,铁心厚度为0.025m (铁心由0.35mm 的DR320硅钢片叠成),叠片系数(即截面中铁的面积与总面积之比)为0.93,不计漏磁,试计算:(1) 中间心柱的磁通为4105.7-⨯Wb ,不计铁心的磁位降时所需的直流励磁电流;(2) 考虑铁心磁位降时,产生同样的磁通量时所需的励磁电流。
解: 磁路左右对称∴可以从中间轴线分开,只考虑右半磁路的情况:铁心、气隙截面2422109.293.01025.1025.0m m A A --⨯=⨯⨯⨯==δ(考虑边缘效应时,通长在气隙截面边长上加一个气隙的长度;气隙截面可以不乘系数) 气隙长度m l 41052-⨯==δδ(1) 不计铁心中的磁位降:(2) 考虑铁心中的磁位降:铁心中T B 29.1=查表可知:铁心磁位降A A l H F Fe 15.871045.127002=⨯⨯=⋅=-1-5 图示铁心线圈,线圈A 为100匝,通入电流1.5A ,线圈B 为50匝,通入电流1A ,铁心截面积均匀,求PQ 两点间的磁位降。
解:由题意可知,材料的磁阻与长度成正比,设PQ 段的磁阻为m PQ R R =,则左边支路的磁阻为1-6 图示铸钢铁心,尺寸为左边线圈通入电流产生磁动势1500A 。
第一章 磁路 电机学1-11-2 磁路的磁阻如何计算?磁阻的单位是什么?答:磁路的磁阻与磁路的几何形状(长度、面积)和材料的1-3 铁心中的磁滞损耗和涡流损耗是怎样产生的,它们各与哪些因素有关?答:磁滞损耗:铁磁材料置于交变磁场中,被反复交变磁化,磁畴间相互摩擦引起的损耗。
经验公式V fB C p nmh h =。
与铁磁材料的磁滞损耗系数、磁场交变的频率、铁心的体积及磁化强度有关;涡流损耗:交变的磁场产生交变的电场,在铁心中形成环流(涡流),通过电阻产生的损耗。
经验公式G B f C p mFe h 23.1≈。
与材料的铁心损耗系数、频率、磁通及铁心重量有关。
1-4 图示铁心线圈,已知线圈的匝数N=1000,铁心厚度为0.025m (铁心由0.35mm 的DR320硅钢片叠成),叠片系数(即截面中铁的面积与总面积之比)为0.93,不计漏磁,试计算:(1) 中间心柱的磁通为4105.7-⨯Wb ,不计铁心的磁位降时所需的直流励磁电流;(2) 考虑铁心磁位降时,产生同样的磁通量时所需的励磁电流。
解: 磁路左右对称∴可以从中间轴线分开,只考虑右半磁路的情况:铁心、气隙截面2422109.293.01025.1025.0m m A A --⨯=⨯⨯⨯==δ(考虑边缘效应时,通长在气隙截面边长上加一个气隙的长度;气隙截面可以不乘系数) 气隙长度m l 41052-⨯==δδ(1) 不计铁心中的磁位降:磁势A A l H F F I500105100.146=⨯⋅⨯=⋅==-δδδ(2) 考虑铁心中的磁位降:铁心中T B 29.1=查表可知:铁心磁位降A A l H F Fe 15.871045.127002=⨯⨯=⋅=-1-5 图示铁心线圈,线圈A 为100匝,通入电流1.5A ,线圈B 为50匝,通入电流1A ,铁心截面积均匀,求PQ 两点间的磁位降。
解:由题意可知,材料的磁阻与长度成正比,设PQ 段的磁阻为m PQ R R =,则左边支路的磁阻为1-6 图示铸钢铁心,尺寸为左边线圈通入电流产生磁动势1500A 。
第一章 磁路 电机学1-11-2 磁路的磁阻如何计算?磁阻的单位是什么?答:磁路的磁阻与磁路的几何形状(长度、面积)和材料的1-3 铁心中的磁滞损耗和涡流损耗是怎样产生的,它们各与哪些因素有关?答:磁滞损耗:铁磁材料置于交变磁场中,被反复交变磁化,磁畴间相互摩擦引起的损耗。
经验公式V fB C p nmh h =。
与铁磁材料的磁滞损耗系数、磁场交变的频率、铁心的体积及磁化强度有关;涡流损耗:交变的磁场产生交变的电场,在铁心中形成环流(涡流),通过电阻产生的损耗。
经验公式G B f C p mFe h 23.1≈。
与材料的铁心损耗系数、频率、磁通及铁心重量有关。
1-4 图示铁心线圈,已知线圈的匝数N=1000,铁心厚度为0.025m (铁心由0.35mm 的DR320硅钢片叠成),叠片系数(即截面中铁的面积与总面积之比)为0.93,不计漏磁,试计算:(1) 中间心柱的磁通为4105.7-⨯Wb ,不计铁心的磁位降时所需的直流励磁电流;(2) 考虑铁心磁位降时,产生同样的磁通量时所需的励磁电流。
解: 磁路左右对称∴可以从中间轴线分开,只考虑右半磁路的情况:铁心、气隙截面2422109.293.01025.1025.0m m A A --⨯=⨯⨯⨯==δ(考虑边缘效应时,通长在气隙截面边长上加一个气隙的长度;气隙截面可以不乘系数) 气隙长度m l 41052-⨯==δδ(1) 不计铁心中的磁位降:磁势A A l H F F I500105100.146=⨯⋅⨯=⋅==-δδδ(2) 考虑铁心中的磁位降:铁心中T B 29.1=查表可知:铁心磁位降A A l H F Fe 15.871045.127002=⨯⨯=⋅=-1-5 图示铁心线圈,线圈A 为100匝,通入电流1.5A ,线圈B 为50匝,通入电流1A ,铁心截面积均匀,求PQ 两点间的磁位降。
解:由题意可知,材料的磁阻与长度成正比,设PQ 段的磁阻为m PQ R R =,则左边支路的磁阻为1-6 图示铸钢铁心,尺寸为左边线圈通入电流产生磁动势1500A 。
习题与思考题第二章机电传动系统的动力学基础2.1 说明机电传动系统运动方程中的拖动转矩,静态转矩和静态转矩。
拖动转矩是由电念头产生用来克服负载转矩,以带动生产机械运动的。
静态转矩就是由生产机械产生的负载转矩。
静态转矩是拖动转矩减去静态转矩。
2.2 从运动方程式怎样看出系统是处于加速,减速,稳态的和静态的工作状态。
TMTL>0说明系统处于加速,TMTL<0 说明系统处于减速,TMTL=0说明系统处于稳态(即静态)的工作状态。
2.3 试列出以下几种情况下(见题2.3图)系统的运动方程式,并说明系统的运动状态是加速,减速,还是匀速?(图中箭头标的目的暗示转矩的实际作用标的目的)TM=TL TM< TLTMTL<0说明系统处于减速。
TMTL<0 说明系统处于减速TMTL TMTLTM> TL系统的运动状态是减速系统的运动状态是加速TMTLTMTLTM= TL2.4 多轴拖动系统为什么要折算成单轴拖动系统?转矩折算为什么依据折算前后功率不变的原则?转动惯量折算为什么依据折算前后动能不变的原则?因为许多生产机械要求低转速运行,而电念头一般具有较高的额定转速。
这样,电念头与生产机械之间就得装设减速机构,如减速齿轮箱或蜗轮蜗杆,皮带等减速装置。
所以为了列出系统运动方程,必须先将各转动部分的转矩和转动惯量或直线运动部分的质量这算到一根轴上。
转矩折算前后功率不变的原则是P=Tω, p不变。
转动惯量折算前后动能不变原则是能量守恒MV=0.5Jω2 2.5为什么低速轴转矩年夜,高速轴转矩小?因为P= Tω,P不变ω越小T越年夜,ω越年夜T 越小。
2.6为什么机电传动系统中低速轴的GD2比高速轴的GD2年夜很多?因为P=Tω,T=G∂D2/375. P=ωG∂D2/375. ,P不变转速越小GD2越年夜,转速越年夜GD2越小。
2.7 如图 2.3(a)所示,电念头轴上的转动惯量JM=2.5kgm2, 转速nM=900r/min; 中间传动轴的转动惯量JL=16kgm2,转速nL=60 r/min。
习题与思考题第二章机电传动系统的动力学基础2.1 说明机电传动系统运动方程中的拖动转矩,静态转矩和动态转矩。
拖动转矩是由电动机产生用来克服负载转矩,以带动生产机械运动的。
静态转矩就是由生产机械产生的负载转矩。
动态转矩是拖动转矩减去静态转矩。
2.2 从运动方程式怎样看出系统是处于加速,减速,稳态的和静态的工作状态。
TM-TL>0说明系统处于加速,TM-TL<0 说明系统处于减速,TM-TL=0说明系统处于稳态(即静态)的工作状态。
2.3 试列出以下几种情况下(见题2.3图)系统的运动方程式,并说明系统的运动状态是加速,减速,还是匀速?(图中箭头方向表示转矩的实际作用方向)TM< TLTM-TL<0 TM-TL<0 说明系统处于减速TMTL TMTLTM> TL TM> TLTMTLTMTLTM= TL TM= TL2.4算为什么依据折算前后动能不变的原则?因为许多生产机械要求低转速运行,而电动机一般具有较高的额定转速。
这样,电动机与生产机械之间就得装设减速机构,如减速齿轮箱或蜗轮蜗杆,皮带等减速装置。
所以为了列出系统运动方程,必须先将各转动部分的转矩和转动惯量或直线运动部分的质量这算到一根轴上。
转矩折算前后功率不变的原则是P=Tω, p不变。
转动惯量折算前后动能不变原则是能量守恒MV=0.5Jω2 2.5为什么低速轴转矩大,高速轴转矩小?因为P= Tω,P不变ω越小T越大,ω越大T 越小。
2.6为什么机电传动系统中低速轴的GD2比高速轴的GD2大得多?因为P=Tω,T=G∂D2/375. P=ωG∂D2/375. ,P不变转速越小GD2越大,转速越大GD2越小。
2.7 如图 2.3(a)所示,电动机轴上的转动惯量J M=2.5kgm2, 转速n M=900r/min; 中间传动轴的转动惯量J L=16kgm2,转速n L=60 r/min。
试求折算到电动机轴上的等效专惯量。
他励直流电动机的三种启动方法以他励直流电动机的三种启动方法为标题,写一篇文章一、直接启动方法直接启动方法是最简单、最常用的一种启动方法。
在直接启动方法中,电动机的定子绕组直接接通电源,通过启动按钮或开关将电源接通后,电动机即可启动工作。
直接启动方法具有操作简单、成本低廉等优点,适用于小功率的电动机启动。
但是,在大功率电动机启动时,由于电动机的启动电流较大,会对电网产生较大的冲击,可能引起电网电压的波动,甚至对电动机和电网造成损坏。
二、自耦变压器启动方法自耦变压器启动方法是通过用自耦变压器来降低电动机起动时的电压,减小启动电流,从而实现电动机的启动。
自耦变压器具有一个共用绕组,将电源的电压分成两个部分,一部分用于起动电机,另一部分用于继续供给电机。
通过改变自耦变压器的接线方式,可以改变电动机的起动电压和起动电流。
自耦变压器启动方法具有起动电流小、启动冲击小的特点,可以有效降低电网的负荷冲击。
但是,自耦变压器启动方法的效率较低,会造成一定的能量损耗。
三、星三角启动方法星三角启动方法是一种常用的大功率电动机启动方法。
在星三角启动方法中,电动机的定子绕组首先接成星形连接,通过启动按钮或开关将电源接通后,电动机以较低的电压启动,待电动机运行正常后,再将定子绕组接成三角形连接,实现额定电压运行。
星三角启动方法具有启动冲击小、起动电流较小的特点,可以有效地降低电网的负荷冲击。
但是,星三角启动方法的启动过程较为复杂,需要额外的控制设备,增加了系统的复杂性和成本。
总结:他励直流电动机的启动方法有直接启动方法、自耦变压器启动方法和星三角启动方法。
直接启动方法操作简单,适用于小功率电动机启动;自耦变压器启动方法通过降低电压减小启动电流,起到保护电网和电动机的作用;星三角启动方法通过先以较低电压启动,再切换至额定电压运行,实现电动机的平稳启动。
不同的启动方法适用于不同功率的电动机,根据实际需求选择合适的启动方法可以保证电动机的安全运行和电网的稳定性。
运动控制系统课程设计课题:他励直流电动机启动系别:电气与信息工程学院专业:学号:姓名:指导教师:河南城建学院2015年 1月 4日成绩评定·一、指导教师评语(根据学生设计报告质量、答辩情况及其平时表现综合评定)。
二、评分课程设计成绩评定一、设计目的 (1)二、设计要求 (1)三、设计内容 (1)3.1、直流电动机 (1)3.1.1直流电动机 (1)3.1.2直流电动机的分类 (2)3.1.3他励直流电机工作原理 (2)3.2 他励直流电动机的启动 (3)3.2.1 他励直流电动机串电阻启动 (3)3.2.2 直流电动机电枢串电阻起动设计方案 (6)3.2.3 多级启动的规律 (7)3.3 结论 (7)3.4他励直流电动机串电阻起动特性分析 (8)四、设计体会 (10)五、参考文献 (10)一、设计目的通过对一个实用控制系统的设计,综合运用科学理论知识,提高工程意识和实践技能,使学生获得控制技术工程的基本训练,培养学生理论联系实际、分析解决实际问题的初步应用能力。
二、设计要求完成所选题目的分析与设计,进行系统总体方案的设计、论证和选择;系统单元主电路和控制电路的设计、元器件的选择和参数计算;课程设计报告的整理工作。
三、设计内容有一台他励直流电动机,已知参数如下Pan=200kw ;Uan=440v ;Ian=497A ; Nn=1500r/min;Ra=0.076Ω;采用分级启动,启动电流最大不超过2IA,,求出各段电阻值,并作出机械特性曲线,对启动特性进行分析。
他励直流电动机的启动时间虽然很短,但是如果不能采用正确的启动方法,电动机就不能正常地投入运行。
为此,应对电动机的启动过程和方法进行必要的分析。
直接启动时,他励直流电动机电枢加额定电压Un,电枢回路不串任何电阻,此时由于n=0,Ea=0,所以启动电流Ist=Un/Ra,由于电枢回路总电阻Ra较小,所以Ist可以达到额定电流In的十几甚至几十倍。
题目欧阳引擎(2021.01.01)他励直流电动机串电阻启动的设计专业:电气工程及其自动化班级:13电牵1班姓名:陈贤第学号:20130210470103课程设计任务书一、设计题目他励直流电动机串电阻启动的设计二、设计任务某工厂有一台他励直流电动机,已知参数如下Pan=200kw ;Uan=440v ;Ian=497A ;nN=1500r/min;Ra=0.076Ω;采用分级启动,启动电流最大不超过2IaN,,求各段电阻值,并且求出切除电阻时的瞬时转速和电动势,并作出机械特性曲线,对启动特性进行分析。
三、设计计划第1天查阅资料,熟悉所选题目;第2天根据基本原理进行方案分析;欧阳引擎创编摘要他励直流电动机启动时由于电枢感应电动势Ea =CeΦn = 0 ,最初启动电流IS =U/Ra,若直接启动,由于Ra很小,ISt会十几倍甚至几十倍于额定电流, 无法换向,同时也会过热,因此不能直接启动。
要限制启动电流ISt的大小可以有两种方法:降低电枢电压和电枢回路串接附加电阻。
本文仅以他励直流电动机的串电阻启动为主题进行详细的阐述。
在实际中,如果能够做到适当选用各级启动电阻,那么串电阻启动由于其启动设备简单、经济和可靠,同时可以做到平滑启动,因而得到广泛应用。
但对于不同类型和规格的直流电动机,对启动电阻的级数要求也欧阳引擎创编不尽相同。
关键词:他励直流电动机;启动电流;串电阻启动;目录引言31 直流电动机51.1直流电动机的工作原理51.2直流电动机的分类61.3他励直流电机工作原理62 他励直流电动机的启动62.1 他励直流电动机串电阻启动62.2 直流电动机电枢串电阻起动设计方案112.3 多级启动的规律133 结论144 设计体会155 参考文献16引言欧阳引擎创编他励直流电动机的启动时间虽然很短,但是如果不能采用正确的启动方法,电动机就不能正常地投入运行。
为此,应对电动机的启动过程和方法进行必要的分析。
运动控制系统课程设计课题:他励直流电动机启动系别:电气与信息工程学院专业:学号:姓名:指导教师:河南城建学院2015年 1月 4日成绩评定·一、指导教师评语(根据学生设计报告质量、答辩情况及其平时表现综合评定)。
二、评分课程设计成绩评定一、设计目的 (1)二、设计要求 (1)三、设计内容 (1)3.1、直流电动机 (1)3.1.1直流电动机 (1)3.1.2直流电动机的分类 (2)3.1.3他励直流电机工作原理 (2)3.2 他励直流电动机的启动 (3)3.2.1 他励直流电动机串电阻启动 (3)3.2.2 直流电动机电枢串电阻起动设计方案 (6)3.2.3 多级启动的规律 (7)3.3 结论 (7)3.4他励直流电动机串电阻起动特性分析 (8)四、设计体会 (10)五、参考文献 (10)一、设计目的通过对一个实用控制系统的设计,综合运用科学理论知识,提高工程意识和实践技能,使学生获得控制技术工程的基本训练,培养学生理论联系实际、分析解决实际问题的初步应用能力。
二、设计要求完成所选题目的分析与设计,进行系统总体方案的设计、论证和选择;系统单元主电路和控制电路的设计、元器件的选择和参数计算;课程设计报告的整理工作。
三、设计内容有一台他励直流电动机,已知参数如下Pan=200kw ;Uan=440v ;Ian=497A ; Nn=1500r/min;Ra=0.076Ω;采用分级启动,启动电流最大不超过2IA,,求出各段电阻值,并作出机械特性曲线,对启动特性进行分析。
他励直流电动机的启动时间虽然很短,但是如果不能采用正确的启动方法,电动机就不能正常地投入运行。
为此,应对电动机的启动过程和方法进行必要的分析。
直接启动时,他励直流电动机电枢加额定电压Un,电枢回路不串任何电阻,此时由于n=0,Ea=0,所以启动电流Ist=Un/Ra,由于电枢回路总电阻Ra较小,所以Ist可以达到额定电流In的十几甚至几十倍。
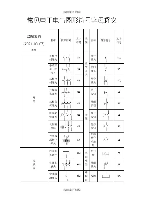
常见电工电气图形符号字母释义欧阳家百(2021.03.07)类别名称图形符号文字符号类别名称图形符号文字符号开关单极控制开关SA位置开关常开触头SQ手动开关一般符号SA常闭触头SQ三极控制开关QS复合触头SQ三极隔离开关QS按钮常开按钮SB三极负荷开关QS常闭按钮SB组合旋钮开关QS复合按钮SB低压断路器QF急停按钮SB控制器或操作开关SA钥匙操作式按钮SB接触器线圈操作器件KM热继电器热元件FR常开主触头KM常闭触头FR常开辅助触头KM中间继线圈KA常闭辅助触头KM电器常开触头KA时间继电器通电延时(缓吸)线圈KT常闭触头KA断电延时(缓放)线圈KT电流继电器过电流线圈KA瞬时闭合的常开触头KT欠电流线圈KA瞬时断开的常闭触头KT常开触头KA延时闭合的常开触头KT常闭触头KA延时断开的常闭触头KT电压继电器过电压线圈KV延时闭合的常闭触头KT欠电压线圈KV延时断开的常开触头KT常开触头KV电磁操作器电磁铁的一般符号YA常闭触头KV电磁吸盘YH电动机三相笼型异步电动机M电磁离合器YC三相绕线转子异步电动机M电磁制动器YB他励直流电动机M电磁阀YV 并励直流电动机M非电量控制的继电器速度继电器常开触头KS串励直流电动机M压力继电器常开触头KP熔断器熔断器FU发电机发电机G变压器单相变压器TC直流测速发电机TG三相变压器TM灯信号灯(指示灯)HL互感器电压互感器TV 照明灯EL电流互感器TA接插器插头和插座X插头XP插座XS电抗器L 基本文字符号基本文字符号符号描述符号描述符号描述C 电容器EH 发热器件EL 照明电E V 空气调节器FA带瞬时动作的限流保护器件FR带延时动作的限流保护器件FS 带瞬时、延时动FU 熔断器FV 限压保护器件电流表PA电压表PV有功电度表PJ无功电度表PJR频率表PF 相位表PPA最大需量表(负荷监控仪) PM功率因数表PPF有功功率表PW无功功率表PR无功电流表PAR声信号HA光信号HS指示灯HL红色灯HR绿色灯HG黄色灯HY蓝色灯HB白色灯HW 连接片XB插头XP插座XS端子板XT电线,电缆,母线W直流母线WB插接式(馈电)母线WIB电力分支线WP照明分支线WL应急照明分支线WE电力干线WPM照明干线WLM应急照明干线WEM滑触线WT合闸小母线WCL控制小母线WC信号小母线WS闪光小母线WF事故音响小母线WFS预告音响小母线WPS电压小母线WV事故照明小母线WELM避雷器F熔断器FU快速熔断器FTF跌落式熔断器FF限压保护器件FV电容器C电力电容器CE正转按钮SBF反转按钮SBR停止按钮SBS紧急按钮SBE试验按钮SBT复位按钮SR限位开关SQ接近开关SQP手动控制开关SH时间控制开关SK液位控制开关SL湿度控制开关SM压力控制开关SP速度控制开关SS温度控制开关,辅助开关ST电压表切换开关SV电流表切换开关SA整流器U可控硅整流器UR控制电路有电源的整流器VC变频器UF变流器UC逆变器UI电动机M异步电动机MA同步电动机MS直流电动机MD绕线转子感应电动机MW鼠笼型电动机MC电动阀YM电磁阀YV防火阀YF 排烟阀YS电磁锁YL跳闸线圈YT合闸线圈YC气动执行器YPA, YA电动执行器YE发热器件(电加热) FH照明灯(发光器件) EL空气调节器EV电加热器加热元件EE感应线圈,电抗器L励磁线圈LF消弧线圈LA滤波电容器LL电阻器,变阻器R电位器RP热敏电阻RT光敏电阻RL压敏电阻RPS接地电阻RG放电电阻RD启动变阻器RS频敏变阻器RF限流电阻器RC光电池,热电传感器B 压力变换器BP温度变换器BT速度变换器BV时间测量传感器B T1,BK液位测量传感器BL温度测量传感器BH,BMA 电流A 模拟AC交流AUT 自动ACC 加速ADD 附加ADJ 可调AUX 辅助ASY 异步BBRK 制动BK 黑BL 蓝BW 向后C 控制CW 顺时针CCW 逆时针D 延时(延迟)D 差动D 数字D 降DC 直流DEC 减E 接地EM 紧急F 快速FB 反馈FW 正,向前GN 绿H 高IN 输入INC 增IND 感应L 左L 限制L 低LA 闭锁M 主M 中M 中间线MMAN 手动N 中性线OFF 断开ON 接通(闭合)OUT 输出P 压力P 保护PE 保护接地PEN 保护接地与中性线共用PU 不接地保护R 记录R 右R 反RD 红色RRST 复位RES 备用RUN 运转S 信号ST 启动SSET 置位、定位SAT 饱和STE 步进STP 停止SYN 同步T 温度T 时间TE 无噪音(防干扰)接地V 真空V 速度V 电压WH 白YE 黄。
题目欧阳歌谷(2021.02.01)他励直流电动机串电阻启动的设计专业:电气工程及其自动化班级:13电牵1班姓名:陈贤第学号:20130210470103课程设计任务书一、设计题目他励直流电动机串电阻启动的设计二、设计任务某工厂有一台他励直流电动机,已知参数如下Pan=200kw ;Uan=440v ;Ian=497A ;nN=1500r/min;Ra=0.076Ω;采用分级启动,启动电流最大不超过2IaN,,求各段电阻值,并且求出切除电阻时的瞬时转速和电动势,并作出机械特性曲线,对启动特性进行分析。
三、设计计划第1天查阅资料,熟悉所选题目;第2天根据基本原理进行方案分析;欧阳歌谷创编2021年2月摘要他励直流电动机启动时由于电枢感应电动势Ea =CeΦn = 0 ,最初启动电流IS =U/Ra,若直接启动,由于Ra很小,ISt会十几倍甚至几十倍于额定电流, 无法换向,同时也会过热,因此不能直接启动。
要限制启动电流ISt的大小可以有两种方法:降低电枢电压和电枢回路串接附加电阻。
本文仅以他励直流电动机的串电阻启动为主题进行详细的阐述。
在实际中,如果能够做到适当选用各级启动电阻,那么串电阻启动由于其启动设备简单、经济和可靠,同时可以做到平滑启动,因而得到广泛应用。
但对于不同类型和规格的直流电动机,对启动电阻的级数要求也不尽相同。
欧阳歌谷创编2021年2月关键词:他励直流电动机;启动电流;串电阻启动;目录引言31 直流电动机51.1直流电动机的工作原理51.2直流电动机的分类61.3他励直流电机工作原理62 他励直流电动机的启动62.1 他励直流电动机串电阻启动62.2 直流电动机电枢串电阻起动设计方案112.3 多级启动的规律133 结论144 设计体会155 参考文献16引言他励直流电动机的启动时间虽然很短,但是如果不能采用正确的启动方法,电动机就不能正常地投入运行。
为此,应对电动机的欧阳歌谷创编2021年2月启动过程和方法进行必要的分析。
一、选择题6、一台三相异步电动机,其铭牌上标明额定电压为220/380 V,其接法应是( B )。
A、Y / △B、△ / YC、△/ △7、电动力灭弧,当电流较小时,电动力较小。
考虑灭弧要有两个断口,一般适用(C )做灭弧装置。
A、继电器B、直流接触器C、交流接触器17 、三相异步电动机∆连接改为Y连接时,其功率为原来的( A )。
A、 1/3 B、 1 C、 1/ 220 、真空断路器灭弧室的玻璃外壳起( C )作用。
A 、真空密封B 、绝缘C 、真空密封和绝缘双重21、星形接法的三相异步电动机,在空载运行时,若定子一相绕组突然断路,则电机( B )。
A、必然会停止转动B、有可能连续运行C、肯定会继续运行25、电压表的内阻(B )。
A、越小越好B、越大越好C、适中为好26、普通功率表在接线时,电压线圈和电流线圈的关系是(C )。
A、电压线圈必须接在电流线圈的前面B、电压线圈必须接在电流线圈的后面C、视具体情况而定27、测量1Ω以下的电阻应选用( B )。
A、直流单臂电桥B、直流双臂电桥C、万用表的欧姆档29、继电保护是由(B )组成。
A、二次回路各元件B、各种继电器C、包括各种继电器、仪表回路30、在电源频率不变的情况下,三相交流异步电动机的电磁转矩与(B )成正比。
A、转差率B、定子相电压的平方C、定子相电流的平方34、交流电能表属( C )仪表。
A、电磁系B、电动系C、感应系35、频敏变阻器主要用于(B)控制。
A、笼形转子异步电动机的起动B、绕线转子异步电动机的起动C、直流电动机的起动36、从安全角度考虑,设备停电必须有一个明显的( C )。
A、标示牌;B、接地处;C、断开点41、复杂电路处在过渡过程中时,基尔霍夫定律( C )。
A、不成立B、只有电流定律成立C、仍然成立43、由LC组成的并联电路,当外加电源的频率为电路谐振频率时,电路呈( C )。
A、感性B、容性C、纯电阻46、热继电器从热态开始,通过1.2倍的整定电流的动作时间是( C )。
运动控制系统课程设计课题:他励直流电动机启动系别:电气与信息工程学院专业:学号:姓名:指导教师:河南城建学院2015年 1月 4日成绩评定·一、指导教师评语(根据学生设计报告质量、答辩情况及其平时表现综合评定)。
二、评分课程设计成绩评定一、设计目的 (1)二、设计要求 (1)三、设计内容 (1)3.1、直流电动机 (1)3.1.1直流电动机 (1)3.1.2直流电动机的分类 (2)3.1.3他励直流电机工作原理 (2)3.2 他励直流电动机的启动 (3)3.2.1 他励直流电动机串电阻启动 (3)3.2.2 直流电动机电枢串电阻起动设计方案 (6)3.2.3 多级启动的规律 (7)3.3 结论 (7)3.4他励直流电动机串电阻起动特性分析 (8)四、设计体会 (10)五、参考文献 (10)一、设计目的通过对一个实用控制系统的设计,综合运用科学理论知识,提高工程意识和实践技能,使学生获得控制技术工程的基本训练,培养学生理论联系实际、分析解决实际问题的初步应用能力。
二、设计要求完成所选题目的分析与设计,进行系统总体方案的设计、论证和选择;系统单元主电路和控制电路的设计、元器件的选择和参数计算;课程设计报告的整理工作。
三、设计内容有一台他励直流电动机,已知参数如下Pan=200kw ;Uan=440v ;Ian=497A ; Nn=1500r/min;Ra=0.076Ω;采用分级启动,启动电流最大不超过2IA,,求出各段电阻值,并作出机械特性曲线,对启动特性进行分析。
他励直流电动机的启动时间虽然很短,但是如果不能采用正确的启动方法,电动机就不能正常地投入运行。
为此,应对电动机的启动过程和方法进行必要的分析。
直接启动时,他励直流电动机电枢加额定电压Un,电枢回路不串任何电阻,此时由于n=0,Ea=0,所以启动电流Ist=Un/Ra,由于电枢回路总电阻Ra较小,所以Ist可以达到额定电流In的十几甚至几十倍。
摘要他励宜流电动机启动时由于电枢感应电动势Ea =Ce<Dn = 0,最初启动电流IS =U/Ra,若直接启动, 由于2很小,ISr会十几倍甚至几十倍于额定电流,无法换向,同时也会过热,因此不能宜接启动。
要限制启动电流ISt的大小可以有两种方法:降低电枢电压和电枢回路串接附加电阻。
本文仅以他励直流电动机的串电阻启动为主题进行详细的阐述。
在实际中,如果能够做到适当选用各级启动电阻,那么串电阻启动由于其启动设备简单、经济和可靠,同时可以做到平滑启动,因而得到广泛应用。
但对于不同类型和规格的直流电动机,对启动电阻的级数要求也不尽相同。
关键词:他励直流电动机;启动电流;串电阻启动; 目录引言31直流电动机51.1直流电动机的工作原理51.2直流电动机的分类61.3他励直流电机工作原理62他励直流电动机的启动72.1他励直流电动机串电阻启动72.2直流电动机电枢串电阻起动设计方案122.3多级启动的规律143结论154设计体会175参考文献17欧阳治创编引言2021.03.10他励直流电动机的启动时间虽然很短,但是如果不能采用正确的启动方法,电动机就不能正常地投入运行。
为此,应对电动机的启动过程和方法进行必要的分析。
直接启动时,他励直流电动机电枢加额定电压UN,电枢回路不串任何电阻,此时由于n=(), Ea=(), 所以启动电流1st二UN/Ra,由于电枢回路总电阻Ra 较小,所以1st 可以达到额定电流IN的十几甚至几十倍。
这样大的电流也可以造成电机换向严重不良,产生火花,甚至正、负电刷间出现电弧,烧毁电刷及换向器[Ho另外,过大的启动电流使启动转矩Tst 过大,会使机械捷击,也会引起供电电网电波动,从而引起其他接于同一电网上的电气设备的正常运行[2],因此是不允许的。
一般只有微型宜流电动机,由于自身电枢电阻大,转动惯量小,启动时间短,可以直接启动,其他直流电机都不允许直接启动。
在拖动装置要求不高的场合下,可以采用降低启动电压或在电枢回路串电阻的方法【3】。
题目他励直流电动机串电阻启动的设计专业:电气工程及其自动化班级:13电牵1班姓名:陈贤第学号:20130210470103课程设计任务书一、设计题目他励直流电动机串电阻启动的设计二、设计任务某工厂有一台他励直流电动机,已知参数如下Pan=200kw ;Uan=440v ;Ian=497A ;nN=1500r/min;Ra=0.076Ω;采用分级启动,启动电流最大不超过2IaN,,求各段电阻值,并且求出切除电阻时的瞬时转速和电动势,并作出机械特性曲线,对启动特性进行分析。
三、设计计划第1天查阅资料,熟悉所选题目;第2天根据基本原理进行方案分析;2021.03.09 欧阳法创编摘要他励直流电动机启动时由于电枢感应电动势Ea =CeΦn = 0 ,最初启动电流IS =U/Ra,若直接启动,由于Ra很小,ISt会十几倍甚至几十倍于额定电流, 无法换向,同时也会过热,因此不能直接启动。
要限制启动电流ISt的大小可以有两种方法:降低电枢电压和电枢回路串接附加电阻。
本文仅以他励直流电动机的串电阻启动为主题进行详细的阐述。
在实际中,如果能够做到适当选用各级启动电阻,那么串电阻启动由于其启动设备简单、经济和可靠,同时可以做到平滑启动,因而得到广泛应用。
但对于不同类型和规格的直流电动机,对2021.03.09 欧阳法创编启动电阻的级数要求也不尽相同。
关键词:他励直流电动机;启动电流;串电阻启动;目录引言31 直流电动机51.1直流电动机的工作原理51.2直流电动机的分类61.3他励直流电机工作原理62 他励直流电动机的启动72.1 他励直流电动机串电阻启动72.2 直流电动机电枢串电阻起动设计方案122.3 多级启动的规律143 结论154 设计体会175 参考文献17引言2021.03.09 欧阳法创编他励直流电动机的启动时间虽然很短,但是如果不能采用正确的启动方法,电动机就不能正常地投入运行。
为此,应对电动机的启动过程和方法进行必要的分析。
习题与思考题第二章机电传动系统的动力学基础2.1 说明机电传动系统运动方程中的拖动转矩,静态转矩和动态转矩。
拖动转矩是由电动机产生用来克服负载转矩,以带动生产机械运动的。
静态转矩就是由生产机械产生的负载转矩。
动态转矩是拖动转矩减去静态转矩。
2.2 从运动方程式怎样看出系统是处于加速,减速,稳态的和静态的工作状态。
TM-TL>0说明系统处于加速,TM-TL<0 说明系统处于减速,TM-TL=0说明系统处于稳态(即静态)的工作状态。
2.3 试列出以下几种情况下(见题2.3图)系统的运动方程式,并说明系统的运动状态是加速,减速,还是匀速?(图中箭头方向表示转矩的实际作用方向)TM< TLTM-TL<0说明系统处于减速。
TM-TL<0 说明系统处于减速TMTL TMTLTM> TL TM> TLTMTLTMTLTM= TL TM= TL系统的运动状态是减速系统的运动状态是匀速2.4 多轴拖动系统为什么要折算成单轴拖动系统?转矩折算为什么依据折算前后功率不变的原则?转动惯量折算为什么依据折算前后动能不变的原则?因为许多生产机械要求低转速运行,而电动机一般具有较高的额定转速。
这样,电动机与生产机械之间就得装设减速机构,如减速齿轮箱或蜗轮蜗杆,皮带等减速装置。
所以为了列出系统运动方程,必须先将各转动部分的转矩和转动惯量或直线运动部分的质量这算到一根轴上。
转矩折算前后功率不变的原则是P=T ω, p 不变。
转动惯量折算前后动能不变原则是能量守恒MV=0.5J ω22.5为什么低速轴转矩大,高速轴转矩小?因为P= T ω,P 不变ω越小T 越大,ω越大T 越小。
2.6为什么机电传动系统中低速轴的GD 2比高速轴的GD 2大得多?因为P=T ω,T=G∂D 2/375. P=ωG∂D 2/375. ,P 不变转速越小GD 2越大,转速越大GD 2越小。
2.7 如图 2.3(a )所示,电动机轴上的转动惯量J M =2.5kgm 2, 转速n M =900r/min; 中间传动轴的转动惯量J L =16kgm 2,转速n L =60 r/min 。
n=60f/p上式中n——电机的转速(转/分);60——每分钟(秒);f——电源频率(赫芝);p——电机旋转磁场的极对数。
我国规定标准电源频率为f=50周/秒,所以旋转磁场的转速的大小只与磁极对数有关。
磁极对数多,旋转磁场的转速成就低。
极对数P=1时,旋转磁场的转速n=3000;极对数P=2时,旋转磁场的转速n=1500;极对数P=3时,旋转磁场的转速n=1000;极对数P=4时,旋转磁场的转速n=750;极对数P=5时,旋转磁场的转速n=600(实际上,由于转差率的存在,电机.实际转速略低于旋转磁场的转速)在变频调速系统中,根据公式n=60f/p可知:改变频率f就可改变转速降低频率↓f,转速就变小:即60 f↓ / p = n↓增加频率↑f,转速就加大:即60 f↑ / p = n↑三.直流电动机的工作原理直流电动机的原理图对上一页所示的直流电机,如果去掉原动机,并给两个电刷加上直流电源,如上图(a)所示,则有直流电流从电刷 A 流入,经过线圈abcd,从电刷 B 流出,根据电磁力定律,载流导体ab和cd收到电磁力的作用,其方向可由左手定则判定,两段导体受到的力形成了一个转矩,使得转子逆时针转动。
如果转子转到如上图(b)所示的位置,电刷 A 和换向片2接触,电刷 B 和换向片1接触,直流电流从电刷 A 流入,在线圈中的流动方向是dcba,从电刷 B 流出。
此时载流导体ab和cd受到电磁力的作用方向同样可由左手定则判定,它们产生的转矩仍然使得转子逆时针转动。
这就是直流电动机的工作原理。
外加的电源是直流的,但由于电刷和换向片的作用,在线圈中流过的电流是交流的,其产生的转矩的方向却是不变的。
实用中的直流电动机转子上的绕组也不是由一个线圈构成,同样是由多个线圈连接而成,以减少电动机电磁转矩的波动,绕组形式同发电机。
动画演示将直流电动机的工作原理归结如下:1. 将直流电源通过电刷接通电枢绕组,使电枢导体有电流流过。
运动控制系统课程设计欧阳家百(2021.03.07)课题:他励直流电动机启动系别:电气与信息工程学院专业:学号:姓名:指导教师:河南城建学院2015年 1月 4日成绩评定·一、指导教师评语(根据学生设计报告质量、答辩情况及其平时表现综合评定)。
二、评分课程设计成绩评定二、设计要求 (1)三、设计内容 (1)3.1、直流电动机 (1)3.1.1直流电动机 (1)3.1.2直流电动机的分类 (2)3.1.3他励直流电机工作原理 (2)3.2 他励直流电动机的启动 (3)3.2.1 他励直流电动机串电阻启动 (3)3.2.2 直流电动机电枢串电阻起动设计方案 (6)3.2.3 多级启动的规律 (7)3.3 结论 (7)3.4他励直流电动机串电阻起动特性分析 (8)四、设计体会 (10)五、参考文献 (10)一、设计目的通过对一个实用控制系统的设计,综合运用科学理论知识,提高工程意识和实践技能,使学生获得控制技术工程的基本训练,培养学生理论联系实际、分析解决实际问题的初步应用能力。
二、设计要求完成所选题目的分析与设计,进行系统总体方案的设计、论证和选择;系统单元主电路和控制电路的设计、元器件的选择和参数计算;课程设计报告的整理工作。
三、设计内容有一台他励直流电动机,已知参数如下Pan=200kw ;Uan=440v ;Ian=497A ; Nn=1500r/min;Ra=0.076Ω;采用分级启动,启动电流最大不超过2IA,,求出各段电阻值,并作出机械特性曲线,对启动特性进行分析。
他励直流电动机的启动时间虽然很短,但是如果不能采用正确的启动方法,电动机就不能正常地投入运行。
为此,应对电动机的启动过程和方法进行必要的分析。
直接启动时,他励直流电动机电枢加额定电压Un,电枢回路不串任何电阻,此时由于n=0,Ea=0,所以启动电流Ist=Un/Ra,由于电枢回路总电阻Ra 较小,所以Ist可以达到额定电流In的十几甚至几十倍。
这样大的电流可能造成电机换向严重不良,产生火花,甚至正、负电刷间出现电弧,烧毁电刷及换向器。
另外,过大的启动电流使启动转矩Tst过大,会使机械撞击,也会引起供电电网电波动,从而引起其他接于同一电网上的电气设备的正常运行,因此是不允许的。
一般只有微型直流电动机,由于自身电枢电阻大,转动惯量小,启动时间短,可以直接启动,其他直流电机都不允许直接启动。
在拖动装置要求不高的场合下,可以采用降低启动电压或在电枢回路串电阻的方法。
他励直流电动机在电枢回路中串电阻,具有良好的启动特性、较大的启动转矩和较小的启动电流,可以满足生产机械需要的要求。
本文借助图像对整个过程及各个变量与时间的相互关系进行了描绘,对更加清楚地了解和设计他励直流电机启动的特点具有重要意义。
3.1直流电动机3.1.1直流电动机的工作原理下图所示为最简单的直流电动机工作原理示意图。
图3.1直流电动机的工作原理直流电动机换向器是由两片互相绝缘的半圆铜环(换向片)构成的,每一换向片都与相应的电枢绕组连接,与电枢绕组同轴旋转,并与电刷A、B相接触。
若电刷A是正电位,B是负电位,那么在N极范围内的转子绕组ab中的电流从a流向b,在S极范围内的转子绕组cd中的电流从c流向d。
转子载流导体在磁场中要受到电磁力的作用,根据磁场方向和导体中的电流方向,利用电动机左手定则判断,图中ab边受力方向是向左,而cd边则向右。
由于磁场是对称的,导体中流过的又是相同的电流,所以ab边和cd边所受的电磁力的大小相等,这样转子线圈上受到电磁力F的作用而按逆时针方向旋转。
当线圈转到磁极的中性面时,线圈中的电流为零,因此,电磁力也等于零,但由于惯性的作用,线圈继续转动。
线圈转过半圈之后,虽然ab与cd的位置调换了,ab 转到S极范围内,cd转到N极范围内,但是由于电刷和换向片的作用,转到N 极下的cd边中的电流方向也变了,是从d流向c,在S极下的ab边中的电流,则从b流向a,因此,电磁力F的方向仍然不变,转子线圈仍按逆时针方向转动。
由此可知,分别在N,S极范围内的导体中的电流方向总是不变的,因此,线圈两边受力方向也不变,这样,线圈就可以按照受力方向不停地旋转。
3.1.2直流电动机的分类根据励磁方式的不同,直流电机可分为:他励直流电机、并励直流电机、串励直流电机、复励直流电机。
3.1.3他励直流电机工作原理他励直流电机的励磁绕组与电枢绕组无连接关系,而由其他直流电源对励磁绕组供电的直流电机称为他励直流电机,接线如图1.2所示。
图中M表示电动机,若为发电机,则用G 表示。
永磁直流电机也可看作他励直流电机。
图3.2他励直流电机工作原理图3.2 他励直流电动机的启动3.2.1 他励直流电动机串电阻启动在实际中,如果能够做到适当选用各级起动电阻,那么串电阻起动由于其起动设备简单、经济和可靠,同时可以做到平滑快速起动,因而得到广泛应用。
但对于不同类型和规格的直流电动机,对起动电阻的级数要求也不尽相同。
(1) 启动过程分析如图3.3(a)所示,当电动机已有磁场时,给电枢电路加电源电压U ,触点KM1、KM2均断开,电枢串入了全部附加电阻Rk1+Rk2 ,电枢回路总电阻为Ral=ra+Rk1 +Rk2,这时启动电流为 1I =al R U =21K K a R R r U++,与启动电流所对应的启动转矩为T1,此时由电阻所确定的人为机械特性如图2.1(b)中的曲线1所示。
(a) 电路图(b) 特性图图3.3直流他励电动机分二级起动的电路和特性根据电力拖动系统的基本运动方程式 T-TL=J dt d式中 T ——电动机的电磁转矩;TL ——由负载作用所产生的阻转矩;J ——电动机的转动惯量;由于起动转矩T1大于负载转矩TL ,电动机受到加速转矩的作用,转速由零逐渐上升,电动机开始起动。
在图2.1(b)上,由a 点沿曲线1上升,反电动势亦随之上升,电枢电流下降,电动机的转矩亦随之下降,加速转矩减小。
上升到b 点时,为保证一定的加速转矩,控制触点KM1闭合,切除一段起动电阻Rk1。
b 点所对应的电枢电流I2称为切换电流,其对应的电动机的转矩T2称为切换转矩。
切除Rk1后,电枢回路总电阻为Ra2=ra+Rk2。
这时电动机对应于由电阻Ra2所确定的人为机械特性,见图2.1(b)中曲线2。
在切除起动电阻RK1的瞬间,由于惯性电动机的转速不变,仍为nb ,其反电动势亦不变。
因此,电枢电流突增,其相应的电动机转矩也突增。
适当地选择所切除的电阻值Rk1,使切除Rk1后的电枢电流刚好等于1I ,所对应的转矩为T2,即在曲线2上的c 点。
又有T1>T2,电动机在加速转矩作用下,由c 点沿曲线2上升到d 点。
控制点KM2闭合,又切除起动电阻Rk2。
同理,由d 点过度到e 点,而且e 点正好在固有机械特性上。
电枢电流又由2I 突增到1I ,相应的电动机转矩由T2突增到T1。
T1> TL ,沿固有特性加速到g 点T=TL ,n=ng 电动机稳定运行,起动过程结束。
在分级起动过程中,各级的最大电流2I (或相应的最大转矩T2)及切换电流2I (或与之相应的切换转矩T2)都是不变的,这样,使得起动过程有较均匀的加速,要满足以上电枢回路串接电阻分级起动的要求,前提是选择合适的各级起动电阻。
(2) 起动电阻的计算在图2.1(b)中,对a 点,有1I =1a R U,即Ra1=1I U ,当从曲线1(对应于电枢电路总电阻 Ra1=ra+Rk1+Rk2)转换得到曲线2(对应于总电阻Ra2=ra+Rk2)时,亦即从点b 转换到点c 时,由于切除电阻RK1进行很快,如忽略电感的影响,可假定nb=nc ,即电动势Eb=Ec ,这样在b 点有2I =1a b R U U -,在c 点1I =2a cR U U -,两式相除,并考虑到Eb=Ec ,得 2121a a R R I I =,同样,当从d 点转换到e 点时,得21I I =a a r R 2这样,如图2.1所示的二级起动时,得 2121a a R R I I ==a a r R 2推广到m 级起动的一般情况,得β=2121a a R R I I ==a a r R 2=…=am m a R R )1(-=a am r R式中β为最大起动电流1I 与切换电流2I 之比,称为起动电流比(或起动转矩比),它等于相邻两级电枢回路总电阻之比。
由此可以推出 a a r R 1=m β式中m 为起动级数。
由上式得β=ma a r R 1如给定β ,求m,可将式a a r R 1=m β取对数得 m=βlg lg 1⎪⎭⎫ ⎝⎛a a r R由式β=2121a a R R I I ==a a r R 2=…=am m a R R )1(-=a am r R 可得每级电枢回路总电阻,进而求出各级启动电阻为:1R =Ra1-Ra22R =Ra2-Ra33R =Ra3-Ra4R(m-1)= Ra(m-1)- RamRm= Ram-ra起动最大电流1I 及切换电流2I 按生产机械的工艺要求确定,一般1I =(1.5~2.0) aN I2I =(1.1~1.2) aN I3.2.2 直流电动机电枢串电阻起动设计方案(1)选择启动电流1I 和切换电流2I1I =(1.5~2.0)aN I =(1.5~2.0)×497A =(745.5~994)A2I =(1.1~1.2)aN I =(1.1~1.2)×497A =(546.7~596.4)A选择1I =840A ,2I =560A 。
(2)求出起切电流比ββ=21I I =1.5(3)求出启动时电枢电路的总电阻RamRam=1I U aN=0.524Ω(4)求出启动级数mm=βlg lg ⎪⎭⎫ ⎝⎛a am r R =4.76 取m=5(5)重新计算β,校验2I β=ma am r R =1.472I =β1I =571A 2I 在规定范围之内。
(6)求出各级总电阻5R =121R I I ra=1.475⨯0.076Ω=0.52Ω4R =4βra =1.474⨯0.076Ω=0.35Ω3R =3βra=1.473⨯0.076Ω=0.24Ω 2R =2βra=1.472⨯0.076Ω=0.16ΩR=βra=1.47⨯0.076Ω=0.11Ω1R=Ra=0.076Ω(7)求出各级启动电阻Rst1=1R-0R=(0.11-0.076)Ω=0.034ΩRst2=2R-1R=(0.16-0.11)Ω=0.05ΩRst3=3R-2R=(0.24-0.16)Ω=0.08ΩRst4=4R-3R=(0.35-0.24)Ω=0.11ΩRst5=5R-4R=(0.52-0.35)Ω=0.27Ω3.2.3 多级启动的规律不同加速级的机电常数是不同的,电枢电路的电阻越大,则TM越大。