逆变器原理图_框图
- 格式:doc
- 大小:1.51 MB
- 文档页数:8
本文涉及的是光明工程中一个课题的具体技术问题。
该课题的基本原理是逆变器由直流蓄电池供电,用太阳能为蓄电池充电,然后逆变电源输出220V、50Hz的交流电供用户使用。
在研制过程中,有时随机出现烧毁大功率管的现象,本文对这一现象给出了解决方案。
图1 SG3525A驱动MOS功率管电路图图2 逆变器工作过程中波形图(a)图3 (A)逆变器缓启动(B)逆变器硬启动SG3525A和逆变电源本课题研发的逆变器使用的核心器件是SG3525A,以下分别简述其基本性能和工作过程。
SG3525A基本性能SG3525A PWM型开关电源集成控制器包括开关稳压所需的全部控制电路,设有欠压锁定电路和缓启动电路可提供精密度为5V±1%的基准电压。
其开关频率高达200KHz以上,适合于驱动N沟道MOS功率管。
本课题使用SG3525A产生50Hz的准正弦方波,为逆变器提供输出功率信号,去推动N沟道MOS功率管90N08,如图1所示。
逆变器工作过程当SG3525A被加电后(12V)会输出两列50Hz反向的方波,其幅度为9V。
这两路方波分别进入G1、G2、G3、G4所示的四条支路(图1),经各电路分别调整后输出,输出脉冲序列如图2(B)所示。
最终调制合成为A、B 两端输出的交流方波。
其波形见图2(A)。
该50Hz的序列方波由A、B两端进入电力变压器DT。
通过变压器升压后由逆变器电源输出220V、50Hz交流方波。
根据市场的不同需求生产出200W、600W、800W各个系列的逆变电源。
问题的出现与解决逆变器在额定负载条件下能够长期运行,但是当进行负载切换时或者当外电路有严重扰动时,偶尔会发生大功率管MOSFET90N08烧毁的现象。
现以800W逆变器进行剖析。
缓启动:如图3(A)所示状态,同时满负载加在逆变器输出上,然后启动逆变器使之运行,一切正常工作。
硬启动:如图3(B)所示状态,即加满负载后再闭合开关K1强行硬启动。
这时就偶尔有大功率场效应管短路烧毁的现象发生,经分析发现当G3推动的大功率管TV3尚未完全关断时,G4开启了对应的大功率管TV4,如果TV3和TV4同时开通就会造成短路现象。
产品应用笔记:用BC5016/BC6016构成的纯正弦波逆变器Rev:5060A0601一.逆变器简述在很多场合,正弦波逆变器的作用是肯定的,如野外作业、车载电源、太阳能和风力发电、停电应急等。
虽然,相当部分的交流负载可改由方波逆变器供给电源,例如电阻性的白炽灯泡。
但是,对于电感性负载(如交流电机),方波逆变器就显得有点力不从心。
究其原因,由于方波的高次谐波成分非常丰富,使它的波形前沿和后沿比较陡峭,正向峰值到负向峰值几乎在同时产生,而电感性负载存在静止惯性而使磁化速度跟不上方波到达峰值的速度,这样,对负载和逆变器本身造成剧烈的不稳定影响。
由于方波逆变器与正弦波逆变器均输出真有效值相等的电压,但它们的峰值电压却相差甚远,对于某些电容性负载(如开关电源、电子节能灯),均是先将正弦交流电压有效值整流滤波后,得到1.414U的峰值电压,再供给后续电路使用,而方波交流电压的有效值在整流滤波后,得到的峰值仍为其有效值。
如220V的正弦交流电压值整流滤波后得到311.08V的峰值电压,而220V的方波交流电压整流滤波后仍为220V。
一支普通的节能灯在220V的方波交流电压下燃点其功率约等于在155.6V 的正弦交流电压下燃点的功率。
同时,方波逆变器的负载能力差,仅为额定负载的40-60%,如所带的负载过大,方波电流中包含的高次谐波成分将使流入负载中的容性电流增大,严重时会损坏负载的电源滤波电容。
针对上述缺点,近年来出现了准正弦波(或称改良方波、修正正弦波、模拟正弦波等等)逆变器,其输出波形从正向最大值到负向最大值之间有一个时间间隔,使用效果有所改善,但准正弦波的波形仍然是由折线组成,属于方波范畴,连续性不好。
纯正弦波逆变器的兼容性是最好的,因为正弦波逆变器输出的是同我们日常使用的电网一样的正弦波交流电,多数的负载均按照其特性而设计的。
实现正弦波逆变可通过两种方法:一种是先调制后升压,另一种是先升压后调制。
图1和图2显示了这两种电路拓扑。
昱能光伏微逆变器系统安装使用及调试方案一昱能微逆变器系统介绍昱能微逆变器光伏系统是并网型应用,包含三个关键设备:(一)昱能微逆变器(二)昱能能量控制器(ECU)(三)昱能能量监控和分析器(EMA)图1 微逆变器系统安装示意图二昱能微逆变器介绍图2 昱能微逆变器实物图图3 昱能YC200 微逆变器工作原理框图昱能YC200微逆变器可与60单元或72单元光伏面板搭配(实验室选用72单元光伏面板)。
图3 YC200-CN的机壳尺寸图(单位为毫米)三昱能微逆变器安装步骤及注意事项安装昱能微逆变器系统有以下6个关键步骤:1. 将昱能微逆变器固定到支架上2. 连接光伏面板3. 连接昱能微逆变器交流线缆4. 系统接地5. 安装交流支路接线盒6. 完成昱能微逆变器系统安装图步骤1 将昱能微逆变器安装到支架上注意事项:1. 安装任何微逆变器之前,确认公共连接点处电网电压符合微逆变器标签上的电压等级。
2. 依据与光伏面板接线盒或其它障碍物距离等标记出微逆变器在支架上的位置,禁止将微逆变器安装在阳光能直接照射的地方,微逆变器和上面光伏面板之间至少相隔3厘米以上。
3. 如果使用接地垫圈将微逆变器外壳和光伏面板支架相连,接地垫圈必须经过支架制造商认可,且每个逆变器至少需要安装一个接地垫圈。
步骤 2 连接昱能微逆变器与光伏面板首先将光伏面板的正极接头(母头)和微逆变器的负极接头(公头)相连。
然后将光伏面板的负极接头(公头)和微逆变器的正极接头(母头)相连。
每台微逆变器连接一块光伏面板。
步骤 3 连接昱能微逆变器与交流线缆每台微逆变器有3针母头和公头各一个,公头侧交流线长1.2米。
通过微逆变器互相之间公头和母头相连就可形成一条交流支路。
具体可参考本手册附录9.2中单相输出接线图。
a. 每台支路的第一台微逆变器的交流公头侧接上接线盒。
b. 检查支路上要连接的微逆变器数目是否超出逆变器标签上的规定值。
c. 连接第一台微逆变器的交流母头和相邻第二台逆变器的公头,紧接着第二台再接相邻的第三台,依次完成整个支路连接。
太阳能光伏并网逆变器的设计原理框图————————————————————————————————作者:————————————————————————————————日期:太阳能光伏并网逆变器的设计原理框图随着生态环境的日益恶化,人们逐渐认识到必须走可持续发展的道路,太阳能必须完成从补充能源向替代能源的过渡。
光伏并网是太阳能利用的发展趋势,光伏发电系统将主要用于调峰电站和屋顶光伏系统。
在光伏并网系统中,并网逆变器是核心部分.目前并网型系统的研究主要集中于DC—DC和DC-AC两级能量变换的结构。
DC—DC 变换环节调整光伏阵列的工作点使其跟踪最大功率点;DC—AC逆变环节主要使输出电流与电网电压同相位,同时获得单位功率因数。
其中DC—AC是系统的关键设计.太阳能光伏并网系统结构图如图1所示.本系统采用两级式设计,前级为升压斩波器,后级为全桥式逆变器.前级用于最大功率追踪,后级实现对并网电流的控制。
控制都是由DSP芯片TMS320F2812协调完成。
图1 光伏并网系统结构图逆变器的设计太阳能并网逆变器是并网发电系统的核心部分,其主要功能是将太阳能电池板发出的直流电逆变成单相交流电,并送入电网。
同时实现对中间电压的稳定,便于前级升压斩波器对最大功率点的跟踪。
并且具有完善的并网保护功能,保证系统能够安全可靠地运行。
图2是并网逆变器的原理图。
图2 逆变器原理框图控制系统以TI公司的TMS320F2812为核心,可以实现反馈信号的处理和A/D转换、DC/DC变换器和PWM逆变器控制脉冲的产生、系统运行状态的监视和控制、故障保护和存储、485通讯等功能。
实际电路中的中间电压VDC、网压、并网电流和太阳能电池的电压电流信号采样后送至F2812控制板。
控制板主要包括:CPU及其外围电路,信号检测及调理电路,驱动电路及保护电路.其中信号检测及调理单元主要完成强弱电隔离、电平转换和信号放大及滤波等功能,以满足DSP控制系统对各路信号电平范围和信号质量的要求。
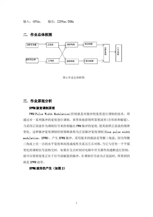
输入:48Vdc, 输出:220Vac/50Hz二. 作业总体框图图1作业总体框图三.作业原理分析SPWM脉宽调制原理PWM(Pulse Width Modulation)控制就是对脉冲的宽度进行调制的技术。
即通过对一系列脉冲的宽度进行调制,来等效地获得所需要波形(含形状和幅值)。
当采用正弦波作为调制信号来控制输出PWM脉冲的宽度,使其按照正弦波的规律变化,这种脉冲宽度调制控制策略就称为正弦脉冲宽度调制(Sine pulse width modulation,SPWM),产生SPWM脉冲,采用最多的载波是等腰三角波;因为等腰三角波上任一点的水平宽度和高度成线性关系且左右对称,当它与任何一个平缓变化的调制信号波相交时,如果在交点时刻对电路中开关器件的通断进行控制,就可以得到宽度正比于信号波幅值的脉冲。
在调制信号波为正弦波时,所得到的就是SPWM波形。
SPWM波形的产生(如图2)图2 SPWM波形的产生1.电路组成及工作原理分析:电路主要由正弦波和三角波发生电路,控制电路、逆变升压电路和保护电路组成。
电路中所用到的元器件主要有GS61001,ICL8038,运算放大器LF353,比较器LM311,IR2110,MOSFET,CD4069,电阻电容及齐纳二极管组成。
2.电源电路分析为了给主电路,驱动电路,保护电路的芯片提供正常工作电压,要把+48V 直流电变换成+15V直流电。
可采用GS61001芯片为其供电,GS61001是一款48V 电池供电降压型DC-DC电源管理芯片,内部集成基准电源、振荡器、误差放大器、过热保护、限流保护、短路保护等功能,非常适合高压60V以上场合应用。
(如图3)图3 电源电路3.控制电路分析:当电路开始工作,首先由ICL8038产生的正弦波和三角波,正弦波和三角波的幅值由可调电阻来控制,得到的波可以通过LF353运算放大器构成的反相电路进行反向,得到方向相反的正弦波,正弦波与三角波信号通过LM311比较芯片产生SPWM脉冲。
关于MPPT的工作原理摘要MPPT即“最大功率点跟踪”(Maximum Power Point Tracking)的简称,是传统太阳能充放电控制器的升级换代产品。
其功能为,控制器能够实时侦测太阳能板的发电电压,并追踪最高电压电流值(最大功率),使系统得以最高的效率对蓄电池充电。
关于最大功率点MPP,太阳能光伏阵列的输出特性具有非线性的特点,并且输出受太阳幅照度,环境温度和负载影响,只有在某一输出电压值时,光伏阵列的输出功率才能达到最大值,这时光伏阵列的工作点就达到了输出功率电压曲线的最高点。
MPPT-最大功率点追踪的工作原理:在一个规定的周期内,微处理器定期地主动调节PWM的占空比D,改变太阳能电池的输出电流,从而引起太阳能电池的输出电压变化,检测太阳能电池输出电压及输出电流,计算出太阳能电池阵列的输出功率,然后根据最大功率点跟踪策略寻找最大功率点的位置。
MPPT的简单模型如下:(个人认为,其最简原理和我们求电池最大输出效率模型相似,即寻找与内阻相等的负载点功率)图1 MPPT原理的最简等效模型RS为太阳能电池板的等效输出电阻,RL为MPPT端的等效负载电阻。
当外界条件变化时,RS也跟着变化了,这是为了满足最大的功率输出,通过调整MPPT端的负载电阻与之匹配,当RS = RL时,功率输出最大,也就是我们说的MPP点。
RL实时跟随RS变化的方法叫做MPPT算法。
带MPPT的逆变器原理框图:图2 逆变器中MPPT原理框图目前国在用的几种MPPT方法有:扰动观察法、电导增量法、恒定电压法、短路电流法、实际测量法、直线近似法、间隙扫描法。
前三者为目前最常用的方法,以下就三种方法详细说明:一、扰动观察法扰动观察法的原理为:由于太阳能电池的P-V曲线我们是可以从实时功率系统中得到,当太阳能电池的工作在最大功率点的左侧时,dP/dV>0(斜率);而在最大功率点的右侧时,dP/dV<0;在最大功率点时,dP/dV=0。
SR系列逆变器产品安装使用指导山亿新能源股份有限公司客服技术部2010.11目 录1. Solar River系列产品介绍2.如何安装Solar River系列逆变器3.如何使用Solar River系列逆变器4.通讯与监控Solar River系列光伏并网逆变器产品型号 SR1K5TLA1 SR2K2TLA1 SR2K8TLA1 SR3K3TLA1 SR4K4TLA1 SR5KTLA1 1. Solar River系列产品介绍1. Solar River系列产品介绍SF-SW为逆变器安规设置,出厂前已经设置,严禁用户私自更改1. Solar River系列产品介绍1. Solar River系列产品介绍SR逆变器原理框图:SR3—51. Solar River系列产品介绍SR逆变器原理框图:1. Solar River系列产品介绍SR逆变器内部结构图:ⅰ 打开准备逆变器,打开包装箱。
如下图。
ⅱ 取出逆变器,放在适当表面,防止划伤逆变器表面。
ⅲ 取出配件,内包含:背板1件、AC 端子1件、DC 端子2套、产品包装清单1件、产品合格证1件、产品使用说明书1件、保修卡1件。
请仔细检查产品包装清单中的物件。
如有缺失物件请及时与经销商联系。
安装前的准备2. 如何安装安装地点的选择选择安装地点需注意以下几点:1)SR系列逆变器安装地点不应该选择在经常可以接触的地方,逆变器运行时表面温度有时会比较高,禁止接触表面,以免烫伤;2)逆变器在太高或太低的温度环境下,其内部元器件无法工作在最佳的状态,可能引起逆变器降额运行;3)SR系列逆变器的某些器件在工作时可以达到80摄氏度以上,所以逆变器安装地点应运离易燃物品(如:蓄电池间、燃料储藏室);4)SR系列逆变器安装在通风,不受阳光直射的地方,以免温度太高逆变器降额运行。
为了更好的散热,请在逆变器周围留有足够的有效空间!在安装逆变器时,应保证留有下表注明的最小尺寸空间。
车载逆变器的整个电路大体上可分为两大部分,每部分各采用一只TL494或KA7500芯片组成控制电路,其中第一部分电路的作用是将汽车电瓶等提供的12V直流电,通过高频PWM (脉宽调制)开关电源技术转换成30kHz-50kHz、220V左右的交流电;第二部分电路的作用则是利用桥式整流、滤波、脉宽调制及开关功率输出等技术,将30kHz~50kHz、220V左右的交流电转换成50Hz、220V的交流电。
图1电路中,由芯片IC1及其外围电路、三极管VT1、VT3、MOS功率管VT2、VT4以及变压器T1组成12V直流变换为220V/50kHz交流的逆变电路。
由芯片IC2及其外围电路、三极管VT5、VT8、MOS功率管VT6、VT7、VT9、VT10以及220V/50kHz整流、滤波电路VD5-VD8、C12等共同组成220V/50kHz高频交流电变换为220V/50Hz工频交流电的转换电路,最后通过XAC插座输出220V/50Hz交流电供各种便携式电器使用。
图1中IC1、IC2采用了TL494CN(或KA7500C)芯片,构成车载逆变器的核心控制电路。
TL494CN是专用的双端式开关电源控制芯片,其尾缀字母CN表示芯片的封装外形为双列直插式塑封结构,工作温度范围为0℃-70℃,极限工作电源电压为7V~40V,最高工作频率为300kHz。
TL494芯片内置有5V基准源,稳压精度为5 V±5%,负载能力为10mA,并通过其14脚进行输出供外部电路使用。
TL494芯片还内置2只NPN图二本逆变器输入端为汽车蓄电池(+12V,4.5Ah),输出端为工频方波电压(50Hz,220V)。
其系统主电路和控制电路框图如图1所示,采用了典型的二级变换,即DC/DC变换和DC/AC 逆变。
12V直流电压通过推挽式变换逆变为高频方波,经高频升压变压器升压,再整流滤波得到一个稳定的约320V直流电压;然后再由桥式变换以方波逆变的方式,将稳定的直流电压逆变成有效值稍大于220V的方波电压,以驱动负载。
5. 结构框图
101128
3025243154
12181920219321314151627
6
图5‐1. EG8010结构框图
6. 典型应用电路
6.1 EG8010+IR2110S 纯正弦波逆变器典型应用电路图(单极性调制方式)
图6‐1. EG8010+IR2110S 纯正弦波逆变器典型应用电路图(单极性调制方式)
Note:
1. 固定频率模式下50Hz(FRQSEL1,FRQSEL0=00)或60Hz(FRQSEL1,FRQSEL0=01),FRQADJ/V FB2和VVVF 引脚无效,正弦波输出电压大小由反馈电阻R23进行调整或调压,可以应用在调光和调压场合。
2. 固定电压变频模式下(VVVF 引脚为“0”低电平)0~100Hz(FRQSEL1,FRQSEL0=10)或0Hz ~400Hz(FRQSEL1,FRQSEL0=11),FRQADJ 引脚需外接电位器,输出频率FRQADJ 引脚调节,输出电压由R23设置。
3. 变频变压模式 (VVVF 引脚为“1”高电平)0~100Hz(FRQSEL1,FRQSEL0=10)或0Hz ~400Hz(FRQSEL1,FRQSEL0=11),FRQADJ 引脚需外接电位器,由FRQADJ 引脚调节输出频率和输出电压,内部电路保持
V/F=常数,R23设置输出频率为50Hz 时输出电压有效值为220V 。
SG3525逆变器电路图大全(六款模拟电路工作原理详解)SG3525引脚功能及特点简介SG3525内部框图1.SG3525引脚功能介绍1.1.Inv.input(引脚1):误差放大器反向输入端.在闭环系统中,该引脚接反馈信号.在开环系统中,该端与补偿信号输入端(引脚9)相连,可构成跟随器.1.2.Noninv.input(引脚2):误差放大器同向输入端.在闭环系统和开环系统中,该端接给定信号.根据需要,在该端与补偿信号输入端(引脚9)之间接入不同类型的反馈网络,可以构成比例、比例积分和积分等类型的调节器.1.3.Sync(引脚3):振荡器外接同步信号输入端.该端接外部同步脉冲信号可实现与外电路同步.1.4.OSC.Output(引脚4):振荡器输出端.1.5.CT(引脚5):振荡器定时电容接入端.1.6.RT(引脚6):振荡器定时电阻接入端.1.7.Discharge(引脚7):振荡器放电端.该端与引脚5之间外接一只放电电阻,构成放电回路.1.8.Soft-Start(引脚8):软启动电容接入端.该端通常接一只5的软启动电容.pensation(引脚9):PWM比较器补偿信号输入端.在该端与引脚2之间接入不同类型的反馈网络,可以构成比例、比例积分和积分等类型调节器.1.10.Shutdown(引脚10):外部关断信号输入端.该端接高电平时控制器输出被禁止.该端可与保护电路相连,以实现故障保护.1.11.OutputA(引脚11):输出端A.引脚11和引脚14是两路互补输出端.1.12.Ground(引脚12):信号地.1.13.Vc(引脚13):输出级偏置电压接入端.1.14.OutputB(引脚14):输出端B.引脚14和引脚11是两路互补输出端.1.15.Vcc(引脚15):偏置电源接入端.1.16.Vref(引脚16):基准电源输出端.该端可输出一温度稳定性极好的基准电压.2.特点如下:2.1.工作电压范围宽:8—35V;2.2. 5.1(11.0%)V微调基准电源.2.3.振荡器工作频率范围宽:100Hz---400KHz.2.4.具有振荡器外部同步功能.2.5.死区时间可调.2.6.内置软启动电路.2.7.具有输入欠电压锁定功能.2.8.具有PWM琐存功能,禁止多脉冲.2.9.逐个脉冲关断.2.10.双路输出(灌电流/拉电流):mA(峰值)..3.SG3525逆变器电路图.逆变器(inverter)是把直流电能(电池/蓄电瓶)转变成交流电(一般为220V50HZ正弦或方波).应急电源,一般是把直流电瓶逆变成220V交流的.通俗的讲,逆变器是一种将直流电(DC)转化为交流电(AC)的装置.它由逆变桥、控制逻辑和滤波电路组成.广泛适用于空调/家庭影院/电动砂轮/电动工具/缝纫机/DVD/VCD/电脑/电视/洗衣机/抽油烟机/冰箱/录像机/按摩器/风扇/照明等.逆变器(inverter)是把直流电能(电池/蓄电瓶)转变成交流电(一般为220V50HZ 正弦或方波).应急电源,一般是把直流电瓶逆变成220V交流的.通俗的讲,逆变器是一种将直流电(DC)转化为交流电(AC)的装置.它由逆变桥、控制逻辑和滤波电路组成.广泛适用于空调/家庭影院/电动砂轮/电动工具/缝纫机/DVD/电脑/电视/洗衣机/抽油烟机/冰箱,录像机/按摩器/风扇/照明等.4.SG3525逆变器电路图(二)在中小容量变频电源的设计中,采用自关断器件的脉宽调制系统比非自关断器件的相控系统具有更多的优越性.第一代脉宽调制器SG3525A应用于交流电机调速/UPS电源以及其他需要PWM脉冲的领域.其外围电路可对串联谐振式逆变电源进行多功能控制,实现H桥式IGBT脉宽调制PWM信号的生成和逆变电源的保护功能,以及变频电源工作过程中谐振频率的跟踪控制.SG3525逆变器电路图控制电路的核心为PWM控制器SG3525A,用SG3525A发出的PWM脉冲,来控制逆变器VT1、VT4和VT2、VT3轮流导通,从而控制逆变电压和逆变频率。
车载逆变器的整个电路大体上可分为两大部分,每部分各采用一只TL494或KA7500芯片组成控制电路,其中第一部分电路的作用是将汽车电瓶等提供的12V直流电,通过高频PWM (脉宽调制)开关电源技术转换成30kHz-50kHz、220V左右的交流电;第二部分电路的作用则是利用桥式整流、滤波、脉宽调制及开关功率输出等技术,将30kHz~50kHz、220V左右的交流电转换成50Hz、220V的交流电。
图1电路中,由芯片IC1及其外围电路、三极管VT1、VT3、MOS功率管VT2、VT4以及变压器T1组成12V直流变换为220V/50kHz交流的逆变电路。
由芯片IC2及其外围电路、三极管VT5、VT8、MOS功率管VT6、VT7、VT9、VT10以及220V/50kHz整流、滤波电路VD5-VD8、C12等共同组成220V/50kHz高频交流电变换为220V/50Hz工频交流电的转换电路,最后通过XAC插座输出220V/50Hz交流电供各种便携式电器使用。
图1中IC1、IC2采用了TL494CN(或KA7500C)芯片,构成车载逆变器的核心控制电路。
TL494CN是专用的双端式开关电源控制芯片,其尾缀字母CN表示芯片的封装外形为双列直插式塑封结构,工作温度范围为0℃-70℃,极
限工作电源电压为7V~40V,最高工作频率为300kHz。
TL494芯片内置有5V基准源,稳压精度为5 V±5%,负载能力为10mA,并通过其14脚进行输出供外部电路使用。
TL494芯片还内置2只NPN
图二
本逆变器输入端为汽车蓄电池(+12V,4.5Ah),输出端为工频方波电压(50Hz,220V)。
其系统主电路和控制电路框图如图1所示,采用了典型的二级变换,即DC/DC变换和DC/AC逆变。
12V直流电压通过推挽式变换逆变为高频方波,经高频升压变压器升压,再整流滤波得到一个稳定的约320V直流电压;然后再由桥式变换以方波逆变的方式,将稳定的直流电压逆变成有效值稍大于220V的方波电压,以驱动负载。
为保证系统的可靠运行,分别采集了DC高压侧电压信号、电流信号及蓄电池电压信号,送入SG3525A,通过调整驱动脉冲的占空比或关断脉冲来
实现电压调节、过流保护及欠压保护等功能。
图1 系统主电路和控制电路框图
主要技术参数
输入电压:DC 12V;
输出电压:AC 220V±5%,50Hz±2%;
额定功率:100W;
保护功能:输入直流极性接反保护,输入欠压保护,输出过流保护。
电路设计
1 主控芯片SG3525A
SG3525A是ST公司生产的脉冲宽度调制器控制集成电路,具有集成基准电压,振荡器同步,软启动时间控制,输
入欠电压锁定等功能。
SG3525A的引脚如图2所示。
图2 SG3525A引脚分布
振荡频率的确定:振荡频率由三个外部元件RT、CT和RD设置,分别接在6、5、7引脚上。
振荡频率为fOSC=1 /CT(0.7RT +3RD),其中,0.7RTCT为定时电容充电时间,3RDCT为定时电容放电时间。
为了使分频分相电路取得50Hz振荡频率,本设计设定振荡频率为51.2kHz,取CT=2000pF, RT=10kΩ,RD=922Ω。
输出脉宽的调整:PWM脉冲宽度由引脚9和引脚8中电平较低的一端控制。
芯片内部的误差放大器U1将电压反馈信号与基准电压信号偏差放大后送入比较器U2的反向输入端,比较器正向输入端的输入则来自电容器CT上的锯齿波,两者做比较后输出方波脉冲来控制SG3525A内部输出功放管的占空比(见图3)。
本设计中将8引脚经电容接地,9引脚接DC/DC高压直流电压的反馈电压,由此调整输出直流电压的稳定。
图3中,U1为SG3525A 中的误差放大器,1、2、9分别为芯片管脚,R1~R7、C1、C2均为外接电阻电容。
SG3525A的16引脚输出5V 参考电压。
电阻R3、R4及U1构成反比例运算器,R4/R3为其静态放大倍数,其值越大控制精度越高。
但放大倍数太大将引起振荡,因此引入C1和R5使误差放大器成为不完全比例积分控制器,此时静态误差放大倍数不变,动态误差放大倍数减小,既不影响控制精度,又避免过冲引起振荡。
图3 输出直流高压调节原理图
脉冲的关断:当10引脚加上高电平时,实现对输出脉冲的封锁。
本设计使用该项功能实现输出过流过压、输入欠
压的保护。
2 分频分相电路
由14级串行二进制计数/分配器CD4020B构成分频电路,分频信号来自SG3525A的振荡器输出端引脚4。
图4中的A、B、C分别代表振荡器脉冲经8、9、10级分频后的波形,其频率分别为fA=fOSC/28, fB=fOSC/29, fC=fOS C/210。
分相电路由单片两输入端四与非门CD4011BC及外围器件组成,将信号ABC逻辑组合成逆变桥所需要的驱动脉冲(A+B)C与(A+B)C信号。
该驱动信号具有共同死区,信号频率约为50Hz。
图4 分频分相波形图
3 保护电路
①输入欠压保护
如图5所示,D1为蓄电池极性反接保护。
SG3525A的引脚16输出参考电压5V,取R3=R4=10kΩ。
在正常情况下,U1的反相输入端电压大于正向输入端电压,U1输出低电平,二极管D1、D2截止。
当蓄电池电压低于10V时,比较器U1开始工作,输出由低电平变为高电平,D2、D3导通,并把同相输入端电位提升为高电平,使得U1一直稳定输出高电平,向SG3525A的引脚10输出关断信号。
图5 输入欠压保护电路
②输出电流过载保护
如图6所示,运放U2及外围电阻构成反比例放大器,运放U3及外围电路构成比较器。
图1中的R3为取样电阻,取2.2Ω,2W。
当负载电流增大时,该电阻的压降△U增大。
图6 输出电流过载保护电路
运放U3正向输入端输入电压为:U+=(1+R2/R1)×(R3/R4)×△U
合理的调整R1、R2、R3、R4的取值,使得当负载电流超过1.5A后,U3的正向输入端电位高于反向输入端,输出高电位,二极管D2、D3导通,并把同相输入端电位提升为高电平,使得U1一直稳定输出高电平,向SG3525
A的10引脚输出关断信号。