南昌大学PLC实验报告
- 格式:doc
- 大小:4.29 MB
- 文档页数:18
PLC实验报告一、实验目的本次 PLC 实验的主要目的是熟悉 PLC(可编程逻辑控制器)的基本工作原理和编程方法,通过实际操作和程序编写,掌握 PLC 在工业控制中的应用,提高对自动化控制系统的理解和实践能力。
二、实验设备本次实验所使用的设备包括:1、 PLC 实验箱,型号为_____,包含 PLC 主机、输入输出模块、电源模块等。
2、编程电缆,用于将计算机与 PLC 主机连接,实现程序的下载和上传。
3、计算机,安装有 PLC 编程软件,版本为_____。
4、实验导线若干,用于连接输入输出设备。
三、实验内容(一)PLC 的基本认识首先,了解 PLC 的硬件结构,包括 CPU 模块、输入模块、输出模块、通信模块等。
熟悉 PLC 各部分的功能和作用,以及它们之间的连接方式。
(二)PLC 编程软件的使用学习使用 PLC 编程软件,掌握软件的界面布局、菜单功能、编程指令等。
通过编程软件编写简单的PLC 程序,并进行编译、下载和调试。
(三)交通灯控制系统的设计与实现1、控制要求设计一个十字路口交通灯控制系统,要求东西方向和南北方向的交通灯按照一定的时间顺序交替点亮。
具体控制要求如下:(1)东西方向绿灯亮 30 秒,然后黄灯亮 5 秒,红灯亮 35 秒。
(2)南北方向红灯亮 35 秒,然后绿灯亮 30 秒,黄灯亮 5 秒。
(3)在绿灯和红灯切换时,黄灯闪烁 5 秒。
2、 I/O 分配根据控制要求,对 PLC 的输入输出点进行分配。
例如,东西方向绿灯连接到 PLC 的输出点 Y0,东西方向黄灯连接到输出点 Y1,东西方向红灯连接到输出点 Y2,南北方向的交通灯同理。
3、程序编写使用 PLC 编程软件编写交通灯控制程序。
可以采用梯形图、指令表等编程语言。
以下是一个简单的梯形图程序示例:```LD X0 ;启动按钮SET S0 ;初始化状态STL S0 ;状态 0OUT Y0 ;东西绿灯亮OUT Y3 ;南北红灯亮LD T0 ;30 秒定时器SET S1 ;切换到状态 1 STL S1 ;状态 1OUT Y1 ;东西黄灯亮OUT Y3 ;南北红灯亮LD T1 ;5 秒定时器SET S2 ;切换到状态 2 STL S2 ;状态 2OUT Y2 ;东西红灯亮OUT Y4 ;南北绿灯亮LD T2 ;30 秒定时器SET S3 ;切换到状态 3 STL S3 ;状态 3OUT Y2 ;东西红灯亮OUT Y5 ;南北黄灯亮LD T3 ;5 秒定时器SET S0 ;切换回状态 0```4、程序调试将编写好的程序下载到 PLC 主机中,通过观察交通灯的实际运行情况,对程序进行调试和修改,确保交通灯控制系统能够按照要求正常工作。
大学PLC实验报告学院:班级:学号:姓名:日期:2014实验一智能抢答器控制一、实验目的用PLC构成抢答器控制系统二、实验内容1.控制要求3人的抢答控制。
当主持人宣布开始时,各选手开始抢答,当某一选手最先抢答到时,其指示灯亮,同时其他选手不能抢答,只到主持人复位,才可以重新抢答。
2.被控对象4 . 接线5、状态时序图6、调试过程分别按下各选手的抢答按钮,观察是否可屏蔽其他两位选手的抢答要求,按主持人复位键,互锁是否消除,是否可重新抢答。
三、实验结论以互锁的原理实现各选手抢答的唯一性。
并能很好的利用常闭开关的特性实现主持人的复位操作。
四、实验心得在实现自身抢答的同时,还要屏蔽其他选手的抢答,所以必须应用到互锁。
同时主持人复位键以常闭开关实现个各选手的复位。
实验二轧钢机生产线控制一、实验目的1.掌握PLC的编程软件平台及位逻辑、定时器、计数器、中断等指令的编程方法2.掌握PLC下位机与PC上位机通讯、软件调试的方法3. 设计出轧钢机生产线的电气接线图和PLC控制程序二、实验内容(一)控制功能要求1.无限循环轧制(1)按下启动按钮,系统运行。
(2)按下外扩按钮K1,电机M1,M2运转,传送带1运转。
当检测到传送带1有钢板时,钢板检测传感器SP1为ON(按下SP1按钮来模拟检测传感器常开接点闭合),同时电机M3,M4旋转,传送带2运转,经4S后钢板传送到初轧轧辊位置时,电磁阀YV1为ON,并初轧3S。
(2)当钢板到达传送带2位置时,钢板检测传感器SP2为ON(按下SP2按钮模拟检测传感器),同时电机M1,M2停止运转、传送带1也停止运转、电机M5运转、传送带3运转,经4S钢板传送到精轧轧辊位置,电磁阀YV2为ON,精轧2S后,钢板传送到传送带3,钢板检测传感器SP3为ON(按下SP3按钮模拟检测传感器),这时电机M3,M4停止,M5运转。
再实现无限循环轧制功能。
2. 计数轧制控制按下外扩按钮K2,按照上述顺序进行计数轧制,用计数器记录循环轧制次数,2次后停止计数轧制,计数器清零3. 按下停止按钮,整个系统停止(二) 被控对象被控对象由电机拖动传送带、钢坯、电感式检测传感器、轧机、指示灯、按钮等组成,本控制将钢坯通过初轧和精轧两个过程,轧制成2mm厚的薄钢板产品,供给生产单位使用,每循环一次轧制出一张薄钢板产品,示意图如下所示。
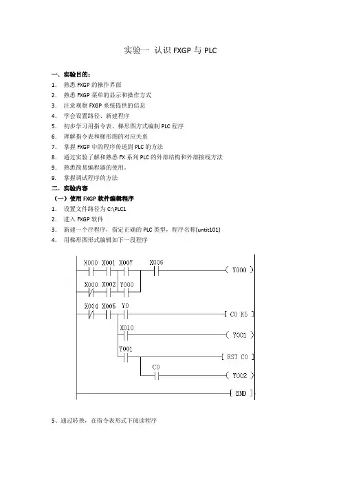
实验一认识FXGP与PLC一.实验目的:1.熟悉FXGP的操作界面2.熟悉FXGP菜单的显示和操作方式3.注意观察FXGP系统提供的信息4.学会设置路径、新建程序5.初步学习用指令表、梯形图方式编制PLC程序6.理解指令表和梯形图的对应关系7.掌握FXGP中的程序传送到PLC的方法8.通过实验了解和熟悉FX系列PLC的外部结构和外部接线方法9.熟悉简易编程器的使用。
9. 掌握调试程序的方法二.实验内容(一)使用FXGP软件编辑程序1.设置文件路径为C:\PLC12.进入FXGP软件3.新建一个序程序,指定正确的PLC类型,程序名称[untit101] 4.用梯形图形式编辑如下一段程序5、通过转换,在指令表形式下阅读程序(二)、使用编程器编辑程序1.关电源,将手持编程器FX-10P-E或FX-20P-E连接电缆,电缆另一头接至PLC主机的编程器插座中,并将主机工作方式选择(STOP/RUN)拨至“STOP”位置。
2.按下PLC的电源开关,PLC主机通电,“POWER”灯亮,手持编程器在液晶窗口显示自检内容。
3.写入程序前,需对PLC“RAM”全部清零,当液晶显示屏上显示全是“NOP”时,即可输入程序。
清零方法如图1所示。
图1 PLC清零方法4.程序的输入,需要先按功能编辑键,键盘上分别有“RD/WR”、“INS/DEL”、“MNT/TEST”等字符分别代表读/写、插入/删除和监控/测试功能。
其功能为后按者有优先权。
例如第一次按“RD/WR”键为读出(R),再按一次即为写入(W),再按一次又变成R。
W、R、I、D、M和T功能字符分别显示在液晶显示窗的左上角。
5.输入程序如图2所示,进行编程训练操作。
图2 编程实例实现编程操作如图3所示。
(a) 键盘操作(b) 显示图3 编程操作6.输入完程序后,可按图4操作键进行程序检查。
图4 程序检查7.验证实验的正确性(1)将模拟开关板的开关分别用导线连接到PLC的输入端X0、X1和COM端。
plc实验报告总结PLC实验报告总结引言:PLC(可编程逻辑控制器)是一种广泛应用于工业自动化领域的控制器,它能够根据预设的程序和逻辑进行自动化控制。
本次实验旨在通过对PLC的实际应用进行探索和学习,进一步了解其原理和功能。
在实验过程中,我们通过搭建不同的电路和编写相应的程序,实现了对电机、传感器和开关等设备的控制和监测。
本文将对实验过程和结果进行总结和分析。
实验一:PLC基本控制电路在第一个实验中,我们搭建了一个简单的PLC基本控制电路。
通过连接电源、PLC和输出设备,我们成功实现了对电机的控制。
在编写程序的过程中,我们了解到PLC的工作原理是通过输入信号的变化来触发输出信号的改变。
通过调整程序中的逻辑关系和时间延迟,我们可以灵活地控制输出设备的状态。
这个实验让我们对PLC的基本控制功能有了初步的了解。
实验二:PLC与传感器的应用在第二个实验中,我们进一步探索了PLC与传感器的应用。
通过连接温度传感器和PLC,我们实现了对温度的监测和控制。
在编写程序的过程中,我们学习到了如何读取传感器的信号并进行相应的逻辑判断。
通过设定合适的温度范围和控制策略,我们成功实现了对温度的自动调节。
这个实验让我们体会到了PLC在工业自动化中的重要作用,它能够实时监测环境参数并做出相应的控制决策。
实验三:PLC与开关的联动控制在第三个实验中,我们探索了PLC与开关的联动控制应用。
通过连接多个开关和PLC,我们实现了对多个输出设备的控制。
在编写程序的过程中,我们学习到了如何根据不同的开关状态来触发相应的输出信号。
通过合理设置开关的逻辑关系和输出设备的联动关系,我们成功实现了对多个设备的协同工作。
这个实验让我们认识到了PLC在复杂控制系统中的灵活性和可靠性。
实验四:PLC与人机界面的交互在第四个实验中,我们探索了PLC与人机界面的交互应用。
通过连接触摸屏和PLC,我们实现了通过触摸屏对设备进行控制和监测。
在编写程序的过程中,我们学习到了如何设计人机界面,包括按钮、指示灯和数据显示等元素。
实验一三相异步电动机接触器点动控制线路 (2)实验二三相异步电动机的可逆运转控制 (4)实验三通电延时型控制线路 (6)实验四可编程控制器的基本指令编程练习 (8)实验五喷泉的模拟控制 (10)实验六交通灯的模拟控制 (13)实验七液体混合的模拟控制 (16)实验一 三相异步电动机接触器点动控制线路一、概述三相笼式异步电机由于结构简单、性价比高、维修方便等优点获得了广泛的应用。
在工农业生产中,经常采用继电器接触控制系统对中小功率笼式异步电机进行点动控制,其控制线路大部分由继电器、接触器、按钮等有触头电器组成。
图2是三相鼠笼异步电动机接触器点动控制线路(电机为Y 接法)起动时,合上漏电保护断路器及空气开关QF ,引入三相电源。
按下起动按钮SB2时,交流接触器KM1的线圈通电,主触头KM1闭合,电动机接通电源起动。
当手松开按钮时,接触器KM1断电释放,主触头KM1断开,电动机电源被切断而停止运转。
FR1FU1KM1QF L1L2L3LKM1M 3~FR1N FU2FU2L SB1SB2二、实验目的1、 了解时间继电器的结构,掌握其工作原理及使用方法。
2、 掌握Y-Δ起动的工作原理。
3、 熟悉实验线路的故障分析及排除故障的方法。
三、实验设备 序号 设备名称使用仪器名称数量 1 DL-CX-001 三相交流电源 1 2 WD01G 空开、熔断器模块 1 3 WD04G 热继电器模块 1 4 WD09G 按钮模块 1 5WD02G接触器模块16 M04 三相鼠笼式异步电动机 1四、实验内容及步骤1、检查各实验设备外观及质量是否良好。
2、按图2三相鼠笼式异步电动机接触器点动控制线路进行正确的接线。
先接主回路,再接控制回路。
自己检查无误并经指导老师检认可后方可合闸通电实验。
(1)、热继电器值调到1.0A 。
(2)、合上漏电保护断路器及空气开关QF ,调节三相电源输出220V 。
(3)、按下起动按钮SB2时,观察电机工作情况,体会点动操作。
plc实验报告总结近年来,工业自动化技术飞速发展,PLC(可编程控制器)也成为现代化生产领域不可或缺的设备之一。
在学习PLC时,我们进行了一系列实验,以下是本人对PLC实验的总结。
实验一:PLC硬件配置在这个实验中,我们学会了PLC的硬件配置和连接步骤。
我们用编程器连接PLC并将程序下载到PLC中。
这个实验直观地介绍了PLC的硬件构成和基本配置方法。
实验二:PLC基础操作这个实验教给我们PLC的基础操作,如如何创建程序,如何将输入/输出模块配置到PLC中,并编写程序将输入信号转换为输出信号。
这个实验让我们了解了PLC的基本功能和使用方法。
实验三:PLC计数器和定时器在这个实验中,我们学会了如何编程使用PLC的计数器和定时器。
我们能够利用计数器和定时器来控制输出电路和操作电机。
这个实验让我们明白了如何利用PLC控制多个输出和设备。
实验四:PLC组态软件和模拟仿真本次实验是在模拟环境中使用PLC。
我们用Simatic S7组态软件将我们的PLC机器仿真,观察程序的运作情况。
这个实验允许我们将PLC程序提前测试并进行模拟。
实验五:PLC通信在这个实验中,我们使用S7协议进行PLC通信。
我们了解了基本的通信协议,如何建立连接,如何在不同硬件设备之间传输数据。
这个实验展示了现实世界中PLC通信的应用。
PLC的应用范围非常广泛, 包括制造业,交通运输,电力建设等。
在现代制造设备中,几乎所有的电子控制系统都与PLC有关。
PLC逐渐取代了真空管、继电器和计时器等设备,成为可编程控制系统的主要顶替者之一。
总之,通过PLC的实践经验,我了解到PLC对于自动化控制是非常重要的。
它可以高效地控制机器人、传送带等设备,并且具有可编程、可靠、操作简便等优点。
PLC不仅提高了设备的生产效率和质量,而且缩短了制造周期,节省了成本。
我相信,在未来几年内,PLC将在更广泛的自动化控制领域发挥更为广泛和重要的作用。
PLC 实验报告《PLC 实验报告》一、实验目的本次 PLC 实验的主要目的是熟悉 PLC(可编程逻辑控制器)的基本工作原理和操作方法,通过实际编程和运行,掌握 PLC 在工业控制中的应用,提高对自动化控制技术的理解和实践能力。
二、实验设备1、 PLC 实验箱实验箱内包含 PLC 主机、输入输出模块、电源模块等。
2、编程软件使用了_____品牌的 PLC 编程软件,用于编写和调试 PLC 程序。
3、连接线缆用于连接 PLC 主机与计算机,实现程序的下载和上传。
4、实验对象实验中使用了_____作为被控对象,例如电机、灯光等。
三、实验原理PLC 是一种专门为在工业环境下应用而设计的数字运算操作的电子装置。
它采用可编程序的存储器,用来在其内部存储执行逻辑运算、顺序控制、定时、计数和算术运算等操作的指令,并通过数字式或模拟式的输入和输出,控制各种类型的机械或生产过程。
PLC 的工作原理大致分为三个阶段:输入采样阶段、程序执行阶段和输出刷新阶段。
在输入采样阶段,PLC 依次读取输入端口的状态,并将其存储在输入映像寄存器中;在程序执行阶段,PLC 按照用户编写的程序,对输入映像寄存器和输出映像寄存器中的数据进行逻辑运算和算术运算,并将结果存储在输出映像寄存器中;在输出刷新阶段,PLC 将输出映像寄存器中的数据传送到输出端口,从而控制外部设备的运行。
四、实验内容1、基本指令实验熟悉 PLC 的基本指令,如常开触点、常闭触点、线圈、定时器、计数器等。
通过编写简单的程序,实现对灯光的开关控制、电机的正反转控制等。
2、顺序控制实验掌握 PLC 的顺序控制编程方法,使用顺序功能图(SFC)编写程序,实现对生产流水线的控制,例如物料的输送、加工、分拣等过程。
3、模拟量处理实验学习 PLC 对模拟量的采集和处理,通过模拟量输入模块采集外部传感器的信号,如温度、压力等,并在程序中进行数据转换和处理,实现对被控对象的精确控制。
学生实验报告实验课程名称开课实验室学院年级专业班学生姓名学号开课时间至学年第学期实验一基本指令的编程练习(一)与或非逻辑功能实验一、实验任务及实验目的1、熟悉PLC实验装置,S7-200系列编程控制器的外部接线方法。
2、了解编程软件STEP7的编程环境,软件的使用方法。
3、掌握与、或、非逻辑功能的编程方法。
二、实验过程通过程序判断Q0.1、Q0.2、Q0.3、Q0.4的输出状态,然后再输入并运行梯形图程序:实验步骤:1.梯形图中的I0.1、I0.3分别对应控制实验单元输入开关I0.1、I0.3。
2.通过专用PC/PPI电缆连接计算机与PLC主机。
打开编程软件STEP7,逐条输入程序,检查无误后,将所编程序下载到主机内,并将可编程控制器主机上的STOP/RUN开关拨到RUN位置,运行指示灯点亮,表明程序开始运行,有关的指示灯将显示运行结果。
3.拨动输入开关I0.1、I0.3,观察输出指示灯.Q0.1、Q0.2、Q0.3、Q0.4是否符合与、或、非逻辑的正确结果。
三、实验结果及总结达到了设计的要求和观察到了预期的实验效果。
1)本次实验我学会了如何对plc程序在编程器中进行编程以及如何连线在实验装置上进行仿真2)对plc的逻辑编程方法有了一个初步的了解(二)定时器/计数器功能实验在S21 S7-200模拟实验挂箱(一)上完成本实验。
一、实验目的掌握定时器、计数器的正确编程方法,并学会定时器和计数器扩展方法,用编程软件对可编程控制器的运行进行监控。
二、实验过程1.定时器的认识实验定时器的控制逻辑是经过时间继电器的延时动作,然后产生控制作用。
其控制作用同一般继电器。
2.计数器器认识实验西门子S7-200系列的内部计数器分为加计数器,减计数器和加减计数器三种。
定时器的认识实验梯形图:定时器扩展实验梯形图:计数器器认识实验梯形图:计数器扩展实验梯形图:三、实验结果及总结达到了设计的要求和观察到了预期的实验效果;1)本次实验进行了对计时器的学习,计时器在plc中是一种十分常见的程序,对计时器的使用是十分有必要的2)本次实验基本上对接线有了清晰的了解,基本上不会出错3)通过这次练习,对plc有了兴趣实验二水塔水位控制的模拟在S23 S7-200模拟实验挂件(三)本实验。
本科生实验报告课程名称:电器控制与PLC控制技术实验专业班级:电气工程及其自动化145班姓名:王玮琛学号: 6101114144所在学期: 2016-2017-22017年 5 月 30 日实验一 PLC基本指令编程练习(一)与或非功能的实验在基本指令的编程练习单元完成本实验。
一、实验目的1、熟悉PLC实验装置,S7-200系列编程控制器的外部接线方法2、了解编程软件STEP7的编程环境,软件的使用方法。
3、掌握与、或、非逻辑功能的编程方法。
二、实验说明首先应根据参考程序,判断Q0.0、Q0.1、Q0.2的输出状态,在拨动输入开关I0.1、I0.2、I0.3,观察输出指示灯Q0.1、Q0.2、Q0.3是否符合与、或、非逻辑的正确结果。
四、梯形图参考程序(二)定时器/计数器功能实验一、实验目的掌握定时器、计数器的正确编程方法,并学会定时器和计数器扩展方法,用编程软件对可编程控制器的运行进行监控。
二、实验说明SIMATIC定时器可分为接通延时定时器(TON),有记忆的接通延时定时器(TONR)和断开延时定时器(TOF)。
SIMATIC计数器可分为递增计数器(CTU),递减计数器(CTD)和递增/递减计数器(CTUD)。
在运行程序之前,首先应该根据梯形图分析各个定时器、计数器的动作状态。
三、梯形图参考程序1)定时器参考程序2)计数器参考程序2.定时器扩展实验由于PLC的定时器和计数器都有一定的定时范围和计数范围。
如果需要的设定值超过机器范围,我们可以通过几个定时器和计数器的串联组合来扩充设定值的范围。
(2)计数器扩展实验略实验二 喷泉的模拟控制一、实验目的用PLC 构成喷泉控制系统二、实验内容1.控制要求隔灯闪烁:L1亮0.5秒后灭,接着L2亮0.5秒后灭, 接着L3亮0.5秒后灭,接着L4亮0.5秒后灭,接着L5、L9亮0.5秒 后灭,接着L6、L10亮0.5秒后灭,接着L7、L11亮0.5秒后灭,接着L8、L12亮0.5秒后灭,L1亮0.5秒后灭,如此循环下去。
plc实验报告总结
在进行PLC实验的过程中,我对PLC的工作原理、编程和应
用有了更深入的了解。
首先,在实验中我学习了PLC的硬件组成和软件编程。
通过
了解PLC的CPU、输入输出模块、通信模块等各个部分的功
能和连接方式,我能够正确地安装和配置PLC系统。
而且,
在实验中我还学会了使用PLC编程软件进行逻辑编程和仿真
调试。
编程时,我根据实际需求设计了输入和输出、逻辑控制和数据存储的程序,通过编程软件的仿真功能进行验证和调试。
这个过程中,我深入理解PLC的逻辑控制思维,掌握了编程
技巧和调试方法。
其次,在实验中我实践了PLC的应用。
通过实验,我了解了PLC在工业自动化、机械控制和过程控制等领域的广泛应用。
我设计了几个实际的控制系统,如温度控制系统、水位控制系统等,并且通过PLC实现了这些控制系统的功能。
这使我更
加直观地感受到了PLC在自动化控制中的重要作用。
最后,在实验报告中我总结了PLC实验的目的、原理、步骤
和结果。
通过撰写实验报告,我不仅加深了对PLC实验的理解,还提高了实验数据的整理和呈现能力。
此外,在实验报告的总结中我表达了我对PLC实验过程和结果的感受和思考,
提出了进一步改进和完善的建议。
通过这次PLC实验,我深入学习了PLC的原理和应用,掌握
了PLC的编程和调试技术,并且通过实践应用,对PLC在工
业自动化中的重要性有了更深刻的认识。
这次实验对我今后的工作和学习有着重要的指导作用。
PLC实验报告总结第一篇:PLC实验报告总结plc实训总结报告这个学期开设了电气控制与plc实训的课程,跟以前所有开设的课程有很大的区别,这门课程的灵活性很强,充分发挥自己的潜力;其实学习的过程当中并不一定要学到多少东西,个人觉得开散思维怎样去学习,这才是最重要的,而这门课程恰好体现了这一点。
此次的实训以班级为主体,以小组为单位而开展的一次综合的实践,老师也给予我们足够的空间让我们完成此次的实训,这让我觉得压力减轻不少。
这次的实训从程序上面看起来很复杂,我们组进行了任务的分工,一下子就变得简单化了。
原来以为自己负责编程序任务是最轻的,没有想到是最为复杂的,需要的资料很多。
而给予我们的时间有限,不得不在其他的时间进行补充和修改。
真正让自己参与本次实训的话就会发现本次实训乐趣无穷,收获多多。
就如第一天,教师给我们讲了最简单的plc编程,接线。
就这么简单的一个编程与接线,可自己弄时却出现了这样那样的问题,其实问题就在于刚开始弄,对视图的用法不够熟练,什么时候用常开结点,常闭结点,什么时候用向上常开结点,向上常闭结点,还有输出的就一定要用小括号的,还有最后一定要用中括号的end。
当然画了几遍后就会发现其实真的简单,之后就一画就对。
还有plc接线时,输入的结点可以用任意的x0到x27的按扭控制。
第一天就让我对这次的实训充满兴趣还有对接下来几天所实训内容的期盼。
相信这只是一个简单的开始,接下来的几天才是真正值的兴奋的时候,当然,面对那么大的仪器还有那么高的电压,老师还是一再的强调注意安全,小心设备,切记规范操作。
所以不管我的好奇心有多大,每次做好需要老师来检查了再通电的时候我们都会先请老师看了说行了再接着做。
通过这次的实训,让我受益匪浅。
第一,认识了团队合作的力量,要完成一个项目不是一个人的事情,当中我们有过分歧但最终达成共识,不管结果怎样,至少我们曾经在一起努力过,体验其中的过程才是真正的收获。
第二,通过这次的实践操作,我认识到了自己的不足,更感觉到了自己与别人的差距。
PLC实验报告实验课程PLC原理与应⽤学院名称专业名称学⽣姓名学⽣学号指导教师实验地点实验成绩⼆〇年⽉——⼆〇年⽉基于PLC 的速度控制器⼀、实验要求模拟⼀个速度调节器,利⽤光电开关,⾼速计数器得到当前速度值,通过PID 调节来决定是加速还是减速。
要使得轮⼦的转速恒定,并且设置速度可调。
⼆、实验功能对车轮转速进⾏恒速控制,对速度进⾏PID 调节,PID 运算结果去控制接通电机,由于电机只能为OFF 和ON 两个状态,为开关量,不能接收模拟量调节,故⽽采⽤“占空⽐”的调节⽅法。
通过PLC 的⾼速计数器记录下测速的光电开关的开关次数,经过PID 指令运算得到⼀个0-1的实数,把该实数按⽐例换算成⼀个0-100的整数,把该整数作为⼀个范围为1-10s 的时间t 。
设计⼀个时间周期为10s 的脉冲,脉冲宽度为t ,把该脉冲加给电机,就可以控制速度。
三、实验原理3.1PID 指令⽤于模拟量控制1.PID 算法在闭环控制系统中,PID 控制⽤于调节控制系统的输出,保证偏差e 为零,使系统达到稳定状态。
PID 控制原理如下式,M(t)是⽐例项、积分项和微分项的函数0()tc c initial cdeM t K e K edt M K dt=+++? 式中 M(t)----------PID 回路输出,是时间的函数 Kc------------PID 回路增益 M initial ------PID 回路输出的初始值为了计算机能够处理,将其周期性采样离散化后进⾏PID 运算,算法如下:1()n c n i n x D n n M K e K e M K e e -=+++-其中:n n n e SP PV =-; 111n n n e SP PV ---=-; 1c s i K T K T =; c D D SK TK T = ⽐例项:c n K e 积分项:i n x K e M + 微分项:1()x D n n M K e e -+- 回路输⼊量的转化和标准化PLC 在进⾏PID 控制之前,必须将其转化成标准浮点数表⽰。
plc实验报告总结总结本次实验主要围绕可编程逻辑控制器(PLC)的原理与应用展开,在实验中我们与PLC进行了初步的接触,并通过软件仿真和实际操作两种方式进行实验,以获得更加深入和全面的了解。
首先,我们通过PLC的软件仿真,学习了PLC的工作原理和编程方法。
通过软件仿真,我们可以模拟现实中的各种场景并对其进行测试,这为我们进行实际操作前提供了很好的准备。
在实验中,我们学习了PLC的输入输出(I/O)模块的编程方法,通过不同的布尔逻辑控制和时序控制,我们能够实现各种复杂的逻辑功能,并对输入和输出信号进行有效的控制。
然后,我们进行了实际操作,通过安装和连接PLC的硬件设备,对软件中的程序进行实际运行和测试。
在实验中,我们学习了PLC的硬件结构和组成部分,包括主控制器、I/O模块、扩展模块等。
通过实际操作,我们能够更加深入地理解PLC的工作原理和运行过程,并能够解决实际中的各种问题和故障。
在本次实验中,我们还学习了PLC的编程语言——梯形图(Ladder Diagram),并通过实际编写梯形图程序,实现了不同的控制功能。
通过梯形图的编程方式,我们能够直观地理解和表示控制系统的逻辑关系,同时也能够方便地进行程序的编写和修改。
总的来说,本次实验以PLC为主线,通过软件仿真和实际操作的方式,使我们对PLC的原理、工作方式和应用有了更加深入和全面的了解。
通过本次实验,我们不仅学习到了PLC的基本知识和技能,还培养了我们的动手能力和问题解决能力。
同时,本次实验也为我们今后在相关领域的学习和工作奠定了基础,为我们提供了更多的实践机会和发展空间。
通过本次实验,我深刻认识到PLC在自动化控制领域的重要作用,并意识到了PLC的学习和应用的必要性。
我将继续深入研究PLC的相关知识,提升自己的技术水平,争取在今后的学习和工作中能够更好地应用PLC技术,为实现自动化控制做出贡献。
(此文档为word格式,下载后您可任意编辑修改!)PLC实验报告目录PLC软件实验环境介绍实验一……………………………………喷泉的模拟控制实验二………………………………舞台灯光的模拟控制实验三…………………………………交通灯的模拟控制实验四……………………………装配流水线的模拟控制实验五………………………………抢答器的模拟控制实验六…………………………MCGS对喷泉的模拟监控实验小结PLC软硬件介绍一、实验目的通过介绍欧姆龙公司生产的PLC产品的软件和硬件的相关知识,使学生掌握编程软件的使用,硬件的组成及工作原理,为后续实验作好准备。
二、实验内容硬件部分主要了解QSPLC-1A实验箱基本配置及其结构、基本工作原理,掌握输入输出接口及各种指示灯的连接方法。
软件部分主要学会使用CX-Programmer软件的安装、程序输入、编辑。
在线工作、下载与上传、参数设置、运行调试等功能。
1.硬件说明:(1)必须在试验箱未接电未连主机时接线。
不允许带电插拔。
(2)在试验箱和主机均关电时连接通讯电缆。
(3)各个输入口:最左边孔COMV(4)各个输出口:COM连在一起V(5)试验模块:+24V公共的+24V,COM+24V(6)按钮会弹起:COM+24V(7)开关只能为“高”(ON)为“低”(OFF)。
也要:COMV。
(8)如连线错误,修改连线时。
必须在主机关电,试验箱关电后进行。
2.软件设计步骤:PLC程序设计遵循以下6步:(1)确定被控系统必须完成的动作以及动作顺序。
(2)分配输入输出设备,并将PLC的输入和输出与之对应进行设计。
(3)设计PLC程序,画出梯形图。
(4)用计算机对PLC梯形图直接编程。
(5)对程序进行(模拟和现场)调试。
(6)保存已经完成的程序,形成文本实验一喷泉的模拟控制一、实验目的用PLC构成喷泉控制系统二、实验内容1.控制要求确定被控系统必须完成的动作以及动作顺序。
隔灯闪烁:L1亮0.5秒后灭,接着L2亮0.5秒后灭,接着L3亮0.5秒后灭,接着L4亮0.5秒后灭,接着L5、L9亮0.5秒后灭,接着L6、L10亮0.5秒后灭,接着L7、L11亮0.5秒后灭,接着L8、L12亮0.5秒后灭,L1亮0.5秒后灭,如此循环下去。
大学生plc实训报告范文实训报告就相当于类似于理科课程的实验报告一样,那么你们知道大学生plc实训报告要怎么写吗?为大家带来的大学生plc实训报告范文,希望可以帮助大家。
大学生plc实训报告范文1:专业:机械制造与设计班级:学生姓名:学号:2013 实训时间:六周指导教师:一、PLC控制技术介绍1 概述可编程控制器(PLC)是以微处理器为基础,综合了计算机技术、自动控制技术和通信技术发展起来的一种通用的工业自动控制装置。
它具有体积小、功能强、灵活通用与维护方便等一系列的优点。
特别是它的高可靠性和较强的适应恶劣环境的能力,受到用户的青睐。
因此在冶金、化工、交通、电力等领域获得了广泛的应用,成为了现代工业控制的三大支柱之一。
可编程控制器是一种存储器控制器,支持控制系统工作的程序存放在存储器中利用程序来实现控制逻辑,完成控制任务。
在可编程控制器构成的控制系统中,要实现一个控制任务,首先要针对具体的被控对象,分析它对控制系统的要求,然后编制出相应的控制程序,利用编程器将控制程序写入可编程控制器的程序存储器中。
系统运行时,可编程控制器依次读取程序存储器中的程序语句,对它们的内容加以解释并执行。
现代PLC已经成为真正的工业控制设备。
可编程序控制器的分类:PLC的种类很多,其实现的功能、内存容量、控制规模、外型等方面均存在较大的差异。
因此,PLC的分类没有一个严格的统一标准,而是按照结构形式、控制规模、实现的功能进行大致的分类。
1.2 PLC的结构及特点PLC实质是一种专用于工业控制的计算机,其硬件结构基本上与微型计算机相同1、中央处理单元(CPU)中央处理单元(CPU)是PLC的控制中枢。
它按照PLC系统程序赋予的功能接收并存储从编程器键入的用户程序和数据;检查电源、存储器、I/O以及警戒定时器的状态,并能诊断用户程序中的语法错误。
当PLC投入运行时,首先它以扫描的方式接收现场各输入装置的状态和数据,并分别存入I/O映象区,然后从用户程序存储器中逐条读取用户程序,经过命令解释后按指令的规定执行逻辑或算数运算的结果送入I/O映象区或数据寄存器内。
实验一三相异步电动机接触器点动控制线路 (2)实验二三相异步电动机的可逆运转控制 (4)实验三通电延时型控制线路 (6)实验四可编程控制器的基本指令编程练习 (8)实验五喷泉的模拟控制 (10)实验六交通灯的模拟控制 (13)实验七液体混合的模拟控制 (16)实验一 三相异步电动机接触器点动控制线路一、概述三相笼式异步电机由于结构简单、性价比高、维修方便等优点获得了广泛的应用。
在工农业生产中,经常采用继电器接触控制系统对中小功率笼式异步电机进行点动控制,其控制线路大部分由继电器、接触器、按钮等有触头电器组成。
图2是三相鼠笼异步电动机接触器点动控制线路(电机为Y 接法)起动时,合上漏电保护断路器及空气开关QF ,引入三相电源。
按下起动按钮SB2时,交流接触器KM1的线圈通电,主触头KM1闭合,电动机接通电源起动。
当手松开按钮时,接触器KM1断电释放,主触头KM1断开,电动机电源被切断而停止运转。
FR1FU1KM1QF L1L2L3LKM1M 3~FR1N FU2FU2L SB1SB2二、实验目的1、 了解时间继电器的结构,掌握其工作原理及使用方法。
2、 掌握Y-Δ起动的工作原理。
3、 熟悉实验线路的故障分析及排除故障的方法。
三、实验设备 序号 设备名称使用仪器名称数量 1 DL-CX-001 三相交流电源 1 2 WD01G 空开、熔断器模块 1 3 WD04G 热继电器模块 1 4 WD09G 按钮模块 1 5WD02G接触器模块16 M04 三相鼠笼式异步电动机 1四、实验内容及步骤1、检查各实验设备外观及质量是否良好。
2、按图2三相鼠笼式异步电动机接触器点动控制线路进行正确的接线。
先接主回路,再接控制回路。
自己检查无误并经指导老师检认可后方可合闸通电实验。
(1)、热继电器值调到1.0A 。
(2)、合上漏电保护断路器及空气开关QF ,调节三相电源输出220V 。
(3)、按下起动按钮SB2时,观察电机工作情况,体会点动操作。
(注意,操作次数不宜频繁过多)(4)断开空气开关QF,切断三相主电源。
(5)断开漏电保护断路器,关断总电源。
五、实验接线图实验二 三相异步电动机的可逆运转控制一、概述生产过程中,生产机械的运动部件往往要求能进行正反方向的运动,这就是拖动电机能作正反向旋转。
由电机原理可知,将接至电机的三相电源进线中的任意两相对调,即可改变电机的旋转方向。
但为了避免误动作引起电源相间短路,往往在这两个相反方向的单相运行线路中加设必要的机械及电气互锁。
按照电机正反转操作顺序的不同,分别有“正—停—反”和“正—反—停”两种控制线路。
对于“正—停—反”控制线路,要实现电机有“正转—反转”或“反转—正转”的控制,都必须按下停止按钮,再进行方向起动。
然而对于生产过程中要求频繁的实现正反转的电机,为提高生产效率,减少辅助工时,往往要求能直接实现电机正反转控制。
图7是接触器联锁的三相异步电动机正反转控制线路(电机为Y 接法)起动时,合上漏电保护断路器及空气开关QF ,引入三相电源。
按下起动按钮SB2,接触器KM1线圈通电,其主触头KM1闭合,同时线圈KM1通过与开关SB2并联的辅助常开触点KM1实现自锁并且通过接触器KM2的辅助触点与接触器KM2形成互锁,电动机正转。
当按下开关SB3时,接触器KM2线圈通电,其主触点KM2闭合,与开关SB3并联的辅助常开触点KM2使接触器KM2自锁。
同时与接触器KM1互锁的辅助常闭触点KM2断开,使接触器KM1断电释放,主触头KM1断开,同时其辅助常闭触点KM1导通,电动机反转。
要使电动机停止运行,按下开关SB1即可。
KM2KM1KM1KM2KM1FU1NLL3L2L1QF KM1FR13~M KM2LKM2FU2FU2FR1SB1SB2SB3图7二、实验目的1、掌握三相鼠笼式异步电动机正反转的工作原理、接线方式及操作方法。
2、掌握机械及电气互锁的连接方法及其在控制线路中所起的作用。
3、掌握接触器互锁控制的三相异步电动机正反转的控制线路。
三、实验设备 序号 设备名称使用仪器名称数量1DL-CX-001三相交流电源12 WD01G 空开、熔断器模块 13 WD04G 热继电器模块 14 WD09G 按钮模块 15 WD02G 接触器模块 26 M04 三相鼠笼式异步电动机 1四、实验内容及步骤1、检查各实验设备外观及质量是否良好。
2、按图7三相鼠笼异步电动机接触器联锁正反转控制线路进行正确接线,先接主回路,再接控制回路。
自己检查无误并经指导老师检查认可方可合闸实验。
进行“正—停—反”操作(1)、热继电器值调到1.0A。
(2)、合上漏电断路器及空气开关QF,调节三相电源输出220V。
(3)、按下起动按钮SB2,观察电动机及各接触器的工作情况。
(4)、按下停止按钮SB1,观察电动机的工作情况。
(5)、按下按钮SB3,观察接触器及电动机的工作情况。
(6)、按下停止按钮SB1,切断电机控制电源。
(7)、断开空气开关QF,切断三相主电源。
(8)、断开漏电保护断路器,关断总电源。
五、实验接线图实验三:通电延时型控制线路一、实验目的1、观察时间继电器在电机控制中的作用。
2、练习连接简单的延时控制线路及操作。
3、练习自拟三相异步电动机延时控制电路。
二、实验原理延时控制线路如图1所示。
在线路中有两台异步电动机,而用两只交流接触器KM1、KM2来控制其转动。
当按下SB2按钮,KM1的线圈加电,常开触头闭合,第一台电动机开始转动;同时时间继电器KT加电。
经过一段时间后,KT的触头闭合,KM2的线圈加电,常开触头闭合,第二台电动机也开始转动即延时控制。
当按下SB1时两台电动机同时停止转动三、实验内容及步骤1、观察时间继电器的型号、构造、研究其动作原理。
2、异步电动机延时启动控制按图接线,然后接通电源,按下启动按钮,当第一台电动机启动后,观察是经过一段时间第二台电机才开始转动,掌握延时控制的原理。
四、实验接线图五、实验总结通过本次实验,我理解了时间继电器在电机控制中的作用,熟悉连接简单的延时控制线路及操作,熟悉了自拟三相异步电动机延时控制电路。
以前自己对于通电延时型控制线路只是停留于理论层面,对于应用还不是太熟悉,通过本次实验,我对于通电延时型控制线路有了一个更透彻的理解,我想本次实验的顺利完成不仅与老师上课时认真讲解有关,还与自己可下的预习密不可分。
本次实验对自己的实践能力有了一个很大的提升。
实验四三相异步电动机Y—△减压起动控制一、实验目的1、熟悉复合按钮、熔断器、热继电器、接触器、电子式时间继电器的结构、工作原理和使用方法。
2、掌握三相异步电动机Y—△减压起动控制线路的工作原理及接线方法。
3、熟悉上述线路的故障分析及排除故障的方法。
二、实验线路三、实验设备及电器元件1、三相异步电动机 12、LL—12通用电学实验台 13、电工工具及导线若干四、实验步骤1、熟悉实验设备及电器元件。
2、按图接线,先完成控制电路。
3、检查无误后通电试验,操作起动按钮并观察接触器、时间继电器的通断情况。
4、完成主电路接线并试验,观察电动机的运行情况。
五、实验总结通过本次实验,我理解了复合按钮、熔断器、热继电器、接触器、电子式时间继电器的结构、工作原理和使用方法。
掌握了三相异步电动机Y—△减压起动控制线路的工作原理及接线方法。
熟悉了上述线路的故障分析及排除故障的方法。
以前自己对于三相异步电动机Y—△减压起动只是停留于理论层面,对于应用还不是太熟悉,通过本次实验,我对于三相异步电动机Y—△减压起动有了一个更透彻的理解,我想本次实验的顺利完成不仅与老师上课时认真讲解有关,还与自己可下的预习密不可分。
本次实验对自己的实践能力有了一个很大的提升。
实验五可编程控制器的基本指令编程练习一、实验目的1、熟悉PLC实验装置,S7-200系列编程控制器的外部接线方法2、了解编程软件STEP7的编程环境,软件的使用方法。
3、掌握与、或、非逻辑功能的编程方法。
二、实验说明首先应根据参考程序,判断Q0.0、Q0.1、Q0.2的输出状态,在拨动输入开关I0.1、I0.2、I0.3,观察输出指示灯Q0.1、Q0.2、Q0.3是否符合与、或、非逻辑的正确结果。
步序指令器件号说明步序指令器件号说明0 LD I0.1 输入7 ANI I0.31 AN I0.3 输入8 = Q0.3 或非门输出2 = Q0.1 与门输出9 LDI I0.13 LD I0.1 10 OI I0.34 O I0.3 11 = Q0.4 与非门输出5 = Q0.2 或门输出12 END 程序结束6 LDI I0.1三、实验过程内容及步骤梯形图程序:1.梯形图中的I0.1、I0.3分别对应控制实验单元输入开关I0.1、I0.3。
2.通过专用PC/PPI电缆连接计算机与PLC主机。
打开编程软件STEP7,逐条输入程序,检查无误后,将所编程序下载到主机内,并将可编程控制器主机上的STOP/RUN开关拨到RUN 位置,运行指示灯点亮,表明程序开始运行,有关的指示灯将显示运行结果。
3.拨动输入开关I0.1、I0.3,观察输出指示灯.Q0.1、Q0.2、Q0.3、Q0.4是否符合与、L1L2L3L4L8L7L12L5L6L11L10L9或、非逻辑的正确结果。
实验六 喷泉的模拟控制一、实验目的用PLC 构成喷泉控制系统二、实验内容1.控制要求隔灯闪烁:L1亮0.5秒后灭,接着L2亮0.5秒后灭, 接着L3亮0.5秒后灭,接着L4亮0.5秒后灭,接着L5、L9亮0.5秒 后灭,接着L6、L10亮0.5秒后灭,接着L7、L11亮0.5秒后灭,接着L8、L12亮0.5秒后灭,L1亮0.5秒后灭,如此循环下去。
图1-1 喷泉控制示意图2.I/O 分配输入 输出起动按钮:I0.0 L1:Q0.0 L5、L9: Q0.4 停止按钮:I0.1 L2:Q0.1 L6、L10:Q0.5L3:Q0.2 L7、L11:Q0.6 L4:Q0.3 L8、L12:Q0.73.按图所示的梯形图输入程序。
4.调试并运行程序。
三、喷泉控制语句表0 LD I0.0 14 LD M0.1 27 LD M10.4 1 O M1.0 15 AN M0.0 28 = Q0.3 2 AN T37 16 TON T38,+5 29 LD M10.5 3 A I0.1 17 LD T38 30 = Q0.4 4 = M1.0 18 = M0.0 31 LD M10.6 5 LD M1.0 19LDM0.032= Q0.5 6 TON T37,+520 SHRB M10.0,M10.1,+8 33 LD M10.7 7 LD T37 34 = Q0.6 8 O M11.0 21 LD M10.1 35 LD M11.0 9 = M10.0 22 = Q0.0 36 = Q0.7 10 LD I0.0 23 LD M10.2 37 LDN I0.1 11 O M0.1 24 = Q0.1 38 R M10.1,8 12 A I0.1 25 LD M10.3 13 =M0.126=Q0.2M1.0I0.1T37T37I0.0M1.0M1.0T38TONTON IN PT+5I0.1M10.0+5M0.0M0.0M0.1IN PT SHRB EN +8N S_BITDATAM10.0M10.1Q0.0Q0.1Q0.2Q0.3Q0.4ENO T37M11.0I0.0M0.1M0.1T38M0.0M10.1M10.2M10.3M10.4M10.5Q0.5Q0.6Q0.7R M10.18M10.6M10.7M11.0I0.1四、喷泉控制梯形图五、实验接线图六、操作步骤1.检查实训设备中器材及调试程序。