沥青混凝土路面质量实验检测项目
- 格式:docx
- 大小:11.72 KB
- 文档页数:1
沥青混凝土路面工程质量的检测的项目1、路基:压实度(检查方法:灌水法、灌砂法或环刀法;检查频率:每1000平方取每压实层抽查3点);道路弯沉(检查方法:弯沉仪检测;检查频率:每车道、每20m测1点);2、基层:原材料质量检测(检查方法:查检验报告、复验;检查频率:按不同材料进场批次,每批检查一次);压实度(检查方法:灌水法、灌砂法;检查频率:每1000平方取每压实层抽查3点);基层、底基层试件作7d无侧限抗压强度,(检查方法:现场取样试验;检查频率:每2000平方抽检1组(6块));道路弯沉(检查方法:弯沉仪检测;检查频率:每车道、每20m测1点);3、沥青面层:原材料质量检测(沥青:检查方法:查出厂合格证、检验报告并进场复验;检查频率:按同一厂家、同一品种、同一标号、同一批号进场的沥青(石油沥青每100t为一批,改性沥青每50t为一批)每批次抽检一次;沥青混合料所用的粗集料、细集料、矿粉、纤维稳定剂等:检查方法:观察、检查进场检验报告;检查频率:按不同品种产品进场批次和产品抽样检验确定);沥青混合料:检查方法:测温;检查频率:全数检查);沥青混合料马歇尔试验:(检查方法:现场取样试验;检查频率:每日、每品种取样一次);压实度(检查方法:马歇尔试验;检查频率:每1000平方取抽查1点);面层厚度:(检查方法:钻孔或刨挖;检查频率:每1000平方取抽查1点);道路弯沉(检查方法:弯沉仪检测;检查频率:每车道、每20m测1点)。
关于透水砖人行路面质量监督情况的报告透水砖人行路面具有良好的透水、透气性能,雨后不积水,雪后不打滑,可使雨水迅速渗入地下,补充土壤水和地下水,是取代彩板砖人行路面的新一代市政道路施工工艺。
透水砖是以无机非金属材料为主要原料,经成型等工艺处理后制成,具有较大水渗透性能的铺地砖,其边长大小、厚度、颜色可以按照建筑模数和设计要求确定,主要物理性能包括抗压强度、耐磨性、保水性及透水性。
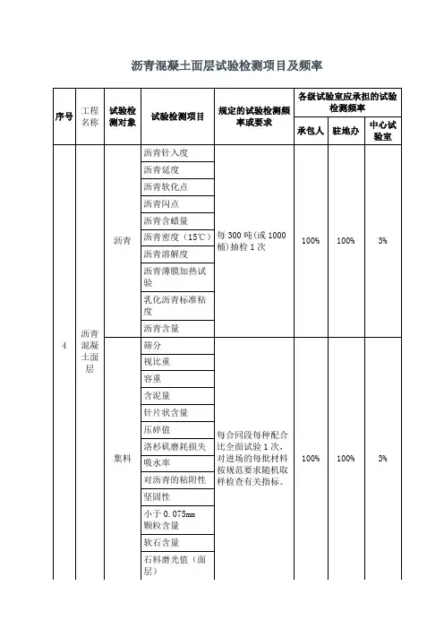
(一)施工前应按规定对原材料的质量进行检验并应符合规定1、道路用沥青:针入度、软化点、延度、溶解度、密度、粘附性;2、改性沥青:针入度、软化点、延度、溶解度、密度、粘附性、弹性恢复,品种、标号应符合有关标准和有关规定。
检查数量:按同一生产厂家、同一品种、同一标号、同一批号连续进场的沥青(石油沥青每100t为一批,改性沥青每50t为一批),每批次抽检一次。
检查方法:查出厂合格证,试验报告并进厂复验。
取样数量:每样8kg。
对供应商提供的沥青分别按批量到进货地点抽样和在沥青混凝土搅拌厂储罐中抽样,送到指定的有资质的试验室进行试验,达到规范要求才能允许采用(一是对(SBS)改性剂的检查要制度化,一般要求每天抽检一次;其中应特别注意(SBS)改性剂易降解不稳定,容易影响沥青改性的效果。
二是同时要求对沥青在现场的储存时间不能太长,应随配制及时使用)。
3、沥青混合料所选用的粗集料、细集料、矿粉、纤维稳定剂等的质量及规格应符合有关规定。
A、粗集料(碎石。
粒径大于5mm的集料)检验项目:(颗粒级配、含泥量、泥块含量、压碎值、针片状颗粒含量、表观密度、堆积密度、空隙率、抗压强度(MPa))。
检查数量:同产地、同品种、同规格且连续进场的集料,每400m3为一批,不足400m3按一批计(机械集中生产时每批≤400m3。
人工分散生产时为200 m3一次)。
每批抽检一次。
检验方法:检查出场合格证和抽检报告。
取样方法:取样部位应均匀,取样前先将取样部位表层铲除,然后从不同部位取大致等量的16份混匀为一个样品(取样位置在料堆的顶部、中部、底部均匀分布)取样数量:每次取样40kg。
其中: 压碎值12kg(取9.5-13mm粒径)。
监理抽检:每4000m3。
细集料(砂子。
粒径为0.16~5mm的集料)检验项目:(颗粒极配、细度模数、含泥量、泥块含量、表观密度、堆积密度、空隙率)。
检查数量:同产地、同品种、同规格且连续进场的集料,每400m3为一批,不足400m3按一批计,每批抽检一次。
公路沥青路面施工中的现场试验检测技术摘要:在公路沥青路面工程施工中,沥青路面结构的材料不仅包含了基础沥青,同时还包含了碎石材料等物质,该项工程的操作方式主要是通过摊铺、碾压施工形成路面结构体系,而沥青结合料的主要作用是胶结,可以将各材料组合成为整体结构,提升路面的强度,有效抵抗交通外力的作用。
在沥青路面施工的过程中,需制定出切实可行的质量要求,全面分析影响工程质量的因素,采取全面的措施进行质量控制,切实提升工程的质量,满足交通运行的需要。
关键词:沥青路面;施工现场;试验检测1公路工程沥青路面施工现场试验检测内容1.1加强原材料质量检测在公路沥青混凝土路面施工现场,检测人员要对各类原材料进行全面的质量检验,一般来讲,沥青路面施工原材料主要包括两种,分别是砂石集料与沥青材料等等,砂石集料的有效利用,能够形成较为稳定的骨架,保证沥青混合料更加稳定,增强沥青路面的施工强度与耐久性。
在公路沥青路面施工环节,检测人员要全面检验集料质量,重点检测集料的干质量,包括其在水中的重量,一级集料的相对密度等内容。
1.2混合料的级配检测此项检测工作作为公路工程沥青路面施工现场检测的核心内容,沥青混合料配合比,要结合试验结果来确定。
如果公路工程沥青混合料级配设计不合理,会对公路工程沥青路面施工质量产生不利的影响,因此,检测人员需要采用科学的试验检测方法进行检测,保证沥青混合料质量满足具体的施工要求[1]。
在检测沥青混合料级配的过程之中,检测人员要准确验证混合料搅拌配合比,并做好相应的模拟工作,可以采取车辙试验检测方法进行检测,进一步提升沥青混合料的稳定性,也可利用低温小梁弯曲蠕变方式,准确判断沥青混合料的低温性能,开展冻融劈裂试验,判断沥青混合料水稳性是否符合相关施工要求。
1.3沥青路面压实度检测通过加强公路工程沥青路面压实度检测力度,能够更好的反映出沥青路面各项使用性能,试验检测人员可以采用钻芯取样检测方法进行检测。
公路沥青混合料碾压施工完毕后,沥青材料温度冷却之后,试验检测人员运用钻芯取样检测方法进行检测,准确的判断出沥青路面压实度是否达标。
沥青混凝土检测项目沥青混凝土是一种常用的路面材料,具有优异的抗压性、耐久性和耐磨性。
在道路建设中,对沥青混凝土进行严格的检测是非常重要的,以保证道路的安全和使用寿命。
本文将介绍沥青混凝土检测的相关项目。
一、沥青混凝土配合比检测沥青混凝土的配合比是指沥青、矿料和填料在一定比例下的配合关系。
配合比的合理性直接影响着沥青混凝土的性能。
因此,进行配合比检测是非常重要的一项工作。
配合比检测的主要内容包括:沥青的黏度、矿料的含量和粒径分布、填料的含量和性能等。
二、沥青混凝土稳定性检测沥青混凝土的稳定性是指在交通荷载作用下,沥青混凝土能够承受荷载并保持其形状和性能的能力。
稳定性检测的主要内容包括:抗剪强度、抗压强度、抗滑移性能等。
通过稳定性检测,可以评估沥青混凝土的结构强度和稳定性,从而指导工程设计和施工。
三、沥青混凝土密度检测沥青混凝土的密度是指单位体积沥青混凝土的质量。
密度检测的主要目的是评估沥青混凝土的致密性和质量。
常用的密度检测方法包括:湿密度法、干密度法和饱和密度法。
通过密度检测,可以确定沥青混凝土的实际质量和结构致密性,为施工提供依据。
四、沥青混凝土抗水性检测沥青混凝土的抗水性是指在水的作用下,沥青混凝土能够保持其结构和性能的能力。
抗水性检测的主要目的是评估沥青混凝土的抗水腐蚀性能和耐久性。
常用的抗水性检测方法包括:浸水法、冻融循环试验和抗水渗透性试验等。
通过抗水性检测,可以评估沥青混凝土的耐久性,为道路维护和修复提供依据。
五、沥青混凝土温度敏感性检测沥青混凝土的温度敏感性是指在不同温度条件下,沥青混凝土的性能变化情况。
温度敏感性检测的主要目的是评估沥青混凝土的温度适应性和变形性能。
常用的温度敏感性检测方法包括:软化点测定、荷载滑移试验和变形恢复试验等。
通过温度敏感性检测,可以评估沥青混凝土在不同温度下的性能,为路面设计和施工提供依据。
六、沥青混凝土耐久性检测沥青混凝土的耐久性是指在不同环境条件下,沥青混凝土能够保持其性能和结构的能力。
市政道路工程试验检测项目及频率一览表一、材料检测1. 水泥、砂、石子、钢筋等原材料进场时,需进行抽检,合格后方可投入使用。
2. 配合比设计:在施工前,根据设计规定对水泥混凝土配合比和沥青混凝土配合比进行试验,并经过试拌验证后,方可进行生产配合比设计。
二、水泥混凝土路面工程试验检测1. 强度检测:对水泥混凝土抗压、抗折强度进行检测,确保其符合设计要求。
2. 路面平整度检测:采用平整度仪对路面平整度进行检测,确保其平整度符合要求。
3. 弯沉值检测:对路面回弹弯沉值进行检测,确保路基、垫层和路面结构层厚度和回弹模量符合设计要求。
三、沥青混凝土路面工程试验检测1. 厚度检测:采用水准仪对路面厚度进行检测,确保其符合设计要求。
2. 压实度检测:采用核子密度仪对路面压实度进行检测。
3. 渗水性检测:对沥青混凝土路面的渗水系数进行检测,确保其防水性能良好。
4. 配合比检测:对沥青混凝土混合料矿料级配、沥青用量进行检测,验证生产配合比。
5. 密实度检测:采用核子密度湿度仪对路面密度进行检测。
四、路基土石方试验检测1. 土的含水量、液塑限试验。
2. 地基承载力检测。
3. 地基沉降观测:对地基沉降情况进行监测,确保其符合设计要求。
五、路基下卧层试验对下卧层变形和承载力进行检测,确保其符合设计要求。
六、市政道路工程外观质量检查对市政道路工程外观质量进行抽检,发现质量问题及时处理。
七、市政道路工程其他试验检测项目1. 管道密实度检测:采用无损检测技术对管道密实度进行检测,确保其符合设计要求。
2. 管道基础处理检测:对管道基础进行处理效果进行检测,确保其符合设计要求。
3. 管道回填土质量检测:对回填土的压实度、含水量等指标进行检测,确保其符合设计要求。
4. 管道渗漏试验:对管道系统进行渗漏试验,发现渗漏及时处理。
5. 道路几何尺寸检测:对道路宽度、平整度、标高等几何尺寸进行检测,确保其符合设计要求。
6. 道路抗滑性能检测:对路面抗滑性能进行检测,确保行车安全。
沥青混凝土面层实测项目
沥青混凝土面层实测项目是在道路或其他场地建设过程中的一项重要工作,旨在评估沥青混凝土面层的质量和性能。
实测项目通常涉及以下内容:
1. 沥青混凝土面层厚度的测量:通过使用非破坏性测试方法,如地磁法或超声波测厚仪,确定沥青混凝土面层的厚度。
具体方法根据实际情况选择。
2. 沥青混凝土面层密度的测量:使用核密度计或浊度试验仪等工具,对沥青混凝土面层的密度进行测量。
这有助于评估材料的质量和密实度,以及施工过程中的均匀性。
3. 沥青混凝土面层的平整度测量:通过激光平坦度仪或振动式计数器等设备测量面层的平整度。
这有助于检查施工质量,确保道路的舒适性和安全性。
4. 沥青混凝土面层的抗滑性能测定:通过湿抗滑试验、抗滑系数测试等方法评估沥青混凝土面层的抗滑性能。
这有助于确保道路在雨天或湿滑条件下的安全性。
5. 沥青混凝土面层的表观质量评定:通过视觉检查和脚手架悬挂检验,评估沥青混凝土面层的表观质量。
这包括检查表面平整度、缺陷(如裂缝、区域损坏等)和颜色等。
实测项目的目的是确保沥青混凝土面层在道路使用过程中具有良好的性能和持久性。
通过实测数据,可以及时发现问题并采取相应的修复和改进措施,以提高道路的使用寿命和交通安全。
沥青混凝土路面有哪些试验最佳答案沥青材料试验有:必检:1、针入度试验;2、软化点试验;3、延度试验;按需要检测:4、闪燃点试验;5、含蜡量试验;6、溶解度试验、7、密度试验;8、沥青老化性能试验;9、沥青粘附性试验。
沥青混合料试验有:必检1、马歇尔稳定度试验(包括密度、比重、饱和度等指标测定,2、沥青含量及混合料级配试验(沥青混合料抽提)按必要检测:);3、车辙试验;4、低温弯曲试验;5残留稳定度等现场测试试验有:1、摆式摩擦试验(要取消);2、渗水性试验;3、取芯压实度试验;4、构造深度试验。
5平整度试验6弯沉试验高速公路沥青混凝土路面上面层关键施工试验控制技术RSS 打印复制链接大中小发布时间:2011-03-08 10:05:130、前言高速公路由于行车密度大、车速快,并且随着车辆轴载明显增加以及重车比例增大,给沥青路面带来了明显的早期损坏(如辙槽、泛油、推拥等)这也对沥青路面的级配情况、抗滑性、平整度、密实性等提出了更高的要求。
其中上面层是影响路面质量最直接的因素,也是最主要的因素,要提高路面的工程质量,上面层的施工质量必须保证,笔者将从沥青砼上面层配合比设计和施工,谈谈保证高速公路路面上面层工程质量的几个关键因素。
1、沥青砼上面层配合比设计沥青砼路面上面层配合比的设计过程包括目标配合比设计阶段、生产配合比设计阶段和生产配合比验证阶段。
1.1目标配合比设计阶段1.1.1原材料的选择1.1.1.1沥青a.由于我省属于热区,所以沥青应选用稠度大且软化点高的沥青,以免夏季泛油。
b.修筑高速公路路面的沥青,在高温时要具有较低的感温性,低温时又具有较好的形变能力,所以选择沥青时应尽量选择溶—凝胶型结构的环烷基稠油直馏沥青。
其中沥青质的含量为15%~25%,针入度指数在-2~+2之间,PVN值宜在0~0.5之间。
c.同时为了提高使用沥青的品质,特别是对重交通量沥青砼表层,更应该采用进口的沥青如壳牌、埃索、阿尔巴尔亚,标号宜为AH-50或AH-70.1.1.1.2集料a.骨料最大粒径的确定:级配中的粗集料粒径大小与沥青混合料的抗疲劳强度和抗车辙能力有密切的关系。
1 沥青混凝土的相关检测1.1沥青砼路面平整度检测1.1.1检测器具与材料3m直尺、锲形塞尺、皮尺或钢尺、粉笔1.1.2方法与步骤1、准备工作(1)按有关规范规定选择测试路段。
(2)在测试路段路面上选择测试地点:当为施工过程中质量检测需要时,测试地点根据需要确定,可以单杆检测;当为路基路面工程质量检查验收或进行路况评定需要时,应连续测量l0尺。
除特殊需要者外,应以行车道一侧车轮轮迹(距车道线80一100m)作为连续测定的标准位置。
对旧路已形成车辙的路面,应取车辙中间位置为测定位置,用粉笔在路面上作好标记。
(3)清扫路面测定位置处的污物。
2、测试步骤(1)在施工过程中检测时,按根据需要确定的方向,将3m直尺摆在测试地点的路面上。
(2)目测3m直尺底面与路面之间的间隙情况,确定间隙为最大的位置。
(3)用有高度标线的塞尺塞进间隙处,量记其最大间隙的高度(mm),准确至0.2mm。
(4)施工结束后检测时,按现行《公路工程质量检验评定标准》(JTJ071—94)的规定,每1处连续检测10尺,测记10个最大间隙。
1.1.3计算单杆检测路面的平整度计算,以3m直尺与路面的最大间隙为测定结果。
连续测定10尺时,判断每个测定值是否合格,根据要求计算合格百分率,并计算10个最大间隙的平均值。
1.1.4应注意的问题(1)当为路面工程质量检查验收或进行路况评定需要时,应连续测量10尺。
(2)应以行车道一侧车轮轮迹(距车道线80-100cm)作为连续测定的位置。
(3)对旧路已形成车辙的路面,应取车辙中间位置为测定位置,用粉笔在路面上做好标记。
(4)清扫路面测定位置处的污物。
1.2沥青砼路面压实度的检测沥青混凝土压实度为现场毛体积密度与马歇尔标准密度之比,以马歇尔击实成型标准、试验路密实度或理论密度为准,压实度的检测是通过密度检测确定的。
在此,我们采用钻芯法检测器具:钻芯机、天平、水槽、吊篮拖车式钻芯机钻取的芯样图被锯开的芯样1.2.1试验步骤1、钻芯取样:芯样直径最少要100mm,当一次钻孔的芯样包括不同层位时,应将切割机将芯样沿各层结合面分层据开进行分别测定。
沥青混凝土路面试验检测要求
1.粒料试验检测:
1.1.级配试验:对沥青、矿渣、骨料等材料按照一定比例进行筛分试验,确定其级配曲线。
1.2.砂质含量试验:确定沥青混合料中砂质含量,避免含量过高影响沥青的粘结性。
1.3.沥青含量试验:确定沥青混合料中的沥青含量,保证沥青的充分润湿和包覆性能。
2.沥青混合料试验检测:
2.1.稠度试验:测定热稠度和冷稠度,以确定沥青的黏度和流动性。
2.2.稳定性试验:通过压实试验和抗剪试验,确定沥青混合料的稳定性和抗剪强度。
2.3.空隙率试验:通过测定沥青混合料的总空隙率和有效空隙率,判断沥青混合料的密实度。
3.路面性能试验检测:
3.1.压实度试验:测定路面压实度,以判断沥青混凝土的密实程度。
3.2.水稳定性试验:通过浸水、冻融循环试验等,检测沥青混凝土的耐水性和耐冻融性能。
3.3.级配稳定度试验:测定沥青混凝土的级配稳定度,以评估路面的耐久性。
4.其他试验检测:
4.1.道路平整度试验:通过测量路面的纵、横坡和平整度,评估道路
的平整度。
4.2.路面摩擦系数试验:测定路面的摩擦系数,以确保道路行车安全。
4.3.耐久性试验:通过人工加速老化试验,评估沥青混凝土路面的耐
久性和抗老化性能。
在进行沥青混凝土路面试验检测时,需要严格按照相应标准和规范进
行操作,并记录检测结果和相关信息。
试验检测结果应符合相关标准的要求,以确保沥青混凝土路面质量满足设计要求,具备较好的承载能力和耐
久性。
同时,对试验仪器设备的校准和维护也是保证试验检测结果准确可
靠的重要环节。
沥青混凝土现场试验检测项目1. 引言沥青混凝土,听起来是不是像是某种神秘的化学药剂?其实它就是我们平常见到的马路表面,经过严格处理的“黑色铺路材料”。
今天,我们就来聊聊在现场做这些沥青混凝土检测时的那些事儿。
你可能会想,怎么检测沥青混凝土?难道还需要超能力吗?放心,我们就像侦探一样,仔细检查每个细节,让每条马路都能坚固耐用,绝对不是个儿戏!2. 现场试验检测的重要性2.1 沥青混凝土试验的目的沥青混凝土的检测就像是在给马路做“体检”,确保它健康,能够承受车流和天气的考验。
试想一下,如果我们不做这些检查,马路一不小心就可能“生病”,裂缝、凹坑就会出来招摇,真是让人心烦意乱。
检测的目的就是为了发现问题,避免这些麻烦的事儿发生,给大家一个安全平稳的行车体验。
2.2 检测方法介绍那检测的方法是什么呢?我们得像医生一样细致入微。
首先,咱们会用到沥青混凝土取样,拿样本就像是拿到病人的“血样”,接着我们会用各种仪器进行检查,比如测量沥青的含量、密实度等。
这些数据就像是沥青的“健康报告”,通过它们我们能知道沥青是否符合标准,是否达到了施工要求。
3. 主要检测项目3.1 沥青混凝土密实度检测说到密实度检测,这就像是在检查一个巧克力蛋糕的松软程度。
我们要确保沥青混凝土中没有太多气孔,必须要“实实在在”。
检测时,我们会用专门的仪器,像是密度计,来测量沥青的密实程度。
如果发现密实度不够,那就得重新处理,避免未来的“路面病”找上门。
3.2 沥青含量检测再来说说沥青含量检测,简单来说就是检测沥青在混凝土中的比例。
这就像是制作料理时检查配料的比例,太多或太少都会影响口感。
沥青含量过少,混凝土可能会变得不够耐磨,容易出现裂缝。
我们通过各种测试手段,比如燃烧法或者抽提法,确保沥青的比例刚刚好。
4. 结语总的来说,沥青混凝土的现场试验检测是一个至关重要的环节,像是给我们的马路做全面检查,确保它能经受得住时间的考验。
虽然这些检测工作听起来有点枯燥,但它们却是保证道路质量的基石。
沥青混凝土面层主控项目及检验方法
沥青混凝土面层主控项目及检验方法
一、毛坯验收
(1)检查石子、沙子、水泥、水等原材料,应符合设计要求。
(2)检查加工设备参数及产量,应符合设计要求。
(3)检查沥青混凝土面层厚度、平整度及弯曲度,应符合设计要求。
二、摊铺前主控
(1)检查是否对道路底部做好预处理。
(2)检测申铺温度与厚度。
(3)检查沥青混凝土面层摊铺、碾压质量,应符合设计要求。
三、摊铺后主控
(1)检查沥青混凝土面层是否有裂缝、松散及起砂等现象。
(2)检查摊铺后的修整、拦油条,是否符合设计要求。
(3)测量坡度、平整度、水平度等质量指标,应符合设计要求。
四、维护和保养
(1)定期检测沥青混凝土的厚度和几何形状。
(2)保持道路表面的清洁度和平整度。
(3)对于修补、更换、拆除沥青混凝土面层,需要重新按照规定进行毛坯验收和主控流程。
检验方法:
1.取样:采用钻芯或者钻孔方式取样,每批样品取3~5份。
将样品送交实验室进行检测。
2.密度测试:采用铅球法测定沥青混凝土的体积密度。
3.压缩强度测试:根据不同的要求采用不同的测试方法,如马歇尔压实度等。
4.抗拉强度测试:采用标准拉伸试验机进行测试。
5.其他测试项目:如耐久性、水分含量等进行检测。
注意事项:
1.检验过程中应严格按照检验方法进行,保证结果的准确性。
2.检验前设备及试验条件应进行合理校准与调试。
3.检验结果应记录并及时处理。
沥青混凝土一般检测项目沥青混凝土是一种常用的路面材料,其优点包括耐久性、防水性、抗滑性以及对车辆行驶的舒适性等。
为了确保沥青混凝土路面的质量,需要进行一系列的检测项目。
本文将介绍沥青混凝土一般检测项目。
1. 沥青混合料的成分分析沥青混合料的成分分析是为了确定混合料中各组分的含量。
混合料的组成包括沥青、骨料和填料。
沥青是混合料的主要组成部分,它的质量对混合料的性能有很大的影响。
骨料是混合料中的硬质颗粒,主要作用是提供路面的承载力。
填料是混合料中的软质颗粒,主要作用是填充骨料之间的空隙,提高混合料的密实性。
成分分析的主要方法是通过化学分析或物理分析的手段,分别测定混合料中各组分的含量。
化学分析主要是通过化学反应的方法,测定混合料中各组分的含量。
物理分析主要是通过测量混合料中各组分的物理性质,如密度、粒径等,来确定各组分的含量。
2. 沥青混合料的密度和孔隙度沥青混合料的密度和孔隙度是评价混合料密实性的重要指标。
密度是指混合料单位体积的质量,孔隙度是指混合料中空隙的体积占混合料总体积的百分比。
密度和孔隙度的测试方法主要有两种:饱和表重法和水浸法。
饱和表重法是将混合料样品在水中饱和后,通过称重的方法测定混合料的密度和孔隙度。
水浸法是将混合料样品浸泡在水中,通过测量浸泡前后混合料的质量和体积,计算出混合料的密度和孔隙度。
3. 沥青混合料的压实度和稳定度沥青混合料的压实度和稳定度是评价混合料抗变形能力的指标。
压实度是指混合料在压实过程中的密实程度,稳定度是指混合料在受到外力作用时的抗变形能力。
压实度和稳定度的测试方法主要有Marshall试验法和Gyratory 试验法。
Marshall试验法是将混合料样品在60℃下压实成圆柱形样品,通过测量样品的压缩性能和抗剪强度,计算出混合料的压实度和稳定度。
Gyratory试验法则是将混合料样品在旋转的圆盘上压实,通过测量样品的位移和应力,计算出混合料的压实度和稳定度。
沥青混凝土路面质量实验检测项目
1、路基:压实度(检bai查方法:灌水法、灌砂du法或环zhi刀法;检查频率:每1000平方取每dao压实层抽查3点);道路弯沉(检查方法:弯沉仪检测;检查频率:每车道、每20m测1点);
2、基层:原材料质量检测(检查方法:查检验报告、复验;检查频率:按不同材料进场批次,每批检查一次);压实度(检查方法:灌水法、灌砂法;检查频率:每1000平方取每压实层抽查3点);基层、底基层试件作7d无侧限抗压强度,(检查方法:现场取样试验;检查频率:每2000平方抽检1组(6块));道路弯沉(检查方法:弯沉仪检测;检查频率:每车道、每20m测1点);
3、沥青面层:原材料质量检测(沥青:检查方法:查出厂合格证、检验报告并进场复验;检查频率:按同一厂家、同一品种、同一标号、同一批号进场的沥青(石油沥青每100t为一批,改性沥青每50t为一批)每批次抽检一次;沥青混合料所用的粗集料、细集料、矿粉、纤维稳定剂等:检查方法:观察、检查进场检验报告;检查频率:按不同品种产品进场批次和产品抽样检验确定);沥青混合料:检查方法:测温;检查频率:全数检查);沥青混合料马歇尔试验:(检查方法:现场取样试验;检查频率:每日、每品种取样一次);压实度(检查方法:马歇尔试验;检查频率:每1000平方取抽查1点);面层厚度:(检查方法:钻孔或刨挖;检查频率:每1000平方取抽查1点);道路弯沉(检查方法:弯沉仪检测;检查频率:每车道、每20m测1点)。