eps保温板施工的方案薄抹灰系统
- 格式:doc
- 大小:83.50 KB
- 文档页数:9
膨胀聚苯板薄抹灰外墙外保温系统施工工法鹤壁市建设集团有限公司1、工程概况本工程为郭小屯农村城市化小区8#住宅楼,本工程位于鹤壁市湘江路南,嵩山路东,本工程为砖混结构,抗震设防烈度为八度,抗震设防烈度为八度,建筑面积 3146.62m2(不含地下室),该建筑物平面呈一字型,长41.8m,宽10.8m;总高17.3m,层高2.9m。
该工程建设单位:市长江路办事处;设计单位:郑州中博源建筑技术咨询有限公司;监理单位:安阳市东方工程监理咨询有限责任公司;地质勘探单位:鹤壁市建筑设计院;施工单位:市建设集团有限公司;监督单位:鹤壁市工程质量监督站。
本工程为郭小屯农村城市化小区9#住宅楼,本工程位于鹤壁市湘江路南,嵩山路东,本工程为砖混结构,抗震设防烈度为八度,设计时已采取相应的结构措施。
本住宅楼呈一字形,,长68.120m,宽10.800m;总高17.3,层高2.9m;层数为六层,建筑面积5117.14M2;该工程建设单位:市长江路办事处;设计单位:郑州中博源建筑技术咨询有限公司;监理单位:安阳市东方工程监理咨询有限责任公司;地质勘探单位:鹤壁市建筑设计院;施工单位:市建设集团有限公司;监督单位:鹤壁市工程质量监督站。
2、工法特点2.1、膨胀聚苯薄抹灰外墙外保温系统是由自熄型模塑聚苯板锚栓(必要时使用),聚合物砂浆,抹面胶浆和耐碱网格布及抗裂柔性耐水腻子、弹性涂料配套系统组成,置于建筑物外墙外侧的保温及饰面体系。
该保温系统包括EPS聚苯保温层,抗裂砂浆复合耐碱涂塑玻璃纤维网格布防护层,弹性耐水抗渗装饰层,集墙体保温、抗裂防护、装饰功能于一体。
采用EPS膨胀聚苯薄抹灰保温系统施工,适用范围广,材料配套齐全,工艺简单合理,能满足建筑节能的施工要求。
2.2、膨胀聚苯板薄抹灰外墙保温体系的构造设计,采用各层弹性模量变化指标匹配,逐层渐变的理念,满足允许变形,诱导变形的技术路线,遵循允许变形与限制变形相统一的原则,各材料之间能分散和消解变形应力,通过增强纤维改变应力传递方向,使保温系统具有良好的保温隔热、抗裂、抗变形、抗渗等综合性能。
EPS聚苯板薄抹灰外墙外保温施工方案一、工程概述EPS聚苯板薄抹灰外墙外保温工程是一种常见的外墙保温方式,通过EPS聚苯板与建筑物外墙之间形成一层保温层,以降低建筑物的能耗,提高建筑物的保温性能。
本方案旨在介绍EPS聚苯板薄抹灰外墙外保温施工方案,包括施工工序、施工要求等。
二、施工工序1.预处理工序a.对建筑物外墙进行清洁处理,去除油污、灰尘等杂质。
b.对外墙表面进行基层处理,如填补砂眼、修复裂缝等。
2.基层处理工序a.在外墙表面涂刷一遍聚合物乳液,提高基层附着力。
b.在基层上涂刷一遍乳胶漆,平整基层表面。
3.安装EPS聚苯板工序a.根据建筑物外墙的尺寸和结构,将EPS聚苯板按要求切割成合适的尺寸。
b.使用专用胶粘剂,在建筑物外墙上均匀涂抹一层,并将切割好的EPS聚苯板粘贴在胶粘剂上。
c.在EPS聚苯板之间留出适当的伸缩缝,预留空隙以兼顾变形须与外墙结构的保护,并填补胶粘剂。
4.补抹灰工序a. 在EPS聚苯板表面涂刷一层抹灰砂浆,厚度约为5-10mm。
b.用抹刀将抹灰砂浆均匀地抹平,使表面光滑。
5.防水层工序a.在抹灰砂浆干燥后,涂刷一层防水涂料。
b.涂刷防水涂料时,要保证涂刷均匀,覆盖整个抹灰面。
6.保温层抹灰工序a.在防水涂料干燥后,涂刷一层保温砂浆。
b.用抹刀将保温砂浆均匀地抹平,使整个外墙保温层表面光滑。
7.打磨工序a.对保温层表面进行打磨,确保表面平整、光滑。
8.涂装工序a.在打磨后,涂刷一层涂料,以保护外墙保温层,并增加外墙的美观度。
三、施工要求1.施工材料应符合国家相关标准要求,并具有相关证明文件。
2.施工工具应符合标准规定,确保施工质量。
3.施工操作人员应经过专业培训,并持有相关证书。
4.施工现场应保持整洁,材料堆放有序,并随时进行安全检查。
5.施工过程中,应注意施工工艺,确保保温层的密实性和平整性。
6.完工后,要进行验收,确保施工质量符合要求。
以上为EPS聚苯板薄抹灰外墙外保温施工方案,详述了施工工序及施工要求。
EPS板薄抹灰外墙外保温系统施工方案编制单位:日期:目录1.编制依据.................................... 2.工程概况.................................... 3.施工条件.................................... 4.施工准备.................................... 5.技术准备.................................... 6.施工工序.................................... 7.施工要点.................................... 8.质量控制.................................... 9.成品保护措施和修补..........................1、编制依据1.GB50411-2007《建筑节能施工质量验收规范》2.GB50210—2001《建筑装饰装修工程质量验收规范》3.GB50300—2001《建筑工程施工质量验收统一标准》4.《民用建筑外墙保温系统及外墙装饰防火暂行规定》5.《膨胀聚苯板薄抹灰外墙外保温系统》JG149-20036.甲方招标文件和其他附件资料2.工程概况2.1 工程名称:2.2 工程地点:2.3施工内容:外墙外保温2.4质量标准:本工程按照国家现行的标准及相关专业验收规范、标准验收、质量达到合格标准。
2.5 施工工期:日历天。
3.施工条件3.1施工现场应具备通电、通水条件,并应保持工作环境的清洁,防止成品污染。
材料应分类挂牌存放。
聚苯板应成捆立方,网格布、粘结剂、抹面剂存放应防雨、防潮、防火、防暴晒。
3.2基层墙体和外门窗口施工及验收完毕,保温施工前应会同相关部门做好结构验收的确认。
基层墙体的平整度误差不应超过3mm,否则应进行抹面砂浆找平,外墙上的消防梯、落水管、各种户外管线,防盗窗预埋件等应安装就位。
EPS保温板薄抹灰外墙外保温系统实施细则一、材料准备1.EPS保温板:符合国家标准,并进行质量检验合格的EPS保温板,其保温性能应符合设计要求。
2.粘结剂:选用适用于EPS保温板的粘结剂,其粘结强度和耐候性应满足要求。
3.钉固件:选用符合设计要求的钉固件,其材质和规格应满足要求。
4.抗裂网格布:应选择耐碱性好、抗拉强度高的抗裂网格布,网格布的规格和用量应符合设计要求。
二、施工准备1.施工方案:根据设计要求和施工现场情况,制定详细的施工方案,包括施工工艺、工序、材料用量等。
2.施工人员:确保施工人员具备相应的施工技能和经验,同时要进行安全教育和培训,保证工人的安全施工。
3.施工设备:准备好所需的施工设备,如批灰机、抹灰刮板等,并保证设备的正常运行。
三、施工工序1.基层处理:将外墙表面清理干净,排除杂质和尘土,确保基层牢固、平整、湿润。
2.涂布粘结剂:采用机械涂刷或人工涂刷的方式将粘结剂均匀涂布于基层表面,保证粘结剂的厚度均匀一致。
3.粘贴EPS保温板:将粘好粘结剂的EPS保温板按照设计要求平整粘贴,注意保持板与板之间的接缝处搭接紧密。
4.固定钉固件:在EPS保温板上预先打孔,并将钉固件按照设计要求钉入EPS保温板和基层之间。
5.铺贴抗裂网格布:将抗裂网格布铺贴在固定好的钉固件上,网格布需要与墙面及构件连接牢固,保持表面平整。
6.阴阳角处理:使用抗碱玻璃纤维网格布将阴阳角处连接牢固,并用粘结剂进行打底和整平处理。
7.贴面外墙砂浆层:使用聚合物砂浆或水泥砂浆,均匀地涂抹在粘贴好的EPS保温板表面和抗裂网格布上,保持表面平整。
8.抹灰层处理:在贴面外墙砂浆层还未完全干燥时,使用抹灰刮板将表面抹平,注意保持灰浆的厚度均匀。
9.粉刷层处理:根据设计要求,进行水泥砂浆或有机硅等材料的外墙粉刷,保证颜色均匀一致。
四、验收和维护1.施工验收:按照设计要求进行验收,检查每个工序的质量和施工细节,确保施工质量合格。
2.维护保养:在保温系统完工后,应进行适当的保养和维护,避免外界因素对保温系统的损坏。
1EPS外墙保温饰面系统施工方案编制:审批:批准:日期:2007年9月1日目录一、工程概况二、编制依据三、施工部署四、材料及人员准备五、工期计划表六、作业条件七、外保温施工工艺流程八、验收标准九、允许偏差项目十、注意问题十一、验收程序十二、安全措施与文明施工十三、环境保护措施施工方案一、工程概况工程名称:××住宅楼工程工程地点:××市××区××街工程条件:1.外墙刮糙已完成,外墙刮糙平整度已达到分项工程验收合格标准.2。
外墙铝合金窗,铝塑板及石材工队进场同时施工二、编制依据《膨胀聚苯板薄抹灰外墙外保温系统》JG 149—2003;《外墙外保温工程技术规程》JGJ—2004、J408-2005;《居住建筑节能设计标准》DB33/1015-2003、J10310-2003;《民用建筑节能设计标准》JGJ26-95;《民用建筑热工设计规范》GB50716—93;GB10801-89(18kg级阻燃型聚苯乙烯泡沫板);JG149—2003(耐碱玻璃纤维网);外墙外保温系统施工技术规程;其它相应的国家标准和施工验收规范三、施工部署针对本工程特点及以往工程施工经验,保温层采取由下至上方式粘贴,进行分散独立作业,但同时也必须保障各独立作业面的良好衔接。
四、材料及人员准备1、材料:1。
1 EPS外保温材料粘合剂20 吨;1.2 聚苯乙烯泡沫塑料板(以下简称聚苯板)外墙外保温80m3,密度为 22 kg/m3、厚度为40 mm ;外墙内保温120m3,密度为 18 kg/m3、厚度为40 mm应符合《隔热用聚苯板乙烯泡沫塑料》(GB108 01-—89)标准中ZR阻燃型第一类的要求(见表1)。
表1聚苯板技术要求序号项目指标质量标准1 密度(kg/m3)不小于18 GB10801—892 导热系数,≤10℃(W/m.K) 不大于0。
041 GB10801-893 体积吸水率不大于6% GB10801—894 自熄性2S内熄灭5 氧指数30 GB10801—891.3 耐碱玻璃纤维网格布(以下简称网格布)6500 平方米,耐碱性能应符合《耐碱玻璃纤维无捻粗砂》(JC/T572-94)中对耐碱性的要求(经100℃ a(OH)饱和溶液浸泡4h后,单丝断裂强度保留率不小于75%).其它技术要求见表2。
泡沫聚苯板(EPS板)薄抹灰外墙外保温系统施工工法泡沫聚苯板(以下简称EPS板)薄抹灰外墙外保温系统是适合于我国建筑节能50%标准及更高节能标准要求的外墙保温系统。
该系统技术成熟,热工性能好,具有较好的透气和隔湿性能。
经工程实践应用,参考JGJ144-2004外墙外保温工程技术规程,总结形成此工法。
1特点1.1以具有优异绝热性能的膨胀聚苯板为保温层,绝热效果好、经济、质优。
1.2保温材料以及粘结、抹面、加固材料以成品方式进入施工现场,质量便于控制,施工简单、快捷。
1.3采用专用粘结胶浆和各类专用锚钉固定,完善的细部处理设计,是一套技术成熟的外保温体系。
1.4EPS板表观密度小,拉伸和剪切强度低,饰面层宜为涂料、砂浆饰面(瓷砖饰面需另行设计)。
2适用范围该工法适用新建居住建筑的混凝土和砌体结构外墙外保温工程,饰面层为涂料、装饰砂浆。
既有建筑节能改造也可参照执行,但需事先测试基层强度,并对其进行技术处理。
3工艺原理基层经界面处理后,采用胶粘剂贴砌EPS板,利用锚栓辅助固定;其后在保温板上涂抹复合耐碱玻纤网格布的抹面胶浆成为抹面层,再以涂料或装饰砂浆为饰面层。
各种材料互为搭配和彼此相容,为保温体系提供长期的质量保证和节能效果。
基本构造见图1。
23456图1 EPS板薄抹灰外墙外保温系统构造示意图1-基层(部份基层需界面处理);2-胶粘剂;3-EPS保温板;4-抹面胶浆复合耐碱玻纤网;5-饰面层(包含罩面层);6-锚固件;4工艺流程图 2 工艺流程图5操作要点5.1施工准备1)保温工程的施工应在基层施工质量验收合格后进行。
2)外保温工程的施工应具备施工方案,施工人员应经过培训并经考核合格。
3)施工方案中一般包含以下内容:①施工工序及间隔时间。
为使材料有时间充分硬化,必须规定保温层、抹面层和饰面层各层施工的间隔时间;②施工机具;③基层处理;④细部处理或节点图;⑤环境温度和养护条件要求;⑥施工方法;⑦材料用量;⑧各工序施工质量要求;⑨成品保护;⑩进度计划。
外墙EPS薄抹灰保温体系施工方案
一、前言
在建筑工程中,外墙保温是非常重要的一环,保温体系的施工质量直接关系到
建筑的能耗和使用寿命。
本文将详细介绍外墙EPS薄抹灰保温体系施工方案,包
括施工准备、施工工艺、材料使用等内容。
二、施工准备
1.材料准备:准备EPS保温板、胶粘剂、网格布、抹灰砂浆等材料。
2.施工工具:需要用到批刀、抹子、辅助材料等工具。
3.施工人员:组织经验丰富的施工人员进行作业。
三、施工工艺
1.基层处理:清理墙体表面,确保平整无杂物。
2.粘贴EPS保温板:采用批刀涂抹胶粘剂,将EPS保温板粘贴于墙体
表面。
3.网格布处理:在EPS保温板表面铺贴网格布,固定在墙体上。
4.抹灰处理:用抹子将抹灰砂浆均匀覆盖在网格布上,形成薄抹灰层。
5.表面处理:抹灰层整体充分干燥后,进行表面修整,确保平整度。
四、施工注意事项
1.环境要求:施工时避免风雨天气,确保施工土壤湿润。
2.材料控制:严格按照施工工艺要求选用材料,确保质量。
3.操作规范:施工人员需经过专业培训,操作规范。
4.验收标准:施工完成后进行验收,确保质量符合要求。
五、总结
外墙EPS薄抹灰保温体系施工方案是建筑工程中重要的一环,正确的施工流程和操作规范对保温效果和建筑质量起着至关重要的作用。
只有严格按照要求进行施工,才能确保外墙保温体系的长期稳定性和可靠性。
希望本文的介绍能够对相关行业从业人员提供参考和帮助。
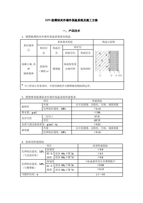
EPS板薄抹灰外墙外保温系统及施工方案一、产品技术1、模塑板薄抹灰外墙外保温系统基本构造7、锚栓性能指标保温专用锚栓应根据基层的不同选用不同类别的锚栓,性能应符合JGT366-2012《外墙保温用锚栓》要求。
用于薄抹灰外保温系统的圆盘锚栓的圆盘直径不小于60mm,膨胀套管直径不小8mm,圆盘抗拔力标准值不小于0.50kN。
二、施工准备1、外保温施工前技术准备:施工人员应进行技术培训,了解材料性能,掌握施工要领。
施工方应编制专项施工方案,并对施工人员进行书面技术交底。
2、外保温施工前基层墙要求:2.1应具有足够的粘结强度:≥0.30N/mm2;2.2墙体基层表面的允许尺寸偏差;经过工程验收达到质量标准的结构承重墙面或非承重墙面即可进行外墙外保温施工。
墙面的混凝土残渣和脱模剂必须清理干净,墙面平整度超差部分应剔凿或修补。
伸出墙面的(设备、管道)连接件已安装完毕,并留出外保温施工的余地。
进行外墙外保温施工的墙体基面的尺寸偏差应符合下表的规定。
2.3墙面必须清理干净;2.4墙面平整度超差部分应剔凿或修补;并进行找平层施工。
基层墙体找平层抹灰结束后允许偏差2.5伸出墙面的连接件、支架或其它构件,应在保温施工前安装完毕。
2.6门窗洞口经过验收,洞口尺寸位置达到设计和质量要求,门窗框或辅框已立完;2.7墙体湿度不应高于环境平衡湿度,如在高温干燥气候条件下,墙体过干,应对墙面做湿润处理;2.8 墙体内部抹灰及找平层完工并处于干燥状态。
3.对施工气候条件要求:3.1操作地点环境温度不低于+5。
C;3.2风力不应大于5级,风速不应大于10米/秒;3.3严禁雨天施工,如施工中突遇降雨,应立即采取有效措施;3.4夏季施工,施工面应避免阳光直射,必要时需搭设防晒布遮挡墙面。
3.材料准备3.1检查到场材料的种类、规格和数量与设计无误;检查到场材料的保质期;3.2根据材料储存说明书的要求分类储存,避免因贮存造成材料的性能改变;3.3明确材料的运输通道;3.4现场需提供材料堆放场地,堆放胶粘剂和抹面胶浆的场地应防雨、防潮;3.5堆放膨胀聚苯板的场地应避免阳光直射;4.施工机具外接电源设备、电动搅拌器、开槽器、角磨机、电锤、称量衡器、密齿手锯、壁纸刀、剪刀、螺丝刀、钢丝刷、腻子刀、抹子、阴阳角抿子、脱线板、2m靠尺、墨斗、钢丝线、水平仪等。
EPS板薄抹灰外墙外保温系统施工工艺EPS板薄抹灰外墙外保温系统施工工艺一原材料要求1.进入工地的原材料必须有出厂合格证或化验单。
2.聚苯乙烯板(EPS板)采用容重18-20kg/m3自熄型板材。
摆放平整,防止雨淋及阳光曝晒。
自然养生和陈化42天以上的EPS板,才具有很好的稳定性,才能保证EPS板上墙后不会产生收缩开裂。
3.玻璃丝布必须放在干燥处,地面必须平整,摆放宜立放平整,避免相互交错摆放。
二基层处理及施工条件1.墙面应用20厚1:3水泥砂浆进行抹灰找平,墙面平整度用2m靠尺检测,其平整度≤3mm,阴、阳角方正。
局部不平整部位用1:2水泥砂浆找平。
2.基层表面应光洁、坚固、干燥、无污染或其它有害的材料,必须彻底清除基层表面的粉尘。
3.墙外的雨水管或其它预埋件、进口管线或其它预留洞口,应按设计图纸或施工验收规范要求提前施工完毕。
4.施工温度不应低于5℃,而且施工完成后,24小时内气温高于5℃。
夏季高温时,不宜在强光下施工。
5级风以上或雨天禁止作业。
5.施工时应避免直接日晒和雨淋,必要时应在脚手架上搭设防晒布遮挡墙面以避免阳光的直射和雨水的冲刷。
三外墙保温系统的施工1.施工程序:基层检查或处理→工具准备→阴阳角、门窗洞挂线→基层墙体湿润→配制粘贴砂浆,挑选EPS板→粘贴EPS板→ EPS板塞缝,打磨、找平墙面→配制聚合物砂浆→EPS板面抹聚合物砂浆,门窗洞口处理,粘贴玻纤网,面层抹聚合物砂浆→找平修补,嵌密封膏→外饰面2.工具明细:锯条或刀锯、打磨EPS板的粗砂纸挫子或专用工具、小压子或铁勺、铝合金靠尺、铁卷尺、线绳、线坠、墨斗等。
3. 配制粘结砂浆(1)配制聚合物粘结砂浆必须有专人负责,以确保搅拌质量。
搅拌必须均匀,避免出现离析,呈粥状。
水为混凝土用水。
(2)拌制采用先加水后加粉的机械搅拌方法,严格按照粘结剂的需水要求进行搅拌,达到搅拌均匀,无粉块等,拌好的粘结剂必须静置5分钟左右再进行搅拌后方可使用。
EPS聚苯板薄抹灰外墙外保温施工方案一、施工准备工作1.调查设计:根据建筑设计要求和具体情况,确定施工方案,包括EPS聚苯板的选择、厚度以及薄抹灰材料的选用。
2.材料准备:准备好所需的EPS聚苯板、薄抹灰材料、粘接剂、螺丝、胶带等施工材料。
3.施工人员培训:对施工人员进行相关培训,确保施工操作规范,安全施工。
4.搭建脚手架:搭建脚手架,并确保其稳固可靠,方便施工作业。
二、EPS聚苯板安装1.基层处理:清理外墙基层,确保其平整洁净,没有浮尘、油渍等杂质。
2.找平层施工:根据设计要求及现场实际情况,进行找平层施工,确保外墙表面平整。
3.聚苯板定位:按照设计要求,进行聚苯板定位,确定好安装位置。
4.聚苯板安装:采用粘贴或机械固定的方式,将聚苯板固定在墙面上。
固定方式选择时,要注意保持墙体的整体性及保温层的完整性。
5.预留伸缩缝:在墙体的拐角处和每隔一定长度处,预留伸缩缝,以缓解墙体的变形。
6.防火处理:根据设计要求,在墙体上喷涂防火涂料,增加EPS聚苯板的防火性能。
三、薄抹灰施工1.底层薄抹灰:在EPS聚苯板上进行底层薄抹灰,厚度约为3-5mm,确保墙面的平整度和垂直度。
2.保温层施工:在底层薄抹灰干燥后,进行保温层的施工。
选择合适的保温材料进行施工,例如岩棉、玻纤棉等。
3.中层、面层薄抹灰:在保温层施工完成后,进行中层和面层的薄抹灰。
中层厚度约为5-8mm,面层厚度约为2-3mm,确保墙体表面的平滑度和光洁度。
4.防水处理:根据设计要求,在薄抹灰表面进行防水处理,增加外墙的防水性能。
5.挂设饰面:根据设计要求,进行外墙的饰面装饰,增加外墙的美观。
四、施工要点和注意事项1.施工前要对EPS聚苯板进行检查,确保其质量合格,无损坏及污染。
2.施工现场应保持通风良好,严禁吸烟、明火作业。
3.施工人员应戴好安全帽、口罩等个人防护用品,注意安全施工。
4.施工过程中要遵循相关规范和施工工艺,确保墙体的保温效果和施工质量。
EPS薄抹灰外墙外保温系统施工方案EPS薄抹灰外墙外保温系统是一种常见的建筑外保温系统,该系统采用EPS(发泡聚苯乙烯)作为保温材料,结合抹灰层作为保护层,可以有效提高建筑的保温性能,并减少能源消耗。
下面是一个针对EPS薄抹灰外墙外保温系统的施工方案,主要包括以下几个步骤:1.施工准备在施工前,需要对施工现场进行清理,确保墙面干燥、无油污和杂物。
同时,需要准备好所需要的施工工具和材料,如脚手架、刷子、滚筒、背心钉枪、EPS板等。
2.基层处理首先,需要对墙面基层进行处理。
如果基层墙面存在油污和灰尘,需要先进行清理。
接着,用穿孔器对墙面进行穿孔处理,以增加EPS板与基层墙面的粘接力。
然后,用专用粘结剂抹在墙面上,均匀涂布,确保与墙面粘接牢固。
3.EPS板的安装将预先制作好的EPS板按设计要求进行切割和整理,确保与墙面完全贴合,无空隙。
然后,将切割好的EPS板用专用粘结剂粘贴到墙面上,并用背心钉枪将EPS板固定在墙面上。
保持EPS板的垂直和水平,确保整个墙面的表面平整。
4.EPS板的处理和抹灰等待粘结剂完全干燥后,对EPS板的表面进行处理。
首先,用电热线对EPS板表面进行打磨,以去除表面的凹凸不平。
接着,用专用抹灰砂浆进行抹灰。
抹灰砂浆需要调配,按照一定的比例将水与砂浆充分混合,并搅拌均匀。
然后,用刮刀将抹灰砂浆均匀地涂抹在EPS板表面上,使其与EPS板形成一层均匀的抹灰层。
5.防护层的施工抹灰层干燥后,需要进行防护层的施工。
防护层可以采用石膏板、金属板或其他材料。
首先,将防护层材料剪切为所需的尺寸,并用专用固定件将其固定在EPS板表面上。
然后,用专用密封胶对连接处进行密封处理,防止水分渗入。
最后,对防护层进行加固处理,确保其牢固可靠。
6.其他处理在施工过程中,还需要进行一些其他的处理,如门窗洞口和外角的处理。
对于门窗洞口,需要用专用槽材进行固定,并用防水胶进行密封处理。
对于外角,可以采用专用角线材料进行包角。
EPS板薄抹灰系统施工方案1.材料准备:-EPS板:选择质量好、规格合适的EPS板材。
-粘结剂:选用专用的EPS粘结剂,确保粘接牢固。
-抹灰砂浆:选择适合EPS板的抹灰砂浆,按照生产厂家的要求进行调配。
-网格布:根据需要选择适当的抗碱玻璃纤维网格布。
-角线:使用防锈角线。
-开裂缝带:选择适合EPS板抹灰系统的开裂缝带。
-防水材料:如需要,可根据实际情况选择合适的防水材料。
-工具:喷涂设备、抹刀、刮板、尺子等。
2.基层处理:-清理基层:清除墙体表面的灰尘、杂物等。
-处理裂缝:对于有裂缝的基层,应先进行修复处理,填补裂缝。
3.粘贴EPS板:-找平基层:使用专用的水泥砂浆找平墙面,确保平整。
-刷涂粘结剂:在墙面上刷涂适量的粘结剂,然后将EPS板粘贴上去。
注意板与板之间应留有缝隙,便于排水和伸缩。
-固定EPS板:用尼龙夹子将EPS板固定在墙面上,确保粘贴牢固。
4.抹灰:-刷涂抗碱网格布:在已经粘贴好的EPS板上刷涂一层抗碱网格布专用胶水,将网格布粘贴在墙面上。
-两次抹灰:先进行底层抹灰,再进行面层抹灰。
底层和面层的抹灰砂浆应按照厂家的要求进行调配。
注意抹灰时要做到厚薄一致、表面平整。
-整体抹平:用刮板将抹灰面整体抹平,确保墙面平整。
5.检测和修复:-检查质量:对施工完成的墙体进行全面的检查,确保没有开裂、起泡、脱落等问题。
-修复不良部位:对于发现的问题,及时进行修复,保证施工质量。
6.防水处理:-防水处理:如需要,可根据实际情况对墙体进行防水处理。
7.后续工序:-油漆涂料:根据需要,对施工完成的墙体进行油漆涂料处理,提升美观度。
在施工EPS板薄抹灰系统时,还需注意以下事项:-施工人员要熟悉操作规程,按照正规流程进行施工。
-材料的质量要求高,严禁使用劣质材料。
-施工环境要保持干燥,避免雨水进入施工区域。
-施工现场要保持整洁,防止杂物进入施工区域。
-施工结束后要及时清理工具和施工区域的垃圾。
-施工完工后要进行验收,并及时处理质量问题。
EPS薄抹灰外墙外保温系统施工方案一、前言在建筑外墙施工过程中,保温系统是至关重要的一环。
EPS(聚苯乙烯)薄抹灰外墙外保温系统是一种常用的保温系统,它具有优良的保温性能和施工方便的特点。
本文将介绍EPS薄抹灰外墙外保温系统的施工方案,希望为相关从业人员提供指导和参考。
二、材料准备在进行EPS薄抹灰外墙外保温系统施工之前,需要准备以下材料: - EPS保温板 - 粘结砂浆 - 基层处理材料 - 纤维网格布 - 抗裂砂浆 - 抹灰材料三、施工步骤1. 基层处理首先,对建筑外墙进行清洁处理,确保表面无灰尘和油污。
然后施工基层处理材料,填补墙面缺陷,提供平整的施工基础。
2. 粘贴EPS保温板将切割好的EPS保温板涂上粘结砂浆,粘贴在基层处理好的墙面上。
保温板之间应该留有一定的接缝,接缝处应使用防水胶进行封闭处理。
3. 打网格布待粘贴的EPS保温板干燥后,按要求在保温板上粘贴纤维网格布,提高涂抹层的抗裂性能。
4. 抗裂处理用抗裂砂浆对纤维网格布进行抗裂处理,增强系统的整体性能。
5. 抹灰最后,在EPS薄抹灰外墙外保温系统表面进行抹灰,保证外墙表面的平整和美观。
四、施工注意事项1.在施工过程中,要注意质量监控,确保每个环节的施工质量符合要求。
2.施工时要保证环境湿度和温度适宜,以免影响粘结砂浆的粘结效果。
3.施工完毕后,要进行整体验收,确保外墙外保温系统的性能符合设计要求。
五、总结EPS薄抹灰外墙外保温系统是一种常用的外墙保温系统,施工简便,性能优良。
通过本文的介绍,相信读者对EPS薄抹灰外墙外保温系统的施工方案有了更深入的了解,希本能为相关人员的实际工作提供参考和指导。
EPS板薄抹灰外墙外保温一、概述EPS板薄抹灰外墙外保温,是由EPS板(阻燃型模塑聚苯乙烯泡沫塑料板)、聚合物粘结砂桨(必要时使用锚栓辅助固定)、耐碱玻璃纤维网格布(以下称玻纤网)及外墙装饰面层组成的外墙外保温系统,其基本构造如图1。
该系统技术先进,隔热、保温性能良好,坚实牢固、抗冲击、耐老化、防水抗渗,施工简便。
EPS板薄抹灰外墙外保温适用于新建房屋的保温隔热及旧房改建;无论是在钢筋混凝土现浇基层上,还是在其它各类墙体上,均可获得良好的施工效果。
本文结合在山东施工的福乐家园项目对EPS板薄抹灰外墙外保温的施工技术进行一些探讨。
图1 EPS板外墙外保温系统构造图1200EPS板墙体基层图2 EPS板转角示意图二、EPS板薄抹灰外墙外保温技术的特点1、EPS板薄抹灰外墙外保温技术可准确无误的控制隔热保温层的厚度和导热系数,施工无偏差,并能确保技术要求的隔热、保温效果。
2、EPS板薄抹灰外墙外保温技术使用水泥基聚合物砂浆作为粘结层及抹面层,由于其高强且有一定的柔韧性,能吸收多种交变负荷,可在多种基层上将EPS板牢固的粘结在一起,在外饰面质量较轻时,施工中无需锚固。
3、EPS板薄抹灰外墙外保温技术使用的水泥基聚合物砂浆保护层,可将玻纤网牢固的粘结在苯板上,抗裂、防水、抗冲击、耐老化,并具有水、气透过性能,能有效地在建筑上构筑高效、稳固的保温隔热系统。
4、EPS板薄抹灰外墙外保温技术使用的聚合物砂浆,具有良好的和易性、镘涂性和较长的凝固时间,便于工人操作,把原本复杂的保温技术简化为粘贴、镘涂作业,施工简便。
操作人员简单培训后,即可以进行大面积、高质量、高效率的施工,经济效益显著。
三、施工条件1、墙体基层的质量(1)做EPS外墙外保温系统的墙面首先应经过验收达到质量标准的结构承重或非承重墙,否则不能进行外墙外保温施工。
即:要确保外墙外表面不能有空鼓和开裂,要确保基层有良好的附着力,规范要求基层的附着力应大于0.30MPa。
EPS板薄抹灰外墙外保温系统施工方案一、系统特点EPS板抹薄抹灰外墙外保温系统是集多层材料复合的一种轻质的保温隔热系统,由EPS保温层、聚合物粘结砂浆层、机械锚固件、金属托架、聚合物抹面砂浆层、耐碱网格布保护层和饰面层组成,安装在建筑物围护结构外墙外侧,为建筑物围护结构外墙创造出连续、非间断性的包覆层结构,赋予墙体极高的热阻值,从而创造出建筑物优异的节能效果。
系统构造图如下:一墻体—水泥砂浆粉刷层粘结砂浆层—EPS®保温层一排面砂浆层—网格布层一抹面砂浆层—涂料层EPS板保温涂料饰面系统平面构造图二、安全和文明施工规范(1)安全施工规范A、每日上班前有施工员进行严格安全教育;B、避免疲劳作业,避免有病坚持工作;C、施工中严肃认真,不得吸烟,不得嬉笑玩耍。
(2)文明施工规范A、工人上班是统一着装;B、随时保持施工机具和材料包装物的表面干净卫生;C、服从安排,听从指挥。
三、质量保证措施(1)人员控制措施项目部人员配置到位,确保管理有力、有序;所用施工人员都确保是经专业培训的并持证上岗。
(2)材料控制措施所有材料到达施工现场都要进行检验,入库后有专人保管、使用时有专人领用。
(3)施工过程控制措施施工时严格按工艺、按施工流程操作,每道工序都需经检验合格并签字确认方可进入下道工序。
四、施工条件(1)施工基层需牢固,无起壳和空鼓现象。
(2)门窗需用美纹纸进行保护处理。
(3)检查所用材料是否符合设计要求,施工机具和工具是否符合使用要求,脚手架或吊篮是否安全可靠,施工人员是否已进行培训等。
五、施工机具与工具(1)拌和设备水桶,剪刀,铲刀,手提式搅拌器。
(2)运输设备手推车,塑料桶,垂直运输设备,铁锹,铲刀。
(3)施工设备与工具脚手架或吊篮、锯齿型批刀,平口批刀,美工刀,铝合金刮尺,扫帚,滚筒,冲击钻,螺丝刀,切割机等。
(4)检测设备靠尺,塞尺,垂直仪,墨斗,钢尺,方尺,探针等。
六、配合要求该工程施工过程中,需总包单位提供220V 正常电压和380V 的动力电,功率约20KW 左右,并提供脚手架,在施工过程当中给予仓库的使用与现场的配合 门窗洞口外部粉刷预留一定尺寸,以便于外保温施工。
一、编制说明我公司为能够参与该项工程施工而深感荣幸。
因此,我们有信心、有能力以优良的成绩为该工程做一份贡献。
1、外墙外保温墙体的主要优点相对于外墙内保温,外墙外保温有如下优点:1)适用范围广2)保护主体结构,延长建筑物的寿命;3)基本消除了“热桥”的影响;4)有利于改善室内热循环的质量;5)便于旧建筑物进行节能改造;6)可减少保温材料的用量;7)增加房屋的使用面积。
2、外墙外保温的系统划分《外墙外保温工程技术规程》JGJ144—2004、J408—2005中规定外墙外保温系统是指:由保温层、保护层和固定材料(胶粘剂、锚固件等)构成并且适用于安装在外墙表面的非承重保温构造总称。
JGJ144规程外墙外保温划分5大系统:1)EPS板薄抹灰外墙外保温系统;2)胶粉EPS颗粒保温浆外墙外保温系统;3)EPS板现浇混凝土外墙外保温系统;4)EPS钢丝网架现浇混凝土外墙外保温系统;5)机械固定EPS钢丝网架板外墙外保温系统。
根据贵方对工程保温的要求和我们对有相关资料的反复阅读和理解,并实地勘察施工现场,我们选择了EPS板薄抹灰外墙外保温系统,EPS板薄抹灰外墙外保温系统发展于六十年代初的德国,欧洲使用最久的EPS板薄抹灰外墙外保温系统实际工程将近40年。
大量的工程实践证明,我国EPS板薄抹灰外墙外保温系统在正确使用和正常维护的条件下,使用年限不应少于25年。
请业主和有关专家给予审核,并多提宝贵意见:二、系统构造EPS板薄抹灰外墙外保温系统的构造组成:①基层;②胶粘砂浆;③聚苯板;④抹面砂浆;⑤耐碱玻纤网格布;⑥抹面层;⑦饰面层EPS板薄抹灰外墙外保温系统的构造图如下:三、施工条件1、经业主、监理、总包、外保温施工单位联合验收合格后进行。
并且基层墙面及找平层应干燥。
2、保温层施工前,外门窗洞口应通过验收,洞口的尺寸、位置应符合设计要求和质量要求,门窗框或附框应安装完毕,伸出墙面的消防梯、水落管、各种进户管线和空调器等预埋件、连接件、应安装完毕,并按外保温系统厚度留出间隙。
EPS 板薄抹灰外墙外保温系统施工工方案一、施工流程图铺 设 玻 纤 网铺设玻纤网,门窗口 起终端部位翻包网护 角 网 施 工刮涂柔性腻子粘贴分格缝胶带基 层 墙 体 湿 润EPS 板上抹胶粘剂特 殊 部 位 清 理粘 贴 EPS 板EPS 板 打 磨 找 平 翻包部位粘贴玻纤网配 制 胶 粘 剂配 制 抹 面 胶 浆涂 抹 面 胶 浆基 层 墙 体 处 理弹 线 机 具 准 备抹面胶浆表面找平涂刷抗碱封闭底漆变形缝及沉降缝处理真石漆施工二、EPS 板薄抹灰外墙外保温系统的构造组成:①基层;②胶粘砂浆;③聚苯板;④抹面砂浆;⑤耐碱玻纤网格布;⑥抹面层;⑦饰面层EPS 板薄抹灰外墙外保温系统的构造图如下:本系统采用弹性涂料饰面体系,该保温体系分十二道工序:1、基层处理、拉线、墙面润湿;2、粘贴EPS 板(包括翻包网); 3、用发泡胶嵌填板缝;4、EPS 板打磨找平;5、特殊部位处理;6、锚栓安装; 7、涂抗裂抹面胶浆并压入网格布(双层网部位需预先铺设一层网格布再铺网格布);8、打磨并抹第二遍抗裂胶浆;9、刷耐碱封固底漆;10、刮批二遍柔性腻子;11、辊涂二遍弹性涂料;三、EPS 板保温系统施工材料组成1)聚苯乙烯泡沫板(简称EPS ),本工程采用1200mm ×600mm ×70mm ,阻燃型,表面密度18kg/立方米。
具体技术性能指标(JG149—2003)项 目 性 能 指 标导热系数,w/(m.k) 0.041(表观密度为18kg/m ³)尺寸稳定性,% 0.3 吸水量(g/㎡),浸水24h ≤500 抗冲击强度普通型(P 型)≥3.0砌块墙,粘土砖墙,钢筋混凝土墙等 土建找平层 柔性抗裂腻子 粘结砂浆 EPS 保温板(含锚钉) 耐碱玻纤增强网格布抗裂抹面砂浆 抗碱封闭底漆 饰面涂料/j 加强型(Q型)≥10.1抗风压值/Kpa 不小于工程项目的风荷载设计值耐冻融表面无裂纹、空鼓、起泡、剥离现象水蒸气湿流密度/g/(㎡*h) ≥0.85不透水性试样防护层内侧无水渗漏耐候性表面无裂纹、粉化、剥落现象阻燃性能B2级2) 粘结砂浆:项目性能指标拉伸粘结强度/Mpa (与水泥砂浆)原强度≥0.60 耐水≥0.40拉伸粘结强度/Mpa (与膨胀聚苯板)原强度≥0.10破坏界面在膨胀聚苯板上耐水≥0.10破坏界面在膨胀聚苯板上可操作时间/h 2小时3)抗裂抹面砂浆:项目性能指标拉伸粘结强度/Mpa (与膨胀聚苯板) 原强度≥0.10,破坏界面在膨胀聚苯板上耐水≥0.10,破坏界面在膨胀聚苯板上耐冻融≥0.10,破坏界面在膨胀聚苯板上柔韧性抗压强度/抗折强度≤3.0 可操作时间/h 2 4)玻璃纤维网格布:试验项目性能指标单位面积质量(g/m2)≥160 5)抗碱封闭底漆:项目性能指标耐碱性24h无异常抗泛碱性24h无异常6)柔性腻子:项目性能指标动态抗开裂性≥0.5mm初期干燥抗裂性(6h) 无裂纹粘接强度≥0.6MPa1)密封膏采用阻燃型聚氨酯型建筑密封膏,其技术指标符合《聚氨酯建筑密封膏》JC482的有关规定,且与聚苯板等保温材料相容性较好。
一、概述重阳eps保温板薄抹灰外墙外保温体系(聚苯板、玻纤网格布聚合物砂浆做法)是郑州重阳保温建材建材有限公司引进瑞士重阳集团的新型技术的基础上,结合我国建筑节能的规范和要求以及我国国情,自行研发的一种外墙保温体系。
它是以聚苯乙烯泡沫板()作为保温层,以聚合物抹面砂浆复合玻纤网格布作增强保护层,以弹性防水外墙涂料为饰面层的保温体系。
二、技术构造:1. 墙体无机矿物质类墙体,如混凝土、多孔砖、砌块等类墙体2. 重阳建筑粘接胶聚合物该性干粉料,专用于膨胀聚苯板的粘贴3. 阻燃型膨胀聚苯板容重18-22kg/m3 导热系数0.035-0.040 W/m .K 不含FCKW4. 重阳纤维增强抹灰砂浆高弹性纤维增强抹灰胶,与玻纤网格布共同组成外保温体系的防护面层5. 重阳玻纤网格布耐碱,布局均匀且受力变形小,在保温系统中起到“软钢筋”的作用6. 装饰砂浆无机干粉装饰砂浆,耐洗、耐污、能自洁。
7. 重阳外墙涂料,重阳各类外墙涂料为外保温提供丰富多彩的立面颜色,并提供有效的防污保护。
三、重阳外墙保温材料的特点:(1)优越的保温隔热效果重阳保温板采用的是密度较高的聚苯板将建筑物完全包裹起来,消除了冷桥,稳定了空气的渗透,大大减少了外部气体对建筑物内的冷热冲击。
(2)显著的防水性能重阳保温系统具有非常高的抗裂防水性能,可以防止雨水渗漏,实践证明重阳的保温系统垂直防水等级达到国际先进水平。
(3)可靠的抗白蚁功能重阳保温系统在防白蚁的技术上遥遥领先,采用三道程序严格控制白蚁的入侵,确保建筑物的外衣更经久耐用。
(4)稳定的粘接性能重阳保温系统所用的材料均采用原装进口材料,其化学稳定性好,材料本身具有柔韧性能,物理变性低,抗老化,耐候性能好,可以在-35℃到75℃的环境下不挥发,不变形。
四、重阳外墙保温施工要求(一)、一般性要求1.施工环境,基底及使用的材料的温度不应低于+5℃。
2.不应在大风环境中或者夏天+32℃阳关直射的墙面上施工,以免原材料在施工过程中失水过快出现毛细猎缝。
3.应避免没有硬化的材料在雨雪天直接暴漏,受到冲刷,必要时要对没有硬化的墙面加以保护。
4.在整个保温系统中只允许用本公司提供或者指定的材料,这关系到材料之间的相容性以及整个工程的质量保证(二)、对建筑物及基层墙体的基本要求1. 墙体的湿度不能高于外界环境的平衡湿度。
2. 墙体表面不能有污迹,灰尘,油污或者脂肪类物质,若是改造工程,基层墙面为涂料饰面,则涂料和腻子曾需要彻底清除、高压冲洗以后表面无风蚀灰尘以后方可施工;基层为面砖饰面,则要清楚部分空鼓的部分,然后高压冲洗以后用聚合物界面砂浆处理以后方可施工。
3. 墙体应具有足够的强度,特别是墙体表面应具有足够的附着力(大于0.3N/㎡)。
4. 墙面应平整,平整度应达到小于等于1.0㎝/2.0㎡(如果墙体不能满足的情况下,应采用粘接砂浆找平,)5. 内墙抹灰,地平应在外保温系统施工之前完成,并且干燥硬化6. 门窗,室外卷帘,特别是水平设置的盖板(像窗抬板,女儿墙盖顶板),必须在保温系统施工之前安装完毕,外墙设置的通风口的护拦,固定管道,空调等用的支架也必须先安装完毕。
7.避免在外墙上固定脚受架等物体。
前工作人员应在开工之前对建筑物及其墙面作认真的实地考察和体验。
五、技术指标1、阻然型聚苯乙烯泡沫板(EPS)技术指标聚苯乙烯泡沫板符合:隔热用聚苯乙烯泡沫塑料(QB/T3807-1999)标准中ZREPS板在避光的条件下至少存放40天或60℃干养护5天方可使用。
3、 WND抹面层砂浆技术指标:(2)吸水率防护层24小时后的吸水率低于0.5kg/㎡(3)水汽透过性水蒸气透过湿流密度≥1.0g/㎡•h(4)抗风压负压4500 Pa,正压5000 Pa以上,系统无裂缝六、施工准备1、脚手架施工A、总包提供升降机、脚手架并提供满足施工条件的跳板(周边一层)B、施工安全。
脚手架应坚固牢靠,各连接钢管之间的距离应大致相等,满足铺设跳板。
各项安全网应齐全,确保安全施工。
2、材料准备:A、“重阳”外保温专用胶粘剂和抹面砂浆(为整个系统核心技术所在,外墙专用粘结剂的选择直接影响到外墙外保温是否开裂、剥落)。
B、阻燃型聚苯乙烯发泡板——EPS保温板(规格1200mmX600mmX50m).C、耐碱玻璃纤维网。
D、膨胀锚钉。
(整个可以敲打或拧紧,钉身由取酰胺制成,直径不小于11mm的环套,以及直径不小于4mm的镀锌螺钉,埋头不小于8mm)。
K、42.5或32.5灰水泥(普通硅酸盐早强型)。
材料准备数量根据现场实际情况及进度计划要求提前28天抽样送检。
1)工具准备搅拌器(300rpm)、泥刀、水平仪、电钻、电热丝切割机、开槽器、磨刀、滚筒、电刨、剪刀、钻头。
2)施工设施采用脚手架施工。
3)基面检查除去所有基面松动空壳部分,填补所有裂缝、洞等。
基面必须平整清洁,使用水平靠尺以确保平整(每2米内至多10mm的起伏)对于局部平整度较差的基面,应锉去过高的突出物,平整基面。
4)对有代表性的基面作“附着力”测试,确保适宜水泥与外墙外保温专用胶的配比。
气温在30摄氏度以上,混和比例为25公斤保温粘结剂加20公斤水;若气温在30摄氏度以下,混合比例为:25公斤保温粘结剂加19.5公斤水。
调配好的粘结剂应有一定的粘稠性。
将保温粘结剂均匀的涂布在附着力测试面上,厚度为1mm;48小时后,用砂纸打磨保温粘结剂粘附表面。
用电钻在墙上钻个洞;在样片上涂布环氧胶,而后进行测试。
5)准备工作完成后,基面必须坚实、干燥、干净。
七、工程施工方案、施工步骤1、施工工序准备材料→基层墙处理→ 除污,清理墙面↓吊垂直、找方正↓搅拌粘结沙浆→粘贴聚苯板↓聚苯板粘贴验收↓打螺栓孔↓铺网格布、调整与聚苯板的间隙↓拧入尼龙胀栓↓界面处理↓抹一遍聚合物沙浆↓抹沙浆找平、检查验收保温层施工2、施工步骤1)基层墙体要求A、基层墙体必须清理干净、平整、无污染物及妨碍粘结的物质。
抹灰层的基层墙体之间必须粘结牢固,无空鼓、松动、脱层、裂缝等不良的现象。
基面的抹灰的层达到《国家中级抹灰标准》。
B、基层墙面含水率小于10%;涂料测量基面含水率的方法(现场简单测定法):——晴天时利用透明胶布平贴基面,以胶带封合胶面四周,过2-4小时后,若胶布内部呈现结露现象,则基面含水率高,不宜施工。
——取干燥的报纸平铺基面,再以透明胶带封合,约2小时后,报纸若呈现潮湿状,则基面含水率高,不宜施工。
C、当基层墙体材料为灰砂砖、加气砌块或非混凝土类材料时,其基层附着力可按以下方法检验:——墙体基面经清洗后冲洗晒干,用5块75mmX75mmX50mm厚保温板块粘结于基墙上,养护3天;——用手拉整块保温板,如果是保温板破坏,即无论是被撕裂、拉断或其它破坏形式,则适用于该墙体。
如果是粘结胶浆层或基层墙体被破坏,则应另加机械固定方式施工。
2)胶浆的配置A、胶粘剂开袋后若发现有结块现象应查看生产日期和合格证若发现有受潮现象应停止使用。
B、胶浆的配置:将胶粘剂与水按4:1重量配比,用电动搅拌器充分搅拌均匀,静置5分钟后,观其向度情况,加入少量水,再搅拌一次。
C、加入水搅拌时,应采用700—1000r/min电动搅拌器(或可变速电动搅拌器),在盛有胶粘剂的桶中,边逐量加入水,边搅拌到均匀。
最后看粘稠度适当加入适量的水搅拌均匀。
D、应根据气候情况掌握胶浆稠度,以易施工、不流淌为度,严格控制加入水量。
E、胶浆中不得再掺有砂、骨料、防冻剂、速凝剂、聚合物或其它添加剂。
F、每次调配胶浆不得过多,每次视不同温度环境条件下,在1-2小时内用完。
3)保温板的粘贴A、标准尺寸的保温板600X1200mm X50mmB、先沿着外墙散水标高标出散水水平线,如有变形缝时,应标出变形缝及变形缝宽度。
C、在垂直表面上安装保温板时,应从墙面基部及坚固、永久的或临时的支撑处开始。
D、翻包网格同布:粘贴保温板臆先切割窄幅网格布做翻包网格布。
具体施工请详见本栏中第(6)点翻包网格布的施工。
E、保温板粘贴:点粘法。
用不锈钢抹子,沿板中间部分均匀布置16个点,每点直径约100mm,厚约10mm,中心距约200mm。
当采用非标准尺寸板时,涂抹粘结剂一般不多于6个点,但不小于4个点,粘结胶浆的涂抹面积与保温板的面积之比不得小于50%。
抹浆时保温板侧边应保持清洁,不得粘有胶浆。
F、保温板抹完粘胶浆后,立即将板平贴在已施工过翻包网格布的基层上滑动就位。
粘贴时应轻柔、均匀挤压。
G、为了保证板面的平整度,应随时用一根长度不小于2米的靠尺进行压平操作。
保温板应自下而上沿水平方向横向铺贴,每排板应错缝1/4板长。
H、水平方向的保温板铺设完毕后,将翻包网翻边。
I、板缝间隙大于1.5mm时应用聚苯板填补后打磨平整。
J、在墙面转角处,保温权垂直缝应丈齿交错连接,并保证墙角垂直度。
门窗洞口四角部位的保温板应采用整块保温板切割形成,不得拼接。
接缝拒没口四角距离不于等于200mm.K、保温板贴好24小时后应整体打磨一遍以确保平整,打磨时散落的聚本屑应随时清理干净。
注意:粘贴保温板时不能直接在基面上先抹胶浆,在保温板缝之间不能存有胶浆。
4)网格布的铺设A、网格布铺设前应检查保温板是否塞缝,板面是否打磨平整(用2米长靠尺检查),窗户周边、墙边是否打磨直,翻包网是否被粘结胶浆污染,有无将打磨产生的聚苯板残渣从板面清理干净。
保温板必须干燥、平整、无任何杂质。
B、铺设网络时建设先做翻包网部位(如需做加强网的地方应先铺设加强网,再铺设翻包网),再做大面积铺设。
C、用不锈钢抹子在保温板表面均匀涂抹一层面积略大于网格布的抹面胶浆,厚度约为1.6mm。
立即将网格布压入湿的抹面胶浆中,待胶浆稍干硬至可以碰触时,再用抹子涂抹第二道抹面胶浆,直至网格布全部被覆盖,肉眼看不到网眼为止。
D、网格布的铺设应自上而下,并没外墙转角处依次铺设。
标准网格布间应相互搭接至少6.5mm,但加强网格布之间必须对接,对接边应紧密。
当遇到门、窗洞口时,应在洞口四角处沿45度方向补贴一块长为400mm,宽为200mm的标准网格布,以防止开裂。
E、在拐角部位,标准网格布应该是边疆的,并从每边双向绕角后包墙的宽度不小于200mm,加强网格布应顶角边对接布置。
F、铺设网格布时,网格布的弯曲面应朝向墙面,并沿水平及垂直方向划出T字形以固定在墙面,然后从中央向四周用抹子将网压入胶浆内。
G、抹面胶浆的厚度不小于2.5mm不大于5mm。
H、全部抹面胶浆和网格布铺设完毕后,至少静置养护24小时,方向进行下一道工序的施工。
在寒冷和潮湿的气候条件下,还应适当处长养护时间。
I、保护已完工的部位免受雨水的渗透和冲刷。
J、下列部位应加贴加强网格布(先铺设一道加强网格布,再铺设一道标准网格布):——底层离室外地面高度200mm范围的部位;——可能遭受冲击力的特殊部位。