尾矿库事故类型和主要原因表
- 格式:doc
- 大小:23.50 KB
- 文档页数:4
尾矿坝(库)事故的主要类型及防治技术(一)尾矿坝溃坝事故尾矿坝溃坝事故的主要原因是尾矿库建设前期对自然条件了解不够,勘察不明、设计不当或施工质量不符合规范要求,生产运行期间对尾矿库的安全管理不到位,缺乏必要的监测、检查、维修措施以及紧急预案等,一旦遇到事故隐患,不能采取正确的方法,导致危险源状态恶化并最终酿成灾难。
(二)边坡失稳事故尾矿库的稳定性包括坝体的稳定性和天然边坡的稳定性。
自然边坡的破坏方式可分为崩塌、滑坡和滑塌等几种类型,尾矿坝坝坡除会发生滑坡和滑塌破坏外,还可能发生塌陷、渗漏及管涌溃堤、渗流冲刷造成尾矿堆石坝破坏等事故。
(三)洪水漫顶事故1.设计、施工的防洪标准、设施不符合现行尾矿设施设计施工规范,导致的洪水漫顶、溃坝事故;2.洪水超过尾矿库设计标准导致的漫顶、溃坝事故;3.对气候、地质、地形等发生变化而引起的尾矿库最小安全超高和最小干滩长度等发生的不利变化,没有及时采取正确的应对方法所导致的事故;4.疏于日常管理,对库区、坝体、排洪设施等出现的事故隐患未能采取及时处理措施,导致的洪水漫顶、溃坝;5.缺乏抗洪准备和防汛应急措施,对洪水可能造成的破坏没有应急预案而造成的事故。
(四)排洪设施破坏1.构筑物的设计、施工不符合水工构筑物设计规范,在实际生产运营过程中,不能承担排洪作用;2.疏忽构筑物的日常检查、维修工作,导致漏砂、漂浮杂物沉积并堵塞在进、出水管道,从而影响排洪的功能;3.临近山坡的溢洪沟(道)、截洪沟等设施,由于气候、地质变化而毁坏,不能满足排洪要求;4.废弃的排水构筑物未能处理或处理不符合规范,产生事故;5.暴雨、洪水过后,未能对构筑物全面检查和清理,对已有隐患没有及时修复,在连续暴雨期内发生事故;6.因负重、锈蚀等因素导致排水管道、隧洞破损、断裂、垮塌,地形、地质变化导致构筑物发生变形、沉降,而不能承担防汛功能。
(五)地震液化事故①尾矿坝的破坏是尾矿的液化引起的;②尾矿坝的破坏形式表现为流滑;③遭受地震破坏的尾矿坝,其坝坡大都在30°~40°。
尾矿库事故、事件调查制度尾矿库事故是一种常见的矿业灾害,经常导致人员伤亡和环境污染,对社会和经济造成重大影响。
为了预防和应对尾矿库事故,建立和完善尾矿库事故调查制度是至关重要的。
本文将从尾矿库事故的定义、原因、影响以及事故调查制度的必要性等方面进行探讨。
一、尾矿库事故的定义与原因尾矿库是矿山在选矿过程中产生的废弃物的贮存设施。
尾矿库事故指在尾矿库的建设、运营过程中发生的导致事故的突发事件,例如尾矿库溃坝、泄漏、决堤等。
尾矿库事故的原因可以归纳为以下几个方面:1. 工程设计不合理:包括尾矿库的位置选择、结构设计、抗震设计等不符合相关标准和规范,容易导致事故的发生。
2. 建设过程中的管理疏忽:例如施工质量检验不完善、监理不到位等,导致尾矿库的质量问题,增加事故发生的风险。
3. 运营管理不规范:包括尾矿的排放和处置不符合相关法规和标准,设备维护不及时等,增加了事故的发生概率。
4. 环境条件变化:例如持续降雨、地震等自然灾害,可能引发尾矿库事故。
二、尾矿库事故的影响尾矿库事故对社会、经济和生态环境造成的影响是巨大的。
1. 人员伤亡:尾矿库事故通常会导致工人和附近社区居民的丧生或受伤,给家庭和社会带来深重的伤痛。
2. 经济损失:事故发生后,需要进行救援和清理,这些费用可能会耗费大量的资源和资金。
另外,事故导致的生产中断、设备损坏等问题也会给相关企业带来重大的经济损失。
3. 环境污染:尾矿库事故可能导致废水、废土和有毒物质的泄漏,污染地下水和周边土壤,对生态环境造成严重破坏,影响周边的农业、渔业等产业。
三、尾矿库事故调查制度的必要性为了防止和减少尾矿库事故的发生,建立和完善尾矿库事故调查制度具有重要的意义。
1. 预防事故再次发生:通过对事故的原因进行深入调查和分析,可以识别出导致事故的关键问题,给出相应的改进建议和措施,从而避免类似的事故再次发生。
2. 保护公众利益:尾矿库事故不仅会对相关企业和人员造成损失,还会对周边的社区和生态环境产生严重影响。
尾矿库泄漏事故的常见原因你知道吗,尾矿库泄漏事故可不是个小事儿,往往一泄露就能闹得天翻地覆,影响特别大。
简直是“搬起石头砸自己的脚”。
想想看,里面储存的那些矿物、化学物质,一旦外泄,不但污染了周围的水源、土地,连空气都带着“味道”。
看起来很平静的尾矿库,藏着的危机可是让人一不小心就“掉进坑里”。
到底为什么会发生这种事呢?咱们今天就来聊聊那些常见的原因,绝对让你大开眼界!得说说“管理松懈”这个问题。
很多时候,尾矿库的事故就跟一个人平时不注意保养、忽视检查是一个道理。
你要知道,尾矿库可不是随便搭个石堆就行的。
它需要定期检查,及时修复,简直是个“高维护”的存在。
可是,哎,有些管理单位一旦麻痹大意,觉得“没事”,就开始放松管理。
监测设备老是坏掉,检查人员敷衍了事,结果呢,某个看似微不足道的裂缝、漏洞没能及时发现,最后酿成大祸。
你说,这不就是“玩火自焚”吗?然后,尾矿库的设计和建设质量问题也经常是一个大隐患。
嗯,很多时候,建库的施工单位为了省钱,可能会采取一些不合规的材料,或者设计上不够合理。
比如,水泥不够结实,池底设计不够牢固,什么地质环境不考虑,这些都可能导致尾矿库的结构不稳定。
别小看这些细节,往往就是一块“裂缝”或一个“细节”决定了命运。
要是水库一旦出现溃堤,后果可想而知——根本不是一件小事。
再说说气候变化的影响吧。
天气的变化对尾矿库的安全性影响也是挺大的。
尤其是暴雨、洪水这种极端天气,简直就像给尾矿库“加了一把火”。
雨水一多,尾矿库里的水位就会上升,压力增大。
这时候,如果设计不当,库体就容易发生变形,甚至崩塌,导致泄漏。
这个时候,尾矿库就像个“定时炸弹”,一旦爆炸,周围一片狼藉。
想想看,平时你就算把水加满了杯子,它也可能溢出来,更何况是那么大一座尾矿库呢?说到这些,最后别忘了“工作人员不负责任”的问题了。
有些操作员可能在工作中不够细心,忽视了尾矿库的某些风险,甚至是明知道问题也没及时上报处理。
比如,检查设备的时候没有完全检查到位,或者发现危险信号没有立刻采取行动。
第四章尾矿库典型事故实例及教训尾矿库重大事故的诱发因素比较容易分辩,但施工、生产经管以及政府有关部门都能从下面几个典型事故实例中汲取到有益的教训。
导致事故发生,都有着多种原因,而且往往互为因果。
因而事故的教训也是多方面的。
勘察、设计、第一节火谷都尾矿库溃坝事故及教训(一)事故简况263人,其中死亡171人;此外,冲刷、淤塞河道1700m,另有火谷都尾矿库当时存放新冠选矿厂的尾矿,属3800m沟渠受到局部破坏;损坏公路路基180m,淹没公路路面4500m砂锡矿的尾矿,平均粒径约为0.022mm,-0.019mm;受输电线路和提水泵站严重损坏的影响,大量厂矿停产10天;再加上,由于颗粒太细,设计采用一次建坝,的占74.44%新冠选厂无尾矿库而长期停产和被淹农田几年内都1为原设计的尾矿坝示分期施工的技术方案。
图4-3种不出好庄稼,总的损失相当惨重。
该库m 35m意图。
总坝高为,总库容为1270万(二)事故原因196219578月投入使用,月开始施工,1958年年7(垮坝前尾矿坝的实际断1)第二期坝的修改,未作稳定验算,坝坡日发生垮坝事故。
年9月26太陡,坝体断面单薄;上坝土料含水率和压实干容,储存的总尾所示。
当时总坝高为29m-面如图42重都未明确,每层铺土过厚,土料不均。
以至坝的t。
814.3矿量为万碾压质量不好;坝体多次分期加高,较大的结合面月1962年920日发现坝的南端和中部坝顶各有六处,小的接缝更多,且都未按规范要求处理;12m,在迎水坡上距长度约有2~3mm的裂缝两条,构筑时,又是边施工、0.8m处也发现一条同样裂缝。
边生产,蓄水放矿同时进行,坝顶约坝身土壤不能很好固结;其上游坡又压在质量很差库水事故前三天降了中雨,降雨量共28.8mm,的临时小坝上;由此可知,该坝质量很差,容易产,是投产25位上升较快,9月日库水位达1641.66m生变形和位移,点查看未发现任何变化。
坝体的整体性和稳定性都深受影响。
尾矿库近期事故分析一、事情经过:第一次事故:2014年9月17日13:10分,二泵站1#管道堵,倒泵之后,三泵站2#、3#管道堵,到下午15:10由于尾矿库事故池水过多,避免造成污水外排,造成环境污染,组织停车打水,之间过程组织投管道,由于投管道水过多造成二泵站变压器跳闸,组织处理,至18日早上4:30分1#管道畅通组织打回水转车,至上午7点转车。
第二次事故:18日转车后继续组织透二泵站2#、3#三泵站2#、3#,转车后9:30由于浓缩池管道压力达到2.0以上,为避免尾矿库再次造成管道堵大面积停车,磨选车间停止原矿入选,组织拉管道,11:10分二泵站1#管道堵,3#管透开,4#管道堵,三泵站1#、2#管道堵,13:10分3#管处理完组织转车,之后15:00-16:35 、18:50-19:20两次管道压力高人为控制原矿入选,之后一直控制台效,小夜班23:10分由于二泵站5#管道堵,三泵站1#、4#堵3#管道上水不上矿,组织停机处理,更换二泵站5#泵,同时透管道,凌晨2点原回水泵站两台泵由于泵进口堵,同时出现故障,二泵站外事故池一台事故泵坏,为避免出现环境污染事故,组织全天处理事故池管道及原回水泵站两台泵及电机,至13点两台事故泵处理完之后组织单管道拉透,同时更换二、三泵站5#泵,至19日23:30,二泵站1#、2#、3#全部透开,三泵站1#、2#、3#、4#全部透开,组织安装二泵站5#泵,同时尾矿库组织打回水,大井拉管道打循环,至20日3:20分二泵站4#管道处理完,早5:00二泵站5#泵安装完,组织转车。
第三次事故:9月23日大夜班3:40分尾矿库三泵站5#泵窜轴导致油封损坏,二泵站3#泵没有油,倒二泵站4#泵,倒泵之后4#泵上水不上矿,同时组织给3#泵加油,4:30分油加完,组织运转3#泵,至4:50磨选车间转车,控制台效不超900吨,二、事故原因:1、第一次事故主要因为由于管道堵,为了尽快投管道,保证生产稳定正常,在组织上存在失误,导致二泵站外积水过多,造成跳闸,使事故扩大化。
尾矿作业岗位主要安全风险尾矿库存在的主要安全风险有:溃坝、坝体滑坡、洪水漫顶、防排洪设施损毁和渗流破坏。
一、溃坝尾矿库溃坝是指坝体失稳,发生瞬时溃决,尾矿突然涌出的现象。
发生溃坝的主要原因有:1.自然条件(1)库区或坝址存在地形、地质等影响尾矿库安全及各构筑物稳定性的不利因素。
(2)遭遇超过设防标准的洪水,尾矿库防排洪能力不足。
(3)持续特大暴雨,引发尾矿库周边山体发生泥石流或山体滑坡,泥石流或滑坡体侵占尾矿库调洪库容、淤堵防排洪设施或毁坏坝体,造成尾矿库溃坝。
2.勘查设计(1)勘察时对库区、坝基、防排洪设施等处的不良地质条件未能查明,造成设计时未能采取相应的措施,致使坝体变形、防排洪设施倒塌,最终发生溃坝事故。
(2)设计中坝坡稳定分析所选择计算指标偏高,或对地震因素分析不足,以及防排洪、排渗设施设计不当等。
3.施工(1)坝体清基或地基承载力未达到设计要求。
(2)在坝体施工中,由于坝料质量或压实参数等未达到设计标准造成坝体填筑质量差。
(3)冬季施工时未采取有效措施,以致形成冻土层,在解冻后或蓄水后,库内水入渗形成软弱夹层。
4.运行管理(1)防排洪设施淤堵严重或损坏,造成库内水位过高,在突遇特大暴雨时可能出现漫顶现象,引发溃坝。
(2)生产运行过程中,因未按设计放矿、设置排渗设施、抬高库内水位等因素,造成干滩长度过短、安全超高不足、浸润线过高等现象。
(3)子坝筑坝质量差,未达到设计标准。
(5)堆积坝外坡比陡于设计值。
(5)未经技术论证和批准,在库区周围进行采矿、爆破等危害尾矿库安全的活动等。
二、坝体滑坡坝体滑坡是指尾矿坝上某一小部分尾矿在重力(包括尾矿本身重力及库内水的动静压力)作用下,沿着一定的软弱结构面(带)产生剪切位移而整体地向斜坡下方移动,但未发生整体溃决的现象。
发生坝体滑坡的主要原因有:1.自然条件(1)强烈地震引起坝体滑坡。
(2)持续的特大暴雨,使坝坡土体饱和或遭到风浪淘刷导致坝体外坡形成陡坡,进而发生坝体滑坡。
尾矿库事故、事件报告制度背景尾矿库是在采矿过程中产生的尾矿通过浓密排放,进入尾矿库进行沉淀,再经过多种处理方式,形成矿山利用型深度尾矿库。
然而,随着矿山采矿规模的扩大,尾矿库的数量和规模也在不断增大,尾矿库的安全问题早已引起全社会的关注。
如果尾矿库出现事故,往往会对周围环境和居民的生命财产造成极大影响。
尾矿库事故的发生原因尾矿库的事故原因复杂,主要包括如下几个方面:1.设计不规范。
例如,存在渗透或滑动的隐患,如环形引水沟的内径不够大,而排水梁的尺寸和数量不足,等等。
2.施工过程中存在的问题。
例如,因为施工难度大,而未按照设备要求进行施工,或者施工人员缺乏专业知识等原因。
3.管理欠缺。
例如,尾矿库的安全监管与管理体系建设不完善,无法对事故进行及时处置和疏导。
4.环境因素。
例如,尾矿库所在区域经常发生自然灾害,如地震、洪水等,会导致尾矿库的不稳定和事故风险增加。
尾矿库事故的影响尾矿库事故对环境和社会造成的影响十分严重,具体表现在如下几个方面:1.水质受到污染。
事故中大量的污染物可能会泄漏,造成水质的严重污染,影响周边居民的生活和健康。
2.土地受到污染。
污染物的泄漏也可能对周围土地造成不可逆的损害,使得原本肥沃的土地变得不适合农业耕种。
3.损失惨重。
事故导致的人员伤亡和财产损失都可能达到惨重的程度,对社会稳定产生严重影响。
建立尾矿库事故、事件报告制度的必要性随着尾矿库数量和规模的增加,尾矿库事故的风险也在逐步增加。
建立尾矿库事故、事件报告制度是非常必要的,它可以帮助我们及时了解尾矿库的运行情况,及时发现问题,避免事故发生。
此外,建立制度还可以提高尾矿库事故处置的效率和能力,做到“早发现、早报告、早处置、早结束”。
尾矿库事故、事件报告制度的具体要求1.提供具体的报告制度。
应该明确尾矿库事故、事件的报告范围、报告要求、报告时间等,使得相关人员能够及时地了解尾矿库的运行情况。
2.设定事故级别和报告要求。
应该根据事故的性质、程度和影响设定不同的事故级别,并根据不同级别的事件要求进行不同的报告。
尾矿坝(库)事故的主要类型及防治技术(一)尾矿坝溃坝事故尾矿坝溃坝事故的主要原因是尾矿库建设前期对自然条件了解不够,勘察不明、设计不当或施工质量不符合规范要求,生产运行期间对尾矿库的安全管理不到位,缺乏必要的监测、检查、维修措施以及紧急预案等,一旦遇到事故隐患,不能采取正确的方法,导致危险源状态恶化并最终酿成灾难。
(二)边坡失稳事故尾矿库的稳定性包括坝体的稳定性和天然边坡的稳定性。
自然边坡的破坏方式可分为崩塌、滑坡和滑塌等几种类型,尾矿坝坝坡除会发生滑坡和滑塌破坏外,还可能发生塌陷、渗漏及管涌溃堤、渗流冲刷造成尾矿堆石坝破坏等事故。
(三)洪水漫顶事故1.设计、施工的防洪标准、设施不符合现行尾矿设施设计施工规范,导致的洪水漫顶、溃坝事故;2.洪水超过尾矿库设计标准导致的漫顶、溃坝事故;3.对气候、地质、地形等发生变化而引起的尾矿库最小安全超高和最小干滩长度等发生的不利变化,没有及时采取正确的应对方法所导致的事故;4.疏于日常管理,对库区、坝体、排洪设施等出现的事故隐患未能采取及时处理措施,导致的洪水漫顶、溃坝;5.缺乏抗洪准备和防汛应急措施,对洪水可能造成的破坏没有应急预案而造成的事故。
(四)排洪设施破坏1.构筑物的设计、施工不符合水工构筑物设计规范,在实际生产运营过程中,不能承担排洪作用;2.疏忽构筑物的日常检查、维修工作,导致漏砂、漂浮杂物沉积并堵塞在进、出水管道,从而影响排洪的功能;3.临近山坡的溢洪沟(道)、截洪沟等设施,由于气候、地质变化而毁坏,不能满足排洪要求;4.废弃的排水构筑物未能处理或处理不符合规范,产生事故;5.暴雨、洪水过后,未能对构筑物全面检查和清理,对已有隐患没有及时修复,在连续暴雨期内发生事故;6.因负重、锈蚀等因素导致排水管道、隧洞破损、断裂、垮塌,地形、地质变化导致构筑物发生变形、沉降,而不能承担防汛功能。
(五)地震液化事故①尾矿坝的破坏是尾矿的液化引起的;②尾矿坝的破坏形式表现为流滑;③遭受地震破坏的尾矿坝,其坝坡大都在30°~40°。
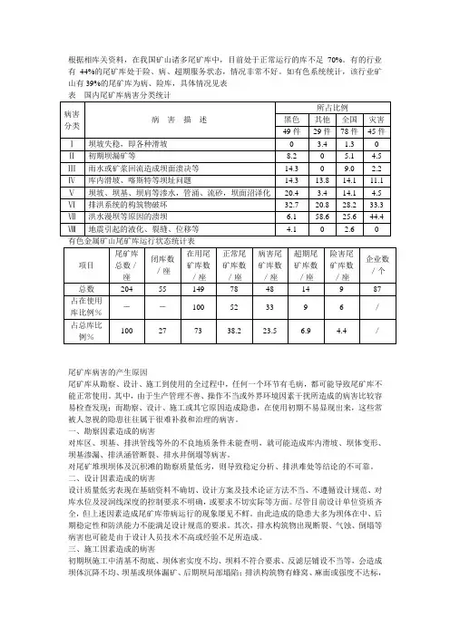
根据相库关资料,在我国矿山诸多尾矿库中,目前处于正常运行的库不足70%。
有的行业有44%的尾矿库处于险、病、超期服务状态,情况非常不好。
如有色系统统计,该行业矿山有39%的尾矿库为病、险库,具体情况见表表国内尾矿库病害分类统计尾矿库病害的产生原因尾矿库从勘察、设计、施工到使用的全过程中,任何一个环节有毛病,都可能导致尾矿库不能正常使用。
其中,由于生产管理不善、操作不当或外界环境因素干扰所造成的病害比较容易检查发现;而勘察、设计、施工或其它原因造成隐患,在使用初期不易显现出来,这些常被人忽视的隐患往往属于很难补救和治理的病害。
一、勘察因素造成的病害对库区、坝基、排洪管线等外的不良地质条件未能查明,就可能造成库内滑坡、坝体变形、坝基渗漏、排洪涵管断裂、排水井倒塌等病害。
对尾矿堆坝坝体及沉积滩的勘察质量低劣,则导致稳定分析、排洪难处等结论的不可靠。
二、设计因素造成的病害设计质量低劣表现在基础资料不确切、设计方案及技术论证方法不当、不遵循设计规范、对库水位及浸润线深度的控制要求不明确,或要求不切实际等方面。
尽管目前设计单位资质齐全,但上述因素造成尾矿库带病运行的现象屡见不鲜。
由此造成的隐患大多为坝体在中、后期稳定性和防洪能力不能满足设计规范的要求。
其次,排水构筑物出现断裂、气蚀、倒塌等病害也可能是由于设计人员技术不高或经验不足所造成。
三、施工因素造成的病害初期坝施工中清基不彻底、坝体密实度不均、坝料不符合要求、反滤层铺设不当等,会造成坝体沉降不均、坝基或坝体漏矿、后期坝局部塌陷;排洪构筑物有蜂窝、麻面或强度不达标,当负荷逐渐增大时,会造成掉块、漏筋、断裂、甚至倒塌等病害。
四、操作管理不当造成的病害在长期生产过程中,由于操作不当造成的常病害和隐患如下:1、放矿支管开启太少,造成沉积滩坡度过缓,导致调洪库容不足;2、未能均匀放矿,沉积滩此起彼伏,造成局部坝段干滩过短;3、长期独头放矿,致使矿浆顺坝流淌,冲刷子坝坡脚,且易造成细粒尾矿在坝肖大量聚积,严重影响坝体稳定;4、长时间不调换放矿点,造成个别放矿点的矿浆外溢,冲刷坝体;5、巡查不及时,放矿管件漏矿冲刷坝体;6、坝面维护不善,雨水冲刷拉沟,严重时会造成局部坝段滑坡;7、每级子坝高度堆筑太高,致使坝前沉积厚层抗剪强度很低、渗透性极差的矿泥,抬高了坝体内的浸润线,对坝体稳定十分不利;8、片面追求回水水质而抬高库水位,造成调洪库容不足;9、长期对排洪构筑物不进行检查、维修,致使堵塞、露筋、塌陷等隐患未能及时发现。
尾矿库溃坝事故1 事故知识(1)尾矿,是从磨碎的矿石中提出有用成分后的剩余矿浆,里面含有大量的泥浆与矿渣。
尾矿坝是由尾矿堆积碾压而成的坝体,分为尾矿堆积坝和初期坝,不同于水库,水库要求防渗,而尾矿库要求排渗,否则容易形成泥石流。
坝坡在如下几种情况会出现圆弧形滑动面造成溃坝:因洪水及排水系统引发溃坝,表现为排洪系统设置满足不了洪水的排放,断面尺寸或者坡度不合理,或者是排洪布置方案不合理;坝体失稳而溃坝,如渗透破坏,地震等因素或地址构造等原因;周边环境不利因素引发的溃坝,如非法开采和胡乱排放等。
(2)尾矿坝最大的危险是溃坝,一旦溃坝会引起滑坡泥石流等重大灾害,引起重大人员伤亡、财产损失和环境污染。
(3)救援物资及装备:急救箱、夹板、担架、翻卸车、推土机、叉车、破拆设备、载重运输车、大桥车、砂石料、编织袋、铁铲等。
2 救援及处置措施(1)立即发布尾矿库垮坝警报,组织溃坝现场人员、周边群众按指定路线紧急疏散、撤离。
(2)救援人员向子坝溃口处堆积沙袋、打木桩,阻止溃坝缺口进一步增大。
(3)对外泄的尾矿进行围堰堵截,防止污染面扩大。
(4)医护人员对伤员及时进行现场救护。
(5)事故发生后,救援人员及时对重点区域进行翻掘搜救和排查。
3 决策建议(1)认真贯彻落实中央、国务院领导同志指示精神,把救人放在第一位,多措并举,科学施救,千方百计营救被困人员,全力救治伤员,严防次生事故发生。
(2)在堤坝背水坡附近抢护时,切忌使用不透水的材料堵塞,以免截断排水出路,造成渗透坡降加大,使险情恶化。
(3)对无滤层减压围井的采用,必须具备减压围井中所提条件,同时由于井内位高,压力大,井壁围埝要有足够的高度和强度,并应严密监视围埝周围地面是否有新的管道涌出现,同时,还应注意不要在险区附近挖坑取土,以免抢筑不及或围埝倒塌导致决堤垮坝。
(4)对严重的翻沙鼓水险情抢护,应以反滤围井为主,并优先用沙石反滤围井,辅以其他措施。
(5)溃坝缺口扩大而需要增援时,应注意保护救援人员安全,该撤离的坚决撤离。
尾矿库典型事故实例及教训尾矿库是一种处理矿物浆料的设施,由于尾矿中含有大量的废水和有毒物质,因此对于尾矿库的建设、管理和运营都需要严格遵守相关法律法规,确保环保安全和营运稳定。
然而,尾矿库事故时有发生,有些事故甚至给人们带来了严重的伤害和损失。
本文将从尾矿库典型事故实例及教训两个方面来谈谈如何从事故中吸取教训,加强尾矿库管理和预防风险,提高环保安全和经济效益。
1. 尾矿库典型事故实例(1)2008年11月8日,发生了澳大利亚昆士兰州饶洛谷铜矿的尾矿库瓦斯爆炸事故,造成25人死亡。
初步调查显示,事故的主要原因是瓦斯爆炸导致矿坑瓦斯污染严重,矿坑尾矿管道破裂导致尾矿泄漏。
(2)2014年8月4日,发生了中国陕西省汉中市南郑县金坑镇火车站一尾矿库坍塌事故,造成至少38人死亡。
该尾矿库属于煤炭企业子公司所属矿区,坍塌时已经停放了数十辆大型工程车辆,直接导致了事故的严重性。
(3)2019年1月25日,巴西米纳斯吉拉斯州的一座尾矿库发生坍塌事故,导致至少212人死亡,数十人失踪。
该尾矿库属于巴西矿业巨头维多利亚公司,是该公司的最大尾矿堆存库之一,历史上曾发生多次矿井事故。
2. 尾矿库事故教训(1)尾矿库管理要严格。
尾矿库建设、管理和运营都需要严格遵守相关法律法规和行业标准,确保环保安全和营运稳定。
需要完善环保政策,加强对企业投资、建设、管理和环境监管的有效制约和监督。
(2)尾矿库风险评估要准确。
在尾矿库建设、运营过程中,需要对尾矿库的风险进行科学评估,评估结果可以用于制定预案和风险管控措施,避免发生事故的概率。
(3)尾矿库事故应急预案要得到妥善处理。
尾矿库事故的应急预案需要设置严格的责任分工和应急处置方案,以应对各种突发情况。
同时应积极搜救被困人员,及时开展救援工作,及时报告并配合相关部门处理善后的一系列工作。
(4)尾矿库技术管理要加强。
尾矿库既涉及到矿业生产技术,又涉及到环境保护技术,对技术管理的要求也非常高。
尾矿库事故、事件调查制度尾矿库是矿山生产中产生的一种固体废弃物。
由于其具有环境污染风险,因此尾矿库的运营与管理必须符合严格的安全标准。
然而,在实际运作过程中,由于各种因素的影响,尾矿库事故时有发生。
因此,在尾矿库运营中,需要实施有效的事故调查制度,以保障人员安全以及环境保护。
尾矿库事故定义尾矿库事故是指尾矿库运营活动中出现的意外事件,导致人员受伤、环境受到破坏或财产损失的不良影响。
尾矿库事故通常由以下原因引起:1.设备故障2.人为疏忽或错误操作3.外部自然灾害,如地震或台风等4.尾矿库建造或设计缺陷5.运营管理不规范以上原因可以单独或同时导致尾矿库事故的发生。
尾矿库事故的后果可能是灾难性的,因此有必要制定相关的调查制度以避免或降低发生概率。
尾矿库事故调查制度尾矿库事故调查制度是指一套正式的流程,用于调查尾矿库事故原因以及采取相应措施来快速恢复正常运营。
调查制度的主要目的是确定事故根本原因,并从中学习教训以进行改进,避免同类事件再次发生。
尾矿库事故调查制度应该包括以下内容:触发条件当尾矿库事故发生时,必须按照相关规章制度对事故进行处置和调查。
在这个流程中,应该制定明确的行动计划和时间表,以便及时响应和应对事件。
不同类型的事故可能需要不同的触发条件,应根据矿山运营的实际情况和周围环境做出合理的安排。
调查组成员尾矿库事故调查应该由一支由专业人员组成的团队来执行,包括矿山工程师、安全专家,环境、地质和水文专家等。
在组成团队时,应优先从矿山内部人员中选拔,也可以考虑外部专家的参与。
调查过程尾矿库事故调查应该包括以下步骤:1.事故基本信息记录,包括事故及报告的时间、地点、涉及的团队成员和受影响的区域等;2.事故现场勘查和调查;3.证据搜集和分析,包括对记录的数据和现场勘查所得的信息进行分析和比对;4.进行事故根本原因分析;5.提出改进措施和建议,以避免同类事故再次发生;6.编写调查报告,保存调查过程中收集到的数据和资料。