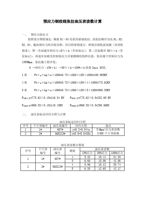
预应力张拉压力表计算
- 格式:doc
- 大小:159.00 KB
- 文档页数:10
边坡预应力锚索张拉计算书
同理可得:
XXX:F=600/6*0.75=75KN=N
理论伸长:△L=*(4000+600)/(6*140*)=2.1mm
压力表读数:P=0.227X+0.4286=17.5MPa
4)当б=бcon时
XXX:F=600/6=100KN=N
理论伸长:△L=*(4000+600)/(6*140*)=2.8mm
压力表读数:P=0.227X+0.4286=23.2MPa
5)当б=бcon*1.1时
张拉力:F=600/6*1.1=110KN=N
理论伸长:△L=*(4000+600)/(6*140*)=3.1mm
压力表读数:P=0.227X+0.4286=28.9MPa
四、结论
本文介绍了K28+600-K28+970段右侧边坡预应力锚索张拉计算书的设计参数、要求、张拉程序和理论拉伸长值及压力表读数计算。
在实际工程中,应注意对张拉设备进行标定,并按照正确的张拉程序进行操作,以确保预应力锚索的安全可靠使用。
张拉力计算公式为:F=600/9*0.75=75KN=N。
根据公式计算,XXX为XXX。
根据理论计算,伸长量为△L=*(4000+600)
/(6*140*)=2.1毫米。
压力表读数的计算公式为:P=0.227X+0.4286=17.5兆帕。
根据公式计算,压力表读数约为17.5兆帕。
当б=бcon*100%时,具体情况需要根据实际情况进行判
断和计算,无法简单给出结论。
30m小箱梁后张法预应力张拉计算与应力控制1 工程概况(1)跨径30m的预应力混凝土简支连续箱梁,梁体高度1.6m,宽度2.4m,采用C50混凝土,(2)钢绞线规格:采用高强低松驰钢绞线Φs15.2规格,标准强度Rby=1860Mpa,公称截面面积140mm2,弹性模量根据检测报告取Ep=2.00×105Mpa。
钢束编号从上到下依次为N1、N2、N3、N4,其中:中跨梁:N1、N2、N3、N4为4Φs15.2;边跨梁:N1、N2为5Φs15.2,N3、N4为4Φs15.2;(3) 根据施工设计图钢绞线张拉控制应力按75%控制,即σcon=1860×75%=1395Mpa,单股钢绞线张拉吨位为:P=1395×140=195.3KN,锚口摩阻损失厂家提供为2%,5股钢绞线张拉吨位为:F=195.3×5×1.02=996.03KN,4股钢绞线张拉吨位为:F=195.3×4×1.02=796.82KN,采用两端张拉,夹片锚固。
(4)箱梁砼强度达到90%、N4钢束。
(5)张拉:0~10%(测延伸量)~20%(测延伸量)~100%(测延伸量并核对)~(持荷5分钟,以消除夹片锚固回缩的预应力损失)~锚固(观测回缩)。
2 油压表读数计算根据千斤顶的技术性能参数,结合计量测试研究院检定证书检定结果所提供的线性方程,计算实际张拉时的压力表示值Pu:前端:千斤顶型号:YCYP150型编号:6067 油压表编号:9398或3676校准方程:编号6067千斤顶配9398油表:P=0.0333XF+0.2ApEp PpL 编号6067千斤顶配3676油表:P=0.0334XF-0.06后端:千斤顶型号:YCYP150型 编号:6068 油压表编号:2246或2360编号6068千斤顶配2246油表:P=0.0331XF+0.28编号6068千斤顶配2360油表:P=0.0328XF+0.48XF=所需力值P=压力表读数3 伸长量计算(1) 预应力筋的理论伸长△L (mm )按下式计算:△L=式中:Pp-预力筋的平均张拉力为(N ),直线筋取张拉端的拉力,两端张拉的曲线筋,计算方法见曲线段预应力筋平均张拉力:L=预应力筋的长度(mm )Ap=预应力筋的截面面积(mm 2):取140Ap=预应力筋的弹性模量(N/mm 2)。
张拉力与压力值计算一、计算过程张拉力P=1358×139×11=2076382=2076.4KN0.1P 0.35P 0.5P 0.7P 1.0P207.6 726.7 1038.2 1453.5 2076.4 二、计算结果(表)张拉力与压力值计算表钢绞线根数千斤顶编号压力表编号0.1σcon0.35σcon0.5σcon0.7σcon 1.0σcon张拉力(KN)压力表(MPa)张拉力(KN)压力表(MPa)张拉力(KN)压力表(MPa)张拉力(KN)压力表(MPa)张拉力(KN)压力表(MPa)11 YDC-4000-1303011YS0901034 207.6 3.1 726.7 9.9 1038.2 14.0 1453.5 19.4 2076.4 27.5D0******* 207.6 3.3 726.7 10.1 1038.2 14.1 1453.5 19.5 2076.4 27.611 YDC-4000-1303164YE1060815 207.6 3.8 726.7 10.7 1038.2 14.7 1453.5 20.2 2076.4 28.4YS0901084 207.6 2.9 726.7 9.6 1038.2 13.7 1453.5 19.1 2076.4 27.3张拉力与压力值计算表钢绞线根数千斤顶编号压力表编号0.1σcon0.35σcon0.5σcon0.7σcon 1.0σcon张拉力(KN)压力表(MPa)张拉力(KN)压力表(MPa)张拉力(KN)压力表(MPa)张拉力(KN)压力表(MPa)张拉力(KN)压力表(MPa)11 YDC-3500-900310.1.24.127 207.6 1.7 726.7 9.7 1038.2 14.6 1453.5 21.0 2076.4 30.611.6.9.1539 207.6 2.9 726.7 10.7 1038.2 15.4 1453.5 21.7 2076.4 31.111 YDC-3500-9550YS0901050 207.6 3.5 726.7 11.6 1038.2 16.4 1453.5 22.9 2076.4 32.6YE1060793 207.6 3.3 726.7 11.5 1038.2 16.4 1453.5 23.0 2076.4 32.9A匝道第一联(5×22)预应力施工现场记录表钢束标号顶编号油表编号10% 35% 回油值50% 回油值70% 回油值100% 伸长值设计值施工时间。
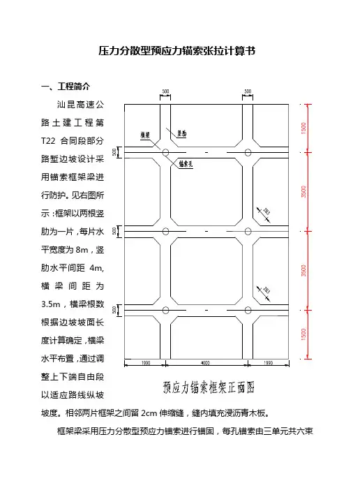
压力分散型预应力锚索张拉计算书一、工程简介汕昆高速公路土建工程第T22合同段部分路堑边坡设计采用锚索框架梁进行防护。
见右图所示:框架以两根竖肋为一片,每片水平宽度为8m,竖肋水平间距4m,横梁间距为3.5m,横梁根数根据边坡坡面长度计算确定,横梁水平布置,通过调整上下端自由段以适应路线纵坡坡度。
相邻两片框架之间留2cm伸缩缝,缝内填充浸沥青木板。
框架梁采用压力分散型预应力锚索进行锚固,每孔锚索由三单元共六束钢绞线组成,钢绞线采用直径15.24mm、强度1860MPa的高强度低松弛无粘结钢绞线。
每个单元锚索分别由两根无粘结钢绞线内锚于钢质承载体组成。
钢绞线通过特制的挤压簧(类似于夹片功能)和挤压套(类似于锚环功能)对称地锚固于钢质承载体上,其单根的连接强度大于200KN。
各单元锚索的固定长度分别为L1、L2、L3,共同组成复合型锚索的锚固段,且L1=L2=L3=5m。
为叙述及计算方便,命名对应锚固长度的单元为D1、D2、D3单元,其对应锚索长度为l1、l2、l3,且l1>l2>l3。
详见下图所示:注:为计算方便,上图中L1和L3标注与设计图纸标注位置相反,现场施工时需注意。
上图中,自由段长度根据边坡级数位置不同而有三种设计长度,分别为10m、15m和20m,其对应设置位置详见具体的边坡锚索框架防护设计图。
压力分散型锚索与一般拉力分散型锚索不同之处在于,压力分散型锚索由几个单元组成,各单元间锚索长度及其自由段长度不同,致使各单元间因自由段长度不同而产生伸长量不同。
因此,在进行整体分级张拉前,要先计算各单元间的差异伸长量和差异荷载增量,并先进行补足荷载张拉及预张拉。
二、差异荷载增量、差异伸长量和理论伸长量计算1、计算公式因压力分散型锚索各单元长度长短不一,故必须先计算相邻两单元之间的差异伸长量和差异荷载增量。
对于三单元共六束压力分散型锚索,其计算公式如下:差异伸长量:△L1-2=△L1-△L2, △L2-3=△L2-△L3;△L1=(σ/E)* L1, △L2 =(σ/E)* L2, △L3=(σ/E)* L3,σ=P/A 。
16米预制空心板张拉计算方案一、基础数据本标段16米预制空心板正弯矩预应力钢束共有N1、N2各2束,设计锚下张拉控制应力:σcon=1860×0.75=1395MP a。
按设计要求空心板混凝土强度达到设计强度的90%后,且混凝土龄期不小于7d,方可张拉预应力钢束,并采用两端对称张拉,张拉程序为:0 初应力σcon(持荷5min)锚固,张拉顺序为N2、N1。
二、预应力钢束张拉力计算1、经咨询设计单位,因设计图中张拉控制应力已经考虑了预应力损失,故张拉力按公式:F n=σcon×A×n进行计算,如下:中跨空心板N1钢束锚下张拉力:F1=σcon×A×n=1395 MP a×140㎜2×4 =781.20KN其中:A为每根预应力钢绞线的截面积;n为同时张拉的预应力钢绞线的根数;F为钢绞线锚下张拉力。
其余钢束张拉力计算同N1,各钢束张拉力如下表:16米空心板中板预应力钢束张拉力计算明细表(表一)16米空心板边板预应力钢束张拉力计算明细表(表二)三、压力表读数计算本桥采用150吨千斤顶进行张拉,经校验:编号为1#千斤顶对应的压力表编号为21021009,校准方程为Y=0.03309X-0.02762。
对应油压表编号130577484编号为2#千斤顶对应的压力表编号为21021006,校准方程为Y=0.03311X+0.10190。
对应油压表编号130577505Y-油压表读数(MPa),x--张拉力值(KN)故中跨空心板N1钢束采用1#千斤顶张拉时的压力表度数分别为:1)压力表编号为130577484P1=0.03309X-0.02762=781.2×0.03309-0.02762=25.57MP a2)压力表编号为130577505P2=0.03311X+0.10190=0.03311×781.2+0.10190=25.97MP a其余钢束压力表读书计算同N1,压力表度数详见下表:预应力钢束100%бk张拉力所对应的压力表度数明细表(16米空心板中板)(表三)预应力钢束10%бk张拉力所对应的压力表度数明细表(16米空心板中板)表四)预应力钢束20%бk张拉力所对应的压力表度数明细表(16米空心板中板)(表五)预应力钢束100%бk张拉力所对应的压力表度数明细表(16米空心板边板)(表六)预应力钢束10%бk张拉力所对应的压力表度数明细表(16米空心板边板)(表七)预应力钢束20%бk张拉力所对应的压力表度数明细表(16米空心板边板)(表八)三、理论伸长量的复核计算1、预应力钢束的平均张拉力计算采用设计图纸中的标准梁长进行钢绞线平均张拉力的计算,首先要计算出钢束的锚下张拉力,然后采用如下公式计算钢束的平均的张拉力:预应力平均张拉力计算公式及参数:式中:Pp=P[1- e-(kx+uθ)]/( kx+uθ)P p-----预应力筋平均张拉力(N);P-----预应力筋张拉端张拉力(N);X-----从张拉端至计算截面的孔道长度(m);θ-----从张拉端至计算截面的曲线孔道部分切线的夹角之和(rad);K------孔道每米局部偏差对摩擦的影响系数,取0.0015;μ------预应力筋与孔道壁的摩擦系数,取0.15故16米中跨空心板的平均张拉力计算如下:由设计图纸可知:K=0.0015,μ=0.23,X取7.85m;N1钢束θ为9°,弧度为0.0244,N2钢束θ为4°,弧度为0.06978。
鄂州市城市中轴线西段工程长港大桥长港钢绞线张拉力和引伸量计算中建七局中轴线项目部二零一零年九月长港箱梁(4×30米)预应力钢绞线引伸量和张拉力计算一、以长港(4×30米)为例计算腹板F1a钢绞线引伸量:由图纸设计说明知,预应力钢绞线采用∅s15.2高强度低松弛钢绞线,标准强度为1860MPa,Ep=1.95×105MPa,钢绞线锚下张拉控制应力为∆K=0.75fpk=1395 MPa1、根据施工方法确定计算参数:预应力管道成孔方法采用金属螺旋管成孔,查下表确定K、μ取值:孔道成型方式K值μ值钢绞线带肋钢筋精轧螺纹钢预埋铁皮管道0.003 0.35 0.4 -抽芯成型管道0.0015 0.55 0.6 -预埋金属螺旋管道0.0015 0.2~0.25 -0.5管道摩擦系数μ=0.23,管道偏差系数k=0.0015,钢筋回缩和锚具变形为6㎜。
2、理论引伸量计算:后张法预应力钢绞线在张拉过程中,主要受到以下两方面的因素影响:一是管道弯曲影响引起的摩擦力,二是管道偏差影响引起的摩擦力;两项因素导致钢绞线张拉时,锚下控制应力沿着管壁向跨中逐渐减小,因而每一段的钢绞线的伸长值也是不相同的。
2.1、计算公式:《公路桥梁施工技术规范》(JTJ 041-2000)中关于预应筋伸长值ΔL的计算按照以下公式1:ΔL=Pp×L Ap×EpΔL—各分段预应力筋的理论伸长值(mm);Pp—各分段预应力筋的平均张拉力(N);L—预应力筋的分段长度(mm);Ap—预应力筋的截面面积(mm2);Ep—预应力筋的弹性模量(Mpa);《公路桥梁施工技术规范》(JTJ 041-2000)附录G-8中规定了Pp的计算公式(2):Pp=P×(1-e-(kx+μθ))kx+μθP—预应力筋张拉端的张拉力,将钢绞线分段计算后,为每分段的起点张拉力,即为前段的终点张拉力(N);θ—从张拉端至计算截面曲线孔道部分切线的夹角之和,分段后为每分段中每段曲线段的切线夹角(rad);x—从张拉端至计算截面的孔道长度,分段后为每个分段长度或为公式1中L值;k—孔道每束局部偏差对摩擦的影响系数(1/m),管道内全长均应考虑该影响;μ—预应力筋与孔道壁之间的磨擦系数,只在管道弯曲部分考虑该系数的影响。
一、工程概况(一)总体概况即本项目终点K11+700,全长11.7公里。
我标段共有T梁432片,其中90片为16 m,342片为13m,(详见表1.1T梁工程数量表)。
表1.1T梁工程数量表二、施工工艺张拉作业使用智能张拉设备。
当试压同条件试块强度和现场回弹强度≥90%设计强度值时进行张拉。
张拉正后方设置防护钢板挡板。
预应力张拉设计顺序现张拉N1,后张拉N2,依次进行。
钢绞线张拉程序:0→初应力(0.10δk) →0.2δk→1.0δk(持荷5min锚固),预应力钢绞线张拉采用双控,即以张拉力控制为主,以伸长量进行校核。
实际伸长量与理论伸长量差值需控制在±6%以内。
若实际量测伸长量符合计算要求(与计算伸长值相比误差在±6%范围之内)则封闭锚具和夹片并拆除千斤顶,如果实际量测伸长量与计算伸长值相差较大,暂停张拉,查清原因并解决问题后方再继续张拉(预应力筋理论伸长值及预应力筋平均张拉力的计算见计算书)。
T梁起拱度采用张拉前后测设高程并计算其差值得出。
张拉前,在梁中轴线上以跨中为起点向两边每2m纵距布设观察点位,用水准仪测设高程。
张拉时要注意不要堵塞进、出浆孔孔道。
张拉完成后,将多余的钢绞线用砂轮机切除,钢铰线剩余长度﹥3cm。
钢绞线切除后,及时对锚头进行封堵,保证封锚密实。
张拉前千斤顶、锚环、夹片、工作锚具、工作夹片、压力表、油泵等张拉设备进行检验。
千斤顶、油泵、压力表与张拉应力值的关系方程式,由有资质的检测单位检测。
锚环、夹片、工作锚具、工作夹片应当无破损,锚环、夹片、工作锚具、工作夹片在使用前送样进行强度检验,符合《预应力筋用锚具、夹具和连接器》、《公路桥梁预应力钢铰线用锚具、连接器试验方法及检验规格》等技术要求后使用。
使用前必须对每一个锚环和夹片进行观察,发现有损伤和裂纹等异常情况,给予更换,如异常情况的锚环、夹片数量占该批次数量的10%,则该批次的锚环、夹片停止使用。
张拉时,钢铰线应匀速渐进张拉,按照先N1后N2的顺序,智能张拉操作具体方法为:(1)、准备工作①准备与张拉系统能配套使用的限位板、锚具、夹片,电脑(预装Windows XP操作系统,自带无线网络适配器),三相电缆,阳伞等必须准备齐全。
T梁预应力张拉施工技术方案一、T梁预应力张拉控制方案(一)预应力张拉控制计算1、预应力钢绞线有关计算参数(1)采用符合ASTMA416-98标准,270级高强度低松弛预应力钢绞线。
(2)钢绞线公称面积:Ay=140mm2。
(3)钢绞线公称直径:15.24mm。
(4)钢绞线标准强度:R b y=1860Mpa。
×105 Mpa。
Ay:钢绞线公称直径2、预应力管道采用镀锌波纹管,孔道摩擦系数μ=0.25,孔道偏差影响系数K=0.0012。
3、有关计算公式(1)预应力筋张拉端的张拉力P=δcon×Ay×n式中Δcon:张拉控制应力n:钢绞线的根数(2)预应力筋平均张拉力:P P=P(1- e-(kx+μθ))/(kx+μθ)式中:P P—预应力筋平均张拉力P—预应力筋张拉端的张拉力X—从张拉端至计算截面的孔道长度θ—从张拉端至计算截面曲线孔道部分切线的夹角之和K—μ—(3)设计伸长值△L=(P P×L)/(A P×E S)其中:A P—预应力筋的截面面积L—预应力筋的长度其中N1N2N3表示原设计考虑的钢绞线的工作长度表示实际操作中钢绞线的有效工作长度E S—预应力筋的弹性模量(KN/mm2)(4)油压表读数千斤顶编号:20741×千斤顶编号:20731×式中Y:压力表对应值,MpaX:荷载级别,KN(二)预应力张拉T形梁预应力张拉采用张拉吨位和引伸量双控制的张拉方法。
张拉工作在梁体混凝土强度达到80%后进行。
张拉顺序为N1(控制力的100%)→N2(控制力的60%)→N3(控制力的100%)→N2(控制力的100%)。
初张拉力P0(P0=0.15P)→持荷3分钟→测引伸量б1→张拉到总吨位P→持荷3分钟→测引伸量б2→回油→测引伸量б3。
引伸量的量测应测定钢绞线的直接伸长量,不宜测千斤顶油缸的变位,当伸长量误差在±6%范围内时,方可满足设计要求,否则应查明原因,并予以解决。
预应力张拉伸长值简易计算与量测方法摘要:为了保证桥梁混凝土不开裂或裂缝宽度在规范允许的范围内,在混凝土中施加钢绞线预应力已在桥梁工程中普遍使用,作为质量双控指标的钢绞线张拉伸长值及锚固张拉控制力的计算,人们并不陌生,可在预应力张拉实际施工中的具体量测实际作法存在较大差异,确实值得大家探讨。
关键词:预应力钢绞线;张拉;工作长度;伸长值;量测目前在桥梁工程施工领域当中,普遍采用以低松弛钢绞线作为桥梁施加预应力的载体。
在实际操作中对钢绞线施加预应力张拉的伸长值、钢绞线锚固时锚具锚塞回缩量的量测,各家作法存在差异,这对预应力张拉质量控制的双控指标(即钢绞线张拉力与实测伸长值)的计算和评判产生了一定的影响。
1. 张拉程序:0→初应力σ0.15→应力σ0.30→σk(持荷5min) →锚固1.1张拉准备工作预应力张拉之前,应对不同类型的孔道进行至少一个孔道的摩阻测试,通过测试所确定的μ值、孔道偏差系数k值及钢绞线弹性模量Ep,用于对设计张拉控制应力的修正。
张拉时结构混凝土的强度、弹性模量必须符合设计规定,未规定时,混凝土强度和弹性模量均不低于80%。
张拉千斤顶的额定张拉力宜为所需张拉力的1.5倍,且不得小于1.2倍。
与千斤顶配套使用的压力表最大读数应为1.5~2.0倍,标定精度不低于1.0级,张拉机具设备与锚具产品配套使用,并在使用前在国家授权的法定计量技术机构定期进行校正、检验和标定。
使用时间超过6个月或张拉次数超过300次,必须重新进行标定。
根据标定证书给的千斤顶与压力表对应的函数关系,例如:Y=0.021X+0.6938,计算各阶段的控制张拉力。
张拉前先清理孔道,注浆孔干净,配套使用的小型工具准备齐全(如:夹片管、手锤、钳子、撬棍等),检查设备是否配带齐全(油泵、千斤顶、油表、限位板、工具锚、工具夹片),最后与项目部技术人员核对其技术数据及技术准备工作是否完善。
1.2张拉技术要领1.2.1首先清理锚垫板口波纹管,必须清理到注浆孔后面,安装顺序:正确依次安装工作锚环、工作夹片、限位板、千斤顶、工具锚、工具夹片。
预应力计算相关公式1. QS≤QsmaxQS=1.5Ny/1000=1.5×n×ay×σk/1000式中:QSmax—张拉设备的额定张拉力(吨)QS—设备计算选用的张拉吨位(吨)Ny—预应力筋的张拉力(公斤)n—一次张拉钢筋的跟数ay—单根钢筋截面积(平方厘米)σk—钢筋的张拉控制应力值(公斤/平方厘米)2. LS<LsmaxLS=△L=(1.1~1.3)σk×L/Eg式中:LSmax—张拉设备的额定张拉行程(毫米)LS—选用的计算张拉行程(毫米)△L—预应力筋张拉伸长量(毫米)σk—预应力筋的张拉控制应力值(公斤/平方厘米)Eg—预应力筋实测弹性模量值(公斤/平方厘米)L—预应力筋张拉时的有效长度(毫米)3. PUmax=(1.5~2)×PUPU=Ny/Au=n×ay×σk/Au式中:PUmax—选用压力表的最大压力读数(公斤/平方厘米)PU—计算求得的压力表读数Ny—预应力筋的张拉力(公斤)n—一次张拉预应力筋的根数ay—单根预应力筋的截面积(平方厘米)σk—预应力筋的张拉控制应力值(公斤/平方厘米)Au—千斤顶工作油压面积4. Ny=σk×Ay×n×1/1000△L=σk/Eg×L式中:Ny—预应力筋(束)的张拉力(吨)σk—预应力筋(束)的张拉控制应力(公斤/平方厘米)Ay—单根钢筋(丝)的截面积(平方厘米)n—同时张拉的钢筋(丝)根数Eg—预应力筋(束)的弹性模量(公斤/平方厘米),采用实测值L—预应力筋(束)张拉时的有效长度(厘米)。
同江市三村工程灌区工程4#桥13m空心板梁预应力筋张拉伸长值计算(第九合同段)省水利四处工程有限责任公司同江市三村灌区工程第九标段项目经理部2013年8月27日13m预空心板梁应力筋张拉伸长值计算一.预应力筋张拉伸长值计算公式ΔL=Pp*L/(Ap*Ey)Pp=P{[1-e-(kx+μQ)]/(kx+μQ }ΔL=(P*L/Ap*Ey)*{[1- e-(kx+μQ)]/(kx+μQ)}注释:Pp---预应力筋平均张拉力(N);P---预应力筋张拉端张拉力(N);X---从张拉端至计算截面孔道长度(M);Q---从张拉端至计算截面曲线孔道部分切线的夹角之和(Yad);K---孔道每米局部偏差对摩擦的影响系数,K=0.0015;μ---预应力筋与孔道壁摩擦系数,取μ=0.15;Ey---预应力筋弹性模量,取1.95*105N/mm2;Ap---预应力筋截面面积,单根Ap=139mm2;P---单根钢绞线锚下控制张拉力,根据设计图纸计算,P=Ap*σk =139*1395=193905N;二、伸长值计算张拉端张拉力:P=193905N线束1伸长值:L1=(0.0131+0.0037+0.0278)*2=0.089m;线束2伸长值:L2=(0.0132+0.0086+0.0226)*2=0.089mm;另外每束钢绞线每端孔道外线束长度0.5m,按如下公式计算该段钢绞线伸长值:每束每端孔道外钢绞线伸长值:ΔL=P*L/(Ap*Ey)=0.0036m;故线束1最终伸长值:0.089+0.0036*2=0.096m;线束2最终伸长值:0.089+0.0036*2=0.096m;13M空心板梁预应力筋张拉施工张拉力—压力表值数据表张拉控制应力σK=1395 MP a ,每片梁4束钢绞线,沿肋板两侧对称布置,自下而上编号为1、2束。
其中中跨空心板梁每孔道三根钢绞线,边跨空心板梁1#孔道每孔道四根钢绞线,2#孔道每孔道三根钢绞线。
预应力的计算公式:
F=PS
F-张拉力kN,P-压力MPa,S-活塞面积mm2。
根据这个公式转换就行。
通俗些,我给你举个例子,你就明白了。
假设预制板中铺设有10条10.7的钢筋(该规格的钢筋横截面积为90mm2,标准抗拉强度为1420MPa),按照一般标准规定,取张拉系数0.7,即每条钢筋的张拉应力为1420*0.7=994MPa。
张垃机的油缸活塞面积为400cm2,则张拉时,压力表值P2计算为。
由于在张拉过程中,钢筋受拉力F1与张拉机的张拉力
F2大小是相等的,所以有F1=F2。
即,P1*S1=P2*S2,所以P2=P1*S1/S2
=1条钢筋张拉应力*1条钢筋横截面积*钢筋条数/张拉机活塞面积
=994*90*10/400*100=22.365MPa
平均张拉力计算校核
Pp=P×[1-e-(kx+μθ)]/(kx+μθ)
PP-------预应力筋平均张拉力(N)
P -------预应力筋张拉端的张拉力(N)
L-------从张拉端至计算截面的孔道长度(m)
θ-------从张拉端至计算截面曲线孔道部分切线的夹角之和(rad)
k -------孔道每米局部偏差对摩擦的影响系数。
μ-------预应力筋与孔道壁的摩擦系数。
理论伸长值:△L=Pp×L÷AP÷EP。
预应力锚索张拉施工技术方案一、工程概况本合同段内K0+580-K0+720段左侧挖方边坡设计为预应力锚索格构体系,锚索采用6φ预应力锚索,框架梁采用3×3m。
该段左侧路堑边坡地质比较复杂,情况主要为:左侧边坡上为山坡荒地,下伏地层为三叠系松子坎组(Tsz),岩性为灰白、浅紫光红色薄~中厚层泥质白云岩、为较硬岩,破碎岩体,边坡岩体类型为IV级。
开挖后易发生滑动、碎落和小规模溜滑。
为了保证边坡的稳定,需立即进行张力。
二、施工依据1、《混凝土结构工程规范》GB50666--2011;2、依据交通部颁发的《公路工程质量检验评定标准》(JTGF80-2004)2004版;3、依据贵州省建筑工程勘察设计院《施工图设计文件》;4、《预应力筋用锚具、夹具和连接器》GB/T14370;5、现行国家标准《预应力混凝土用钢绞线》GB/T5224。
三、施工日期2012年4月15日~2013年5月25日四、人员配置技术员1名、技术工人2人、普工6人五、设备配置六、施工方法张拉首先为验证锚索锚固力是否符合设计文件要求,张拉前进行单锚抗拔试验,切忌不能将千斤顶配合钢板直接在边坡上试验,从而导致抗拔力失真。
张拉设备必须采用专用设备,并送相应资质单位标定,检验合格后方可投入使用。
待锚孔内的水泥浆和格构混凝土达到设计强度才能进行锚索预张拉。
张拉采用“双控法”即采用张拉系统出力与锚索体伸长值来综合控制锚索应力,以控制油表读书为准,用伸长值校核,实际伸长值与理论值差别应在±6%以内表明张拉正常,否则应查明原因并采取措施后方可进行张拉。
张拉步骤:锚索采用单根张拉,张拉程序按两次四级执行,每级按设计拉力的1/4张拉,两次张拉时间间隔不小于一天,张拉顺序按“跳墩”形式进行,即先张拉两边两根锚索后再张拉中间的一根锚索,张拉前安装好锚具,并使锚垫板和千斤顶轴线与锚索轴线在一条直线上,且不可压弯锚头部分。
张拉分两次进行:预张拉和超张拉,每次加载与卸载速率要平缓,并做好加荷和观测变形记录,该段边坡单根钢绞线设计荷载为,即张拉到时锁定。
压力表读数计算一、计算依据1、《琼海新建校区车站路市政道路工程(一期)设计图纸》;2、《千斤顶标定报告LX919001294-001~002》;(报告附后)二、计算公式1、千斤顶力与压力表读数对应关系如下式:b ax y +=其中:y —千斤顶力(KN );x —压力表读数(MPa ); a ,b —常系数。
2、力与应力关系如下式:p con A P σ=各项代表意义同伸长值计算。
三、油表读数计算(一)、1#油泵,YCW150千斤顶编号:707092,压力表编号:YQ11223386;线性回归方程P(f)=1.76+0.033679f ,则压力表读数计算如下:1、3束钢绞线:F=0.75*1860*140*3=585900N=585.9KN 1)、10%控制应力时:F1=10%*F=0.10*585.9=58.59KN对应油压表读数:P(f)=1.76+0.033679*F1=1.76+0.033679*58.59= 3.73(MPa )2)、20%控制应力时:F2=20%*F=0.2*585.9=117.18KN对应油压表读数:P(f)=1.76+0.033679*F2=1.76+0.033679*117.18=5.71(MPa )3)、100%控制应力时:F=100%*F=1*585.9=585.9KN对应油压表读数:P(f)=1.76+0.033679*F=1.76+0.033679*585.9=21.49(MPa )2、4束钢绞线:F=0.75*1860*140*4=781200N=781.2KN 1)、10%控制应力时:F1=10%*F=0.10*781.2=78.12KN对应油压表读数:P(f)=1.76+0.033679*F1=1.76+0.033679*78.12= 4.39(MPa )2)、20%控制应力时:F2=20%*F=0.2*781.2=156.24KN对应油压表读数:P(f)=1.76+0.033679*F2=1.76+0.033679*156.24=7.02(MPa)3)、100%控制应力时:F=100%*F=1*781.2=781.2KN对应油压表读数:P(f)=1.76+0.033679*F=1.76+0.033679*781.2=28.07(MPa)3、5束钢绞线:F=0.75*1860*140*5=976500N=976.5KN1)、10%控制应力时:F1=10%*F=0.10*976.5=97.65KN对应油压表读数:P(f)=1.76+0.033679*F1=1.76+0.033679*97.65= 5.05(MPa)2)、20%控制应力时:F2=20%*F=0.2*976.5=195.3KN对应油压表读数:P(f)=1.76+0.033679*F2=1.76+0.033679*195.3=8.34(MPa)3)、100%控制应力时:F=100%*F=1*976.5=976.5KN对应油压表读数:P(f)=1.76+0.033679*F=1.76+0.033679*976.5=34.65(MPa)(二)、2#油泵,YCW150千斤顶编号:509093,压力表编号:YQ11223377;线性回归方程P(f)=-1.71+0.034696f,则压力表读数计算如下:1、3束钢绞线:F=0.75*1860*140*3=585900N=585.9KN1)、10%控制应力时:F1=10%*F=0.1*585.9=58.59KN对应油压表读数:P(f)=-1.71+0.034696*F1=-1.71+0.034696*58.59= 0.32(MPa)2)、20%控制应力时:F2=20%*F=0.2*585.9=117.18KN对应油压表读数:P(f)=-1.71+0.034696*F2=-1.71+0.034696*117.18=2.36(MPa)3)、100%控制应力时:F=100%*F=1*585.9=585.9KN对应油压表读数:P(f)=-1.71+0.034696*F=-1.71+0.034696*585.9=18.62(MPa)2、4束钢绞线:F=0.75*1860*140*4=781200N=781.2KN1)、10%控制应力时:F1=10%*F=0.10*781.2=78.12KN对应油压表读数:P(f)=-1.71+0.034696*F1=-1.71+0.034696*78.12= 1.0(MPa)2)、20%控制应力时:F2=20%*F=0.2*781.2=156.24KN对应油压表读数:P(f)=-1.71+0.034696*F2=-1.71+0.034696*156.24=3.71(MPa)3)、100%控制应力时:F=100%*F=1*781.2=781.2KN对应油压表读数:P(f)=-1.71+0.034696*F2=-1.71+0.034696*781.2=25.39(MPa)3、5束钢绞线:F=0.75*1860*140*5=976500N=976.5KN1)、10%控制应力时:F1=10%*F=0.10*976.5=97.65KN对应油压表读数:P(f)=-1.71+0.034696*F2=-1.71+0.034696*97.65= 1.68(MPa)2)、20%控制应力时:F2=20%*F=0.2*976.5=195.3KN对应油压表读数:P(f)=-1.71+0.034696*F2=-1.71+0.034696*195.3=5.07(MPa)3)、100%控制应力时:F=100%*F=1*976.5=976.5KN对应油压表读数:P(f)=-1.71+0.034696*F=-1.71+0.034696*976.5=32.17(MPa)根据以上计算,将千斤顶张拉力与压力表读数对应关系汇总如下:千斤顶张拉力与压力表读数对应关系表(三)、1#油泵,YDC250QX千斤顶编号:905425,压力表编号:HY60238;线性回归方程P(f)=-0.63+0.212929f,则压力表读数计算如下:单根钢绞线:F=0.75*1860*140=195300N=195.3KN1、10%控制应力时:F1=10%*F=0.10*195.3=19.53KN对应油压表读数:P(f)=-0.63+0.212929*F1=-0.63+0.212929*19.53= 3.53(MPa)2、20%控制应力时:F2=20%*F=0.2*195.3=39.06KN对应油压表读数:P(f)=-0.63+0.212929*F2=-0.63+0.212929*39.06=7.69(MPa)3、100%控制应力时:F=100%*F=1*195.3=195.3KN对应油压表读数:P(f)=-0.63+0.212929*F1=-0.63+0.212929*195.3=40.96(MPa)(四)、2#油泵,YDC250QX千斤顶编号:811147,压力表编号:HY60236;线性回归方程P(f)=0.5+0.207143f,则压力表读数计算如下:单根钢绞线:F=0.75*1860*140=195300N=195.3KN1、10%控制应力时:F1=10%*F=0.10*195.3=19.53KN对应油压表读数:P(f)=0.5+0.207143*F1=0.5+0.207143*29.3= 4.55(MPa)2、20%控制应力时:F2=20%*F=0.2*195.3=39.06KN对应油压表读数:P(f)=0.5+0.207143*F2=0.5+0.207143*39.06=8.59(MPa)3、100%控制应力时:F=100%*F=1*195.3=195.3KN对应油压表读数:P(f)=0.5+0.207143*F1=0.5+0.207143*195.3=40.96(MPa)根据以上计算,将千斤顶张拉力与压力表读数对应关系汇总如下:千斤顶张拉力与压力表读数对应关系表2019年12月23日新进场张拉机械(一)、1#油泵,YCW150B-200千斤顶编号:190818,压力表编号:19114527;线性回归方程F=28.12P+33.814,则压力表读数计算如下:1、3束钢绞线:F=0.75*1860*140*3=585900N=585.9KN1)、10%控制应力时:F1=10%*F=0.10*585.9=58.59KN对应油压表读数:F1=28.12P1+33.814P1=(F1-33.814)/28.12=(58.59-33.814)/28.12= 0.88(MPa)2)、20%控制应力时:F2=20%*F=0.2*585.9=117.18KN对应油压表读数:F2=28.12P2+33.814P2=(F2-33.814)/28.12=(117.18-33.814)/28.12= 2.96(MPa)3)、100%控制应力时:F=100%*F=1*585.9=585.9KN对应油压表读数:F=28.12P+33.814P=(F-33.814)/28.12=(585.9-33.814)/28.12= 19.63(MPa)2、4束钢绞线:F=0.75*1860*140*4=781200N=781.2KN1)、10%控制应力时:F1=10%*F=0.10*781.2=78.12KN对应油压表读数:F1=28.12P1+33.814P1=(F1-33.814)/28.12=(78.12-33.814)/28.12= 1.58(MPa)2)、20%控制应力时:F2=20%*F=0.2*781.2=156.24KN对应油压表读数:F2=28.12P2+33.814P2=(F2-33.814)/28.12=(156.2-33.814)/28.12= 4.35(MPa)3)、100%控制应力时:F=100%*F=1*781.2=781.2KN对应油压表读数:F=28.12P+33.814P=(F-33.814)/28.12=(781.2-33.814)/28.12= 26.58(MPa)3、5束钢绞线:F=0.75*1860*140*5=976500N=976.5KN1)、10%控制应力时:F1=10%*F=0.10*976.5=97.65KN对应油压表读数:F1=28.12P1+33.814P1=(F1-33.814)/28.12=(97.65-33.814)/28.12=2.27(MPa)2)、20%控制应力时:F2=20%*F=0.2*976.5=195.3KN对应油压表读数:F2=28.12P2+33.814P2=(F2-33.814)/28.12=(195.3-33.814)/28.12= 5.74(MPa)3)、100%控制应力时:F=100%*F=1*976.5=976.5KN对应油压表读数:F=28.12P+33.814P=(F-33.814)/28.12=(976.5-33.814)/28.12= 33.52(MPa)(二)、2#油泵,YCW150B-200千斤顶编号:190819,压力表编号:19114541;线性回归方程F=27.761P+53.529,则压力表读数计算如下:1、3束钢绞线:F=0.75*1860*140*3=585900N=585.9KN1)、10%控制应力时:F1=10%*F=0.10*585.9=58.59KN对应油压表读数:F1=27.761P1+53.529P1=(F1-53.529)/27.761=(58.59-53.529)/27.761= 0.18(MPa)2)、20%控制应力时:F2=20%*F=0.2*585.9=117.18KN对应油压表读数:F2=27.761P2+53.529P2=(F2-53.529)/27.761=(117.18-53.529)/27.761= 2.29(MPa)3)、100%控制应力时:F=100%*F=1*585.9=585.9KN对应油压表读数:F=27.761P+53.529P=(F-53.529)/27.761=(585.9-53.529)/27.761= 19.18(MPa)2、4束钢绞线:F=0.75*1860*140*4=781200N=781.2KN1)、10%控制应力时:F1=10%*F=0.10*781.2=78.12KN对应油压表读数:F1=27.761P1+53.529P1=(F1-53.529)/27.761=(78.12-53.529)/27.761= 0.88(MPa)2)、20%控制应力时:F2=20%*F=0.2*781.2=156.24KN对应油压表读数:F2=27.761P2+53.529P2=(F2-53.529)/27.761=(156.2-53.529)/27.761= 3.70(MPa)3)、100%控制应力时:F=100%*F=1*781.2=781.2KN对应油压表读数:F=27.761P+53.529P=(F-53.529)/27.761=(781.2-53.529)/27.761= 26.2(MPa)3、5束钢绞线:F=0.75*1860*140*5=976500N=976.5KN1)、10%控制应力时:F1=10%*F=0.10*976.5=97.65KN对应油压表读数:F1=27.761P1+53.529P1=(F1-53.529)/27.761=(97.65-53.529)/27.761= 1.58(MPa)2)、20%控制应力时:F2=20%*F=0.2*976.5=195.3KN对应油压表读数: F2=27.761P2+53.529P2=(F2-53.529)/27.761=(195.3-53.529)/27.761= 5.11(MPa)3)、100%控制应力时:F=100%*F=1*976.5=976.5KN对应油压表读数:F=27.761P+53.529P=(F-53.529)/27.761=(976.5-53.529)/27.761= 33.25(MPa)根据以上计算,将千斤顶张拉力与压力表读数对应关系汇总如下:千斤顶张拉力与压力表读数对应关系表。