传感器布置原则
- 格式:doc
- 大小:946.50 KB
- 文档页数:15
无线传感器网络的布置及配置教程无线传感器网络(Wireless Sensor Networks,WSNs)是一种由大量无线传感器节点组成的网络,用于对环境进行实时监测与数据采集。
无线传感器网络可以广泛应用于农业、环境监测、智能交通等领域,它具有布置灵活、成本低廉、易于维护等优势。
本文将介绍如何正确布置和配置无线传感器网络,以保证网络稳定和性能优化。
一、网络布置1. 确定网络拓扑结构:根据具体应用需求和环境特点,选择适合的网络拓扑结构。
常见的无线传感器网络拓扑结构包括星状、树状和网状结构。
星状结构适用于传感器节点与基站之间距离较近的场景,树状结构适用于传感器节点位于同一地理区域但距离较远的场景,网状结构适用于传感器节点之间距离相对较远且需要互相通信的场景。
2. 确定传感器节点位置:根据监测目标和环境特点,合理确定传感器节点的布置位置。
传感器节点需尽量均匀地分布在监测区域内,以便获取更准确的数据。
同时,需要注意避免传感器节点之间的干扰,尽量保持节点之间的距离,并考虑传感器节点与基站之间的通信距离。
3. 考虑能量管理:传感器节点的能量是限制无线传感器网络寿命的关键因素之一。
在布置网络时,需要考虑传感器节点的能量需求,合理规划节点的能量消耗。
例如,可以将一些传感器节点设置为休眠状态,在需要进行监测时再激活节点,以延长网络寿命。
二、网络配置1. 选择适当的通信协议:根据具体应用需求和网络规模,选择适当的无线通信协议。
常用的无线传感器网络通信协议包括IEEE 802.15.4、Zigbee和LoRa等。
IEEE 802.15.4是一种低功耗、低数据速率的通信协议,适用于小规模的无线传感器网络;Zigbee是基于IEEE 802.15.4标准的协议栈,具有较强的互操作性和灵活性,适用于中等规模的无线传感器网络;LoRa是一种远距离、低功耗的无线通信技术,适用于大规模的无线传感器网络。
2. 设置网络参数:在配置无线传感器网络时,需设置一些基本的网络参数。
随着物联网技术的不断发展,物联网应用已经渗透到人们的日常生活中。
无论是智能家居、智能健康监测、工业自动化等领域,传感器的选择和布局都是至关重要的一环。
本文将从传感器选择和布局的角度,探讨物联网中的传感器应用。
一、传感器的选择在物联网应用中,传感器的选择是非常关键的一步。
不同的应用场景需要不同类型的传感器来实现监测和数据采集的功能。
例如,对于智能家居应用来说,温度传感器、湿度传感器、光照传感器等是比较常见的选择;而对于工业自动化应用来说,压力传感器、流量传感器、振动传感器等则是更为重要的选择。
传感器的选择需要考虑到多方面的因素,包括传感器的精度、灵敏度、响应时间、耐用性等。
另外,传感器的成本也是一个需要考虑的因素。
在选择传感器时,需要权衡各项指标,找到最适合具体应用场景的传感器。
二、传感器的布局传感器的布局也是物联网应用中需要重点考虑的问题。
合理的传感器布局可以确保监测到的数据准确可靠,从而保证物联网系统的正常运行。
在传感器布局时,需要考虑到以下几点:1. 传感器位置:传感器的位置直接影响到数据的准确性。
需要根据监测对象的特点,选择合适的位置进行布置,确保传感器可以充分接触到监测对象,并且不受外界干扰。
2. 传感器数量:传感器的数量需要根据监测范围和精度要求来进行合理规划。
通常情况下,可以通过对监测范围进行划分,然后根据划分结果确定需要布置的传感器数量。
3. 传感器网络:在物联网系统中,传感器之间需要进行数据通信和协作。
因此,在传感器布局时,需要考虑到传感器之间的网络连接方式和通信协议,确保传感器之间可以有效地进行数据交换。
三、传感器应用案例以环境监测为例,合理的传感器选择和布局对于监测环境数据至关重要。
一般来说,环境监测需要考虑温度、湿度、光照等因素。
通过选择合适的温度传感器、湿度传感器和光照传感器,并将其布置在合适的位置,可以实现对环境数据的准确监测和采集。
另外,工业自动化领域也是传感器应用的重要领域。
在使用传感器中的注意事项及操作规程在使用传感器中的注意事项1.电气连接方面备(如传感器的信号电缆,不和强电电源线或掌控线并行布置(例如不要把传感器信号线和强电电源线及掌控线置于同一管道内)。
若它们必需并行放置,那么,它们之间的距离应保持在50CM以上,并把信号线用金属管套起来。
2.不管在何种情况下,电源线和掌控线均应绞合起来,合程度50转/米,若传感器信号线需要延长,则应接受特制的密封电缆接线盒。
若不用此种接线盒,而接受电缆与电缆直接对接(锡焊端头),则应对密封防潮特别予以注意,接好后应检验绝缘电阻,且需达到标准(2000~5000M),必要时,应重新标定传感器。
若信号电缆线很长,又要保证很高的测量精度,应考虑接受带有中继放大器的电缆补偿电路。
3.全部通向显示电路或从电路引出的导线,均应接受屏蔽电缆。
屏蔽线的联接及接地点应合理。
若未通过机械框架接地,则在外接地,但屏蔽线相互联接后未接地,是浮空的。
注意:有3只传感器是全并联接法,传感器本身是4线制,但在接线盒内换成6线制接法。
传感器输出信号读出电路不应和能产生猛烈干扰的设可”控硅,接触器等)及有可观热量产生的设备放在同一箱体中,若不能保证这一点,则应考虑在它们之间设置障板隔离之,并在箱体内安置风扇。
用以测量传感器输出信号的电子线路,应尽可能配置独立的供电变压器,而不要和接触器等设备共用同一主电源。
其次就是机械安装方面1.要轻拿轻放,尤其是由合金铝制作弹性体的小容量传感器,任何冲击、跌落,对其计量性能均可能造成极大损害。
对于大容量的称重传感器,一般来说,它具有较大的自重,故而要求在搬运、安装时,尽可能使用适当的起吊设备(如手拉葫芦、电动葫芦等)。
安装传感器的底座安装面应平整、清洁,无任何油膜,胶膜等存在。
安装底座本身应有充分的强度和刚性,一般要求高于传感器本身的强度和刚度。
2.水平调整:水平调整有两个方面的内容。
一是单只传感器安装底座的安装平面要用水平仪调整水平,另一方面是指多个传感器的安装底座的安装面要尽量调整到一个水平面上(用水准仪),尤其是传感器数多于三个的称重系统中,更应注意这一点,这样做的紧要目的是为了使各传感器所承受的负荷基本一致。
传感器布置传感器布置(1)KG9001C甲烷传感器瓦斯传感器应垂直悬挂在巷道上方风流稳定的位置,距顶板(顶梁)不得大于300mm,距巷道侧壁不得小于 200mm,并应安装维护方便,不影响行人和行车。
瓦斯传感器应设置在井下工作面、掘进头、回风巷道等地方,用于连续监测井下气体中瓦斯含量,当瓦斯含量超限时,应具有声光报警功能,同时由有关设备切断相应范围的电源。
地面瓦斯抽放泵站内距房顶300mm处必须设置甲烷传感器,抽放泵输入管路中应设置甲烷传感器。
传感器的测量范围:低浓型:0.00~10%CH4,高浓型:0.00~100%CH4,高低浓型:0.00~10~100%CH4,管道型0.00~100%CH4传感器的测量误差:相对误差≤±10%×测值(相对值)响应时间:<30s报警方式:声光报警工作方式:连续使用条件:环境温度0~40℃相对温度<95%(2)GT-L(A)开停传感器设备开停传感器锁固吊挂于被测电缆上,主要通风机、局部通风机、瓦斯泵、绞车、压风机、带式输送机等设备开停传感器。
测量原理:电磁感应电源电压:9~24VDC工作电流:1/5mADC、5/-5mADC、无电位(继电器)触点、信号制时<30mADC、其它信号制时<15mADC工作方式:锁固吊挂于被测电缆上,连续工作输出信号:1/5mADC、0~5VDC、±5mADC、无电位触点显示方式:绿色灯为电源指示、红色灯指示开停(3)GML(A)风门传感器安装在井下各风门设置处,用以监测各风门的开、关状态,保证井下风路畅通。
检测灵敏度:>5cm响应时间:<1s(4)KG4003A负压传感器负压传感器安装在矿井风硐内,用以连续监测矿井风压。
测量范围:0~100KPa测量精度:0. 2KPa使用环境:0~50℃相对温度:<95%(5)KJA3一氧化碳传感器一氧化碳传感器应垂直悬挂在巷道的上方风流稳定的位置,距顶板(顶梁)不得大于300mm,距巷壁不得小于 200mm,并应安装维护方便,不影响行人和行车。
煤矿传感器安装标准简介传感器是煤矿安全监测系统中的关键组件,能够实时监测矿井环境参数,为矿工提供准确的信息,帮助保证矿井的安全运行。
煤矿传感器的安装标准是确保传感器能够正常工作并提供有效数据的重要保证。
安装位置选择煤矿传感器的安装位置选择应根据矿井的特点以及监测要求进行,一般应满足以下要求: 1. 与被监测对象的距离适宜:传感器应尽可能靠近被监测对象,以确保数据的准确性。
2. 避免物理干扰:传感器应避免被其他设备、设施或物体遮挡或干扰,以确保传感器能够正常工作。
3. 安全可靠:传感器应安装在安全可靠的位置,避免受到外界冲击或损坏。
安装高度煤矿传感器的安装高度应根据矿井的特点、监测要求以及传感器类型进行合理选择。
一般应满足以下要求: 1. 气体传感器:气体传感器应安装在离地面1.5-2米的位置,以便能够充分监测到矿井内的气体浓度,并避免受到地面气体的干扰。
2.温湿度传感器:温湿度传感器应安装在离地面1.2-1.5米的位置,避免受到地面影响,确保能够准确监测到矿井内的温湿度情况。
3. 应力传感器:应力传感器应安装在离地面1-1.2米的位置,以便能够准确监测到目标区域的应力情况。
安装方向煤矿传感器的安装方向应根据传感器的工作原理以及监测要求进行确定。
一般应满足以下要求: 1. 气体传感器:气体传感器的安装方向应使其敏感元件正对着矿井内可能产生气体的源头,以便能够准确监测到气体浓度的变化。
2. 温湿度传感器:温湿度传感器的安装方向应使其敏感元件正对着矿井内的待测对象,以便能够准确监测到矿井内的温湿度情况。
3. 应力传感器:应力传感器的安装方向应使其敏感元件与被监测物体的应力方向一致,以便能够准确监测到应力的变化。
安装固定煤矿传感器的安装固定应确保传感器能够稳固地安装在指定的位置上,并能够抵抗矿井环境的震动和振动。
一般应满足以下要求: 1. 固定方式:传感器应使用专用的安装固定装置进行固定,确保传感器稳定不动。
称重传感器布置原则
称重传感器布置原则包括:
1. 传感器位置选择:应选择在被测物体支撑点、重心位置或其附近进行布置,以确保测量的准确性和稳定性。
2. 安装固定:传感器必须牢固地安装在被测物体上,以避免在测量过程中产生位移或摆动。
3. 避免横向力:传感器布置时应尽量避免受到与称重方向垂直的横向力,以确保测量结果准确。
4. 避免振动和冲击:传感器应布置在尽量不受振动或冲击的位置,以避免这些外部因素对测量结果的影响。
5. 保持传感器和被测物体的接触良好:传感器与被测物体的接触面应保持清洁和平整,以确保传感器能够准确地传递重量信息。
6. 防止负载过量:传感器的额定负载范围应适合被测物体的负载,以避免超载导致传感器失效或损坏。
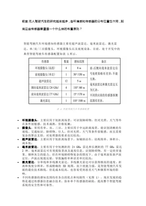
前言:无人驾驶汽车的研究越来越多,各环境感知传感器的分布位置也不同,到底这些传感器要遵循一个什么样的布置原则?智能驾驶汽车环境感知传感器主要有超声波雷达、毫米波雷达、激光雷达、单/双/三目摄像头、环视摄像头以及夜视设备。
目前,处于开发中的典型智能驾驶车传感器配置如表 1所示。
表 1 智能驾驶汽车传感器配置•环视摄像头:主要应用于短距离场景,可识别障碍物,但对光照、天气等外在条件很敏感,技术成熟,价格低廉;•摄像头:常用有单、双、三目,主要应用于中远距离场景,能识别清晰的车道线、交通标识、障碍物、行人,但对光照、天气等条件很敏感,而且需要复杂的算法支持,对处理器的要求也比较高;•超声波雷达:主要应用于短距离场景下,如辅助泊车,结构简单、体积小、成本低;•毫米波雷达:主要有用于中短测距的 24 GHz 雷达和长测距的 77 GHz 雷达2 种。
毫米波雷达可有效提取景深及速度信息,识别障碍物,有一定的穿透雾、烟和灰尘的能力,但在环境障碍物复杂的情况下,由于毫米波依靠声波定位,声波出现漫反射,导致漏检率和误差率比较高;•激光雷达:分单线和多线激光雷达,多线激光雷达可以获得极高的速度、距离和角度分辨率,形成精确的 3D 地图,抗干扰能力强,是智能驾驶汽车发展的最佳技术路线,但是成本较高,也容易受到恶劣天气和烟雾环境的影响。
•不同传感器的感知范围均有各自的优点和局限性(见图 1),现在发展的趋势是通过传感器信息融合技术,弥补单个传感器的缺陷,提高整个智能驾驶系统的安全性和可靠性。
图 1 环境感知传感器感知范围示意图全新奥迪A8配备自动驾驶系统的传感器包括-12个超声波传感器,位于前后及侧方-4个广角360度摄像头,位于前后和两侧后视镜-1个前向摄像头,位于内后视镜后方-4个中距离雷达,位于车辆的四角-1个长距离雷达,位于前方-1个红外夜视摄像头,位于前方-1个激光扫描仪Laser Scanner,位于前方传感器的布置原则无人车传感器的布置,需要考虑到覆盖范围和冗余性。
物联网传感器施工方案1. 引言物联网(Internet of Things,IoT)已经被广泛应用于各个领域,尤其是在城市智能化建设中起到了重要的作用。
而物联网传感器作为物联网的基础组成部分之一,起着收集和传输数据的重要作用。
本文将介绍物联网传感器的施工方案,包括选择合适的传感器设备、确定传感器布置位置、传感器网络架构设计等内容。
2. 选择合适的传感器设备在选择传感器设备时,需要根据具体的应用场景和需求来确定。
一般来说,常见的物联网传感器包括温度传感器、湿度传感器、光照传感器、气压传感器、加速度传感器等。
根据实际需求,可以选择合适的传感器设备进行安装和使用。
在选择传感器设备时,要考虑以下几个因素:2.1 传感器的测量范围和精度根据实际需求确定传感器的测量范围和精度,以保证传感器的测量结果符合要求。
2.2 传感器的通信方式传感器的通信方式包括有线通信和无线通信两种。
根据具体情况选择合适的通信方式。
2.3 传感器的功耗和供电方式传感器的功耗和供电方式直接影响传感器的使用寿命和维护成本。
根据实际情况选择适合的功耗和供电方式。
3. 确定传感器布置位置传感器布置位置的选择对于保证传感器的测量准确性和可靠性至关重要。
在确定传感器布置位置时,需考虑以下因素:3.1 测量目标的特点根据测量目标的特点,选择合适的布置位置。
例如,在测量温度时,应将传感器放置在目标区域的中心位置,避免受到外部干扰。
3.2 信号传输距离考虑传感器信号传输的距离限制,选择合适的布置位置,以保证传感器信号的可靠传输。
3.3 便于维护和更换选择布置位置时,考虑到传感器的维护和更换,以方便后期的维护工作。
4. 传感器网络架构设计传感器网络架构设计主要包括传感器节点的布置和网络拓扑结构的设计。
在设计传感器网络架构时,需要考虑以下几个方面:4.1 传感器节点的布置根据测量需求和布置位置确定传感器节点的数量和布局方式。
4.2 网络拓扑结构的设计根据传感器节点的布置情况,设计合适的网络拓扑结构,包括星型结构、树型结构、网状结构等。
传感器布置优化准则及模型修正方法研究传感器布置优化准则及模型修正方法研究传感器布置在许多工程和科学领域中起着至关重要的作用,对于获得准确可靠的数据具有重要的影响。
本文将探讨传感器布置优化的准则和模型修正方法,以提高传感器的测量精度和可靠性。
一、传感器布置优化准则1. 最小化测量误差:传感器布置应尽量减小测量误差,以确保获得精确的测量结果。
这可以通过将传感器布置在需要测量的目标附近,并避免潜在干扰因素的影响来实现。
2. 考虑空间分布:对于大范围的测量任务,传感器的布置应考虑目标区域的空间分布。
通过合理的布置,可以最大限度地覆盖整个目标区域,并获得全面的数据。
3. 考虑传感器之间的相互影响:传感器之间的相互作用可能会导致测量误差的增加。
传感器的布置应避免传感器之间的相互干扰,以确保获得准确的测量结果。
4. 避免冗余:在传感器布置中,应避免冗余的情况。
过多的传感器可能会增加成本,并使数据处理变得复杂。
因此,应根据需要调整传感器的数量和布置位置。
5. 考虑难以布置的环境因素:在某些特殊的环境中,传感器布置可能受到限制。
例如,恶劣的气候条件、难以到达的地点等。
在布置传感器时,应考虑这些环境因素,并根据实际情况做出相应的调整。
二、模型修正方法研究1. 校准传感器:传感器常常存在一定的系统误差和随机误差。
通过校准传感器,可以消除和修正这些误差,提高测量的精度。
传感器的校准可以通过实验测试和数学建模等方法进行。
2. 误差修正模型:根据传感器测量的误差特点和原因,可以建立相应的误差修正模型。
该模型可以根据测量数据对传感器输出进行修正,并获得更准确的测量结果。
误差修正模型可以基于统计学方法、数学建模方法等进行。
3. 数据融合技术:传感器布置优化还可以通过数据融合技术来实现。
数据融合技术可以将多个传感器的测量数据进行集成,从而提高测量的准确性和可靠性。
数据融合技术可以基于传感器性能、传感器位置等因素进行优化。
4. 传感器网络优化算法:传感器网络的布置和优化是传感器布置优化的重要方面。
监控系统的传感器选择与布置原则监控系统的传感器是保障系统正常运行和准确监测环境变化的重要组成部分。
传感器的选择和布置对监控系统的性能和可靠性有着至关重要的影响。
本文将从传感器选择和布置原则两个方面进行探讨,帮助读者更好地了解监控系统传感器的相关知识。
一、传感器选择原则1. 确定监测参数:在选择传感器之前,首先需要明确监测系统需要监测的参数是什么,比如温度、湿度、压力、光照等。
只有明确监测参数,才能有针对性地选择合适的传感器。
2. 确定测量范围:传感器的测量范围是指传感器能够准确测量的参数范围。
在选择传感器时,需要根据监测系统的实际需求确定测量范围,避免选择范围过大或过小的传感器。
3. 考虑环境条件:监控系统传感器的工作环境通常比较苛刻,可能存在高温、高湿、腐蚀等情况。
因此,在选择传感器时,需要考虑传感器的工作环境条件,选择能够适应环境的耐用传感器。
4. 考虑精度和稳定性:传感器的精度和稳定性直接影响监控系统的准确性和可靠性。
在选择传感器时,需要考虑传感器的精度和稳定性指标,选择具有较高精度和稳定性的传感器。
5. 考虑成本和性能:在选择传感器时,需要综合考虑传感器的成本和性能,选择性价比较高的传感器。
不一定选择最贵的传感器就是最好的,需要根据实际情况进行权衡。
二、传感器布置原则1. 合理布置位置:传感器的布置位置直接影响监测系统的监测效果。
在布置传感器时,需要根据监测参数的特点和监测要求,选择合适的位置进行布置,确保传感器能够准确监测到环境变化。
2. 避免干扰源:监控系统传感器的布置位置应尽量避免干扰源,如电磁干扰、光照干扰等。
避免干扰源可以提高传感器的准确性和稳定性,保障监控系统的正常运行。
3. 考虑安装高度:传感器的安装高度也是影响监测效果的重要因素。
在布置传感器时,需要考虑传感器的安装高度,选择合适的安装高度,确保传感器能够准确监测到环境参数的变化。
4. 定期维护检查:监控系统传感器的布置位置通常比较隐蔽,容易受到灰尘、湿气等影响。
传感器网络的布置与部署方案绪论随着物联网技术的发展,传感器网络逐渐成为现代社会智能化系统的重要组成部分。
传感器网络通过采集、处理和传输数据,实现了对环境和物体状态的全面感知,并可以应用于各个领域,如智能城市、环境监测、智能交通等。
为了确保传感器网络的有效运行,合理的布置和部署方案显得尤为重要。
因此,本文将探讨传感器网络的布置与部署方案。
一、需求分析在设计传感器网络的布置与部署方案之前,需要对具体需求进行分析。
根据所需监测的目标和环境特点,确定如下几个方面的需求:1. 监测目标:明确需要监测的对象和物理量,如温度、湿度、光线强度等。
2. 网络拓扑结构:根据监测目标和场景特点选择合适的网络拓扑结构,如星型、树型、网状等。
3. 通信协议:选择适合的通信协议,保证传感器节点之间的可靠通信和数据传输。
4. 能源管理:考虑传感器节点的能源限制,合理规划节点的能量消耗和续航时间。
5. 数据处理与存储:确定数据采集、处理和存储的方式,以便实时分析和后续应用。
二、布置方案根据需求分析的结果,确定传感器网络的布置方案。
以下是一些建议:1. 选取合适的传感器节点:根据监测目标选择合适的传感器节点。
不同的传感器节点对监测的物理量有不同的敏感度和测量范围,因此需要根据具体需求选择适合的传感器节点。
2. 确定传感器节点的密度:根据监测目标和场景特点,确定传感器节点的密度。
如果需要对大范围进行监测,可以选择低密度的布置,如果需要高精度的监测,则需要增加节点的密度。
3. 考虑传感器节点的能源管理:传感器节点通常由电池供电,因此需要考虑能源的消耗和续航时间。
可以采用优化算法来决定传感器节点的传输功率和传输距离,以最大程度地延长节点的续航时间。
4. 分析通信需求:根据监测目标和网络拓扑结构,确定传感器节点之间的通信需求。
可以采用无线传输协议,如ZigBee、LoRa等,来实现节点之间的远距离通信。
5. 考虑网络拓扑结构:根据具体场景选择合适的网络拓扑结构。
结构模态测试中的传感器优化布置方法研究及应用结构模态测试中的传感器优化布置方法研究及应用摘要:结构模态测试是工程领域中常用的一种手段,用于研究和评估结构的固有特性。
而在结构模态测试过程中,传感器布置的合理性对于测试结果的准确度和可靠性起到至关重要的作用。
因此,本研究针对结构模态测试中的传感器优化布置方法进行研究,并进行应用实例分析。
一、引言结构模态测试是一种通过振动测量手段研究结构固有特性的方法。
传感器布置的合理性对于测试结果的准确度和可靠性具有决定性影响。
因此,传感器优化布置方法的研究对于提高结构模态测试的效果具有重要意义。
二、传感器布置的原则与目标在进行结构模态测试中,传感器的布置需要遵循以下原则和目标:1. 全面性原则:传感器的布置应能够充分覆盖结构的重要区域,以确保测试结果的全面性和代表性。
2. 均衡性原则:传感器的布置应均匀分布在结构的不同区域,以使得测试结果在空间上具有较好的均衡性。
3. 敏感性原则:传感器的布置应考虑到结构的近场和远场区域,以提高测试结果的敏感性和分辨率。
4. 目标:通过传感器布置的优化,得到清晰,并具有合理经济解释的测试结果,以满足该测试的目标。
三、传感器布置方法的研究与优化传感器布置方法的研究与优化主要从以下两个方面入手:1. 基于经验的布置方法基于经验的布置方法是通过对结构特性的理论分析和经验总结,得出一定规则和经验公式。
根据这些规则和公式,可以进行传感器的布置。
(1)基于力振反馈法布置传感器:根据结构在不同频率下的受力和振动情况,选择合适的位置布置传感器,以获取结构的模态参数。
(2)基于随机分析法布置传感器:通过对不同位置的随机振动响应进行分析,选择具有较高信号幅值的位置,以布置传感器。
2. 基于数值优化的布置方法基于数值优化的布置方法是利用数字计算方法进行传感器布置的优化。
通过数值模拟分析和优化算法,选择最佳的传感器布置方案。
(1)有限元模拟和优化算法:通过有限元模拟分析结构的模态特性,结合优化算法进行传感器布置的优化。
传感器网络的布置与优化设计指南传感器网络是一种由大量分散式传感器节点组成的网络,用于收集、处理和传输环境中的数据。
传感器网络在各个领域都有广泛的应用,包括环境监测、智能交通系统、医疗保健等。
在设计传感器网络时,布置和优化是两个关键问题,本文将介绍传感器网络的布置原则和优化设计指南。
首先,传感器网络的布置需要考虑以下几个原则:1. 节点密度均匀分布:在传感器网络的布置中,节点的密度应该均匀分布,以确保覆盖区域内的数据采集均匀性。
过高或过低的节点密度都会影响网络性能。
2. 考虑能源消耗:传感器节点通常是由电池供电,因此在布置传感器节点时,需要考虑节点能源的消耗。
节点之间的距离过大会增加能量消耗,而节点之间的距离过小又会增加信号干扰,因此需要在节点之间找到合适的平衡点。
3. 覆盖率和连接性:传感器网络的布置需要考虑覆盖区域内的传感器节点的数目和连接性。
覆盖率是指网络中的传感器节点能够覆盖到目标区域的程度,而连接性是指网络中传感器节点之间的连接情况。
基于以上原则,下面是一些优化设计的指南:1. 动态部署算法:为了满足节点密度均匀分布的原则,可以使用动态部署算法来选择节点的位置。
这种算法可以根据目标区域的变化和节点能量的消耗情况,动态地选择最佳的节点位置。
2. 节点通信的路径优化:在传感器网络中,节点之间的通信路径直接影响网络的性能。
通过优化节点之间的通信路径,可以减少能量消耗、提高数据传输速度和可靠性。
一种常见的优化方法是使用最短路径算法选择节点之间的通信路径。
3. 节点能量管理:为了延长传感器网络的寿命,需要对节点的能量进行有效管理。
可以通过能量平衡和能量节约的策略来实现节点能量的有效管理。
例如,可以选择节点之间的距离尽量相等,或使用分簇算法来实现能量平衡。
4. 多路径传输:为了提高网络的可靠性和容错性,可以使用多路径传输技术。
多路径传输可以通过使用多条路径来同时传输数据,从而在某些节点发生故障时,仍然可以保证数据的传输。
传感器施工方案传感器施工方案一、施工前的准备1. 确定传感器类型和数量,根据实际需要选择合适的传感器型号和规格。
2. 进行现场勘测,确定传感器的安装位置和布置方式,确保安装位置与实际需求相符。
3. 确定传感器的接线方式,保证传感器与控制系统的连接正确可靠。
二、传感器的安装1. 根据所选传感器型号和规格,制定安装方案,包括安装位置、固定方式等。
2. 在安装位置上进行标注,以方便施工人员进行定位。
3. 安装传感器时,需保证传感器与被检测物体之间的间距合适,确保可以正常工作。
4. 采用适当的固定方式,如螺丝固定、磁吸等,保证传感器的稳定性和可靠性。
三、传感器的接线1. 根据传感器的接线要求,选择合适的电缆进行接线。
2. 进行电缆的引线和接线工作,确保接线正确、牢固、接触良好。
3. 对接好的接线进行绝缘处理,以防止接线出现松动或短路等问题。
四、传感器的调试和测试1. 完成传感器的安装和接线后,进行系统的调试和测试。
2. 配置控制系统参数,确保传感器与控制系统的连接正确。
3. 对安装的传感器进行功能测试,检查传感器工作是否正常、稳定。
五、施工后的检查和保养1. 对安装的传感器进行外观检查,确保传感器没有损坏和变形。
2. 定期对传感器进行保养,包括清洁传感器表面、检查传感器的连接情况等。
3. 定期对传感器进行功能检测,确保传感器正常工作。
通过上述施工方案,能够确保传感器的正确安装和可靠运行。
同时,施工方案还需要根据具体情况进行调整和完善,以满足实际需求和要求。
在施工过程中,还需要注意施工人员的安全和施工质量的控制,确保传感器的安装质量和工作性能。
机泵系统传感器的布置和安装要点机泵系统传感器的布置和安装对于系统的正常运行和设备的安全性至关重要。
本文将就机泵系统传感器的选择、布置和安装要点进行详细阐述,以确保读者在实际应用中能够正确操作。
一、传感器选择要点在选择机泵系统传感器时,应根据具体的应用场景和系统要求来确定合适的类型和规格。
以下是一些选择要点:1. 确定传感器类型:根据需要监测的参数,如压力、流量、温度等,在市场上选择相应类型的传感器。
2. 考虑环境条件:不同的环境条件会对传感器性能和寿命产生影响,如温度、湿度、压力等。
在选择传感器时,要充分考虑环境条件并选择符合要求的型号。
3. 规格匹配:传感器的规格应与机泵系统的参数相匹配,如测量范围、精度等。
选择不合适的规格可能会导致测量偏差或不准确。
二、传感器布置要点在机泵系统中,传感器的布置位置和方向会直接影响到传感器的测量准确度和实际效果。
以下是一些布置要点:1. 尽量靠近被测参数:为了获得更准确的测量结果,传感器应尽量放置在距离被测参数最近的位置,减少管道的干扰和压降。
2. 避免波动和震动:传感器布置应尽量避免波动和震动的影响,以免对测量造成干扰。
例如,在安装压力传感器时,可使用缓冲装置或减震装置来降低波动和震动的干扰。
3. 考虑安装空间:在选择传感器布置位置时,还需充分考虑安装空间,确保传感器能够正常安装和维护。
三、传感器安装要点正确的传感器安装是保证机泵系统正常运行和测量准确的关键。
以下是一些安装要点:1. 固定稳固:传感器安装时应确保其稳固固定,避免松动或摇晃。
可以使用螺栓、支架等固定装置来加固传感器。
2. 密封防护:根据实际环境要求,传感器需要进行密封和防护。
例如,对于液体测量的传感器,应该使用密封件进行防水处理。
3. 连接可靠:传感器与测量系统之间的连接要可靠,减少信号干扰和断开的风险。
应选择合适的连接方式,如螺纹连接、插头连接等。
总结:机泵系统传感器的布置和安装要点对于系统的正常运行和设备的安全性至关重要。
环境监测中的传感器选择与布置原则随着人们对环境保护意识的增强,环境监测变得越来越重要。
环境监测是指通过对环境参数的实时监测和分析,评估环境质量,提供决策支持和预警信息,从而实现对环境的保护和管理。
而在环境监测中,传感器的选择与布置非常关键。
传感器是环境监测的关键技术之一,通过采集环境各种参数的数据,如温度、湿度、气体成分、噪音等,来评估环境的质量和变化趋势。
传感器的选择需要根据实际监测需求和环境特点进行合理的考虑。
首先,传感器的选择应当与监测目的相匹配。
不同的监测目的对传感器的要求不同,所以在选择传感器时需要明确监测的目标和参数。
例如,如果监测大气中的污染物含量,就需要选择能准确测量空气中各种污染物的传感器,如气体传感器、颗粒物传感器等。
而如果监测土壤中的污染物含量,就需要选择适合于土壤环境的传感器,如土壤采样传感器、土壤湿度传感器等。
其次,传感器的选择应当考虑监测的范围和准确性。
监测的范围是指传感器能够覆盖的空间范围,准确性是指传感器能够测量的数据与真实值之间的误差。
在选择传感器时,需要考虑监测的范围是否满足要求,以及传感器的准确性是否能够满足监测的精度要求。
通常情况下,传感器的监测范围越广,准确性越高,传感器的价格也越高。
此外,传感器的选择还应当考虑其灵敏度和稳定性。
灵敏度是指传感器对环境参数变化的响应能力,稳定性是指传感器测量结果的稳定性和一致性。
在环境监测中,由于环境参数具有一定的变化范围和周期性变化,所以需要选择具有较高灵敏度和良好稳定性的传感器。
而传感器的布置也是环境监测中的重要环节,合理的布置可以保证监测数据的准确性和可靠性。
在传感器的布置原则上,需要考虑以下几个方面。
首先,传感器的布置位置应当能够较好地代表监测区域的整体情况,避免受到局部影响和干扰。
例如,如果监测大气中的污染物,传感器应当避免被高楼、树木等遮挡,以免影响到传感器的测量结果。
而如果监测土壤中的污染物,传感器则需要埋入到较深的土层中,以避免受到表层土壤的影响。
传感器管理规定一、总则为了加强对企业内传感器的管理,保证传感器的正常运行和使用,规范传感器的配置、安装、维护和管理流程,提高企业的运行效率和安全性,特订立本传感器管理规定。
二、适用范围本规定适用于企业内全部传感器的管理工作。
三、管理标准1. 传感器配置和采购1.1. 传感器需依据实际需要进行配置和采购,需提前编制采购计划,明确需求和需求量。
1.2. 传感器采购应依照公司采购流程进行,由采购部门负责与供应商进行洽谈、供应商评估和合同签订。
1.3. 传感器的型号、规格和功能需充足实际需求,并符合国家标准或行业标准。
2. 传感器安装和布置2.1. 传感器安装前,需订立安装方案,明确安装位置、安装要求和安装人员。
2.2. 传感器安装应严格依照安装方案进行,确保安装位置精准、固定牢靠。
2.3. 传感器的布置需考虑到传感器的功能和传感范围,合理分布在被监测的区域内。
3. 传感器维护和保养3.1. 传感器应定期进行维护和保养,维护计划应提前订立,并明确维护人员和维护内容。
3.2. 传感器维护包括检查传感器的状态和功能,清洁传感器的表面和接口,修复或更换受损的部件。
3.3. 传感器的保养工作要求细致、认真,确保传感器的运行牢靠和精度精准。
4. 传感器使用和保管4.1. 传感器的使用必需符合使用手册或操作指引,不能超出传感器的使用范围和要求。
4.2. 传感器使用人员要进行培训,了解传感器的基本原理、操作方法和注意事项。
4.3. 传感器使用后应妥当保管,存放在干燥、通风的地方,避开受潮、受热或受损。
5. 传感器报废处理5.1. 经过评估后,发觉传感器无法修复或性能明显下降时,应适时报废。
5.2. 报废的传感器需填写报废单,记录传感器的基本信息、报废原因和处理方式,并进行彻底销毁。
5.3. 对于因日常使用问题或人为损坏导致的传感器报废,需追究责任人的责任,做出相应的处理。
四、考核标准1. 传感器配置和采购考核1.1. 采购计划是否依照需求量和质量要求订立? 1.2. 采购流程是否规范,合同是否签订? 1.3. 采购的传感器是否充足实际需求和标准要求?2. 传感器安装和布置考核2.1. 安装方案是否按要求订立,安装位置是否精准? 2.2. 安装过程是否依照方案进行,是否固定牢靠? 2.3. 传感器的布置是否合理、覆盖范围是否充足需求?3. 传感器维护和保养考核3.1. 维护计划是否按时订立? 3.2. 维护内容是否精准、完整? 3.3. 维护工作是否认真、细致,是否能保证传感器的牢靠性和精准性?4. 传感器使用和保管考核4.1. 使用是否符合手册和操作指引? 4.2. 是否经过培训,是否谙习操作要点?4.3. 传感器的存放是否符合要求?5. 传感器报废处理考核5.1. 报废是否适时,是否经过评估? 5.2. 报废单是否填写完整、精准? 5.3. 对于人为损坏导致的报废是否追究责任?以上考核标准将作为传感器管理的紧要依据,通过定期检查、考核和评估,可以适时发觉问题,矫正不足,提高传感器管理的水平和效率。