基坑降水计算(恒大)
- 格式:xls
- 大小:144.00 KB
- 文档页数:1
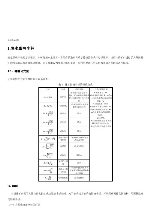
基坑降水计算1.降水影响半径确定影响半径的方法很多,在矿坑涌水量计算中常用库萨金和吉哈尔特经验公式作近似计算。
当设计的矿山进行了大降深群孔抽水试验或坑道放水试验时,为了推求较为准确的影响半径,可利用观测孔网资料为基础的图解法进行推求。
1.1、经验公式法计算影响半径的主要经验公式见表1。
表1 计算影响半径的经验公式公式作者应用条件公式中符号说明库萨金计算潜水含水层群井、基坑、矿山巷道的影响半径,有时也用于承压含水层R-影响半径,m;O-抽水时的涌水量,m3/d;H-承压水和潜水含水层的厚度,m;K-渗透系数,m/d;h-抽水时的水柱高度,m;S-抽水时的水位降深,m;ω-单位面积内的渗透量,m3/h;μ-给水度;t-由开始抽水至稳定下降漏斗形成的时间,h;l-自然条件下的水力坡度吉哈尔特潜水及承压水抽水初期确定影响半径库萨金潜水舒尔米潜水维别尔潜水苏洛夫和卡赞斯基计算泄水沟和排水渠的影响半径柯泽尼潜水完整井维别尔承压水别里托夫斯基潜水苏洛夫卡赞与斯基根据渗透值确定单孔或单井长期抽水影响半径引用值特罗扬斯基潜水完整井1.2、图解法当设计矿山做了大降深群孔抽水或坑道放水试验时,为了推求较为准确的影响半径,可利用观测孔实测资料,用图解法确定影响半径。
(一)自然数直角座标图解法在直角座标上,将抽水孔与分布在同一直线上的各观测孔的同一时刻所测得的水位连结起来,尚曲线趋势延长,与抽水前的静止水位线相交,该交点至抽水孔的距离即为影响半径(见图1)。
观测孔较多时,用图解法确定的影响半径较为准确。
(二)半对数座标图解法在横座标用对数表示观测孔至抽水孔的距离,纵座标用自然数表示抽水主孔及观测孔水位降深的直角座标系中,将抽水主孔的稳定水位降深及同时刻的观测孔水位降低标绘在相应位置,连结这两点并延长与横座标的交点即为影响半径(见图2)。
当有两个或两个以上观测孔时,以观测孔稳定水位降深绘图更准些。
1.3、影响半径经验数值根据岩层性质、颗粒粒径及单位涌水量与影响半径的关系来确定影响半径,见表2与表3。
基坑降水方案设计总说明一、工程概况1、本工程常州恒大翡翠华庭基坑支护工程为地下2层。
2、本基坑周边环境复杂,综合场地的工程地质、水文地质条件及周边环境的保护要求,以‘安全可靠,经济合理,技术可行,方便施工’为原则,确定本工程基坑支护子分部工程的支护结构方案为:南侧上部放坡土钉墙支护,下部采用SMW工法加两道拉锚支护形式,其余处采用SMW工法加三道拉锚支护形式,阳角处采用CMW支护形式,采用高强管桩,冠梁顶标高为设计标高+1.00米。
主楼四周采用放坡挂网喷浆支护形式。
本工程基坑支护子分部工程开挖底标高-4.15(主楼-4.5)米。
3、本工程的设计与控制等级(1)结构的设计使用年限为<2年。
(2)根据本基坑的开挖深度及周边环境要求确定本基坑工程的侧壁安全等级为二级。
二、设计依据1、GB50007-2002《建筑地基基础设计规范》2、GB50027-2001《供水水文地质勘察规范》3、DBJ08-61-97《基坑工程设计规程》4、DGJ08-37-2002《岩土工程勘察规范》5、JGJ120-99《建筑基坑支护技术规程》6、JGJ/T111-98《建筑与市政降水工程技术规范》7、GB50296-99《供水管井技术规范》8、GJ120-99《建筑基坑支护技术规程》9、GB50300-2001《建筑工程施工质量验收统一标准》10、DG/TJ08-236-2006《市政地下工程施工质量验收规范》11、CJJ/T76-1998《城市地下水动态观测规程》12、《供水水文地质手册》13、《基坑降水手册》,中国建筑工业出版社,2006.0414、《基坑工程手册》,中国建筑工业出版社,2009.1115、勘察设计相关文件及其它现行国家、当地、行业有关设计规法与规程。
16、本工程地质报告及相关围护资料。
三、工程地质与水文地质条件1、地形、地貌拟建场地地貌上属长江下游冲积平原,位于常州市武进区长虹北路以南,降子南路以东。
深基坑工程降水沉降分析计算1. 引言1.1 深基坑工程降水沉降分析计算概述深基坑工程是指在城市中心或繁华商业区建设的高度超过一定数值的基坑,通常用于建造高层建筑或地下商业空间。
由于基坑深度较大,土层承受的压力也会增加,因此在施工过程中需要考虑降水沉降分析计算。
降水是指由于人工挖土、降雨等原因导致基坑内水位升高的情况,如果不及时排水处理,可能会导致基坑失稳甚至发生塌陷。
降水量的计算与分析对于深基坑工程至关重要。
除了降水量,还需要考虑降水对工程的影响,包括地基土壤的稳定性、土壤压力分布等方面。
地下水位的变化也会影响沉降情况。
当地下水位下降时,可能导致土层产生松动而引起沉降,而地下水位上升则可能导致土层变得密实而减缓沉降速度。
在进行沉降计算时,需要考虑地下水位变化对沉降的影响。
为了准确地进行深基坑工程降水沉降分析计算,需要建立相应的计算方法与模型。
通过实例分析不同工程条件下的降水沉降情况,可以验证计算方法的准确性,为实际工程建设提供参考依据。
深基坑工程降水沉降分析计算是一个综合性的工程问题,需要系统地分析各种因素的影响,以确保工程的安全与稳定。
2. 正文2.1 降水量计算与分析降水量的计算与分析在深基坑工程中起着至关重要的作用。
深基坑工程施工过程中,需要考虑地下水的影响,尤其是降水对工程的影响。
降水量的计算是确定降水对工程的影响程度的关键步骤。
降水量计算通常基于降水量的统计数据和气象学原理进行。
常用的降水量计算方法包括传统统计方法、数值预报方法和概率预测方法。
传统统计方法主要基于历史气象数据和统计分析,通过对历史降水量数据的分析来推测未来降水量。
数值预报方法则是基于数值模型进行降水量预测,利用大气环流动力学原理推算未来一段时间内的降水量。
概率预测方法则是将降水量视为一个随机过程,通过概率统计分析来推测未来降水量的可能范围。
在深基坑工程中,降水量的计算与分析需要考虑多种因素,如地形地貌、气象条件、工程施工方式等。
基坑降水计算1.降水影响半径确定影响半径的方法很多,在矿坑涌水量计算中常用库萨金和吉哈尔特经验公式作近似计算。
当设计的矿山进行了大降深群孔抽水试验或坑道放水试验时,为了推求较为准确的影响半径,可利用观测孔网资料为基础的图解法进行推求。
1.1、经验公式法计算影响半径的主要经验公式见表1。
表1 计算影响半径的经验公式1.2、图解法当设计矿山做了大降深群孔抽水或坑道放水试验时,为了推求较为准确的影响半径,可利用观测孔实测资料,用图解法确定影响半径。
(一)自然数直角座标图解法在直角座标上,将抽水孔与分布在同一直线上的各观测孔的同一时刻所测得的水位连结起来,尚曲线趋势延长,与抽水前的静止水位线相交,该交点至抽水孔的距离即为影响半径(见图1)。
观测孔较多时,用图解法确定的影响半径较为准确。
(二)半对数座标图解法在横座标用对数表示观测孔至抽水孔的距离,纵座标用自然数表示抽水主孔及观测孔水位降深的直角座标系中,将抽水主孔的稳定水位降深及同时刻的观测孔水位降低标绘在相应位置,连结这两点并延长与横座标的交点即为影响半径(见图2)。
当有两个或两个以上观测孔时,以观测孔稳定水位降深绘图更准些。
1.3、影响半径经验数值根据岩层性质、颗粒粒径及单位涌水量与影响半径的关系来确定影响半径,见表2与表3。
表2 松散岩土影响半径(R)经验数值表3 单位涌水量与影响半径关系2 计算模型及公式2.1.潜水完整井计算模型()⎪⎭⎫ ⎝⎛+-=01log 2366.1r R S S H kQ …………………………………………公式1式中:Q 基坑涌水量(m 3/d );k :渗透系数(m/d ); H :潜水含水层厚度(m ): S :基坑水位降深(m ); R :降水影响半径(m ); r 0:基坑等效半径(m )。
2.2.承压水完整井计算模型⎪⎪⎭⎫⎝⎛+=01lg 73.2r R MS kQ式中:Q :K R :r 0:基坑(m );M :承压含水层厚度(m )2.3.承压水非完整井计算模型⎪⎪⎭⎫⎝⎛+-+⎪⎪⎭⎫ ⎝⎛+=002.01lg 1lg 73.2r M l l M r R MSkQ ……………………………公式式中:Q :基坑涌水量(m 3/d );K :渗透系数(m/d ); R :降水影响半径(m ); r 0:基坑等效半径(m ); M :承压含水层厚度(m ); S :基坑水位降深(m );l :基坑降水井过滤器工作部分长度(m )2.4.承压—潜水完整井计算模型()⎪⎪⎭⎫⎝⎛+--=021lg 2366.1r R h M M H k Q 式中:Q :基坑涌水量(m 3/d );K :渗透系数(m/d ); R :降水影响半径(m ); r 0:基坑等效半径(m ); M :承压含水层厚度(m );h2.5.线形工程潜水完整井计算模型R h H kL Q 22-=…………………………………………………公式5()222h H Rxh y -+=……………………………………………公式6 ()dR r d SS H k q w 2ln 2πππ+-=…………………………………………………公式7双直线井排,条件同上,适用条件:①均质潜水含水层; ②完整井点; ③位于无界含水层中; ④直线井点排,两侧进水; ⑤L>50m 。
基坑降水计算1.降水影响半径确定影响半径的方法很多,在矿坑涌水量计算中常用库萨金和吉哈尔特经验公式作近似计算。
当设计的矿山进行了大降深群孔抽水试验或坑道放水试验时,为了推求较为准确的影响半径,可利用观测孔网资料为基础的图解法进行推求。
1.1、经验公式法计算影响半径的主要经验公式见表1。
表1 计算影响半径的经验公式1.2、图解法当设计矿山做了大降深群孔抽水或坑道放水试验时,为了推求较为准确的影响半径,可利用观测孔实测资料,用图解法确定影响半径。
(一)自然数直角座标图解法在直角座标上,将抽水孔与分布在同一直线上的各观测孔的同一时刻所测得的水位连结起来,尚曲线趋势延长,与抽水前的静止水位线相交,该交点至抽水孔的距离即为影响半径(见图1)。
观测孔较多时,用图解法确定的影响半径较为准确。
(二)半对数座标图解法在横座标用对数表示观测孔至抽水孔的距离,纵座标用自然数表示抽水主孔及观测孔水位降深的直角座标系中,将抽水主孔的稳定水位降深及同时刻的观测孔水位降低标绘在相应位置,连结这两点并延长与横座标的交点即为影响半径(见图2)。
当有两个或两个以上观测孔时,以观测孔稳定水位降深绘图更准些。
1.3、影响半径经验数值根据岩层性质、颗粒粒径及单位涌水量与影响半径的关系来确定影响半径,见表2与表3。
表2 松散岩土影响半径(R)经验数值表3 单位涌水量与影响半径关系2 计算模型及公式2.1.潜水完整井计算模型()⎪⎭⎫ ⎝⎛+-=01log 2366.1r R S S H kQ …………………………………………公式1式中:Q 基坑涌水量(m 3/d );k :渗透系数(m/d ); H :潜水含水层厚度(m ): S :基坑水位降深(m ); R :降水影响半径(m ); r 0:基坑等效半径(m )。
2.2.承压水完整井计算模型⎪⎪⎭⎫⎝⎛+=01lg 73.2r R MS kQ式中:Q :K R :r 0:基坑(m );M :承压含水层厚度(m )2.3.承压水非完整井计算模型⎪⎪⎭⎫ ⎝⎛+-+⎪⎪⎭⎫ ⎝⎛+=002.01lg 1lg 73.2r M l l M r R MSkQ ……………………………公式式中:Q :基坑涌水量(m 3/d );K :渗透系数(m/d ); R :降水影响半径(m ); r 0:基坑等效半径(m ); M :承压含水层厚度(m ); S :基坑水位降深(m );l :基坑降水井过滤器工作部分长度(m )2.4.承压—潜水完整井计算模型()⎪⎪⎭⎫⎝⎛+--=021lg 2366.1r R h M M H kQ 式中:Q :基坑涌水量(m 3/d );K :渗透系数(m/d ); R :降水影响半径(m ); r 0:基坑等效半径(m ); M :承压含水层厚度(m );h2.5.线形工程潜水完整井计算模型Rh H kL Q 22-=…………………………………………………公式5()222h H Rx h y -+=……………………………………………公式6 ()dR r d SS H k q w 2ln 2πππ+-=…………………………………………………公式7双直线井排,条件同上,适用条件:①均质潜水含水层; ②完整井点; ③位于无界含水层中; ④直线井点排,两侧进水; ⑤L>50m 。
(二)基坑降水计算根据本工程《岩土工程勘察报告》可知,因场地水位较浅,旱季施工,涌水量不大,在基坑施工时降水措施可采取坑内挖沟设降水井明排方式进行基坑排水。
井深从基坑底标高向下2.0米。
井内径0.9米。
在师大世博学院和祭天山两侧水量较大,在这两侧各设5个和4个降水井。
基坑底四周设300×300排水盲沟,连接降水井进行降排水。
其它两侧降水井按间距25~30设置一口,可满足基坑降水要求。
地下水位降至基底下1m.采用14台管径为¢70的污水水泵进行抽排至沉淀池,沉淀处理后,由14台管径为¢70清水水泵抽排至市政雨水管网或河道。
降水Q计算:Q=5井×12m3井*小时×24小时+9井×12m3/井*小时×16小时=3168m3排水量Q计算:污水水泵(清水水泵):Q1=5台×12m3/台*小时×24小时+9台×12m3/台*小时×16小时=3168m3六、施工组织管理1、施工管理目标(1)质量目标:优良。
(2)工期目标:工期30天。
确保在30天内完成基坑支护、降水、挖土外运工作,其余项目确保在业主规定的时间内完成。
(3)安全目标:创“无事故工程”。
2、项目施工组织机构设置(1)我公司把本工程列为重点项目工程,在全公司范围内抽调年富力强、管理水平高、具有丰富施工经验的人员组成本工程项目经理部,严格按项目法组织施工。
(2)成立云南长机房地产开发有限公司都市名典苑工程基坑开挖及支护施工项目经理部。
推行项目法施工,减少管理层次,提高办事效率,项目部对本工程的施工全权负责。
(3)施工现场项目经理受公司法定代表人的委托,组成项目经理部,负责工程的全面实施。
项目经理部设置项目经理1人;项目副经理1人;项目技术负责人1人;工长6人;质量检查员1人;安全检查员1人;内页技术员1人;测量员2人;试验、计量员2人;机务员2人;材料员2人;项目经理部实行矩阵式的施工管理体系,全面履行施工承包合同。
深基坑工程降水沉降分析计算深基坑工程是指在城市建设或者地铁、地下车库等地下工程中,需要对地下进行大幅度开挖的工程。
由于其特殊性质,深基坑工程中会出现降水和沉降的问题。
降水是指地下水位因为开挖动土而发生变化,需要进行排水处理;而沉降则是指土壤在开挖后会出现的变形和沉降现象,需要进行沉降分析计算来预测并控制。
本文将针对深基坑工程中的降水和沉降问题展开分析,通过计算和分析,探讨深基坑工程中降水和沉降的分析计算方法,以期能为相关工程提供科学的支持和指导。
1.1 地下水文地质调查在进行深基坑工程降水分析计算之前,首先需要对工程所在地进行地下水文地质调查。
这项工作的主要目的是了解工程所在地的地下水情况,包括地下水位、水质、水情及水文地质等情况。
通过地下水文地质调查,可以为后续的降水分析计算提供重要的依据和数据支持,为工程设计提供科学依据。
1.2 降水计算在初步了解了地下水情况后,接下来是进行降水计算。
降水计算的目的是根据工程的具体情况,对降水量、降水速率等参数进行估算和计算,从而确定降水处理的措施和方法。
一般情况下,降水计算需要考虑以下几个方面的因素:首先是地下水位的变化情况,其次是开挖的深度和范围,再次是周边环境的影响等因素。
通过综合考虑这些因素,可以确定出合理的降水计算参数,为工程降水处理提供科学的依据。
1.3 降水处理措施通过降水计算,可以确定出合理的降水处理措施。
降水处理措施一般包括抽水、分层排水、加固处理等方法。
在具体的工程中,需要根据实际情况选择合适的降水处理措施,并进行具体的设计和施工。
二、深基坑工程沉降分析计算2.1 土壤力学参数测试进行深基坑工程沉降分析计算之前,首先需要对工程所在地的土壤力学参数进行测试。
土壤力学参数是进行沉降分析计算的基础,包括土壤的密度、孔隙比、固结指数等参数。
通过土壤力学参数测试,可以为后续的沉降分析计算提供准确的数据支持。
2.2 沉降计算模型建立在对土壤力学参数进行测试后,接下来是建立沉降计算模型。
.基坑降水设计方案4.2.1、降水工程分析本工程降水面积约5000m2,降水设计时基坑深度按7m考虑。
根据本工程水文地质条件,基坑开挖深度范围内的地下水主要为潜水。
主要赋存于第4层细砂层中,水位埋深0、22~0.550m(水位标高2.08m)。
4.2.2、降水方案选择根据本场区水文地质、工程地质情况,本工程降水采用深井围降的方法。
在基坑外围布置围降抽水管井,用以疏干和降低地下水水位。
由于含水层的变化,加上抽降周期短的原因,地下水不会完全疏干,基坑开挖后,初期局部地段坑壁仍会有少量地下水渗入基坑内,须在基坑边坡的含水层渗水部位做暗埋导水管,坑底坡脚设排水沟,将残留渗水引至集水坑,再以水泵抽排至坑外。
降水工程设计A、基坑降水的目的及设计依据a、确保基坑土方的顺利开挖;b、确保基坑边坡的稳定与安全;c、确保基础施工时干槽作业;d、预防管涌、突水等影响地基稳定性的地质灾害;e、维持降水,预防地下水水位上升,引起基础上浮;f、控制地下水,减少因降水对周围环境带来的危害;B、计算模型及水文地质参数选择a、计算模型选择基坑涌水量计算模型可为潜水完整井基坑远离隔水边界模型。
b、水文地质参数选择根据地质勘察报告,并考虑几年来本场区地下水变化及地下水水位的季节性变化,综合确定本场区的水文地质参数。
C、计算过程1)基坑等效半径r0式中:r0—不规则基坑圆形概化后的等效半径(m);A—基坑面积(m2);计算得,r0=84.7m;2)降水影响半径R潜水含水层式中:R—降水影响半径(m);S—降水井外壁处的水位降深(m)(S=6m);k—含水层的渗透系数;H—含水层厚度(m)(H=6m);计算得:R=20.78m;3)基坑涌水量Q、涌水量按下式计算:式中 Q——基坑涌水量;k——渗透系数;H——潜水含水层厚度;S——基坑水位降深;R——降水影响半径;r0——基坑等效半径。
均质含水层潜水完整井基坑涌水量可按下列规定计算。
涌水量计算可得1.52立方/小时4)排水量:根据潜水泵说明书,本潜水泵功率为4千瓦/小时,每小时排水量为65立方/小时。
基坑降水计算
在进行基坑降水计算时,首先需要对基坑周边的地下水位进行测量。
可以通过钻孔和水位计等仪器进行测量,得到基坑周边地下水位的数据。
然后需要对地下水位进行分析,确定降水的方式和降水的量。
在恒大集团的建设工程中,常用的降水方式有抽水和排水两种。
抽水是利用水泵将基坑内的水抽出,排入附近的河流或排水管道中。
排水则是通过地下排水系统将基坑内的水排出。
选择合适的降水方式需要考虑到基坑周边地下水位的高低、基坑的深度和工期等因素。
基坑降水量的计算可以通过以下公式进行:
Q=A*i*1000
其中,Q为降水量,单位为立方米/小时;A为基坑的面积,单位为平方米;i为基坑地下水位的降幅,单位为米。
公式中的系数1000是用于将单位从毫米转换为立方米。
在计算基坑降水量时,还需要考虑降水时间和降水的变化规律。
一般来说,降水量会随着时间的推移而逐渐减少,因此需要根据地下水位的变化情况,合理地确定降水的时间和降水量。
在恒大集团的建设工程中,基坑降水计算是必不可少的一项工作。
通过合理地计算基坑降水量和降水时间,可以有效地控制基坑的水位,保证基坑围护结构的安全。
同时,也可以减少施工周期和成本,提高施工效率和质量。
总之,基坑降水计算是恒大集团建设工程中的一项重要工作,通过对地下水位进行测量和分析,合理地选择降水方式和计算降水量,可以保证
基坑施工的安全和顺利进行。
这对于恒大集团的建设工程来说具有重要意义。
1.参数定义
Q——基坑涌水量(m 3);Sd——基坑地下水位设计降深(m);
k——渗透系数(m/d);R——降水影响半径(m);H——潜水含水层厚度(m);γ。
——基坑等效半径(m);n——降水井数量(nr);q——管井的出水量(m 3/d);
A——基坑的面积(m2);l——过滤器进水部分长度(m);
γs——过滤器半径(m);
2.参数取值
S1=19900 S3=11400
S1=746 S3=460
A=S1+S331300L=1206Sd(Sw)=9加权k= 1.728H=
30
l=
7
3.涌水量计算
基坑等效半径
γ。
=
=99.81532752
(JGJ 120-2012 附录E.0.1)响半径
R=2Sw =
129.6(JGJ 120-2012 7.3.11-1)基坑总涌水量Q =
2994.140511
(JGJ 120-2012 附录E.0.1)
4.管井的出水量计算
过滤器半径γs =0.012管井的出水量 q =
37.98074752
(JGJ 120-2012 7.3.16)
5.降水井数量计算
设计所需的降水井数量n =
86.71642283
(JGJ 120-2012 7.3.15)
取整数后井数:
88
6.平面布置井间距计算
设计所需的降水井井间距 =
13.74885068
L——基坑周长
澘水完整井基坑
kH
A。
创作:需侑东方二期水方案四旳屮犊建就工程韦限公司二0 一一耳JL 月需備东方二和墓沆冷水方案审秋:审枷編制:四旳屮槽建裟工程彳限公司二0 •***耳止尺1工程梃况2励池工報地质冬件3律水叔针4碎水井施工5施工他個6质量、安舍保证措魁7碎水備护措施8工作量9粋水#年而^1®10沉碎现厨直11#探修构®12碎水管遣怖置❺13淤涉他修构囹1工程枇况:叙建扬场地儘孑啟都市咸华区府请跆£氏符。
场地周边£邻迫电&科枝女喙£浣當舍国、北侧邻迫电&科枝女修附小,南侧岛己建道曙府韦跆£七街,血侧签规刻待建道略。
2協地工程地庚冬件叙建场地属啟都年原咳汪水系U級阶地。
地形年担。
畅地范国內地层空宴由第四系全新疣衣换土,素械土、构质桔土、將土、屮砂、即雇钮啟。
场地地下水签惟藏于砂卵石申的孔隙徃潜水,河水及丈花強水签其殳要补洽来嫌。
根倨玄土工程勒塞报告及啟都市悻水發验,徐工程适金井支悻水。
冷工程會水层俟逵系毅取20.00来/夭,地下稱止水儘悝深按4.50来考虑。
3碎水報针3.1.1祓针像据《建媒号市政阶水工程技求规范》fJGJ/Tl 11-98;《供水管屛按求规范》(GB 50296-99)《建媒衷坑工程技求规范》(JGJ 120-99)《“府韦惠国"玄土工程曲察报告》《“府韦惠©”总年②囹》3・1・2泰赦谈律根倨工程勒塞资抖,悻水针篇的泰毅取值為下:地下稱止水儘惟像按4.50来考虑,瘟坑卄挖深度按11.50m考虑,电榻井卄挖深度岛13.00m,屍坑采用人工挖孔檢丈护的区段,挖孔檢卄挖深应岛16.00m,故考盅瘠地下水悻至挖孔檢彖M下,即將地下水儘悻至17.00m/俗选系毅k,由于涌水蜃针算E考濾卵石土屋,俗楚系超即卵石土层系歎,根倨地勒报告,取k = 20.00m/d/3.2肾水针耳3.2.1晁坑涌水蜃计算;晁坑涌水蜃采用块状屍坑出水蜃公式针尊:1.366k(2H -S)Slg(l + Z?/rJ式屮:Q——裹坑涌水蜃,m3/d;k ----- 券逵系毅,取k = 20.00m/d/S ----- 该针悻深,S= 17.00450= 12.50m,•H——舎水雇唐凌,即旃止水儘至衷艺面的雎南,取H = 30.00 m/R —一影响8 徃,R = IS^kH = 2x 12.50x^20.00x30.00 =612.37/??,9r°——衷坑著数8在,軀形裹琉/()= 0.29(0 + 6 ,a :表坑g 应“ =224.00〃?;b / b= 105.00m;r o = 0.29 x (224.00 + 105.00) = 95.41/n .9门 1.366 x 20.00 x (2 x 30.00 -12.50)x 12.50 16221 .25 lor4C 3Q = ----------- ------------------ = ------------ = 18645 .11/nlg(l + 612.37 / 95.41) 0.870/d3.2.2单屛理论出水蜃针算单屛的出水蜃曲斥/〃)按下述管#殘验公式针算:§ = 120加;/派/'——过濾器8往(m),冷工程管#管直往0.3m r几=0.15/77 = 1.1 X 18645.111051.2= 19.50过滤器进水那今盘及fm;,即R/10 g及怎6.00m;q = 120x3.14x0・15x6・0x 顷= 1051 ・Tim3 Id .f3.2.3水泵迄挥根倨屍坑涌水蜃、单屛出水蜃的针篇秸果及殺计悻深,迄用QJ 型潜水泵。
1.参数定义
Q——基坑涌水量(m 3);Sd——基坑地下水位设计降深(m);
k——渗透系数(m/d);R——降水影响半径(m);H——潜水含水层厚度(m);γ。
——基坑等效半径(m);n——降水井数量(nr);q——管井的出水量(m 3/d);
A——基坑的面积(m2);l——过滤器进水部分长度(m);
γs——过滤器半径(m);
2.参数取值
S1=19900 S3=11400
S1=746 S3=460
A=S1+S331300L=1206Sd(Sw)=9加权k= 1.728H=
30
l=
7
3.涌水量计算
基坑等效半径
γ。
=
=99.81532752
(JGJ 120-2012 附录E.0.1)响半径
R=2Sw =
129.6(JGJ 120-2012 7.3.11-1)基坑总涌水量Q =
2994.140511
(JGJ 120-2012 附录E.0.1)
4.管井的出水量计算
过滤器半径γs =0.012管井的出水量 q =
37.98074752
(JGJ 120-2012 7.3.16)
5.降水井数量计算
设计所需的降水井数量n =
86.71642283
(JGJ 120-2012 7.3.15)
取整数后井数:
88
6.平面布置井间距计算
设计所需的降水井井间距 =
13.74885068
L——基坑周长
澘水完整井基坑
kH
A。