2,3-二氯苯胺-MSDS-安全技术说明书
- 格式:pdf
- 大小:189.52 KB
- 文档页数:4
化学品安全技术说明书第一部分化学品及企业标识化学品中文名:3,5-二氯苯胺化学品英文名:3,5-dichloroaniline化学品别名:-CAS No.:626-43-7EC No.:210-948-9分子式:C6H5Cl2N第二部分危险性概述| 紧急情况概述固体。
吞食后有毒。
跟皮肤接触有毒。
吸入有毒。
短期暴露有损伤健康的危险。
对水生物有毒。
对水生环境可能会引起长期有害作用。
使用适当的容器, 以预防污染环境。
| GHS 危险性类别根据 GB 30000-2013 化学品分类和标签规范系列标准(参阅第十六部分),该产品分类如下:急毒性-口服,类别 3;急毒性-皮肤,类别 3;急毒性-吸入,类别 3;特定目标器官毒性-单次接触,类别 2;危害水生环境-急性毒性,类别 2;危害水生环境-慢性毒性,类别 2。
| 标签要素象形图警示词:危险危险信息:吞咽会中毒,皮肤接触会中毒,吸入会中毒,可能对器官造成损害,对水生生物有毒,对水生生物有毒并具有长期持续影响。
防范说明预防措施:不要吸入粉尘/烟/气体/烟雾/蒸气/喷雾。
作业后彻底清洗。
使用本产品时不要进食、饮水或吸烟。
只能在室外或通风良好之处使用。
避免释放到环境中。
戴防护手套/穿防护服/戴防护眼罩/戴防护面具。
事故响应:如感觉不适,呼叫中毒急救中心/医生。
漱口。
收集溢出物。
如误吞咽:立即呼叫中毒急救中心/医生。
如误吸入:将受人转移到空气新鲜处,保持呼吸舒适的体位。
如接触到:呼叫中毒急救中心/医生。
立即脱掉所有沾染的衣服,清洗后方可重新使用。
安全储存:存放处须加锁。
存放在通风良好的地方。
保持容器密闭。
废弃处置:按照地方/区域/国家/国际规章处置内装物/容器。
| 危害描述物理化学危险无资料健康危害吸入本品在正常生产过程中生成的粉尘可对身体产生毒害作用。
吸入该物质可能会引起对健康有害的影响或呼吸道不适。
意外食入本品可能引起毒害作用。
意外食入本品可能对个体健康有害。
第一部分化学品及企业标识化学品中文名:2-氯苯甲酰胺化学品英文名:2-chlorobenzamideCAS No.:609-66-5分子式:C7H6ClNO产品推荐及限制用途:工业及科研用途。
第二部分危险性概述紧急情况概述吞咽有害。
吸入致命。
GHS危险性类别急性经口毒性类别 4急性吸入毒性类别 2标签要素:象形图:警示词:危险危险性说明:H302 吞咽有害H330 吸入致命●预防措施:—— P264 作业后彻底清洗。
—— P270 使用本产品时不要进食、饮水或吸烟。
—— P260 不要吸入粉尘/烟/气体/烟雾/蒸气/喷雾。
—— P271 只能在室外或通风良好处使用。
—— P284 [在通风不足的情况下] 戴呼吸防护装置●事故响应:—— P301+P312 如误吞咽:如感觉不适,呼叫解毒中心/ 医生—— P330 漱口。
—— P304+P340 如误吸入:将人转移到空气新鲜处,保持呼吸舒适体位。
—— P310 立即呼叫解毒中心/医生●安全储存:—— P403+P233 存放在通风良好的地方。
保持容器密闭。
—— P405 存放处须加锁。
●废弃处置:—— P501 按当地法规处置内装物/容器。
物理和化学危险:无资料。
健康危害:吞咽有害。
吸入致命。
环境危害:无资料。
第三部分成分/组成信息√物质混合物第四部分急救措施急救:吸入:如果吸入,请将患者移到新鲜空气处。
皮肤接触:脱去污染的衣着,用肥皂水和清水彻底冲洗皮肤。
如有4不适感,就医。
眼晴接触:分开眼睑,用流动清水或生理盐水冲洗。
如有不适感,就医。
食入:饮水,禁止催吐。
如有不适感,就医。
对保护施救者的忠告:将患者转移到安全的场所。
咨询医生。
出示此化学品安全技术说明书给到现场的医生看。
对医生的特别提示:无资料。
第五部分消防措施灭火剂:用水雾、干粉、泡沫或二氧化碳灭火剂灭火。
避免使用直流水灭火,直流水可能导致可燃性液体的飞溅,使火势扩散。
特别危险性:无资料。
灭火注意事项及防护措施:消防人员须佩戴携气式呼吸器,穿全身消防服,在上风向灭火。
第1部分化学品及企业标识化学品中文名:2-氟苯胺化学品英文名:2-fluoroanilineCAS号:348-54-9分子式:C6H6FN分子量:111.12产品推荐及限制用途:用作医药、农药及染料中间体。
第2部分危险性概述紧急情况概述:吞咽会中毒。
皮肤接触会中毒。
可能导致皮肤过敏反应。
造成严重眼损伤。
吸入会中毒。
怀疑会导致遗传性缺陷。
GHS危险性类别:急性经口毒性类别3急性经皮肤毒性类别3皮肤致敏物类别1严重眼损伤/眼刺激类别1急性吸入毒性类别3生殖细胞致突变性类别2致癌性类别2特异性靶器官毒性反复接触类别1危害水生环境——急性危险类别1标签要素:象形图:警示词:危险危险性说明:H301吞咽会中毒H311皮肤接触会中毒H317可能导致皮肤过敏反应H318造成严重眼损伤H331吸入会中毒H341怀疑会导致遗传性缺陷防范说明:•预防措施:——P264作业后彻底清洗。
——P270使用本产品时不要进食、饮水或吸烟。
——P280戴防护手套/穿防护服/戴防护眼罩/戴防护面具。
——P261避免吸入粉尘/烟/气体/烟雾/蒸气/喷雾。
——P272受沾染的工作服不得带出工作场地。
——P271只能在室外或通风良好处使用。
——P201使用前取得专用说明。
——P202在阅读并明了所有安全措施前切勿搬动。
——P260不要吸入粉尘/烟/气体/烟雾/蒸气/喷雾。
——P273避免释放到环境中。
•事故响应:——P301+P310如误吞咽:立即呼叫解毒中心/医生——P330漱口。
——P302+P352如皮肤沾染:用水充分清洗。
——P312如感觉不适,呼叫解毒中心/医生——P361+P364立即脱掉所有沾染的衣服,清洗后方可重新使用——P333+P313如发生皮肤刺激或皮疹:求医/就诊。
——P362+P364脱掉沾染的衣服,清洗后方可重新使用——P305+P351+P338如进入眼睛:用水小心冲洗几分钟。
如戴隐形眼镜并可方便地取出,取出隐形眼镜。
化学品安全技术说明书第一部分化学品及企业标识化学品中文名:3-氯苯胺;间氯苯氨;间氨基氯苯化学品英文名:m-chloroaniline;3-chlorobenzeneamine企业名称:生产企业地址:邮编: 传真:企业应急电话:电子邮件地址:技术说明书编码:第二部分成分/组成信息√纯品混合物有害物成分浓度CAS No.间氯苯胺108-42-9第三部分危险性概述危险性类别:第6.1类毒害品侵入途径:吸入、食入、经皮吸收健康危害:能引起高铁血红蛋白血症,对肝、肾有损害。
能经无损皮肤吸收。
环境危害:对环境有害。
燃爆危险:可燃,其蒸气与空气混合,能形成爆炸性混合物。
第四部分急救措施皮肤接触:立即脱去污染的衣着,用肥皂水和清水彻底冲洗皮肤。
如有不适感,就医。
眼睛接触:提起眼睑,用流动清水或生理盐水冲洗。
如有不适感,就医。
吸入:迅速脱离现场至空气新鲜处。
保持呼吸道通畅。
如呼吸困难,给输氧。
呼吸、心跳停止,立即进行心肺复苏术。
就医。
食入:饮足量温水,催吐。
就医。
第五部分消防措施危险特性:遇明火、高热可燃。
受高热分解,产生有毒的氮氧化物和氯化物气体。
有害燃烧产物:一氧化碳、氮氧化物、氯化氢。
灭火方法:采用雾状水、泡沫、二氧化碳、砂土灭火。
灭火注意事项及措施:消防人员必须佩戴空气呼吸器、穿全身防火防毒服,在上风向灭火。
尽可能将容器从火场移至空旷处。
喷水保持火场容器冷却,直至灭火结束。
处在火场中的容器若已变色或从安全泄压装置中产生声音,必须马上撤离。
第六部分泄漏应急处理应急行动:根据液体流动和蒸气扩散的影响区域划定警戒区,无关人员从侧风、上风向撤离至安全区。
建议应急处理人员戴正压自给式呼吸器,穿防毒服。
穿上适当的防护服前严禁接触破裂的容器和泄漏物。
尽可能切断泄漏源。
防止泄漏物进入水体、下水道、地下室或密闭性空间。
小量泄漏:用干燥的砂土或其它不燃材料吸收或覆盖,收集于容器中。
大量泄漏:构筑围堤或挖坑收容。
用泵转移至槽车或专用收集器内。
第1部分化学品及企业标识化学品中文名:1,2,3-三氯苯化学品英文名:1,2,3-trichlorobenzeneCAS号:87-61-6分子式:C6H3Cl3分子量:181.45产品推荐及限制用途:工业及科研用途。
第2部分危险性概述紧急情况概述:吞咽有害。
可能导致皮肤过敏反应。
对水生生物毒性极大。
对水生生物毒性极大并具有长期持续影响。
GHS危险性类别:急性经口毒性类别4皮肤致敏物类别1危害水生环境——急性危险类别1危害水生环境——长期危险类别1标签要素:象形图:警示词:警告危险性说明:H302吞咽有害H317可能导致皮肤过敏反应H400对水生生物毒性极大H410对水生生物毒性极大并具有长期持续影响防范说明:•预防措施:——P264作业后彻底清洗。
——P270使用本产品时不要进食、饮水或吸烟。
——P261避免吸入粉尘/烟/气体/烟雾/蒸气/喷雾。
——P272受沾染的工作服不得带出工作场地。
——P280戴防护手套/穿防护服/戴防护眼罩/戴防护面具。
——P273避免释放到环境中。
•事故响应:——P301+P312如误吞咽:如感觉不适,呼叫解毒中心/医生——P330漱口。
——P302+P352如皮肤沾染:用水充分清洗。
——P333+P313如发生皮肤刺激或皮疹:求医/就诊。
——P362+P364脱掉沾染的衣服,清洗后方可重新使用——P391收集溢出物。
•安全储存:——无•废弃处置:——P501按当地法规处置内装物/容器。
物理和化学危险:无资料健康危害:吞咽有害。
可能导致皮肤过敏反应。
环境危害:对水生生物毒性极大。
对水生生物毒性极大并具有长期持续影响。
第3部分成分/组成信息第4部分急救措施急救:吸入:迅速脱离现场至空气新鲜处。
保持呼吸道通畅。
如呼吸困难,给输氧。
呼吸、心跳停止,立即进行心肺复苏术。
就医。
皮肤接触:立即脱去污染的衣着,用肥皂水和清水彻底冲洗。
就医。
眼晴接触:立即分开眼睑,用流动清水或生理盐水彻底冲洗。
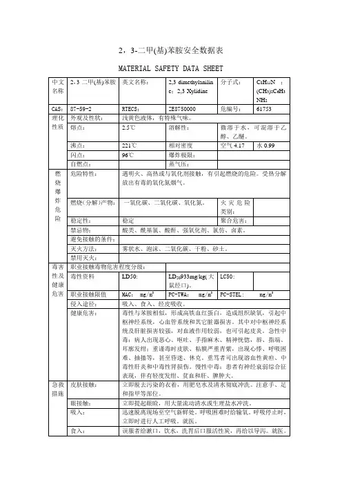
第1部分化学品及企业标识化学品中文名:2,3-二氯苯胺化学品英文名:2,3-dichloroanilineCAS号:608-27-5分子式:C6H5Cl2N分子量:162.02产品推荐及限制用途:工业及科研用途。
第2部分危险性概述紧急情况概述:吞咽会中毒。
皮肤接触会中毒。
造成皮肤刺激。
可能导致皮肤过敏反应。
造成严重眼损伤。
吸入会中毒。
怀疑会导致遗传性缺陷。
可能致癌。
长期或反复接触会对器官造成伤害。
对水生生物毒性极大并具有长期持续影响。
GHS危险性类别:急性经口毒性类别3急性经皮肤毒性类别3皮肤腐蚀/刺激类别2皮肤致敏物类别1严重眼损伤/眼刺激类别1急性吸入毒性类别3生殖细胞致突变性类别2致癌性类别1B特异性靶器官毒性反复接触类别1危害水生环境——长期危险类别1标签要素:象形图:警示词:危险危险性说明:H301吞咽会中毒H311皮肤接触会中毒H315造成皮肤刺激H317可能导致皮肤过敏反应H318造成严重眼损伤H331吸入会中毒H341怀疑会导致遗传性缺陷H350可能致癌H372长期或反复接触会对器官造成伤害H410对水生生物毒性极大并具有长期持续影响防范说明:•预防措施:——P264作业后彻底清洗。
——P270使用本产品时不要进食、饮水或吸烟。
——P280戴防护手套/穿防护服/戴防护眼罩/戴防护面具。
——P261避免吸入粉尘/烟/气体/烟雾/蒸气/喷雾。
——P272受沾染的工作服不得带出工作场地。
——P271只能在室外或通风良好处使用。
——P201使用前取得专用说明。
——P202在阅读并明了所有安全措施前切勿搬动。
——P260不要吸入粉尘/烟/气体/烟雾/蒸气/喷雾。
——P273避免释放到环境中。
•事故响应:——P301+P310如误吞咽:立即呼叫解毒中心/医生——P330漱口。
——P302+P352如皮肤沾染:用水充分清洗。
——P312如感觉不适,呼叫解毒中心/医生——P361+P364立即脱掉所有沾染的衣服,清洗后方可重新使用——P332+P313如发生皮肤刺激:求医/就诊。
2,5-二氯苯胺安全技术说明书第一部分化学品及企业标识化学品名称:2,5-二氯苯胺 2,5-dichloroaniline制造商或供应商产品代码: 603制造商或供应商名称:江苏瑞祥化工有限公司地址:江苏省扬州化学工业园区仪征市大连路2号邮编:211900传真号码:应急电话:推荐用途和限制用途:本身呈弱碱性,有毒!受热分解而放出苯胺等有毒气体。
用于制造氮肥增效剂N-2,5-二氯苯基琥珀酰胺酸和染料中间体2,5-二氯苯胺-4-磺酸。
第二部分危险性概述紧急情况概述:固体。
跟皮肤接触可能会引起敏化作用。
有严重损害眼睛的危险。
GHS危险性类别:根据化学品分类、警示标签和警示性说明规范系列标准,该产品属于1、急性毒性-经口,类别4;2、严重眼损伤/眼刺激,类别1;3、皮肤致敏物,类别1;4、特异性靶器官毒性-一次接触,类别2;5、特异性靶器官毒性-反复接触,类别2;6、危害水生环境-急性危害,类别2;7、危害水生环境-长期危害,类别2。
GHS标签要素:象形图或符号:警示词:危险危险信息:引起严重眼睛损伤;一次接触致器官损害;长期或反复接触可致器官损害;对水生生物有毒;对水生生物有毒并且有长期持续影响;吞咽有害;可能引起皮肤过敏性反应。
防范说明:预防措施:不要吸入粉尘/烟/气体/烟雾/蒸气/喷雾。
作业后彻底清洗。
使用本产品时不要进食、饮水或吸烟。
受沾染的工作服不得带出工作场地。
避免释放到环境中。
戴防护手套/穿防护服/戴防护眼罩/戴防护面具。
事故响应:立即呼叫中毒急救中心/医生。
如感觉不适,须求医/就诊。
清洗后方可重新使用。
收集溢出物。
如接触到:呼叫中毒急救中心/医生。
如发生皮肤刺激或皮疹:求医/就诊。
如进入眼睛:用水小心冲洗十几分钟。
如戴隐形眼镜并可方便地取出,取出隐形眼镜。
继续冲洗。
安全储存:存放处须加锁。
废弃处置:按照地方/区域/国家/国际规章处置内装物/容器。
危害描述物理化学危险:无资料健康危害:吸入该物质可能会引起对健康有害的影响或呼吸道不适。
化学品安全技术说明书第一部分化学品名称化学品中文名:2,5-二氯苯胺化学品英文名:2,5-dichloroaniline中文名称2:英文名称2:技术说明书编码:641CAS号:95-82-9分子式:C6H5Cl2N分子量:162.02第二部分成分/组成信息纯品或混合物:纯品第三部分危险性概述危险性类别:第6.1类毒害品侵入途径:健康危害:本品为强高铁血红蛋白形成剂。
对中枢神经系统、肝、肾有损害。
接触后引起头痛,头晕,恶心,呕吐,指端、口唇、耳廓紫绀,呼吸困难等。
慢性影响:患者有神经衰弱综合征表现,伴有轻度紫绀、贫血和肝、脾肿大。
环境危害:对环境有危害。
燃爆危险:本品可燃,有毒。
第四部分急救措施皮肤接触:立即脱去污染的衣着,用肥皂水和清水彻底冲洗皮肤。
就医。
眼睛接触:提起眼睑,用流动清水或生理盐水冲洗。
就医。
吸入:迅速脱离现场至空气新鲜处。
保持呼吸道通畅。
如呼吸困难,给输氧。
如呼吸停止,立即进行人工呼吸。
就医。
食入:饮足量温水,催吐。
就医。
第五部分消防措施危险特性:遇明火、高热可燃。
受高热分解,产生有毒的氮氧化物和氯化物气体。
与强氧化剂接触可发生化学反应。
有害燃烧产物:一氧化碳、二氧化碳、氧化氮、氯化氢。
灭火方法:采用雾状水、泡沫、干粉、二氧化碳、砂土灭火。
第六部分泄漏应急处理应急处理:隔离泄漏污染区,限制出入。
切断火源。
建议应急处理人员戴防尘面具(全面罩),穿防毒服。
不要直接接触泄漏物。
小量泄漏:用洁净的铲子收集于干燥、洁净、有盖的容器中。
也可以用大量水冲洗,洗水稀释后放入废水系统。
大量泄漏:收集回收或运至废物处理场所处置。
第七部分操作处置与储存操作注意事项:密闭操作,提供充分的局部排风。
操作人员必须经过专门培训,严格遵守操作规程。
建议操作人员佩戴自吸过滤式防尘口罩,戴安全防护眼镜,穿防毒物渗透工作服,戴橡胶手套。
远离火种、热源,工作场所严禁吸烟。
使用防爆型的通风系统和设备。
避免产生粉尘。
避免与氧化剂、酸类接触。
化学品安全技术说明书第一部分化学品及企业标识化学品中文名:2,3-二氯苯胺化学品英文名:2,3-dichloroaniline化学品别名:-CAS No.:608-27-5EC No.:210-157-9分子式:C6H5Cl2N第二部分危险性概述| 紧急情况概述液体。
吞食后有毒。
跟皮肤接触有毒。
对皮肤有刺激性。
吸入有毒。
长期暴露有损伤健康的危险。
对水生物有剧毒, 使用适当的容器, 以预防污染环境。
对水生环境可能会引起长期有害作用。
使用适当的容器, 以预防污染环境。
| GHS 危险性类别根据 GB 30000-2013 化学品分类和标签规范系列标准(参阅第十六部分),该产品分类如下:急毒性-口服,类别 3;急毒性-皮肤,类别 3;皮肤腐蚀/刺激,类别 2;急毒性-吸入,类别 3;特定目标器官毒性-重复接触,类别 2;危害水生环境-急性毒性,类别 1;危害水生环境-慢性毒性,类别 1。
| 标签要素象形图警示词:危险危险信息:吞咽会中毒,皮肤接触会中毒,造成皮肤刺激,吸入会中毒,长期或重复接触可能对器官造成伤害,对水生生物毒性极大,对水生生物毒性极大并具有长期持续影响。
防范说明预防措施:不要吸入粉尘/烟/气体/烟雾/蒸气/喷雾。
作业后彻底清洗。
使用本产品时不要进食、饮水或吸烟。
只能在室外或通风良好之处使用。
避免释放到环境中。
戴防护手套/穿防护服/戴防护眼罩/戴防护面具。
事故响应:如感觉不适,呼叫中毒急救中心/医生。
如感觉不适,须求医/就诊。
漱口。
收集溢出物。
如误吞咽:立即呼叫中毒急救中心/医生。
如误吸入:将受人转移到空气新鲜处,保持呼吸舒适的体位。
如发生皮肤刺激:求医/就诊。
立即脱掉所有沾染的衣服,清洗后方可重新使用。
安全储存:存放处须加锁。
存放在通风良好的地方。
保持容器密闭。
废弃处置:按照地方/区域/国家/国际规章处置内装物/容器。
| 危害描述物理化学危险无资料健康危害吸入本品在正常生产过程中生成的蒸气或气溶胶(雾、烟),可对身体产生毒害作用。
化学品安全技术说明书第一部分化学品及企业标识化学品中文名称: 2,3-二氯硝基苯化学品英文名称: 2,3-dichloronitrobenzene第二部分成分/组成信息√纯品混合物有害物成分含量CAS2,3-二氯硝基苯3209-22-1第三部分危险性概述危险性类别:第6.1 类毒害品。
侵入途径:吸入。
健康危害:对皮肤、粘膜及呼吸道有刺激作用。
吸收后导致体内形成高铁血红蛋白,引起紫绀。
环境危害:对环境有严重危害,对水体可造成污染。
燃爆危险:本品可燃,有毒,具腐蚀性、刺激性,可致人体灼伤。
第四部分急救措施皮肤接触:立即脱去污染的衣着,用大量流动清水冲洗。
就医。
眼睛接触:提起眼睑,用流动清水或生理盐水冲洗。
就医。
吸入:迅速脱离现场至空气新鲜处。
保持呼吸道通畅。
如呼吸困难,给输氧。
如呼吸停止,立即进行人工呼吸。
就医。
食入:饮足量温水,催吐。
就医。
第五部分消防措施危险特性:遇明火能燃烧。
与氧化剂接触猛烈反应。
受高热分解,产生有毒的氮氧化物和氯化物气体。
有害燃烧产物:一氧化碳、二氧化碳、氧化氮、氯化氢。
灭火方法:消防人员须佩戴防毒面具、穿全身消防服,在上风向灭火。
灭火剂:雾状水、泡沫、干粉、二氧化碳、砂土。
第六部分泄漏应急处理应急行动:隔离泄漏污染区,限制出入。
切断火源。
建议应急处理人员戴防尘面具(全面罩),穿防毒服。
用洁净的铲子收集于干燥、洁净、有盖的容器中,转移至安全场所。
若大量泄漏,收集回收或运至废物处理场所处置。
第七部分操作处置与储存操作注意事项:密闭操作,提供充分的局部排风。
操作人员必须经过专门培训,严格遵守操作规程。
建议操作人员佩戴自吸过滤式防尘口罩,戴化学安全防护眼镜,穿防毒物渗透工作服,戴橡胶手套。
远离火种、热源,工作场所严禁吸烟。
使用防爆型的通风系统和设备。
避免产生粉尘。
避免与氧化剂、还原剂、碱类接触。
搬运时要轻装轻卸,防止包装及容器损坏。
配备相应品种和数量的消防器材及泄漏应急处理设备。
倒空的容器可能残留有害物。
第一部分化学品及企业标识化学品中文名:2,3-二氯丙烯化学品英文名:2,3-dichloropropene;2,3-dichloropropyleneCAS No.:78-88-6EC No.:201-153-8分子式:C3H4Cl2第二部分危险性概述紧急情况概述液体。
高度易燃,其蒸气与空气混合,能形成爆炸性混合物。
对皮肤有刺激性。
有严重损害眼睛的危险。
对呼吸道有刺激作用。
可能有发生不可逆性作用的危险。
对水生环境可能会引起长期有害作用。
GHS危险性类别根据GB30000-2013化学品分类和标签规范系列标准(参阅第十六部分),该产品分类如下:易燃液体,类别2;皮肤腐蚀/刺激,类别2;眼损伤/眼刺激,类别1;特定目标器官毒性-单次接触:呼吸道刺激,类别3;生殖细胞致突变性,类别2;危害水生环境-慢性毒性,类别3。
标签要素象形图警示词:危险危险信息:高度易燃液体和蒸气,造成皮肤刺激,造成严重眼损伤,可能造成呼吸道刺激,怀疑会导致遗传性缺陷,对水生生物有害并具有长期持续影响。
预防措施:使用前取得专业说明。
在阅读并明了所有安全措施前切勿搬动。
远离热源、热表面、火花、明火以及其它点火源。
禁止吸烟。
保持容器密闭。
容器和接收设备接地和等势联接。
使用不产生火花的工具。
采取措施,防止静电放电。
避免吸入粉尘/烟/气体/烟雾/蒸气/喷雾。
作业后彻底清洗。
只能在室外或通风良好之处使用。
避免释放到环境中。
戴防护手套/穿防护服/戴防护眼罩/戴防护面具。
事故响应:如感觉不适,呼叫中毒急救中心/医生。
如误吸入:将受人转移到空气新鲜处,保持呼吸舒适的体位。
如接触到或有疑虑:求医/就诊。
如发生皮肤刺激:求医/就诊。
脱去被污染的衣服,清洗后方可重新使用。
如皮肤(或头发)沾染:立即去除/脱掉所有沾染的衣服。
用水清洗皮肤或淋浴。
如进入眼睛:用水小心冲洗几分钟。
如戴隐形眼镜并可方便地取出,取出隐形眼镜。
继续冲洗。
安全储存:存放处须加锁。
存放在通风良好的地方。
第1部分化学品及企业标识化学品中文名:1,3-二氯苯化学品英文名:1,3-dichlorobenzeneCAS号:541-73-1分子式:C6H4Cl2分子量:147产品推荐及限制用途:工业及科研用途。
第2部分危险性概述紧急情况概述:吞咽有害。
对水生生物有毒并具有长期持续影响。
GHS危险性类别:急性经口毒性类别4危害水生环境——长期危险类别2标签要素:象形图:警示词:警告危险性说明:H302吞咽有害H411对水生生物有毒并具有长期持续影响防范说明:•预防措施:——P264作业后彻底清洗。
——P270使用本产品时不要进食、饮水或吸烟。
——P273避免释放到环境中。
•事故响应:——P301+P312如误吞咽:如感觉不适,呼叫解毒中心/医生——P330漱口。
——P391收集溢出物。
•安全储存:——无•废弃处置:——P501按当地法规处置内装物/容器。
物理和化学危险:无资料健康危害:吞咽有害。
环境危害:对水生生物有毒并具有长期持续影响。
第3部分成分/组成信息第4部分急救措施急救:吸入:迅速脱离现场至空气新鲜处。
保持呼吸道通畅。
如呼吸困难,给输氧。
呼吸、心跳停止,立即进行心肺复苏术。
就医皮肤接触:立即脱去污染的衣着,用肥皂水和清水彻底冲洗。
就医眼晴接触:立即分开眼睑,用流动清水或生理盐水彻底冲洗。
就医食入:尽量饮水,给服活性炭悬液,不要催吐。
忌服酒精。
如吞服量较大,且在30min以内,可洗胃忌用肾上腺素类药物对保护施救者的忠告:将患者转移到安全的场所。
咨询医生。
出示此化学品安全技术说明书给到现场的医生看。
对医生的特别提示:无资料第5部分消防措施灭火剂:用水雾、干粉、泡沫或二氧化碳灭火剂灭火。
避免使用直流水灭火,直流水可能导致可燃性液体的飞溅,使火势扩散。
特别危险性:可燃。
其蒸气与空气能形成爆炸性混合物,遇明火、高热能引起燃烧爆炸。
蒸气比空气重,能在较低处扩散到相当远的地方,遇火源会着火回燃和爆炸(闪爆)。