附表1-全精装修项目实测实量评估记录表-1p
- 格式:xls
- 大小:52.50 KB
- 文档页数:8
墙面4个角任选两个方向各测量1次,在墙长度方向任意位置增加2窗、过道洞口的,在各洞口45度斜测一次,洞口两边竖向各测一计算点。
次;
涂饰墙面:当墙长度小于3米时,同一面墙距两端头竖向阴阳角约墙距两端头竖向阴阳角约30cm和墙体中间位置,分别按以下原则实测3次:一是靠尺顶端接触到上部砼顶板位置时测1次垂直度,二检
木质墙面同一面墙距两端头竖向阴阳角约30cm位置,分别按以下原则实测2次:一是靠尺顶端接触到上部砼顶板位置时测1次垂直度,二是靠墙距两端头竖向阴阳角约30cm和墙体中间位置,分别按以下原则直度为必测项。
房内厨房、卫生间、阳台/露台的。
交付观感评估分为:实测实量+户内观感+公共部位+外立面+园林+商业对观感的缺陷问题,通过定性及定量的方式进行判断。
问题的定性:严重(对后期交付影响较大,无法整改),一般(对后期交付存在一定影响,但是不易整改),轻微(对后期交付影响较小,易及时整改)问题的定量:普遍(5处以上)、局部(3-5处)、个别(1-2处),对于单项问题,以问题的严重程度进行判断。
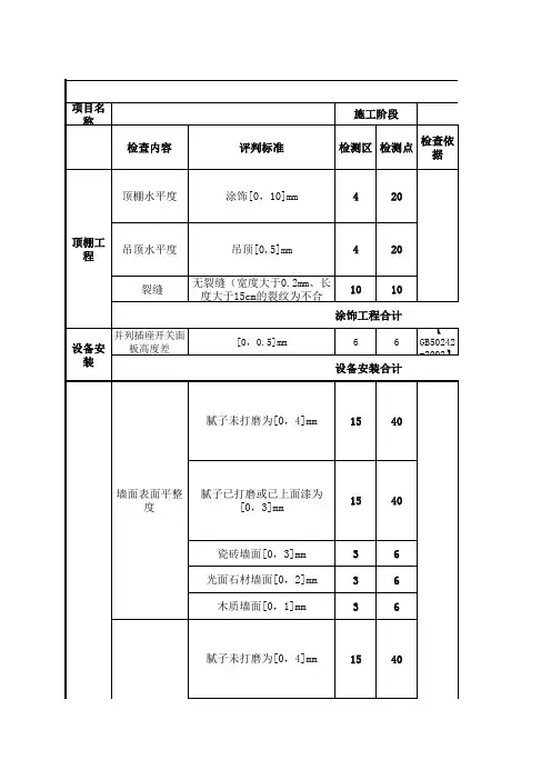
一、交付评估检查表格介绍:1、实测实量(精装修)检查内容如下:(以上图示只是部分内容)2、实测实量(毛坯)检查内容如下:(以上图示只是部分内容)3、户内观感(精装修)检查内容如下:(以上图示只是部分内容)4、户内观感(毛坯)检查内容如下:(以上图示只是部分内容)5、公共部位检查内容如下:(以上图示只是部分内容)6、外立面检查内容如下:(以上图示只是部分内容)7、园林检查内容如下:(以上图示只是部分内容)8、商业检查内容如下:(以上图示只是部分内容)二、交付评估简报简介对比1、交付检查中较好项目简报如下:项目交付评估简报第一部分: 基本资料(以下部分已略)XXXX 缺陷描述XXXX缺陷描述XXXX缺陷描述第五部分:XXXX 观感质量:1.入户空间XXXX 问题描述XXXX 问题描述2. 户内空间设备及装饰工程问题描述XXXX问题描述XXXX问题描述问题描述XXXX问题描述问题描述XXXX问题描述XXXX问题描述问题描述XXXX问题描述3.厨房空间问题描述XXXX问题描述4.起居空间部品5.卫生间部品问题6.阳台XXXX问题描述7.户内清洁问题描述8.公共部位XXXX问题描述问题描述9.外立面XXXX问题描述XXXX问题描述10.园林XXXX问题描述XXXX问题描述XXXX问题描述11.亮点推荐XXXX 子,施工到位理。
XXXX期不易污染。
瓷砖切割缝顺直。
XXXX艺处理,位置居中腻条处理,交接部位缝隙控制均匀。
XXXX2、交付检查中较差项目简报如下:项目交付评估简报第一部分: 基本资料第四部分:设计/工艺缺陷(共性):XXXX缺陷描述XXXX缺陷描述XXXX缺陷描述XXXX缺陷描述第五部分:XXXX观感质量:1.入户空间XXXX问题描述XXXX问题描述XXXX问题描述2. 户内空间设备及装饰工程XXXX 问题描述问题描述XXXX问题描述问题描述问题问题描述XXXX问题描述XXXX问题描述3.厨房空间问题描述4.起居空间部品XXXX问题描述5.卫生间部品问题描述XXXX问题描述XXXX问题描述6.阳台问题描述7.户内清洁XXXX问题描述8.公共部位XXXX问题描述XXXX问题描述XXXX问题描述8.外立面问题描述9.园林问题描述XXXX问题描述XXXX问题问题描述XXXX问题描述XXXX问题描述XXXX问题描述10.亮点推荐。
度
实测区,累计6个实测区。
如该套房内还有石材
或木质墙面,则各增加3个实测区阴阳角约30cm和墙体中间位置,分别按以下原则
实测3次:一是靠尺顶端接触到上部砼顶板位置。
均按最大偏差值计,作为判断该实测指标合格率的5个计算点。
板安
装
度面(无找坡要求)都可以作为1个实测区,累计实测实量10个实测区。
(2) 使用激光扫平仪,在实测板跨内打出一条水平基准线。
同一实测区地面有踢脚线的两段长墙中间区域和4个角部区域,距地脚边线30cm以内各选取1点,在地面几何中心位选取1点,分别测量找平层地面与水平基准线之间的5个垂直距离。
以最低点为基准点,计算另外四点与最低点之间的偏差。
偏差值≤10mm时,该实测点合格;最大偏差值≤15mm时,5个偏差值(基准点偏差值以0计)的实际值作为判断该实测指标合格率
度。