卧式矩形压力蒸汽灭菌器说明书
- 格式:doc
- 大小:892.00 KB
- 文档页数:16
ABC药品有限公司药品生产质量管理体系操作规程文件2020年最新版编制: 日期:审核: 日期:批准: 日期:发放范围:公司各部门2020年01月01日生效目录序号内容页码1目的 (3)2 适用范围 (3)3职责 (3)4 内容 (3)文件更改履历 (4)1目的建立卧式矩形压力蒸汽灭菌器使用、清洁标准操作程序。
2范围注射液车间灭菌器的操作。
3责任灭菌器操作人员、工艺员、质监员。
4参考文件SOP文件之灭菌器的使用与清洁。
5内容5.1 使用操作规程5.1.1 开机前:5.1.1.1 应对灭菌器各部位检查良好正常,若有故障立即排除。
5.1.1.2 检查灭菌柜内部,灭菌车等内外部位,清洁应符合规定。
5.1.1.3 灭菌前开启蒸汽阀门,排除管道中的冷凝水至成汽状。
5.1.1.4 检查待灭菌物品如工衣、帽应洗净并包装严密符合要求。
5.1.1.5 通向灭菌物品洁净室一端的门应关闭。
5.1.2 开机。
5.1.2.1 关闭近身一端的门,开动蒸汽阀门。
5.1.2.2 按程序进行预热-灭菌-排气-干燥-关闭蒸汽阀。
5.1.2.3 蒸汽若有变动或灭菌阀门漏气时,应及时调整或停机检修,注意安全。
5.1.2.4 灭菌物品按工艺规定,进行定温定时灭菌,在操作过程中,做好原始记录。
5.1.3 工作完毕5.1.3.1 检查关闭好蒸汽阀,不使漏气。
5.1.3.2 灭菌完毕,近身门严禁打开,按规定由洁净室内人员打开室内的一端门取走灭菌的物品,然后再关闭。
5.1.3.3 上述工作完成后,才能打开近身的门,清洁灭菌器内外,符合规定。
5.1.3.4 挂上状态标志。
5.2 清洗操作规程5.2.1 清洁工具:丝光毛巾、刷子。
5.2.2 清洁部位:设备内外部位灭菌车。
5.2.3 清洁剂名称:水、注射用水、酒精、洗衣粉。
5.2.4 清洁周期:每批一次。
5.2.5 清洁程序5.2.5.1 灭菌器内部灭菌车在洁净室的门,藏垢处用刷子洗刷,再用注射用水冲净,以丝毛巾擦干,必要时用酒精擦拭干燥。
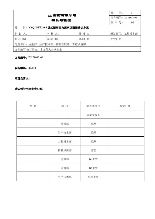
方案编号:TS-71033-00 设备编码:3A010项目负责人:确认领导小组审查汇签:1.主题内容本方案规定了YXQ-WF32-0.4卧式矩形压力蒸汽灭菌器的确认范围、方法及标准。
2.适用范围本方案适用于YXQ-WF32-0.4卧式矩形压力蒸汽灭菌器的确认。
3.实施确认人员及职责4.4.简介4.1YXQ-WF32-0.4卧式矩形压力蒸汽灭菌器是我公司用于提取车间物料的灭菌。
该设备柜体为全不锈钢制作,外壳与内胆之间充填优质硅酸铝纤维棉,保温性能良好;柜门为前、后双扉机动门;有自锁保护装置,并能将灭菌室内的温度、压力和时间全过程自动记录。
4.2设备基本情况5.验证范围本方案适用于xx制药有限公司YXQ-WF32-0.4卧式矩形压力蒸汽灭菌器的确认,确认内容包括:设计确认、安装确认、运行确认、性能确认。
●设计确认(DQ):考察设备的技术规格、技术参数和指标的适用性并参考设备使用说明书考察设备是否满足公司生产需求及GMP要求,经比较筛选,最终购进,整个设备设计确认过程应严格执行《设备管理规程》。
●安装确认(IQ):对安装设备的外观检查;测试的步骤、文件、参考资料和合格标准,以证实设备的安装确实是按照制造商的安装规范进行的,符合设备运行前提条件。
●运行确认(OQ):按设备操作规程操作正常运行通过记录及文件证实设备能正常平稳运行,各功能键按钮灵敏、可靠。
同时确认设备操作规程的适用性。
●性能确认(PQ):设备的性能确认是负载运行机器,是以符合相应的药典和《规范》要求所展开的,它是从设计、制造到使用最重要的一个环节。
6. 目的根据《质量风险管理规程》、《确认与验证管理规程》、《确认与验证操作规程》、《设备及公用系统确认SOP》的要求,同时参考《YXQ-WF32-0.4卧式矩形压力蒸汽灭菌器使用说明书》对设备的各项技术指标及性能进行确认,用以证明该设备的各项指标和性能均能满足日后生产和GMP的要求。
7.培训确认方案起草人在方案批准后对本次确认相关人员进行培训,并记录在相关附件中。
卧式方形压力蒸汽灭菌器简介
结构特点:
灭菌器内室采用进口304不锈钢板,主板为双层结构;真空系统采用水环式进口真空泵,真空度高,噪音小;采用高性能程序控制。
本机装有安全阀、电磁阀、疏水阀及安全连锁装置结构,整机控制精确、稳定,故障率低,安全可靠。
主要技术参数
灭菌室有效尺寸(mm):500×600×1000
灭菌室有效容积(m3):0.3
设计压力(MPa):0.162
额定工作压力(MPa):0.14
蒸汽发生器容积:42L
内加热式热源电热管6支、单支功率2.5Kw
额定电压::15Kw
外形尺寸(L×W×H):1340×800×1746
包装尺寸(L×W×H):1490×810×1766
净重:600kg
卧式方形压力蒸汽灭菌器特点>>
真空系统采用水环式进口真空泵,真空度高,噪音小
卧式方形压力蒸汽灭菌器应用>>
卧式方形压力蒸汽灭菌器,广泛应用于医院、疾病防控中心等卫生医疗
保健机构,卧式方形压力蒸汽灭菌器的厂家很多,应用广泛,各种产品之间的差别也比较大。
卧式方形压力蒸汽灭菌器。
卧式矩形压力蒸汽灭菌器工艺流程卧式矩形压力蒸汽灭菌器可是个很有趣的东西呢,今天就来好好聊聊它的工艺流程。
一、准备工作。
要使用卧式矩形压力蒸汽灭菌器呀,得先把它周围清理干净,可不能让周围乱糟糟的。
把它放在一个平稳的地方,这就像给它找个舒服的小窝一样。
然后呢,要检查一下它的各种部件,像管道有没有破损呀,阀门是不是能正常开关之类的。
这就好比给它做个小小的体检,确保它健健康康的才能开始工作。
而且,还得在灭菌器里加好适量的水,水可不能太多也不能太少,就像给它喝适量的水一样,太多会撑着,太少又会渴着,这个量得刚刚好。
二、物品装载。
接下来就是往灭菌器里放要灭菌的东西啦。
放东西也是有讲究的呢。
不能把东西乱塞一通,要摆放得整整齐齐的。
像那些比较大的、不容易被蒸汽穿透的物品,就不能叠放得太严实了,要给蒸汽留出足够的通道,让蒸汽可以在里面自由穿梭,这样才能把每个角落都灭菌到位。
而且,不同类型的物品也最好分开来放,比如说那些金属的器械和布类的东西就别混在一起放,各放各的地方,这样灭菌效果才会更好。
这就像我们收拾衣柜,衣服要分类放好一样,整整齐齐的,看着舒服,用着也方便。
三、密封与启动。
东西放好之后呢,就要把灭菌器密封起来啦。
这密封就像是给它拉上拉链,把里面的东西都好好地保护起来,不让蒸汽跑出去。
密封好之后,就可以启动灭菌器啦。
启动的时候,要根据不同的物品选择合适的灭菌程序。
比如说,如果是一些比较容易灭菌的东西,可能时间就不需要太长,温度也不需要太高;但如果是那种特别难灭菌的,就得把温度调高一点,时间延长一点。
这就像我们做饭,不同的菜需要不同的火候和烹饪时间一样,得因材施教。
四、灭菌过程。
在灭菌的过程中呀,灭菌器里就像一个热闹的小世界。
蒸汽在里面欢快地跑来跑去,把热量传递到每一个物品的身上。
这个时候,我们可不能掉以轻心,要时刻关注灭菌器的状态。
看看压力表,确保压力在正常的范围内,就像看着一个小宠物的健康指标一样。
如果压力太高或者太低,都可能会影响灭菌的效果,甚至还可能会有危险呢。
YXQ.WF21D-0.5卧式矩形压力蒸汽灭菌器产品说明书通过ISO9001国际质量管理体系认证企业湖南省XXXXXXXXXXXX限X公司目录前言⋯⋯⋯⋯⋯⋯⋯⋯⋯⋯⋯⋯⋯⋯⋯⋯⋯⋯⋯⋯⋯⋯⋯⋯⋯⋯⋯⋯⋯⋯ 1一、原理及适用范围⋯⋯⋯⋯⋯⋯⋯⋯⋯⋯⋯⋯⋯⋯⋯⋯⋯⋯⋯⋯⋯⋯⋯⋯ 1二、主要技术参数⋯⋯⋯⋯⋯⋯⋯⋯⋯⋯⋯⋯⋯⋯⋯⋯⋯⋯⋯⋯⋯⋯⋯⋯⋯ 1三、结构及特点⋯⋯⋯⋯⋯⋯⋯⋯⋯⋯⋯⋯⋯⋯⋯⋯⋯⋯⋯⋯⋯⋯⋯⋯⋯⋯ 1四、环境要求⋯⋯⋯⋯⋯⋯⋯⋯⋯⋯⋯⋯⋯⋯⋯⋯⋯⋯⋯⋯⋯⋯⋯⋯⋯⋯⋯ 3五、安装与调试⋯⋯⋯⋯⋯⋯⋯⋯⋯⋯⋯⋯⋯⋯⋯⋯⋯⋯⋯⋯⋯⋯⋯⋯⋯⋯ 3六、使用前的准备及操作方法⋯⋯⋯⋯⋯⋯⋯⋯⋯⋯⋯⋯⋯⋯⋯⋯⋯⋯⋯⋯ 4七、注意事项⋯⋯⋯⋯⋯⋯⋯⋯⋯⋯⋯⋯⋯⋯⋯⋯⋯⋯⋯⋯⋯⋯⋯⋯⋯⋯⋯ 6八、部件维护⋯⋯⋯⋯⋯⋯⋯⋯⋯⋯⋯⋯⋯⋯⋯⋯⋯⋯⋯⋯⋯⋯⋯⋯⋯⋯⋯ 6九、门安全联锁装置说明⋯⋯⋯⋯⋯⋯⋯⋯⋯⋯⋯⋯⋯⋯⋯⋯⋯⋯⋯⋯⋯⋯7十、电加热操作规程⋯⋯⋯⋯⋯⋯⋯⋯⋯⋯⋯⋯⋯⋯⋯⋯⋯⋯⋯⋯⋯⋯⋯⋯7十一、常见故障产生原因及处理方法⋯⋯⋯⋯⋯⋯⋯⋯⋯⋯⋯⋯⋯⋯⋯⋯8十二、灭菌器示意图⋯⋯⋯⋯⋯⋯⋯⋯⋯⋯⋯⋯⋯⋯⋯⋯⋯⋯⋯⋯⋯⋯⋯10十三、电器电路图⋯⋯⋯⋯⋯⋯⋯⋯⋯⋯⋯⋯⋯⋯⋯⋯⋯⋯⋯⋯⋯⋯⋯⋯11十四、附件1:数显时间继电器使用说明⋯⋯⋯⋯⋯⋯⋯⋯⋯⋯⋯⋯⋯⋯12十五、附件2:智能显示调节仪使用指南⋯⋯⋯⋯⋯⋯⋯⋯⋯⋯⋯⋯⋯⋯13前言本说明书用于指导用户正确安装和操作本公司生产制造的卧式矩形灭菌器。
在安装和使用本设备之前,必须仔细阅读并理解本说明书,如有疑问,应向本公司专业技术人员咨询。
本设备的安装与调试,须由精通本设备的专业人员负责并在其指导下进行。
本设备的使用操作者必须经过专门培训,熟悉操作系统,在操作过程中严守操作规程。
每次灭菌完毕,在取出灭菌物后,必须彻底清理灭菌室内杂物,用清水刷洗干净, 并用干净棉布或棉纱擦干内壁水渍。
压力蒸汽灭菌器标准操作规程(总3页)本页仅作为文档封面,使用时可以删除This document is for reference only-rar21year.March压力蒸汽灭菌器操作规程,确保正确使用压力蒸汽灭菌器。
2 授权操作人经具有相关资格的机构培训并通过考核的检验科工作人员。
3 范围适用于检验科压力蒸汽灭菌器。
4 检测原理通过高温高压状态下的水蒸汽及其释放的大量的潜热对有细菌的菌体物质进行彻底的灭菌处理。
5 仪器性能相对湿度:≤85%。
运行温度:5-40℃。
大气压力:70kPa-106kPa。
工作电源:AC 220V±22V,50Hz±1Hz。
6 操作程序准备打开容器盖,取出灭菌内胆,手工加纯化水至高水位灯亮。
将电源接通,打开过载保护电源开关。
准备指示灯亮,观察高水位灯亮即可。
向灭菌内胆放置被灭菌物品。
被灭菌物包扎好后,顺序地放在灭菌内胆内的筛板上,包与包间必须留有适当的空隙,敷料包体一般以20cm*20cm*10cm为宜。
灭菌包内放置适当的灭菌指示物。
灭菌内胆放入主体后,将容器盖盖好,将紧固螺栓按顺时针方向旋紧,使盖与口密合,不宜旋的太紧,以免损坏橡胶密封垫圈。
设定灭菌工作参数:121℃,15分钟。
升温按“启动”键,灭菌器进入“升温”过程。
“升温”指示灯亮(必须高水位灯亮时才能加热)。
灭菌“灭菌”指示灯亮。
当室内温度到达设定的灭菌温度时,开始灭菌计时,计时以“秒”为单位递减。
当灭菌时间递减为0,转入结束,内室开始排汽,温度下降,当温度降至102℃蜂鸣器响,提示灭菌结束。
压力表指针归“0”,冷却20-30分钟,方可开盖取出灭菌物品。
7 质量控制物理监测:详细记录每锅的温度、压力和灭菌时间。
BD试验:对预真空和脉动真空压力蒸汽灭菌,每日进行一次BD试验(高压前第一锅)。
将BD测试纸包水平放于灭菌柜内灭菌架的底层靠近排气口处,柜内除测试包外无任何物品,根据其变色均匀度判断高压锅是否合格。
卧式高压灭菌器操作流程英文回答:Operating a horizontal autoclave sterilizer involves several steps to ensure effective sterilization. First, I need to prepare the items to be sterilized. This includes cleaning them thoroughly and removing any debris or organic matter. For example, if I am sterilizing surgical instruments, I would need to clean them with detergent and water before placing them in the autoclave.Next, I need to load the items into the autoclave chamber. It is important to arrange the items in a way that allows for proper steam circulation and heat distribution. Overloading the chamber can result in uneven sterilization. For instance, if I am sterilizing glassware, I would place them on racks or trays in a single layer, ensuring there is enough space between the items.Once the items are loaded, I need to close theautoclave door tightly to create a sealed environment. This is crucial to maintain the pressure required for sterilization. I would ensure that the door gasket is in good condition and free from any damage or debris that could compromise the seal.After closing the door, I can start the sterilization cycle. The specific settings may vary depending on the type of items being sterilized and the autoclave model. Generally, the cycle involves heating the chamber to a specific temperature, typically around 121-134 degrees Celsius, and maintaining that temperature for a set period of time, usually 15-30 minutes. This ensures that the items are exposed to enough heat to kill any microorganisms present.During the sterilization cycle, it is important to monitor the pressure and temperature inside the autoclave. Most autoclaves have built-in sensors and indicators to provide real-time feedback. I would keep an eye on these readings to ensure that the sterilization conditions are being maintained properly. If any abnormalities aredetected, such as a sudden drop in pressure or temperature, I would need to investigate and address the issue before continuing the cycle.Once the sterilization cycle is complete, I need to allow the autoclave to cool down before opening the door. This is to prevent any sudden release of steam or pressure, which could be dangerous. I would wait until the pressure inside the chamber has reached a safe level before slowly opening the door. It is important to be cautious and avoid any direct contact with the hot items or steam.Finally, I would carefully remove the sterilized items from the autoclave and store them in a clean and dry environment. It is essential to handle the items with clean gloves or tools to prevent recontamination. I would also label the items with the date of sterilization and anyother relevant information for proper tracking and usage.中文回答:操作卧式高压灭菌器需要几个步骤,以确保有效的灭菌。
压力蒸汽灭菌器操作标准操作规程范本1. 设备准备1.1 检查压力蒸汽灭菌器设备是否完好,无损坏或漏气现象。
1.2 蒸汽灭菌器内部是否清洁干净,无明显污渍和残留物。
1.3 检查设备电源是否正常,温度计、压力计等仪表是否准确。
1.4 准备好所需的密封容器、灭菌包和灭菌指示物等辅助工具。
2. 准备待灭菌物品2.1 将待灭菌物品按照要求分类,清洁干净,无明显污渍和残留物。
2.2 使用合适的容器将待灭菌物品密封包装,确保无菌状态。
3. 装载物品3.1 将密封好的待灭菌物品放入压力蒸汽灭菌器内,注意避免堆积过密或密封不严造成热气流通不畅。
3.2 关闭灭菌器门,确保密封完好,防止蒸汽泄漏。
4. 设置灭菌参数4.1 依据待灭菌物品的特性,设置合适的灭菌温度和时间。
4.2 根据待灭菌物品的包装方式,设置合适的灭菌压力。
4.3 根据灭菌器的实际要求,设置适当的排气时间。
4.4 将设定好的灭菌参数输入控制面板,确保设备准确运行。
5. 开始灭菌过程5.1 按下启动按钮,启动压力蒸汽灭菌器。
5.2 在开始灭菌过程后,定时观察设备运行状态,确保各项指标正常。
6. 监测灭菌过程6.1 在整个灭菌过程中,密切关注压力蒸汽灭菌器的温度和压力变化。
6.2 根据灭菌物品的特性,选择合适的检测方法和工具,确保灭菌过程的有效性。
7. 停止灭菌过程7.1 在设定的灭菌时间结束后,关闭压力蒸汽灭菌器的电源。
7.2 等待设备降温至安全温度后,方可打开灭菌器门。
8. 验证灭菌效果8.1 打开灭菌器门后,小心取出被灭菌物品。
8.2 根据灭菌物品的特性,进行相应的验证检测。
8.3 根据验证结果,判断灭菌效果是否符合要求,做出相应的记录。
9. 清洁和维护9.1 在使用完压力蒸汽灭菌器后,将内部残留物进行清理,确保设备干净卫生。
9.2 对设备进行定期维护和检修,保持设备的正常运行和验证灭菌效果的可靠性。
9.3 对设备进行适当的消毒,以保证操作过程的无菌性。
压力蒸汽灭菌器操作标准操作规程模版一、范围本标准适用于压力蒸汽灭菌器的正常操作和使用过程中,以确保灭菌器正常运行并确保灭菌质量的要求。
二、术语和定义1. 压力蒸汽灭菌器:一种利用高温高压蒸汽进行杀菌的设备。
2. 灭菌:通过高温高压蒸汽杀灭菌体内酶的活性和蛋白质的功能,达到灭菌的目的。
3. 消毒:通过高温高压蒸汽杀灭菌体内酶的活性和破坏细胞壁的结构,使菌落总数在一定时间内减少一定比例,达到消毒的目的。
三、操作规程1. 检查压力蒸汽灭菌器的工作状态(1) 检查设备是否接通电源。
(2) 检查设备的压力表、温度表和安全阀是否正常。
(3) 检查设备的密封性能是否良好。
2. 准备灭菌器(1) 清洁灭菌器内外表面,确保没有污垢和异物。
(2) 检查灭菌器内部的隔板、蒸汽管道和排气阀是否畅通。
3. 准备灭菌材料(1) 清洁灭菌材料,确保没有污垢和异物。
(2) 将灭菌材料装入适当的容器中,保证灭菌材料在灭菌过程中能够受到充分的蒸汽接触。
4. 设置灭菌参数(1) 根据灭菌材料的特性和要求,设置合适的压力和温度。
(2) 根据灭菌时间的要求,设置合适的时间。
5. 开始灭菌过程(1) 将灭菌器的开关置于“开”位,开始给灭菌器供电。
(2) 等待灭菌器内部压力上升至设定值。
(3) 当灭菌器内部压力达到设定值后,开始计时,保持设定的温度和压力一段时间。
6. 灭菌结束(1) 当设定的灭菌时间到达时,关闭灭菌器的电源。
(2) 等待灭菌器内部压力下降至安全范围后,打开灭菌器的排气阀,以保证灭菌器内部的压力迅速释放。
(3) 打开灭菌器的门,将灭菌材料取出。
7. 清洁灭菌器(1) 关闭灭菌器的排气阀。
(2) 清洁灭菌器内部和外部表面,去除灭菌过程中产生的污垢和残留物。
8. 记录和存档(1) 记录灭菌器的使用情况,包括日期、时间、灭菌材料、灭菌参数等。
(2) 将记录存档,以备后续查询和追溯。
四、注意事项1. 在灭菌过程中,严禁将手或其他物体伸入灭菌器内部。
目录※产品名称※规格型号※产品执行标准※产品技术参数※产品应用范围※产品操作程序※注意事项及说明※产品承诺※免责声明注:本设备须经当地锅炉压力容器安全监察机构登记注册,并发给注册编号后方能投入使用。
一、产品名称:快冷压力蒸汽灭菌器二、规格型号:WJ-1.2ⅠKL三、产品执行标准《压力容器安全技术监察规程》GB150-98《钢制压力容器》GB/T8600-1988《压力蒸汽灭菌器效果检验方法》YY91009-1999《压力蒸汽灭菌器技术条件卧式矩形》五、产品应用范围产品采用饱和蒸汽作为介质,以重力排气方式消除冷空气对温度的影响最终结合快速冷却系统使被消毒物品快速降温。
广泛适用于医院、医药、科研等单位,对玻璃器皿等单位及大输液、口服液等物品的灭菌。
六、产品操作程序A:液体灭菌1、将待灭菌物品正确装入灭菌柜,锁紧柜门至不泄漏为止。
2、开启蒸汽源总阀(柜体外设臵)后,观察汽源、水源压力表上示值是否满足使用要求(汽源:0.3~0.6MPa,水源:0.15~0.3MPa)。
开启电源总闸(柜体外设臵)及空气压缩机开关(柜体外设臵空气压缩机会自动控制空气压力保持在0.4~0.8MPa)。
3、依据待灭菌物品和灭菌规范设臵灭菌温度及灭菌时间调定温度控制仪上的灭菌温度值及时间继电器上的灭菌时间值。
(一经调定,如无改变可长期不动)4、灭菌物品装入柜内,关闭柜门至不泄漏为止。
5、关闭内层排水阀、内层回气阀及内层进水阀。
6、开启控制面板上内层进汽开关,此时应适量微开内层排汽阀,既排出内层冷凝水汽,又不致使蒸汽大量逸出流失,且才能正确显示内层温度。
7、当内层压力表示值升至额定工作压力,温度控制仪上的温度示值已达到灭菌温度时,压力控制器通过内层进汽气动阀的开、关自动控制内层压力的高低端以保持内层温度为所设定的灭菌温度值,此时,时间继电器即开始灭菌时间计时。
灭菌时间到时,蜂鸣器鸣声示警。
8、关闭内层进汽开关,由缓至全开内层排汽阀,排尽内层蒸汽,直至内层压力表示值下降至0。
压力蒸汽灭菌器操作标准操作规程一、概述本文档是针对压力蒸汽灭菌器的使用进行的操作规程,目的在于规范使用流程,保证设备正常运作,从而保障医疗卫生质量和患者安全。
本文档适用于所有操作人员,包括但不限于医院、诊所、检验室等各类医疗机构和化验室,必须始终按照规程操作,以确保设备稳定运行。
二、设备介绍压力蒸汽灭菌器(Steam Sterilizer)是一种常用的灭菌设备,其内部采取真空干热蒸汽技术实现对细菌、病毒等微生物的灭活。
设备通常包括主机、控制系统、电源系统、加热系统、冷却系统以及运转系统等组成部分。
设备的特点是灭菌效率高、安全可靠、无污染、节能环保等。
其主要适用于医院、实验室、化验室等场所的细菌、病毒、真菌等微生物灭活。
三、操作细节1. 设备检测• a.检查设备及其附件是否完整,是否有损坏现象。
• b.检查加热系统和冷却系统是否工作正常。
• c.检查控制系统、电源系统、运转系统等电气部件是否正常接通。
• d.检查设备的电子显示屏、指示灯、警告灯是否显示正确。
• e.检查灭菌器的废气排放口和蒸汽出口是否畅通。
如有堵塞需清洁。
2. 操作流程• a.将准备灭菌的物品(如器械、布料等)放入灭菌器的装载篮中,按照灭菌指示图正确摆放。
不要过量装载,以免影响灭菌效果。
• b.关闭灭菌器门,注意门的密闭性。
安全机制必须处于推进动作位置。
• c.打开控制系统电源,打开相关程序软件,根据物品类型和杀菌周期要求选择相应的程序。
• d.程序选择完成后,按照要求设置灭菌温度、压力、时间和干燥时间。
• e.设置完毕后启动灭菌器,开始细菌灭活过程。
在整个灭菌过程中,必须始终保证压力、温度、湿度等参数的稳定性。
• f.灭菌结束后,灭菌器自动提示,应及时进行灭菌器门的开启和监控各项灭菌参数的完成情况,防止物品被污染。
•g.取出已灭菌物品,并用无菌工艺运输至使用现场,避免二次污染。
3. 注意事项• a.切勿随意操作灭菌器,尤其是对控制系统参数的调整和设备的拆改,一旦操作不当或参数设置不当可能会影响灭菌效果,导致严重危害。
灭菌器操作说明书操作说明书1. 产品介绍灭菌器是一种专用设备,用于对物品进行高温灭菌处理。
本操作说明书旨在帮助用户正确操作灭菌器,确保灭菌效果和用户安全。
2. 安全注意事项- 在使用灭菌器之前,请先阅读本操作说明书,并按照指引正确操作。
- 仅允许专业人员操作灭菌器,确保操作的正确性和安全性。
- 在操作过程中,请佩戴防护手套和防护眼镜,避免烫伤和飞溅物伤害。
- 请确保灭菌器周围无易燃物品,以免发生火灾。
- 灭菌器表面温度很高,请避免直接接触,以免烫伤。
3. 准备工作- 将灭菌器放置于通风良好的地方,确保操作环境符合安全要求。
- 检查灭菌器是否连接到正常电源,并保证电源接头接触良好。
- 将待灭菌物品放置在灭菌器的合适位置,确保不超过设备的容量限制。
4. 操作步骤正确的操作步骤将保证灭菌器的使用效果和用户的安全,按照以下步骤进行操作:a) 打开灭菌器的控制面板,并确保仪器已启动。
b) 设置灭菌器的温度和时间参数,根据不同物品的需求进行调整。
c) 等待灭菌器达到预设温度,并保持一段时间以确保彻底灭菌。
d) 等待灭菌过程结束,关闭灭菌器,并断开电源。
e) 等待灭菌器冷却至安全温度后,打开灭菌器的门,取出已灭菌物品。
f) 观察灭菌物品的状态,确保完全达到灭菌效果。
g) 关闭灭菌器的门,并进行清洁和消毒,以保持设备的卫生状态。
5. 故障处理如果在使用过程中遇到任何故障,请及时采取以下操作:a) 停止操作,切断电源,并确保设备冷却后再进行检修。
b) 如果故障是温度控制方面的问题,请联系售后服务中心进行维修。
c) 如果故障是电源或其他方面的问题,请联系相关专业人员进行维修。
6. 注意事项- 严禁在未冷却的状态下打开灭菌器门,以免烫伤。
- 在灭菌器进行工作期间,严禁将手插入设备内部,以免触电和烫伤。
- 定期检查灭菌器的电源线和控制面板,确保设备状态正常。
- 定期对灭菌器进行维护和保养,以延长设备使用寿命。
- 请勿私自拆卸或改装灭菌器,以免影响设备的性能和安全。
卧式矩形压力蒸汽灭菌器的操作流程下载温馨提示:该文档是我店铺精心编制而成,希望大家下载以后,能够帮助大家解决实际的问题。
文档下载后可定制随意修改,请根据实际需要进行相应的调整和使用,谢谢!并且,本店铺为大家提供各种各样类型的实用资料,如教育随笔、日记赏析、句子摘抄、古诗大全、经典美文、话题作文、工作总结、词语解析、文案摘录、其他资料等等,如想了解不同资料格式和写法,敬请关注!Download tips: This document is carefully compiled by theeditor. I hope that after you download them,they can help yousolve practical problems. The document can be customized andmodified after downloading,please adjust and use it according toactual needs, thank you!In addition, our shop provides you with various types ofpractical materials,such as educational essays, diaryappreciation,sentence excerpts,ancient poems,classic articles,topic composition,work summary,word parsing,copy excerpts,other materials and so on,want to know different data formats andwriting methods,please pay attention!卧式矩形压力蒸汽灭菌器是一种常用的实验室设备,用于杀灭细菌、病毒和其他微生物,以确保实验材料的无菌状态。
YXQ.WF21D-0.5卧式矩形压力蒸汽灭菌器产品说明书通过ISO9001国际质量管理体系认证企业湖南省XXXXXXXXXXXXX限公司目录前言 (1)一、原理及适用范围 (1)二、主要技术参数 (1)三、结构及特点 (1)四、环境要求 (3)五、安装与调试 (3)六、使用前的准备及操作方法 (4)七、注意事项 (6)八、部件维护 (6)九、门安全联锁装置说明 (7)十、电加热操作规程 (7)十一、常见故障产生原因及处理方法 (8)十二、灭菌器示意图 (10)十三、电器电路图 (11)十四、附件1:数显时间继电器使用说明 (12)十五、附件2:智能显示调节仪使用指南 (13)前言本说明书用于指导用户正确安装和操作本公司生产制造的卧式矩形灭菌器。
在安装和使用本设备之前,必须仔细阅读并理解本说明书,如有疑问,应向本公司专业技术人员咨询。
本设备的安装与调试,须由精通本设备的专业人员负责并在其指导下进行。
本设备的使用操作者必须经过专门培训,熟悉操作系统,在操作过程中严守操作规程。
每次灭菌完毕,在取出灭菌物后,必须彻底清理灭菌室内杂物,用清水刷洗干净,并用干净棉布或棉纱擦干内壁水渍。
本设备为一类压力容器,严禁超压使用,有关容器具体数据,详见本设备质量证明书。
使用本设备前,应向当地压力容器主管部门申报备案。
本说明书更改权属设计者,本说明书若有更改恕不通知。
一、原理及适用范围本设备为电加热式卧式矩形压力蒸汽灭菌器,是采用饱和蒸汽进行消毒灭菌,利用蒸汽冷凝时释放大量潜热,使被消毒的物品处于高温和潮湿状态,经过一定时间,破坏所有细菌及芽胞组织,达到消毒灭菌的目的。
被广泛用于医疗、食品、制药等行业以及科研院所,对手术器械、敷料、药品、培养基、食品等作消毒灭菌之用。
二、主要技术参数三、结构及特点灭菌器主体是密闭的双层结构-----由灭菌室(内室)、蒸汽夹套及水箱所组成。
水箱中的水在电热作用下产生蒸汽,直接进入夹套,当蒸汽充满夹套时,灭菌器壁也随之被加热。
灭菌室与夹套之间装有电磁阀,操作时只要启动“灭菌”开关,压力蒸汽便由夹套通过电磁阀进入灭菌室。
同时还能满足对灭菌物品的预热、干燥的要求。
灭菌室的温度表、压力表、操作开关、操作指示灯等都集中安装在正面上方的仪表箱控制面板上,便于操作和观察。
操作面板上有三个操作按钮,操作者只要按程序启动各按钮,灭菌器即能正常运行。
各按钮的作用如下:开关---电源开关;加热方式---电热/蒸汽切换开关。
启动此开关,电蒸汽发生器开始工作;关闭此开关,可直接蒸汽加热。
灭菌---当夹套的蒸汽压力达到正常工作压力时,启动此开关,夹套内蒸汽便可顺利进入灭菌室,对物品进行灭菌。
灭菌器顶部装有微启式弹簧安全阀,当灭菌器内压力超过最高允许范围时,能自动开启、排放超压蒸汽,待灭菌器的蒸汽压力回降至正常时,能自动关闭,起到确保安全使用的作用。
灭菌室的夹套外覆以罩壳,罩壳与夹套外壁之间填充绝热性能良好的硅酸铝棉,有利于节省能源和避免环境温度过分升高。
灭菌室的门采用撑档转盘式快开门锁紧装置,并在门上装有安全联锁装置,使用灵活,安全可靠。
灭菌器装有“冷凝控制阀”,其作用是自动将灭菌器内之空气及冷凝水自动排出,使灭菌室能达到工作压力下的相应温度,确保灭菌之效果。
电加热装有压力控制器对蒸汽压力维持稳压的装置。
蒸汽加热装有调节蒸汽的减压阀,使其控制范围为:0.07~0.15MPa,以便对不同类型的灭菌物品应用不同的蒸汽温度进行灭菌操作。
五、安装与调试1、安装1.1设备应安装在专门房间内,安装前应考虑好水源、汽源、电源的方便进入及排水排汽设施的配套。
1.2安装地点应平整,以灭菌器内室底面为准,设备就位必须水平,稳固。
1.3安装地点采光要好,以便于观察和操作。
1.4安装时,必须预留开门位置,考虑被灭菌物品的进出方便。
1.5若用户使用外供蒸汽时,应将蒸汽源管道接到“进蒸汽阀”上。
注意:在“进蒸汽阀”前用户自备疏水、排水装置,以便排出蒸汽管道中的积水和污物,冷凝水不得进入灭菌器内!若不用外供蒸汽,可以不接,只要将“进蒸汽阀”关闭即可。
1.6将水源管道接到“进水阀”上。
1.7将排水管接到“排水阀”,并将“疏水阀”出口与排水管相联。
1.8若用户不想将蒸汽排在室内,可装一根排汽管与本设备排汽管相联即可。
1.9接好三相四线制380V/220V电源,并可靠接地。
电源进入灭菌器控制箱之前,应装设一只容量≥100A的空气开关,作为灭菌器的电源总开关。
接零和接地一定要分开。
1.10因长途运输可能造成本设备有连接处或紧固处松动,应全面检查一遍,将松动处全部紧固好。
1.11本设备出厂时皆经升温检测,但使用单位在安装就绪后,仍应操作实验,直到能正常工作后,方可投入使用。
2、调试2.1当设备安装完毕后,再对以上项目检查一遍,确认无误后,便可开始调试。
2.2把敷料包放进灭菌室内,按使用操作程序进行调试,对设备各项性能进行检查,如遇故障按常见故障处理方法解决。
经过调试最终使设备各项性能达到要求。
六、使用操作方法使用前的准备工作1.若使用外供蒸汽时,必须检查外供蒸汽压力是否符合要求,供汽管路内的冷凝水是否排尽。
2.检查各仪表是否正常,电源是否正确良好,三相是否平衡,电磁阀是否处于“关闭”位置,并设定好各控制参数(用户根据所灭菌的物品定)。
操作方法如下:2.1 堆放:将待灭菌的物品予以妥善包扎,顺序地、相互间保持适当间隙地放入灭菌室内。
这样,有利于蒸汽的穿透,确保消毒效果。
堆放敷料时,不宜紧靠灭菌室门,以免冷凝水沿着门壁滴在敷料上不易干燥。
敷料包不宜过大,一般以200×200×100㎜为最佳,否则,将会延长灭菌时间,具体应根据实验后确定。
对溶液进行灭菌时,应灌注于硬质耐热玻璃瓶中,以不超过其容积的3/4为宜,用棉花纱布塞将瓶塞好,并用纱绳扎于瓶颈上,防止纱布塞落入瓶内,切勿使用未打孔的橡胶或软木塞。
最好将玻璃瓶放置于容积稍大的搪瓷或金属盘内,以防玻璃瓶爆裂时,溶液流失和污染灭菌室金属内壁。
2.2 关门:将门关上,按顺时针方向转动手轮,使撑挡杆进入门栓孔内。
继续转动手轮,使门和橡胶垫圈密合。
2.3 进蒸汽2.3.1电加热式水箱加水产生蒸汽:必须在操作前关闭外接蒸汽进汽阀,开启进水阀(25),使水进入水箱内,加至高水位顶端5-10㎜处为止,然后关闭进水阀(25)。
每次灭菌前都应该检查贮水,如有不够应予补充。
2.3.2 直接蒸汽:关闭加热开关,打开排水阀(23),将水箱内的水放尽。
调节排水阀(23),连接汽源。
2.4 加热2.4.1 电加热:将电源开关拨至“开”,电源指示灯亮,开启加热开关,加热指示灯亮,表示水箱已开始加热,产生蒸汽进入夹套。
当水箱水位低于规定时,能自动切断加热电源,低水位指示灯亮,蜂鸣器报警。
这时应关闭电源开关,待夹层蒸汽压力为零时再加水。
加水后,方能继续加热。
当压力超过压力控制器设定的压力时加热电源会自动切断,指示灯亦随即熄灭。
以后电流时通时断,自动使压力保持稳定。
2.4.2 直接蒸汽加热型:先将电源开关拨“开”,关闭加热方式开关,再将蒸汽减压阀拨至所需工作压力档,然后,开启蒸汽进汽控制阀,使外来蒸汽进入灭菌器夹套,蒸汽压力由夹套压力表指示。
在加热时要适当地打开排水阀(23)使冷凝水从夹套内排出,确保达到相应的温度。
e、灭菌:当夹套内的加热蒸汽达到所选择的控制压力时,即可开启“灭菌”开关,蒸汽进入灭菌室。
当压力达到0.11MPa左右,关闭灭菌开关,全部打开冷凝控制阀(19),排出冷气,使内室压力为零后,再打开灭菌开关,升压,将内层疏水器前的冷凝控制阀(19)旋开少许,冷凝水和少许蒸汽由疏水器不断排出。
当灭菌室温度表达到预选温度值时,数显时间继电器开始计算灭菌时间。
各类物品的所需灭菌时间温度及相应压力,参见下表:f、排汽:当灭菌时间到达后,灭菌室内的蒸汽会自动排出。
当灭菌室压力表下降至“0”位后,再候1~2分钟,让其自然冷却,然后再按开门步骤开门。
g、开门:关闭电源开关,确认内层压力为“0”时,逆时针方向转动手轮,使撑档杆从门栓孔中脱开后。
对于下敷料等不受温度影响的物品,可马上旋开门,取物;对于玻璃器皿等受温度影响,易发生爆炸的灭菌物品,不能马上将门旋开,而需打开少许5~10mm,让灭菌室内温度与外部一致,才能将门全部打开,取出物品,以免遇冷发生爆炸。
提示:“汽未放尽,请勿开门!!”七、注意事项1、不同类型的物品最好不要同时进行灭菌。
如敷料与溶液,橡胶与器械等,以免顾此失彼,不能获得良好的效果。
2、停电或意外事件时,应立即切断电源,蒸汽加热时应立即关闭进汽阀,同时打开疏水器前的控制阀(19)和排水阀(23),以便及时排出夹层和内层中的蒸汽。
3、电加热时,要求三相电源平衡,否则易烧坏保险或电热管。
同时还应经常观察水位情况,水位偏低,应及时加水。
定期清除导电柱上的水垢。
4、压力表、安全阀应定期检查校验,发现失灵或损坏,应及时维修或更换。
安全阀提柄每周应提拉1-2次,以保持其灵活状态。
5、电器接头应经常检查,以防松动。
设备应确切接地,以保安全。
6、应保持灭菌器的清洁和干燥,特别是暂时不用时,更应揩擦干净,以免受到腐蚀,对转动机件应及时加润滑油。
7、避免不锈钢受氯离子的腐蚀,注意使用水质中的氯离子含量不能超过25ppm。
8、灭菌器应在完好状况下进行操作,并应由熟悉业务者定期维护,以保证正常运行。
八、部件维护:1、门密封圈:门密封圈系橡胶制品,遇老化和残损而漏气时,应及时更换。
2、压力表:凡遇指针不能回复“0”位,读数不准等情况,应及时更换。
并应送计量部门定期校验。
3、温度表:灭菌器装有LED温度显示仪,其测温部位在灭菌室前下端冷凝水出口处,如发现温度显示不准或失灵时,在确认灭菌室冷凝水管中无冷凝水积留的情况下需对温度计进行维修或更换新表。
4、压力控制器:灭菌器装有压力控制器一只,出厂时经调整在0.15MPa,使用一个时期后,如有较大误差,可旋转控制器上旋钮加以调整。
调整后通电加热,在到达所需压力时,加热指示灯能自动熄灭或明亮,当压力维持稳定,说明压力控制器工作正常。
5、低水位断电器:本器应定期进行检查,其检查方法如下:将水箱内水加至正常水位接通电源。
此时,电源指示灯和加热指示灯都应相继发亮表示电加热情况正常。
随后旋开液位排污阀(26),当水位管的水位低于导电柱尖端时,低水位指示灯应随时报警发亮表示加热电源已切断。
随后,应于水箱内加水,当水位加至超过导电柱顶端后,指示灯应随即熄灭,同时,加热指示灯应随即发亮表示加热系统工作正常。
6、电热管:水箱装有U形电热管6支,每支6KW,适合380V三相电源。
灭菌器之输入电源、电压应按照铭牌的规定,不能任意采用。
应定期清除电热管表面水垢,以免影响传热效果。