第三章 分析天平和称量
- 格式:pptx
- 大小:6.77 MB
- 文档页数:49
第三章 思考题与习题1.指出在下列情况下,各会引起哪种误差?如果是系统误差,应该采用什么方法减免? (1) 砝码被腐蚀;(2) 天平的两臂不等长; (3) 容量瓶和移液管不配套;(4) 试剂中含有微量的被测组分; (5) 天平的零点有微小变动;(6) 读取滴定体积时最后一位数字估计不准; (7) 滴定时不慎从锥形瓶中溅出一滴溶液;(8) 标定HCl 溶液用的NaOH 标准溶液中吸收了CO 2。
答:(1)系统误差中的仪器误差。
减免的方法:校准仪器或更换仪器。
(2)系统误差中的仪器误差。
减免的方法:校准仪器或更换仪器。
(3)系统误差中的仪器误差。
减免的方法:校准仪器或更换仪器。
(4)系统误差中的试剂误差。
减免的方法:做空白实验。
(5)随机误差。
(6)随机误差。
(7)过失误差。
(8)系统误差中的试剂误差。
减免的方法:做空白实验。
2.如果分析天平的称量误差为±0.2mg ,拟分别称取试样0.1g 和1g 左右,称量的相对误差各为多少?这些结果说明了什么问题?解:因分析天平的称量误差为mg 2.0±。
故读数的绝对误差g a 0002.0±=E根据%100⨯TE =E ar 可得 %2.0%1001000.00002.01.0±=⨯±=E ggg r%02.0%1000000.10002.01±=⨯±=E ggg r这说明,两物体称量的绝对误差相等,但他们的相对误差并不相同。
也就是说,当被测定的量较大时,相对误差就比较小,测定的准确程度也就比较高。
3.滴定管的读数误差为±0.02mL 。
如果滴定中用去标准溶液的体积分别为2mL 和20mL 左右,读数的相对误差各是多少?从相对误差的大小说明了什么问题?解:因滴定管的读数误差为mL 02.0±,故读数的绝对误差mL a 02.0±=E 根据%100⨯T E =E ar 可得 %1%100202.02±=⨯±=E mLmLmL r%1.0%1002002.020±=⨯±=E mLmLmL r这说明,量取两溶液的绝对误差相等,但他们的相对误差并不相同。
分析天平和称量分析天平是定量分析中常用的精密仪器之一,每一项定量分析都直接或间接地需要使用天平。
根据不同的精度和结构,可把天平分为工业天平和分析天平。
工业天平指常见的托盘天平,常用的分析天平有普通天平、阻尼天平,机械加码的电光天平、单盘电光天平等。
称量的准确度直接影响着分析结果的准确性。
因此,我们应认真学习和了解分析天平的原理、构造和使用方法,并通过多次称量练习,熟练掌握天平操作技能,以保证取得准确的称量结果。
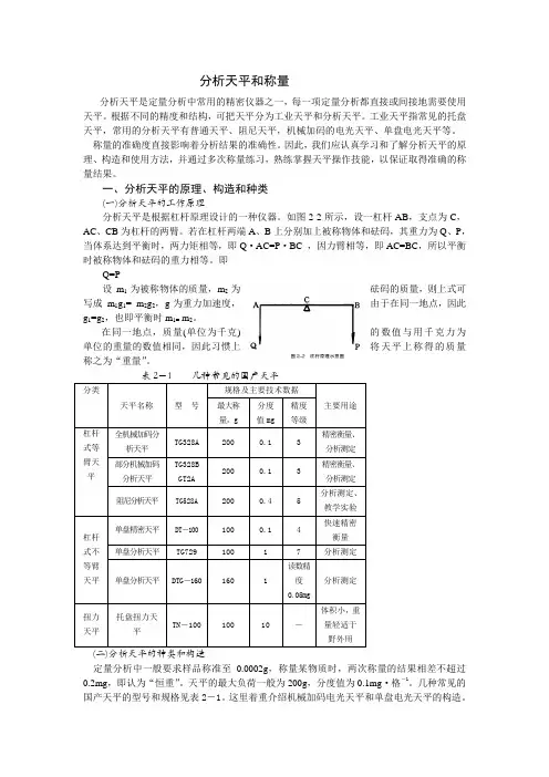
一、分析天平的原理、构造和种类(一)分析天平的工作原理分析天平是根据杠杆原理设计的一种仪器。
如图2-2所示,设一杠杆AB,支点为C,AC、CB为杠杆的两臂。
若在杠杆两端A、B上分别加上被称物体和砝码,其重力为Q、P,当体系达到平衡时,两力矩相等,即Q·AC=P·BC ,因力臂相等,即AC=BC,所以平衡时被称物体和砝码的重力相等。
即Q=P设m1为被称物体的质量,m2为砝码的质量,则上式可Array写成m1g1= m2g2,g为重力加速度,由于在同一地点,因此g1=g2,也即平衡时m1= m2。
在同一地点,质量(单位为千克)的数值与用千克力为单位的重量的数值相同,因此习惯上将天平上称得的质量称之为“重量”。
定量分析中一般要求样品称准至0.0002g,称量某物质时,两次称量的结果相差不超过0.2mg,即认为“恒重”。
天平的最大负荷一般为200g,分度值为0.1mg·格-1。
几种常见的国产天平的型号和规格见表2-1。
这里着重介绍机械加码电光天平和单盘电光天平的构造。
1、 机械加码电光天平天平的结构如图2-3,主要部件的构造和作用如下:(1) 横梁 横梁是天平的主要部件。
在横梁上装有三个互相平行并位于同一水平面上的棱形玛瑙刀口,中间的刀刃向下,天平工作时架在天平立柱顶部的玛瑙平板(刀垫)上,它是横梁的支点;另两个玛瑙刀口在梁的两端,刀刃向上,天平工作时,吊耳上的刀垫与之接触,使天平盘的重力作用于梁的两端,它是横梁的力点。
分析天平称量练习的实验报告分析天平称量练习的实验报告范文一、实验目的1、掌握直接称量法、固定质量称量法和递减称量法。
2、练习并熟练掌握分析天平的基本操作和常用称量方法。
3、培养准确,整齐,简明记录实验原始数据的习惯。
二、实验用品托盘天平;半机械加码电光分析天平;电子天平;表面皿;称量瓶;纸条;烧杯等。
三、实验原理(一)分析天平的称量方法分析天平的称量方法一般有直接称量法,固定质量称量法和递减称量法三种。
1、接称量法(又称直接法)该法一般用于称量某一不吸水、在空气中性质稳定的固体(如坩锅、金属、矿石等)准确质量。
称量时,将被称量物直接放入分析天平中,称出其准确质量。
2、定质量称量法该法一般用于称取某一固定质量的试样(一般为液体或固体的极细粉末,且不吸水,在空气中性质稳定)。
称量时先在分析天平上称出干净且干燥的器皿(一般为烧杯、坩锅、表面皿等)的准确质量,再将分析天平增加固定质量的`砝码后,往天平的器皿中加入略少于固定质量的试样,再轻轻震动药匙使试样慢慢撒入器皿中,直至其达应称质量的平衡点为止。
3、递减称量法(又称差减法)该法多用于称取易吸水、易氧化或易与CO2反应的物质。
要求称取物的质量不是一个固定质量,而只要符合一定的质量范围既可。
称量时首先在托盘天平上称出称量瓶的质量,在将适量的试样装入称量瓶中在托盘天平上称出其质量,然后放入分析天平中称出其准确质量m1。
取出称量瓶,移至小烧杯或锥形瓶上方,将称量瓶倾斜,用称量瓶盖轻敲瓶口上部,使试样慢慢落入容器中(图4)。
当倾出的试样已接近所需要的质量中,慢慢地将瓶竖起,再用称量瓶盖轻敲瓶口上部,使黏在瓶口的试样落在称量瓶中,然后盖好瓶盖将称量瓶放回天平盘上,称出其质量。
如果这时倾出的试样质量不足,则继续按上法倾出,直至合适为止,称得其质量m2,如此继续进行,可称取多份试样。
两次质量之差即为倾出的试样质量。
注意:①不管是用哪一种称量方法,都不许用手直接拿称量瓶或试样,可用一干净纸条或塑料薄膜等套住拿取,取放称量瓶瓶盖也要用小纸片垫着拿取(图5)。
第三章分析天平、误差与数据处理天平是定量分析中用来称取物质质量的一种精密仪器。
一般分为普通天平(即托盘天平)和分析天平。
第一节分析天平一天平的工作原理1 机械天平的工作原理杠杆原理:A__________C___________BQ PQ×AC=P×BC若力臂相等,即AC=BC,则Q=P所以m物g = m砝码gm= m砝码物2 电子天平的原理通电导线在磁场中会产生电磁力。
被称物重力向下,电磁力方向向上,二者平衡时,则电流大小与被称物的质量成正比。
mg=F=k×I二分析天平的种类和构造目前无比较完善的、准确的分类方法。
通常按构造特点,分为等臂双盘天平和不等臂单盘天平。
双盘天平又分为阻尼天平和无阻尼天平(摇摆天平)。
按天平的精度,分为“万分之一天平”、“十万分之一天平”、“百万分之一天平”。
1双盘自动分析天平分为部分机械加码(半自动)分析天平和全部机械加码(全自动)分析天平。
主要部件及其作用(参见课本P61、63的图 )(1)横梁上有三个互相平行、并位于同一水平的玛瑙刀口。
中间的一个刀口向下,作为杠杆的支点;两端的刀口向上,承载两个天平盘上的重量。
(2) 立柱支承横梁,上部有一玛瑙平板(刀垫)。
柱上有支架,下部有升降枢钮。
开动枢钮时,支架上升并托住横梁,天平处于休止状态;支架下降时,横梁上玛瑙刀刃落在支承平板上,天平处于工作状态。
(3) 装码装置吊耳盘托:天平休止时,托住天平盘盒式砝码(半自动天平有)(4)空气阻尼盒(5)光学读数装置2 单盘电光天平(略)三天平的灵敏度天平的灵敏度:天平一个盘增加1mg质量所引起的指针偏移的程度。
单位:格/ mg实际中,用“感量”来表示其灵敏度。
是灵敏度的倒数,mg / 格。
天平的灵敏度和三个玛瑙刀口的棱边锋利程度、三个玛瑙平板的光滑程度有关。
刀口越锋利,刀垫越光滑,就越灵敏。
四分析天平的使用基本步骤:检查调零等——进行称量(左物右码,半自动分析天平)——读数——再测天平零点——还原归位。
分析天平称量方法分析天平如何操作分析天平是精准称量确定质量物质的仪器。
称量前应检查天平是否正常,是否处于水平位置,吊耳、圈码是否脱落,玻璃框内外是否清洁。
分析天平是定量分析工作中不可缺分析天平是精准称量确定质量物质的仪器。
称量前应检查天平是否正常,是否处于水平位置,吊耳、圈码是否脱落,玻璃框内外是否清洁。
分析天平是定量分析工作中不可缺少的紧要仪器,一般是指能精准明确称量到0.0001克(0.1毫克)的天平。
分析天平称量方法:(1)直接称量法:所称固体试样假如没有吸湿性并在空气中是稳定的,可用直接称量法。
先在天平上精准称出干净容器的质量,然后用药匙取适量的试样加入容器中,称出它的总质量。
这两次质量的数值相减,就得出试样的质量。
(2)减量法:在分析天平上称量一般都用减量法。
先称出试样和称量瓶的精准明确质量,然后将称量瓶中的试样倒一部分在待盛药品的容器中,到估量量和所求量相接近。
倒好药品后盖上称量瓶,放在天平上再精准明确称出它的质量。
两次质量的差数就是试样的质量。
假如一次倒入容器的药品太多,必需弃去重称,切勿放回称量瓶。
假如倒入的试样不够可再加一次,但次数宜少。
(3)指定法:对于性质比较稳定的试样,有时为了便于计算,则可称取指定质量的样品。
用指定法称量时,在天平盘的两边各放一块表面皿(它们的质量尽量接近),调成天平的平衡点在中心刻度左右,然后在左边天平盘内加上固定质量的砝码,在右边天平盘内加上试样(这样取放试样比较便利),直至天平的平衡点达到原来的数值,这时,试样的质量即为指定的质量。
分析天平注意事项:(1)动作要缓而轻:升降旋枢缓慢打开且开至最大位置,渐渐转动圈码,防止圈码脱落或错位。
(2)称量物不能直接放在称量盘内,依据称量物的不同性质,可放在纸片、表面皿或称量瓶内。
不能称超过天平最大载重量的物体。
(3)同一称量过程中不能更换天平,以免产生相对误差。
(4)使用分析天平常除应遵奉并服从托盘天平有关操作规定外,还应注意:添加砝码、取放称样或其它原因接触天平常应先把天平梁托住,否则易使刀口损坏,这是使用天平规定中紧要的一条。
分析天平称量实验报告天平称量实验报告分析引言:天平称量实验是化学实验中常见的一种实验方法,通过天平来测量物质的质量。
本文将对天平称量实验进行分析,探讨其原理、步骤、误差以及实验结果的可靠性。
一、实验原理天平称量实验的原理基于质量守恒定律,即物质在化学反应中质量不会增加或减少。
通过天平的测量,可以得到物质的质量信息,从而进行定量分析。
二、实验步骤1. 准备工作:清洁天平,并确保天平平稳放置在水平台面上。
2. 归零:在称量前,需要将天平归零,确保测量的准确性。
3. 称量物质:将待称量的物质放置在称量皿上,并记录下初始质量。
4. 精确称量:逐渐加入物质,直到达到所需的质量,并记录下实际质量。
5. 记录结果:将实际质量与初始质量进行比较,计算出物质的净质量。
三、误差分析1. 仪器误差:天平的精确度和灵敏度会对实验结果产生影响。
较低精确度的天平可能导致测量结果的偏差。
2. 操作误差:称量过程中的不准确操作也会引入误差。
例如,物质的加入速度过快或过慢,都可能导致测量结果的不准确。
3. 环境误差:温度、湿度等环境因素也可能对实验结果产生影响。
因此,在进行天平称量实验时,应尽量保持环境的稳定性。
四、实验结果的可靠性天平称量实验的结果可靠性取决于多个因素。
首先,天平的精确度和灵敏度是关键。
如果使用高精度的天平,并且在合适的负载范围内进行称量,结果将更加可靠。
其次,操作的准确性也是影响结果可靠性的因素。
操作时应尽量避免人为误差,例如,加入物质时应注意速度和均匀性。
最后,实验环境的稳定性也是确保结果可靠性的重要因素。
适宜的温度和湿度可以减少环境误差的影响。
五、实验应用天平称量实验在化学实验中有广泛的应用。
它可以用于测量固体、液体和气体等不同形态的物质的质量。
在化学合成、配制溶液、制备标准物质等实验中,天平称量实验都扮演着重要的角色。
同时,天平称量实验也是其他化学实验的前提,例如滴定实验、反应物计量等。
结论:通过对天平称量实验的分析,我们了解到该实验的原理、步骤、误差以及实验结果的可靠性。
实验三分析天平称量练习[课时安排]3学时[实验目的]1、熟悉台秤和分析天平的基本构造,学习正确的称量方法;2、了解使用天平的规则。
[基本操作与仪器介绍](一)台秤的使用(P43)(二)电光分析天平的使用方法1、电光分析天平的基本构造(1)天平梁;(2)指针;(3)吊耳;(4)空气阻尼器(阻尼筒);(5)升降枢(升降旋钮);(6)螺旋足(天平足);(7)框罩;(8)砝码和圈码(环码)2、电光分析天平的使用方法(1)分析天平的外观检查在使用天平之前,首先要检查天平放置是否水平;机械加码装置是否指示0.00位置;圈码是否齐全,有无跳落;两盘是否空着;并用毛刷将天平盘清扫一下。
(2)零点调节天平的零点,指天平“空”载时的平衡点。
每次称量之前都要先测定天平零点。
测定时接通电源,轻轻开启升降枢(应全部启开旋钮),此时可以看到缩微标尺的投影在光屏上移动。
当标尺投影稳定后,若光屏上的刻线不与标尺0.00重合,可拨动扳手,移动光屏位置,使刻线与标尺0.00重合,零点即调好。
若光屏移到尽头刻线还不能与标尺0.00重合,则在教师指导下通过旋转平衡螺丝来调整。
(3)称量物体①在使用分析天平称量物体之前应将物体先在台称上粗称,然后把要称量物体放入天平左盘中央,把比粗称数略重的砝码放在右盘中央,慢慢打开升降枢,根据指针的偏转方向或光屏上标尺移动方向来变换砝码。
如果标尺向反方向移动,即光屏上标尺的零点偏向标尺的右方,则表示砝码重,应立即关好升降枢,减少砝码后再称重。
反复加减砝码至称量物比砝码重不超过1g时,再转动指数盘加减圈码,直至光屏上的刻线与标尺投影上某一读数重合为止。
②称量方法包括直接法和减量法两种。
③读数:当光屏上的标尺投影稳定后,即可从标尺上读出10mg以下的质量。
标尺上读数一大格为1mg ,一小格为0.1mg 。
称量物体质量(g )= 砝码质量 +10001圈码质量 + 10001光标尺读数。
(4)数据记录与处理(5)称后检查:称量完毕,记下物体质量,将物体取出,砝码依次放回盒内原来位置。