分部(子分部工程质量验收记录表)
- 格式:doc
- 大小:132.50 KB
- 文档页数:9
分部(子分部)工程质量验收记录表C7-6
地基基础、主体结构分部工程质量验收不填写“分包单位”、“分包单位负责人”和“分包技术负责人”。
地基基础、主体结构分部工程勘察单位应签认,其他分部工程验收勘察单位可不签认。
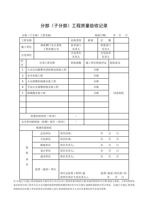
金属桥架分部(子分部)工程质量验收记录表
表
C7-6
地基基础、主体结构分部工程质量验收不填写“分包单位”、“分包单位负责人”和“分包技
术负责人”。
地基基础、主体结构分部工程勘察单位应签认,其他分部工程验收勘察单位可不签认。
机柜分部(子分部)工程质量验收记录表
表
C7-6
术负责人”。
地基基础、主体结构分部工程勘察单位应签认,其他分部工程验收勘察单位可不签认。
综合布线分部(子分部)工程质量验收记录表
C7-6
地基基础、主体结构分部工程质量验收不填写“分包单位”、“分包单位负责人”和“分包技术负责人”。
地基基础、主体结构分部工程勘察单位应签认,其他分部工程验收勘察单位可不签认。
金属线管分部(子分部)工程质量验收记录表
表
C7-6。
分部(子分部)工程质量查收记录工程编号:表单位(子单位)工程名称施工单位技术部门负责人质量部门负责人分包单位分包单位负责人分包技术负责人序号分项工程名称查验批数监理(建设)单位查收施工单位检查评定建议质量控制资料安全和功能查验(检测)报告观感质量查收(综合评论)查收结论建设单位设计单位施工单位监理单位勘探单位项目负责人:项目负责人:项目负责人:总监理工程师:项目负责人:年月月日年月月日年月日日年日年注:除地基基础分部外,勘探单位可不参加。
地基与基础分部(子分部)工程质量控制资料核查记录工程编号:表单位(子单位)工程名施工单位称序施工单位监理(建设)单位份号资料名称核查数检查人检查建议核查建议人1图纸会检、设计更改、洽谈记录2丈量放线记录及沉降观察记录3施工方案、作业指导书、技术交底记录4原资料出厂合格证书及进场查验报告5土方回填的试验报告6隐蔽工程查收记录7地基基础查验及抽样检测资料8钢筋材质及焊接(机械连结)接头试验的报告9地下混凝土工程查收记录10桩基试验资料11地基办理及桩基施工记录12混凝土原资料及混凝土试件的试验报告13混凝土构造实体查验记录14混凝土工程施工记录15混凝土配合比试验报告16预拌混凝土合格证(出厂查验报告)及进场坍落度记录17地基验槽记录18地基资料的配比☆19混凝土强度统计、评定记录20分项工程质量查收记录21查验批工程质量查收记录核查建议核查结论建设单位:监理单位:施工单位:项目负责人:项目经理:(项目技术负责人):总(副总)监理工程师:(项目技术负责人):年月日年月日年月日工程编号:表单位(子单施工单位位)工程名称施工单位监理(建设)单位序号资料名称份数检查建议检查人核查建议核查人1图纸会检、设计更改、洽谈记录2丈量放线记录及沉降观察记录3施工方案、作业指导书、技术交底记录4原资料出厂合格证书及进场查验报告构件、配件、高强度螺栓连结副制成品5 出厂合格证钢构造摩擦面的抗滑移系数及高强度6螺栓连结副的试验报告螺栓最小负载试验报告、高强盛六角头7 螺栓连结副扭矩系数复试报告预应力筋用锚具、连结器的合格证和进8场复验报告9预应力钢筋的安装、张拉及灌浆记录10隐蔽工程查收记录11主体构造查验及抽样检测资料混凝土原资料及混凝土试件的试验报12 告钢筋材质及焊接(机械连结)接头试验13 的报告14混凝土构造实体查验记录15混凝土工程施工记录16混凝土配合比试验报告预拌混凝土合格证(出厂查验报告)及17 进场坍落度记录18预埋螺栓、敷设架丈量记录19网架节点承载力试验报告20沙浆配合比试验报告21水平灰缝沙浆饱满度检测记录☆22沙浆使用记录☆工程编号:表(续)单位(子单施工单位位)工程名称施工单位监理(建设)单位序号资料名称份数检查建议检查人核查建议核查人22 沙浆使用记录☆23 砌体垂直度检测记录24 砌筑沙浆试件的试验报告25 混凝土及沙浆配合比通知单构造吊装记录、烟囱钢内筒顶升(安装)26 记录27钢构造预拼装记录28高强螺栓施工记录29焊缝外观及尺寸检查记录30钢构造焊缝质量检测报告31防火涂料涂层厚度检测报告柱脚及网架支座检查记录(锚栓紧固、32 垫板、垫块,检查记录)☆33施工实验报告及目睹检测报告34混凝土、沙浆强度统计、评定记录工程的重要质量问题的办理方案和验35 收记录36防水工程施工及质量查收记录☆37防水资料配合比试验报告☆38地下室防水层渗漏水检查记录☆39新资料、新工艺施工记录☆40分项工程质量查收记录41查验批工程质量查收记录核查建议核查结论建设单位:监理单位:施工单位:项目负责人:(项目技术负责人):总(副总)监理工程师:项目经理:(项目技术负责人):年月日年月日年月日。
工程名称施工单位分包单位序号1 2 3 4 5分项工程名称土方子分部地基处理子分部混凝土子分部砌体子分部防水子分部结构类型技术部门负责人分包单位负责人施工单位检查评定合格合格合格合格合格层数质量部门负责人分包技术负责人验收意见质量控制资料安全和功能检验(检测)报告观感质量验收分包单位验施工单位收勘察单位单设计单位位监理(建设)单位项目经理项目经理项目负责人项目负责人总监理工程师(建设单位项目专业负责人)年月日年月日年月日年月日年月日检验批数统表 1工程名称施工单位分包单位序号12345结构类型技术部门负责人分包单位负责人施工单位检查评定符合设计要求与施工规符合设计要求与施工规符合设计要求与施工规符合设计要求与施工规符合设计要求与施工规层数质量部门负责人分包技术负责人验收意见质量控制资料安全和功能检验(检测)报告观感质量验收分包单位验施工单位收勘察单位单设计单位位监理(建设)单位项目经理项目经理项目负责人项目负责人总监理工程师(建设单位项目专业负责人)年月日年月日年月日年月日年月日分项工程名称土方子分部地基处理子分部混凝土子分部砌体子分部防水子分部检验批数统表 2 工程名称施工单位分包单位序号1 2 3 4 5 6 7 8 910111213 检验批部位、区段基础土方开挖结构类型项目经理分包单位负责人施工单位检查评定结果合格检验批数项目技术负责人分包项目经理监理(建设)单位验收结论论项目专业技术负责人:监理工程师:(建设单位项目专业技术负责人)年月日年月日结论检查结验收统表 2工程名称施工单位分包单位序号123456789101112检验批部位、区段基础土方回填结构类型项目经理分包单位负责人施工单位检查评定结果合格检验批数项目技术负责人分包项目经理监理(建设)单位验收结论论项目专业技术负责人:监理工程师:(建设单位项目专业技术负责人)年 月 日年 月 日伟荣检查结 结论验收统表 1工程名称施工单位分包单位序号1 分项工程名称碎石垫层结构类型技术部门负责人分包单位负责人施工单位检查评定符合设计要求与施工规层数质量部门负责人分包技术负责人验收意见质量控制资料安全和功能检验(检测)报告观感质量验收分包单位验施工单位收勘察单位单设计单位位监理(建设)单位项目经理项目经理项目负责人项目负责人总监理工程师(建设单位项目专业负责人)年月日年月日年月日年月日年月日检验批数统表 2工程名称施工单位分包单位序号1 检验批部位、区段碎石垫层结构类型项目经理分包单位负责人施工单位检查评定结果合格检验批数项目技术负责人分包项目经理监理(建设)单位验收结论结项目专业技术负责人:论结监理工程师:论年月日 (建设单位项目专业技术负责人)年月日验收检查统表 1工程名称施工单位分包单位序号1234 结构类型技术部门负责人分包单位负责人施工单位检查评定符合设计要求与施工规符合设计要求与施工规符合设计要求与施工规符合设计要求与施工规层数质量部门负责人分包技术负责人验收意见质量控制资料安全和功能检验(检测)报告观感质量验收分包单位验施工单位收勘察单位单设计单位位监理(建设)单位项目经理项目经理项目负责人项目负责人总监理工程师(建设单位项目专业负责人)年月日年月日年月日年月日年月日分项工程名称模板分项钢筋分项混凝土分项现浇结构分项检验批数工程名称施工单位分包单位序号1 2 3 4 检验批部位、区段基础垫层模板安装基础垫层模板拆除基础模板安装基础模板拆除结构类型项目经理分包单位负责人施工单位检查评定结果合格合格合格合格检验批数项目技术负责人分包项目经理监理(建设)单位验收结论结项目专业技术负责人:论结监理工程师:论年月日 (建设单位项目专业技术负责人)年月日验收检查工程名称施工单位分包单位序号1 2 3 4 5 6 7 8 9101112 检验批部位、区段基础垫层模板安装基础垫层模板拆除基础模板安装基础模板拆除结构类型项目经理分包单位负责人施工单位检查评定结果合格合格合格合格检验批数项目技术负责人分包项目经理监理(建设)单位验收结论结项目专业技术负责人:论结监理工程师:论年月日 (建设单位项目专业技术负责人)年月日检查验收工程名称结构类型施工单位项目经理分包单位分包单位负责人序号检验批部位、区段施工单位检查评定结果1 基础垫层混凝土配合比设计合格2 基础垫层混凝土施工3 基础混凝土配合比设计4 基础混凝土施工检验批数项目技术负责人分包项目经理监理(建设)单位验收结论结项目专业技术负责人:论结监理工程师:论年月日 (建设单位项目专业技术负责人)年月日检查验收统表 2工程名称施工单位分包单位检验批部位、区段基础垫层混凝土结构施工 基础混凝土结构施工结构类型项目经理分包单位负责人施工单位检查评定结果合格合格检验批数项目技术负责人分包项目经理监理(建设)单位验收结论结项目专业技术负责人: 论结监理工程师:论年 月 日 (建设单位项目专业技术负责人)年 月 日序号12验收 检查统表 1工程名称施工单位分包单位序号1 2 分项工程名称墙体砌筑与粉刷结构类型技术部门负责人分包单位负责人施工单位检查评定符合设计要求与施工规层数质量部门负责人分包技术负责人验收意见质量控制资料安全和功能检验(检测)报告观感质量验收分包单位验施工单位收勘察单位单设计单位位监理(建设)单位项目经理项目经理项目负责人项目负责人总监理工程师(建设单位项目专业负责人)年月日年月日年月日年月日年月日检验批数统表 2工程名称施工单位分包单位序号1检验批部位、区段砖砌体结构类型项目经理分包单位负责人施工单位检查评定结果合格检验批数项目技术负责人分包项目经理监理(建设)单位验收结论项目专业技术负责人:结年月日论结监理工程师:论(建设单位项目专业技术负责人)年月日验收检查统表 1工程名称施工单位分包单位序号1 2 分项工程名称卷材防水涂料防水结构类型技术部门负责人分包单位负责人检验批数施工单位检查评定符合设计要求与施工规符合设计要求与施工规层数质量部门负责人分包技术负责人验收意见质量控制资料安全和功能检验(检测)报告观感质量验收分包单位验施工单位收勘察单位单设计单位位监理(建设)单位项目经理项目经理项目负责人项目负责人总监理工程师(建设单位项目专业负责人)年月日年月日年月日年月日年月日统表 2工程名称施工单位分包单位序号1 2 3 4 5 6 7 8 9101112 检验批部位、区段地下室结构类型项目经理分包单位负责人施工单位检查评定结果合格检验批数项目技术负责人分包项目经理监理(建设)单位验收结论结项目专业技术负责人:论结监理工程师:论年月日 (建设单位项目专业技术负责人)年月日检查验收工程名称施工单位分包单位检验批部位项目经理分包项目经理施工执行标准 名称与编号专业工长施工班组长序 号GB50208-2002 的规定施工单位 检查评定记录监理(建设) 单位验收记录主 1 卷材防水层所用卷材与主要配套材料必须符合设计要求。
综合布线分部(子分部)工程质量验收记录表
表C7-6
地基基础、主体结构分部工程质量验收不填写“分包单位”、“分包单位负责人”和“分包技术负责人”。
地基基础、主体结构分部工程勘察单位应签认,其他分部工程验收勘察单位可不签认。
金属桥架分部(子分部)工程质量验收记录表
表C7-6
地基基础、主体结构分部工程质量验收不填写“分包单位”、“分包单位负责人”和“分包技术负责人”。
地基基础、主体结构分部工程勘察单位应签认,其他分部工程验收勘察单位可不签认。
机柜分部(子分部)工程质量验收记录表
表C7-6
地基基础、主体结构分部工程质量验收不填写“分包单位”、“分包单位负责人”和“分包技术负责人”。
地基基础、主体结构分部工程勘察单位应签认,其他分部工程验收勘察单位可不签认。
综合布线分部(子分部)工程质量验收记录表
表C7-6
地基基础、主体结构分部工程质量验收不填写“分包单位”、“分包单位负责人”和“分包技术负责人”。
地基基础、主体结构分部工程勘察单位应签认,其他分部工程验收勘察单位可不签认。
金属线管分部(子分部)工程质量验收记录表
表C7-6
地基基础、主体结构分部工程质量验收不填写“分包单位”、“分包单位负责人”和“分包技术负责人”。
地基基础、主体结构分部工程勘察单位应签认,其他分部工程验收勘察单位可不签认。
机柜分部(子分部)工程质量验收记录表
表C7-6
地基基础、主体结构分部工程质量验收不填写“分包单位”、“分包单位负责人”和“分包技术负责人”。
地基基础、主体结构分部工程勘察单位应签认,其他分部工程验收勘察单位可不签认。
鞠躬尽瘁,死而后已。
——诸葛亮。