监理工作检查评定表汇总
- 格式:doc
- 大小:92.00 KB
- 文档页数:9
建筑施工安全检查评分汇总表
安全评分按照《建筑施工安全检查标准》JGJ 59-99进行阶段评价,检查应由总监理工程师签署意见,监理单位单独组织的日常检查也可用此表。
安全管理检查评分表
JGJ59—99 表3.0.2
注:阶段检查评分时,专业监理工程师应参加检查,并签署意见。
文明施工检查评分表
AQ2.3.1.3
JGJ59—99 表3.0.3
文明施工检查评分表(续表)
落地式外脚手架检查评分表
AQ2.3.1.4
JGJ59—99 表3.0.4.1—1
模板工程安全检查评分表
JGJ59—99 表3.0.6
“三宝”“四口”防护检查评分表
AQ2.3.1.12
JGJ59—99 表3.0.7
施工用电检查评分表
JGJ59—99 表3.0.8
物料提升机(龙门架、井字架)检查评分表
JGJ59—99 表3.0.9
物料提升机(龙门架、井字架)检查评分表(续表)
塔吊检查评分表
JGJ59—99 表3.0.11
施工机具检查评分表
JGJ59—99 表3.0.13
施工机具检查评分表(续表)。
监理表格目录(B类)监理表格—B01施工组织设计(方案)申报表承包单位:合同编号:页码:监理单位:工程编号:日期:年月日本表一式三份,建设单位、承包单位、监理单位各一份。
监理表格—B02工程开工报审表承包单位:合同编号:页码:监理单位:工程编号:日期:年月日存一份。
监理表格—B03单位工程开工报告承包单位:合同编号:页码:监理单位:工程编号:日期:年月日由施工单位呈报一式三份,监理单位审批后退回承包单位一份。
监理表格—B04施工人员资格证书登记表承包单位:合同编号:页码:监理单位:工程编号:日期:年月日本表由施工单位开工前随施工组织设计一起填报监理,一式两份,监理、承包单位各一份。
监理表格—B05施工测量放线报验单承包单位:合同编号:页码:监理单位:工程编号:日期:年月日本表一式二份,承包单位、监理单位各一份。
监理表格—B06材料/构配件报验单承包单位:合同编号:页码:监理单位:工程编号:日期:年月日本表由承包单位填报,一式二份,经监理单位审批后,监理单位、承包单位各存一份。
监理表格—B07进场设备报验及签认单承包单位:合同编号:页码:监理单位:工程编号:日期:年月日本表一式二份,承包单位、监理单位各一份。
监理表格—B 08分包单位资质报审表承包单位:合同编号:页码:监理单位:工程编号:日期:年月日本表由承包单位填报,一式三份,经监理单位审批后,建设单位、监理单位、承包单位各存一份。
监理表格—B 09施工单位申请表(通用)承包单位:合同编号:页码:监理单位:工程编号:日期:年月日本表一式二份,监理单位、承包单位各一份。
监理表格—B 10复工申请报审表承包单位:合同编号:页码:监理单位:工程编号:日期:年月日由施工单位在工程部分暂停因素滞后填报,一式三份,建设单位、监理单位、承包单位各一份。
监理表格—B 11施工进度计划申报表承包单位:合同编号:页码:监理单位:工程编号:日期:年月日本表由施工单位每月填报监理分部,一式三份,建设、承包、监理单位各一份。
分项工程质量检验评定汇总表单位工程:XXXXX工程2008年11月1日隐蔽/分项工程报验单表A.0.1—7 监A-07本表由承包人填报,一式三份,经监理审批后,业主、监理、承包人各一份。
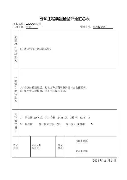
(栅栏板安装)质量检验评定表单位工程:XXXXX工程分部工程:护面分项工程:栅栏板安装部位:K2+803.07~K2+865段数量:30块2008年9月30日隐蔽/分项工程报验单表A.0.1—7 监A-07本表由承包人填报,一式三份,经监理审批后,业主、监理、承包人各一份。
(栅栏板安装)质量检验评定表单位工程:XXXXX工程分部工程:护面分项工程:栅栏板安装部位:K2+865~K2+927段数量:30块2008年9月28日隐蔽/分项工程报验单表A.0.1—7 监A-07本表由承包人填报,一式三份,经监理审批后,业主、监理、承包人各一份。
(栅栏板安装)质量检验评定表单位工程:XXXXX工程分部工程:护面分项工程:栅栏板安装部位:K2+927~K2+989段数量:30块2008年9月24日隐蔽/分项工程报验单表A.0.1—7 监A-07本表由承包人填报,一式三份,经监理审批后,业主、监理、承包人各一份。
(栅栏板安装)质量检验评定表单位工程:XXXXX工程分部工程:护面分项工程:栅栏板安装部位:K2+989~K3+051段数量:30块2008年9月20日隐蔽/分项工程报验单表A.0.1—7 监A-07本表由承包人填报,一式三份,经监理审批后,业主、监理、承包人各一份。
单位工程:XXXXX工程分部工程:护面分项工程:栅栏板安装部位:K3+051~K3+113段数量:30块2008年8月20日监A-07本表由承包人填报,一式三份,经监理审批后,业主、监理、承包人各一份。
单位工程:XXXXX工程分部工程:护面分项工程:栅栏板安装部位:K3+113~K3+175段数量:30块2008年8月16日监A-07本表由承包人填报,一式三份,经监理审批后,业主、监理、承包人各一份。
监理工作基本表格样式监理表格A1 工程开工报审表监理表格A1-1 工程复工报审表监理表格A1-2 施工进度计划报审表监理表格A2 施工组织设计/施工方案报审表监理表格A3 分包单位资格报审表监理表格A4 工序质量报验单监理表格A4-1 施工测量放线报验表监理表格A4-2 混泥土浇灌申请表监理表格A4-3 工程质量问题(事故)报告单监理表格A4-4 工程质量事故处理方案报审表监理表格A5 ()月工程款支付报审表监理表格A5-1 ()月工程计量报审表监理表格A5-2 工程计日工计量报审表监理表格A5-3 工程款变更报审表监理表格A6 监理工程师通知回复单监理表格A7 变更工期报审表监理表格A8 工程索赔报审表监理表格A9 工程材料、设备、半成品进场报验表监理表格A9-1 主要施工设备进场报审表监理表格A10 单机试车申请表监理表格A11 工程施工联系单监理表格A12 分部/分项工程质量报验单监理表格A13 无损探伤申请报告监理表格A14 无损探伤复探申请报告监理表格A15 不合格工程项目整改情况报告监理表格A16 施工人员资格报审表监理表格A17 工程竣工报验单监理表格B1 监理工程师通知单监理表格B2 总监理工程师指令监理表格B3 会议纪要监理表格B4 工程暂停令监理表格B5 不合格工程项目通知监理表格B6 焊口返修指令监理表格B7 无损检测指令监理表格B8 焊口无损探伤复探指令监理表格B9 焊口防腐补口指令监理表格B10 监理工程师联系单监理表格B11 监理备忘录监理表格C1 监理工作联系单监理表格C2 监理日志监理表格C3 检验/试验记录登记表监理表格C4 收/发文登记表监理表格C5 监理月报监理表格C5-1 _月工程情况概要监理表格C5-2 _月工程质量控制情况评析监理表格C5-3 _月工程进度控制情况评析监理表格C5-4 _月工程费用控制情况评析监理表格C6 工程质量评估报告监理表格C6-1 工程质量报告评估目录监理表格C6-2 输气管道线路工程质量保证资料核查表监理表格C6-3 分部和分项工程质量评定情况汇总表监理表格C6-4 监理抽查/见证试验情况汇总及说明监理表格C6-5 中间交接遗留的整改问题及商定解决办法监理表格C6-6 工程中间交接验收小组成员名单及分工表监理表格C7 监理工作总结监理表格D1 设计方案审批报告监理表格D2 设计进度调整申请表监理表格D3 设计审查记录监理表格D4 设计概(预)算审查表监理表格D5 设计费用支出申请表监理表格D6 设计文件紧急放行申请表施工进度计划报审表施工组织设计/施工方案报审表分包单位资格报审表工序质量报验单施工测量放线报验表混凝土浇灌申请表工程质量问题(事故)报告单工程质量事故处理方案报审表()月工程款支付报审表()月工程计量报审表工程计日工计量报审表工程款变更报审表监理工程师通知回复单变更工期申报表工程索赔报审表监理工作基本表格样式工程材料、设备、半成品进场报验表主要施工设备进场报审表单机试车申请表工程施工联系单分项/分部工程质量报验单份,监理单位、施工单位各一份。
附件2
建设工程质量平安监督检查表(表2-1) (保障性安居工程、公共建筑工程基本状况表)
检查组成员签字:检查日期:工程建设各方责任主体和有关机构检查表(表2-2) (质量行为部分)
检查组成员签字:检查日期:
工程建设强制性标准执行状况检查表(表2-3)
检查组成员签字:检查日期:
工程建设强制性标准执行状况检查表(表2-4)
检查组成员签字:检查日期:
工程建设强制性标准执行状况检查表(表2-5)
检查组成员签字:检查日期:
工程建设状况检查表(表2-6)
检查组成员签字: 检查日期:
工程建设状况检查表(表2-7)
检查组成员签字: 检查日期:。
工程监理表格大全(整套) 监理表格目录(ABC类)序号表格编号表格名称备注1 A01 工程开工令2 A02 工作指令3 A03 工程变更令4 A04 工程暂时停工指令5 A05 不合格工程项目通知6 A06 监理通知7 A07 工程延期审批表8 A08 费用索赔审批表9 A09 竣工移交证书10 A10 分项、分部工程检验认可书11 A11 施工进度计划审批表12 A12 工程预付款支付证书13 B01 施工组织设计(方案)申报表14 B02 工程开工报审表15 B03 单位工程开工报告16 B04 施工人员资格证书登记表17 B05 施工测量放线报验单18 B06 材料/配件报验单19 B07 进场设备报验及签认单20 B08 分包单位资质报审表21 B09 施工单位通用表(通用)22 B10 复工申请报审表23 B11 施工进度计划申报表24 B12 检验申请批复单25 B13 工程量签证单26 B14 分项/分部工程质量报验认可单27 B15 中间交工证书28 B16 中间交工计量表29 B17 中间计量汇总表30 B18 隐蔽工程申请报告31 B19 索赔申报表32 B20 索赔时间/全部审批表33 B21 工程质安问题及事故处理报告单34 B22 监理通知回执单35 B23 延长工期报审表36 B24 施工单位每周工作计划37 B25 工、料、机动月报38 B26 ()月施工任务完成进度月报39 B27 ()月工程计量申报表40 B28 ()付款申报表41 B29 合同项目付款申报表42 B30 月支付汇总表(合同外)43 B31 合同外项目付款申请44 B32 工程变更及合同外费用申请单45 B33 价格调整申请表46 B34 材料预付款申请表47 B35 竣工预验申请表48 B36 工程质量检查(抽查)记录表49 B37 工程交工证书50 B38 工程缺陷责任期终止证书以上是ABC类监理表格目录,共计50个表格。
桥梁总体分项工程质量检验评定表施工单位:合同号:钢筋加工及安装分项工程质量检验评定表施工单位:合同号:钢筋网分项工程质量检验评定表施工单位:合同号:钻孔灌注桩分项工程质量检验评定表施工单位:合同号:张石高速公路石家庄段承台混凝土浇筑分项工程质量检验评定施工单位:合同号:张石高速公路石家庄段墩、台身混凝土浇筑分项工程质量检验评定表施工单位:合同号:张石高速公路石家庄段墩、台帽或盖梁混凝土浇筑分项工程质量检验评定表施工单位:合同号:预制梁(板)分项工程质量检验评定表施工单位:合同号:就地浇筑梁(板)分项工程质量检验评定表施工单位:合同号:钢丝、钢绞线先张法分项工程质量检验评定表施工单位:合同号:后张法分项工程质量检验评定表施工单位:合同号:梁、板安装分项工程质量检验评定表施工单位:合同号:桥面铺装分项工程质量检验评定表施工单位:合同号:伸缩缝安装分项工程质量检验评定表施工单位:合同号:张石高速公路石家庄段混凝土防撞护栏浇筑分项工程质量检验评定表施工单位:合同号::张石高速公路石家庄段桥头搭板分项工程质量检验评定表施工单位:合同号:张石高速公路石家庄段支座垫石分项工程质量检验评定表施工单位:合同号:张石高速公路石家庄段挡块分项工程质量检验评定表施工单位:合同号:支座安装分项工程质量检验评定表施工单位:合同号:桥面防水层分项工程质量检验评定表施工单位:合同号:张石高速公路石家庄段就地浇筑(梁)板分项工程质量检验评定表施工单位:合同号:张石高速公路石家庄段复合桥面水泥混凝土铺装分项工程质量检验评定表施工单位:合同号:张石高速公路石家庄段扩大基础分项工程质量检验评定表施工单位:合同号:质检员:施工负责人:年月日张石高速公路石家庄段挖孔桩分项工程质量检验评定表施工单位:合同号:张石高速公路石家庄段柱或双壁墩身分项工程质量检验评定表施工单位:合同号:张石高速公路石家庄段台背填土分项工程质量检验评定表施工单位:合同号:张石高速公路石家庄段基础砌体分项工程质量检验评定表施工单位:合同号:张石高速公路石家庄段墩、台身砌体分项工程质量检验评定表施工单位:合同号:张石高速公路石家庄段施工单位:合同号:张石高速公路石家庄段施工单位:合同号:张石高速公路石家庄段转体施工梁分项工程质量检验评定表施工单位:合同号:。
河北环渤工程建设监理有限公司日备注:绩效评定中“本岗职责执行情况”和“贯标执行情况”可参考HBQS/m3/m4—01—2001《关于公司各监理部处室及员工分类考核细则的试行规定》文件中相对应的考核细则进行考核评定,在本表上进行综合打分。
河北环渤工程建设监理有限公司监理工程师考核评价意见反馈表月日备注:绩效评定中“本岗职责执行情况”和“贯标执行情况”可参考HBQS/m3/m4—01—2001《关于公司各监理部处室及员工分类考核细则的试行规定》文件中相对应的考核细则进行考核评定,在本表上进行综合打分。
河北环渤工程建设监理有限公司监理员考核评价意见反馈表备注:绩效评定中“本岗职责执行情况”和“贯标执行情况”可参考HBQS/m3/m4—01—2001《关于公司各监理部处室及员工分类考核细则的试行规定》文件中相对应的考核细则进行考核评定,在本表上进行综合打分。
监理人员的考核评价办法1.对总监(总监代表)的考核公司考评小组负责对总监(总监代表)的考评。
考评小组成员以及考评时间不确定,临时从总工办、项目资源管理处、办公室、经营处和各项目监理部抽调,由2~3人组成,每年内考核3遍。
考评小组在征求施工单位技术人员、监理部监理工程师和监理员的意见后,对总监的各项工作现场考评,并填写一份“总监(总监代表)考核评价意见反馈表”。
同时考评小组还要委托业主代表对总监(总监代表)的工作进行考核评价,由业主代表填写一份“总监(总监代表)考核评价意见反馈表”。
两份考评表汇总后取平均值,作为最终的评定结果。
2.对监理工程师和监理员的考核总监(总监代表)负责对本项目监理部监理工程师和监理员的考评,每季度一次。
总监依据本监理部监理人员工作表现,并征求业主和施工单位的意见,对本部监理人员的工作作出评价,分别填写“监理工程师考核评价意见反馈表”和“监理员考核评价意见反馈表”。
每季度初前五日内,总监(总监代表)将上季度本监理部监理工程师和监理员的考核评价意见反馈表报公司考评小组,考评小组依据巡查情况和收集到的各方意见反馈,对考评结果进行确认,适当调整分值,调整后的分值作为最终的评定结果。
目录表格 1施工组织设计(施工方案)报审表 (1)表格 2进场设备报验表 (4)表格 3分包单位资格报审表 (5)表格 4施工进度计划报审表 (6)表格 5成品、半成品、构(配)件供应单位资质报审表 (7)表格 6工程材料报验表 (8)表格 7整改复查报审表 (9)表格 8变更工期报审表 (10)表格 9质量问题报告表 (11)表格 10复工报审表 (12)表格 11月工程付款报审表 (13)表格 12计日工支付报审表 (14)表格 13工程变更费用报审表 (15)表格 14索赔报审表 (16)表格 15通用报审表 (17)表格 16验收报审表 (18)表格 17砖混结构砖砌分项工程质量报审表 (20)表格 18砼成形质量报审表 (21)表格 19监理工程师函 (22)表格 20工程停工令 (23)表格 21 (24)表格 22监理日记 (25)表格 23 (26)表格 24 (29)表格 25验收记录汇总表 (31)表格 26试验记录汇总表 (32)表格 27砼浇捣令 (33)表格 28通知、指令、函件及其他资料记录汇总表 (34)表格 29钢筋砼预制桩(管桩)打、压施工监理记录表 (35)表格 30钻孔灌注桩成孔监理记录表 (36)表格 31钻孔灌注桩监理记录 (37)表格 32试成桩记录表 (38)表格 33试跑桩记录表 (39)表格 34桩基工程交工验收明证书 (40)表格 35建筑工程预制件质量核查记录表 (41)表格 36结构工程中间验收记录表 (42)表格 37建筑门窗工程质量核查记录表 (43)表格 38屋面工程质量核查记录表 (44)表格 39管道压力试验记录表 (45)表格 40系统设备管网冲洗记录表 (46)表格 41管道压力试验记录表 (47)表格 42排水管道通球试验记录表 (48)表格 43卫生器具盛水记录表 (49)表格 44自动喷水灭火系统试压记录表 (50)表格 45自动喷水灭火系统管网冲水记录表 (51)表格 46自动喷水灭火系统联动试验记录表 (52)表格 47 安全阀调试记录表 (53)表格 48 电气绝缘电阻测试记录表 (54)表格 49 接地电阻测试记录表 (55)表格 50电气调试记录表 (56)表格 51电机试运转记录表 (57)表格 52电缆敷设检查记录表 (58)表格 53 配线敷设检查记录表 (59)表格 54通风空调机组调试记录表 (61)表格 55空调系统试验调整报告 (62)表格 56风管漏风检测记录表 (63)表格 57现场组装除尘器、空调机漏风检测记录表 (64)表格 59空气净化系统检测记录表 (65)表格 60 空调(通风)测试报告 (66)表格 61制冷系统气密性试验记录表 (67)表格 62设备基础验收记录表 (68)表格 63设备开箱检查记录表 (69)表格 64设备(系统)试运转记录表 (70)表格 65设备单机试车记录表 (71)表格 66设备(管道)防腐、保温、涂漆施工验收记录表 (72)表格 67隐蔽工程验收记录表 (73)表格 68 分部工程质量评定表 (74)表格 69质量保证资料核查表 (75)表格 70单位工程质量综合评定表 (76)表格 71单位工程竣工验收记录 (77)表格 72 工序报验单 (78)表格 73 砼浇筑令 (79)表格 74取样、送样见证人委托书 (80)表格 1 施工组织设计(施工方案)报审表本表由承包商呈报三份,审批后监理方、业主、承包商各执一份。
监理工作质量考核办法1、业主对监理工作的质量(成效)实行月度、季度评价考核制度,考核分为对监理机构的考核及对监理人员的考核两级进行。
2、业主对监理评价考核是根据工程项目的状态(安全、质量、进度、投资、文明施工、接口管理)、监理工程师提交的工作成果及其工作效率与效果作出的综合评价。
3、考核按工程建设监理的安全操纵、质量操纵、进度操纵、投资操纵、合同管理、信息管理与工程协调等项目,采取100分制法打分考核。
4、百分制法打分考核以分项检查得分分乘以上所占总分的百分比为分项检查实际得分,分项检查实际得分之与,即为检查考核得分。
得分在90~100分为优;得分在70~90(不含90)分为良;得分在50~70(不含70)分为合格;得分在40~50(不含50)分为较差;得分在40分下列为差。
5、对评价结果为优良的,业主对监理单位(机构)、监理人员提出物质或者精神奖励;对评价结果为合格或者不合格的,业主对监理单位(机构)、监理人员的不良工作项目提出整改通知,监理单位(机构)、监理人员务必限期整改,同时业主按合同条件的约定进行处罚。
如情节严重,业主能够将监理行为通报政府建设主管部门直至中止监理服务合同。
6、评分方法。
(1)每个事项按“好”、“较好”、“合格”、“较差”、“差”五组评定。
(2)凡达到本规定要求,全面较好的评为好,给予该项标准分值的100%。
(3)凡达到本规定要求,基本完好的评为较好,给予该项标准分值的90%。
(4)凡符合本规定要求,达到合格要求的,有一定的缺陷但没有造成不良后果的评为合格,给予该项标准分值的70%。
.(5)凡基本符合本规定要求,有较大缺陷,虽经处理仍留下不良后果的,评为较差,给予该项标准分值的50%。
(6)不符合本规定要求,有严重缺陷或者失职,且造成明显的不良后果的,评为差,给予该项标准分值的0%。
(7)缺项不评分,分子、分母都不计算。
(8)如发现有严重失职、严重问题或者违纪的项目,可视其严重程度,在零线下给予负5~10分处理,并在检查汇总表的总分中酌情扣减5~20分。