南京工业大学路基路面工程课程设计
- 格式:docx
- 大小:66.81 KB
- 文档页数:11
路基路面课程设计指导书南京工业大学交通学院挡土墙课程设计指导书一、挡土墙设计:某平原微丘建一级汽车专用公路,路基宽度为24.5m,桩号K20+456.00~K20+518.40位于半径R=1000m的圆曲线段,曲线为左偏,超高值采用4.0%,设计纵坡为3.0%,各桩号地面高程与设计高程资料见表1,横断面资料见表2。
现因路基右侧与其它结构物干扰,需压缩占地宽度,拟建路肩挡土墙。
车辆荷载:按墙高确定的附加荷载强度换算。
填料容重γ=18.0kN/m3,φ=35°,δ=φ/2,基底摩擦系数μ=0.3,地基承载力抗力值f=200kPa,墙身材料容重γa=22.0kN/m3。
挡土墙采用M7.5砂浆砌筑,材料极限抗压强度R K=1000kPa,截面抗剪极限强度R j=90kPa。
(一)设计说明书1.挡土墙截面型式的选定2.基础埋置深度及宽度的选定3.挡土墙土压力计算4.挡土墙稳定性验算5.挡土墙基底应力及合力偏心距验算6.墙身截面强度验算(二)设计图纸1.挡土墙正面图(1)确定挡土墙的起讫点和墙长,选择挡土墙与路基或其它结构物的连接方式。
(2)按地基及地形情况进行分段,确定沉降缝及伸缩缝位置。
(3)布置各段挡土墙的基础。
(4)确定泄水孔的位置,包括数量、间距和尺寸等。
(5)在布置图上应注明各特征点桩号,墙顶基础顶面、基底、冲刷线、冰冻线、常水位或设计洪水位的标高等。
2.横断面图绘制起讫点、墙高最大处、墙身断面和基础形式变异处以及其它必须桩号的挡土墙横断面图。
图上,按计算结果布置墙身断面,确定基础形式和埋置深度,布设排水设施,指定墙身填料的类别等。
3.设计说明(1)所需的工程材料数量;(2)其它有关材料及施工的要求和注意事项等。
表1地面高程、设计高程资料表2横断面资料注:分子为相对高程,分母为相对距离。
《路基路面工程》课程设计(交通工程专业、土木工程专业用)专业:交通工程班级学号: 0702-23姓名:时海军指导教师:袁国林学期:2009-2010第二学期南京工业大学土木工程学院交通工程系二O一0年六月沥青路面设计方案一:(1)轴载换算及设计弯沉值和容许拉应力计算序号车型名称前轴重(kN) 后轴重(kN) 后轴数后轴轮组数后轴距(m) 交通量1 三菱T653B 29.3 48 1 双轮组20002 日野KB222 50.2 104.3 1 双轮组10003 东风EQ140 23.7 69.2 1 双轮组20004 解放CA10B 19.4 60.85 1 双轮组10005 黄河JN163 58.6 114 1 双轮组1000设计年限12 车道系数 1序号分段时间(年) 交通量年增长率1 5 6 %2 4 5 %3 34 %当以设计弯沉值为指标及沥青层层底拉应力验算时:路面竣工后第一年日平均当量轴次: 4606设计年限内一个车道上累计当量轴次: 2.745796E+07当进行半刚性基层层底拉应力验算时:路面竣工后第一年日平均当量轴次: 4717设计年限内一个车道上累计当量轴次: 2.811967E+07公路等级二级公路公路等级系数 1.1 面层类型系数 1 基层类型系数 1路面设计弯沉值: 21.5 (0.01mm)层位结构层材料名称劈裂强度(MPa) 容许拉应力(MPa)1 细粒式沥青混凝土 1 .282 粗粒式沥青混凝土.8 .213 石灰水泥粉煤灰土.8 .34 天然砂砾(2)新建路面结构厚度计算公路等级: 二级公路新建路面的层数: 4标准轴载: BZZ-100路面设计弯沉值: 21.5 (0.01mm)路面设计层层位: 4设计层最小厚度: 10 (cm)层位结构层材料名称厚度(cm) 抗压模量(MPa) 抗压模量(MPa) 容许应力(MPa)(20℃) (15℃)1 细粒式沥青混凝土 3 1500 1600 1.22 粗粒式沥青混凝土7 1200 1300 .83 石灰水泥粉煤灰土25 900 900 .44 天然砂砾? 250 2505 土基32按设计弯沉值计算设计层厚度:LD= 21.5 (0.01mm)H( 4 )= 80 cm LS= 22.2 (0.01mm)H( 4 )= 85 cm LS= 21.5 (0.01mm)H( 4 )= 85 cm(仅考虑弯沉)按容许拉应力验算设计层厚度:H( 4 )= 85 cm(第1 层底面拉应力验算满足要求)H( 4 )= 85 cm(第2 层底面拉应力验算满足要求)H( 4 )= 85 cm(第3 层底面拉应力验算满足要求)路面设计层厚度:H( 4 )= 85 cm(仅考虑弯沉)H( 4 )= 85 cm(同时考虑弯沉和拉应力)验算路面防冻厚度:路面最小防冻厚度50 cm验算结果表明,路面总厚度满足防冻要求.通过对设计层厚度取整, 最后得到路面结构设计结果如下:细粒式沥青混凝土 3 cm粗粒式沥青混凝土7 cm石灰水泥粉煤灰土25 cm天然砂砾85 cm土基(3)竣工验收弯沉值和层底拉应力计算公路等级: 二级公路新建路面的层数: 4标准轴载: BZZ-100层位结构层材料名称厚度(cm) 抗压模量(MPa) 抗压模量(MPa) 计算信息(20℃) (15℃)1 细粒式沥青混凝土 3 1500 1600 计算应力2 粗粒式沥青混凝土7 1200 1300 计算应力3 石灰水泥粉煤灰土25 900 900 计算应力4 天然砂砾8 250 250 不算应力5 土基32计算新建路面各结构层及土基顶面竣工验收弯沉值:第1 层路面顶面竣工验收弯沉值LS= 49.7 (0.01mm)第2 层路面顶面竣工验收弯沉值LS= 56.9 (0.01mm)第3 层路面顶面竣工验收弯沉值LS= 78.8 (0.01mm)第4 层路面顶面竣工验收弯沉值LS= 403.1 (0.01mm)土基顶面竣工验收弯沉值LS= 360.6 (0.01mm)(根据“基层施工规范”第88页公式)LS= 291.1 (0.01mm)(根据“测试规程”第56页公式)计算新建路面各结构层底面最大拉应力:第1 层底面最大拉应力σ( 1 )=-.359 (MPa)第2 层底面最大拉应力σ( 2 )=-.033 (MPa)第3 层底面最大拉应力σ( 3 )= .235 (MPa)方案二:(1)轴载换算及设计弯沉值和容许拉应力计算序号车型名称前轴重(kN) 后轴重(kN) 后轴数后轴轮组数后轴距(m) 交通量1 三菱T653B 29.3 48 1 双轮组20002 日野KB222 50.2 104.3 1 双轮组10003 东风EQ140 23.7 69.2 1 双轮组20004 解放CA10B 19.4 60.85 1 双轮组10005 黄河JN163 58.6 114 1 双轮组1000设计年限12 车道系数 1序号分段时间(年) 交通量年增长率1 5 6 %2 4 5 %3 34 %当以设计弯沉值为指标及沥青层层底拉应力验算时:路面竣工后第一年日平均当量轴次: 4606设计年限内一个车道上累计当量轴次: 2.745796E+07当进行半刚性基层层底拉应力验算时:路面竣工后第一年日平均当量轴次: 4717设计年限内一个车道上累计当量轴次: 2.811967E+07公路等级二级公路公路等级系数 1.1 面层类型系数 1 基层类型系数 1路面设计弯沉值: 21.5 (0.01mm)层位结构层材料名称劈裂强度(MPa) 容许拉应力(MPa)1 细粒式沥青混凝土 1 .282 中粒式沥青混凝土.8 .233 粗粒式沥青碎石4 水泥稳定碎石.6 .295 水泥石灰砂砾土.25 .09(2)新建路面结构厚度计算公路等级: 二级公路新建路面的层数: 5标准轴载: BZZ-100路面设计弯沉值: 21.5 (0.01mm)路面设计层层位: 4设计层最小厚度: 15 (cm)层位结构层材料名称厚度(cm) 抗压模量(MPa) 抗压模量(MPa) 容许应力(MPa)(20℃) (15℃)1 细粒式沥青混凝土 2.5 1500 1600 .82 中粒式沥青混凝土 4 1250 1380 .73 粗粒式沥青碎石 5 1200 14004 水泥稳定碎石? 1700 1700 .145 水泥石灰砂砾土20 1500 1500 .086 土基32按设计弯沉值计算设计层厚度:LD= 21.5 (0.01mm)H( 4 )= 25 cm LS= 23.9 (0.01mm)H( 4 )= 30 cm LS= 21.2 (0.01mm)H( 4 )= 29.4 cm(仅考虑弯沉)按容许拉应力验算设计层厚度:H( 4 )= 29.4 cm(第1 层底面拉应力验算满足要求)H( 4 )= 29.4 cm(第2 层底面拉应力验算满足要求)H( 4 )= 29.4 cm(第4 层底面拉应力验算满足要求)H( 4 )= 49.4 cm σ( 5 )= .09 MPaH( 4 )= 54.4 cm σ( 5 )= .08 MPaH( 4 )= 54.3 cm(第5 层底面拉应力验算满足要求)路面设计层厚度:H( 4 )= 29.4 cm(仅考虑弯沉)H( 4 )= 54.3 cm(同时考虑弯沉和拉应力)验算路面防冻厚度:路面最小防冻厚度50 cm验算结果表明,路面总厚度满足防冻要求.(3)竣工验收弯沉值和层底拉应力计算公路等级: 二级公路新建路面的层数: 5标准轴载: BZZ-100层位结构层材料名称厚度(cm) 抗压模量(MPa) 抗压模量(MPa) 计算信息(20℃) (15℃)1 细粒式沥青混凝土 2.5 1500 1600 计算应力2 中粒式沥青混凝土 4 1250 1380 计算应力3 粗粒式沥青碎石 5 1200 1400 不算应力4 水泥稳定碎石20 1700 1700 计算应力5 水泥石灰砂砾土20 1500 1500 计算应力6 土基32计算新建路面各结构层及土基顶面竣工验收弯沉值:第1 层路面顶面竣工验收弯沉值LS= 27.2 (0.01mm)第2 层路面顶面竣工验收弯沉值LS= 29.2 (0.01mm)第3 层路面顶面竣工验收弯沉值LS= 32.5 (0.01mm)第4 层路面顶面竣工验收弯沉值LS= 37.1 (0.01mm)第5 层路面顶面竣工验收弯沉值LS= 99.8 (0.01mm)土基顶面竣工验收弯沉值LS= 360.6 (0.01mm)(根据“基层施工规范”第88页公式)LS= 291.1 (0.01mm)(根据“测试规程”第56页公式)计算新建路面各结构层底面最大拉应力:第1 层底面最大拉应力σ( 1 )=-.239 (MPa)第2 层底面最大拉应力σ( 2 )=-.142 (MPa)第4 层底面最大拉应力σ( 4 )= .061 (MPa)第5 层底面最大拉应力σ( 5 )= .206 (MPa)水泥混凝土路面方案一:(1)水泥混凝土路面设计设计内容: 新建单层水泥混凝土路面设计公路等级: 二级公路变异水平的等级: 中级可靠度系数: 1.12面层类型: 普通混凝土面层序路面行驶单轴单轮轴载单轴双轮轴载双轴双轮轴载三轴双轮轴载交通量号车辆名称组的个数总重组的个数总重组的个数总重组的个数总重(kN) (kN) (kN) (kN)1 单后轴货车0 02 77.3 0 0 0 0 20002 单后轴货车0 0 2 154.3 0 0 0 0 10003 单后轴货车0 0 2 92.9 0 0 0 0 20004 单后轴货车0 0 2 80.25 0 0 0 0 10005 单后轴货车0 0 2 172.6 0 0 0 0 1000行驶方向分配系数 1 车道分配系数 1轮迹横向分布系数 .4 交通量年平均增长率 5 %混凝土弯拉强度 5 MPa 混凝土弯拉模量33000 MPa混凝土面层板长度 6 m 地区公路自然区划Ⅱ面层最大温度梯度88 ℃/m 接缝应力折减系数.87基(垫)层类型----新建公路土基上修筑的基(垫)层层位基(垫)层材料名称厚度(mm) 回弹模量(MPa)1 水泥稳定粒料180 13002 石灰粉煤灰土150 6003 土基30基层顶面当量回弹模量ET= 165.5 MPaHB= 220 r= .691 SPS= 1.27 SPR= 5.52BX= .7 STM= 2.23 KT= .55 STR= 1.22SCR= 6.74 GSCR= 7.55 RE= 51 %HB= 289 r= .907 SPS= .87 SPR= 3.77BX= .51 STM= 2.13 KT= .53 STR= 1.13SCR= 4.9 GSCR= 5.49 RE= 9.8 %HB= 307 r= .964 SPS= .8 SPR= 3.46BX= .46 STM= 2.06 KT= .52 STR= 1.08SCR= 4.54 GSCR= 5.08 RE= 1.6 %HB= 310 r= .973 SPS= .79 SPR= 3.42BX= .46 STM= 2.08 KT= .53 STR= 1.09SCR= 4.51 GSCR= 5.05 RE= 1 %HB= 312 r= .979 SPS= .78 SPR= 3.38BX= .44 STM= 2.01 KT= .51 STR= 1.03SCR= 4.41 GSCR= 4.94 RE=-1.2 %设计车道使用初期标准轴载日作用次数: 1.447365E+07路面的设计基准期: 20 年设计基准期内标准轴载累计作用次数: 6.987341E+10路面承受的交通等级:特重交通等级基层顶面当量回弹模量: 165.5 MPa混凝土面层设计厚度: 312 mm(2)新建基(垫)层及土基顶面竣工验收弯沉值计算新建基(垫)层的层数: 2标准轴载: BZZ-100层位基(垫)层材料名称厚度(mm) 回弹模量(MPa)1 水泥稳定粒料240 16002 石灰粉煤灰稳定粒料180 13003 土基32第1 层顶面竣工验收弯沉值LS= 36.4 (0.01mm)(根据“沥青路面设计规范”公式计算)LS= 42.4 (0.01mm)(根据“基层施工技术规范”公式计算) 第2 层顶面竣工验收弯沉值LS= 122.1 (0.01mm)(根据“沥青路面设计规范”公式计算)LS= 170.1 (0.01mm)(根据“基层施工技术规范”公式计算) 土基顶面竣工验收弯沉值LS= 291.1 (0.01mm)(根据“路基路面测试规程”公式计算)LS= 360.6 (0.01mm)(根据“基层施工技术规范”公式计算) 方案二:(2)水泥混凝土路面设计设计内容: 新建单层水泥混凝土路面设计公路等级: 二级公路变异水平的等级: 中级可靠度系数: 1.13面层类型: 普通混凝土面层序路面行驶单轴单轮轴载单轴双轮轴载双轴双轮轴载三轴双轮轴载交通量号车辆名称组的个数总重组的个数总重组的个数总重组的个数总重(kN) (kN) (kN) (kN)1 单后轴货车0 02 77.3 0 0 0 0 20002 单后轴货车0 0 2 154.3 0 0 0 0 10003 单后轴货车0 0 2 92.9 0 0 0 0 20004 单后轴货车0 0 2 80.25 0 0 0 0 10005 单后轴货车0 0 2 172.6 0 0 0 0 1000 行驶方向分配系数 1 车道分配系数 1轮迹横向分布系数 .39 交通量年平均增长率 5 %混凝土弯拉强度 5 MPa 混凝土弯拉模量33000 MPa混凝土面层板长度 6 m 地区公路自然区划Ⅱ面层最大温度梯度88 ℃/m 接缝应力折减系数.87基(垫)层类型----新建公路土基上修筑的基(垫)层层位基(垫)层材料名称厚度(mm) 回弹模量(MPa)1 水泥稳定粒料160 13002 石灰粉煤灰土180 6003 填隙碎石150 5004 土基32基层顶面当量回弹模量ET= 212.4 MPaHB= 220 r= .636 SPS= 1.21 SPR= 5.25BX= .69 STM= 2.21 KT= .54 STR= 1.2SCR= 6.45 GSCR= 7.29 RE= 45.8 %HB= 282 r= .815 SPS= .86 SPR= 3.71BX= .52 STM= 2.12 KT= .53 STR= 1.13SCR= 4.84 GSCR= 5.47 RE= 9.4 %HB= 298 r= .861 SPS= .79 SPR= 3.43BX= .49 STM= 2.12 KT= .53 STR= 1.13SCR= 4.56 GSCR= 5.15 RE= 3 %HB= 304 r= .878 SPS= .77 SPR= 3.33BX= .47 STM= 2.07 KT= .52 STR= 1.08SCR= 4.41 GSCR= 4.98 RE=-.4 %设计车道使用初期标准轴载日作用次数: 1.447365E+07路面的设计基准期: 20 年设计基准期内标准轴载累计作用次数: 6.812657E+10路面承受的交通等级:特重交通等级基层顶面当量回弹模量: 212.4 MPa混凝土面层设计厚度: 304 mm(2)新建基(垫)层及土基顶面竣工验收弯沉值计算新建基(垫)层的层数: 3标准轴载: BZZ-100层位基(垫)层材料名称厚度(mm) 回弹模量(MPa)1 水泥稳定粒料160 13002 石灰土180 6003 填隙碎石150 5004 土基32第1 层顶面竣工验收弯沉值LS= 43 (0.01mm)(根据“沥青路面设计规范”公式计算)LS= 51.4 (0.01mm)(根据“基层施工技术规范”公式计算)第2 层顶面竣工验收弯沉值LS= 84.7 (0.01mm)(根据“沥青路面设计规范”公式计算)LS= 111.7 (0.01mm)(根据“基层施工技术规范”公式计算)第3 层顶面竣工验收弯沉值LS= 219.5 (0.01mm)(根据“沥青路面设计规范”公式计算)LS= 333.4 (0.01mm)(根据“基层施工技术规范”公式计算)土基顶面竣工验收弯沉值LS= 291.1 (0.01mm)(根据“路基路面测试规程”公式计算)LS= 360.6 (0.01mm)(根据“基层施工技术规范”公式计算)课程设计心为期两周的课程设计终于在紧张的节奏中接近尾声,两周的时间,同学们都受益匪浅,它是繁忙的,但更是充实的。
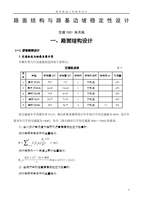
路面结构与路基边坡稳定性设计交通1001 朱天南一、路面结构设计(一)沥青路面设计1.交通组成与轴载当量计算车辆车型与日交通量的选用如下表所示:交通组成表表1计年限末年日平均交通量为14367,符合二级公路对日平均交通量5000—15000的要求。
(1) 当以设计弯沉值为指标及沥青层层底拉应力验算时:设计年限末年日平均当量轴次:设计年限内一个车道上累计当量轴次:(万次)(2) 当进行半刚性基层层底拉应力验算时:设计年限末年日平均当量轴次:设计年限内一个车道上累计当量轴次:(万次)综上,沥青路面交通属于中等交通等级。
2. 路面材料及路面结构的选取与土基模量的确定由于该二级公路路面属于中等交通等级,故采用以下两种方案备选:方案一:双层式沥青面层+半刚性基层方案二:单层式沥青面层+半刚性基层+垫层由于江苏处于IV类区划,故土基模量取36MPa。
3. 设计弯沉值与容许拉应力的确定路面设计弯沉值按下式计算:结构层容许弯拉应力按下式计算:其中,对沥青混凝土面层:对无机结合料稳定集料:对无极结合料稳定细粒土:通过查表计算得:细粒式沥青混凝土:中粒式沥青混凝土:水泥稳定碎石:4. 结构层厚度确定于结构分析(1) 方案一4cm细粒式沥青混凝土+6cm中粒式沥青混凝土+35cm水泥稳定碎石,如下图所示。
--------------------------------------细粒式沥青混凝土 4 cm---------------------------------------中粒式沥青混凝土 6 cm---------------------------------------水泥稳定碎石 35 cm---------------------------------------土基路面结构表面弯沉值与结构层层底弯拉应力按下式计算:现将结果汇于下表:结构层层底应力与完成值计算表表2计合理。
(2) 方案二10cm细粒式沥青混凝土+22cm水泥稳定碎石+20cm水泥砂砾土,如下图所示: ---------------------------------------细粒式沥青混凝土 10 cm---------------------------------------水泥稳定碎石 22 cm---------------------------------------水泥砂砾土 20 cm---------------------------------------土基路面结构表面弯沉值与结构层层底弯拉应力计算方法同方案一,并汇于下表:结构层层底应力与完成值计算表表3计合理。
南京工业大学路基路面工程课程设计Company Document number:WUUT-WUUY-WBBGB-BWYTT-1982GT路面结构与路基边坡稳定性设计交通1001 朱天南一、路面结构设计(一)沥青路面设计1.交通组成与轴载当量计算车辆车型与日交通量的选用如下表所示:交通组成表 表1设计年限末年日平均交通量为14367,符合二级公路对日平均交通量5000—15000的要求。
(1) 当以设计弯沉值为指标及沥青层层底拉应力验算时: 设计年限末年日平均当量轴次:N =∑C 1C 2Ki=1n I (P i)4.35=3663设计年限内一个车道上累计当量轴次:N e =[(1+r )t −1]×365r·N ·η=622.13(万次)(2) 当进行半刚性基层层底拉应力验算时: 设计年限末年日平均当量轴次:N =∑C 1′C 2′Ki=1n I (P iP )8=4665设计年限内一个车道上累计当量轴次:N e =[(1+r )t −1]×365r·N ·η=792.31(万次)综上,沥青路面交通属于中等交通等级。
2. 路面材料及路面结构的选取与土基模量的确定由于该二级公路路面属于中等交通等级,故采用以下两种方案备选: 方案一:双层式沥青面层+半刚性基层 方案二:单层式沥青面层+半刚性基层+垫层 由于江苏处于IV 类区划,故土基模量取36MPa 。
3. 设计弯沉值与容许拉应力的确定 路面设计弯沉值 l d 按下式计算:l d =600N e −0.2A C A S AB =28.9(0.01mm)结构层容许弯拉应力 σR 按下式计算:σR =σSPS其中,对沥青混凝土面层: K S =0.09N e 0.22/A C对无机结合料稳定集料: K S =0.35N e 0.11/A C 对无极结合料稳定细粒土:K S =0.45N e 0.11/A C通过查表计算得:细粒式沥青混凝土:σR =0.47MPa 中粒式沥青混凝土:σR =0.36MPa 水泥稳定碎石: σR =0.33MPa 4. 结构层厚度确定于结构分析 (1) 方案一4cm 细粒式沥青混凝土+6cm 中粒式沥青混凝土+35cm 水泥稳定碎石,如下图所示。
南京工业大学路基路面工程课程设计文件排版存档编号:[UYTR-OUPT28-KBNTL98-UYNN208]路面结构与路基边坡稳定性设计交通1001 朱天南一、路面结构设计(一)沥青路面设计1.交通组成与轴载当量计算车辆车型与日交通量的选用如下表所示:交通组成表表18000,设计年限末年日平均交通量为14367,符合二级公路对日平均交通量5000—15000的要求。
(1) 当以设计弯沉值为指标及沥青层层底拉应力验算时:设计年限末年日平均当量轴次:N=∑N1N2NN=1N N(N NN)4.35=3663设计年限内一个车道上累计当量轴次:N N=[(1+N)N−1]×365N·N·N=622.13(万次)(2) 当进行半刚性基层层底拉应力验算时:设计年限末年日平均当量轴次:N =∑N 1′N 2′NN =1N N (N N N )8=4665设计年限内一个车道上累计当量轴次:N N =[(1+N )N −1]×365N·N ·N =792.31(万次)综上,沥青路面交通属于中等交通等级。
2. 路面材料及路面结构的选取与土基模量的确定由于该二级公路路面属于中等交通等级,故采用以下两种方案备选: 方案一:双层式沥青面层+半刚性基层 方案二:单层式沥青面层+半刚性基层+垫层 由于江苏处于IV 类区划,故土基模量取36MPa 。
3. 设计弯沉值与容许拉应力的确定 路面设计弯沉值 N N 按下式计算:N N =600N N −0.2N N N N N N =28.9(0.01mm )结构层容许弯拉应力 N N 按下式计算:N N =N NNN N其中,对沥青混凝土面层: N N =0.09N N 0.22/N N对无机结合料稳定集料: N N =0.35N N 0.11/N N 对无极结合料稳定细粒土:N N =0.45N N 0.11/N N通过查表计算得:细粒式沥青混凝土:N N =0.47MPa 中粒式沥青混凝土:N N =0.36MPa 水泥稳定碎石: N N =0.33MPa 4. 结构层厚度确定于结构分析 (1) 方案一4cm 细粒式沥青混凝土+6cm 中粒式沥青混凝土+35cm 水泥稳定碎石,如下图所示。
道路路基路面工程课程设计一、课程目标知识目标:1. 让学生掌握道路路基路面工程的基本概念、原理和设计方法。
2. 使学生了解道路工程中不同材料的特点、选用原则及其在路基路面中的应用。
3. 让学生了解我国道路工程的相关标准和规范。
技能目标:1. 培养学生运用所学知识进行道路路基路面设计的实际操作能力。
2. 培养学生分析和解决道路工程中实际问题的能力。
3. 提高学生的团队协作和沟通能力。
情感态度价值观目标:1. 培养学生热爱道路工程专业,树立正确的职业观。
2. 增强学生的环保意识,使其关注道路工程对环境的影响。
3. 培养学生的社会责任感,使其认识到道路工程对社会经济发展的重要作用。
课程性质:本课程为专业核心课程,旨在培养学生的道路工程设计和施工能力。
学生特点:学生已经具备一定的道路工程基础知识,具有较强的学习兴趣和动手能力。
教学要求:结合实际工程案例,注重理论与实践相结合,提高学生的实际操作能力和解决问题的能力。
通过课程学习,使学生达到以下具体学习成果:1. 能够正确理解和应用道路路基路面工程的基本概念、原理和设计方法。
2. 能够分析不同材料在道路工程中的应用,并合理选用。
3. 能够按照我国相关标准和规范进行道路路基路面设计。
4. 能够独立或团队协作解决道路工程中的实际问题。
5. 能够关注道路工程对环境和经济的影响,树立正确的职业观和价值观。
二、教学内容1. 道路工程概述:介绍道路工程的基本概念、分类及其在国民经济中的作用,使学生了解道路工程的发展现状和未来趋势。
(对应教材第一章)2. 路基工程:讲解路基的基本构成、功能、设计原则及施工技术,重点分析不同类型路基的特点及适用场合。
(对应教材第二章)3. 路面工程:阐述路面的基本类型、结构组成、设计原理及施工方法,分析各种路面材料的性能及选用原则。
(对应教材第三章)4. 道路排水工程:介绍道路排水系统的设计原理、构成及施工要求,使学生了解道路排水工程的重要性及其对道路使用寿命的影响。
路面结构与路基边坡稳定性设计交通1001 朱天南一、路面结构设计(一)沥青路面设计1.交通组成与轴载当量计算车辆车型与日交通量的选用如下表所示:交通组成表表1序车型前轴重(kN) 后轴重(kN) 后轴数后轴轮组数后轴距(m) 交通量号1 黄河JN162 59.5 115 1 双轮组6502 黄河JN162A 62.28 116.22 1 双轮组6503 解放CA10B 19.4 60.85 1 双轮组6504 解放CA15 20.97 70.38 1 双轮组6505 解放CA30A 29.5 36.75 2 双轮组<3 500按交通量年平均增长率5%计,乘以折算系数得设计年年初日平均交通量为8000,设计年限末年日平均交通量为14367,符合二级公路对日平均交通量5000—15000的要求。
(1) 当以设计弯沉值为指标及沥青层层底拉应力验算时:设计年限末年日平均当量轴次:设计年限内一个车道上累计当量轴次:(2) 当进行半刚性基层层底拉应力验算时:设计年限末年日平均当量轴次:设计年限内一个车道上累计当量轴次:综上,沥青路面交通属于中等交通等级。
2. 路面材料及路面结构的选取与土基模量的确定由于该二级公路路面属于中等交通等级,故采用以下两种方案备选:方案一:双层式沥青面层+半刚性基层方案二:单层式沥青面层+半刚性基层+垫层由于江苏处于IV类区划,故土基模量取36MPa。
3. 设计弯沉值与容许拉应力的确定路面设计弯沉值按下式计算:结构层容许弯拉应力按下式计算:其中,对沥青混凝土面层:对无机结合料稳定集料:对无极结合料稳定细粒土:通过查表计算得:细粒式沥青混凝土:中粒式沥青混凝土:水泥稳定碎石:4. 结构层厚度确定于结构分析(1) 方案一4cm细粒式沥青混凝土+6cm中粒式沥青混凝土+35cm水泥稳定碎石,如下图所示。
--------------------------------------细粒式沥青混凝土 4 cm---------------------------------------中粒式沥青混凝土 6 cm---------------------------------------水泥稳定碎石35 cm---------------------------------------土基路面结构表面弯沉值与结构层层底弯拉应力按下式计算:现将结果汇于下表:结构层层底应力与完成值计算表表2序号结构层材料名称20℃抗压模量(MPa)15℃抗压模量(MPa)厚度(cm)层底拉应力(MPa)容许拉应力(MPa)层顶弯沉值(0.01mm)1 细粒式沥青混凝土1600 2200 4 -0.252 0.47 28.52 粗粒式沥青混凝土1400 2000 6 -0.094 0.36 32.43 水泥稳定碎石1700 1700 35 0.246 0.33 39.24 土基36结构表面弯沉值,且各层层底拉应力均小于容许拉应力,故设计合理。
路面结构与路基边坡稳定性设计交通1001 朱天南一、路面结构设计(一)沥青路面设计1.交通组成与轴载当量计算车辆车型与日交通量的选用如下表所示:交通组成表表1年限末年日平均交通量为14367,符合二级公路对日平均交通量5000—15000的要求。
(1) 当以设计弯沉值为指标及沥青层层底拉应力验算时:设计年限末年日平均当量轴次:N=∑N1N2NN=1N N(N N)4.35=3663设计年限内一个车道上累计当量轴次:N N=[(1+N)N−1]×365N·N·N=622.13(万次)(2) 当进行半刚性基层层底拉应力验算时:设计年限末年日平均当量轴次:N=∑N1′N2′NN=1N N(N NN)8=4665设计年限内一个车道上累计当量轴次:N N=[(1+N)N−1]×365N·N·N=792.31(万次)综上,沥青路面交通属于中等交通等级。
2. 路面材料及路面结构的选取与土基模量的确定由于该二级公路路面属于中等交通等级,故采用以下两种方案备选:方案一:双层式沥青面层+半刚性基层方案二:单层式沥青面层+半刚性基层+垫层由于江苏处于IV类区划,故土基模量取36MPa。
3. 设计弯沉值与容许拉应力的确定路面设计弯沉值N N按下式计算:N N=600N N−0.2N N N N N N=28.9(0.01mm)结构层容许弯拉应力N N按下式计算:N N=N NN N N其中,对沥青混凝土面层:N N=0.09N N0.22/N N对无机结合料稳定集料:N N=0.35N N0.11/N N对无极结合料稳定细粒土:N N=0.45N N0.11/N N通过查表计算得:细粒式沥青混凝土:N N=0.47MPa中粒式沥青混凝土:N N=0.36MPa水泥稳定碎石:N N=0.33MPa4. 结构层厚度确定于结构分析(1) 方案一4cm细粒式沥青混凝土+6cm中粒式沥青混凝土+35cm水泥稳定碎石,如下图所示。
路面结构与路基边坡稳定性设计交通1001 朱天南一、路面结构设计(一)沥青路面设计1.交通组成与轴载当量计算车辆车型与日交通量的选用如下表所示:交通组成表表1年限末年日平均交通量为14367,符合二级公路对日平均交通量5000—15000的要求。
(1) 当以设计弯沉值为指标及沥青层层底拉应力验算时:设计年限末年日平均当量轴次:N=∑N1N2NN=1N N(N N)4.35=3663设计年限内一个车道上累计当量轴次:N N=[(1+N)N−1]×365N·N·N=622.13(万次)(2) 当进行半刚性基层层底拉应力验算时:设计年限末年日平均当量轴次:N=∑N1′N2′NN=1N N(N NN)8=4665设计年限内一个车道上累计当量轴次:N N=[(1+N)N−1]×365N·N·N=792.31(万次)综上,沥青路面交通属于中等交通等级。
2. 路面材料及路面结构的选取与土基模量的确定由于该二级公路路面属于中等交通等级,故采用以下两种方案备选:方案一:双层式沥青面层+半刚性基层方案二:单层式沥青面层+半刚性基层+垫层由于江苏处于IV类区划,故土基模量取36MPa。
3. 设计弯沉值与容许拉应力的确定路面设计弯沉值N N按下式计算:N N=600N N−0.2N N N N N N=28.9(0.01mm)结构层容许弯拉应力N N按下式计算:N N=N NN N N其中,对沥青混凝土面层:N N=0.09N N0.22/N N对无机结合料稳定集料:N N=0.35N N0.11/N N对无极结合料稳定细粒土:N N=0.45N N0.11/N N通过查表计算得:细粒式沥青混凝土:N N=0.47MPa中粒式沥青混凝土:N N=0.36MPa水泥稳定碎石:N N=0.33MPa4. 结构层厚度确定于结构分析(1) 方案一4cm细粒式沥青混凝土+6cm中粒式沥青混凝土+35cm水泥稳定碎石,如下图所示。
路面结构与路基边坡稳定性设计交通1001 朱天南一、路面结构设计(一)沥青路面设计年限末年日平均交通量为14367,符合二级公路对日平均交通量5000—15000的要求。
(1) 当以设计弯沉值为指标及沥青层层底拉应力验算时:设计年限末年日平均当量轴次:N=∑N1N2NN=1N N(N N)4.35=3663设计年限内一个车道上累计当量轴次:由于该二级公路路面属于中等交通等级,故采用以下两种方案备选:方案一:双层式沥青面层+半刚性基层方案二:单层式沥青面层+半刚性基层+垫层由于江苏处于IV类区划,故土基模量取36MPa。
3. 设计弯沉值与容许拉应力的确定路面设计弯沉值N N按下式计算:N N=600N N−0.2N N N N N N=28.9(0.01mm)结构层容许弯拉应力N N按下式计算:(1) 方案一4cm细粒式沥青混凝土+6cm中粒式沥青混凝土+35cm水泥稳定碎石,如下图所示。
--------------------------------------细粒式沥青混凝土 4 cm---------------------------------------中粒式沥青混凝土 6 cm---------------------------------------水泥稳定碎石 35 cm---------------------------------------土基路面结构表面弯沉值N N与结构层层底弯拉应力计算方法同方案一,并汇于下表:结构层层底应力与完成值计算表表3交通组成表表42. 初拟路面结构安全等级为三级的道路对应的变异水平等级为中级。
根据二级公路、重交通等级与中级变异水平等级,初拟如下两个方案:方案一:24cm混凝土面层+18cm水泥稳定粒料基层+15cm无机结合料稳定土方案一:30cm混凝土面层+20cm水泥稳定粒料基层两方案中普通混凝土板的平面尺寸为4.5m×5.0m,纵缝为设拉杆的平缝,横缝为设传力杆的平缝。
《路基路面工程》课程设计总结学生姓名:祝亚坤班级:交通1104班学号:P1804110427指导教师:袁国林南京工业大学交通学院二0一四年六月二十五日路基路面工程课程设计总结理论要通过实践来验证,这是亘古不变的真理。
经过一学期对《路基路面工程》课程理论的学习,我对本门课程有了初步的理解,能掌握课本中的重点知识点,现在通过两周时间的课程设计,我初步掌握了沥青路面与混凝土路面的设计方法,了解了如何进行交通量换算与轴载当量换算,也对二级公路路基路面结构的选取有了一个初步的认识,对上课中不太理解的许多问题也有了更深刻的理解。
通过对路基路面专业计算软件的学习,也基本理解了软件设计与对层底拉应力、弯沉值计算和校核的要点。
在这两周的时间里,通过实践更深刻的理解了课本中许多以往上课时候觉得抽象的理论知识,同时为将来的设计工作奠定了一定的基础,为将来的毕业设计和未来的工作积累了一定的经验。
路面路基工程课程设计是路面路基工程课程的最后一个重要教学环节,也是本专业第一次而且最重要的一次较全面地运用一年来所学各方面知识进行实践性训练的重要环节。
本次课程设计不仅牵涉到了本学期所学课程的内容,还牵涉到了以前所学习的课程内容,这次的课程设计不仅仅是对一年多来前面所学各课程的一个很好总结,更是对不同科目的融会贯通提出了新的要求。
两周的时间,是短暂而又漫长的。
由于路基路面材料与结构的选取部分内容具有一定的难度,需要花费相当一部分时间去查找资料以及学习了解相关规范,在加上校核的反复性,使得整个课程设计的节奏相当紧凑。
而且,“世界杯”的加入让我们的生活节奏有了调整,我们根据老师的建议时间安排,结合自己的实际情况,在这两周里,经过资料查找、规范学习以及与同学交流等方式,努力且较好的完成了本次课程设计任务。
两周的课程设计,我的认识是深刻而又难忘的,本次的课程设计不但花去了我们大量的劳力精力,更耗费了大量的脑力精力,但相应的,我们得到的也很多。
路面结构与路基边坡稳定性设计交通1001 朱天南一、路面结构设计(一)沥青路面设计1.交通组成与轴载当量计算车辆车型与日交通量的选用如下表所示:交通组成表 表1按交通量年平均增长率5%计,乘以折算系数得设计年年初日平均交通量为8000,设计年限末年日平均交通量为14367,符合二级公路对日平均交通量5000—15000的要求。
(1) 当以设计弯沉值为指标及沥青层层底拉应力验算时: 设计年限末年日平均当量轴次:N =∑C 1C 2Ki=1n I (P iP )4.35=3663设计年限内一个车道上累计当量轴次:N e =[(1+r )t −1]×365r·N ·η=622.13(万次)(2) 当进行半刚性基层层底拉应力验算时: 设计年限末年日平均当量轴次:N =∑C 1′C 2′Ki=1n I (P iP )8=4665设计年限内一个车道上累计当量轴次:N e =[(1+r )t −1]×365r·N ·η=792.31(万次)综上,沥青路面交通属于中等交通等级。
2. 路面材料及路面结构的选取与土基模量的确定由于该二级公路路面属于中等交通等级,故采用以下两种方案备选:方案一:双层式沥青面层+半刚性基层方案二:单层式沥青面层+半刚性基层+垫层由于江苏处于IV类区划,故土基模量取36MPa。
3. 设计弯沉值与容许拉应力的确定路面设计弯沉值 l d按下式计算:l d=600N e−0.2A C A S A B=28.9(0.01mm)结构层容许弯拉应力 σR按下式计算:σR=σSP K S其中,对沥青混凝土面层:K S=0.09N e0.22/A C对无机结合料稳定集料:K S=0.35N e0.11/A C对无极结合料稳定细粒土:K S=0.45N e0.11/A C通过查表计算得:细粒式沥青混凝土:σR=0.47MPa中粒式沥青混凝土:σR=0.36MPa水泥稳定碎石:σR=0.33MPa4. 结构层厚度确定于结构分析(1) 方案一4cm细粒式沥青混凝土+6cm中粒式沥青混凝土+35cm水泥稳定碎石,如下图所示。
--------------------------------------细粒式沥青混凝土 4 cm---------------------------------------中粒式沥青混凝土 6 cm---------------------------------------水泥稳定碎石35 cm---------------------------------------土基路面结构表面弯沉值 l s与结构层层底弯拉应力按下式计算:l s=10002PδE1αc Fσm=pσ̅m现将结果汇于下表:结构层层底应力与完成值计算表表2结构表面弯沉值 l s=28.5<l d=28.9,且各层层底拉应力均小于容许拉应力,故设计合理。
(2) 方案二10cm细粒式沥青混凝土+22cm水泥稳定碎石+20cm水泥砂砾土,如下图所示:---------------------------------------细粒式沥青混凝土10 cm---------------------------------------水泥稳定碎石22 cm---------------------------------------水泥砂砾土20 cm---------------------------------------土基路面结构表面弯沉值 l s与结构层层底弯拉应力计算方法同方案一,并汇于下表:结构层层底应力与完成值计算表表3s d理。
(二)混凝土路面设计1.交通分析车辆车型与日交通量的选用如下表所示:交通组成表表4按交通量年平均增长率5%计,乘以折算系数得设计年年初日平均交通量为8000,设计年限末年日平均交通量为14367,符合二级公路对日平均交通量5000—15000的要求。
二级公路的设计基准期为20年,安全等级为三级,临界荷位处的车辆轮迹横向分布系数取0.39,交通量年平均增长率取5%。
由设计车道使用初期标准轴载日作用次数13473,设计基准期内设计车道标准荷载累计作用次数计算如下:N e=[(1+g r)t−1]×365g r·N s·η=6341.7(万次)属于特重交通等级,故在设计路面应加厚考虑。
2. 初拟路面结构安全等级为三级的道路对应的变异水平等级为中级。
根据二级公路、重交通等级与中级变异水平等级,初拟如下两个方案:方案一:24cm混凝土面层+18cm水泥稳定粒料基层+15cm无机结合料稳定土方案一:30cm混凝土面层+20cm水泥稳定粒料基层两方案中普通混凝土板的平面尺寸为4.5m×5.0m,纵缝为设拉杆的平缝,横缝为设传力杆的平缝。
3. 方案一设计校核(24cm混凝土面层+18cm水泥稳定粒料基层+15cm无机结合料稳定土)(1) 路面材料参数的确定取普通混凝土面层的弯拉强度标准值为5.0MPa ,相应弯拉弹性模量标准值为31GPa 。
由于施工路段处于江苏IV 类区划,故土基模量取36MPa ,无机结合料稳定土垫层回弹模量取600MPa ,水泥稳定粒料基层取1300MPa 。
基层顶面当量回弹模量计算如下:E x =ℎ12E 1+ℎ22E 1ℎ12+ℎ22=1300×0.182+600×0.1520.182+0.152=1013MPa D x =ℎ13E 112+ℎ23E 212+(ℎ1+ℎ2)24(1E 1ℎ1+1E 2ℎ2)−1=1300×0.18312+600×0.15312+(0.15+0.18)24(11300×0.18+1600×0.15)−1=2.57MN ·mℎx =√12D x /E x 3=0.312m a =6.22[1−1.51(E x E 0)−0.45]=4.128b =1−1.44(E x E 0)−0.55=0.770E t =aℎx bE 0(E x E 0)1/3=4.128×0.3120.77×36×(101336)1/3=184.35MPa普通混凝土面层的相对刚度半径:r =0.573ℎ√E c /E t 3=0.573×0.24×√31000/184.353=0.759(2) 荷载疲劳应力标准轴载在临界荷位处产生的荷载:σps =0.077r 0.6ℎ−2=0.077×0.7590.6×0.24−2=1.133MPa由于纵缝为设拉杆平缝,接缝传荷能力的应力折减系数 K r =0.87 ,考虑设计期内荷载应力累计疲劳作用的疲劳应力系数 K f =N e ν=(6.34×106)0.057=2.44 ,根据公路等级,考虑偏载和动载等因素对路面疲劳破坏影响的综合系数 K c =1.20 。
故疲劳荷载应力为:σpr =K r K f K c σps =0.87×2.44×1.2×1.133=2.89MPa(3) 温度疲劳应力IV区最大温度梯度取92(℃/m)。
板长5m,l r⁄=50.759⁄=6.588 ,查表可知 B x=0.68 ,故最大温度梯度时混凝土板的温度翘曲应力为:σtm=αc E cℎT g2B x=10−5×31000×0.24×922×0.68=2.32MPa计算温度疲劳应力系数时,由自然区划IV得参数 a=0.841 ,b=0.058 , c=1.323 .K t=f rσtm[a(σtmf r)c−b]=5.02.32[0.841×(2.325.0)1.323−0.058]=0.531故温度疲劳应力:σtr=K tσtm=0.531×2.32=1.23MPa(4)结构可靠度判别二级公路的安全等级为三级,相应于三级安全等级的变异水平等级为中级,目标可靠度为85%,确定可靠度系数 γr=1.13 。
由于有γr(σpr+σtr)=1.13(2.89+1.23)=4.66MPa<f r=5.0MPa 即所设计的路基路面结构可以承受设计基准期内荷载应力与温度应力的综合疲劳作用,因此设计合理。
结构示意图如下:---------------------------------------普通混凝土面层240 mm---------------------------------------水泥稳定粒料180 mm---------------------------------------石灰粉煤灰土150 mm---------------------------------------土基4. 方案一设计校核(30cm混凝土面层+20cm水泥稳定粒料基层)(1)路面材料参数的确定取普通混凝土面层的弯拉强度标准值为5.0MPa,相应弯拉弹性模量标准值为31GPa。
由于施工路段处于江苏IV类区划,故土基模量取 E0=36MPa ,水泥稳定粒料基层取 E1= 1300MPa 。
E x=E1=1300MPaD x =ℎ13E 112=0.23×13003=3.47ℎx =√12D x /E x 3=0.317m a =6.22[1−1.51(E x E 0)−0.45]=4.350b =1−1.44(E x E 0)−0.55=0.780E t =aℎx bE 0(E x E 0)1/3=4.350×0.3120.78×36×(130036)1/3=208.66MPa普通混凝土面层的相对刚度半径:r =0.573ℎ√E c /E t 3=0.573×0.30×√31000/208.663=0.910(2) 荷载疲劳应力标准轴载在临界荷位处产生的荷载:σps =0.077r 0.6ℎ−2=0.077×0.9100.6×0.3−2=0.808MPa由于纵缝为设拉杆平缝,接缝传荷能力的应力折减系数 K r =0.87 ,考虑设计期内荷载应力累计疲劳作用的疲劳应力系数 K f =N e ν=(6.34×106)0.057=2.44 ,根据公路等级,考虑偏载和动载等因素对路面疲劳破坏影响的综合系数 K c =1.20 。
故疲劳荷载应力为:σpr =K r K f K c σps =0.87×2.44×1.2×0.808=2.06MPa(3) 温度疲劳应力IV 区最大温度梯度取92(℃/m)。