石材加工费
- 格式:xls
- 大小:27.00 KB
- 文档页数:2
精心整理石材加工费行规[整理版]1、【加工费用】:如有未尽事宜以口头或合同协定结算,不含石材,加工名称单价(元)加工名称单价(元)磨单边10元/米磨双边25元/米普通加厚边25元/米三层边35元/米单层法国边25元/米台上盆30元/个双层法国边33元/米粘台下盆50元/个o背倒10元/米倒底切45角15元/个o15元/30元/米元/每公680元(R边R大于10mm的1/4圆大圆边15元/米边(见光)1/2圆边相连组合而成全圆边15元/米(见光)(见光)斜长大于14mm的斜边大斜边15元/米(见光)由一个小直边和1/4圆法国边25元/米边相连组合而成(见光)由垂直的两个小边和中海棠边25元/米间为小于1/4的圆边相38成1012加厚直边双层石材直边见光或小或小圆边25元/米圆边R3见光R3加厚法国30元/米双层石材法国边见光边38元/米双层石材海棠边见光边加厚线条双层石材5*5斜边加海68元/米边棠样式线条边见光加厚全圆28边3845边20边20边2、【市场常用线条样式】,线条价格按(每公分12元/每米)例如:8 公分线条=96元/米线条样式线条编号Xd-xt-01Xd-xt-02Xd-xt-03Xd-xt-05Xd-xt-06Xd-xt-07Xd-xt-08Xd-xt-09Xd-xt-10341装按2条3度80-150mm内的常用厚度是30mm,150-200mm常用是40mm,250mm以上需用50mm或以上厚料加工,线条经过加工出形状,打磨抛光过等多个工序后厚度出现小于1-2mm,属于正常现象,5、【线条常用规格】,石材线条宽度,80mm/100mm/120mm/150mm/180mm/200mm/220mm/250mm(加工规格\造型可以按客户要求订做)详6、【线条常用长度】:线条长度最长可做到2.5米左右,如超过2.5米需要分段拼接,这样可以运输成品低、搬运施工安装都很方便,----注,做长的线条会开介料子,加工的时候出现断裂的现象,如有拼接和补胶的不属于质量问题,纯属正常现象。
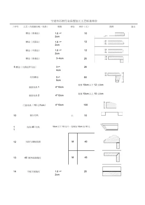
丿序号工艺(内装窗台板、线条)规格单位单价(元)图例备注磨边(普通边) 1.6 〜2cm10磨边(法国边) 1.6 〜2cm12磨边(半圆边) 1.6 〜2cm12磨边(普通边)3~4cm 255 磨边(大圆边罗马边)3〜4cm28花色磨边5〜6cm80窗套线条14*10cm宽度10cm以下12元/cm窗套线条24*12cm宽度10cm以上10元/cm门套线条(10元/1cm)4*10cm 10010 窗台切角只1011线条45°切角10cm以下10元/个,每增加10cm加10元12 线条与侧板粘接13 45°倒角粘接抛光M 40 M 4514 平板平接抛光 1.6 〜2cm25序号工艺(内装窗台板、线条) 规格 单位 单价(元) 图例 备注2815 异形、弧形线条 (窗、门套)4cm*10cm普通加工线条倍16 异形、弧形线条 (单层边线条)1.6 〜2cm普通加工费的咅17 水刀腰线、围边常规加工费的2倍18菱形拼花切割加工费m 210019 地坪切角5元/1个角弧形脚加工单层20 70 弧形脚加工双层11021 踢脚线线条加工2 cmcm12 兀 /cm22 23 水刀拼花加工费 (不含原材料) 水刀拼花原材料(普通平板成品单价的双倍 )m 280024 大理石水刀异形切割 25 花岗岩水刀异形切割 26 大理石防护处理室内 27 花岗岩防护处理大理石地面补缝+整体研磨+镜面处理im 2 m 2 m 230 38 25 15 45〜65丿序工艺(外墙石材系列)规格单位单价(元)图例备注号平抛光 2.5cm M 102 定厚 2.5cm M 63 10*10mm正面起槽抛光 2.5cm M 10正面留3mm内倒角抛光 2.5cm M 105 45°对角加钢销粘接 2.5cm 356 异形线条一60*220mm cm 10 元/cm不锈钢螺栓粘接50*100mm M 95(异形线条二)8 异形线条三50*85mm cm 10 元/cm。
石材加工费用明细市场价位(报价参考)《B淇民M范曰歿圧耗®fe 】(运2如怜)林册W S E如倚水口公個冊吆*»fi :【K H 01 . 毎根线条胡会在底部安装("1-2 根纲筋条)加固,运输/安装/加工都方便安金,如需切割阴角或阳角45度拼角,按HO元一个收取。
线条每条最第云长度建以在2.5米以内,如电视背眾线条丘于25 米.建輕钏接。
12、如门套窗套需加侧板,侧板宽度5cm-25cm内而且超过1.5米长的必须在底部安装加固钢筋条"I条,费用15元一米.宽度25cm 以上的必须在底部安装加固纲筋条 2 条,费用30 元一米° 门坎石也应加钢筋。
3、以线条形状的最高点为标准厚度° 正常厚度为:面:宽80-1 5Omm 内的常用厚度是3Omm,1 5O-2OOmm 常用是4Omm , 25Omm 以上需用5Omm 或以上厚料加工,线条经过加工出形状,打磨抛光过等多个工序衍哼度岀现小于1 -2mm ■屈于正常现象.5、【线条活用规格】::石材线条宽度二8Omm/1 OOmm/1 2Omm/1 5Omm/1 80mm/200mm/220mrn/250mm( JJN 工观格\造型可以按客户要求订做)坪见首页[加工费用]了解最全面的观格及造型线条常用长度】二线条K度最K可做到2.5米左右,如超过2.5米需要分段拼按.这样可以运输成品低、搬运施工安装都很方便. ------- 注二做衣的线条会开介料子.加工的时候出现断裂的现象■如有拼接和补胶的不届于质量问越.纯丿国正常现象OY.J V4* 1 NO+ 1 木70:N8O YJ V4水£50十1 木1 20 YJ V4*2f5 卜1 * 1 6= SO Y」Vf5* 1 6 ;々1 YJ V5* 1 O ; 30 YJ。
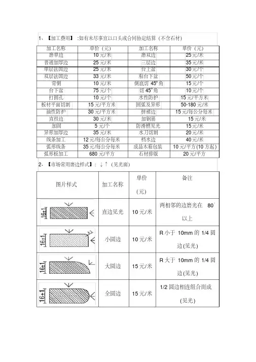
石材加工费行规[整理版]1、【加工费用】:如有未尽事宜以口头或合同协定结算,不含石材,加工名称单价(元) 加工名称单价(元) 磨单边 10元/米磨双边 25元/米普通加厚边 25元/米三层边 35元/米单层法国边 25元/米台上盆 30元/个双层法国边 33元/米粘台下盆 50元/个o背倒 10元/米倒底切45角 15元/个o台下盆 75元/个切45角 10元/个打圆孔 10元/个水性防护 15元/平方米板材平面切割 15元/平方米圆弧及异形 50-180元/米油性防护 30元/平方米拼裙边15元/每公分每米直挂边 30元/米加钢筋 15元/米加固 5元/个防滑槽见光 15元/米异形加厚边 35元/米水刀切割 20元/米线条加工 12元/每公分每米档水边 40元/米弧形线条 35元/每公分每米成品木箱包装10元/平方(10方起) 弧形板加工 680元/平方石材排版 20元/平方 2、【市场常用磨边样式】,??,见光面,单价备注图片样式加工名称(元)两相邻的边磨光在80?直边见光 10元/米以上R小于10mm的1/4圆小圆边 10元/米边(见光)R大于10mm的1/4圆大圆边 15元/米边(见光)1/2圆边相连组合而成全圆边 15元/米(见光)斜长小于14mm的斜边小斜边 10元/米(见光)斜长大于14mm的斜边大斜边 15元/米(见光)由一个小直边和1/4圆法国边 25元/米边相连组合而成(见光)由垂直的两个小边和中海棠边 25元/米间为小于1/4的圆边相连组合而成(见光)由两个小直边和中间为双级法国1/2圆边相连组合而成。
38元/米边或由两块法国边组合而成(见光) 鸭嘴边 25元/米形似鸭嘴的边(见光)产品加工艺奶嘴边 25元/米形似奶嘴的边(见光)平面板材抽10*5槽,不平面抽槽 10元/米见光,平面板材抽10*5槽,见平面抽槽 15元/米光,倒底或倒平面板材倒底部倒底切10元/米 o面 45角(不见光)倒底或倒平面板材倒底部倒底切12元/米 o面 45角留5厘(见光)加厚直边双层石材直边见光或小或小圆边25元/米圆边R3见光 R3加厚法国30元/米双层石材法国边见光边加厚海棠38元/米双层石材海棠边见光边加厚线条双层石材5*5斜边加海68元/米边棠样式线条边见光加厚全圆28元/米双层石材全圆边见光边加厚鸭嘴双层石材上层鸭嘴边见38元/米边光加厚鸭嘴双层石材鸭嘴边+全圆45元/米边+全圆边见光加厚斜边 20元/米双层石材5*5斜边见光拉槽大斜20元/米拉槽大斜边见光边拉槽平面20元/米拉槽平面边见光边2、【市场常用线条样式】,线条价格按(每公分12元/每米)例如:8 公分线条=96元/米线条样式线条编号Xd-xt-01Xd-xt-02Xd-xt-03Xd-xt-04 Xd-xt-05 Xd-xt-06 Xd-xt-07Xd-xt-08 Xd-xt-09 Xd-xt-10 Xd-xt-11Xd-xt-123、【市场常用踢脚线样式】,踢脚线一踢脚线二踢脚线三踢脚线四4、【工艺技术】,1、每根线条都会在底部安装(1-2根钢筋条)加固,运输/安装/加工都方便安全,如需切割阴角或阳角45度拼角,按10元一个收取。
1、大理石石材大板的价格计算方式:荒料每立方的价格/[1/(板厚度+锯片耗损厚度约4mm)]+大板切割产生的加工费(25-80元/m2)=毛光板大板价
2、花岗岩石材条板的价格计算方式:荒料每立方的价格/[1/(板厚度+锯片耗损厚度约8-10mm)]+条板切割产生的加工费加工1.5-2.0公分的(60-80头18元/m2\90头33元/m2\100头38元/m2)=毛光板大板价
3、大理石石材成品板的价格计算方式:每平方毛光板大板价/出材率通常0.7-0.8+红外切边加工10元/m2+包装费(国内的10元/ m2 出口的20元/ m2)=光面成品板价
4、花岗岩石材成品板的价格计算方式:每立方荒料价/[1/(板厚+0.8-1公分锯片耗损厚度)]+圆盘切加工1.5-2.0公分的(60-80头18元/m2\90头33元/m2\100头38元/m2) +包装费(托盘的3-5元/ m2 木箱的5-10元/ m2)+工艺处理费(磨光7元\火烧4元\水冲\17-30元\荔枝面7元)=成品板价
5、大理石石材出材率的计算方式:1-(现有规格的大板面积-可产出规格成品的面积)/现有规格的大板面积+预计损耗率0.02-0.1。
2020年最新石材加工费用单价表
德创石业加工单价表
如有未尽事宜以合同协定结算
平面切割
15元/平方米
弧形切割
15元/米
单层小斜边(见光)
10元/米
单层大斜边(见光)
20元/米
单层1/2圆边(见光)
单层1/4圆边(见光)
单层鸭嘴边(见光)
单层法国边(见光)
背开槽(不见光)
背开槽(见光)
背切45度边(不见光)
背切45度边(见光)
双层加厚小斜边
25元/米
双层加厚1/2圆边
厨房台面圆弧前挡水边
35元/米
厨房台面圆弧后挡水边
40元/米
直线异型加厚边
曲线异型加厚边
120元/米
两块背切45度粘接
30元/米
背景墙粘L型边
两块平面粘接见光
平面线条粘接(含切角)踏步防滑槽
弧形加厚小斜边
加钢筋
弧形粘接(见光)
60元/米
罗马槽
罗马槽(见光)
线条平面切角
5元/个
线条立体切角
10元/个
钻水龙头孔
15元/个
挖台中盆
120元/个
挖台下盆
60元/个
粘台下盆
50元/个
线条加工
12元/公分每米
弧形线条加工
35元/公分每米
纳米防护
大理石保护膜
直线滴水槽
定做背景墙梭头200元/个
定制拉丝面
100元/平方米起步定制火烧面
60元/平方米起步定制结晶镜面
定制酸洗面
40元/平方米起步城区运费
100元/车
偏远地区
200元起步。
直边见光(15元/m)5*5斜边见光(20元/m)小圆边见光(15元/m)全圆边见光(25元/m)R5小圆边见光(20元/m)上下5*5斜边见光(25元/m)法国边见光(30元/m)鸭嘴边见光(35元/m)海棠边见光(20元/m)奶嘴边见光(25元/m)抽坑不见光(12元/m)抽坑10*5见光(20元/m)倒底或倒面不见光(12元/m)倒底留5mm见光(15元/m)加厚直边见光(25元/m)加厚上下5*5斜边见光(35元/m)加厚小圆边见光(25元/m)加厚全圆边见光(40元/m)加厚法国边见光(40元/m)加厚鸭嘴边见光(50元/m)加厚海棠边见光(50元/m)加厚全圆鸭嘴边见光(70元/m)加厚上下3*3法国边见光(55元/m)加厚海棠5*5斜边见光(70元/m)倒底加厚R5小圆边见光(30元/m)倒底加厚5*5斜边见光(35元/m)加厚5*5斜边见光(35元/m)上下3*3加厚上下3*3见光(40元/m)大斜边见光(30元/m)开槽大斜边见光(35元/m)开槽3*3见光加厚5*5斜边见光(40元/m)加厚小圆边见光(35元/m)矩形切板、排版、木箱包装:元平方异形切板、排版、木箱包装:75元/平方板材磨边类型报价见右图水性防水:15元/平方(美国思康牌)直位线条:150MM宽以上1300元/平方油性防水:30元/平方(美国思康牌)水刀拼花:800-2500元/平方玻璃复合板:800宽以下800元/平方1200宽以下1000元/平方直位线条:100-150MM宽1600元/平方直位线条:100宽以下见图形定价弯位线条:见图形定价非等厚弧板:700元/平方柱头柱座:1800元/平方板材雕刻:2000元/平方喷沙图案:元-1000元/平方石材加工费报价表酸洗面:40元/平方仿古釉面:70元/平方拉丝面:350元/平方。
石材加工费行规加工费用如下,如有未尽事宜可以通过口头或合同协定结算,但不包括石材加工。
加工项目包括磨单边、普通加厚边、单层法国边、双层法国边、背倒、台下盆、打圆孔、板材平面切割、油性防护、直挂边、加固、异形加厚边、线条加工、弧形线条、弧形板加工等。
每个项目的单价如下:磨单边:10元/米普通加厚边:25元/米单层法国边:25元/米双层法国边:33元/米背倒:10元/米台下盆:75元/个打圆孔:10元/个板材平面切割:15元/平方米油性防护:30元/平方米直挂边:30元/米加固:5元/个异形加厚边:35元/米线条加工:12元/每公分每米弧形线条:35元/每公分每米弧形板加工:680元/平方市场常用的磨边样式包括直边见光、小圆边、大圆边、全圆边、小斜边、大斜边、法国边、海棠边、鸭嘴边、奶嘴边、平面板材抽10*5槽、平面板材抽10*5槽(见光)、倒底或倒面、平面板材倒底部倒底切45°(不见光)、平面板材倒底部倒底切45°留5厘(见光)、双层石材直边见光或小圆边、加厚法国边见光或面倒底或面加厚直边、加厚海棠边、双层石材5*5斜边加海。
每个样式的单价如下:直边见光:10元/米以上小圆边:10元/米大圆边:15元/米全圆边:15元/米小斜边:10元/米大斜边:15元/米法国边:25元/米海棠边:25元/米鸭嘴边:25元/米奶嘴边:25元/米平面板材抽10*5槽(不见光):10元/米平面板材抽10*5槽(见光):15元/米倒底或倒面:10元/米平面板材倒底部倒底切45°(不见光):12元/米平面板材倒底部倒底切45°留5厘(见光):25元/米双层石材直边见光或小圆边:25元/米加厚法国边见光或面倒底或面:30元/米加厚直边、加厚海棠边:38元/米双层石材5*5斜边加海:68元/米文章中存在明显的格式错误和无意义的内容,需要删除和改写。
以下是修改后的文章:石材线条价格表:样式|价格(元/米)全圆边见光|28鸭嘴边见光|38加厚全圆边|加厚鸭嘴边|45双层石材鸭嘴边+全圆边见光|20 双层石材5*5斜边见光|20拉槽大斜边见光边|20拉槽平面边见光边|20市场常用线条样式:线条编号|线条样式Xd-xt-01|Xd-xt-02|Xd-xt-03|Xd-xt-04|Xd-xt-05|Xd-xt-06|Xd-xt-07|Xd-xt-08|Xd-xt-09|Xd-xt-10|Xd-xt-11|Xd-xt-12|市场常用踢脚线样式:踢脚线一|踢脚线二|踢脚线三|踢脚线四|工艺技术:1.每根线条底部都会安装1-2根钢筋条,以便运输、安装和加工更加方便和安全。
磨单边 10元/米 磨双边 25元/米 普通加厚边 25元/米 三层边 35元/米 单层法国边 25元/米 台上盆 30元/个 双层法国边 33元/米 粘台下盆 50元/个 背倒 10元/米 倒底切45o 角 15元/个 台下盆 75元/个 切45o 角 10元/个 打圆孔 10元/个 水性防护 15元/平方米 板材平面切割 15元/平方米 圆弧及异形 50-180元/米 油性防护 30元/平方米 拼裙边 15元/每公分每米 直挂边 30元/米 加钢筋 15元/米加固 5元/个 防滑槽见光 15元/米 异形加厚边 35元/米 水刀切割 20元/米 线条加工 12元/每公分每米 档水边 40元/米 弧形线条35元/每公分每米成品木箱包装10元/平方(10方起)弧形板加工680元/平方石材排版20元/平方直边见光10元/米两相邻的边磨光在80°以上小圆边10元/米R小于10mm的1/4圆边(见光)大圆边15元/米R大于10mm的1/4圆边(见光)全圆边15元/米1/2圆边相连组合而成(见光)小斜边10元/米斜长小于14mm的斜边(见光)大斜边15元/米斜长大于14mm的斜边(见光)法国边25元/米由一个小直边和1/4圆边相连组合而成(见光)海棠边25元/米由垂直的两个小边和中间为小于1/4的圆边相连组合而成(见光)双级法国边38元/米由两个小直边和中间为1/2圆边相连组合而成。
或由两块法国边组合而成(见光)鸭嘴边25元/米形似鸭嘴的边(见光)产品加工艺奶嘴边25元/米形似奶嘴的边(见光)平面抽槽10元/米平面板材抽10*5槽(不见光)平面抽槽15元/米平面板材抽10*5槽(见光)倒底或倒面10元/米平面板材倒底部倒底切45o角(不见光)倒底或倒面12元/米平面板材倒底部倒底切45o角留5厘(见光)加厚直边或小圆边R325元/米双层石材直边见光或小圆边R3见光加厚法国边30元/米双层石材法国边见光加厚海棠边38元/米双层石材海棠边见光加厚线条边68元/米双层石材5*5斜边加海棠样式线条边见光加厚全圆边28元/米双层石材全圆边见光加厚鸭嘴边38元/米双层石材上层鸭嘴边见光加厚鸭嘴边+全圆45元/米双层石材鸭嘴边+全圆边见光加厚斜边20元/米双层石材5*5斜边见光拉槽大斜边20元/米拉槽大斜边见光拉槽平面边20元/米拉槽平面边见光2、【市场常用线条样式】:线条价格按(每公分12元/每米)例如:8公分线条=96元/米线条样式线条编号Xd-xt-01Xd-xt-02 Xd-xt-03 Xd-xt-04 Xd-xt-05 Xd-xt-06 Xd-xt-07 Xd-xt-08 Xd-xt-09 Xd-xt-10Xd-xt-11Xd-xt-123、【市场常用踢脚线样式】:踢脚线一踢脚线二踢脚线三踢脚线四4、【工艺技术】:1、每根线条都会在底部安装(1-2根钢筋条)加固,运输/安装/加工都方便安全,如需切割阴角或阳角45度拼角,按10元一个收取。
2024石材加工费用及部分石材报价表
2024年的石材加工费用主要受石材种类、加工方式、工艺难度和市
场供需关系等因素的影响。
本文将对2024年石材加工费用进行详细介绍,并附上部分石材的报价表。
1.石材加工方式及费用:
石材加工方式主要包括切割、抛光、雕刻、喷砂等。
不同的加工方式
需要不同的设备与技术,因此其加工费用也有所不同。
-切割:根据石材的尺寸要求进行切割加工,费用一般在10-50元/平
方米之间。
-抛光:对石材表面进行抛光处理,一般费用在20-80元/平方米之间,具体费用还要根据石材的硬度、面积和工艺难度来定。
-雕刻:根据客户需求进行石材的雕刻加工,费用则需要根据雕刻的
复杂程度、石材材质来确定。
-喷砂:使用高压空气喷射石粉或石粒对石材表面进行处理,一般费
用在20-60元/平方米之间。
2.部分石材报价表:
根据市场供求关系和石材品质的不同,石材的报价也有所变化,以下
为2024年地区部分石材的报价表:
石材种类,规格(mm),报价(元/平方米)
-----------------------------------
天然大理石,600x600x20,100-300
砂岩,300x300x15,40-150
花岗岩,600x600x20,150-400人造石,1200x2400x20,200-500人造石,1200x2400x30,300-700。
石材加工费行规[整理版]1、【加工费用】:如有未尽事宜以口头或合同协定结算,不含石材,加工名称单价(元) 加工名称单价(元) 磨单边 10元/米磨双边 25元/米普通加厚边 25元/米三层边 35元/米单层法国边 25元/米台上盆 30元/个双层法国边 33元/米粘台下盆 50元/个o背倒 10元/米倒底切45角 15元/个o台下盆 75元/个切45角 10元/个打圆孔 10元/个水性防护 15元/平方米板材平面切割 15元/平方米圆弧及异形 50-180元/米油性防护 30元/平方米拼裙边 15元/每公分每米直挂边 30元/米加钢筋 15元/米加固 5元/个防滑槽见光 15元/米异形加厚边 35元/米水刀切割 20元/米线条加工 12元/每公分每米档水边 40元/米弧形线条 35元/每公分每米成品木箱包装 10元/平方(10方起) 弧形板加工 680元/平方石材排版 20元/平方2、【市场常用磨边样式】,??,见光面,单价备注图片样式加工名称(元)两相邻的边磨光在80?直边见光 10元/米以上R小于10mm的1/4圆小圆边 10元/米边(见光)R大于10mm的1/4圆大圆边 15元/米边(见光)1/2圆边相连组合而成全圆边 15元/米(见光)斜长小于14mm的斜边小斜边 10元/米(见光)斜长大于14mm的斜边大斜边 15元/米(见光)由一个小直边和1/4圆法国边 25元/米边相连组合而成(见光)由垂直的两个小边和中海棠边 25元/米间为小于1/4的圆边相连组合而成(见光)由两个小直边和中间为双级法国1/2圆边相连组合而成。
38元/米边或由两块法国边组合而成(见光) 鸭嘴边 25元/米形似鸭嘴的边(见光)产品加工艺奶嘴边 25元/米形似奶嘴的边(见光)平面板材抽10*5槽,不平面抽槽 10元/米见光,平面板材抽10*5槽,见平面抽槽 15元/米光,倒底或倒平面板材倒底部倒底切10元/米 o面 45角(不见光)倒底或倒平面板材倒底部倒底切12元/米 o面 45角留5厘(见光)加厚直边双层石材直边见光或小或小圆边25元/米圆边R3见光 R3加厚法国30元/米双层石材法国边见光边加厚海棠38元/米双层石材海棠边见光边加厚线条双层石材5*5斜边加海68元/米边棠样式线条边见光加厚全圆28元/米双层石材全圆边见光边加厚鸭嘴双层石材上层鸭嘴边见38元/米边光加厚鸭嘴双层石材鸭嘴边+全圆45元/米边+全圆边见光加厚斜边 20元/米双层石材5*5斜边见光拉槽大斜20元/米拉槽大斜边见光边拉槽平面20元/米拉槽平面边见光边2、【市场常用线条样式】,线条价格按(每公分12元/每米)例如:8 公分线条=96元/米线条样式线条编号Xd-xt-01Xd-xt-02Xd-xt-03Xd-xt-04Xd-xt-05Xd-xt-06Xd-xt-07Xd-xt-08 Xd-xt-09 Xd-xt-10 Xd-xt-11Xd-xt-123、【市场常用踢脚线样式】,踢脚线一踢脚线二踢脚线三踢脚线四4、【工艺技术】,1、每根线条都会在底部安装(1-2根钢筋条)加固,运输/安装/加工都方便安全,如需切割阴角或阳角45度拼角,按10元一个收取。