三相桥式全控整流及有源逆变电路实验
- 格式:doc
- 大小:56.50 KB
- 文档页数:3
一、实验背景整流是指将交流电变换为直流电的变换,而将交流电变换为直流电的电路称为整流电路。
整流电路是四种变换电路中最基本的变换电路,应用非常广泛。
对于整流电路,当其带不同负载情况3电路的工作情况不同。
此外,可控整流电路不仅可以工作在整流状态,即将交流电能变换为直流电能,还可以工作在逆变状态,即将直流电能变换为交流电能,称为有源逆变。
在工业中,应用最为广泛的是三相桥式全控整流电路(ThreePhaseFullBridgeConverter),它是由两个三相半波可控整流电路发展而来。
该次试验即是针对三相桥式全控整流电路而展开的一些较为简单的学习与研究。
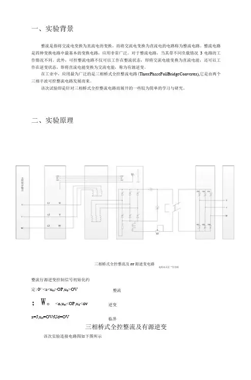
二、实验原理三相桥式全控整流及有源逆变三相桥式全控整流及rr 源逆变电路整流行源逆变控制信号初始化约定:0(><a<u ct >OP,u d >OV;W 。
<n,u et<OP,u d <QVa=J,u rt =OVtUd=OV连用由天灯“学差制整流 逆变 临界该次实验连接电路图如下图所示注意事项:在接主电路过程中,晶闸管接入双刀双闸开关时一定要注意正负极必须正确匹配。
电容器用于吸收感性电流引起的干扰,使得示波器显示的波形更加标准、清晰。
双刀双掷开关在切换时主回路必须断电,否则很可能因切换时拉出电弧而损坏设备。
(-)整流电路1、整流的概念把交流电变换为直流电的变换称为整流(Rectifier),又叫AC-DC变换(AC-DCConverter)o整流电路是一种把交流电源电氏转换成所需的直流电压的电路。
AC-DC变换的功率流向是双向的,功率流向由交流电源流向负载的变换称之为“整流”,功率流向由负我流向交流电源的变换称之为“有源逆变”。
采用晶闸管作为整流电路的主控器件,通过对晶闸管触发相位的控制从而达到控制输出直流电压的目的,这样的电路称之为相控整流电路。
2、整流电路的分类(1)按电路结构分类①半波整流电路:半波整流电路中每根电源进线流过单方向电流,又称为零式整流电路或单拍整流电路。
三相桥式全控整流和有源逆变电路实验装线订装线订线线1、接线与调试(1)上图接线,未上主电源之前,检查晶闸管的脉冲是否正常。
打开电源开关,给定电压Ug有电压显示。
(2)用示波器观察双脉冲观察孔,应有间隔均匀,相互间隔60°的幅度相同的双脉冲。
(3)检查相序,用示波器观察1,2单脉冲观察孔,1脉冲超前2”脉冲60°,则相序正确,否则,应调整输入电源。
(4)用示波器观察每只晶闸管的控制极,阴极,应有幅度为1V~2V的脉冲。
注:将面板上的Ublf(当三相桥式全控变流电路使用I 组桥晶闸管VT1~VT6时)接地,将I组桥式触发脉冲的六个按键设置到“接通”。
(5)将给定器输出Ug 接至Uct端,调节偏移电压Ub,在Uct=0时,使a=150o。
此时的触发脉冲波形如下图所示。
触发脉冲与锯齿波的相位关系2、三相桥式全控整流电路实验名称:三相桥式全控整流和有源逆变电路实验姓名:(1)按图4-7接线,将开关“S”拨向左边的短接线端,给定器上的“正给定”输出为零(逆时针旋到底);合上主电路开关,调节给定电位器,使α角在30°~90°范围内调节(α角度可由晶闸管两端电压uT波形来确定),同时,根据需要不断调整负载电阻Rd,使得负载电流Id保持在0.5A左右(注意Id不得超过1A)。
用示波器观察并记录α=30°,60°,90°时的整流电压ud 和晶闸管两端电压uT的波形,并记录相应的Ud、Uct 数值于下表中。
计算公式(2)模拟故障现象当α=60°时,将示波器所观察的晶闸管的触发脉冲按扭开关拨向“脉冲断”位置,模拟晶闸管失去触发脉冲的故障,观察并记录这时的ud、uT的变化情况。
3、三相桥式有源逆变电路实验名称:三相桥式全控整流和有源逆变电路实验姓名:断开主电源开关后,将开关“S”拨向右边的不控整流桥端。
调节给定电位器逆时针到底,即给定器输出为零;合上电源开关,观察并记录α=90°,120°,150°时电路中ud、uT的波形,并记录相应的Ud、Uct数值于上表中。
实验三三相桥式全控整流及有源逆变电路实验一.实验目的1.熟悉MCL-31A, MCL-33组件。
2.熟悉三相桥式全控整流及有源逆变电路的接线及工作原理。
3.了解集成触发器的调整方法及各点波形。
二.实验内容1.三相桥式全控整流电路2.三相桥式有源逆变电路3.观察整流或逆变状态下,模拟电路故障现象时的波形。
三.实验线路及原理实验线路如图4-9所示。
主电路由三相全控变流电路及作为逆变直流电源的三相不控整流桥组成。
触发电路为数字集成电路,可输出经高频调制后的双窄脉冲链。
三相桥式整流及有源逆变电路的工作原理可参见“电力电子技术”的有关教材。
四.实验所需挂件及附件序号型 号备 注1MCL—32A 电源控制屏该控制屏包含“三相电源输出”,“励磁电源”等几个模块。
2MCL-31A 低压电源和仪表该挂件包含“给定电源和±15V低压电源”等模块。
3MCL-33 晶闸管主电路和触发电路等该挂件包含“晶闸管”、“二极管”“电感”、“触发电路”等几个模块。
4MEL—03 三相可调电阻5MEL-02 芯式变压器6双踪示波器和万用表自备五.实验方法1.按图接线,未上主电源之前,检查晶闸管的脉冲是否正常。
(1)打开MCL-31A电源开关,给定电压有电压显示。
(2)用示波器观察MCL-33的脉冲观察孔,应有间隔均匀,相互间隔60o的幅度相同的双脉冲。
(3)检查相序,用示波器观察“1”,“2”脉冲观察孔,“1” 脉冲超前“2” 脉冲600,则相序正确,否则,应调整输入电源。
(4)用示波器观察每只晶闸管的控制极,阴极,应有幅度为1V—2V的脉冲。
注:将面板上的Ublf(当三相桥式全控变流电路使用I组桥晶闸管VT1~VT6时)接地,将I组桥式触发脉冲的六个开关均拨到“接通”。
(5)将给定器输出Ug接至MCL-33面板的Uct端,调节偏移电压Ub,在Uct=0时,使=150o。
2.三相桥式全控整流电路按图4-9接线,S拨向左边短接线端,将Rd调至最大(450)。
三相桥式全控整流及有源逆变电路实验一.实验目的⒈熟悉三相桥式全控整流及有源逆变电路的工作原理。
⒉掌握三相桥式全控整流及有源逆变电路的调试方法。
二.实验设备⒈MCL﹣31低压控制电路及仪表。
⒉MCL﹣32电源控制屏。
⒊MCL﹣33触发电路及晶闸管主回路。
⒋MCL﹣35三相变压器。
⒌MEL﹣03三相可调电阻器。
⒍二极管及开关板。
⒎双踪示波器。
三.实验原理三相桥式全控整流电路实质上是三相半波共阴极组与共阳极组整流电路的串联。
在任何时刻都必须有两个晶闸管导通才能形成导电回路,其中一个晶闸管是共阴极组的,另一个晶闸管是共阳组的。
6个晶闸管导通的顺序是按VT6–VT1 →VT1–VT2 →VT2–VT3 →VT3–VT4 →VT4–VT5 →VT5–VT6依此循环,每隔60°有一个晶闸管换相。
为了保证在任何时刻都必须有两个晶闸管导通,采用了双脉冲触发电路,在一个周期内对每个晶闸管连续触发两次,两次脉冲前沿的间隔为60°。
三相桥式全控整流电路原理图如右图所示。
三相桥式全控整流电路用作有源逆变时,就成为三相桥式逆变电路。
由整流状态转换到逆变状态必须同时具备两个条件:一定要有直流电动势源,其极性须和晶闸管的导通方向一致,其值应稍大于变流器直流侧的平均电压;其次要求晶闸管的 >90°,使U d为负值。
三相桥式全控整流电路原理图四.实验内容⒈接线在实验装置断电的情况下,按三相桥式全控整流及有源逆变电路实验线路图及接线图进行接线。
图中的可调电阻器R p,选用MEL﹣03中的其中一组可调电阻器并联,R p的初始电阻值应调到最大值。
⒉触发电路调试将MCL﹣32电源控制屏的电源开关拨向“开”的位置,接通控制电路电源﹙红色指示灯亮﹚。
⑴检查晶闸管的触发脉冲是否正常。
用示波器观察MCL﹣33脉冲观察孔“1”~“6”,应有相互间隔60o,幅度相同的双脉。
⑵用示波器观察每只晶闸管的控制极、阴极,应有幅度为1V﹣2V的脉冲。
实验四三相桥式全控整流及有源逆变电路实验三相桥式全控整流因仪器设备损坏未做一.实验目的1.熟悉NMCL-33组件。
2.熟悉三相桥式全控整流及有源逆变电路的接线及工作原理。
二.实验线路及原理主电路由三相全控变流电路及作为逆变直流电源的三相不控整流桥组成。
触发电路为数字集成电路,可输出经高频调制后的双窄脉冲链。
三相桥式整流及有源逆变电路的工作原理可参见“电力电子技术”的有关教材。
三.实验设备及仪器1.教学实验台主控制屏2.NMCL—33组件3.NMEL—03组件4.NMCL—31A组件5.NMCL—24组件6.双踪示波器(自备)7.万用表(自备)四.实验方法1.未上主电源之前,检查晶闸管的脉冲是否正常(1)用示波器观察NMCL-33的双脉冲观察孔,应有间隔均匀,相互间隔60o的幅度相同的双脉冲。
(2)检查相序,用示波器观察“1”,“2”脉冲观察孔,“1” 脉冲超前“2” 脉冲600,则相序正确,否则,应调整输入电源。
(3)用示波器观察每只晶闸管的控制极,阴极,应有幅度为1V—2V的脉冲。
注:将面板上的U blf(当三相桥式全控变流电路使用I组桥晶闸管VT1~VT6时)接地,将I组桥式触发脉冲的六个开关均拨到“接通”。
(4)将NMCL—31的给定器输出U g接至NMCL-33面板的U ct端,调节偏移电压U b,在U ct=0时,使α=150o。
调α方法:用示波器同时观察同步电压观察的U相与脉冲观察及通断控制部分的一号脉冲比对调节,示波器地端接脉冲大控制的地端。
(注意:调α角时,控制回路脉冲放大控制两点连线一定断开)2.三相桥式全控整流电路(未做)按图4-2接线,并将R D调至最大(450Ω)。
变压器1u,1v,1w为变压器220v组,2u,2v,2w为63.8v组。
图4-1三相桥式全控整流电路主回路接线图调节U ct=0,合上主电源,按实验要求调节U ct,使α=30O,按图4-2接好控制回路。
用示波器观察记录α=30O时,整流电压u d=f(t),晶闸管两端电压u VT=f(t)的波形,并记录相应的Ud和交流输入电压U2数值。
实验十一三相桥式全控整流及有源逆变电路实验一、实验目的(1)加深理解三相桥式全控整流及有源逆变电路的工作原理。
(2)了解KC系列集成触发器的调整方法和各点的波形。
二、实验所需挂件及附件序号型号备注1 DJK01电源控制屏该控制屏包含“三相电源输出”等几个模块。
2 DJK02晶闸管主电路3 DJK02-1三相晶闸管触发电路该挂件包含“触发电路”,“正反桥功放”等几个模块。
4 DJK06给定及实验器件该挂件包含“二极管”等几个模块。
5 DJK10变压器实验该挂件包含“逆变变压器”以及“三相不控整流”。
6 D42 三相可调电阻7 双踪示波器自备8 万用表自备三、实验线路及原理实验线路如图3-13及图3-14所示。
主电路由三相全控整流电路及作为逆变直流电源的三相不控整流电路组成,触发电路为DJKO2-1中的集成触发电路,由KCO4、KC4l、KC42等集成芯片组成,可输出经高频调制后的双窄脉冲链。
集成触发电路的原理可参考1-3节中的有关内容,三相桥式整流及逆变电路的工作原理可参见电力电子技术教材的有关内容。
图3-13三相桥式全控整流电路实验原理图在三相桥式有源逆变电路中,电阻、电感与整流的一致,而三相不控整流及心式变压器均在DJK10挂件上,其中心式变压器用作升压变压器,逆变输出的电压接心式变压器的中压端Am、Bm、Cm,返回电网的电压从高压端A、B、C输出,变压器接成Y/Y接法。
图中的R均使用D42三相可调电阻,将两个900Ω接成并联形式;电感L d在DJK02面板上,选用700mH,直流电压、电流表由DJK02获得。
图3-14三相桥式有源逆变电路实验原理图四、实验内容(1)三相桥式全控整流电路。
(2)三相桥式有源逆变电路。
(3)在整流或有源逆变状态下,当触发电路出现故障(人为模拟)时观测主电路的各电压波形。
五、预习要求(1)阅读电力电子技术教材中有关三相桥式全控整流电路的有关内容。
(2)阅读电力电子技术教材中有关有源逆变电路的有关内容,掌握实现有源逆变的基本条件。
2三相桥式全控整流及有源逆变电路实验报告
一、实验目的
本次实验的目的是研究三相桥式全控整流及有源逆变电路的工作原理,探讨电路结构和特性,并对实际应用进行探究。
二、实验原理
三相桥式全控整流及有源逆变电路是自主控制全三相调制半桥型整流,并用PGL线圈构成有源逆变电路,将全桥式整流和有源等效件结合,组成的智能放大型结构无功补偿电路。
独特的PGL(Pulse Generator and Logic)系统控制全桥式整流,实现有效的三相调制,并给消耗功率的用电仪表供电。
三、实验装置
本次实验主要使用德国LreUro制造的三相桥式全控整流及有源逆变电路装置,包括输出及控制模块、专用电源模块和保护模块等。
四、实验步骤
1.根据实验原理,组装实验电路。
2.检查电路的丝印和引脚序号是否完整,如有损坏,可以用万用表检查是否符合等电位要求。
3.使用专用电源模块向实验电路供电,将调制输出和有源输出供给恒定电压和频率。
4.测量三相电压输出电流,检查三相等电压,检验实验电路正常工作。
五、实验结果
实验中得出结论:三相桥式全控整流及有源逆变电路能够形成正确的三相输出,具有较高的调制率,输出电压、电流稳定,实际负载能有效的调制,满足有效的实际需求,可以用于智能放大型补偿系统。
专业:电气工程及其自动化姓名:沖产丿、象实验报告学号:日期:地点:教2-115课程名称:电力电子技术______________________ 指导老师: ___________ 成绩: ___________________实验名称:三相桥式全控整流及有源逆变电路实验实验类型: - 同组学生姓名:一、实验目的(1)熟悉三相桥式全控整流及有源逆变电路的接线及工作原理。
(2)了解集成触发器的调整方法及各点波形。
二、实验线路及原理实验线路如图1所示。
主电路由三相全控变流电路及作为逆变直流电源的三相不控整流桥组成。
触发电路为数字集成电路,可输出经高频调制后的双窄脉冲链。
三相桥式整流及有源逆变电路的工作原理可参见“电力电子技术”的有关教材。
三、实验内容(1)三相桥式全控整流电路。
(2)三相桥式有源逆变电路。
(3)观察整流状态下模拟电路故障现象时的波形。
四、实验设备(1)MCL现代运动控制技术实验台主控屏。
(2)给定、零速封锁器、速度变换器、速度调节器、电流调节器组件挂箱。
(3)三相芯式变压器。
(4)滑线变阻器。
(5)双踪记忆示波器。
(6)数字式万用表。
五、实验方法1接线与调试(1)按图4-7接线,未上主电源之前,检查晶闸管的脉冲是否正常。
打开电源开关,给定电压Ug有电压显示。
(2)用示波器观察双脉冲观察孔,应有间隔均匀,相互间隔60。
的幅度相同的双脉冲。
(3)检查相序,用示波器观察 1,2单脉冲观察孔,1脉冲超前2”脉冲60 °,则相序正确,否则,应调整输入电源。
(4)用示波器观察每只晶闸管的控制极,阴极,应有幅度为1V〜2V的脉冲。
注:将面板上的 Ublf (当三相桥式全控变流电路使用I组桥晶闸管VT1〜VT6时)接地,将I组桥式触发脉冲的六个按键设置到“接通”。
(5)将给定器输出Ug接至Uct端,调节偏移电压 Ub,在Uct=0时,使a=150o。
此时的触发脉冲波形如图2所示。
图2触发脉冲与锯齿波的相位关系2、三相桥式全控整流电路(1)按图1接线,将开关“ S”拨向左边的短接线端,给定器上的“正给定”输出为零(逆时针旋到底);合上主电路开关,调节给定电位器,使a角在30°〜90。
实验四三相桥式全控整流及有源逆变电路实验1.实验目的(1)了解三相全控桥式整流电路的工作原理,研究可控整流电路在电阻—电感性负载时的整流输出电压u d、电流i d、晶闸管承受的电压u VT的波形及工作情况。
(2)了解三相全控桥式有源逆变电路的工作原理,研究在不同的控制角时输出的电压电流波形。
2.实验设备及仪器(1) MCL-Ⅱ型电机控制教学实验台主控制屏;(2) MCL-18控制和检测单元及过流过压保护组件;(3) MCL-33触发电路及晶闸管主回路组件;(4)MEL-03三相可调电阻器组件(900Ω,0.41A);(5)MEL-05波形测试及开关板组件;(6)双踪示波器;(7)万用电表;3.注意事项(1) 整流电路与三相电源连接时,一定要注意相序;(2) 整流电路的负载电阻不宜过小,应使i d不超过0.8A,同时负载电阻不宜过大保证i d超过0.1A,避免晶闸管时断时续;(3) 正确使用示波器,避免示波器的两根地线接在非等电位的端点上,造成短路事故。
4.实验步骤1)按图接线,未上主电源之前,检查晶闸管的脉冲是否正常a.用示波器观察MCL-33的双脉冲观察孔,应有间隔均匀,幅度相同的双脉冲。
b.检查相序,用示波器观察“1”“2”单脉冲观察孔,“1”脉冲超前“2”脉冲60°,则相序正确,否则,应调整输入电源。
c.用示波器观察每只晶闸管的控制极,阴极,应有幅值为1V—2V的脉冲。
=0时,触发脉冲滞后同步信号180︒d.调节MCL-33上锯齿波偏移电压,使Uct(即α=150︒)。
e.“交流电源输出调节”旋钮逆时针调到底,主回路串联电阻RP调至最大。
2) 研究三相桥式可控整流电路供电给阻感性负载时的工作情况:a) 将开关S 拨向左侧,接通主电源,顺时针旋转三相调压器,调节主控制屏输出电压UV U 、VW U 、WU U ,从0V 调至220V ;b) 将MCL-18组件上的开关S 1拨至正给定,S 2拨至给定;调节MCL —18上的脉冲移相电位器RP1旋钮,改变控制电压Uct ,观察在不同控制角α时的u d 、i d 、u VT 的波形;c) 记录α=30︒、α=60︒时u d 、i d 、u VT 的波形。
三相桥式全控整流及有源逆变电路实验姓名:学号:班级:21级3班同组者:一、实验目的(1)熟悉三相桥式全控整流及有源逆变电路的接线及工作原理。
(2)观察在电阻负载、阻感负载情况下电路的输出电压和电流波形。
(3)研究三相桥式全控整流电路转换到逆变状态的过程,验证有源逆变的条件。
二、实验设备(1)电源控制屏DZ01:包括三相电源输出、励磁电源等单元。
(2)晶闸管主电路(见附录一DJK02):包括晶闸管主电路、电抗器等单元。
(3)三相晶闸管触发电路(见附录一DJK02-1):包括触发电路、正反桥功放等单元。
(4)三相数字晶闸管触发电路实验(DJK02-3):包含触发电路、正反桥功放等单元。
(5)变压器(见附录-一DJK10):包括逆变变压器、三相不控整流等单元。
(6)给定直流电源(见附录一DJK06):提供士15V可调直流电源等单元。
(7)D42三相可调电阻。
(8)示波器、万用表。
三、实验步骤(一)触发电路调试方法一:通过专用的十芯扁平线将DJK02上的“三相同步信号输出”端与DJK02-3上的“三相同步信号输人”端连接。
(1)打开DJK02-3挂箱电源开关,将面板上的“控制切换”开关拨向“数字”侧,相应的红色发光二极管点亮;“晶闸管触发角度显示”处的数显为“160.0”。
按住“减少”键不松开,2s后晶闸管触发角约以每秒5°的速度减少。
点动“减少”键,触发角减少0.1。
长按或点动“增加”键,结果与操作“减少”键相反。
同时按住“增加”与“减少”键不松开,约5s后显示开始闪烁。
同时松开两个按键,进人初始角度设置状态。
每点动一次“增加”或“减少”键,相应的初始角度增加或减少1°。
将初始角度设置为“150”后,再同时按住“增加”与“减少”键不松开并保持5s以上,显示停止闪烁,松开两个按键完成初始角设置。
(2)数字控制:通过按动“增加”或“减少”键调节触发角角度。
方法二:触发电路调试方法与三相半波可控整流电路实验相同。
实验三、三相桥式全控整流及有源逆变电路实验一、实验目的(1)加深理解三相桥式全控整流及有源逆变电路的工作原理。
(3)了解KC系列集成触发器的调整方法和各点的波形。
二、实验线路的构成及原理(1)DDS02主电路挂箱配置原理DDS02挂箱包括脉冲和熔断丝指示、晶闸管(I组桥、Ⅱ组桥)电路、电抗器等内容。
脉冲有无指示为方便实验中判断对应晶闸管上门阴极上是否正常,若正常,则指示灯亮,否则则不亮;同样熔断丝指示也是同理。
主要分I组桥和Ⅱ组桥分别指示。
晶闸管电路装有12只晶闸管、6只整流二极管。
12只晶闸管分两组晶闸管变流桥,其中VTl~VT6为正组桥(I组桥),由KP5-8晶闸管元件构成,一般不可逆、可逆系统的正桥、交-直-交变频器的整流部分均使用正组元件;由VT1ˊ~VT6ˊ组成反组桥(Ⅱ组桥),元件为KP5-12晶闸管,可逆系统的反桥、交-直-交变频器的逆变部分使用反组元件;同时还配置了6只整流二极管VDl~VD6,可构成不可控整流桥作为直流电源,元件的型号为KZ5-10。
所有这些功率半导体元件均配置有阻容吸收、熔丝保护,电源侧、直流环节、电机侧均配置有压敏电阻或阻容吸收等过电压保护装置。
电抗器为平波电抗器L,共有4档电感值,分别为50mH、100mH、200mH、700mH,1200 mH可根据实验需要选择电感值。
续流二极管为桥式整流实验时电路续流用,型号为KZ5-10;另外挂箱还配有一组阻容吸收电路。
(2)DDS03控制电路挂箱配置原理DDS03挂箱包括三相触发电路及功放电路、FBC+FA(电流反馈与过流保护)、G(给定器)等内容。
面板上部为同步变压器,其连线已在内部接好,连接组为△/Y-1.可在“同步电源观察孔”观察同步电源的相位。
三相触发电路(GT)及功放电路(AP)包括有GTF正组(I组)触发脉冲装置和GTR 反组(Ⅱ组)触发脉冲装置,分别通过开关连至VF正组晶闸管和VR反组晶闸管的门极、阴极。
实验二 三相桥式全控整流与有源逆变电路1.实验目的(1)熟悉三相桥式全控整流及有源逆变电路的接线及工作原理。
(2)了解集成触发器的调整方法及各点波形。
2.实验线路及实验原理(1)三相桥式全控整流电路实验线路如图3所示。
主电路由三相全控整流电路组成,如图3(a )所示。
其中R 的电阻值为450欧姆(由挂件NMEL-03/4中的电阻串并联得到)、电源线电压为200V 。
图3(b )中的给定电路(位于挂件NMCL-31A )的U g 作为控制信号与触发电路(位于挂件NMCL-33F 中)的“脉冲控制信号”U ct 相连接,并将与主电路所用晶闸管组对应的“脉冲信号放大”电路U blf 端进行接地处理,可输出经高频调制后的双窄脉冲链。
图3(c )所示为移相电压的给定输入信号电路图。
三相桥式整流电路的工作原理可参见电力电子技术教材的有关内容。
(a ) (b )U g(c )图 3 三相桥式全控整流电路实验原理图(a )三相桥式全控整流主电路 (b )触发电路(控制电路) (c )移相电压的给定输入信号电路(2)三相桥式有源逆变电路在三相桥式有源逆变电路中,负载电阻为450欧姆(由挂件NMEL-03/4中的电阻串并联得到),电抗器的电感值取700mH (位于NMCL-331),芯式变压器接成Y/Y 接法。
(a )U g(b)(c)图 4 三相桥式有源逆变电路实验原理图(a)三相桥式有源逆变主电路(b)触发电路(控制电路)(c)移相电压的给定输入信号电路3.实验设备电力电子实验台、晶闸管主电路挂件NMCL-33F(此挂件内含有三相桥式全控整流电路的触发电路)、芯式变压器挂件NMEL-24B、给定及实验器件NMCL-31A、三相可调电阻挂件NMEL-03/4、双踪示波器、万用表、平波电抗器NMCL-331。
4.实验内容1)控制电路(触发电路)调试按图3(b)、(c)接线,将NMCL-33F挂件上的U blf接地,即将I组桥式触发脉冲的六个开关均拨到“接通”。
电力电子技术三相桥式全控整流及有源逆变电路实验报告实验目的:1.熟悉三相桥式全控整流电路和有源逆变电路的工作原理;2.学习三相桥式全控整流电路和有源逆变电路的控制方法;3.通过实验验证三相桥式全控整流电路和有源逆变电路的性能。
实验器材:1.三相交流电源;2.三相桥式全控整流电路电路板;3.电阻箱;4.示波器。
实验原理:三相桥式全控整流电路是一种常见的电力电子设备,用于将三相交流电转换为直流电。
其基本原理是通过控制整流桥中的晶闸管开通角和关断角,控制电路中负载电流的方向和大小,从而实现对电流的整流和调节。
有源逆变电路是一种将直流电转换为交流电的电力电子设备。
其基本原理是通过控制逆变桥中的晶闸管开通角和关断角,控制电路中负载电流的方向和大小,从而实现对电流的逆变和调节。
实验过程:1.将三相交流电源连接到三相桥式全控整流电路电路板;2.根据实验要求调节电源电压和频率;3.设置适当的负载电阻;4.通过控制触发电路,控制晶闸管的开通和关断;5.使用示波器观察和记录整流电流和电压波形。
实验结果:根据实验数据和示波器观察结果,整流电流和电压波形基本符合预期,呈现出期望的整流和调节性能。
实验结论:通过本次实验,我们深入理解了三相桥式全控整流电路和有源逆变电路的工作原理和控制方法。
同时,我们也验证了这两种电路的性能和实际应用。
这项实验的结果对于电力电子技术的学习和应用具有重要意义,为我们掌握和应用电力电子技术提供了实验基础和理论指导。
同时,通过实验的过程,我们也提高了实验操作的能力和实验数据处理的技巧。
总结:本次实验对于我们理解和掌握电力电子技术中的三相桥式全控整流电路和有源逆变电路的工作原理、控制方法和性能具有重要意义。
通过实验,我们不仅加深了对电力电子技术的理解,提高了实验操作的能力,还培养了我们的团队合作精神和实验数据处理的技巧。
通过本次实验的学习,我们对于电力电子技术的应用和发展有了更加深入的了解,相信在今后的学习和工作中,我们将能够更好地应用电力电子技术解决实际问题,为电力电子技术的发展做出更大的贡献。
三相桥式全控整流和有源逆变电路实验课程名称:电气控制技术基础实验名称:三相桥式全控整流和有源逆变电路实验学号:3140101117姓名:黄佳新一、实验目的(1)熟悉三相桥式全控整流及有源逆变电路的接线及工作原理。
(2)了解集成触发器的调整方法及各点波形。
二、实验线路及原理实验线路如图附1所示。
主电路由三相全控变流电路及作为逆变直流电源的三相不控整流桥组成。
触发电路为数字集成电路,可输出经高频调制后的双窄脉冲链。
三相桥式整流及有源逆变电路的工作原理可参见“电力电子技术”的有关教材。
2:1~200V三、实验内容1)三相桥式全控整流电路;2)三相桥式有源逆变电路;3)观察整流状态下,模拟电路在故障现象时的波形四、实验设备1)电力电子技术与电机控制教学实验台主控制屏2)MCL-18组件3)滑线变阻器1.8k2,0.65A4)MEL-02芯式变压器5)双踪示波器6)万用表五、思考题1)如何解决主电路和触发电路的同步问题?本实验中,主电路三相电源的相序能任意确定吗?从同一个三相电源接出两路,一路接到整流变压器,由整流变压器得到主电路电压,这就是晶闸管两端电压;而另一路接到同步变压器,通过同步变压器再结合阻容滤波器得到触发电路的输入电压。
通过整流变压器连接组与同步变压器连接组配合,再结合阻容滤波器产生的移相效应得到相匹配的主电路电压和触发脉冲。
一般来说采用宽脉冲触发或双窄脉冲触发,而本实验采用的是双窄脉冲触发,不能任意确定三相电源相序,因为三相全控整流电路由六只晶闸管控制,按一定顺序导通。
若三相电源相序发生变化,触发脉冲无法同步,则电路不能正常工作。
2)本实验中,在整流向逆变切换时,对α角有什么要求?为什么?α角要大于90°,因为只有这样,才有Ud=Ud0(α=0时的Ud值)*cosα<0,从而使变流电路工作在逆变状态,实现逆变功能。
此外α不能过于接近180°,防止逆变颠覆。
六、实验方法1.接线与调试(1)按图附-1接线,未接上主电源之前,检查晶闸管的脉冲是否正常。
实验三、三相桥式全控整流及有源逆变电路实验一、实验目的(1)加深理解三相桥式全控整流及有源逆变电路的工作原理。
(3)了解KC系列集成触发器的调整方法和各点的波形。
二、实验线路的构成及原理(1)DDS02主电路挂箱配置原理DDS02挂箱包括脉冲和熔断丝指示、晶闸管(I组桥、Ⅱ组桥)电路、电抗器等内容。
脉冲有无指示为方便实验中判断对应晶闸管上门阴极上是否正常,若正常,则指示灯亮,否则则不亮;同样熔断丝指示也是同理。
主要分I组桥和Ⅱ组桥分别指示。
晶闸管电路装有12只晶闸管、6只整流二极管。
12只晶闸管分两组晶闸管变流桥,其中VTl~VT6为正组桥(I组桥),由KP5-8晶闸管元件构成,一般不可逆、可逆系统的正桥、交-直-交变频器的整流部分均使用正组元件;由VT1ˊ~VT6ˊ组成反组桥(Ⅱ组桥),元件为KP5-12晶闸管,可逆系统的反桥、交-直-交变频器的逆变部分使用反组元件;同时还配置了6只整流二极管VDl~VD6,可构成不可控整流桥作为直流电源,元件的型号为KZ5-10。
所有这些功率半导体元件均配置有阻容吸收、熔丝保护,电源侧、直流环节、电机侧均配置有压敏电阻或阻容吸收等过电压保护装置。
电抗器为平波电抗器L,共有4档电感值,分别为50mH、100mH、200mH、700mH,1200 mH可根据实验需要选择电感值。
续流二极管为桥式整流实验时电路续流用,型号为KZ5-10;另外挂箱还配有一组阻容吸收电路。
(2)DDS03控制电路挂箱配置原理DDS03挂箱包括三相触发电路及功放电路、FBC+FA(电流反馈与过流保护)、G(给定器)等内容。
面板上部为同步变压器,其连线已在内部接好,连接组为△/Y-1.可在“同步电源观察孔”观察同步电源的相位。
三相触发电路(GT)及功放电路(AP)包括有GTF正组(I组)触发脉冲装置和GTR 反组(Ⅱ组)触发脉冲装置,分别通过开关连至VF正组晶闸管和VR反组晶闸管的门极、阴极。
实验报告课程名称: 电力电子技术 指导老师: 成绩:__________________ 实验名称: 三相桥式全控整流及有源逆变电路实验 实验类型:__________同组学生姓名: 一、实验目的(1)熟悉三相桥式全控整流及有源逆变电路的接线及工作原理。
(2)了解集成触发器的调整方法及各点波形。
二、实验线路及原理实验线路如图1所示。
主电路由三相全控变流电路及作为逆变直流电源的三相不控整流桥组成。
触发电路为数字集成电路,可输出经高频调制后的双窄脉冲链。
三相桥式整流及有源逆变电路的工作原理可参见“电力电子技术”的有关教材。
三、实验内容(1)三相桥式全控整流电路。
(2)三相桥式有源逆变电路。
(3)观察整流状态下模拟电路故障现象时的波形。
图1 三相桥式全控整流及有源逆变电路图四、实验设备(1)MCL 现代运动控制技术实验台主控屏。
(2)给定、零速封锁器、速度变换器、速度调节器、电流调节器组件挂箱。
(3)三相芯式变压器。
(4)滑线变阻器。
(5)双踪记忆示波器。
(6)数字式万用表。
五、实验方法1、接线与调试(1)按图4-7接线,未上主电源之前,检查晶闸管的脉冲是否正常。
打开电源开关,给定电压Ug 有电压显示。
(2)用示波器观察双脉冲观察孔,应有间隔均匀,相互间隔60°的幅度相同的双脉冲。
(3)检查相序,用示波器观察1,2单脉冲观察孔,1脉冲超前2”脉冲60°,则相序正确,否则,应调整输入电源。
(4)用示波器观察每只晶闸管的控制极,阴极,应有幅度为1V ~2V 的脉冲。
注:将面板上的Ublf (当三相桥式全控变流电路使用I 组桥晶闸管VT1~VT6时)接地,将I 组桥式触发脉冲的六个按键设置到“接通”。
(5)将给定器输出Ug 接至Uct 端,调节偏移电压Ub ,在Uct=0时,使a=150o 。
此时的触发脉冲波形如图2所示。
图2 触发脉冲与锯齿波的相位关系2、三相桥式全控整流电路(1)按图1接线,将开关“S ”拨向左边的短接线端,给定器上的“正给定”输出为零(逆时针旋到底);合上主电路开关,调节给定电位器,使α角在30°~90°范围内调节(α角度可由晶闸管两端电压uT 波形来确定),同时,根据需要不断调整负载电阻Rd ,使得负载电流Id 保持在0.5A 左右(注意Id 不得超过1A)。
实验2 三相桥式全控整流及有源逆变电路实验
一、实验目的
(1) 熟悉三相桥式全控整流及有源逆变电路的接线及工作原理。
(2) 了解集成触发器的调整方法及各点波形。
二、实验线路及原理
实验线路如图4-8所示。
主电路由三相全控变流电路及作为逆变直流电源的三相不控整流桥组成。
触发电路为数字集成电路,可输出经高频调制后的双窄脉冲链。
三相桥式整流及有源逆变电路的工作原理可参见“电力电子技术”的有关教材。
三、实验内容
(1) 三相桥式全控整流电路
(2) 三相桥式有源逆变电路
(3) 观察整流状态下模拟电路故障现象时的波形
三相桥式全控整流及有源逆变电路图
四、实验设备
(1) MCL现代运动控制技术实验台主控屏
(2) MCL—18组件
(3) MEL-02芯式变压器
(4) 滑线变阻器1.8K, 0.65A
(5) 双踪记忆示波器
(6) 数字式万用表
五、预习要求
(1)阅读电力电子技术教材中有关三相桥式全控整流电路的有关内容,弄清三相桥式全控整流电路带大电感负载时的工作原理。
(2)阅读电力电子技术教材中有关有源逆变电路的有关内容,掌握实现有源逆变的基本条件。
(3) 学习本教材§2-3中有关集成触发电路的内容,掌握该触发电路的工作原理。
六、思考题
(1)如何解决主电路和触发电路的同步问题?本实验中,主电路三相电源的相序能任意确定吗?
(2) 本实验中,在整流向逆变切换时,对α角有什么要求?为什么?
七、实验方法
1、接线与调试
(1) 按图4-8接线,未上主电源之前,检查晶闸管的脉冲是否正常。
打开MCL-18电源开关,给定电压U g有电压显示。
(2) 用示波器观察双脉冲观察孔,应有间隔均匀,相互间隔60°的幅度相同的双脉冲。
(3) 检查相序,用示波器观察“1”,“2”单脉冲观察孔,“1” 脉冲超前“2” 脉冲60°,则相序正确,否则,应调整输入电源。
(4) 用示波器观察每只晶闸管的控制极,阴极,应有幅度为1V~2V的脉冲。
注:将面板上的U blf(当三相桥式全控变流电路使用I组桥晶闸管VT1~VT6时)接地,将I组桥式触发脉冲的六个按键设置到“接通”。
(5) 将给定器输出U g 接至U ct端,调节偏移电压U b,在U ct =0时,使a=150o。
此时的触发脉冲波形如图4-9所示。
图4-9 触发脉冲与锯齿波的相位关系
2、三相桥式全控整流电路
(1) 按图4-8接线,将开关“S”拨向左边的短接线端,给定器上的“正给定”输出为零(逆时针旋到底);合上主电路开关,调节给定电位器,使α角在30°~90°范围内调节(α角度可由晶闸管两端电压uT波形来确定),同时,根据需要不断调整负载电阻R d,使得负载电流I d保持在0.5A左右(注意I d不得超过1A)。
用示波器观察并记录α= 30°,60°,90°时的
计算公式(4-4)
(2) 模拟故障现象
当α= 60°时,将示波器所观察的晶闸管的触发脉冲按扭开关拨向“脉冲断”位置,模拟晶闸管失去触发脉冲的故障,观察并记录这时的u d、u T的变化情况。
3、三相桥式有源逆变电路
断开主电源开关后,将开关“S”拨向右边的不控整流桥端。
调节给定电位器逆时针到底,即给定器输出为零;合上电源开关,观察并记录α= 90°,120°,150°时电路中u d、u T的波形,并记录相应的U d、U ct数值于上表中。
八、实验报告
(1)画出电路的移相特性U d=f(α)。
(2)画出触发电路的传输特性α=f(U ct)。
(3)画出α= 30°,60°,90°、120°、150°时的整流电压u d和晶闸管两端电压u T的波形。
(4)简单分析模拟故障现象。
九、注意事项
(1)参照实验1、2的注意事项。
(2)为了防止过流,顺利地完成从整流到逆变的过程,应先将α角调节到大于90°,接近120°的位置,负载电阻Rd调至最大值位置,以防过流。
(3)三相不控整流桥的输入端可加接三相自耦调压器,以降低逆变用直流电源的电压值。