二甲基乙醇胺
- 格式:pdf
- 大小:150.97 KB
- 文档页数:1
职业病危害告知牌对人体有损害,请注意防护!
N,N-二甲基乙醇胺N,N-dimethyl
ethanolamine
健康危害理化特性
本品对眼睛、皮肤、粘膜和上呼吸道有剧烈刺激
作用。
可致皮肤灼伤。
吸入后可引起喉、支气管
的炎症、水肿、痉挛,化学性肺炎、肺水肿等。
对皮肤有致敏作用。
无色、易挥发液体,有氨味。
与水混溶,可
混溶于醚、芳烃。
熔点-59.0℃,沸点134.6℃,
闪点40℃,爆炸上限10.0%,爆炸下限1.9%。
职业接触限值:MAC:无资料
PC-TWA:无资料
PC-STEL:无资料
应急处理
皮肤接触:立即脱去污染的衣着,用大量流动清水冲洗至少15分钟。
就医。
眼睛接触:立即提起眼睑,用大量流动清水或生理盐水彻底冲洗至少15分钟。
就医。
吸入:迅速脱离现场至空气新鲜处。
保持呼吸道通畅。
如呼吸困难,给输氧。
如呼吸停止,立即进行人工呼吸。
就医。
食入:用水漱口,给饮牛奶或蛋清。
就医。
注意防护
密闭操作,全面通风。
操作人员必须经过专门培训,严格遵守操作规程。
建议操作人员佩戴直接式防毒面具,戴化学安全防护眼镜,穿防腐工作服,戴橡胶手套。
防止蒸气泄漏到工作场所空气中。
避免与酸类接触。
搬运时要轻装轻卸,防止包装及容器损坏。
急救电话:120 消防电话:119 职业卫生咨询电话:1031。
N,N-N,N-二甲基乙醇胺化学品安二甲基乙醇胺化学品安全技术说明书第一部分:化学品名称化学品中文名称:N,N-二甲基乙醇胺 化学品英文名称:N,N-dimethyl ethanolamine 中文名称2:2-二甲基氨基乙醇 英文名称2:2-dimethylamino ethyl alcohol 技术说明书编码:225CAS No.:108-01-0 分子式:C 4H 11NO 分子量:89.2第二部分:成分/组成信息有害物成分含量CAS No.第三部分:危险性概述健康危害:本品对眼睛、皮肤、粘膜和上呼吸道有剧烈刺激作用。
可致皮肤灼伤。
吸入后可引起喉、支气管的炎症、水肿、痉挛,化学性肺炎、肺水肿等。
对皮肤有致敏作用。
燃爆危险:本品易燃,具强刺激性,具致敏性。
第四部分:急救措施皮肤接触:立即脱去污染的衣着,用大量流动清水冲洗至少15分钟。
就医。
眼睛接触:立即提起眼睑,用大量流动清水或生理盐水彻底冲洗至少15分钟。
就医。
吸入:迅速脱离现场至空气新鲜处。
保持呼吸道通畅。
如呼吸困难,给输氧。
如呼吸停止,立即进行人工呼吸。
就医。
食入:用水漱口,给饮牛奶或蛋清。
就医。
第五部分:消防措施危险特性:易燃,遇明火、高热或与氧化剂接触,有引起燃烧爆炸的危险。
有害燃烧产物:一氧化碳、二氧化碳、氮氧化物。
灭火方法:尽可能将容器从火场移至空旷处。
喷水保持火场容器冷却,直至灭火结束。
灭火剂:雾状水、抗溶性泡沫、干粉、二氧化碳、砂土。
第六部分:泄漏应急处理有害物成分 含量 CAS No.:N,N-二甲基乙醇胺 ≥95% 108-01-0应急处理:迅速撤离泄漏污染区人员至安全区,并进行隔离,严格限制出入。
切断火源。
建议应急处理人员戴自给正压式呼吸器,穿防毒服。
不要直接接触泄漏物。
尽可能切断泄漏源。
防止流入下水道、排洪沟等限制性空间。
小量泄漏:用砂土、蛭石或其它惰性材料吸收。
也可以用大量水冲洗,洗水稀释后放入废水系统。
大量泄漏:构筑围堤或挖坑收容。
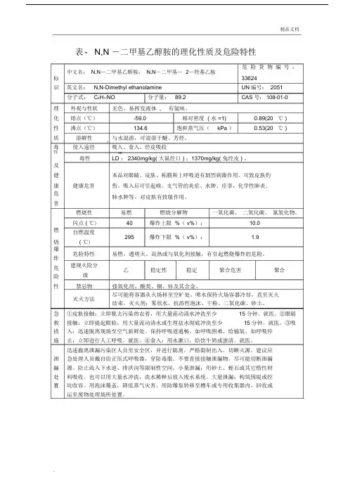
表- N,N -二甲基乙醇胺的理化性质及危险特性危险货物编号:中文名: N,N-二甲基乙醇胺; N,N-二甲基- 2-羟基乙胺标33624识英文名:N,N-Dimethyl ethanolamine UN编号: 2051 分子式:C4H11NO分子量:89.2CAS 号: 108-01-0理外观与性状无色、易挥发液体 , 有氨味。
化熔点(℃)-59.0 相对密度 ( 水 =1) 0.89(20 ℃ )性沸点(℃)134.6 饱和蒸气压(kPa )0.53(20 ℃ )质溶解性与水混溶,可混溶于醚、芳烃。
毒侵入途径吸入、食入、经皮吸收性毒性50LD : 2340mg/kg( 大鼠经口 ) ;1370mg/kg( 兔经皮 ) 。
及健本品对眼睛、皮肤、粘膜和上呼吸道有剧烈刺激作用。
可致皮肤灼康健康危害伤。
吸入后可引起喉、支气管的炎症、水肿、痉挛,化学性肺炎、危肺水肿等。
对皮肤有致敏作用。
害燃烧性易燃燃烧分解物一氧化碳、二氧化碳、氮氧化物。
闪点 ( ℃)40 爆炸上限 %( v%):10.0燃自燃温度295 爆炸下限 %( v%): 1.9烧( ℃)爆危险特性易燃,遇明火、高热或与氧化剂接触,有引起燃烧爆炸的危险。
炸危建规火险分乙稳定性稳定聚合危害聚合级险性禁忌物强氧化剂、酸类、铜、锌及其合金。
灭火方法尽可能将容器从火场移至空旷处。
喷水保持火场容器冷却,直至灭火结束。
灭火剂:雾状水、抗溶性泡沫、干粉、二氧化碳、砂土。
急①皮肤接触:立即脱去污染的衣着,用大量流动清水冲洗至少15 分钟。
就医。
②眼睛救接触:立即提起眼睑,用大量流动清水或生理盐水彻底冲洗至少15 分钟。
就医。
③吸措入:迅速脱离现场至空气新鲜处。
保持呼吸道通畅。
如呼吸困难,给输氧。
如呼吸停施止,立即进行人工呼吸。
就医。
④食入:用水漱口,给饮牛奶或蛋清。
就医。
迅速撤离泄漏污染区人员至安全区,并进行隔离,严格限制出入。
切断火源。
建议应泄急处理人员戴自给正压式呼吸器,穿防毒服。
二甲基乙醇胺现行标准一、外观二甲基乙醇胺应呈无色至微黄色透明液体,不应含有悬浮物、析出物和其它杂质。
二、纯度二甲基乙醇胺的纯度应不低于99.0%。
三、水分二甲基乙醇胺中的水分含量应不大于0.2%。
四、氯化物二甲基乙醇胺中的氯化物含量应不大于0.01%。
五、硫酸盐二甲基乙醇胺中的硫酸盐含量应不大于0.01%。
六、还原性物质二甲基乙醇胺中的还原性物质含量应不大于0.01%。
七、易氧化物二甲基乙醇胺中的易氧化物含量应不大于0.01%。
八、蒸发残渣在105℃下,二甲基乙醇胺蒸发至恒重的残渣含量应不大于0.01%。
九、灼烧残渣在800℃下,二甲基乙醇胺灼烧至恒重的残渣含量应不大于0.05%。
十、密度二甲基乙醇胺的密度应为0.86-0.90g/mL。
十一、折射率二甲基乙醇胺的折射率应为1.402-1.404。
十二、电导率二甲基乙醇胺的电导率应为≤5μS/cm。
十三、蒸发率在105℃下,二甲基乙醇胺的蒸发率应为≤5.5mL。
十四、吸光度二甲基乙醇胺的吸光度应在≤0.15范围内。
十五、酸度二甲基乙醇胺的酸度(以HCl计)应不大于0.1%。
十六、碱度二甲基乙醇胺的碱度(以NaOH计)应不大于0.1%。
十七、氨含量二甲基乙醇胺中的氨含量应不大于0.2%。
十八、氯化铵含量二甲基乙醇胺中的氯化铵含量应不大于0.01%。
十九、硫酸铵含量二甲基乙醇胺中的硫酸铵含量应不大于0.01%。
二十、铁含量二甲基乙醇胺中的铁含量应不大于0.005mg/kg。
化学品安全技术说明书第一部分化学品及企业标识化学品中文名:N,N-二甲基乙醇胺化学品英文名:2-dimethylaminoethanol|N,N-dimethylethanolamin e|2-dimethylaminoethenol化学品别名:N,N-二甲基-2-羟基乙胺|2-二甲氨基乙醇CAS No.:108-01-0EC No.:203-542-8分子式:C4H11NO第二部分危险性概述| 紧急情况概述液体。
易燃,其蒸气与空气混合,能形成爆炸性混合物。
会引起皮肤烧伤,有严重损害眼睛的危险。
有严重损害眼睛的危险。
对呼吸道有刺激作用。
| GHS 危险性类别根据 GB 30000-2013 化学品分类和标签规范系列标准(参阅第十六部分),该产品分类如下:易燃液体,类别 3;皮肤腐蚀/刺激,类别 1B;眼损伤/眼刺激,类别 1;特定目标器官毒性-单次接触:呼吸道刺激,类别 3。
| 标签要素象形图警示词:危险危险信息:易燃液体和蒸气,造成严重皮肤灼伤和眼损伤,造成严重眼损伤,可能造成呼吸道刺激。
防范说明预防措施:远离热源、热表面、火花、明火以及其它点火源。
禁止吸烟。
保持容器密闭。
容器和接收设备接地和等势联接。
使用不产生火花的工具。
采取措施,防止静电放电。
不要吸入粉尘/烟/气体/烟雾/蒸气/喷雾。
作业后彻底清洗。
只能在室外或通风良好之处使用。
戴防护手套/穿防护服/戴防护眼罩/戴防护面具。
事故响应:如感觉不适,呼叫中毒急救中心/医生。
沾染的衣服清洗后方可重新使用。
如误吸入:将受人转移到空气新鲜处,保持呼吸舒适的体位。
如误吞咽:漱口。
不要诱导呕吐。
如皮肤(或头发)沾染:立即去除/脱掉所有沾染的衣服。
用水清洗皮肤或淋浴。
如进入眼睛:用水小心冲洗几分钟。
如戴隐形眼镜并可方便地取出,取出隐形眼镜。
继续冲洗。
安全储存:存放处须加锁。
存放在通风良好的地方。
保持容器密闭。
存放在通风良好的地方。
保持低温。
废弃处置:按照地方/区域/国家/国际规章处置内装物/容器。
化学品安全技术说明书第一部分化学品及企业标识中文名称:N,N-二甲基乙醇胺;2-二甲基氨基乙醇英文名称:N,N-dimethyl ethanolamine;2-dimethylamino ethyl alcohol 企业名称:地址: 邮编:电子邮件地址:技术说明书编码: 注册号:生效日期: 传真:24小时应急咨询电话:第二部分成分/组成信息纯品混合物有害物成分浓度CAS No.N,N-二甲基乙醇胺≥95%108-01-0第三部分危险性概述危险性类别:第3.3类高闪点易燃液体侵入途径:吸入、食入、经皮吸收健康危害:本品对眼睛、皮肤、粘膜和上呼吸道有剧烈刺激作用。
吸入后可引起喉、支气管的炎症、水肿、痉挛,化学性肺炎、肺水肿等。
对皮肤有致敏作用,皮肤接触会引起潮红和刺痛,耐至化学性灼伤。
环境危害:无资料。
燃爆危险:本品易燃,具强刺激性,具致敏性。
第四部分急救措施皮肤接触:立即脱去污染的衣着,用大量流动清水冲洗至少15分钟。
就医。
眼睛接触:立即提起眼睑,用大量流动清水或生理盐水彻底冲洗至少15分钟。
就医。
吸入:迅速脱离现场至空气新鲜处。
保持呼吸道通畅。
如呼吸困难,给输氧。
如呼吸停止,立即进行人工呼吸。
就医。
食入:用水漱口,给饮牛奶或蛋清。
就医。
第五部分消防措施危险特性:易燃,遇明火、高热或与氧化剂接触,有引起燃烧爆炸的危险。
有害燃烧产物:一氧化碳、二氧化碳、氮氧化物。
灭火方法:尽可能将容器从火场移至空旷处。
喷水保持火场容器冷却,直至灭火结束。
灭火剂:雾状水、抗溶性泡沫、干粉、二氧化碳、砂土。
灭火注意事项:消防人员必须穿全身防火防毒服,在上风向灭火第六部分泄漏应急处理应急行动:迅速撤离泄漏污染区人员至安全区,并进行隔离,严格限制出入。
切断火源。
建议应急处理人员戴自给正压式呼吸器,穿防毒服。
不要直接接触泄漏物。
尽可能切断泄漏源。
防止流入下水道、排洪沟等限制性空间。
小量泄漏:用砂土、蛭石或其它惰性材料吸收。
也可以用大量水冲洗,洗水稀释后放入废水系统。
n,n-二甲基乙醇胺产能-回复二甲基乙醇胺(N,N-dimethyl ethanolamine,缩写为DMEA)是一种有机化合物,分子式为C4H11NO,其结构式为HN(CH3)2CH2OH。
它是一种无色至淡黄色的液体,在常温常压下呈挥发性,并具有碱性。
在化学工业中,DMEA是一种重要的中间体化合物,广泛用于合成各种化学品和材料。
其中,DMEA的最大应用领域之一是作为磷酸酯抗氧剂的原料,在合成过程中起到催化和中和剂的作用。
此外,它还被广泛应用于制药、油漆涂料、农药、表面活性剂和水处理剂等领域。
那么关于DMEA的产能问题,我们可以从以下几个方面进行详细分析。
首先,我们可以从产能的总体情况入手。
根据可靠数据统计,目前全球DMEA的总产能已经达到了相当大的规模。
其中,亚洲地区作为全球DMEA最主要的生产地之一,尤其是中国、日本和韩国等国家的产能较高。
此外,欧洲和北美地区也有较大规模的DMEA生产能力。
接下来,我们可以就各个地区的DMEA产能进行更加详细的分析。
首先是亚洲地区,作为全球DMEA的主要生产地之一,中国的产能尤为突出。
中国拥有一些大型化工企业,其DMEA生产能力较强。
此外,中国一些化工产业园区也有规模适中的DMEA生产线。
此外,日本和韩国等国家也有一定规模的DMEA产能。
同时,在欧洲地区,德国和荷兰等国家也有较大规模的DMEA生产能力。
在北美地区,美国的产能较强,拥有多家大型化工企业和化工园区,能够满足国内市场需求,并出口到其他地区。
除了以上几个主要地区外,其他一些国家和地区的DMEA产能也逐渐增加。
例如,印度、巴西和俄罗斯等国家也在扩大其DMEA生产能力,以满足国内需求并扩大出口。
另外,对于DMEA的产能增长趋势,可以从市场需求和技术创新两个方面进行考虑。
随着人们对高品质产品和环保产品的需求不断增加,DMEA 在合成新材料和化学品方面的应用前景广阔。
在此背景下,DMEA的市场需求有望持续增长,从而催动产能的进一步扩张。
Technical Indicators/技术指标
Projects can be detected/可检测项目
Refer to the data/可参考数据
Description/描述
二甲基乙醇胺简称DMEA ,CAS :
108-01-0,一种无色易挥发液体,有氨味,可混溶于醚、芳烃。
产品无色透明,纯度高,气味小,国内主要生产商有上海新典
化学材料等,其牌号为NT CAT DMEA 。
Applications/产品应用
在聚氨酯泡沫塑料中,二甲基乙醇胺是一种辅助催化剂,也是一种反应性催化剂,可用于聚氨酯软泡和聚氨酯硬泡配方。
二甲基乙醇胺也用于涂料、油漆、油墨。
二甲基乙醇胺非常适用于中和水溶性涂料树脂中的自由酸度。
叔胺类催化剂对促进异氰酸酯与水反应特别有效;在起绝缘作用的发泡PU 胶生产中加入二甲基乙醇胺还可有效降低总成本;也常用于聚氨酯弹性体。
环氧树脂-二甲基乙醇胺是有效的多用途固化剂,丙烯酸类树脂-水溶性二甲基乙醇胺盐类用于改善涂料或漆膜的抗水性等。
Shelf Life/保质期:12个月。
Storage Information/储存信息
储存于阴凉、通风的库房。
远离火种、热源。
防止阳光直射。
保持容器密封。
应与氧化剂、食用化学品分开存放,切忌混储。
配备相应品种和数量的消防器材。
储存区应备有泄漏应急处理设备和合适的收容材料。