吊车起重性能表
- 格式:doc
- 大小:799.50 KB
- 文档页数:14
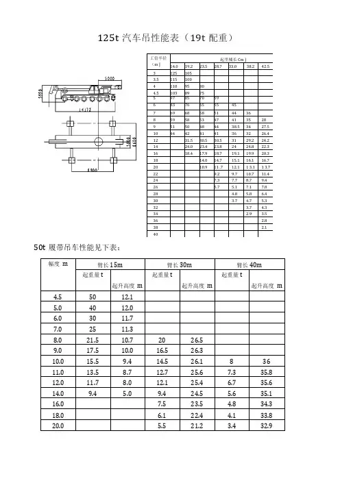
125t 汽车吊性能表(19t 配重)50t 履带吊车性能见下表:幅度 m臂长15m 臂长30m 臂长40m 起重量t起升高度 m起重量t起升高度 m起重量t起升高度 m4.5 50 12.15.0 40 12.06.0 30 11.77.0 25 11.38.0 21.5 10.7 20 26.59.0 17.5 10.0 16.5 26.310.0 15.5 9.4 14.5 26.1 8 36 11.0 13.5 8.7 12.7 25.6 7.3 35.8 12.0 11.7 8.0 12.1 25.4 6.7 35.6 14.09.45.09.4 24.5 5.6 35.1 16.07.5 23.5 4.8 34.3 18.06.122.4 4.1 33.8 20.05.521.23.432.9工倍半径 (m ] 起里橘长Cm ]14.0 19.2 23.528.733.038.242.53 125 105 3.5 115 1004 110 95 804.5 103 89 75 5 97 85 70 596 83 76 65 55 457 69 68 58 51 44 368 59 58 53 47 41 35 28 9 51 50 48 44 38.5 34 27.5 10 4442 41 41 36 32 26.4 12 31.5 30.5 30.5 31 29.2 24.2 14 24.0 23.4 23.8 24 24.8 22.3 1618.417.9 18.7 19.1 19.9 20.3 18 14.0 14.7 15.1 16.1 16.7 20 10.911 .7 12.1 1 3.1 1 3.7 229.2 9.7 10.7 11.4 24 7.3 7.7 8.7 9.4 265.75.1 7.1 7.8 28 4.8 5.86.4 30 3.74.75.3 323.74.3 34 2.93.5 362.8 382.14050吨汽车吊性能见下图表:200t履带吊主杆起重性能表(履带间距7.25m,配重76.9t)200吨履带式吊车副杆起重性能表(跨距7.25m,配重78.91t)20cl七履带吊主动臂和起重臂的工作半径表TzuCC-600、CC-1000、CC-2000型履带起重机为上海建筑机械制造厂与德国德马克公司生产。
350T汽车吊主臂起重性能表一、产品简介本文档旨在详细介绍350T汽车吊主臂的起重性能表。
350T汽车吊是一种非常强大的起重设备,主要用于工地、港口等需要大功率起重的场合。
本文档将包括该设备的一些基本参数、起重性能以及安全使用注意事项。
二、基本参数1. 载重能力•最大起重量:350T•最小起重量:30T•主臂:55m•副臂:18m2. 车体参数•车身总重量:80T•长度:14m•宽度:3.5m•高度:4m3. 发动机参数•型号:柴油发动机•排量:12L•最大功率:400KW•最大扭矩:2000Nm三、起重性能表1. 主臂起重性能起重距离 (m)起重量 (T) 33505300 10250 15200 20160 25120 3080356040302. 副臂起重性能起重距离 (m)起重量 (T)370 560 1050 1540 2030 2520 3015 3510 405四、安全使用注意事项1.在使用本设备前,请确保操作人员已经经过专业培训,并具备相关证书。
2.在进行起重操作前,请确保周围的人员已经撤离,防止人员伤害。
3.在进行起重操作时,请确保设备的支撑稳固,避免倾覆事故的发生。
4.在高风速和恶劣气候条件下,禁止进行起重作业,以免危及人员安全。
5.请按照设备操作手册上的要求进行设备的日常检查和维护,确保设备的安全运行。
注意:以上的起重性能表仅为参考值,实际使用时还需根据具体操作情况进行调整。
五、本文档详细介绍了350T汽车吊主臂的起重性能表。
通过该表格,操作人员可以清楚地了解到主臂和副臂的起重能力范围。
我们提供了一些安全使用注意事项,以确保设备的安全运行。
请务必在使用本设备前,仔细阅读本文档并严格按照要求操作,保障工作场所的安全和人员的身体健康。
汽车式和履带式起重机技术性能手册上海恒冶目录20吨液压汽车起重机型号:主钩重:250生产厂:日本加藤制作所副钩重:100最大起重量:工作半径3时20 支腿横向跨距:4.8吊臂:3节主吊臂长10.2-26.2副吊臂2节长7.4-12主吊臂额定提升负荷(包括吊钩和吊索重)单位(吨)(1)副吊臂额定提升负荷单位;吨注:1.当使用全副副吊臂时,工作半径不能超过22米;2.当副吊臂在安装位置使用主吊钩时,提升载荷应减去130公斤;3.装用副吊臂时,主、副吊臂全伸,主吊臂仰角不能小于55';4.快速落钩时前先把脚放在卷筒制动踏板上;5.快速落钩时,副钩上负荷决不可超过额定负载的30%;6.主、副吊臂夹角5'。
(2)型号;QY25最大起重量:工作半径3m时25t主吊臂:3节,长度10.2-24.5m副吊臂:1节,长度7.5m,有5'和30'夹角支腿横向跨距:5.6m支腿纵向跨距:4.68m(3)型号:NK300最大起重量:工作半径3.35m时30t 主吊臂:4节长10—31m 副吊臂:3节长8.45—13.5m 支腿横向跨距:5.6m吊钩滑轮组重:30t-350kg 12t-200kg 4t-100kg(4)副吊臂额定提升负荷——主吊臂及支腿全伸吊车后方和两侧起吊单位;吨2.当副吊臂在安装位置使用主吊钩时,提升负荷应减去1.4吨3.装用副吊臂时,主、副吊臂全伸,主吊臂仰角不能小于45度。
4.快速落钩前先把脚放在卷筒制动踏板上。
5.主副吊臂夹角5度。
6.主、副吊钩不准同时作业,下同。
(5)型号:A351NS 最大起重量:工作半径3米时36吨主吊臂;4节,长度9.8-30.6米副吊臂:2节,长度7.4-12.4米支腿横向跨距:5.1米型号:TG452 最大起重量:工作半径3米时45吨吊臂:2节,长度8.7-14.2米主吊臂:4节,长度10.4-32米副主钩滑轮组重:400公斤次钩滑轮组重:200公斤副吊钩重:100公斤支腿横向跨距:6.55米(7)主吊臂额定提升负荷(8)50吨液压汽车起重机型号:QY50A 最大起重量:工作半径3米时50吨主吊臂:4节10.4-32米副吊臂:2节9-14.5米支腿横向跨距:6.6米主钩重500公斤副吊钩100公斤额定提升负荷单位:吨75吨液压气车起重机型号;TG-752 最大起重量:工作半径3.5米时75吨主吊臂:5节长度12-44米副吊臂2节;长度9.5-15米支腿跨距:左右7.5米,前后6.45米副吊钩重:140公斤75吨吊钩滑轮组重;900公斤 45吨吊钩滑轮组重:510公斤(10)80吨液压汽车起重机型号:NK800 支腿跨距:左右7米,前后5.6米主吊臂:5节,长度12-44米副吊臂:2节,长度9.5-15米80吨吊钩滑轮组重:1000公斤26吨吊钩滑轮组重:500公斤副吊钩重:250公斤,吊重6吨使用不同长度吊臂时的起重机翻倒角度见下表。
50t履带吊车性能见下表:幅度m臂长15m 臂长30m 臂长40m起重量t 起升高度m 起重量t 起升高度m 起重量t 起升高度m4.5 50 12.15.0 40 12.06.0 30 11.77.0 25 11.38.0 21.5 10.7 20 26.59.0 17.5 10.0 16.5 26.310.0 15.5 9.4 14.5 26.1 8 3611.0 13.5 8.7 12.7 25.6 7.3 35.812.0 11.7 8.0 12.1 25.4 6.7 35.6 14.0 9.4 5.0 9.4 24.5 5.6 35.1 16.0 7.5 23.5 4.8 34.3 18.0 6.1 22.4 4.1 33.8 20.0 5.5 21.2 3.4 32.9 22.0 4.8 19.8 2.8 31.8 24.0 2.5 30.6 26.0 2.1 29.0 28.0 1.8 27.1 30.0 1.5 2550吨汽车吊性能见下图表:200t履带吊主杆起重性能表(履带间距7.25m,配重76.9t)200吨履带式吊车副杆起重性能表(跨距7.25m,配重78.91t)CC-600、CC-1000、CC-2000型履带起重机为上海建筑机械制造厂与德国德马克公司生产。
CC2000履带式起重机起重特性CC1000履带式起重机起重特性CC600履带式起重机起重特性利勃海尔LR1650履带起重机起重性能加藤NK750型汽车起重机额定起重量t 支腿全身、侧向和后向作业KH300型80吨履带式起重机性能表(吨)厂房主要构件用钢量百分比参考值(p236)2100tm/100tⅡ型塔式起重机主要工作性能2100tm/100tⅡ型塔式起重机性能参数表300t履带吊(US/4600S4型)起重特性参数表太钢不锈钢工程炼钢连铸车间柱、梁工程量估算。
25t吊车起重参数表
负载能力
•最大起重能力:25吨
•工作半径:3米 - 20米
•最大起重高度:30米
起重速度
•全部起重速度:12米/分钟
•最大行走速度:25千米/小时
•最大回转速度:2.5转/分钟
尺寸与重量
•总重:约25吨
•长度(全伸):9.2米
•高度(总):3.8米
•宽度(伸展):2.4米
引擎
•机型:涡轮增压发动机
•最大功率:215马力/160千瓦
•燃油类型:柴油
•燃油消耗率:15升/小时
运行性能
•最小转弯半径:8.5米
•最大爬坡能力:30%
•最大涉水深度:1.2米
•工作温度范围:-15℃至 45℃
安全特性
•安全设备:重载警报器,防碰撞系统
•操作模式:人工操作,遥控操作
•限位开关:安装在各个关键位置以确保安全操作
•紧急停止装置:快速停止所有运动
维护和保养
•液压油容量:100升
•液压系统冷却:风冷或水冷
•燃油滤清器更换周期:每500小时
•发动机机油更换周期:每250小时
•维护手册提供详细的保养指南和维护时间表
以上是25t吊车的起重参数表,该吊车具有出色的起重能力和运行性能,并配备多种安全特性以确保操作人员的安全。
请按照维护手册的指导进行维护和保养,以保证吊车的长期稳定运行。
100T汽车吊性能表
根据设计变更通知单,构件需要调整安装。
由于钢结构施工已经完成,土建施工全面展开,现场路面已不具备吊车作业条件,只能从现场围墙外选用大吨位汽车吊进行风机基础吊装作业。
吊车支点距吊点水平距离约30米,吊车幅度不小于30米,综合车间墙体高度及吊点位置,吊车臂长不小于40米,风机
基座荷载2.2吨。
查表可知,100T汽车吊符合条件,即当工
作幅度为30米时,臂长45米,起吊重量2.9T(含吊钩),
能够满足作业及安全条件。
下表为100T汽车吊起重特性表,单位为Kg。
其中,主
臂仰角为45度,主臂加副臂长度为45+9.5m或45+16.0m,副
臂安装角为5度30分。
工作幅度为12.0m至45.0m,主臂支
腿全伸、后方、侧方作业。
吊重范围为Kg至Kg,能够满足
本次吊装需求。
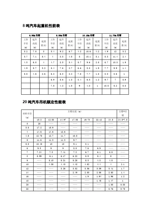
8吨汽车起重机性能表
20吨汽车吊机额定性能表
25吨汽车起重机起重性能表(主臂)
25吨汽车起重机起重性能表(副臂)
30吨汽车起重机性能表(一)
30吨汽车起重机性能表(二)
注:1、若副臂在工作位置,但仍用主臂吊装,主臂的起重性能应相应的减去1.4t
????2、使用副臂吊装时,主臂的角度不得大于45,否则将倾翻
50吨汽车起重机性能表(主表)
以下工况仅供参考,实际请与本公司业务员联系!
(注:本表内红字及红字以上栏目的数字为吊臂强度所决定,其下面栏目数字为倾翻力矩决定) ? 50吨汽车起重机性能表(副臂)
80吨汽车起重机起重性能表(一)
以下工况仅供参考,实际请与本公司业务员联系!
80吨汽车起重机起重性能表(二)
以下工况仅供参考,实际请与本公司业务员联系!
以下工况仅供参考,实际请与本公司业务员联系!
(注:本表内红字及红字以上栏目的数字为吊臂强度所决定,其下面栏目数字为倾翻力矩决定)
150吨汽车起重机性能表(二)
(注:本表内红字及红字以上栏目的数字为吊臂强度所决定,其下面栏目数字为倾翻力矩决定)。
LTM1500型汽车吊基本臂及带超起装置性能表(500t)注:1、同一单元格内标注两组数字的,下方数字为带超起装置的起重吨位。
LTM1500型全路面汽车吊HC810型汽车吊起重性能表(330t)配重:50t 回转:360° 75%HC810型起重机外形尺寸AC615型汽车吊起重性能表(225t)配重:40t 回转:360°说明:1、主臂伸缩长度50米、附加臂20米、摆动臂51米;2、最大起升高度101米、作业幅度62米;3、最大起重能力180吨;AC615型汽车吊AC615型汽车吊副臂AC615型汽车吊摆动臂HC340型汽车吊起重性能表(120t)HC340型副臂HC340型汽车吊NK—800型汽车起重机性能表基本臂(80t)单位(t)NK—800型副臂NK—800型吊钩重量注:1、在吊车安放在牢固坚实平整的土地上,表列额定起重能力是有保证的,额定起重能力包括吊钩及其它起重装置的重量。
2、使用承力支架的额定起重能力,是承力支架全部伸长,使吊车放在土地上,在左右两侧及后部的起重区域。
(除车头正前方向120°外的区域)3、如果用主臂外臂起吊,则必须在列表起重能力中减去以及其它起重设备重量。
4、各个不同的吊臂、能使吊车翻倒的吊臂角度,列表如下,实际操作时,不许将吊臂角度小于表5、钢丝绳每根荷重不可超过,可以决定钢丝绳的最小根数。
各种不同长度吊臂所需的钢丝绳根数如下表:(倍率)技术数据QY50型汽车起重机额定起重量(50t)QY40型汽车起重机额定起重量(40t)单位:t注:1、倾翻力矩为稳定力矩的倍;2、表中起重量所对应的工作幅度值为起吊后的数据。
QY型伸缩臂汽车起重机技术数据QY30汽车起重机主臂额定起重量(30t)副臂额定总起重量单位:t主臂长度与钢绳倍率表:主臂长度吊具重量表注:1、如果用前支腿时,“侧方,后方区域”栏的额定总起重量能适用于“前方区域”。
2、额定总起重量包括吊钩重量(30t主钩为350kg,3t副钩为60kg)以及绑重物用钢丝和其它吊具的重量。
8吨汽车起重机性能表 (2)20吨汽车吊机额定性能表 (3)25吨汽车起重机起重性能表(主臂) (4)30吨汽车起重机性能表(一) (5)50吨汽车起重机性能表(主表) (7)80吨汽车起重机起重性能表(一) (9)100t汽车吊性能表 (11)120吨汽车起重机起重性能表 (12)150吨汽车起重机性能表(一) (13)150吨汽车起重机性能表(二) (14)160t汽车吊性能表 (15)200吨汽车吊车 (16)260吨吊车性能表 (17)LTM1300/1-300t全液压汽车吊机 (18)LTM1500-500t全液压汽车吊机 (20)LTM1500-500t全液压汽车吊机 (21)8吨汽车起重机性能表以下工况仅供参考,实际请与本公司业务员联系!20吨汽车吊机额定性能表以下工况仅供参考,实际请与本公司业务员联系!25吨汽车起重机起重性能表(主臂)以下工况仅供参考,实际请与本公司业务员联系!(注:本表内红字及红字以上栏目的数字为吊臂强度所决定,其下面栏目数字为倾翻力矩决定)25吨汽车起重机起重性能表(副臂)30吨汽车起重机性能表(一)以下工况仅供参考,实际请与本公司业务员联系!(注:本表内红字及红字以上栏目的数字为吊臂强度所决定,其下面栏目数字为倾翻力矩决定) 30吨汽车起重机性能表(二)注:1、若副臂在工作位置,但仍用主臂吊装,主臂的起重性能应相应的减去1.4t2、使用副臂吊装时,主臂的角度不得大于45,否则将倾翻50吨汽车起重机性能表(主表)以下工况仅供参考,实际请与本公司业务员联系!(注:本表内红字及红字以上栏目的数字为吊臂强度所决定,其下面栏目数字为倾翻力矩决定)50吨汽车起重机性能表(副臂)80吨汽车起重机起重性能表(一)以下工况仅供参考,实际请与本公司业务员联系!80吨汽车起重机起重性能表(二)100t汽车吊性能表120吨汽车起重机起重性能表以下工况仅供参考,实际请与本公司业务员联系!附表二150吨汽车起重机性能表(一)以下工况仅供参考,实际请与本公司业务员联系!(注:本表内红字及红字以上栏目的数字为吊臂强度所决定,其下面栏目数字为倾翻力矩决定) 150吨汽车起重机性能表(二)41.0 1.244.0 1.0(注:本表内红字及红字以上栏目的数字为吊臂强度所决定,其下面栏目数字为倾翻力矩决定) 160t汽车吊性能表200吨汽车吊车260吨吊车性能表LTM1300/1-300t全液压汽车吊机LTM1300/1-300t全液压汽车吊机主臂额定性能表:支腿开距=8.85×8.5m、旋转角度=360°、标准配重=87.5tLTM1500-500t全液压汽车吊机主臂额定性能表1:支腿开距=10×9.6m、旋转角度=360°、标准配重=135t。
LTM1500型汽车吊基本臂及带超起装置性能表(500t)配重:165吨回转:360°注:1、同一单元格内标注两组数字的,下方数字为带超起装置的起重吨位。
2、外形尺寸21.6×3×4(m),作业半径10×9.6(m),后回转6.6LTM1500型全路面汽车吊HC810型汽车吊起重性能表(330t)配重:50t 回转:360° 75%HC810型起重机外形尺寸AC615型汽车吊起重性能表(225t)说明:1、主臂伸缩长度50米、附加臂20米、摆动臂51米;2、最大起升高度101米、作业幅度62米;3、最大起重能力180吨;AC615型汽车吊AC615型汽车吊副臂AC615型汽车吊摆动臂HC340型汽车吊起重性能表(120t)配重:14t 回转:360°自重:72t 75%HC340型副臂42 1.1 1.444 1.245 0.9 钢绳道数 2 2 2 1HC340型汽车吊NK—800型汽车起重机性能表基本臂(80t)单位(t)NK—800型副臂NK—800型吊钩重量注:1、在吊车安放在牢固坚实平整的土地上,表列额定起重能力是有保证的,额定起重能力包括吊钩及其它起重装置的重量。
2、使用承力支架的额定起重能力,是承力支架全部伸长,使吊车放在土地上,在左右两侧及后部的起重区域。
(除车头正前方向120°外的区域)3、如果用主臂外臂起吊,则必须在列表起重能力中减去2.7t以及其它起重设备重量。
4、各个不同的吊臂、能使吊车翻倒的吊臂角度,列表如下,实际操作时,不许将吊臂角度小于表列角度。
5、钢丝绳每根荷重不可超过 6.7t,可以决定钢丝绳的最小根数。
各种不同长度吊臂所需的钢丝绳根数如下表:(倍率)技术数据QY50型汽车起重机额定起重量(50t)QY40型汽车起重机额定起重量(40t)单位:t注:1、倾翻力矩为稳定力矩的1.4倍;2、表中起重量所对应的工作幅度值为起吊后的数据。
8吨汽车起重机性能表
20吨汽车吊机额定性能表
25吨汽车起重机起重性能表(主臂)
25吨汽车起重机起重性能表(副臂)
30吨汽车起重机性能表(一)
30吨汽车起重机性能表(二)
注:1、若副臂在工作位置,但仍用主臂吊装,主臂的起重性能应相应的减去1.4t
2、使用副臂吊装时,主臂的角度不得大于45,否则将倾翻
50吨汽车起重机性能表(主表)
以下工况仅供参考,实际请与本公司业务员联系!
(注:本表内红字及红字以上栏目的数字为吊臂强度所决定,其下面栏目数字为倾翻力矩决定) 50吨汽车起重机性能表(副臂)
80吨汽车起重机起重性能表(一)
以下工况仅供参考,实际请与本公司业务员联系!
80吨汽车起重机起重性能表(二)
以下工况仅供参考,实际请与本公司业务员联系!
以下工况仅供参考,实际请与本公司业务员联系!
(注:本表内红字及红字以上栏目的数字为吊臂强度所决定,其下面栏目数字为倾翻力矩决定)
150吨汽车起重机性能表(二)
(注:本表内红字及红字以上栏目的数字为吊臂强度所决定,其下面栏目数字为倾翻力矩决定)。
各种吨数汽车吊性能表8吨汽车起重机性能表
20吨汽车吊机额定性能表
(注:本表内红字及红字以上栏目的数字为吊臂强度所决定,其下面栏目数字为倾翻力矩决定)
(注:本表内红字及红字以上栏目的数字为吊臂强度所决定,其下面栏目数字为倾翻力矩决定)
注:1、若副臂在工作位置,但仍用主臂吊装,主臂的起重性能应相应的减去1.4t
2、使用副臂吊装时,主臂的角度不得大于45,否则将倾翻
(注:本表内红字及红字以上栏目的数字为吊臂强度所决定,其下面栏目数字为倾翻力矩决定)
80吨汽车起重机起重性能表(二)
(注:本表内红字及红字以上栏目的数字为吊臂强度所决定,其下面栏目数字为倾翻力矩决定)
(注:本表内红字及红字以上栏目的数字为吊臂强度所决定,其下面栏目数字为倾翻力矩决定)。
170吨汽车吊起重性能表日本住友SA1700型汽车起重机全路面汽车起重机,最大起重能力170吨,采用50米6节伸缩主臂,最大起升高度50米,最大作业半径47米,德国奔驰底盘发动机功率400KW,上车发动机功率180KW,10*8轮驱动,最高时速为80KM,1、2桥可独立4、5桥转向,第3桥可提升蟹行。
本车采用日本住友多功能电子控制系统,对吊车实行电了控制,是目前世界上较先进的汽车起重机。
它主要服务于工矿企业、钢构、码头和重型设备的安装项目。
半径 60t 配重(360°) 39t 配重(360°) 14.2 19.4 23.7 28.9 33.2 38.4 42.7 44.4 45.2 50.3 55.5 14.2 19.4 23.7 28.9 33.2 38.4 42.7 44.4 45.2 50.3 55.53 170 136 -- - - - - - - - 160 136 - - - - - - - - - 3.5 150 128 -- - - - - - - - 141 128 - - - - - - - - - 4 135 120 104 - - - - - - - - 127 120 104 -- - - - - - - 5 113 106 97 76 - - - - - - - 107 104 97 76 - - - - - - - 6 96 93 88 70 60 - - - - - - 91 89 86 70 60 - - - - - - 7 82 79 76 64 58 47 ----- 77 76 75 64 58 47 ----- 87168 66 59 55 45 37.5 28 32.5 -- 67 66 65 59 55 45 37.5 28 32.5 -- 9 64 62 60 54 52 43 36.5 26.8 31.5 - - 58 57 56 54 52 43 36.5 26.8 31.5 - - 10 58 56 55 49 48 41 35.5 25.3 31 25-51 50 49494841 35.5 25.3 31 25 - 12 - 46 454242 3633.5 22.6 3023 17 -39.5 39 39.5 403633.5 22.6 302317 14 - 37 36.5 37 36 32.5 30.5 20.4 28.5 21 15.6 - 32 31.5 32 32.5 32 30.5 20.4 28.5 2115.616 - 30 30.5 31 3128.8 27.6 18.6 2619.3 14.5 - 26.5 25.9 26.5 26.8 26.4 26.2 18.6 25.6 19.3 14.518 - - 25.7 26.3 26.7 25.4 24.5 16.8 23.5 17.6 13.5 -- 21.3 21.9 21.9 22.1 22 16.8 21.5 17.6 13.520 - - 22 22.5 22.9 22.7 2215.7 2116.2 12.5 - - 17.4 18.1 18.1 18.4 18.4 15.7 1816.2 12.5 22 - - - 19.4 19.7 20.5 19.4 14.5 19 14.9 11.6 - - - 14.9 15.2 15.4 15.6 14.5 15.3 14.9 11.6 24 - - - 16.8 17.1 17.9 17.6 13.5 17.2 13.9 10.7 -- - 12.3 12.7 13.1 13.3 13.5 13 13.9 10.7 26 - - - 14.7 15 15.7 1612.5 161310- - - 10.2 10.6 11.2 11.3 12.5 11.1 11.8 1028 - - - - 13.1 13.8 14.3 11.7 13.9 12.3 9.4 - - - - 8.7 9.6 9.7 11.6 9.5 10.2 9.4 30 - - - - 11.5 12.1 12.5 11 12.5 11.6 8.8- - - - 7.2 8.1 8.4 10.2 8.2 8.8 8.8 32 - - - - - 10.7 11 10.5 10.9 118.4 - - - - - 6.8 7.2 8.9 7 7.7 7.9 34 - - - - - 9.4 9.7 9.9 9.6 10.1 7.9 - - - - - 5.6 6.2 7.9 6 6.7 6.9 36 - - - - - - 8.6 9.5 8.5 9.3 7.6 - - - - - - 5.2 7 5.1 5.8 5.9 38 - - - - - - 7.6 9.1 7.5 8.3 7.2 - - - - - - 4.3 6.2 4.2 5.1 5.2 40 - - - - - - - 8.3 6.7 7.4 6.7 - - - - - - - 5.4 3.4 4.4 4.542 - - - - - - - - 5.9 6.6 6.3 - - - - - - - - 2.7 3.8 4 44 - - - - - - - - - 5.9 6.6 -- - - - - - - - 3.1 3.4 46 - - - - - - - - - 5.3 5.5 - - - - - - - - - 2.6 2.9 48 - - - - - - - - - - 4.9 - - - - - - - - - - 2.5 50 - - - - - - - - - - 4.4 - - - - - - - - - - 2.1 52 ----------4----------1.68轴LTM 1500-8.1配备一个7段、84米伸缩式动臂,这是世界上最长的伸缩式动臂。
吊臂张紧系统大大提高了起重能力。
桁架副臂的长度高达91米,从而500吨级起重机的工作范围达到145米的起重高度和108米的工作半径。
技术参数:m 15.1m 21.3m 26.5m 31.7m 36.9m 42.1m3 3.5 5004005004005004002624 4.5 3252623252623252612622592482395 6 2612312552262452162432142292081831681457 8 2061862021821921731901701901701561451331231161079 10 1701551621451561411531381531381341241141061009412 14 128107119100117991149711487107939280837316 18 8271827183717165635520 22 56 61536254585349.54524 26 47 47.542.54640.540.536.528 30 37.532.5363233.53132 34 28.325.328.526.636 38 24.2 21.740 19.4 Ⅰ 0 46 46 92/46 92 92/46 Ⅱ 0 0 46 46/46 46 92/92 Ⅲ 0 0 0 0/46 46 46/92 Ⅳ 0 0 0 0/0 0 0/0 Ⅴ 0 0 0 0/0 0 0/0 Ⅵ 0 0 0 0/0 0 0/07轴移动式起重机LTM 1400-7.1采用新型主动后轴转向装置,是该吨级体积最小的起重机代表,并且具有卓越的操纵性能。
行走机构与起重机控制装置中的完备的电子元件提高了安全性能,确保了易使用性,以及400吨级的可用性。
122米的起重高度和92米的工作半径是此类应用的典型要求。
m 15.4m 20.5m 25.7m 30.8m 36m 41.1m 46.3m 51.4m 56.6m 60m 3 3.5 400 2704 4.5 239 2295 6 216 1947 8 176 158 163 147 162 147162 146 146 135 107 112 86 739 10 141 126 134 122 133 122 133 121 126 118 105 89 81 76 68 65 58 56 12 14 104 103 10389102 87 103 88 87 78 67 59 58 52 51 46.5 43.5 40.5 38.5 36 16 18 776775 67 76 66 71 65 54 49.5 47 42.5 42 38.5 38 35 33.5 31 20 22 59 53 59 52 59 53 46.5 43.5 38.5 35.5 35 32 32.5 29.8 29 27 24 26 46.5 42.5 47.5 43 40.5 38 32.5 29.7 29.8 27.6 27.6 25.7 25.1 23.4 28 30 40 39 35.5 35.5 33.5 28 26.5 25.5 23.6 23.9 22.2 21.9 20.5 32 34 32.5 32 30.5 24.9 23.5 22 20.5 20.7 19.4 19.1 17.8 36 38 28.6 26.5 22.5 21.5 19 17.8 18.3 17.2 16.8 15.8 40 42 20.5 19.6 17 16.2 16.1 15 14.8 13.9 44 46 15.6 15.5 14.8 14.3 13.5 13.1 12.3 48 50 14.1 12.8 12.1 11.6 11 52 54 11.4 10.8 10.4 9.8 569.3Ⅰ 0 0/0/0 46/0/0 92/46/0 92/46/0 92/46/46 92/46/46 92/46 92 100Ⅱ 0 46/0/0 46/46/0 46/46/46 46/46/92 92/92/46 92/92/46 92/92 92 100 Ⅲ 0 0/46/0 0/46/46 0/46/46 46/46/46 46/46/46 46/92/92 92/92 92 100 Ⅳ 00/0/46 0/0/46 0/0/46 0/46/46 46/46/92 46/46/92 46/92 92 1006轴移动式起重机1300-6.1具有60米伸缩臂、21米双折叠副臂,以及长度高达70米的固定式或俯仰式桁架飞臂,适合多种应用场合。
另外,300吨级起重机还可以选装超起装置。
技术参数:m 15.5 20.7 25.9 31.1 36.3 41.5 46.7 51.9 57.1 60 3 3.5 300 264 276 2472004 4.5 237 214 224 198 200 184 165 1581255 6 190 168 185 164 168 156 150 136 120 111 937 8149 133 146 131 143 128122 113 103 95 87 81 74 69 599 10 120 109 119 108 116 106 104 96 88 82 75 70 66 62 56 53 4512 14 8888 86 7282 71 71 62 62 55 55 49.5 48 43.5 41.5 38 35 32.5 33 31 16 18 615260 52 54 48.5 49 43.5 44.5 40 39.5 36 35 32 30.5 28.5 28.8 26.6 20 22 44.5 39 43.5 40 39 35.5 36.5 33.5 33 30 29.5 27.2 26.6 24.9 24.7 22.9 24 26 35 31 32.5 29.6 30.5 28 28 26 25.2 23.5 23.2 21.6 21.3 19.9 28 30 27.8 27.3 25.4 25.8 23.8 24 22.4 22 20.6 20.2 18.9 18.7 17.5 32 34 22.9 22.1 20.7 20.7 19.2 19.2 18.1 17.7 16.7 16.5 15.5 36 38 19.5 17.8 18 16.9 17.1 16.1 15.8 14.9 14.7 13.9 401516.214.1 13.142 15.3 14.4 13.4 12.344 46 13.5 13.512.912.712.111.610.948 50 12.3 11.51110.39.752 54 10.510.19.18.656 8.1长江LT1100型全液压汽车起重机:最大起重吊重能力为100T,最大起升高度60M,最大作业半径为55M;45M底5节式伸缩主臂;9.5M-15M折叠式副臂;下车道康明斯发动机功率为283KW;上车道康明斯发动机功率为118KW,12X6驱动;1、2、5和6桥可驱动;最高时速71KW,最大爬坡能力35%,目前国内最先进的汽车起重机。