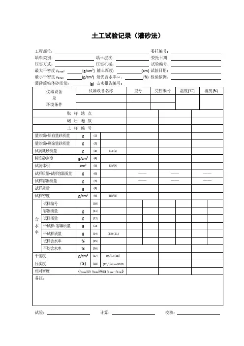
g/cm3
(9)
(8)/(5)
含水率
试样编号
(10)
容器质量
g(1Leabharlann )试样质量g(12)
干试样+容器质量
g
(13
干试样质量
g
(14)
(13)-(11)
试样含水率
%
(15)
平均含水率
%
(16)
干密度
g/cm3
(17)
(9)/[1+ (16)]
压实度
(%)
(18)
(17)/ρdmaxx100
相对密度
{ρdmax[(17)-ρdmin]}/{(17)[ρdmax-ρdmin]}
备注:
试验:计算:校核:
土工试验记录(灌砂法)
工程部位:委托编号:
填料类别:填土层次:委托日期:
压实方式:压实机械:试验编号:
最大干密度ρdmax:(g/cm3)铺土厚度:(cm)试验日期:
最小干密度ρdmin:(g/cm3)最优含水率ω:(%)检验依据:
灌砂筒锥体砂质量:(g)击实报告编号:
仪器设备
及
环境条件
仪器设备名称
型号
受控编号
温度(℃)
湿度(%)
取样地点
碾压遍数
土样编号
量砂筒+原有量砂质量
g
(1)
量砂筒+剩余量砂质量
g
(2)
试坑耗砂质量
g
(3)
(1)-(2)
标准砂密度
g/cm3
(4)
试坑体积
cm3
(5)
(3)/(4)
试样质量+试样容器质量
g
(6)
——