聚四氟乙烯生料带检测报告
- 格式:doc
- 大小:27.00 KB
- 文档页数:5
聚四氟⼄烯⽣料带MSDS聚四氟⼄烯⽣料带安全技术说明书(MSDS)第⼀部分:产品名称产品中⽂名称:聚四氟⼄烯⽣料带化学品英⽂名称:PTFE THREAD SEAL TAPE中⽂别名:聚四氟⼄烯密封带、聚四氟⼄烯未烧结带英⽂别名:PTFE TAPE THREAD SEAL、UNSINTERED PTFE TAPE第⼆部分:企业标识企业名称:地址:邮编:电话:第三部分:成分/组成信息成分:聚四氟⼄烯纯品/混合物:纯品含量100%化学⽂摘号:9002-84-0结构式:第四部分:危险性概述危险性类别:⽆侵⼊途径:吞咽健康危害:本品⽆毒,但不得吞咽。
燃烧或加热⾄⼤于260℃产⽣热解物组分。
吸⼊热分解产物可引起中毒。
中毒轻者表现为发热和“感冒样”症状;重者出现呼吸道刺激症状,出现化学性⽀⽓管炎、肺炎,甚⾄发⽣肺⽔肿及⼼肌损害等。
长期低浓度接触其热解产物者,常出现头痛、头昏、失眠、恶梦、记忆⼒减退、乏⼒、腰酸背痛等。
作业场所禁⽌吸烟,本品粘附在烟上燃烧时,有可能吸⼊有毒的热解物组分。
环境危害:⽆燃爆危险:⽆第五部分:急救措施⽪肤接触:⽆害眼睛接触:⽆害吸⼊:不适⽤。
但燃烧或加热⾄⼤于260℃产⽣热解物组分,若吸⼊须迅速脱离现场⾄空⽓新鲜处,保持呼吸道通畅,如呼吸困难,给输氧。
如呼吸停⽌,⽴即进⾏⼈⼯呼吸。
就医。
⾷⼊:⽴即取出。
就医。
第六部分:消防措施危险特性:⽆有害燃烧产物:受热260℃以上或燃烧会分解放出有毒的氟化物⽓体。
灭⽕⽅法:尽可能将容器从⽕场移⾄空旷处。
灭⽕剂:雾状⽔、泡沫、⼲粉、⼆氧化碳、砂⼟。
灭⽕注意事项及措施:消防员应在上风向,穿着全⾝保护⽤具,戴空⽓呼吸器作业,防⽌吸⼊有毒⽓体。
第七部分:泄漏应急处理应急处理:取⾛时避免滑到并远离⽕源。
第⼋部分:操作处置与储存操作注意事项:作业场所禁⽌吸烟。
作业后必须将⼿和脸洗净,防⽌沾染上⾹烟。
储存注意事项:储存于阴凉、通风的库房。
远离⽕种、热源。
应与氧化剂分开存放,切忌混储。
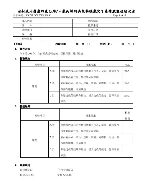
记录编码:XX-XL-XX-XX0-X0-X Page 1 of 18【外观】 检验日期 : 年 月 日 判定日期: 年 月 日 1. 操作方法取本品200个,在自然光线明亮处,正视目测,进行检查。
2.3.4. 结果判定符合规定□ 不符合规定□ 检验人/日期: 复核人/日期:1.操作方法取本品10个,照《注射液用胶塞、垫片穿刺力测定法操作规程》操作。
2.标准规定平均穿刺力不得过75N,且每个胶塞的穿刺力均不得过80N,穿刺过程中不应有胶塞被推入瓶内。
平均穿刺力 N,报告值 N。
且胶塞最大穿刺力为 N,报告值 N。
穿刺过程中胶塞被推入瓶内。
4.结果判定符合规定□ 不符合规定□检验人/日期:复核人/日期:【穿刺落屑】检验日期:年月日判定日期:年月日1. 操作方法取本品10个,照《注射剂用胶塞、垫片穿刺落屑测定法操作规程》操作。
2.标准规定落屑数应不得过20粒。
4.落屑数粒。
备注:在穿刺过程中,若有两个以上(含两个)胶塞在穿刺过程中被推入瓶中,则判该项不合格;若10个被测胶塞中有一个被推入瓶中,则需另取10个胶塞重新试验,不得有胶塞被推入瓶中。
如重新试验见附件。
5.结果判定符合规定□ 不符合规定□检验人/日期:复核人/日期:【膜的复合强度】检验日期:年月日判定日期:年月日1操作方法(1)目视观察穿刺力项下已经完成试验的覆膜胶塞。
(2)取经【化学性能】处理后样品。
2标准规定(1)针刺部位膜不应从覆膜胶塞表面脱落。
(2)目视观察膜与覆膜胶塞不得分离。
符合标准规定用“√”表示,有不符合的用“×”表示,异常情况填写备注,无异常情况备注划斜线。
4结果判定符合规定□ 不符合规定□检验人/日期:复核人/日期:1.操作方法将供试液倒入取样杯中,静置,在15-30分钟时间范围内连续测定3次,每次取样应不少于(5ml) ml,记录数据。
每个供试品第一次数据不计,取后续测定结果,计算平均值。
2.标准规定每1ml中含10um以上的微粒不得过30粒,含25um以上的微粒不得过3粒。
报告编号:×××<计量标志><CNAS标志>检验报告产品型号产品名称实芯聚四氟乙烯绝缘编织浸锡外导体射频同轴电缆申请单位检验类别产品认证监督检验×××××××××检验中心报告编号:×××<计量标志> <CNAS标志>检验报告产品型号产品名称实芯聚四氟乙烯编织浸锡外导体射频同轴电缆申请单位检验类别产品认证监督检验×××××××××检验中心注意事项1.报告无“检验报告专用章”或检验单位公章无效。
2.报告需加盖骑缝章。
3.复制报告未重新加盖“检验报告专用章”或检验单位公章无效.4.报告无主检、审核、批准人签字无效。
5.报告涂改无效。
6.部分复印本检验报告无效。
7.本检验报告仅对来样负责。
8.对检验报告若有异议,请于收到报告之日起十五日内向泰尔认证中心提出。
地址:××××××邮政编码:××××××电话:××××××传真:××××××网址:××××××E-MAIL:××××××报告编号:×××第6页共6页检验报告。
1.聚四氟乙烯聚四氟乙烯是用于密封的氟塑料之一。
聚四氟乙烯以碳原子为骨架,氟原子对称而均匀地分布在它的周围,构成严密的屏障,使它具有非常宝贵的综合物理机械性能(表14—9)。
聚四氟乙烯对强酸、强碱、强氧化剂有很高的抗蚀性,即使温度较高,也不会发生作用,其耐腐蚀性能甚至超过玻璃、陶瓷、不锈钢以至金、铂,所以,素有“塑料王”之称。
除某些芳烃化合物能使聚四氟乙烯有轻微的溶胀外,对酮类、醇类等有机溶剂均有耐蚀性。
只有熔融态的碱金属及元素氟等在高温下才能对它起作用。
聚四氟乙烯的介电性能优异,绝缘强度及抗电弧性能也很突出,介质损耗角正切值很低,但抗电晕性能不好。
聚四氟乙烯不吸水、不受氧气、紫外线作用、耐候性好,在户外暴露3年,抗拉强度几乎保持不变,仅伸长率有所下降。
聚四氟乙烯薄膜与涂层由于有细孔,故能透过水和气体。
表14-9聚四氟乙烯性能序号技术指标单位数值测试方法1物理性能比重2.15~2.20GB1033—702机械性能抗拉强度Pa(1961~3521)×104GBl04079断裂伸长率%250~500GB1040—79抗压强度(变形10%)Pa1952×104GB104l一79抗冲击无缺口kgf·cm/cm2不断GB1043—79有缺口24.6~31.6抗弯强度Pa(1834~2030)×104GB1042—79硬度HB4.54HG一16865钢球Ф5mm载荷62.5kgf 摩擦系数O.13~O.16磨耗磨痕14.5M200试验机,对磨件45#钢,硬度HRC50~59,表面粗糙度0.8▽负荷23kgf,线速度O.39m/s,时间30min3介电性能介电常数50Hz106Hz2.12.1GB1049一78介质损耗角正切50Hz106Hz0.5×10-42.5×10-4GB1049一78耐电压kV/mm60GB1049一78体积比电阻Ω·cm1018GB1049一78表面比电阻Ω1014GB1049一784热学性能晶体熔点℃327~330ASTM D1457-75线膨胀系数20~60℃20~100℃20~150℃20~200℃10-5×1/℃10.310.511.412.8GB1036-70比热容0℃50℃J/kg·K0.96×10-31.05×10-3导热系数W/m·K0.24平板法聚四氟乙烯在200℃以上,开始极微量的裂解,即使升温到结晶体熔点327℃,仍裂解很少,每小时失重为万分之二。
PTFE物理室各项检测指标1、PTFE概述聚四氟乙烯被称“塑料王”,氟树脂之父罗伊·普朗克特1936 年在美国杜邦公司开始研究氟利昂的代用品,他们收集了部分四氟乙烯储存于钢瓶中,准备第二天进行下一步的实验,可是当第二天打开钢瓶减压阀后,却没有气体溢出,他们以为是漏气,可是将钢瓶称量时,发现钢瓶并没有减重。
他们锯开了钢瓶,发现了大量的白色粉末,这是聚四氟乙烯。
研究发现聚四氟乙烯性质优良,可以用于原子弹、炮弹等的防熔密封垫圈,因此美国军方将该技术在二战期间一直保密。
直到二战结束后,才解密,并于1946年实现工业化生产聚四氟乙烯。
聚四氟乙烯相对分子质量较大,低的为数十万,高的达一千万以上,一般为数百万(聚合度在104数量级,而聚乙烯仅在103)。
一般结晶度为90~95%,熔融温度为327~342℃。
聚四氟乙烯分子中CF2单元按锯齿形状排列,由于氟原子半径较氢稍大,所以相邻的CF2单元不能完全按反式交叉取向,而是形成一个螺旋状的扭曲链,氟原子几乎覆盖了整个高分子链的表面。
这种分子结构解释了聚四氟乙烯的各种性能。
温度低于19℃时,形成13/6螺旋;在19℃发生相变,分子稍微解开,形成15/7螺旋。
虽然在全氟碳化合物中碳-碳键和碳-氟键的断裂需要分别吸收能量346.94和484.88kJ/mol,但聚四氟乙烯解聚生成1mol四氟乙烯仅需能量171.38kJ。
所以在高温裂解时,聚四氟乙烯主要解聚为四氟乙烯。
聚四氟乙烯在260、370和420℃时的失重速率(%)每小时分别为1×10-4.4×10-3和9×10-2。
可见,聚四氟乙烯可在260℃长期使用。
由于高温裂解时还产生剧毒的副产物氟光气和全氟异丁烯等,所以要特别注意安全防护并防止聚四氟乙烯接触明火。
分子式:(C2F4)n;分子量:100.015612;熔点:327℃;沸点:400℃;折射率:1.35。
1.1、化学性质耐大气老化性:耐辐照性能和较低的渗透性;长期暴露于大气中,表面及性能保持不变。
报告编号:×××
<计量标志> <CNAS标志>
检验报告
产品型号
产品名称聚四氟乙烯绝缘射频同轴电缆微孔绝缘双层外导体型申请单位
检验类别产品认证监督检验
×××××××××检验中心
注意事项
1.报告无“检验报告专用章”或检验单位公章无效。
2.报告需加盖骑缝章。
3.复制报告未重新加盖“检验报告专用章”或检验单位公章无效.
4.报告无主检、审核、批准人签字无效。
5.报告涂改无效。
6.部分复印本检验报告无效。
7.本检验报告仅对来样负责。
8.对检验报告若有异议,请于收到报告之日起十五日内向泰尔认证中心提出。
地址:××××××
邮政编码:××××××
电话:××××××
传真:××××××
网址:××××××
E-MAIL:××××××
检验报告
检验情况一览表。
1、PTFE概述聚四氟乙烯被称“塑料王”,氟树脂之父罗伊·普朗克特1936 年在美国杜邦公司开始研究氟利昂的代用品,他们收集了部分四氟乙烯储存于钢瓶中,准备第二天进行下一步的实验,可是当第二天打开钢瓶减压阀后,却没有气体溢出,他们以为是漏气,可是将钢瓶称量时,发现钢瓶并没有减重。
他们锯开了钢瓶,发现了大量的白色粉末,这是聚四氟乙烯。
研究发现聚四氟乙烯性质优良,可以用于原子弹、炮弹等的防熔密封垫圈,因此美国军方将该技术在二战期间一直保密。
直到二战结束后,才解密,并于1946年实现工业化生产聚四氟乙烯。
聚四氟乙烯相对分子质量较大,低的为数十万,高的达一千万以上,一般为数百万(聚合度在乙烯仅在103)。
一般结晶度为90~95%,熔融温度为327~342℃。
聚四氟乙烯分子中CF2单元按锯齿形状排列,由于氟原子半径较氢稍大,所以相邻的CF2单元不能完全按反式交叉取向,而是形成一个螺旋状的扭曲链,氟原子几乎覆盖了整个高分子链的表面。
这种分子结构解释了聚四氟乙烯的各种性能。
温度低于19℃时,形成13/6螺旋;在19℃发生相变,分子稍微解开,形成15/7螺旋。
虽然在全氟碳化合物中碳-碳键和碳-氟键的断裂需要分别吸收能量346.94和484.88kJ/mol,但聚四氟乙烯解聚生成1mol四氟乙烯仅需能量171.38kJ。
所以在高温裂解时,聚四氟乙烯主要解聚为四氟乙烯。
聚四氟乙烯在260、370和420℃时的失重速率(%)每小时分别为1×10-4.4×10-3和9×10-2。
可见,聚四氟乙烯可在260℃长期使用。
由于高温裂解时还产生剧毒的副产物氟光气和全氟异丁烯等,所以要特别注意安全防护并防止聚四氟乙烯接触明火。
分子式:(C2F4)n;分子量:100.015612;熔点:327℃;沸点:400℃;折射率:1.35。
1.1、化学性质耐大气老化性:耐辐照性能和较低的渗透性;长期暴露于大气中,表面及性能保持不变。
生料带中聚四氟乙烯的介绍
聚四氟乙烯生料带的聚合工艺,悬浮FTFE树脂的生产主要由聚合、树脂洗涤与捣碎、干嫌等工序组成。
高纯气相TFE经管道输送、在冷凝器内冷凝成液体后保存在聚合装置的单体贮槽中。
生料带为了减少TFE的自聚,可在单体贮槽内添加少量阻聚剂,如二戊烯、粘烯及胺类等。
聚合反应前TFE单体贮槽保持一35一50℃的低溢,并尽最缩短TFE在贮槽内的保存时间。
TFE悬浮聚合反应在釜式反应器中进行。
生料带中的聚四氟乙烯的分子结构与聚乙烯的区
生料带中的聚四氟乙烯(PTFE)的分子结构与聚乙烯(PE)相似,PE中的所有H原子被F原子所取代后成为PTFE,由CF键的键能比C一H键高,氟原子的电子云对CC键的屏蔽作用大于氢原子;同时,
生料带中的聚四氟乙烯(PTFE)的分子结构与聚乙烯(PE)相似,PE中的所有H原子被F原子所取代后成为PTFE,由C—F键的键能比C一H键高,氟原子的电子云对C—C键的屏蔽作用大于氢原子;同时,氟原子核对其核外电子及成键电子云的束缚作用较强,氟原子极化率低,分布对称,使分子极性变小,因此PTFK和PE相比,在件能上有明显的提高,是表面能最低、耐化学腐蚀性最优的聚合物品种.熔融温度和相对密度比PE大1倍,耐候性好,高度绝缘,介电常数和损耗因子较小。
生料带检验标准一、目的本检验标准旨在明确生料带的检验方法、检验项目和检验规则,确保生料带的质量符合要求,提高生产效率和产品质量。
二、范围本检验标准适用于公司内所有生料带的检验,包括但不限于以下领域:1. 化工行业2. 机械行业3. 建筑行业4. 其他相关行业三、检验项目1. 外观检验:检查生料带的外观是否符合要求,表面是否光滑、平整、无气泡、无杂质。
2. 尺寸检验:测量生料带的尺寸是否符合图纸要求,包括厚度、宽度和长度等。
3. 材质检验:检查生料带的材质是否符合要求,采用化验、光谱分析等方法进行检测。
4. 耐温性检验:测试生料带在不同温度下的性能表现,以确定其适用范围。
5. 耐压性检验:测试生料带的耐压性能,以确定其在高压环境下的使用效果。
6. 耐腐蚀性检验:测试生料带在不同腐蚀介质中的耐腐蚀性能。
7. 强度检验:测试生料带的抗拉强度、撕裂强度等力学性能指标。
8. 阻燃性检验:测试生料带的阻燃性能,以确定其在火灾环境下的安全性能。
9. 环保性检验:测试生料带是否符合环保要求,如低烟无卤等特性。
四、检验方法1. 外观检验:采用目视法观察生料带的表面状况,检查是否有气泡、杂质等问题。
2. 尺寸检验:使用卡尺、千分尺等测量工具测量生料带的尺寸,并与图纸要求进行比较。
3. 材质检验:采用化验、光谱分析等方法对生料带的材质进行检测。
4. 耐温性检验:将生料带放置在不同温度下进行测试,观察其变化情况。
5. 耐压性检验:在压力机上对生料带进行加压,观察其变形情况以及是否破裂。
6. 耐腐蚀性检验:将生料带放置在不同腐蚀介质中,观察其被腐蚀情况。
7. 强度检验:采用拉伸试验机等设备测试生料带的抗拉强度、撕裂强度等力学性能指标。
8. 阻燃性检验:在阻燃试验机上对生料带进行阻燃测试,观察其燃烧情况。
9. 环保性检验:根据相关标准进行测试,如低烟无卤特性可以采用烟密度试验机进行测试。
五、检验规则1. 生料带入库前必须进行全面检验,确保产品质量符合要求。
氟胶材质检测报告单氟胶是一种高性能的橡胶材料,具有优异的耐化学品、耐热、耐油、耐候性能,广泛应用于汽车、航空、电子、石油等领域。
为了确保氟胶材质的质量和性能符合要求,对其进行检测是必不可少的。
本报告对氟胶材质进行了全面的测试和分析,包括外观、物理性能、化学性能等方面的检测。
1.外观检测:外观检测是对氟胶的外观质量进行评估,包括颜色、光泽、表面平整度等方面。
经过检测,样品表面颜色均匀,没有明显污渍或色差,光泽良好,表面平整度符合标准要求。
2.物理性能检测:物理性能检测是对氟胶材质的物理特性进行测试,包括硬度、拉伸强度、断裂延伸率等指标。
经检测,样品硬度为60-80 Shore A,拉伸强度为12 MPa,断裂延伸率为250%。
这些指标表明氟胶具有较高的强度和延展性,能够满足各种工业环境的要求。
3.化学性能检测:化学性能检测是对氟胶材质的化学稳定性进行评估,包括耐化学品、耐油、耐热性能等指标。
经检测,样品在酸、碱、有机溶剂等化学物质的浸泡下无明显变化,能够在恶劣环境下长期稳定使用。
同时,样品在高温下保持出色的耐热性能,能够承受高达200℃的温度。
4.密度检测:密度是衡量材料质量的重要指标之一,也是氟胶材质检测的重要内容。
经过检测,样品的密度为1.8 g/cm³,符合标准要求。
该指标表明氟胶具有较高的质量,并且能够提供良好的物理性能。
综上所述,经过全面的测试和分析,样品的外观、物理性能、化学性能以及密度等指标均符合标准要求,证明该批氟胶材质质量良好,适合于在不同行业的应用。
建议在实际应用中,根据具体需求选择合适的加工工艺和使用环境,以获得最佳的效果和性能。
氟胶材质检测报告单氟胶材质检测报告项目名称:氟胶材质检测检测日期:20XX年XX月XX日检测单位:XXXX检测有限公司一、背景介绍氟胶材质作为一种高性能材料,具有耐高温、化学稳定性好、电绝缘性好等特点,在许多领域得到了广泛应用。
为确保氟胶材质的质量和性能,本次检测对所采购的氟胶材质进行了全面的检测和分析,以确定其质量和可靠性。
二、检测项目及方法1. 外观检测:对氟胶材质的表面进行目测,检查是否存在破损、气泡、杂质等不良现象。
2. 密度检测:采用浮法、振动法或压汞法测定氟胶材质的密度。
3. 硬度检测:使用硬度计对氟胶材质进行硬度测试,了解其硬度指标。
4. 抗张强度测试:使用拉力试验机对氟胶材质进行抗张强度测试,测定其在拉伸状态下的强度。
5. 耐温性能测试:将氟胶材质置于高温环境下,并在一定时间内进行观察和测试,以评估其耐温性能。
6. 耐化学性能测试:将氟胶材质暴露在各种化学物质中,通过观察和测试其变化情况,评估材质的耐化学性能。
7. 电绝缘性能测试:使用电绝缘测试仪对氟胶材质的电绝缘性能进行测试。
三、检测结果及分析1. 外观检测:经检测,所采购的氟胶材质外观完好,表面无破损、气泡、杂质等不良现象,符合要求。
2. 密度检测:测得氟胶材质的平均密度为X g/cm³,符合相关标准要求。
3. 硬度检测:经硬度测试,氟胶材质的硬度为X Shore A,处于合理范围内。
4. 抗张强度测试:经拉力试验,氟胶材质的抗张强度为X MPa,强度指标较优秀。
5. 耐温性能测试:将氟胶材质置于高温环境下,经过X小时的测试,观察到其表面无任何破损、变形等现象,说明其具有良好的耐温性能。
6. 耐化学性能测试:将氟胶材质暴露在各种化学物质中,经观察和测试,未发现其在化学物质中发生腐蚀、溶解等不良现象,表明其具有较好的耐化学性能。
7. 电绝缘性能测试:经电绝缘性能测试,氟胶材质的体积电阻率为X Ω·m,电绝缘性能良好。
四氟密封成分分析报告
四氟密封件是一种耐腐蚀、耐高温、密封性好的材料,广泛应用于化工、石油、医药、电子、航空航天等领域的密封件制造。
为了确保四氟密封件质量稳定,需要进行成分分析。
本报告通过对四氟密封成分的分析,对其质量进行评估。
首先,我们对四氟密封件的纯度进行了分析。
纯度是衡量四氟密封件质量的重要指标之一。
经过分析,四氟密封件的纯度达到了99.9%,符合相关标准要求。
高纯度的四氟密封件具有较
低的杂质含量,能够保证其在高温、高压条件下的稳定性。
其次,我们对四氟密封件的含碳量进行了检测。
碳是四氟密封件的主要成分之一,合理的含碳量可以提高密封件的强度和耐用性。
经过测试,四氟密封件的含碳量在标准范围内,无明显超标现象。
然后,我们对四氟密封件的含水量进行了测定。
水分是四氟密封件中的主要杂质之一,过高的含水量会导致密封件在高温环境下出现气泡和开裂等问题。
经过分析,四氟密封件的含水量较低,能够满足使用要求。
最后,我们对四氟密封件的杂质成分进行了分析。
杂质的存在会影响密封件的质量和性能。
经过检测,四氟密封件中的杂质含量较低,几乎可以忽略不计,符合相关标准要求。
综上所述,通过对四氟密封件的成分分析,我们发现其纯度高、含碳量适宜、含水量低、杂质含量较低,符合相关标准要求。
可以认为该四氟密封件的质量良好,能够满足使用要求。
衡量四氟密封件质量的其他指标,如物理性能、耐腐蚀性等也需要进一步测试和评估,但成分分析是评估四氟密封件质量的重要环节之一。
希望本报告对您有所帮助。
氟胶材质检测报告单摘要:一、氟胶材质概述二、氟胶材质检测方法1.物理性能检测2.化学性能检测3.力学性能检测4.热性能检测三、氟胶材质检测结果与分析1.检测结果概述2.结果分析3.性能对比四、氟胶材质应用领域与建议1.应用领域2.应用建议五、总结正文:一、氟胶材质概述氟胶,又称氟橡胶,是一种高性能的特种橡胶。
它具有优异的耐高低温、耐腐蚀、耐油、耐溶剂等性能,因此在航空航天、汽车、电子、化工等领域有着广泛的应用。
二、氟胶材质检测方法为了确保氟胶材质的质量,对其进行全面的检测是十分必要的。
氟胶材质的检测主要包括物理性能、化学性能、力学性能和热性能等方面的检测。
1.物理性能检测:主要包括硬度、密度、耐磨性、耐老化性等。
这些性能可以通过实验设备如硬度计、比重计等轻松获得。
2.化学性能检测:氟胶材质的化学性能主要包括耐腐蚀性、耐溶剂性等。
检测方法通常是将氟胶样本置于不同的化学环境中,观察其变化。
3.力学性能检测:主要包括拉伸强度、撕裂强度、压缩永久变形等。
这些性能可以通过拉伸试验、撕裂试验、压缩试验等获得。
4.热性能检测:主要包括耐高温性、耐低温性等。
检测方法包括热变形试验、脆化温度试验等。
三、氟胶材质检测结果与分析1.检测结果概述:根据检测数据,我们可以得知氟胶材质在各项性能指标上都表现优异。
2.结果分析:通过对检测数据的分析,我们可以发现氟胶材质在某些性能方面优于其他同类产品。
3.性能对比:通过与同类产品的性能对比,我们可以为用户选择更适合的氟胶材质提供参考。
四、氟胶材质应用领域与建议1.应用领域:氟胶材质广泛应用于航空航天、汽车、电子、化工等领域。
2.应用建议:根据氟胶材质的性能特点,建议在高温、腐蚀、油污等恶劣环境中优先考虑使用氟胶材质。
五、总结氟胶材质检测报告单为我们提供了关于氟胶材质性能的详细信息。
通过全面检测,我们发现氟胶材质具有优异的性能,适用于各种恶劣环境。
ptfe检验标准PTFE(聚四氟乙烯)是一种高性能的氟塑料,具有优异的化学稳定性、热稳定性、电气绝缘性及低摩擦系数等特点。
在工业、建筑、医疗等多个领域有着广泛的应用。
为确保PTFE产品的质量和安全性,制定并执行相应的检验标准显得尤为重要。
一、了解PTFE的特点和应用领域PTFE具有以下显著特点:1.化学稳定性:PTFE具有极高的化学惰性,能抵抗大多数化学品和溶剂的侵蚀。
2.热稳定性:PTFE具有优良的热稳定性,可在高温环境下长期使用。
3.电气绝缘性:PTFE具有极佳的电气绝缘性能,可用于制作高压绝缘子、电缆附件等。
4.低摩擦系数:PTFE的摩擦系数极低,可用于制作轴承、密封件等。
二、掌握PTFE检验标准的重要性PTFE检验标准主要包括以下几个方面:1.外观质量:检验PTFE产品表面是否有裂纹、气泡、杂质等缺陷。
2.物理性能:检验PTFE产品的密度、硬度、拉伸强度等物理性能。
3.化学性能:检验PTFE产品在特定环境下的耐腐蚀性能。
4.电气性能:检验PTFE产品的电气绝缘性能。
5.尺寸精度:检验PTFE产品的尺寸是否符合设计要求。
三、分析PTFE检验标准的具体内容1.外观质量检验:采用光学显微镜、放大镜等设备,对PTFE产品表面进行仔细观察,确保无明显缺陷。
2.物理性能检验:通过测量PTFE产品的密度、硬度、拉伸强度等指标,判断其物理性能是否达到标准。
3.化学性能检验:将PTFE产品置于不同的腐蚀环境中,检验其耐腐蚀性能。
4.电气性能检验:通过实验设备测量PTFE产品的电气绝缘性能,确保其符合标准。
5.尺寸精度检验:使用测量仪器,如卡尺、微米计等,对PTFE产品的尺寸进行精确测量。
四、探讨如何确保PTFE产品质量和安全性1.严格选材:选用高品质的PTFE原料,确保产品具有良好的基础性能。
2.精湛工艺:采用先进的生产工艺,确保产品尺寸精度、表面质量等方面的要求。
3.严格质量控制:在生产过程中加强质量控制,及时发现并解决可能存在的问题。
聚四氟乙烯生料带检测报告:生料乙烯检测报告聚四氟聚四氟乙烯生料带使用聚四氟乙烯的性质200度以上高温生料带篇一:聚四氟乙烯生料带聚四氟乙烯生料带聚四氟乙烯生料带,又称聚四氟乙烯密封带。
之所以叫生料带,是因为跟加工工艺有关,聚四氟乙烯分散树脂在配料,压延、加热拉伸过程中,不超370度,未经烧结的带子,叫生料带。
广泛用于消防、造船、天然气、自来水、仪表、空调、气管、油管、液压管等工业民用管路螺纹密封与锁固。
概述聚四氟乙烯生料带(PTFE生料带)是在压缩力作用下,树脂产生的剩余变形,利用推压成型方法先制成棒材或带材,再将其放在辊压机上滚压,在辊筒压力作用下,便展延成为有一定厚度和宽度的薄带,最后除去助挤剂而得到生料带。
聚四氟乙烯生料带(PTFE 生料带)是一种耐腐蚀、耐高温的优良密封材料,可用于水管、腐蚀性流体输送管材、蒸气管路接头的密封材料。
生产工艺及特性由聚四氟乙烯分散树脂经糊状挤出、压延而成的不含任何添加剂的带状制品。
呈白色、表面光滑,质地均匀,具有优异的耐热性、耐腐蚀性,并且自粘性、贴合性好,有很好的密封性。
可广泛用于纯氧、煤气、强氧化剂、强腐蚀性介质和高温蒸汽等管道螺纹丝口密封以及泵、阀、设备形状复杂的填充密封。
聚四氟乙烯生料带具有很多优良的性能。
诸如很低的摩擦系数、不粘的表面性、宽广的使用温度范围-180℃-260℃、优良的耐老化及耐化学腐蚀性能等等。
膨体聚四氟乙烯生料带采用100%聚四氟乙烯作原料,它具有微细长纤维和节组成的网状膨体结构。
膨体聚四氟乙烯生料带并具有韧性好、纵向强度高、横向易于变形的特点。
它是盘更及螺纹上密封的理想材料。
但它不能在与高浓度氧气或液氧相接触的场合使用。
膨体聚四氟乙烯生料带主要用作盘更及螺纹口密封。
化学性质绝缘性:不受环境及频率的影响,体积电阻可达1018欧姆?厘米,介质损耗小,击穿电压高。
耐高低温性:对温度的影响变化不大,温域范围广,可使用温度-190~260℃。
聚四氟乙烯(PTFE)合格证是指聚四氟乙烯产品在经过质量检验后,符合相关标准和要求,由相关部门或者认证机构颁发的证明文件。
聚四氟乙烯是一种高分子材料,具有优良的化学稳定性、耐高温、耐腐蚀、绝缘性能等特性,广泛应用于电子、电气、化工、航空等领域。
聚四氟乙烯合格证通常包含以下信息:
1. 产品名称:合格证上会明确标注聚四氟乙烯产品的名称。
2. 生产批号:每批产品都有一个唯一的生产批号,以确保产品的可追溯性。
3. 检验结果:包括产品的各项检验指标和结果,证明产品质量符合规定标准。
4. 有效期:产品的有效期,即产品在未开封且储存条件正确的情况下保持最佳质量的时间。
5. 颁发机构:通常是国家的质量监督管理部门或者其授权的检验机构。
6. 合格标志:合格的标志,通常是字母“Q”加上一个勾,表示产品质量合格。
聚四氟乙烯合格证是聚四氟乙烯产品上市销售的重要前提,也是消费者在选择购买产品时的重要参考。
消费者在购买聚四氟乙烯产品时,可以查看产品的合格证书,以确认产品是否通过了质量检验。
聚四氟乙烯合格证书并不意味着产品在上市后就不会出现质量问题。
如果产品在使用过程中出现质量问题,消费者可以向质量监督管理部门投诉,并采取相应的法律手段保护自己的权益。
聚四氟乙烯生料带检测报告
:生料乙烯检测报告聚四氟聚四氟乙烯生料带使用聚四氟乙烯的性质200度以上高温生料带
篇一:聚四氟乙烯生料带
聚四氟乙烯生料带
聚四氟乙烯生料带,又称聚四氟乙烯密封带。
之所以叫生料带,是因为跟加工工艺有关,聚四氟乙烯分散树脂在配料,压延、加热拉伸过程中,不超370度,未经烧结的带子,叫生料带。
广泛用于消防、造船、天然气、自来水、仪表、空调、气管、油管、液压管等工业民用管路螺纹密封与锁固。
概述
聚四氟乙烯生料带(PTFE生料带)是在压缩力作用下,树脂产生的剩余变形,利用推压成型方法先制成棒材或带材,再将其放在辊压机上滚压,在辊筒压力作用下,便展延成为有一定厚度和宽度的薄带,最后除去助挤剂而得到生料带。
聚四氟乙烯生料带(PTFE 生料带)是一种耐腐蚀、耐高温的优良密封材料,可用于水管、腐蚀性流体输送管材、蒸气管路接头的密封材料。
生产工艺及特性
由聚四氟乙烯分散树脂经糊状挤出、压延而成的不含任何添加剂的带状制品。
呈白色、表面光滑,质地均匀,具有优异的耐热性、耐腐蚀性,并且自粘性、贴合性好,有很好的密封性。
可广泛用于纯氧、煤气、强氧化剂、强腐蚀性介质和高温蒸汽等管道螺纹
丝口密封以及泵、阀、设备形状复杂的填充密封。
聚四氟乙烯生料带具有很多优良的性能。
诸如很低的摩擦系数、不粘的表面性、宽广的使用温度范围-180℃-260℃、优良的耐老化及耐化学腐蚀性能等等。
膨体聚四氟乙烯生料带采用100%聚四氟乙烯作原料,它具有微细长纤维和节组成的网状膨体结构。
膨体聚四氟乙烯生料带并具有韧性好、纵向强度高、横向易于变形的特点。
它是盘更及螺纹上密封的理想材料。
但它不能在与高浓度氧气或液氧相接触的场合使用。
膨体聚四氟乙烯生料带主要用作盘更及螺纹口密封。
化学性质
绝缘性:不受环境及频率的影响,体积电阻可达1018欧姆?厘米,介质损耗小,击穿电压高。
耐高低温性:对温度的影响变化不大,温域范围广,可使用温度-190~260℃。
自润滑性:具有塑料中最小的摩擦系数,是理想的无油润滑材料。
表面不粘性:已知的固体材料都不能粘附在表面上,是一种表面能最小的固体材料。
耐大气老化性,耐辐照性能和较低的渗透性:长期暴露于大气中,表面及性能保持不变。
不燃性:限氧指数在90以下。
使用方法
用于管件螺丝接口密封,将生料带平整紧密的缠在外丝接头上,方向保证一定和紧固接头的方向一致,缠的圈数厚度根据接头调整。
篇二:生料带中聚四氟乙烯的介绍
生料带中聚四氟乙烯的介绍
聚四氟乙烯生料带的聚合工艺,悬浮FTFE树脂的生产主要由聚合、树脂洗涤与捣碎、干嫌等工序组成。
高纯气相TFE经管道输送、在冷凝器内冷凝成液体后保存在聚合装置的单体贮槽中。
生料带为了减少TFE的自聚,可在单体贮槽内添加少量阻聚剂,如二戊烯、粘烯及胺类等。
聚合反应前TFE单体贮槽保持一35一50℃的低溢,并尽最缩短TFE在贮槽内的保存时间。
TFE悬浮聚合反应在釜式反应器中进行。
生料带中的聚四氟乙烯的分子结构与聚乙烯的区
生料带中的聚四氟乙烯(PTFE)的分子结构与聚乙烯(PE)相似,PE中的所有H原子被F原子所取代后成为PTFE,由CF键的键能比C一H键高,氟原子的电子云对CC键的屏蔽作用大于氢原子;同时,
生料带中的聚四氟乙烯(PTFE)的分子结构与聚乙烯(PE)相似,PE中的所有H原子被F原子所取代后成为PTFE,由C—F键的键能比C一H键高,氟原子的电子云对C—C键的屏蔽作用大于氢原子;同时,氟原子核对其核外电子及成键电子云的束缚作用较强,氟原子极化率低,分布对称,使分子极性变小,因此PTFK和PE相比,在件能上有明显的提高,是表面能最低、耐化学腐蚀性最优的聚合物品种.熔融温度和相对密度比PE大1倍,耐候性好,高度绝缘,介电常数和损耗因子较小。
篇三:聚四氟乙烯怎样做成生料带
聚四氟乙烯怎样做成生料带
聚四氟乙烯,又名铁氟龙,PTFE,它是一种工程塑料.具有耐腐蚀,耐磨,耐高低温,绝缘性好。
不燃烧和良好的润滑性。
生料带在氟塑料中,聚四氟乙烯消耗最大,用途最广,它是氟塑料中的
一个重要品种。
用它做原料制成的产品现以被广泛应用在航空航天、石油化工、机械、电子、建筑、轻纺等工业部门。
聚四氟乙烯的特性是其它塑料所无法比拟的,有塑料王之美称。
生料带密封是指将待密闭体内的物质与外界隔绝,防止空气混人造成氧化,防止水分渗人致使改变原料,防止灰尘附着降低精度增大磨损,等等。
通常进行密封所使用的方法有,机械密合封闭、涂蜡、抹油、管道的生料带等,不同密封方法适用于不同场合。
对一般器皿,可采用橡皮塞、软木塞密封。
为密封严实,还可加垫阐,或再用油封、胶封、水封等。
对缺口、狭缝的密封,可采用胶封或涂抹腻子、油灰、沥靑等密封材料,对于管道密封采用生料带或者液态生料带能够起到良好的密封效果。
对有相对运动零部件的密封,则多采用封闭罩或油封。
聚四氟乙烯板棒管及密封件等,生料带也是应用了聚四氟乙烯的特性,用于各种高低温及腐蚀性介质或起到耐磨损的作用。
管道及其他产品内外均可衬聚四氟乙烯,可应用在除元素氟与三氟化氯外的各种强酸,强碱,强氧化剂等有强腐蚀性的化学介质中。
它可在180℃以下,乃至骤冷骤热的强腐蚀性化学介质中长
期稳定使用,使用寿命极长。
总的来说,聚四氟乙烯的用处广泛,生料带前途无量!有需要改变自己产品的某些性能(如耐腐蚀.耐磨.绝缘等)可以适当改用聚四氟乙烯,也许您就会有很多惊奇的发现呢!。