变压器运行特性分析
- 格式:doc
- 大小:373.00 KB
- 文档页数:19
课程设计名称:电机与拖动课程设计题目:变压器运行特性分析计算专业:班级:姓名:学号:课程设计成绩评定表变压器在我们的生活中无处不在,为了适应不同的使用目的和工作条件,现实生活中有很多种类型的变压器,常用的变压器有:电力变压器、特殊用途的电源变压器、测量用变压器、控制变压器,且这些类型的变压器在结构和性能上的差别也很大。
虽然这些变压器有所不同,但是它们的基本原理是相同的。
本设计通过对变压器的变换关系即电压变换、电流变换、阻抗变换,分析研究出变压器运行时的基本方程式,并通过相应的折算得出变压器的等值电路,从而完成对变压器空载,变压器负载运行,变压器空载合闸,变压器副边突然短路时的分析与计算。
为了简化计算、减少计算量,本设计在相应的计算上使用MATLAB软件进行辅助。
通过本设计的研究计算能对变压器的分析和计算方法有初步的了解,对变压器出现空载、负载运行、空载合闸、副边突然短路时的电压、电流变化有准确的认识。
关键词:变压器;基本方程式;折算;等值电路;MATLAB计算1 变压器结构及其组成部分 (1)1.1变压器的基本结构 (1)1.1.1铁芯 (1)1.1.2绕组 (1)1.1.3油箱和冷却装置 (2)1.1.4绝缘套管 (2)1.1.5其他构件 (2)1.2变压器的额定值 (2)2变压器的变换关系 (4)2.1电压变换 (4)2.2电流变换 (4)2.3阻抗变换 (5)3变压器等值电路及其折算关系 (6)4变压器空载时的分析与计算 (8)5变压器负载运行时的分析与计算 (9)6变压器副边突然短路时分析计算 (10)7结论 (11)8心得体会 (12)参考文献 (13)1 变压器结构及其组成部分1.1 变压器的基本结构电力变压器主要由铁芯、绕组、变压器油、油箱、绝缘套管组成组成。
铁芯和绕组是变压器的主要部分,二者装配到一起称为变压器的器身。
图1-1为油浸式变压部结构示意图。
图1-1 油浸式变压部结构示意图1.1.1 铁芯铁芯是变压器的主磁路,又是变压器器身的骨架。
实验二单相变压器运行特性的研究一、任务目标1、测定单相变压器的空载特性、短路特性。
2、测定单相变压器变比和参数。
2、测定单相变压器的运行特性。
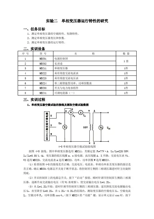
三、实训过程1、单相变压器空载试验的接线及测取空载试验数据4-5单相变压器空载试验接线图按图4-5接线。
图中单相变压器选用MEC11,其额定值P N=77V·A,U1N/U2N=220/55V,I1N/I2N=0.35/1.4A,变压器的低压线圈a、x接电源,高压线圈A、X开路;交流电压表V1、V2选用MEC23;交流电流表A选用MEC22;功率、功率因数W选用MEC24。
(1)检查按图4-5的接线是否正确,交流电压、电流表、单相功率表及变压器的接法是否正确。
确认MEC01电源总开关处于断开状态,将控制屏左侧的三相调压器逆时针方向旋转到底。
(2)开启控制屏上的电源总开关,按下“启动”按钮,顺时针调节控制屏左侧的三相调压器,逐渐升高交流输出电压(用V1表观察),使交流输出电压U O=1.2U N。
(3)从U O=1.2U N开始,逆时针调节控制屏左侧的三相调压器,逐次降低交流电源输出电压U O,直至降至U O=0.2U N,在1.2U N~0.2U N的范围内,测取变压器的空载电压U0、空载电流I0、空载功率P0、功率因数cosφ0(按下MEC24的“功能”键,显示单元显示cos时,按下“确认”键即可读取电动机M的当前功率因数,返回功率测试状态时只需按下“复位”键即可)及高压绕组AX端电压U AX,共测取数据7-9组。
记录于表4-3中,其中U O=U N点必须测,并在该点附近多测几点。
(4)试验结束后,将控制屏左侧的三相调压器逆时针方向旋转到底,按下“停止”按钮。
2、单相变压器短路试验的接线及测取短路试验数据图4-6 单相变压器短路试验接线图按图4-6接线。
图中单相变压器选用MEC11,变压器的高压线圈A、X接电源,低压线圈a、x短路;交流电压表V1选用MEC23;交流电流表A选用MEC22;功率、功率因数W选用MEC24。
基于matlab的变压器运行特性仿真分析摘要变压器是电力系统中不可缺少的重要电气元件,变压器的运行特性也影响着电力系统的性能和正常运行,因此,要对变压器的运行特性进行分析,尤其是变压器的暂态运行特性,因为在暂态的过度过程中可能会出现较大的过电压或过电流,可能会损坏变压器。
随着科学技术的发展,仿真技术也得到了很大程度的发展,不再仅仅局限于传统的物理仿真,而是更加方便简洁也更加精确的计算机仿真。
本文先是对变压器的稳态和暂态运行特性进行分析,然后运用matlab软件,通过编写matlab程序实现对变压器暂态运行特性的仿真分析,主要包括变压器空载合闸到电源和变压器突发短路这两种情况,对于变压器空载合闸到电源这种情况又通过区分铁心是否饱和,分别用解析法和四阶龙格库塔算法进行仿真,保证了结果的准确可靠。
而对于磁化曲线,则采用插值法实现对不饱和区磁化曲线的拟合,饱和区的磁化曲线采用直线代替。
并对仿真得到的结果结合理论知识进行了简单的分析,找到了在变压器的过渡过程中对变压器最不利的情况,并且也和理论相对比,验证了所采用仿真方法的正确性和可行性。
关键词:变压器,暂态运行特性,空载合闸,突发短路,matlab 仿真BASED ON THE MATLAB SIMULATION ANALYSIS OF TRANSFORMER RUNNINGCHARACTERISTICSABSTRACTTransformer is an important and indispensable electrical components in the power system, the operation of the transformer also affects the normal operation of power system, therefore, we should analyze the running characteristics of the transformer, especially the transient state characteristic of the transformer, because that during the transient process may appear larger o ver-voltage or over-current, which might cause something wrong to the transformer.With the development of science and technology, the simulation technology has been developed greatly, and it has been no longer limited to the traditional physical simulation, but a more convenient and concise computer simulation which is more accurate.This article first to the transformer of a theoretical analysis of steady state and transient operation c haracteristics, and then use matlab software, by writing the matlab program to realize the simulation analysis, the characteristics of the transformer transient operation including transformer no-load closing to the power supply and the sudden short circuit of the transformer in both cases, the transformer no-load closing to this kind of situation and power sup ply by distinguish whether iron core saturation, respectively, using analytic method and the fourth order runge kutta algorithm simulation, ensure the accurate and reliable results. For the magnetization curve, the interpolation method was adopted to reali ze the unsaturated zone of magnetization curve fitting, the saturated area USES the straight line instead of the magnetization curve. And the simulation results are combined with theoretical knowledge has carried on the simple analysis,found in the process of the transition of the transformer of transformer is the most unfavorable situation, and also compared, and the theory simulation method used to verify the correctness and feasibility.KEY WORDS: transformer, the transient state characteristic, no-load closing, sudden short circuit, the matlab simulation目录第1章绪论 (1)§1.1 本课题研究的目的和意义 (1)§1.2 国内外研究现状 (1)§1.3 本文研究的主要内容 (2)第2章Matlab软件 (3)§2.1 Matlab简介 (3)§2.2 Matlab的特点 (4)§2.3 微分方程求解的仿真算法 (5)§2.3.1 Euler法 (5)§2.3.2 Runge kutta法 (5)第3章变压器稳态、暂态运行特性分析 (7)§3.1 变压器概述 (7)§3.2 变压器各电磁量正方向的规定 (7)§3.3 变压器空载运行 (8)§3.3.1 主磁通、漏磁通 (9)§3.3.2主磁通和漏磁通的感应电动势 (9)§3.3.3 空载运行时的电压方程和等效电路 (10)§3.3.4 铁心饱和和磁滞现象对励磁电流的影响 (11)§3.4变压器负载运行 (15)§3.4.1 负载时的磁动势 (15)§3.4.2 折合算法 (16)§3.4.3 负载运行时的电压方程和等效电路 (17)§3.5 变压器参数的确定 (18)§3.5.1 变压器的空载试验 (18)§3.5.2 变压器的短路试验 (19)§3.6 变压器的运行性能 (20)§3.6.1 变压器的外特性 (20)§3.6.2 变压器的效率特性 (22)§3.7 三相变压器 (23)§3.7.1 三相变压器的磁路系统 (23)§3.7.2 三相变压器空载运行时的电动势波形 (23)§3.8 变压器过渡过程中的过电流现象 (25)§3.8.1 变压器空载合闸到电源 (26)§3.8.2 突发短路 (28)第4章基于Matlab的变压器动态特性仿真 (30)§4.1 变压器空载合闸到电源时过电流的仿真和分析 (30)§4.1.1 不考虑铁心饱和时变压器空载合闸到电源的过电流仿真 (30)§4.1.2 考虑铁心饱和时变压器空载合闸到电源的过电流仿真 (36)§4.1.3 空载合闸到电源时产生的过电流对变压器的影响 (42)§4.2 突发短路时过电流的仿真和分析 (42)§4.2.1 突发短路时过电流的仿真 (42)§4.2.2 突发短路时产生的过电流对变压器的影响 (45)§4.3 变压器动态特性仿真分析 (45)总结 (47)参考文献 (50)附录 (52)第1章绪论§1.1 本课题研究的目的和意义在电力系统中,变压器从发电厂到输配电网中都充当着重要的角色,是电力系统中不可缺少的重要电气元件。
变压器的空载运行特性介绍一、电磁物理现象1、磁通:(1) 主磁通(Φ)----由一次绕组电流产生,同时交链一、二次绕组的磁通。
沿铁芯路径闭合,磁阻小、会饱和,由电磁转换传递功率。
(2) 一次漏磁通(Φ1σ)----由一次绕组电流产生,只交链一次绕组的磁通。
沿空气回路闭合,磁阻大、不会饱和,不传递功率。
2、其他:(1) 空载运行----运行时一次绕组加电压,二次绕组开路,输出电流为零。
(2) 空载电流(i0)----空载运行时,一次绕组所加电流(i1=i0)。
(3) 励磁电流(im)----空载时,不输出电流,则输入电流全部用于建立磁场,故im= i0 。
(4) 电磁关系:二、正方向的规定1、目的:对交变的量,规定了正方向,才能列写电压方程。
2、应用:当求解出的电压、电流、磁势、磁通等为正值,代表实际方向同规定的正方向,为负,代表实际方向与规定的正方向相反。
3、选择:电流g磁通,右手螺旋;磁通g电势,也是右手螺旋。
三、感应电动势、电压变比1、电压平衡式:2、电势:3、变比:四、励磁电流引言:忽略电阻压降、漏电势有:,当外施电压大小、波形(正弦)一定,则磁通的大小和波形也一定,磁通Φ为“正弦基波”,产生磁通的励磁电流im(i0)如何?1、磁路饱和对励磁电流的影响(1) 当磁路未饱和时(Bm<0.8T),i0与Φ的关系曲线为线性,产生正弦波磁通,则励磁电流也按正弦变化。
(2) 当磁路饱和时(Bm>0.8T),i0与Φ的关系曲线为非线性,产生正弦波磁通,则励磁电流为对称的尖顶波变化,为便于矢量表达,取有效值相同的正弦波代之。
定义尖顶波电流(),为“磁化电流”,相位与磁通一致(同相位)。
2、磁滞现象对励磁电流的影响(1) 电流产生磁通,上升磁化曲线与下降不重合。
(2) 要产生正弦波磁通,励磁电流i0为不对称的尖顶波,可分解为一个对称尖顶波的磁化电流iμ和磁滞损耗电流ih 。
(3) 相位:,3、涡流现象对励磁电流的影响(1) 原因:交变磁通g在铁芯中感应电势g产生涡流(电流)g涡流损耗(有功损耗)。
变压器参数测定及运行特性变压器是电力系统中最常见的设备之一、它们用于变换电压和电流,以便在输电和配电系统中传递电能。
为了保证变压器的正确运行和高效性能,需要对其参数进行测定,并了解其运行特性。
变压器的参数包括额定功率、额定电压、短路阻抗和效率等。
额定功率是变压器能够稳定输出的电功率,一般以千瓦为单位;额定电压是指变压器的额定输入电压和输出电压,通常以伏特为单位。
短路阻抗是指变压器在短路状态下产生的电阻,它决定了变压器的能耗和发热量。
效率是指变压器输入和输出功率的比值,用来衡量变压器的能量转换效率。
变压器参数的测定可以通过实际测试和计算两种方法进行。
实际测试包括测量并记录变压器的额定功率、额定电压和短路阻抗等数值,并根据相关标准进行计算和分析。
计算方法可以使用变压器的等效电路图,根据其参数进行计算,包括基本电路参数、变压器的等效电阻和自感等。
变压器的运行特性是指变压器在不同工作状态下的性能表现。
主要包括负载特性、温升特性和电压调整特性等。
负载特性是指变压器在不同负载下输出电压的变化情况,通常以电压-电流曲线表示。
温升特性是指变压器在长时间运行过程中的温升情况,可以通过测量变压器的温度来评估。
电压调整特性是指变压器在负载变化时输出电压的稳定性,它通常用电压调整率表示,即单位电压变化时的输出电压变化。
为了保证变压器的正常运行和长寿命,需要对其运行特性进行监测和调整。
当变压器的负载发生变化时,应调整调压器或负载以确保输出电压的稳定性。
如果变压器的温升超过设计标准,需要采取措施降低负载或增加散热装置来散热。
此外,定期检查变压器的绝缘性能和湿度等环境因素也很重要。
总之,变压器的参数测定和运行特性的了解对于电力系统的正常运行至关重要。
只有通过科学的测量和监测,才能保证变压器的安全性、稳定性和高效性能。
第七章 变压器第五节 变压器运行特性外特性和电压变化率 (1)外特性变压器带上负载后,由于变压器存在漏阻抗,负载电流通过漏阻抗会造成漏阻抗压降,使副边电压2U 随负载的变化而变化,这种变化规律,可用外特性来描述。
外特性是指原边加额定电压,负载功率因数2cos ϕ一定时,副边电压2U 随负载电流变化的关系,即)(22I f U =,如图所示。
变压器在纯电阻和感性负载时,副边电压2U 随负载增加而降低,容性负载时,副边电压2U 随负载增加而可能升高。
(2)电压变化率电压变化率来表示副边电压的变化程度,它反映了变压器供电电压的稳定性,是变压器运行性能的重要数据之一。
电压变化率是指当原边接额定电压,副边空载电压与给定负载下副边实际电压的算术差除以副边额定电压。
即%1002220⨯-=∆NU U U U用变压器的简化相量图可推导出电压变化率的参数表达式)sin cos (2*2*ϕϕβk k x r U +=∆式中 *222I I I N==β称为负载系数,直接反映负载的大小,如0=β,表示空载;1=β,U 2滞后)1= U 图 变压器的外特性表示满载,2cos ϕ为负载功率因数。
电压变化率的大小与负载的大小成正比。
在一定的负载系数下,短路阻抗的标么值越大,电压变化率也越大。
当负载为感性时,2ϕ为正值,U ∆为正值,说明副边电压比空载电压低;当负载为容性时,2ϕ为负值,2sin ϕ为负值,U ∆有可能为负值。
当U ∆为负值时,说明副边电压比空载电压高。
常用的电力变压器,当1=β,8.0cos 2=ϕ(滞后)时,U ∆为5%~8%。
为了保证变压器的副边波动在%5±范围内,以免给用户造成不良影响,通常采用改变高压绕组匝数的办法来调节副边电压,称为分接头调压。
高压绕组的抽头常有%5±和%5.22⨯±两种。
分接开关分成两类,一种是要在断电状态才能操作的分接开关,称为无励磁分接开关;另一种是在变压器带电时也能操作的分接开关,称为有载分接开关。
变压器的经济运行分析引言变压器是电力系统不可缺少的重要组件,用于将输电线路中高电压电能转化为用于供电的低电压电能。
在电力系统中,变压器占据着重要的地位。
为了确保变压器的正常运行,减少损耗和维护成本,需要进行经济运行分析。
变压器的经济运行原理变压器的经济运行是指在稳定的负荷下运行变压器,使其达到最佳效益,同时保证其运行的安全性、可靠性和稳定性,从而实现变压器的经济和社会效益最大化。
变压器的功率损耗主要包括铁损和铜损。
铁损是由于变压器的铁芯在磁通变化过程中所吸收的能量导致的。
铜损是由于变压器线圈中通电时产生的电流而导致的。
在变压器的日常使用中,铜损主要取决于变压器的负荷率和电压等级。
而铁损则主要受变压器的磁通密度影响。
影响因素1.负荷率负荷率是变压器经济运行的重要因素。
负荷率过低会导致铜损增加,过高则可能导致铁损过大。
当负荷率不断变化时,发生在变压器内部的温度变化也会显著影响变压器的效率和正常运行。
2.电压等级电压等级是变压器额定容量和负载特性的主要影响因素之一。
当变压器的额定容量和负载特性与负载条件不匹配时,铜损和铁损将造成电能损耗增加。
3.变压器类型变压器类型也是影响变压器经济运行的一个关键因素。
根据变压器的类型不同,其铁损和铜损损耗量也会有所不同。
经济运行分析变压器的经济运行分析的主要目的是实现变压器的最佳负荷率,从而达到最佳效益。
首先,需要了解变压器的负载历史数据,这将提供一个基础信息需要.其次,需要实际运行测试,收集和分析数据变压器的运行表现,包括变压器的铜损、铁损、充电电流、相数电流、温度和压力等参数。
这些数据将为后期的分析和决策提供可靠的基础。
最后,通过对数据进行统计和分析,得出变压器的负荷率、有效工作时间以及更改运行模式的影响,从而为经济运行提供明确的建议和方案。
案例分析为了更好地说明变压器经济运行的原理和方法,我们将看看一个实际案例一家工厂近期投入使用一台容量为 1000kVA 的变压器,其额定电压等级为10kV/0.4kV,铜损 4kW,铁损 1.5kW。
课程设计名称:电机与拖动课程设计#题目:变压器运行特性分析计算专业:(班级:姓名:学号:课程设计成绩评定表变压器在我们的生活中无处不在,为了适应不同的使用目的和工作条件,现实生活中有很多种类型的变压器,常用的变压器有:电力变压器、特殊用途的电源变压器、测量用变压器、控制变压器,且这些类型的变压器在结构和性能上的差别也很大。
虽然这些变压器有所不同,但是它们的基本原理是相同的。
本设计通过对变压器的变换关系即电压变换、电流变换、阻抗变换,分析研究出变压器运行时的基本方程式,并通过相应的折算得出变压器的等值电路,从而完成对变压器空载,变压器负载运行,变压器空载合闸,变压器副边突然短路时的分析与计算。
为了简化计算、减少计算量,本设计在相应的计算上使用MATLAB软件进行辅助。
通过本设计的研究计算能对变压器的分析和计算方法有初步的了解,对变压器出现空载、负载运行、空载合闸、副边突然短路时的电压、电流变化有准确的认识。
关键词:变压器;基本方程式;折算;等值电路;MATLAB计算、1 变压器结构及其组成部分 (1)变压器的基本结构 (1)铁芯 (1)绕组 (1)油箱和冷却装置 (2)绝缘套管 (2)其他构件 (2)变压器的额定值 (2)2变压器的变换关系 (4)'电压变换 (4)电流变换 (4)阻抗变换 (5)3变压器等值电路及其折算关系 (6)4变压器空载时的分析与计算 (8)5变压器负载运行时的分析与计算 (9)6变压器副边突然短路时分析计算 (10)7结论 (11)8心得体会 (12)参考文献 (13)|1 变压器结构及其组成部分变压器的基本结构电力变压器主要由铁芯、绕组、变压器油、油箱、绝缘套管组成组成。
铁芯和绕组是变压器的主要部分,二者装配到一起称为变压器的器身。
图1-1为油浸式变压内部结构示意图。
图1-1 油浸式变压内部结构示意图铁芯铁芯是变压器的主磁路,又是变压器器身的骨架。
铁芯由铁芯柱、铁轭和夹件组成。
变压器铁芯可以分为心式铁芯和壳式铁芯两大类,为了提高磁路的导磁性能和降低铁芯的磁滞及涡流损耗,铁芯通常用厚或且表面涂有绝缘漆的硅钢片叠制而成。
为了保证良好的导磁性能,减少励磁电流,通常是把铁芯柱和铁轭的硅钢片一层层的交错重叠。
绕组绕组是变压器的电路部分,通常是用包有绝缘的铝导线或铜导线绕制而成。
根据高、低压绕组在铁芯柱上排列方式的不同,变压器绕组可以分为同芯式和交叠式两种。
通信式的高、低压绕组同心地套装在铁芯柱上。
交叠式绕组交替套在铁芯柱上。
这种绕组高、低压之间的间隙较多,绝缘比较复杂,但是漏电抗小,引线方便,机械强度好,主要用在电炉和电焊等特种变压器中。
如图1-2。
油箱和冷却装置油浸式变压器的器身放置在充满变压器油的油箱内。
变压器油是从石油中分馏出来的一种矿物油,起绝缘和冷却的作用。
油箱的结构与变压器的容量有关。
变压器的容量越大,发热问题就越严重。
绝缘套管变压器的引线从油箱内穿过油箱盖时,必须进过绝缘套管,以使带电的引线和接地的油箱绝缘。
绝缘套管由中心套杆和瓷套俩部分组成。
导杆下端经过分接开关与绕组端子连接,上端与外电路连接。
图1-2 电力变压器绝缘套管其他构件电力变压器除了上述几种基本结构外,还有储油柜、气体继电器、分接开关、测温装置、安全气道、油表等。
变压器的额定值额定电压U 1N /U 2N (kV 或V )。
指变压器长期运行时的所能承受的额定电压。
一次侧的额定电压U 1N 是指规定加到原绕组的电压;二次侧的额定电压U 2N 是指当原绕组上加额定电压时,副边绕组空载时的开路电压。
对于三相变压器指的均是线电压。
额定电流I 1N /I 2N (kA 或A )。
指变压器在额订容量下,各绕组长期运行时允许通过的电流。
额定容量S N (KVA 或VA )。
它是变压器在额定工作条件下输出能力的保证值,是变压器的视在功率。
单相变压器的额定容量为1122N N NN NS U IU I ==三相变压器的额定容量为1N 1N 2N 2N I I N S额定频率f N 。
我国规定标准的工业用电频率为50Hz 。
2变压器的变换关系变压器是利用电磁感应原理将某一电压的交流换成频率相同的另一电压的交流电的能量的变换装备。
变压器的主要部件是一个铁心和套在铁心上的两个绕组,如图2-1所示。
一个绕组接电源,称为原绕组(一次绕组、初级),另一个接负载,称为副绕组(二次绕组、次级)。
当交流变压器U 1加到一次侧绕组,同时也穿过二次侧绕组,它分别在两个绕组中产生感应电动势。
这时如果二次侧与外电路的负载接通,便有交流I 2流出,负载端电压即为U 2。
原绕组各量用下标1表示,副绕组各量用下标2表示。
原绕组匝数为N 1,副绕组匝数为N 2。
图2-1 变压器工作原理图电压变换111m E =j4.44N f φ () 221m E =j4.44N f φ ()111m 1221m2E 4.44N f N E 4.44N f N k==φφ=()在忽略1z 和2z 的情况下,11U E ≈,22U E ≈,故变压器的变比还可以近似地认为等于变压器一、二次绕组的电压比,即1122E U E U k=≈ ()只要适当选择一二次绕组的匝数比,就可以把一次绕组的电压变换到所需的二次绕组电压。
电流变换当外加电压1U 和其频率1f 一定时,主磁通基本保持不变,因此有变压器负载运行时的磁势平衡方程式:1122m 1I N I N =I N ()通过相应的化简和等效可得一、二次电流有效值之比为1221I N 1I N k ==()这就是变压器实现电流变换的原理。
阻抗变换变压器除了具有电压和电流的变换作用之外,还有阻抗的变换作用。
121212122122U U N /N N U 22I I N /N N I ===k L z () () 由此可见,负载经过变压器后,其阻抗模相对于电源而言增加了绕组你匝比的平方倍。
3 变压器等值电路及其折算关系通过计算可以得出变压器的二次侧折算到一次侧后二次侧参数会发生改变,折算后二次侧的阻抗为原来的k 方倍,二次侧的感应电动势为原来的k 倍,二次侧负载上的电压为原来的k ,二次侧电流变为原来的1/k 倍。
并且可以得到图3-1变压器的“T”形等值电路。
图3-1 变压器的“T”形等值电路在实际应用中励磁电流很小,因此在一次绕组阻抗上产生的压降很小,故可以忽略,这样便可以将“T”形等值电路中的励磁支路从中间移出来,并联在电压源的端点上形成“Γ”形等值电路。
1r 2r '1x 2x '1U 12I I '=-2U 'm r mx mI图3-2 变压器的Γ形等值电路变压器负载运行时I 1>>I m ,可以把励磁电流忽略不计,于是将励磁支路去掉就可以得到简化等值电路。
1U 12I I '=-2U 'kx kr图3-3 变压器的简化等值电路12k r r r '=+12k x x x '=+12k k k z z z r jx '=+=+其中为短路电阻;X k 为短路电抗;Z k 为短路阻抗。
由此可见使用等值电路来计算单相变压器的参数带来了很大的方便。
4 变压器空载时的分析与计算当在变压器一次侧加额定电压380V 时,二次侧开路,即Z L 为无穷大,根据变压器的“T”形等效电路,可得此时电路的方程式:·20I A =···212U =E E =-- ····m 121I =I I =I +···11m m m m =I *z =I r jx E --(+) ·····11111111U =(r jx )E I z E I -+=-++通过MATLAB 软件算出上述参数的具体值:·1=379.72j0.14395V E -- ··12U ==379.72j0.14395A E -+ ··1m I =I =0.1179j 1.2135A -通过计算可得,当二次侧开路时,二次侧电压几乎等于一次侧电压,励磁电流即为一次侧的电流,且励磁电流也很小,几乎为0。
5 变压器负载运行时的分析与计算由于U 1N /U 2N =380V/220V ,所以可以算出该电压器的变比k=。
将二次侧的数值折算到一次侧时,电压、电流、阻抗的变换关系: '2k L L z z =;'222k z z ='22U =kU ; '122k I =I其中:L z =4+3j ;2z =+给变压器两侧加上380V 电压,让变压器带负载运行时,且负载阻值Z L =4+3j 时,根据变压器的“T”形等效电路,可以得出下列方程式:···1111U =I z E -+'''···'2222U E I z =- '···12I I I m =- '··12E E = ··1E I m m z =-'''··22U I z L =其中:U 1=380V通过MATLAB 软件算出上述参数的具体值:·41E =380 4.5269*10j --- 1I =0.0070.0143j - m I =0.1175 1.2144j - '2I =0.1105 1.2002j -'2380.20.1067U j =-+通过上述具体值可以得出,该变压器在额定输入电压下带负载Z L =4+3j 时,一次侧电流较小,且负载上的实际电压方向与假定的方向相反,实际电流方向与假定的电流方向相同,励磁电流等于一次侧和二次侧的电流之和。
6 变压器副边突然短路时分析与计算在第五小节中已经算出了电压器的的变比k=,并且二次侧折算到一次侧后阻抗、电流、电压的变换关系都有了详细的介绍。
当变压器带负载运行时,变压器副变突然短路时,即Z L ’=0,根据“T”形等效电路可以得出下列方程式:···1111U =I z E -+''··'222E I z = '···12I I I m =- '··12E E = ··1E I m m z =-其中:U 1=380V通过MATLAB 软件算出上述参数的具体值: 0.3413 3.5681m I j =-+ 13076.74843.7I j =- 2130774847.2m I I I j =-=-+ 11116.3 1.2442E j =-通过上述计算可得知:变压器在正常带负载运行时,若副变突然短路,则该变压器的励磁电流会略微减小,但是会瞬间产生一个很大的一次侧电流,从而产生很大的感应电动势,二次侧也会瞬间有一个较大的与参考方向相反的电流产生。