磁芯种类和AP法选磁芯
- 格式:doc
- 大小:357.50 KB
- 文档页数:12
磁芯种类和精编法选磁芯Company Document number:WUUT-WUUY-WBBGB-BWYTT-1982GT磁芯分为铁氧体磁芯和合金类磁芯铁氧体磁芯(常用的):锰锌系列,镍锌系列合金类磁芯:铁粉芯,钼坡莫合金(不常见)根据变压器用途选磁芯:PQ功率磁芯:功率传输变压器,开关电源变压器,滤波电感器,宽频及脉冲变压器,转换电源变压器主要材质:TP3,TP4EP型高导磁芯:主要用于滤波器波形整理,消除杂波,使视频清晰或音频保真根据滤波器电感量大小:AL=(L/N2)*1000000(nH)N2(准确的说法是叫电感系数,他是为了便于开关电源的匝数引入的,(N*N=Lp/Al 其中N为线圈的匝数,Lp为线圈的电感量,Al为电感系数)一般手册上给的是1匝线圈的电感量,有的给出的是1000的电感量.1mH=1000uH 1uH=1nH,nH(纳亨)(不常用)磁芯结构的选择:选择时要尽量降低漏磁和漏感,增加线圈散热面积,有利于屏蔽,线圈绕线容易,装配接线方便。
不同磁芯对变压器的工作影响:常用的PQ和EP磁芯参数PQ型磁芯参数:特点:有10种形状构成系列供选用。
为高密度(定义)安装而设计的磁芯形状。
用途:开关电源用变压器,扼流圈等。
EP 型磁芯参数:AP 法选磁芯:令初次绕组的有效值电压为U 1,初次线圈的匝数为N p ,所选磁芯的交流磁通密度为B AC ,磁通量为φ,开关周期为T ,开关频率为f ,初次侧电流的波形系数是K f ,磁芯有效横截面积为A e 有关系式: U 1=N Pdφdt=N P B AC A e K fT×10−4=N P B AC A e K f ×10−4 (1) 考虑到K f =4k f 关系式之后 波形系数K f :4*f fK k = (2)波形因数k f :rmsf ave U k U =(3)U rms 采用有效值,U ave 采用整流平均值(均绝值) 正弦波的有效值为峰值的√22倍,整流平均值为峰值的2π倍 可推导出: N P =U1×1044K f B AC A e f(4)同理设次级绕组电压为U s ,其绕组为N s ,可得:N s =Us×1044Kf B AC A e f(5)设绕组的电流密度为J (400A/cm 2),导线截面积为S=I/J ,高频变压器的窗口利用系数为K w ,初次绕组有效值电流分别为I 1, I 2,绕组面积被完全利用时:K w A w=N P×I1J +N S×I2J(6)A w=N PK w ×I1J+N SK w×I2J(7)将(4)(5)整理进(7)后得:A w=U1I1+U S I24K w K f JB AC A e f×104 (8)AP=A w A e=U1I1+U S I24K f B AC A e f×104×A e=P l+P O4K f B AC A e f×104 (9)高频变压器的视在功率为初次绕组所承受的总功率,即S=P l+P O。
常见软磁磁芯种类及⽐较常见软磁磁芯种类及⽐较从事设计变压器和电感器⼯程师在⾯临磁芯的选型时,通常会问:使⽤哪⼀种材料最好?这个问题没有通⽤答案,材料的选择取决于应⽤场合与使⽤频率。
选择任何材料都只是⼀种折中⽅案。
例如,某些材料能够使温升程度降⾄最低,但是⽐较昂贵。
但是,如果⽤户愿意忍受较⾼程度的温升,可能⼤且较便宜的组件便可胜任。
最佳材料的选择⾸先依赖于您是否将其应⽤于电感器或变压器。
从这⼀点出发,操作频率和成本也很重要。
不同的材料适⽤于不同的频率范围、操作温度和磁通密度。
将磁芯的选择范围缩⼩⾄某个特定类型后,建议试⽤各个不同的磁芯,然后做出最终选择。
下⾯表格是各种常见的软磁材料⽐较表。
常见软磁材料⽐较表软磁磁性材料组合饱和磁通密度(T)磁导率磁芯损耗相对成本温度稳定磁粉芯材料铁硅铝铁·硅·铝 1.05 14-125 低低佳铁硅铁·硅 1.6 60 ⾼低佳⾼磁通铁·鎳 1.5 14-160 中等中等更佳钼坡莫铁·鎳·鉬 0.75 14-550 最低⾼最佳铁氧体材料锰锌 0.45 900-10K 最低最低差绕带磁芯铁·鎳·鉬 0.7 100K 极低极⾼极佳铁粉芯铁 1.2-1.5 3-100 最⾼最低差磁粉芯: 磁粉芯是⼀种具有均匀分布式⽓隙的材料,拥有许多优秀的磁特性-⾼电阻,低磁滞和低涡流损耗,以及在直流和交流条件下极佳的电感稳定性。
美磁的磁粉芯材料不使⽤有机粘结剂,因此,不会有使⽤铁粉芯时出现的热⽼化现象。
分布⽓隙材料相互之间具有合⾦颗粒绝缘层。
这允许随着电流的不断增加达到软饱和,提供故障保护。
具有离散⽓隙的磁芯(铁氧体)具有⾼电感,使曲线中出现转折,造成急速饱和。
具有分布⽓隙的磁芯在⾼温条件下拥有较理想的Bmax 和直流偏置。
具有离散⽓隙的磁芯(铁氧体)将在⽓隙周围造成边缘磁通,损耗显著增加。
美磁公司现提供四种不同的磁粉芯材料,点击以下名称,即可得到各种不同材料的优势、⽤途、以及规格尺⼨。
高频变压器方案时挑选磁芯的两种办法1面积乘积法这儿讲的面积乘积。
是指磁芯的可绕线的窗口面积和磁芯的截面积,这两个面积的乘积。
标明办法为WaAe,有些讲义和书本上简写为Ap,单位为。
依据法拉第规矩,咱们有:窗口面积运用状况有:KWalpha;=NAw变压器有初级、次级两个绕组。
因而有:KWalpha;=2NAw或0.5KWalpha;=NAw咱们知道:Aw=而电流有用值I=Ip得到以下联络式:0.5KWalpha;=即:所以就有如下式:因为:Edelta;Ip=Pi又有:Pi=究竟得到如下公式:这个公式适用于单端变压器,如正激式和反激式。
delta;<0.5,Bm-T,K-0.3~0.4,eta;-0.8~0.9,J-A/。
推挽式的公式则为:半桥式的公式则为:这儿的delta;>0.5,例如0.8~0.9。
单端变压器如正激式和反激式:Bm=△B=Bs-Br。
双端变压器如推挽式、半桥式和桥式:Bm=2Bpk。
全桥式公式与推挽式相同,但delta;>0.5,例如0.8~0.9。
在J=400A/,K=0.4,eta;=0.8,delta;=0.4(单端变压器),delta;=0.8(双端变压器)。
公式简化如下:(单端变压器)(推挽式)(半桥式和桥式)2几许标准参数法这个办法是把绕组线圈的损耗,即铜损作为方案参数。
因而,公式恰是由核算绕组线圈的铜损的公式演化而来的。
变压器有两个绕组这儿为初级绕组电阻,为次级绕组电阻。
因为因而每个绕组各占一半窗口面积,悉数绕组线圈的铜损的公式:公式简化:改换两个参数的方位,公式变成:初级安匝与次级安匝持平的联络,以及电流有用值同峰值的联络。
上式进一步演化成:同理(碰头积乘积法)有:将两个式子代入,得出公式:与面积乘积法的办法相一同,公式变成如下办法:此公式合适各种电路办法。
Bm取值同面积乘积法。
3实习举例单端反激式电路。
输出功率Po=34W,输入最小直流电压Vi(min)=230V,输入电流峰值1.18A,占空比=0.25,频率f=68kHz,t=14.7mu;s,初级电感Lp=716mu;H,变压器功率eta;=0.8,电流密度J=400A/cm,Bm=0.11T,K=0.4,Pcu=0.34W。
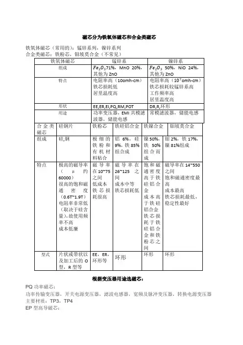
磁芯分为铁氧体磁芯和合金类磁芯铁氧体磁芯(常用的):锰锌系列,镍锌系列合金类磁芯:铁粉芯,钼坡莫合金(不常见)根据变压器用途选磁芯:PQ 功率磁芯: 功率传输变压器,开关电源变压器,滤波电感器,宽频及脉冲变压器,转换电源 变压器 主要材质: TP3,TP4EP 型高导磁芯: 主要用于滤波器波形整理,消除杂波,使视频清晰或音频保真根据工作频率,功率大小,电感量大小, 安装空间选择磁芯:根据滤波器电感量大小:AL=(L/ )*1000000()准确的说法是叫电感系数,他是为了便于开关电源的匝数引入的,(N*N=Lp/Al其中N 为线圈的匝数,Lp 为线圈的电感量,Al 为电感系数)一般手册上给的是1 匝线圈的电感量,有的给出的是1000的电感量.1mH=1000uH1 uH=1nH ,nH(纳亨)不常用)磁芯结构的选择:选择时要尽量降低漏磁和漏感,增加线圈散热面积,有利于屏蔽,线圈绕线容易,装配接线方便。
不同磁芯对变压器的工作影响:**14 6**14 0环形磁芯:对于制造商来说,环型磁芯是最经济的,在与其可比较的各种磁芯中,它的花费是最低的;由于使用骨架,附加的和组装的费用等于零; 适合时可以使用绕线机进行绕制; 它的屏蔽也是非常不错的。
常用的PQ和EP磁芯参数用开关电源用变压器,扼流圈PQ20/1PQ20/2TYPE类Dimensions 型规模AE mm2AP cm4 磁芯有效截面积AW mm2卷线截面积AL nH/N2磁芯无气隙时的等效电感LE mm磁路长度VE mm2 WT g 磁磁芯体积芯重量PQ型磁芯参特点:有10 种形状构成系列供选用。
为高密度(定义)安装而设计的磁芯形状PQ26/20 **19PQ26/25 **19 36..00 PQ32/232**22PQ32/332**22PQ35/35**26PQ40/4**28PQ50/550**32EP型磁芯参数:(2)kfrms波形因数:Uave(3)TYPE 类型Dimensions规模AP cm4AE mm2磁芯有 效截面 积AW mm2 卷线截面 积AL nH/N2 磁芯无 气隙时 的等效 电感LE mm 磁路长 度VE mm2 磁芯体积WT g 磁芯重 量AP 法选磁芯:令初次绕组的有效值电压为 ,初次线圈的匝数为 ,所选磁芯的交流磁通密度 为 ,开关周期为 T ,开关频率为 f ,初次侧电流的波形系数是 , 磁芯有效横截面积为 有关系式:== (1)考虑到 = 关系式之后波形系数K f 4* k f采用有效值,采用整流平均值(均绝值)正弦波的有效值为峰值的倍, 整流平均值为峰值的倍可推导出:= (4)同理设次级绕组电压为,其绕组为,可得:(5)设绕组的电流密度为J(400A/cm2),导线截面积为S=I/J ,高频变压器的窗口利用系数为,初次绕组有效值电流分别为, ,绕组面积被完全利用时:= + (6)= + (7)将(4)(5)整理进(7)后得:(8)AP= =(9)S= 。
磁芯种类和AP法选磁芯1. 引言磁芯是电子器件中的重要组成部分,广泛应用于通信、计算机、电力等领域。
不同的磁芯种类具有不同的特性和应用场景,因此在选择磁芯时需要综合考虑各种因素,如频率特性、磁化特性、尺寸和成本等。
本文将介绍一些常见的磁芯种类,并详细介绍AP法选磁芯的方法和步骤。
2. 常见的磁芯种类2.1 粉末磁芯粉末磁芯是由细小的磁性粉末和有机粘结剂组成的。
其主要特点是体积小、重量轻,具有较高的磁导率和低的涡流损耗。
粉末磁芯适用于高频电路和宽频带应用,如变压器、电感器等。
2.2 磁性氧化铁磁芯磁性氧化铁磁芯是一种由氧化铁制成的磁芯,具有优良的磁导率和饱和磁感应强度。
它具有高温稳定性和低温漂移性能,适用于高频和高温环境下的应用,如高频变压器、滤波器等。
2.3 铁氧体磁芯铁氧体磁芯是由铁、氧和一种或多种添加剂混合制成的磁芯。
它具有较高的饱和磁感应强度和磁导率,广泛应用于电力输配电设备、电机、传感器等领域。
2.4 铁氧体磁钴磁芯铁氧体磁钴磁芯是在铁氧体磁芯中加入少量钴元素制成的。
它具有更高的饱和磁感应强度和导磁率,适用于高频和高温环境下的应用,如高频电感器、磁存储器等。
2.5 铁氧体软磁磁芯铁氧体软磁磁芯是一种具有较低磁导率和饱和磁感应强度的磁芯。
它适用于高精度、低能耗的应用,如传感器、音频设备等。
3. AP法选磁芯的方法和步骤AP法即Analytic Programming法,是一种通过数学建模和计算机仿真来设计磁芯参数的方法。
它可以帮助工程师准确选择合适的磁芯,并优化设计参数,以满足特定的需求。
3.1 建立仿真模型首先,需要建立磁芯的仿真模型。
根据具体的应用和需求,可以选择合适的仿真软件,如ANSYS、MAGNET等。
在建立模型时,需要考虑磁芯的几何尺寸、材料参数、磁场分布等因素。
3.2 选择仿真参数根据设计要求,选择合适的仿真参数。
例如,可以设置输入电流、频率、磁场强度等参数。
通过调整这些参数,可以得到不同条件下的磁芯性能曲线。
干净利落的AP公式,快速估算变压器磁芯型号
AP法估算变压器磁芯的型号网上有很多资料,都是非常的繁杂,所以对于有经验的工程师根本就不用AP法,直接多大功率选什幺磁芯就可以了。
但对于新手呢,没有经验的积累只能去借鉴一个公式,但是大多AP法教程太复杂看得云里雾里,下面我给大家分享一个简单干净利落的AP公式,直接套公式就可以。
我们在选择磁芯之前都是可以把电感量和峰值电流这些先求出来的,求出来这两个参数,其他全是常数,直接按照下面的公式来套就好了,哪有那幺复杂。
磁芯窗口面积X磁芯截面积=(原边电感量X原边峰值电流平方X104/磁芯工作磁感应强度X窗口有效使用系数X电流密度系数)。
面积乘积法----Ap 法简介选择变压器的磁芯材质、型号、尺寸:最常用的有两种方法①AP 法,(AP=A w ×Ae 4cm )称磁芯面积乘积法 ②Kg 法(Kg= Aw 2Ae Km 5cm )称磁芯几何参数法 MLTAw ———磁芯窗口面积2cm ,Ae ——磁芯有效截面积2cmKm ——窗口利用系数(或者叫导线占空系数),MLT ——每匝平均长度Cm 在这里以Ap 法为基础,推出确定反激式开关电源变压器的Ap 值简捷公式3p cP 10A F⨯=P ——输出功率,F ——开关频率设有初级匝数为1N ,导线面积为1A ,初级电流为1I 的变压器。
设其次级匝数为2N ,导线面积为2A ,次级电流为2I ,又定义电流密度111I j A =,222I j A =,˙˙˙˙˙˙(2/A cm ),且设12j j j ==,则有1212,,I IA A j j ==又定义导线占空系数1122m m w wA N A N A K A A +==,式中:Am--------导线总面积(2cm )Aw---------变压器磁芯窗口面积(2cm )可得到:1122w m m N I N I A K A j j ==+ -----------------------------------------------(1)由电磁感应定律得410e NA BU t -∆=⨯∆式中:Ae 为变压器磁芯有效面积()2cm ,ΔB 为磁芯磁通密度的改变量(T )。
当U 为正弦波有效值时,有44.4410m e U B fNA -=⨯,可得到:4m 104.44B fA e U N ⨯=----------------------------------------------------------------(2)当U 为双极性方波时有4m B BfB f t α∆∆==∆式中f 为方波频率()z H ,α为占空比。
磁芯分为铁氧体磁芯和合金类磁芯铁氧体磁芯(常用的):锰锌系列,镍锌系列合金类磁芯:铁粉芯,钼坡莫合金(不常见)铁氧体磁芯锰锌系镍锌系组成71%,MnO 20%,其他为ZnO50%,NiO 24%,其他为ZnO特点电阻率高(10omh-cm)铁芯损耗低居里温度高电阻率高(omh-cm)铁芯损耗较锰锌系高工作频率高居里温度高形状EE,ER,EI,PQ,RM,POT DR,R,环形用途功率变压器,EMI共模滤波器,储能电感常模滤波器,储能电感合金类磁芯硅钢片铁粉芯铁硅铝合金铁镍合金钼坡莫合金组成硅,钢极细的铁粉和有机材料粘合铝6%,硅9%,铁85%组合成镍50%,铁50%组合而成钼2%,铁17%,镍81%组成特点极高的磁导率(μ约60000)很高的饱和磁通密度(0.6T~1.9T)电阻率非常低(取决于硅含量),故使用频率不高成本低廉磁导率在10~75之间低成本铁芯损耗很高磁导率在26~125之间成本中等铁芯损耗低饱和磁通密度高于铁硅铝合金成本高于铁硅铝合金铁芯损耗于铁硅铝合金和铁粉芯之间磁导率在14~550之间饱和磁通密度最高成本最高铁芯损耗最低,稳定性最好型式片状或带状以及加工后的O型,R型等EE,ER,环形等环形环形环形根据变压器用途选磁芯:PQ功率磁芯:功率传输变压器,开关电源变压器,滤波电感器,宽频及脉冲变压器,转换电源变压器主要材质:TP3,TP4EP型高导磁芯:主要用于滤波器波形整理,消除杂波,使视频清晰或音频保真根据工作频率,功率大小,电感量大小,安装空间选择磁芯:根据工作频率选择磁芯适用的工作频率范围TP3材质温度升高,功率呈下降趋势,中心工作频率25KHz—200KHzTP4材质中心工作频率在200KHz—300KHzTH7,TH10,TH12材质中心工作频率小于150KHz根据功率大小选择磁芯小于5W可用磁芯ER9.5,ER11.5,EE8.3,EE10,EE13,EP7,EP10,RM4,UI19.8,URS7 5—10W可用磁芯ER20,EE19,RM5,GU14,EI22,EF16,EP13,UI11.510—20W可用磁芯ER25,EE20,EE25,RM6,GU18,EF2020—50W可用磁芯ER28,EI28,EE28,EE30,EF25,RM8,GU22,PQ20系列,EFD20 50—100W可用磁芯ER35,ETD34,EE35,EI35,EF30,RM10,GU30,PQ26系列100—200W可用磁芯ER40,ER42,EI40,RM12,GU36,PQ32系列200—500W可用磁芯ER49,EC53,EE42,EE55,RM14,GU42,PQ35系列,PQ40系列,UU66 500W以上可用磁芯ER70,EE65,EE85,GU59,PQ50系列,UU80,UU93根据滤波器电感量大小:AL=(L/)*1000000()(准确的说法是叫电感系数,他是为了便于开关电源的匝数引入的,(N*N=Lp/Al 其中N为线圈的匝数,Lp为线圈的电感量,Al为电感系数)一般手册上给的是1匝线圈的电感量,有的给出的是1000的电感量.1mH=1000uH 1uH=1nH ,nH(纳亨)(不常用)UU型磁芯1300—6000EP型磁芯5000—12000ET,FT型磁芯1500—9000EE型磁芯1500—13000磁芯结构的选择:选择时要尽量降低漏磁和漏感,增加线圈散热面积,有利于屏蔽,线圈绕线容易,装配接线方便。
基于ap法选择高频变压器磁芯的公式推导及验证下载提示:该文档是本店铺精心编制而成的,希望大家下载后,能够帮助大家解决实际问题。
文档下载后可定制修改,请根据实际需要进行调整和使用,谢谢!本店铺为大家提供各种类型的实用资料,如教育随笔、日记赏析、句子摘抄、古诗大全、经典美文、话题作文、工作总结、词语解析、文案摘录、其他资料等等,想了解不同资料格式和写法,敬请关注!Download tips: This document is carefully compiled by this editor. I hope that after you download it, it can help you solve practical problems. The document can be customized and modified after downloading, please adjust and use it according to actual needs, thank you! In addition, this shop provides you with various types of practical materials, such as educational essays, diary appreciation, sentence excerpts, ancient poems, classic articles, topic composition, work summary, word parsing, copy excerpts, other materials and so on, want to know different data formats and writing methods, please pay attention!一、引言随着电子产品的普及,高频变压器在电源、通信和成像等领域中得到了广泛的应用。
磁芯分为铁氧体磁芯和合金类磁芯铁氧体磁芯(常用的):锰锌系列,镍锌系列合金类磁芯:铁粉芯,钼坡莫合金(不常见)铁氧体磁芯锰锌系镍锌系组成71%,MnO 20%,其他为ZnO50%,NiO 24%,其他为ZnO特点电阻率高(10omh-cm)铁芯损耗低居里温度高电阻率高(omh-cm)铁芯损耗较锰锌系高工作频率高居里温度高形状EE,ER,EI,PQ,RM,POT DR,R,环形用途功率变压器,EMI共模滤波器,储能电感常模滤波器,储能电感合金类磁芯硅钢片铁粉芯铁硅铝合金铁镍合金钼坡莫合金组成硅,钢极细的铁粉和有机材料粘合铝6%,硅9%,铁85%组合成镍50%,铁50%组合而成钼2%,铁17%,镍81%组成特点极高的磁导率(μ约60000)很高的饱和磁通密度(0.6T~1.9T)电阻率非常低(取决于硅含量),故使用频率不高成本低廉磁导率在10~75之间低成本铁芯损耗很高磁导率在26~125之间成本中等铁芯损耗低饱和磁通密度高于铁硅铝合金成本高于铁硅铝合金铁芯损耗于铁硅铝合金和铁粉芯之间磁导率在14~550之间饱和磁通密度最高成本最高铁芯损耗最低,稳定性最好型式片状或带状以及加工后的O型,R型等EE,ER,环形等环形环形环形根据变压器用途选磁芯:PQ功率磁芯:功率传输变压器,开关电源变压器,滤波电感器,宽频及脉冲变压器,转换电源变压器主要材质:TP3,TP4EP型高导磁芯:主要用于滤波器波形整理,消除杂波,使视频清晰或音频保真根据工作频率,功率大小,电感量大小,安装空间选择磁芯:根据工作频率选择磁芯适用的工作频率范围TP3材质温度升高,功率呈下降趋势,中心工作频率25KHz—200KHzTP4材质中心工作频率在200KHz—300KHzTH7,TH10,TH12材质中心工作频率小于150KHz根据功率大小选择磁芯小于5W可用磁芯ER9.5,ER11.5,EE8.3,EE10,EE13,EP7,EP10,RM4,UI19.8,URS7 5—10W可用磁芯ER20,EE19,RM5,GU14,EI22,EF16,EP13,UI11.510—20W可用磁芯ER25,EE20,EE25,RM6,GU18,EF2020—50W可用磁芯ER28,EI28,EE28,EE30,EF25,RM8,GU22,PQ20系列,EFD20 50—100W可用磁芯ER35,ETD34,EE35,EI35,EF30,RM10,GU30,PQ26系列100—200W可用磁芯ER40,ER42,EI40,RM12,GU36,PQ32系列200—500W可用磁芯ER49,EC53,EE42,EE55,RM14,GU42,PQ35系列,PQ40系列,UU66 500W以上可用磁芯ER70,EE65,EE85,GU59,PQ50系列,UU80,UU93根据滤波器电感量大小:AL=(L/)*1000000()(准确的说法是叫电感系数,他是为了便于开关电源的匝数引入的,(N*N=Lp/Al 其中N为线圈的匝数,Lp为线圈的电感量,Al为电感系数)一般手册上给的是1匝线圈的电感量,有的给出的是1000的电感量.1mH=1000uH 1uH=1nH ,nH(纳亨)(不常用)磁芯结构的选择:选择时要尽量降低漏磁和漏感,增加线圈散热面积,有利于屏蔽,线圈绕线容易,装配接线方便。
磁芯分为铁氧体磁芯和合金类磁芯铁氧体磁芯(常用的):锰锌系列,镍锌系列根据变压器用途选磁芯:PQ功率磁芯:功率传输变压器,开关电源变压器,滤波电感器,宽频及脉冲变压器,转换电源变压器主要材质:TP3,TP4EP型高导磁芯:主要用于滤波器波形整理,消除杂波,使视频清晰或音频保真根据滤波器电感量大小:)AL=(L/N2)*1000000(nHN2(准确的说法是叫电感系数,他是为了便于开关电源的匝数引入的,(N*N=Lp/Al 其中N 为线圈的匝数,Lp为线圈的电感量,Al为电感系数)一般手册上给的是1匝线圈的电感量,圈绕线容易,装配接线方便。
不同磁芯对变压器的工作影响:常用的PQ和EP磁芯参数PQ型磁芯参数:特点:有10种形状构成系列供选用。
为高密度(定义)安装而设计的磁芯形状。
AP 法选磁芯:令初次绕组的有效值电压为U 1,初次线圈的匝数为N p ,所选磁芯的交流磁通密度为B AC ,磁通量为φ,开关周期为T ,开关频率为f ,初次侧电流的波形系数是K f ,磁芯有效横截面积为A e 有关系式: U 1=N Pdφdt=N P B AC A e K fT×10−4=N P B AC A e K f ×10−4 (1) 考虑到K f =4k f 关系式之后 波形系数K f :4*f fK k = (2)波形因数k f :rmsf ave U k U =(3)U rms 采用有效值,U ave 采用整流平均值(均绝值)正弦波的有效值为峰值的√22倍,整流平均值为峰值的2π倍 可推导出: N P =U1×1044K f B AC A e f(4)同理设次级绕组电压为U s ,其绕组为N s ,可得:N s =Us×1044Kf B AC A e f(5)设绕组的电流密度为J (400A/cm 2),导线截面积为S=I/J ,高频变压器的窗口利用系数为K w ,初次绕组有效值电流分别为I 1, I 2,绕组面积被完全利用时:K w A w =N P ×I 1J +N S ×I2J (6) A w =N P K w×I 1J +N S K w×I2J (7)将(4)(5)整理进(7)后得: A w =U 1I 1+U S I 24Kw K f JB AC A ef×104(8) AP=A w A e =U 1I 1+U S I 24Kf BAC A e f×104×A e×104(9)=P l+P O4K f B AC A e f,高频变压器的视在功率为初次绕组所承受的总功率,即S=P l+P O。
ap法选择变压器的磁芯的原理以ap法选择变压器的磁芯的原理为标题,写一篇文章。
变压器是电力系统中常用的电力设备,用于改变交流电压。
而变压器的磁芯是变压器中至关重要的部分,它起着传导磁场和集中磁能的作用。
为了选择合适的磁芯材料和磁芯形状,我们可以采用ap 法进行分析和设计。
ap法是一种常用的变压器磁芯设计方法,它的原理基于磁芯的性能和效率。
通过ap法,我们可以确定最佳的磁芯材料、磁芯形状和磁芯尺寸,以提高变压器的效率和性能。
我们需要了解磁芯材料的特性。
常见的磁芯材料有硅钢片、铁氧体和氢氧化铁等。
硅钢片具有低磁导率和低磁滞损耗的特点,适用于低频变压器;铁氧体具有高磁导率和高磁饱和磁感应强度的特点,适用于高频变压器;氢氧化铁具有较高的磁导率和低磁滞损耗,适用于中频变压器。
根据变压器的工作频率和性能要求,我们可以选择合适的磁芯材料。
我们需要考虑磁芯的形状。
常见的磁芯形状有E型、I型、U型和L 型等。
不同形状的磁芯对于磁场的传导和集中磁能有不同的效果。
E 型磁芯具有较好的磁场传导性能,适用于高效率的变压器;I型磁芯则适用于高频变压器,具有较好的磁通密度;U型和L型磁芯则适用于特殊形状的变压器。
根据变压器的工作条件和性能要求,我们可以选择合适的磁芯形状。
我们需要确定磁芯的尺寸。
磁芯的尺寸决定了磁芯的磁感应强度和磁能存储量。
通过ap法,我们可以根据变压器的功率和工作频率,计算出合适的磁芯尺寸。
同时,磁芯的尺寸也受到变压器的散热和机械强度要求的限制。
在进行磁芯选择时,我们还需要考虑磁芯的损耗和成本。
磁芯的损耗包括磁滞损耗和涡流损耗,应尽量降低;磁芯的成本也应在可接受范围内。
因此,在ap法选择磁芯时,我们需要综合考虑磁芯的性能、效率、成本和可行性等因素。
ap法是一种常用的变压器磁芯选择方法,通过分析和设计,可以确定合适的磁芯材料、磁芯形状和磁芯尺寸,以提高变压器的效率和性能。
在进行磁芯选择时,我们需要考虑磁芯的特性、形状、尺寸、损耗和成本等因素,并进行综合评估和比较。
llc ap法选择变压器的磁芯的公式文章标题:深度探讨LLC AP法选择变压器磁芯的公式在电力电子领域中,LLC共振变换器是一种常见的拓扑结构,它被广泛应用于电源转换和功率调节领域。
选择合适的变压器磁芯对于LLC 共振变换器的设计和性能至关重要。
本文将深入探讨LLC AP法选择变压器磁芯的公式,从而帮助读者更好地理解和应用这一关键知识。
一、LLC共振变换器简介LLC共振变换器是一种三电平变换器,其拓扑结构复杂且动态性能优越,因此在高功率密度、高效率和高可靠性的电源系统中具有广泛的应用前景。
在LLC共振变换器中,变压器的设计对于整个系统的性能具有重要影响。
在选择变压器磁芯时,需要考虑的因素很多,包括工作频率、电流密度、损耗等。
二、LLC AP法选择变压器磁芯的公式LLC AP法是一种常用的变压器设计方法,通过该方法可以计算出合适的变压器参数,包括磁芯的尺寸、匝数等。
在选择变压器磁芯时,需要考虑的主要公式包括:1. 磁芯有效截面积的计算公式2. 磁芯气隙长度的计算公式3. 磁芯线圈匝数的计算公式4. 磁芯材料的选择三、LLC AP法选择变压器磁芯的公式深入解析在实际应用中,LLC AP法选择变压器磁芯的公式并非一成不变,其中涉及到诸多参数的选择及修正。
通过对变压器磁芯公式的深入解析,我们可以更好地理解其内涵和应用。
在计算磁芯有效截面积时,需要考虑到工作频率、磁通密度、损耗密度等因素;在计算磁芯气隙长度时,需要考虑到磁阻、电流等因素;在计算磁芯线圈匝数时,需要考虑到电压、匝数、工作频率等因素。
四、个人观点和理解作为电力电子领域的从业者,我对LLC AP法选择变压器磁芯的公式有着深刻的理解和丰富的实践经验。
在实际项目中,通过不断的实践和总结,我认为在选择变压器磁芯时,需要充分考虑系统的工作环境、温度、损耗等因素,同时结合LLC共振变换器的特点和性能要求,灵活运用公式进行参数计算和修正,以实现最佳的设计效果。
ap法计算磁芯
在电子领域中,磁芯是一种常见的元件,用于存储和传输磁场能量。
计算磁芯的电学参数是电子设计中的重要环节。
AP法是一种常用的磁芯计算方法,其全称为Amperes Per Turn 法,意为每匝安培法。
AP法是一种比较精确、简单易行的计算方法,适用于各种类型的磁芯结构。
具体而言,AP法需要确定磁芯的匝数、导体的截面积、磁芯的截面积以及磁芯材料的导磁率等参数。
通过这些参数的计算,可以得到磁芯的电感值、磁场强度和能量存储等信息。
值得注意的是,AP法在计算过程中需要考虑一些影响因素,例如磁芯的饱和效应、磁通密度的分布、磁芯的热效应等。
因此,在实际计算中,需要根据具体情况进行修正和调整。
总之,AP法是一种非常重要的磁芯计算方法,在电子设计和制造中有着广泛应用。
对于电子工程师而言,掌握AP法的原理和应用是必须的技能之一。
- 1 -。
高频变压器设计时选择磁芯的两种方法变压器 2009-11-26 18:34:27 阅读809 评论1 字号:大中小订阅在高频变压器设计时,首先遇到的问题,便是选择能够满足设计要求和使用要求的磁芯。
通常可以采取下面介绍的两种方法:面积乘积法和几何尺寸参数法。
这两种方法的区别在于:面积乘积法是把导线的电流密度作为设计参数,几何尺寸参数法则是把绕组线圈的损耗,即铜损作为设计参数。
1 面积乘积法这里讲的面积乘积。
是指磁芯的可绕线的窗口面积和磁芯的截面积,这两个面积的乘积。
表示形式为WaAe,有些讲义和书本上简写为Ap,单位为。
根据法拉第定律,我们有:窗口面积利用情况有:KWα=NAw变压器有初级、次级两个绕组。
因此有:KWα=2NAw或0.5KWα=NAw我们知道:Aw=而电流有效值I=Ip得到以下关系式:0.5KWα=即:于是就有如下式:由于:EδIp=Pi 又有: Pi=最后得到如下公式:这个公式适用于单端变压器,如正激式和反激式。
δ,0.5,Bm-T,K-0.3,0.4,η-0.8,0.9,J-A/。
推挽式的公式则为: 半桥式的公式则为:这里的δ,0.5,例如0.8,0.9。
单端变压器如正激式和反激式:Bm=?B=Bs-Br。
双端变压器如推挽式、半桥式和桥式:Bm=2Bpk。
全桥式公式与推挽式相同,但δ,0.5,例如0.8,0.9。
在J=400A/,K=0.4,η=0.8,δ=0.4(单端变压器),δ=0.8(双端变压器)。
公式简化如下:(单端变压器)(推挽式)(半桥式和桥式) 2 几何尺寸参数法这个方法是把绕组线圈的损耗,即铜损作为设计参数。
因此,公式正是由计算绕组线圈的铜损的公式演变而来的。
变压器有两个绕组这里为初级绕组电阻,为次级绕组电阻。
由于因此每个绕组各占一半窗口面积,全部绕组线圈的铜损的公式:公式简化:变换两个参数的位置,公式变成:初级安匝与次级安匝相等的关系,以及电流有效值同峰值的关系。
至於選core時的AP算法只是一個初步概略,更不用說保留多大的裕量!
在變壓器設計中包含很多因素影響變壓器規格的大小,比如繞組的多少,繞制方法,要求的形狀,允許的溫升......等等,繞線繞不下時必然需放大規格,溫升過高時也會考慮放大規格.如果線包較廋,溫升較低時(客人沒特殊要求如安裝形狀等),為了降低成本可減小規格!
上式中Kj受到溫度的影響,也就是就要求的溫升越低,所需要的變壓器規格越大!
關於1.14或1.16的指数值也是計算得來的,可在下表查出x數值代Ap式中計算!
上式中Kj受到溫度的影響,也就是就要求的溫升越低,所需要的變壓器規格越大!
關於1.14或1.16的指数值也是計算得來的,可在下表查出x數值代Ap式中計算!。
磁芯种类和A P法选磁芯磁芯分为铁氧体磁芯和合金类磁芯铁氧体磁芯(常用的):锰锌系列,镍锌系列合金类磁芯:铁粉芯,钼坡莫合金(不常见)铁氧体磁芯锰锌系镍锌系组成71%,MnO 20%,其他为ZnO50%,NiO 24%,其他为ZnO特点电阻率高(10omh-cm)铁芯损耗低居里温度高电阻率高(omh-cm)铁芯损耗较锰锌系高工作频率高居里温度高形状EE,ER,EI,PQ,RM,POT DR,R,环形用途功率变压器,EMI共模滤波器,储能电感常模滤波器,储能电感合金类磁芯硅钢片铁粉芯铁硅铝合金铁镍合金钼坡莫合金组成硅,钢极细的铁粉和有机材料粘合铝6%,硅9%,铁85%组合成镍50%,铁50%组合而成钼2%,铁17%,镍81%组成特点极高的磁导率(μ约60000)很高的饱和磁通密度(0.6T~1.9T)电阻率非常低(取决于硅含量),故使用频率不高成本低廉磁导率在10~75之间低成本铁芯损耗很高磁导率在26~125之间成本中等铁芯损耗低饱和磁通密度高于铁硅铝合金成本高于铁硅铝合金铁芯损耗于铁硅铝合金和铁粉芯之间磁导率在14~550之间饱和磁通密度最高成本最高铁芯损耗最低,稳定性最好型式片状或带状以及加工后的O型,R型等EE,ER,环形等环形环形环形根据变压器用途选磁芯:PQ功率磁芯:功率传输变压器,开关电源变压器,滤波电感器,宽频及脉冲变压器,转换电源变压器主要材质:TP3,TP4EP型高导磁芯:主要用于滤波器波形整理,消除杂波,使视频清晰或音频保真根据工作频率,功率大小,电感量大小,安装空间选择磁芯:根据工作频率选择磁芯适用的工作频率范围TP3材质温度升高,功率呈下降趋势,中心工作频率25KHz—200KHzTP4材质中心工作频率在200KHz—300KHzTH7,TH10,TH12材质中心工作频率小于150KHz根据功率大小选择磁芯小于5W可用磁芯ER9.5,ER11.5,EE8.3,EE10,EE13,EP7,EP10,RM4,UI19.8,URS7 5—10W可用磁芯ER20,EE19,RM5,GU14,EI22,EF16,EP13,UI11.510—20W可用磁芯ER25,EE20,EE25,RM6,GU18,EF2020—50W可用磁芯ER28,EI28,EE28,EE30,EF25,RM8,GU22,PQ20系列,EFD2050—100W可用磁芯ER35,ETD34,EE35,EI35,EF30,RM10,GU30,PQ26系列100—200W可用磁芯ER40,ER42,EI40,RM12,GU36,PQ32系列200—500W可用磁芯ER49,EC53,EE42,EE55,RM14,GU42,PQ35系列,PQ40系列,UU66 500W以上可用磁芯ER70,EE65,EE85,GU59,PQ50系列,UU80,UU93根据滤波器电感量大小:AL=(L/)*1000000()(准确的说法是叫电感系数,他是为了便于开关电源的匝数引入的,(N*N=Lp/Al 其中N为线圈的匝数,Lp为线圈的电感量,Al为电感系数)一般手册上给的是1匝线圈的电感量,有的给出的是1000的电感量.1mH=1000uH1uH=1nH ,nH(纳亨)(不常用)磁芯结构的选择:选择时要尽量降低漏磁和漏感,增加线圈散热面积,有利于屏蔽,线圈绕线容易,装配接线方便。
磁芯分为铁氧体磁芯和合金类磁芯
铁氧体磁芯(常用的):锰锌系列,镍锌系列
合金类磁芯:铁粉芯,钼坡莫合金(不常见)
铁氧体磁芯锰锌系镍锌系
组成
71%,MnO 20%,
其他为ZnO
50%,NiO 24%,其他为ZnO
特点
电阻率高(10omh-cm)
铁芯损耗低
居里温度高电阻率高(omh-cm)铁芯损耗较锰锌系高
工作频率高
居里温度高
形状
EE,ER,EI,PQ,RM,POT DR,R,环形
用途
功率变压器,EMI共模滤
波器,储能电感
常模滤波器,储能电感
合金类
磁芯
硅钢片铁粉芯铁硅铝合金铁镍合金钼坡莫合金
组成硅,钢极细的
铁粉和
有机材
料粘合铝6%,硅
9%,铁85%
组合成
镍
50%,铁
50%组
合而成
钼2%,铁17%,
镍81%组成
特点极高的磁导率磁导率磁导率在饱和磁磁导率在14~550
根据变压器用途选磁芯:
PQ功率磁芯:
功率传输变压器,开关电源变压器,滤波电感器,宽频及脉冲变压器,转换电源变压器
主要材质:TP3,TP4
EP型高导磁芯:
主要用于滤波器波形整理,消除杂波,使视频清晰或音频保真根据工作频率,功率大小,电感量大小,安装空间选择磁芯:
系列
200—500W可用磁芯ER49,EC53,EE42,EE55,RM14,GU42,
PQ35系列,PQ40系列,UU66
500W以上可用磁芯ER70,EE65,EE85,GU59,PQ50系列,
UU80,UU93
根据滤波器电感量大小:
AL=(L/)*1000000()
(准确的说法是叫电感系数,他是为了便于开关电源的匝数引入的,(N*N=Lp/Al 其中N为线圈的匝数,Lp为线圈的电感量,Al为电感系数)一般手册上给的是1匝线圈的电感量,有的给出的是1000的电感量.1mH=1000uH 1uH=1nH,nH(纳亨)(不常用)
UU型磁芯1300—6000
EP型磁芯5000—12000
ET,FT型磁芯1500—9000
EE型磁芯1500—13000
磁芯结构的选择:选择时要尽量降低漏磁和漏感,增加线圈散热面积,有利于屏蔽,线圈绕线容易,装配接线方便。
不同磁芯对变压器的工作影响:
磁芯形状不同磁芯的特点及区别
构,除了与PCB板接触的末端外,完
全的把绕组包裹了起来,屏蔽非常好;
这种独特的形状最小化了在两片磁芯
装配时接触面形成的气隙的影响,并
且提供了一个更大的体积和总的空间
利用率的比例。
环形磁芯:
对于制造商来说,环型磁芯是最经济
的,在与其可比较的各种磁芯中,它
的花费是最低的;由于使用骨架,附加
的和组装的费用等于零;适合时可以使
用绕线机进行绕制;它的屏蔽也是非常
不错的。
常用的PQ和EP磁芯参数
PQ型磁芯参数:
特点:有10种形状构成系列供选用。
为高密度(定义)安装而设计的磁芯形状。
用途:开关电源用变压器,扼流圈等。
TYPE类型Dimensions
规模
AP cm4
AE mm2
磁芯有效
截面积
AW mm2
卷线截面
积
AL nH/N2
磁芯无气隙
时的等效电
感
LE mm
磁路长
度
VE mm2
磁芯体积
WT g
磁芯重
量
PQ20/1
6
20.5*8.1*14 0.2914 62.00 47.00 3880.00 37.40 2310.00 13.00 PQ20/2
20.5*10.1*14 0.4080 62.00 65.80 3150.00 45.70 2790.00 15.00 PQ26/2
26.5*10.0*19 0.7188 117.00 60.40 6170.00 46.30 5490.00 31.00 PQ26/2
5
26.5*12.3*19 0.9971 118.00 84.50 5250.00 55.50 6590.00 36..00 PQ32/2
32*10.27*22 1.3736 170.00 80.80 7310.00 55.50 9420.00 42.00 PQ32/3
32*15.17*22 2.4086 161.00 149.60 5140.00 74.60 11970.00 55.50
PQ35/3
5 35.1*17.37*2
6
4.3238 196.00 220.60 4860.00 87.90 19260.00 73.00
PQ40/4
0 40.5*19.87*2
8
6.5526 201.00 326.00 4300.00 101.90 20450.00 95.00
PQ50/5
50*24.97*32 14.2024 328.00 433.00 6720.00 113.00 37238.00 195.00 EP型磁芯参数:
TYPE 类型Dimensions
规模
AP cm4
AE mm2
磁芯有
效截面
积
AW mm2
卷线截面
积
AL
nH/N2
磁芯无
气隙时
的等效
电感
LE mm
磁路长
度
VE mm2
磁芯体积
WT g
磁芯重
量
EP7 9.4*3.75*6.5 0.0102 10.70 9.50 1120.00 15.50 165.00 0.80 EP10 11.5*5.1*7.6 0.0255 11.30 22.57 1025.00 19.30 215.00 1.10 EP13 12.8*6.5*9.0 0.0456 19.50 23.40 1475.00 24.20 472.00 2.40 EP17 18.0*8.4*11.0 0.1210 33.70 35.90 2230.00 29.50 999.00 5.00 EP20 24*10.7*15 0.4997 78.70 63.50 3950.00 41.10 3230.00 16.00
AP法选磁芯:
令初次绕组的有效值电压为,初次线圈的匝数为,所选磁芯的交流磁通密度为,开关周期为T,开关频率为f ,初次侧电流的波形系数是,磁芯有效横截面积为有关系式:
=
=(1)
考虑到=关系式之后
波形系数:4*
f f
K k
=(2)
波形因数:
rms
f
ave
U
k
U
=
(3)
采用有效值,采用整流平均值(均绝值)
正弦波的有效值为峰值的倍,整流平均值为峰值的倍
可推导出:
=(4)
同理设次级绕组电压为,其绕组为,可得:
=(5)
设绕组的电流密度为J(400A/cm2),导线截面积为S=I/J,高频变压器的窗口利
用系数为,初次绕组有效值电流分别为,,绕组面积被完全利用时:=+(6)
=+(7)
将(4)(5)整理进(7)后得:
=
(8)
AP==
= (9)
高频变压器的视在功率为初次绕组所承受的总功率,即S=。
因电源效率η=,最终得到:
AP==( ) (10)
=1.115D,=Z
最后得到下式:
AP==( )
对于反激式开关电源,值应介于0.2-0.3T之间,电流密度J一般取
200-600A/,窗口利用面积Kw一般取0.3-0.4(实际时取的),为脉动系数,其值为原边侧电流斜坡中心值与峰值开关电流的比值。