数控车床变螺距螺纹加工详解(广数系统)
- 格式:pdf
- 大小:77.52 KB
- 文档页数:1
数控车床螺纹的加工方法随着工业的发展和技术的进步,数控车床已经成为了现代制造业中不可或缺的重要设备。
数控车床可以通过编程实现自动化加工,减少人工干预,提高生产效率和加工精度。
而螺纹是机械加工中常见的一种形状,其加工方法也是数控车床操作中必不可少的一环。
本文将介绍数控车床螺纹加工的方法和注意事项。
一、螺纹加工的基本概念螺纹是一种螺旋形状的几何体,它具有一定的外径、内径、螺距和螺旋角度等参数。
在机械加工中,将螺纹加工到零件表面上,可以起到固定和传动的作用。
常见的螺纹有三角形螺纹、矩形螺纹和圆形螺纹等,其中三角形螺纹最为常见。
螺纹加工主要有两种方法:一种是内攻丝,即在孔内加工螺纹;另一种是外攻丝,即在轴上加工螺纹。
在数控车床加工中,主要是外攻丝的加工方法。
二、数控车床螺纹加工的步骤1. 确定螺纹参数在进行螺纹加工之前,必须要先明确螺纹的参数,包括外径、内径、螺距、螺旋角度等。
这些参数可以通过螺纹规等工具进行测量,也可以通过CAD软件进行计算和绘制。
2. 编写加工程序在确定了螺纹参数之后,需要编写相应的加工程序。
加工程序可以通过CAM软件进行编写,也可以手动编写。
编写加工程序需要考虑到刀具的选择、切削速度、进给速度等因素。
3. 调整机床参数在进行螺纹加工之前,需要对数控车床的参数进行调整,包括刀具的安装、刀具的位置、工件的夹持方式等。
调整好机床参数后,需要进行试切,以检查程序是否正确,切削参数是否合适。
4. 开始加工完成了以上步骤之后,就可以开始进行螺纹加工了。
数控车床可以通过自动化程序实现自动加工,也可以手动控制切削。
在加工过程中,需要注意刀具的磨损情况,及时更换刀具以保证加工精度。
同时还需要注意切削液的使用和切屑的清理。
5. 检查加工质量完成螺纹加工之后,需要对加工质量进行检查。
可以使用螺纹规等工具进行测量,检查螺纹的尺寸是否符合要求。
同时还需要检查螺纹的表面质量和加工精度。
三、数控车床螺纹加工的注意事项1. 确保刀具的质量刀具是数控车床螺纹加工中最为重要的因素之一,刀具的质量直接影响到加工质量和效率。
1 序言变螺距螺纹分等槽宽、等牙宽、槽和牙都不等宽三大类,其中第二大类用得最多,编程也最难。
在塑料、橡胶和食品等行业中使用的各种类型挤出螺杆的外圆上,都有等牙宽变螺距螺纹。
使用等牙宽变螺距螺纹的螺杆具有压缩比大、压缩均匀、出料连续性好等优点。
第一届全国技能大赛国赛数控车项目的赛题中引入了这个要素,这是竞赛题目与生产实际结合的有益尝试。
2 真题分析变螺距螺纹的编程和加工是数控车编程和加工的难点。
迄今为止,用国内、外自动编程软件尚编不出车这类螺纹的精确程序,只能用手工编程。
因此在这次大赛中,这个要素也是整道题中的难点。
赛题有赛前公布的样题和比赛用的真题两种,真题中变螺距螺纹部分(见图1)为等牙宽变螺距左旋螺纹,材质为LY12,轴向牙宽(3±0.03)mm,槽左壁在螺纹左端面的螺距为8mm,往右每转螺距增加(0.5±0.075)mm。
图1 真题中变螺距螺纹部分整体来说,等牙宽变螺距螺纹的编程比较复杂,但其中有一类(这一类在实际应用中占比不小)可以用简易的方法来编程和操作。
这一类的条件为:螺距小的端面螺距的两倍与螺距大的端面螺距之差不大于轴向牙宽。
真题中的等牙宽变螺距螺纹正好属于这一类,本文以此为例进行介绍。
3 简易编程和操作沿走刀方向选取两个截面A和B,刀先到A面,后到B面,两截面之间的距离为L。
用F1、F2分别表示截面A、B的截面螺距,K表示主轴每旋转一圈螺距的增加值(若为负则是减少值),则变螺距螺纹的公式为F22-F12=2LK,这个公式是解所有变螺距螺纹题的基础。
第一步,画出和延长变螺距螺纹的牙型截面图,加标尺寸,如图2所示。
图2是解此类题的关键,图中的尺寸都是把已知条件代入公式后得出的。
例如图中右端面的“F11.045”是用L=58mm、F1=8mm、K=0.5mm代入公式得到的。
第二步,选用刃口4~5mm宽的左偏切槽刀(标准刀片外侧应磨出略大于螺纹螺旋升角的后角)。
在轴向吃刀逐步加宽槽和径向吃刀逐步加深槽这两种方法中,选用后一种方法,因为标准可转位切槽刀的切削刃是端头平刃。
广东省技师(高级技师)资格申请评审论文论文题目: 数控车床运用宏程序加工大导程变螺距螺纹姓名: 魏树明技术工种名称: 数控车工拟申报职业资格: 高级技师申报时间: 2013年12月单位(全称): 广东省轻工业高级技工学校广东省轻工业高级技工学校数控车床运用宏程序加工大导程变螺距螺纹广东省轻工业高级技工学校魏树明摘要:现今中档经济型数控车床还用得比较广泛,比如广州数控GSK980TDa车床。
大导程异形螺纹的加工是数控车削的一个难点,由于没有标准的螺纹切削指令,且有些螺纹导程大,切削深度较深,切削抗力较大,而且精度要求较高,如果用简单的指令很难加工出来。
针对异形螺纹加工繁琐的特点,提出数控车削加工中使用宏程序加工。
设计梯形螺纹通用宏程序模板。
解决通用数控机床加工该零件的典型问题。
关键词:经济型数控车床、大导程异形螺纹、宏程序前言:螺纹车削加工是现代制造业中自动化程度最高的生产任务之一,也是数控车削工艺路线制定、刀具选择、切削用量选用、程序设计等综合难度较大的操作之一。
有些螺纹有定心度,且螺纹牙大,用于精度高的进给装置。
数控车床传统加工方法很难完成,针对这些典型零件运用宏程序来加工就简单很多。
用户宏程序是提高数控机床性能的一种特殊功能。
使用中,通常把能完成某一功能的一系列指令像子程序一样存入存储器,然后用一个总指令代表它们,使用时只需给出这个总指令指令就能执行其功能。
用户宏程序的最大特点是可以对变量进行运算,使程序应用更加灵活、方便。
虽然子程序对编制相同加工操作的程序非常有用,但用户宏程序由于允许使用变量算术和逻辑运算及条件转移,使得编制相同加工操作的程序更方便、更容易。
用户宏程序有A、B两类,GSK980TDa数控车床中,使用的是 B 类宏程序。
下面我就以GSK980TDa数控车床为例,介绍如何用B宏程序对异形螺纹工件进行编程加工。
正文:一、宏变量变量可以指令程序中的地址值。
变量值可以由程序指令赋值或直接用键盘设定。
广数g76螺纹编程格式解说一、引言在加工过程中,螺纹加工是一种常见的加工方式。
广数G76螺纹编程格式是一种用于数控机床的螺纹加工编程语言。
本文将深入探讨广数G76螺纹编程格式的用法和相关注意事项。
二、广数G76螺纹编程格式的基本格式广数G76螺纹编程格式的基本格式如下:G76 X_ Z_ I_ K_ F_其中:•G76:指令代码,表示执行螺纹加工操作。
•X_:螺纹起始点的X坐标。
•Z_:螺纹起始点的Z坐标。
•I_:每一圈螺纹的径向增量。
•K_:每一圈螺纹的纵向增量。
•F_:进给速度。
三、广数G76螺纹编程格式的详细解释3.1 螺纹起始点的设定螺纹起始点的设定通常使用G92指令来进行。
例如,要将螺纹起始点设定为X=0,Z=0,可以使用以下指令:G92 X0 Z03.2 螺纹的方向和类型广数G76螺纹编程格式可以指定螺纹的方向和类型。
螺纹的方向由I和K的正负号决定,正号表示右螺纹,负号表示左螺纹。
螺纹的类型由I和K的绝对值决定,其中I代表螺距,K代表回退量。
3.3 螺距和回退量的计算螺距和回退量的计算是广数G76螺纹编程格式中最重要的部分。
螺距可以根据所需的螺纹参数进行计算,螺距的计算公式如下:螺距 = 1 / (螺纹个数 * 线数)回退量是螺距的一个重要参数,它表示每一圈螺纹切削时纵向回退的距离。
回退量可以根据刀具和工件的材料来选择,一般取螺距的0.5倍。
3.4 螺纹的进给速度螺纹的进给速度是广数G76螺纹编程格式中的另一个重要参数。
进给速度需要根据具体的加工要求和工件材料来选择。
进给速度过快可能导致切削质量下降,进给速度过慢则会影响加工效率。
四、广数G76螺纹编程格式的注意事项4.1 喂刀速度在螺纹加工中,喂刀速度对加工质量和工具寿命有着重要影响。
喂刀速度过快会导致切削质量下降,喂刀速度过慢则会影响加工效率。
因此,选择合适的喂刀速度是十分重要的。
4.2 切削参数切削参数包括切削深度和切削速度。
切削深度需要根据材料的硬度和工具的刃磨状态来选择,切削速度需要根据刀具的材料和工件的材料来选择。
数控车床螺纹加工编程指令的应用济宁职业技术学院 ( 山东 ) 张玉香在目前的FANUC 和广州数控系统的车床上,加工螺纹一般可采用3 种方法:G32 直进式切削方法、G92直进式固定循环切削方法和G76 斜进式复合固定循环切削方法。
由于它们的切削方式和编程方法不同,造成的加工误差也不同,在操作使用时需仔细分析,以便加工出高精度的零件。
1.编程方法(1)G32 直进式螺纹切削方法指令格式:图1G32直进式螺纹切削方法指令格式:G32 X(U )_ Z(W )_ F_ ;该指令用于车削圆柱螺纹、圆锥螺纹、端面螺纹。
其编程方法与G01 相似,如图1所示。
使用说明:式中 (X ,Z )和 (U ,W )为螺纹的终点坐标,即图1 中B 点的坐标值;F 后的数值为导程 ( 单线时为螺距) 。
当α=0? 时,作直螺纹加工,编程格式为G32 Z_F_或G32 W_F_ ;当α,45? 时加工锥螺纹,螺距以Z轴方向的值指定;当α,45? 时螺距以X 轴方向的值指定;当α=90? 时,加工端面螺纹,编程格式为G32 X_ F_或G32 U_ F_ 。
螺纹切削中进给速度倍率开关无效,进给速度被限制在100% ;螺纹切削中不能停止进给,一旦停止进给切深便急剧增加,非常危险。
因此,进给暂停在螺纹加工中无效。
?在螺纹切削程序段后的第一个非螺纹切削程序段期间,按进给暂停键时刀具在非螺纹切削程序段停止。
主轴功能的确定。
在编写螺纹加工程序时,只能使用主轴恒转速控制功能( 程序中编入G97 ) ,由于进给速度的最大值和最小值系统参数已设定,在加工螺纹时为了避免进给速度超出系统设定范围,所以主轴转速不宜太高,一般用如下公式计算:( 取 )且从粗加工到精加工,主轴转速必须保持恒定。
否则,螺距将发生变化,会出现乱牙。
?螺纹起点和终点轴向尺寸的确定。
螺纹加工时应注意在有效螺纹长度的两端留出足够的升速段和降速段,以剔除两端因进给伺服电动机变速而产生的不符合要求的螺纹段,通常: δ=(2~3 )螺距δ=(1~2 )螺距螺纹起点和终点径向尺寸的确定。
螺纹的车削工艺分析加工螺纹的加工有很多种:直进法、斜进法、左右切削法、车直槽法、分层法等等[1]。
由于螺纹较之三角螺纹,其螺距和牙型都大,而且精度高,牙型两侧面表面粗糙度值较小,致使螺纹车削时,吃刀深,走刀快,切削余量大,切削抗力大。
再[1]加工许多学校的数控车床刚性较差,这就导致了螺纹的车削加工难度较大,在数控车工技能培训中难于掌握,容易产生“扎刀”和“爆刀”现象,进而对此产生紧张和畏惧的心理。
在多年的数车工实习教学中,通过不断的摸索、总结、完善,对于螺纹的车削也有了一定的认知,我认为利用宏程序进行分层切削,可以很好地解决出现的问题。
“分层法”车削螺纹实际上是直进法和左右切削法的综合应用。
在车削较大螺距的螺纹时,“分层法”通常不是一次性就把槽切削出来,而是把牙槽分成若干层,每层深度根据实际情况而定。
转化成若干个较浅的槽来进行切削,可以降低车削难度。
每一层的切削都采用左右交替车削的方法,背吃刀量很小,刀具只需沿左右牙型线切削,螺纹车刀始终只有一个侧刃参加切削(如图2),从而使排屑比较顺利,刀尖的受力和受热情况有所改善,因此能加工出较高质量的螺纹,且容易掌握,程序简短,容易操作。
图2 分层切削法3 宏程序分层加工大螺距螺纹 3.2 程序以Fanuc 0i mateTC系统为例,图1所示螺纹的加工程序如下: O0001;T0101 M03 S300;换螺纹刀,主轴转速300r/min G00 X38 Z5;快速走到起刀点 M08;开冷却#101=36;螺纹公称直径 #102=0;右边借刀量初始值#103=-1.876;左边借刀量初始值(tg15*3.5*2或0.938*2) #104=0.2;每次吃刀深度,初始值N1 IF [#101 LT 29] GOTO2;加工到小径尺寸循环结束 G0 Z[5+#102] ;快速走到右边加工起刀点 G 92 X[#101] Z-30 F6;右边加工一刀 G0 Z[5+#103] ;快速走到左边加工起刀点 G92 X[#101] Z-30 F 6;左边加工一刀 #101=#101-#104;改变螺纹加工直径#102=#102-0.134*#104;计算因改变切深后右边借刀量(tg15/2=0.134) #103=#103+0.134*#104;计算因改变切深后左边借刀量(tg15/2=0.134) IF[#101 LT 34] THEN #104=0.15;小于34时每次吃刀深度为0.15 IF[#101 LT 32] THEN #104=0.1;小于32时每次吃刀深度为0.10 IF[#101 LT 30] THEN #104=0. 05;小于30时每次吃刀深度为0.05 GOTO 1;N2 G92 X29 Z-30 F6;在底径处精加工两刀 G92 X29 Z-30 F6;G00 X100 Z100 M09;刀架快速退回,关闭冷却 M05;主轴停M30;程序结束。
数控车床螺纹加工指令总结(文章底部可以评论,欢迎对文章进行点评和知识补充)精彩推荐每天学点机械知识数控车床可以加工直螺纹、锥螺纹、端面螺纹,见图所示。
加工方法上分为单行程螺纹切削、简单螺纹切削循环和螺纹切削复合循环。
(1)单行程螺纹切削G32指令格式:G32 X(U)____Z(W)____F____指令中的X(U)、Z(W)为螺纹终点坐标,F为螺纹导程。
使用G32指令前需确定的参数如图a所示,各参数意义如下:L:螺纹导程,当加工锥螺纹时,取X方向和Z方向中螺纹导程较大者;α:锥螺纹锥角,如果α为零,则为直螺纹;δ1、δ2:为切入量与切除量。
一般δ1=2~5mm、δ2=(1/4~1/2)δ1。
图a图b螺纹加工实例:如图b所示,螺距L=3.5mm,螺纹高度=2mm,主轴转速N=514r/min,δ1=2mm、δ2=lmm,分两次车削,每次车削深度为lmm。
加工程序为:N4 G00 Xl2.0 Z72.0;快速走到螺纹车削始点(12.0,72.0)N6 G32 X41.0 Z29.0 F3.5;螺纹车削N8 G00 X50.0;沿X轴方向快速退回N10 Z72.0;沿Z轴方向快速退回N12 X10.0;快速走到第二次螺纹车削起始点N14 G32 X39.0 Z29.0;第二次螺纹车削N16 G00 X50.0;沿X轴方向快速退回N18 G30 U0 W0 M09;回参考点N20 M30;程序结束(2)螺纹切削循环指令G92螺纹切削循坏G92为简单螺纹循环,该指令可以切削锥螺纹和圆柱螺纹,其循环路线与前述的单一形状固定循环基本相同,只是F后续进给量改为螺距值。
其指令格式为:G92 X(U)____Z(W)____R____F____;如图为螺纹切削循环图。
刀具从循环起点A开始,按A→B→C→D→A路径进行自动循环。
图中虚线表示刀具快速移动,实线表示按F指定的工作速度移动。
X、Z为螺纹终点的(C点)的坐标值;U、W起点坐标到终点坐标的增量值;R为锥螺纹终点半径与起点半径的差值,R值正负判断方法与G90相同,圆柱螺纹R=0时,可以省略;F为螺距值。
广数g76螺纹编程实例一、介绍螺纹加工是机械加工中常见的一种工艺,常用于制造螺母、螺栓等零部件。
广数g76是一种螺纹编程指令,用于在数控机床上实现螺纹加工。
本文将通过一个实例介绍如何使用广数g76进行螺纹编程。
二、实例背景假设我们需要在一个直径为50mm的工件上加工一段M6x1.5的内螺纹。
为了方便演示,我们选取的材料是铝合金。
三、准备工作1.设定工件坐标系:将工件固定在机床主轴上,并设定工件坐标系的原点和方向。
2.选择切削工具:根据工件材料和需要加工的螺纹规格选择合适的螺纹刀具。
3.设定工艺参数:根据实际需求,设置合适的切削进给速度、主轴转速等参数。
四、螺纹加工步骤1.首先,我们需要确定加工的起点位置。
假设我们选择工件的中心点作为起点。
2.设置刀具补偿:根据螺纹刀具的半径确定刀具补偿值,并设置好刀具补偿。
3.设定加工深度:根据需要加工的螺纹规格确定加工深度,并设置好加工深度。
4.输入加工参数:根据螺纹规格,使用广数g76指令输入加工参数。
在本例中,输入的参数为:–I:螺距的倒数,即1/1.5=0.6667–J:螺纹进给量,即50mm–K:每次加工的距离,可以根据需求设置合适的值,比如2mm–L:拉刀离刀程,即每个圈的离刀程,根据需求设置合适的值,比如2mm5.开始螺纹加工:使用广数g76指令启动螺纹加工过程。
6.完成加工:根据设定的加工深度和加工参数,螺纹加工过程会自动进行,直到达到设定的深度或加工完成。
在本例中,加工深度为10mm,加工参数设定的距离为2mm,所以需要进行5次加工。
7.检查结果:加工完成后,进行螺纹质量检查,并根据需要进行后续的磨削、抛光等处理。
五、注意事项1.避免刀具与工件碰撞:在设定刀具补偿和加工参数时,要确保刀具与工件之间有足够的间隙,避免碰撞和割伤。
2.控制切削力和切削温度:合理选择切削速度、进给速度等工艺参数,控制切削力和切削温度,避免工具磨损、工件变形等问题。
3.定期清洁切削区域:加工过程中,要定期清洁切削区域,保持良好的切削环境,提高加工质量和效率。
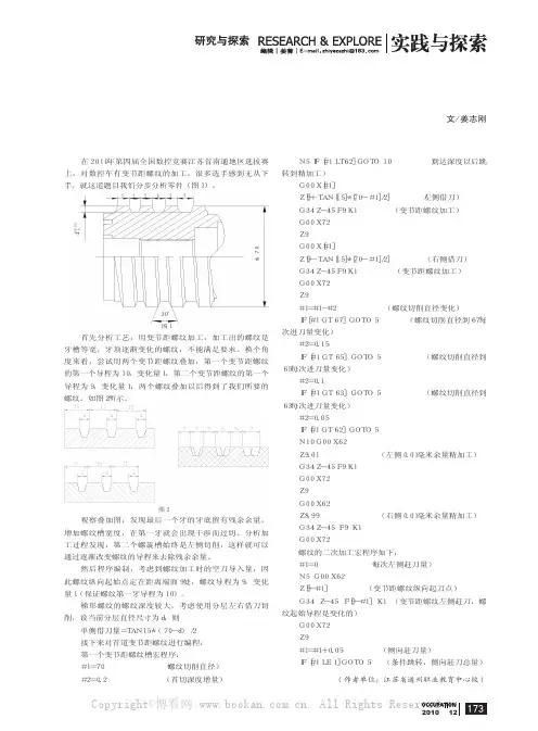
OCCUPATION1 3 2010 12在2010年第四届全国数控竞赛江苏省南通地区选拔赛上,对数控车有变节距螺纹的加工,很多选手感到无从下手,就这道题目我们分步分析零件(图1)。
图1首先分析工艺,用变节距螺纹加工,加工出的螺纹是牙槽等宽,牙顶逐渐变化的螺纹,不能满足要求。
换个角度来看,尝试用两个变节距螺纹叠加,第一个变节距螺纹的第一个导程为10,变化量1,第二个变节距螺纹的第一个导程为9,变化量1,两个螺纹叠加以后得到了我们所要的螺纹。
如图2所示。
观察叠加图,发现最后一个牙的牙底留有残余余量,增加螺纹槽宽度,在第一牙就会出现干涉而过切。
分析加工过程发现,第二个螺旋槽始终是左侧切削,这样就可以通过逐渐改变螺纹的导程来去除残余余量。
然后程序编制,考虑到螺纹加工时的空刀导入量,因此螺纹纵向起始点定在距离端面9处,螺纹导程为9,变化量1(保证螺纹第一牙导程为10)。
梯形螺纹的螺纹深度较大,考虑使用分层左右借刀切削,设当前分层直径尺寸为d,则单侧借刀量=TAN15*(70-d)/2接下来对首道变节距螺纹进行编程:第一个变节距螺纹槽宏程序:#1=70 (螺纹切削直径)#2=0.2 (首切深度增量)N5 IF [#1 LT62] GOTO 10 (到达深度以后跳转到精加工)G00 X[#1] Z[9+ TAN[15]*[70- #1]/2] (左侧借刀)G34 Z-45 F9 K1 (变节距螺纹加工)G00 X72Z9G00 X[#1]Z[9- TAN[15]*[70- #1]/2] (右侧借刀)G34 Z-45 F9 K1 (变节距螺纹加工)G00 X72Z9#1=#1-#2 (螺纹切削直径变化)IF[ #1 GT 67] GOTO 5 (螺纹切削直径到67每次进刀量变化)#2=0.15IF [#1 GT 65] GOTO 5 (螺纹切削直径到65每次进刀量变化)#2=0.1IF [#1 GT 63] GOTO 5 (螺纹切削直径到63每次进刀量变化)#2=0.05IF [#1 GT 62] GOTO 5 N10 G00 X62Z9.01 (左侧0.01毫米余量精加工)G34 Z-45 F9 K1G00 X72Z9G00 X62Z8.99 (右侧0.01毫米余量精加工)G34 Z-45 F9 K1G00 X72螺纹的二次加工宏程序如下:#1=0 (每次左侧赶刀量)N5 G00 X62Z[9-#1] (变节距螺纹纵向起刀点)G34 Z-45 F[9-#1] K1 (变节距螺纹左侧赶刀,螺纹起始导程是变化的)G00 X72Z9#1=#1+0.05 (侧向赶刀量)IF [#1 LE 1] GOTO 5 (条件跳转,侧向赶刀总量)(作者单位:江苏省通州职业教育中心校)数控车床加工变节距螺纹文/姜志刚4+0.05030°φ70图2Copyright©博看网 . All Rights Reserved.。
数控车床上加工螺纹的各种方法(附螺纹宏程序实例)数车螺纹加工常用的三种进刀方式:直向进给侧向进给交替进给不同的进给加工方式,对刀具磨损和螺纹质量具有不同的影响。
一、直向进给这种切削方法,需要刀具牙型和螺纹牙型完全一样。
螺纹刀切入零件后,整个切削刃都受力。
随着车刀切的越深,刀具切削刃切削的长度越长。
当切削刃切削的长度越长,刀具和零件承受的切削力越大。
好,理解这种走刀方式的特点之后,解决办法:1,这种走刀方式,小螺距螺纹优先选用。
2,编程时候切深随着切深越深,刀具切削刃切削的长度越长,切削力会越来越大,所以切深最好逐渐减少。
下面举个例子,比如加工M20x2的外螺纹(底径17.825)二、侧向进给这种切削方式是,主要靠刀具一侧的切削刃来切削。
刀牙型可以小于或等于螺纹牙型,若选择的刀具等于螺纹牙型,也就是所谓的成形刀,随着切削越深,刀具整个切削刃也都受力。
所以建议选择刀具比螺纹牙角度略小一些,这样加工大螺距螺纹可以减少切削过程中的震动。
好,下面我用一个宏程序举个例子,比如牙型比较大的圆弧螺纹,来完成侧向车削。
通过圆的参数方程式很快就完成程序编写,程序比较简单不再赘述。
三、交替进给刀具以左右交替进给的方式切入工件,把螺纹牙槽逐渐扩展到规定的尺寸。
这种切削适用于极大螺距的螺纹,可以显著减少切削过程中的震动。
需要注意:刀具牙型尺寸要小于螺纹牙型尺寸,这样才能完成交替借刀。
好,下面我用一个宏程序举个例子,比如牙型比较大的圆弧螺纹并,来完成交替车削,直接采用变量,代替零件的具体尺寸,简图如下:好了,更多思路上的分析就不详细讲了。
用心看一下上面程序用心看上面变量之间逻辑推理关系,因为太多人泛泛一看觉得知道了,甚是令人担忧。
大家切记,知道不等于会,只有认真思考,勤于实践,方能学到真本事!好东西,你要学!。
广州数控螺距补偿参数1. 什么是数控螺距补偿参数?数控螺距补偿参数是指在数控机床加工过程中,为了提高螺纹加工的精度和质量,对螺纹加工过程中的螺距进行补偿的参数。
螺距是指螺纹的每个螺旋线上相邻两个螺纹峰或螺纹谷之间的距离。
在数控机床上,由于机床本身的误差以及刀具磨损等原因,螺距会产生偏差。
为了保证螺纹加工的精度和质量,需要通过补偿参数来修正这种偏差。
2. 数控螺距补偿参数的分类数控螺距补偿参数可以分为两类:刀具补偿和螺距补偿。
2.1 刀具补偿刀具补偿是指通过改变刀具的几何参数,来修正螺距误差。
常用的刀具补偿参数有刀具半径补偿(R参数)、刀具长度补偿(L参数)和刀具偏置补偿(F参数)等。
刀具半径补偿是指通过改变刀具的半径值,来修正螺距误差。
当螺距偏大时,可以增大刀具半径值,使得每个螺旋线上的螺距减小;当螺距偏小时,可以减小刀具半径值,使得每个螺旋线上的螺距增大。
刀具长度补偿是指通过改变刀具的长度值,来修正螺距误差。
当螺距偏大时,可以增加刀具长度值,使得每个螺旋线上的螺距增大;当螺距偏小时,可以减小刀具长度值,使得每个螺旋线上的螺距减小。
刀具偏置补偿是指通过改变刀具的位置值,来修正螺距误差。
当螺距偏大时,可以将刀具位置向外偏移,使得每个螺旋线上的螺距减小;当螺距偏小时,可以将刀具位置向内偏移,使得每个螺旋线上的螺距增大。
2.2 螺距补偿螺距补偿是指通过改变数控机床的参数,来修正螺距误差。
常用的螺距补偿参数有螺距补偿值(P参数)和螺距补偿方向(D参数)等。
螺距补偿值是指通过改变数控机床的进给量,来修正螺距误差。
当螺距偏大时,可以增加螺距补偿值,使得每个螺旋线上的螺距减小;当螺距偏小时,可以减小螺距补偿值,使得每个螺旋线上的螺距增大。
螺距补偿方向是指通过改变数控机床的进给方向,来修正螺距误差。
当螺距偏大时,可以改变进给方向为逆时针,使得每个螺旋线上的螺距减小;当螺距偏小时,可以改变进给方向为顺时针,使得每个螺旋线上的螺距增大。
广州数控螺距补偿参数
标题:“广州数控螺距补偿参数”
正文:
数控螺距补偿参数是广州地区数控加工过程中的重要技术指标。
它对于保证零件加工精度、提高加工效率具有关键作用。
在本文中,我们将探讨广州数控螺距补偿参数的概念、影响因素以及优化方法。
首先,我们需要了解什么是螺距补偿参数。
螺距补偿参数是指在数控加工过程中,通过调整机床控制系统中的螺距补偿参数来修正由于机床误差、刀具磨损等原因引起的工件加工误差。
螺距补偿参数通常包括补偿量、补偿方向、补偿位置等多个参数。
广州地区的数控加工受到多种因素的影响,如环境温度、湿度、机床磨损程度等。
这些因素会导致螺距补偿参数的变化,影响加工精度和效率。
因此,在确定螺距补偿参数时,需要考虑这些因素,并进行优化调整。
为了确定合适的螺距补偿参数,可以采用试加工的方法。
即通过实际加工一定数量的样件,测量其几何尺寸精度,然后根据测量结果进行参数调整。
通过不断优化,找到最佳的螺距补偿参数组合,从而提高加工精度和效率。
然而,在确定螺距补偿参数时,需要注意避免侵权争议。
确保所使用的数据和信息不侵犯他人的版权,遵守相关法律法规。
同时,在文章中也不得出现任何敏感词和不良信息,以确保文章内容的健康和积极性。
总之,广州数控螺距补偿参数是数控加工过程中至关重要的技术指标。
在确定螺距补偿参数时,需要考虑多种因素,并通过优化调整找到最佳参数组合。
同时,注意遵守法律法规,保持文章内容的健康和积极性。
通过合理的螺距补偿参数设定,可以提高加工精度和效率,达到更好的加工效果。