文件图纸归档登记表
- 格式:doc
- 大小:32.00 KB
- 文档页数:1
第1篇第一章总则第一条为加强设计文件归档管理工作,确保设计文件的安全、完整、准确,提高设计文件管理水平,根据《中华人民共和国档案法》及相关法律法规,结合本单位的实际情况,制定本规定。
第二条本规定适用于本单位的各类设计文件归档工作,包括但不限于工程图纸、技术资料、设计变更、施工图、竣工图等。
第三条设计文件归档工作应遵循以下原则:(一)统一领导,分级管理;(二)集中归档,分室保管;(三)安全第一,质量为本;(四)及时归档,规范管理。
第四条设计文件归档工作由单位档案管理部门负责组织实施,各相关部门应积极配合,共同做好设计文件归档工作。
第二章归档范围与要求第五条设计文件归档范围:(一)各类工程设计文件,包括方案设计、初步设计、施工图设计等;(二)设计变更文件,包括设计变更通知、设计变更图纸等;(三)施工图设计文件,包括施工图、设计说明书、设计计算书等;(四)竣工图文件,包括竣工图、竣工说明书、竣工计算书等;(五)技术资料,包括材料、设备、施工组织设计、质量检验报告等;(六)其他与设计文件相关的资料。
第六条设计文件归档要求:(一)设计文件应完整、准确、清晰,符合国家相关标准和规范;(二)设计文件应按照设计阶段、专业、类别等进行分类整理;(三)设计文件应标注归档编号,方便查阅和管理;(四)设计文件应使用耐久性材料,如A3纸、A4纸等;(五)设计文件应按照国家档案保护要求进行装订、包装;(六)设计文件归档前应进行质量审核,确保其符合归档要求。
第三章归档程序第七条设计文件归档程序:(一)设计文件形成单位应按照归档要求对设计文件进行整理、审核,并填写归档目录;(二)设计文件形成单位将整理好的设计文件报送档案管理部门;(三)档案管理部门对设计文件进行验收、审核,符合归档要求的予以归档;(四)档案管理部门对设计文件进行编号、登记,建立档案目录;(五)档案管理部门对设计文件进行保管、维护,确保其安全、完整。
第八条设计文件归档时间:(一)工程设计文件应在工程竣工后3个月内完成归档;(二)设计变更文件应在变更实施后3个月内完成归档;(三)其他设计文件应在形成后3个月内完成归档。
奇瑞重工南方农业装备事业部制度产品图样和设计文件归档、发放及回收规定目录1.目的2.适用范围3.术语4.职能职责5.内容及要求6.考核7.附则8.附件生效日期2011年月日制度编号QRZGN.L.100002.000.0-2011产品专员制订单位技术中心本制度维护责任岗位起草人审核人审定人批准人1 目的规范产品图样和设计文件归档、发放及回收程序,加强各部门对产品图样和设计文件管理意识,防止技术机密外泄,特制订本规定。
2 适用范围本规定适用于事业部相关部门及需要提供产品图样和设计文件的供应商。
3 术语3.1 产品图样:本规定中的产品图样包括设计输出的S图和A图。
3.2 设计文件:本规定中的设计文件仅指产品明细表、更改通知单、产品系统配置表及业务联系书。
4 职能职责4.1 综合管理部是产品图样和明细表复制及归档管理部门,负责产品图样和明细表复制、发放及相对应旧图的回收与销毁管理。
4.2 研究所负责将产品图样和明细表(纸质及电子图档)送交档案室进行归档,负责更改通知单、业务联系书的编制、复制、发放与存档管理。
4.3 事业部各部门负责本部门产品图样和设计文件的保管、使用、保密及相应的图纸更改管理工作。
4.4 采购部是产品图样及设计文件对供应商的发放部门,并保证更改通知单、更改图样等设计文件同步知达各供应商,同时负责相对应旧图的回收,按要求集中交综合管理科确认登记后按规定销毁。
5 内容及要求5.1 产品图样和设计文件的归档5.1.1 研究所负责纸质图样和明细表按图样审签程序进行审签后,连同电子图档交档案室办理归档登记,分别填写“产品图样归档登记表”(见附件1)及“设计文件和资料归档登记表”(见附件2)。
5.1.2 更改通知单、业务联系书由研究所负责归档保管。
5.2 产品图样和设计文件的复制和发放5.2.1 事业部正常生产所需的A图首次发放和按开发计划用于试制的S图,由综合管理科负责组织复印和发放。
5.2.2 事业部临时生产用图(包括供应商申请用图、制造部生产车间自制用图、质量管理部检验用图、生产使用过程中损坏及丢失需补发用图),制造技术部工艺开发以及研究所产品开发用图,由所需部门填写“产品图样和资料发放申请表”(见附件3),注明所需产品图样名称、代号、数量、申请理由和部门负责人签字,供应商申请用图需经质量管理部负责人签字(可委托外检科负责人代签),经综合管理科负责人批准后,综合管理科按申请内容组织复制和发放。
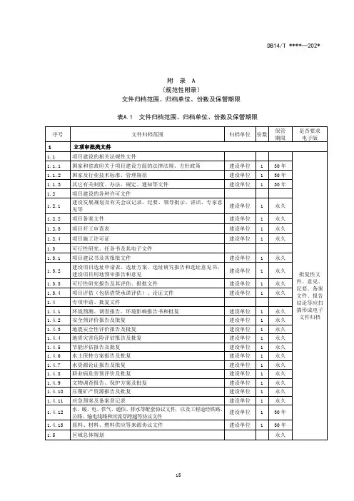
附录A (规范性附录)文件归档范围、归档单位、份数及保管期限表A.1文件归档范围、归档单位、份数及保管期限序号文件归档范围归档单位份数保管期限是否要求电子版1立项审批类文件1.1项目建设的相关法规性文件批复性文件、意见、纪要、备案文件、报告结论等应扫描形成电子文件归档1.1.1国家和省政府关于项目建设方面的法律法规、方针政策建设单位130年1.1.2国家及行业技术标准、管理规范建设单位130年1.1.3其它有关制度、办法、规定、通知等文件建设单位130年1.2项目建设的各种许可文件1.2.1建设发展规划及有关会议记录、纪要、领导批示、讲话、专家意见等建设单位1永久1.2.2项目备案文件建设单位1永久1.2.3项目开工审查表建设单位1永久1.2.4项目施工许可证建设单位1永久1.3可行性研究、任务书及其电子文件1.3.1项目建议书及其报批文件建设单位1永久1.3.2建设项目选址申请表、选址方案、选址研究报告和选址意见书,建设项目用地预审报告和意见建设单位1永久1.3.3可行性研究报告及其评估、报批文件建设单位1永久1.3.4项目评估(包括借贷承诺评估)、论证文件建设单位1永久1.4专项申请、批复文件1.4.1环境预测、调查报告,环境影响报告书和批复建设单位1永久1.4.2安全预评价报告及批复建设单位1永久1.4.3地震安全性评价报告及批复建设单位1永久1.4.4地质灾害危险评估报告及批复建设单位1永久1.4.5节能评估报告及批复建设单位1永久1.4.6水土保持方案报告及批复建设单位1永久1.4.7水资源论证报告及批复建设单位1永久1.4.8职业病危害预评价及批复建设单位1永久1.4.9文物调查报告、保护方案及批复建设单位1永久1.4.10压覆矿产资源报告及批复建设单位1永久1.4.11应急预案及备案登记表建设单位1永久1.4.12水、暖、电、供气、通信、排水等配套协议文件,以及工程途经铁路、公路、输电线路和河流穿跨越等协议文件建设单位130年1.4.13原料、材料、燃料供应等来源协议文件建设单位130年1.5区域总体规划永久表A.1文件归档范围、归档单位、份数及保管期限(续)序号文件归档范围归档单位份数保管期限是否要求电子版2设计审批类文件2.1设计基础文件批复文件、审查意见扫描成电子文件,图纸由设计单位提供电子文件,刻录成光盘归档。
附录 A 建筑工程文件归档内容一览表
备注: 1. 室外工程等文件归档内容参照附录B。
2. 检测单位应当长期保存与工程质量、安全相关的检测报告。
3. 表中符号“★”表示必须归档保存。
附录 B 市政(含管线)工程文件归档内容一览表
附录 B 市政(含管线)工程文件归档内容一览表
附录 B 市政(含管线)工程文件归档内容一览表
附录 B 市政(含管线)工程文件归档内容一览表
附录 B 市政(含管线)工程文件归档内容一览表
附录 B 市政(含管线)工程文件归档内容一览表
附录 B 市政(含管线)工程文件归档内容一览表
附录 B 市政(含管线)工程文件归档内容一览表
附录 B 市政(含管线)工程文件归档内容一览表
附录 B 市政(含管线)工程文件归档内容一览表
附录 B 市政(含管线)工程文件归档内容一览表
附录 B 市政(含管线)工程文件归档内容一览表
附录 B 市政(含管线)工程文件归档内容一览表
附录 B 市政(含管线)工程文件归档内容一览表
附录 B 市政(含管线)工程文件归档内容一览表
附录 B 市政(含管线)工程文件归档内容一览表。
第一章总则第一条为加强工程部资料档案的管理,确保档案的完整、准确、系统,提高工作效率,依据《中华人民共和国档案法》及相关法律法规,结合本部门实际情况,制定本制度。
第二条本制度适用于工程部所有资料档案的管理,包括施工图纸、设计文件、技术资料、合同协议、验收报告、施工日志、照片等。
第三条工程部资料档案管理应遵循以下原则:1. 完整性原则:确保档案的全面、真实、完整;2. 准确性原则:档案内容准确无误,便于查阅;3. 系统性原则:档案分类合理,便于检索;4. 安全性原则:确保档案实体和信息安全;5. 可持续发展原则:建立长效机制,确保档案管理的持续发展。
第二章资料档案的收集与整理第四条资料档案的收集范围:1. 施工图纸、设计文件;2. 技术资料,包括施工方案、施工组织设计、施工图预算等;3. 合同协议,包括施工合同、监理合同、材料设备采购合同等;4. 验收报告,包括竣工验收报告、中间验收报告等;5. 施工日志、照片等;6. 其他与工程相关的资料。
第五条资料档案的收集要求:1. 按照档案分类标准进行收集;2. 收集的资料应完整、准确、清晰;3. 收集的资料应及时归档。
第六条资料档案的整理要求:1. 按照档案分类标准进行分类;2. 按照时间顺序进行排列;3. 编制档案目录,包括档案名称、编号、数量、存放位置等;4. 对资料档案进行编号,方便检索和管理。
第三章资料档案的保管与利用第七条资料档案的保管要求:1. 选择合适的保管场所,确保档案实体安全;2. 保管场所应具备防火、防盗、防潮、防虫、防霉等条件;3. 定期对档案进行检查,发现损坏、丢失等问题及时处理;4. 严格执行档案借阅制度,确保档案信息安全。
第八条资料档案的利用要求:1. 严格执行档案借阅制度,借阅人需出示有效证件;2. 借阅档案时,需填写借阅登记表,明确借阅目的、期限;3. 借阅人应爱护档案,不得涂改、损坏、擅自复制;4. 借阅结束后,及时归还档案,不得逾期。
施工图纸登记表一、引言在建筑行业,施工图纸是施工过程中的重要指导文件,对项目的顺利进行和最终的质量控制有着至关重要的影响。
为了确保施工图纸的有效管理和控制,使用施工图纸登记表成为一种常见的实践。
本文将详细介绍施工图纸登记表的作用、设计、使用方法和维护。
二、施工图纸登记表的作用1、跟踪和管理:通过建立详细的登记表,可以跟踪图纸的版本、修改记录、审批状态等信息,方便管理人员快速了解图纸的状态。
2、防止错误和遗漏:登记表中的详细信息可以帮助避免在施工过程中因图纸错误或遗漏而引起的质量问题。
3、提高效率:通过使用登记表,可以减少查找和核实图纸信息的时间,从而提高工作效率。
4、责任明确:登记表中的记录可以帮助明确各方的责任,特别是在出现质量问题时,可以迅速找到责任人。
三、施工图纸登记表的设计登记表应设计为详细的表格形式,包括以下列:1、图纸编号:用于唯一标识每一张图纸。
2、图纸名称:用于描述图纸的内容。
3、版本号:用于跟踪图纸的修改历史。
4、设计师:设计图纸的人员。
5、审核人:审核图纸的人员。
6、批准人:批准图纸的人员。
7、创建日期:图纸的创建日期。
8、修改日期:每次修改图纸的日期。
9、修改内容:每次修改的内容。
10、其他备注信息:其他与图纸相关的信息,如特殊要求等。
四、施工图纸登记表的使用方法使用施工图纸登记表的过程应遵循以下步骤:1、创建表格:在开始一个新项目时,应创建一份新的登记表。
2、填写基本信息:根据项目需要填写图纸编号、名称、版本号等信息。
3、设计阶段:设计师在设计阶段应更新登记表,添加新的版本信息。
4、审核和批准阶段:审核人和批准人在各自的环节对登记表进行更新,确保信息的准确性。
5、施工阶段:在施工过程中,相关人员应随时更新登记表,记录修改信息和备注信息。
6、维护和更新:项目结束后,应对登记表进行整理和维护,为下一个项目提供参考。
五、施工图纸登记表的维护为了确保施工图纸登记表的持续有效性和准确性,需要进行定期的维护和更新。
项目工程档案文件分类及归档范围表编制单位编制时间:三级类保存职责部二级类配合部目(文件文件名称限期一级类目门目门种类)1. 地块原始资料工程项 2. 政府文件 / 先期方案议论部、前策3 合同文件目用期部划 4. 先期研究资料立地5. 项目策划、定位、评论报告销项名6、土地商务资料售7. 项目土地批租有关文件研称部8. 电子文件夹,目录备查究9.选址申请及选址规划建议通知书企业文** 项目件行政人** 项目事类文企业行件政部土地类**项目文件前立项阶段期文件部10.1.项目土地批租有关文件(土地证等)2.土地交易公正书3.地块原始资料(含地块内及土地周边原有设备、建筑物有关资料,电子文件夹等)4.申报的规划设计条件和规划条件通知书1. 可行性研究报告总师永远2. 项目评估文件办、工3. 环境展望、地震检查报告等程部4.单位工程汇总表5. 对于立项有关的会议纪要、领导发言文件6. 工程防治方案7. 投资估量8. 检查资料及项目评估研究资料、专家建议9. 项目建议书及审批建议、先期工作通知书10. 图纸11.先期立项审批 1. 可行性研究报告的评估建议、批复总师办永远部文件 2. 计划任务书及批复1. 建设工程规划送审单总师办永远2. 规划设计方案评审表先期规划审批 3. 设计中标通知书部文件 4. 建设用地规划允许证的通知5. 建设用地规划允许证、附图6. 图纸1. 核发建设工程规划允许证的通知总师办永远2. 建设工程规划允许证及同意的建筑工程总师办永远地点地形图、总平面图3. 环保、卫生防疫、消防、人防、交通、绿前化、供电、供煤、供水、通邮、通信、抗施工审批期震、防雷、环评、园林、市政、文物、教文件部育、卫生、劳动保护三同时、档案等同意文件或获得的有关协议、审察建议单、送审单4. 建设工程施工允许证及申请文件5. 水、暖、电、煤气供给市政等配套协议书,监理招合约管招招标文投标文理部件件增补协议6.图纸7.1.监理合同2.市招标办受权管理通知3.中标通知书4.招招标项目登记表 ( 包含招、评标小组报批内容 )5.招标 ( 或议标 ) 文件、工程量清单、报批表6.招招标文件答疑纪要7.送审标底、核查标底8.中标单位标函及拜托代理证人明总师9.询标志录办、前10.开标状况汇总表期部11.决标状况汇总表12.未中标通知书13.查处资料 ( 含处分决定书、外罚经过、处分结果 )14.拜托代理招标协议15.资本落实证明16.1. 设计合同永2. 市招标办受权管理通知久3. 中标通知书4. 招招标项目登记表( 包含招、评标小组报批内容 )5. 招标 ( 或议标 ) 文件 ( 凡境外招招标资料全部归档 )6. 招招标文件答疑纪要7. 送审标底、核查标底设计招总师合约管招招标文8. 中标单位标函及拜托代理证人明投标文办、前理部件9. 询标志录件期部10.开标状况汇总表11.决标状况汇总表12.未中标通知书13.查处资料 ( 含处分决定书、外罚经过、处分结果 )14.拜托代理招标协议15.资本落实证明16.1.施工合同2.工程决算表、汇总表3.市招标办受权管理通知4.中标通知书5.招招标项目登记表 ( 包含招、评标小组报批内容 )6.招标 ( 或议标 ) 文件、工程量清单、报批表7.招招标文件答疑纪要8.送审标底、核查标底施工9.中标单位标函及拜托代理证人明总师合约管招投标招投10.询标志录办、前永远理部文件标文11.开标状况汇总表期部件12.决标状况汇总表13.未中标通知书14.查处资料 ( 含处分决定书、外罚经过、处分结果 )15.拜托代理招标协议16.资本落实证明17.联建协议书18.图纸19.1.广告策划合同2.市招标办受权管理通知3.中标通知书4.招招标项目登记表 ( 包含招、评标小组报批内容 )5.招标 ( 或议标 ) 文件、工程量清单、报批表6.招招标文件答疑纪要广告7. 送审标底、核查标底销售企策划8. 中标单位标函及拜托代理证人明划部、合约管招投标招投9. 询标志录总师永远理部文件标文10. 开标状况汇总表办、前件11. 决标状况汇总表期部12.未中标通知书13.查处资料 ( 含处分决定书、外罚经过、处分结果 )14.拜托代理招标协议15.资本落实证明16.联建协议书17.1.合同2.市招标办受权管理通知3.中标通知书4. 招招标项目登记表( 包含招、评标小组报批内容 )5. 招标 ( 或议标 ) 文件、工程量清单、报批表6. 招招标文件答疑纪要7. 送审标底、核查标底8. 中标单位标函及拜托代理证人明9. 询标志录其他开标状况汇总表10.合约管招投标招投11. 决标状况汇总表理部文件标文未中标通知书12.件13.查处资料(含处分决定书、外罚经过、处罚结果 )14.拜托代理招标协议15.资本落实证明16.联建协议书17.图纸18.投标 1.建设单位管理机构组成表合约管招招标机构建设单位 2.建设单位负责人及人员名单理部文件资质 3.建设单位资质人员 4.管理1.监理单位资质证书2.监理单位营业执照3.监理单位项目管理机构组成表4.监理单位项目管理机构负责人及人员名监理单位单5.监理单位项目管理机构负责人及人员身份证、职称证书复印件6.1.施工单位资质证书2.施工单位营业执照3.施工单位项目管理机构组成表4.施工单位项目管理机构负责人及人员名单施工单位5.施工单位项目管理机构负责人及人员身份证、职称证书复印件6.1.其余单位资质证书2.其余单位营业执照其余单位3. 其余单位项目管理机构组成表4.其余单位项目管理机构负责人及人员名单5.其余单位管理机构负责人及人员身份证、职称证书复印件6.总师永远工程勘工程 1. 地质勘察合同、协议办、合工程部测文件勘察 2. 水文、地质勘察报告、地质图约管理部总师永远1. 规划观点设计图纸办、合设计文概念 2. 建筑观点设计图纸设计部约管理件设计 3. 观点设计合同、协议部、前4.期部1. 规划方案设计2. 建筑方案设计3. 人防方案设计4. 景观方案设计5. 照明方案设计6. 电力方案设计7. 室内方案设计8. 其余方案设计9. 方案设计的批复、鉴定设计方案通知书及审察建议总师10. 设计方案及送审请示办、合设计文方案设计部11. 设计总平面图及各专业全套设计图(提交约管理件设计光盘、包含地下综合管网部署及断面规划图、部、前含竖向标高规划)期部12. 设计 ( 概) 估量书13.13.设计计算书 ( 或代保存书 )( 各专业计算书和电算资料 )14.设计方案评审建议(总方案、专业、中间、审察查收记录等)15.专家论证建议汇总、各个阶段会议纪要161. 建筑初步设计总师设计文初步设计部 2. 人防初步设计办、合件设计约管理3. 景观初步设计4. 照明初步设计部、前5. 电力初步设计期部6.室内初步设计7.其余初步设计8.初步设计的批复9.专家论证(审察)建议汇总10.设计 ( 概) 估量书11.设计计算书 ( 或代保存书 )( 各专业计算书和电算资料 )12.企业上司部门评审建议、批复等13.各个阶段会议纪要14.1.建筑施工图设计2.人防施工图设计3.景观施工图设计总师4. 照明施工图设计施工办、合设计文 5. 电力施工图设计设计部图设约管理件 6. 室内施工图设计计部、前7. 广电施工图设计期部8. 电信施工图设计9. 智能化施工图设计10. 燃气施工图设计11.基坑围护施工图设计(若有)12.其余施工图设计13.设计(概)估量书14.设计计算书(或代保存书)(各专业计算书和电算资料 )15.施工图审图合同(含人防部分)16.施工图设计审察经过证书17.施工图审察存案项目表、证书18.施工图设计文件审察证书、审察表、登记表19.企业上司部门评审建议、批复等20.1.工程、水文地质勘探报告等2.地形丈量和拨地丈量成就报告资料3.单项评估资料(环境影响、地震检查等)4.场所交接(坐标、界桩、三通一平场所移交书等)项目建工程工程部 5.民规划、拆迁部署、赔偿协议、拆迁方案设管理准备等6. 工程试桩资料7. 地质勘探咨询建议、会议纪要等8. 设计图纸9.1.分项分部工程质量查收证明书项目建基础工程部 2.构造吊装(打桩)工程质量查收证明书设管理部分3.施工合同及估量4. 桩基中间核验单( 桩基独自报应有此文件 )5.动工、完工报告6.桩位放线丈量复核单7.桩位定位放线记录8.图纸会审交底纪要9.1. 民防建设工程完工查收存案表2. 工程完工查收报告3. 工程技术档案质量审察表( 三方签审 )4. 市 ( 区 ) 民防办对于工程项目批复及有关批文项目建人防 5. 设计任务书工程部设管理部分 6. 设计说明书7. 设计计算书 ( 或代保存书 ) ( 各专业计算书和电算资料 )8.民防办对工程扩初、施工图审图建议、登记表9.民防工程监察申请表10.1.建设工程完工档案存案表项目建主体工程部 2.建设工程完工查收报告设管理部分3.分项分部工程质量查收证明书4. 勘探单位出具的工程质量完工报告( 合格证明书 )5. 设计单位出具的工程质量完工报告( 合格证明书 )6. 施工单位出具的工程质量完工报告( 合格证明书 )7. 监理单位出具的工程质量完工报告( 合格证明书 )8.施工合同及估量汇总表、施工估量批复9.施工组织设计10.施工原材项目建含钢筋、混凝土、水泥、沙浆、防水资料、门工程部料质设管理窗、涂料、花岗岩等,见量保证1. 施工合同(如独自分包)2. 施工估量水、 3. 安装单位工程综合质量评定表项目建暖、 4. 安装工程中间查收单工程部设管理煤、卫 5. 动工、完工报告部分 6. 会议交底记录 ( 独自立卷 )7.8.工程部项目建电气1.施工合同(如独自分包)设管理(强弱 ) 部分通风、项目建工程部空调设管理部分智能项目建工程部化部设管理分2.施工估量3.安装单位工程综合质量评定表4.安装工程中间查收单5.动工、完工报告6.会议交底记录( 独自立卷 )7.1.施工合同(如独自分包)2.施工估量3.安装单位工程综合质量评定表4.安装工程中间查收单5.动工、完工报告6.会议交底记录( 独自立卷 )7.1.施工合同(如独自分包)2.施工估量3.动工、完工报告4.会议交底记录( 独自立卷 )5.建筑资料、设备、构配件进场查验记录6.资料、设备出厂合格证书技术文件7.系统功能测定及设备调试记录8.系统技术、操作和保护手册、培训记录9.工程部项目建电梯 1.单台电梯安装质量等级鉴定书设管理部分 2. 施工合同及保修协议3. 动工、完工报告4. 电梯定货合同、开箱记录、设备随机文件5. 主要电梯设备明细表6. 图纸会审、设计更改7. 电梯运转记录8. 电梯安全装置检测报告9. 劳动、技术监察部门查收报告10.1. 设备安装工程施工合同(如独自分包)2. 设备安装工程估量书设备 3. 分部分项工程查验单 ( 安装 )项目建工程部安装 4. 动工报告、完工报告、施工总结设管理部分 5. 建筑资料、设备、构配件进场查验记录6. 施工组织设计、施工方案、施工安装记录7.1. 建设工程完工档案存案表2. 建设工程完工查收报告3. 勘探单位出具的工程质量完工报告( 合格证明书 ) 绿化项目建 4. 设计单位出具的工程质量完工报告( 合格工程部工程设管理证明书 )部分5. 施工单位出具的工程质量完工报告( 合格证明书 )6. 监理单位出具的工程质量完工报告( 合格证明书 )7.项目申请报告、批复8.设计方案审察表、批复、评审建议、设计方案9.1. 幕墙质量核考证书2. 施工单位资质证书( 含操作工上岗证及必备资料 )3. 设计计算书、设计方案幕墙项目建 4. 设计图纸技术说明工程部工程设管理 5. 施工图部分6. 施工合同、估量7. 幕墙中间核验单8. 开、完工报告9.1. 工程概略表2. 施工进度计划剖析3. 施工动工申请、动工令4. 工程施工日记项目建施工 5. 施工例会会议记录工程部设管理管理 6. 有关专题会议纪要7. 企业工程检查记录8. 工程施工质量控制记录9. 工程进度记录10. 工程不合格品记录11.工程整顿状况检查记录12.工程状况每周简报13.工程状况月报14.工程事故办理记录(状况、办理举措、预防举措、办理结果)15.施工指令16.合同文件依据项目成本编号进行存档,非公然档案。
设计图纸管理制度(试行)一、目的规定本公司图纸及工艺文件的设计、审核、发放、回收、更改的方法和程序。
明确图纸的有关管理规定,对产品图纸、工艺等技术文件进行有效的控制,以确保各部门使用的图纸和技术文件均为有效版本。
二、适用范围使用于本公司的产品设计工程图纸、客户外来图纸以及工艺文件等技术文件的管理。
三、职责3.1研发部作为技术文件的归口部门,负责产品图样和工艺文件的设计,修改,审核、发放的工作,并对其正确、完整、统一性负责。
同时也负责对客户图纸和技术文件的接收、转化、复印、发放、归档等工作,对电子版技术文件进行备份和管理,并对技术文件的完好清晰、安全、有效性负责。
具体工作职责如下:3.1.1 负责公司技术图纸的设计、审核、发放、更改、回收等工作。
3.1.2 负责外来技术图纸转化、校对、发放、变更、回收等工作。
3.1.3.负责工艺文件编制、审核、更改等工作。
3.1.4.负责所有技术图纸及工艺文件的归档、管理工作。
3.1.5.负责编制公司产品的技术标准。
3.2生产工场(含车间)、质量管理部、外协等相关部门,负责对技术文件要求的内容组织实施。
3.3市场部负责与顾客方的前期联络与沟通,及时反馈顾客对于产品的特殊要求和相关信息,并确保图样的最新版本。
四、内容4.1 技术图纸、工艺文件编制、审批要求4.1.1自行设计的图纸、编制的工艺文件应简单明了,图文清晰,图纸中的文字、符号、术语等应符合国家标准或者行业标准,图纸中的线条粗细、尺寸标注等应清晰、明了,公司的图纸格式、作业指导书由研发部统一设计,标题栏中的内容应填写完整,工艺卡片上的栏目也要填写齐全。
4.1.2.技术图纸由专业技术人员负责设计,由设计、校对、审批、批准四级签署,工艺文件由专业人员编制,由编制、审核二级签署。
字体应清晰,易于辨认,签署人对自己的签署负有相应的责任。
4.1.3顾客的产品图样或技术文件(电子文档)由市场部接收后转交研发部,可以是电子邮件,也可以是纸质文件,研发部接收后进行整理,填写“文件接收登记表”。
归档电子文件移交、接收检验登记表 TY-16-1工程说明TY-04说明:由工程施工、无损检测或监理单位分别填写。
填写工程主要内容以及开工时间、完工交接时间、重大设计变更、工程质量初评、以及无损检测、监理、工程交工技术文件编制情况等。
为加强工程资料的可追溯性,防止产生歧义,本次修订将交工技术表格中“工程编号”的含义明确如下:工程编号在开工前进行检验批划分的过程中确定(参见TY-33工程划分明细表),一般采用数字编码分级表示,它是交工技术表格内容所对应的单位工程、分部工程、分项工程、检验批编号,应填写表格内容所涵盖范围的同级编号,例如,隐蔽记录、安装记录中的工程编号应填写对应的检验批编号,工程说明中的工程编号应填写单位工程编号,主要设备及备品、备件交接清单可视交接范围填写分部或单位工程编号。
施工单位图纸会审记录TY-24施工日志TY-19施工组织设计(方案)报审表JL-A02技术交底记录TY-31工程质量保修承诺书为保证×××××××工程在合理使用年限内正常使用,×××××××建筑公司向工程业主××××××××有限公司,在工程质量保修期内作以下承诺:一、工程质量保修范围和内容:。
二、质量保修期:质量保修期从工程实际竣工之日算起。
分单项竣工验收的工程,按单项工程分别计算质量保修期。
保修期限如下:1、地基基础和主体结构工程,为设计文体规定的该工程的合理使用50年。
2、屋面防水工程,有防水要求的房间和外墙有防渗漏,为5年。
3、电气系统,给排水管道,设备安装为2年。
4、装修工程为2年。
5、仪表控制系统1年。
三、质量保修责任:1、属于保修范围和内容的项目,承包人应在接到修理通知之日后3天内派人修理。
1.0目的建立图纸管制制度,使图纸使用、保存、更换、废止作业有章可循﹐确保各班组能迅速﹐正确地使用图纸并防止图纸的遗失。
2.0范围本规定适用于总装部各生产班组。
3.0职责 部门岗位 工作职责 总装部操作员 负责图纸使用期间清晰明了及其完整,用完后及时放回储存原位 总装部首检员 负责图纸使用期间监督所使用之图纸的有效性 总装部 班组长 负责监查本班组图纸使用的规范性,确保各操作员使用图纸的适用性﹑有效性;每天领取当班所需的图纸并登记在册。
总装部 文员/首检负责图纸签收并建立各班组图纸发放记录/图纸回收记录及电子档建立整理和图纸设变更换;每天把各班组计划内所需的图纸整理好。
总装部主 管 负责督导本部门图纸正常规范使用并负有监查稽核之责 总装部 经 理 负责督导部门图纸正常规范使用并负有监查稽核之责 4.0 流程图执行人员 流程图 使用表单文员 /首检 《生产日计划表》班长 《生产日计划表》班长 《图纸借用登记表》操作员 无操作员 无班长 《图纸借用登记表》 5.0 工作內容5.1图纸管制与说明:除特殊状况外图纸处理之各项管制作业运作必依据下列说明,由各相关班组、人员分別执行。
5.1.1 场地﹕图纸存放之地点必须固定且应避免闲杂人员随意进入.准备计划图纸 领取计划图纸 登记借用图纸 现场使用 归还班长 归还文员5.1.2 设备﹕图纸柜、图纸盒或其他存放设施,图纸柜和图纸盒应编号标示并由文员负责.5.1.3. 各班组:负责图纸使用过程中的储存保管﹐保证图纸的规范使用、及时归还,并对其清洁完整性负责。
5.2 图纸归档:部门文员除负责图纸签收外,应建立各班组图纸发放记录,图纸回收记录及电子档建立整理.将图纸编号分类﹑索引﹑标示存放于固定场所及固定档案內﹐以避免图纸遗失方便查找使用.5.3 图纸使用:各班组所需使用图纸﹐每天到文员处领取,当天的图纸资料由班组长统一领出并登记好;使用时应注意以下三点:1)严禁戴脏手套拿取图纸,严禁用带油污的手直接接触图纸。
文件资料归档管理规定根据企业发展规划,保障企业经营管理规范运营和商业机密、知识产权,避免出现原始资料和数据的缺失,促进企业经营资源的扩展利用,公司要求各部门加强实施文件资料和电子资料按时归档。
一、归档的文件资料包含:1)商务类商务投标文件,报价文书,招标(通知)文件,商务合同,以及客户往来文件资料、资质文件。
2)技术类a、技术标书文件,技术说明,技术图纸(含电子式),技术通知,技术要求,技术规范,以及技术文件资料审核审批单,技术联系及技术协议,技术合同;b、平台文件、软件资料、系统资料,及相关文件账号密码文件等单。
c、设备仪器和电器说明书及其相关资料,固定资产及用品类资料档案文件等。
3)采购供应类各类合同书,订货单,计划书,供应商资料,产品供应目录文件,质保证明,应付款计划书,器材价格分析表,器材分析资料。
仓库文件记录书,盘存状态分析表,各类入库,领料和出库单(凭证)。
4)车辆运维类车辆档案资料(包括行驶证,汽车登记证,完税证,车辆交强险和商业险保单),采购计划书,运维安排任务书,运维任务完成进度表,运维检查记录,各类车辆单据。
车辆保险,车辆保险年检记录表、车辆(交通、机械)事故记录表、车辆维修保养记录表、车辆违章处理记录表、车辆出险理赔记录表。
5)财务类a、各类合同,通知,财务文件;各类凭证,和按财务规范的报销发票。
公司各类考核表,文件。
以及按财政标准实施的档案。
固定资产目录表,低值易耗品目录表。
物料盘存汇总纪录表。
b、各类财务报表;财务上报文件。
c、各类审计报告文件;各类资质证书、营业执照、及公司相关公章类,章程、社保文件资料等。
6)行政管理类a、人事档案,应聘信息表,入职信息表及其证书文件,各类考核表,劳动人事关联信息资料;b、公司各类通知文件,各类外来通知文件,各类检查记录表;设备文件档案,基建资料,c、水电档案,管网通讯档案,办公设备用具资料;d、绩效考核评分表,行政日常点检表,文件发放记录表。