桥梁桩位测量复核记录
- 格式:doc
- 大小:29.00 KB
- 文档页数:5
测量复核制度1、执行有关测量技术规范和标准,按照规范要求进行测量设计、作业、检查和验收,保证各项成果的精度和可靠性。
2、测量桩点的交接必须由双方持交桩表在现场核对、交接确认。
遗失的坚持补桩,无桩名者视为废桩,资料与现场不符的应予更正。
3、用于测量的图纸资料应认真研究复核,必要时应作现场核对,确认无误后,方可使用。
抄录已知数据资料,必须核对,两计算人应分别独立查阅抄录,并互相核实。
4、各种测量的原始观测记录(含电子记录)必须在现场同步作出,严禁事后补记、补绘。
原始资料不允许涂改。
不合格时,应按规范要求补测或重测。
5、测量的外业工作必须有多余观测,并构成闭合检核条件。
内业工作应坚持两组独立平行计算并相互校核。
6、利用已知成果时,必须坚持“先检查、复测,后利用”的原则。
7、重要定位和放样,必须坚持用不同的方法或手段进行复核测量,或换人检查复测无误后才能施工。
8、未经复测的工程不准开工;上一道工序结束,下一道工序未经测量放样,不得继续施工。
根据职责实施各项测量工作,杜绝测量错、差等行为,特制定以下测量复核制度。
9、现场实施测量作业,必须使用专业记录簿逐项记录测量数据,原则上用铅笔书写,禁止使用圆珠笔或钢笔。
10、测量工作的内业资料必须有两人独立计算,校核无误后方可使用。
11、在申报公司技术部门复测时,必须同时报送内业测量资料。
12、重要部位的放样(如线路中线、结构边线等)应采用2个测量人员用不同方法分别进行计算,并报请工程部部长审核,签认后执行。
13、重要工程、控制工程、施工复测等测量必须有测量成果书,报请项目部总工程师签认、报监理审核批准。
测量成果书应资料齐全,计算准确,文整清楚,签字齐全;测量成果资料(书)为受控资料,应按受控资料的有关规定办理。
14、测量轴线、基点应与相邻施工段至少三个基点进行重叠衔接。
15、在开工初期,基线、控制网、已开工的重点工程,由公司进行复核测量。
中桩、基线桩、导线桩、水准基点桩及其加密桩的复测由项目总工程师制定,工程部长组织,专职测量工程师实施。
测量复核记录监理规划⼀、⼯程项⽬概况1、⼯程简况1)解放环路是⽆锡市城市道路的⼀环线,它包括解放东路、解放南路、解放西路、解放北路全长5.48公⾥。
⼀期⼯程实施范围:胜利门⼴场~朝阳⼴场~⽂化宫桥,道路桩号为K3+625~K5+548.966(K0+000)~K1+325,全长约3.25公⾥,其中K0+603.218~K1+126.268为新建段,其余路段为⽼路⾯更新改造。
整个⼯程涉及胜利门⼴场、东林⼴场、朝阳⼴场三个⼤型交叉⼝及⼯运路、县前东街、崇宁路、学前东路、⽂化宫桥等主要交叉⼝。
解放环路市政⼯程包括⾬污⽔、⾃来⽔、煤⽓、电⼒、通信等管道,全线分三个项⽬组施⼯,其中:项⽬1组:⽂化宫桥~朝阳⼴场;项⽬2组:朝阳⼴场~东林⼴场;项⽬3组:东林⼴场~胜利门⼴场;2)解放环路道路性质为城市主⼲道,道路红线在朝阳⼴场~⽂化宫桥~⼈民桥段为36⽶,其余路段为40⽶。
机⾮分隔采⽤机⾮隔离栅分隔。
3)路⾯结构在解放环路两侧的⾮机动车道以及朝阳⼴场~⽂化宫桥改线道路为4CM沥青砼(SBS)+8CM沥青砼(AC-20Ⅰ)+40CM⽔泥稳定碎⽯基层+15CM10%⽯灰⼟底基层(K≥93%);其余路段实施路表铣刨4CM,上铺4CM沥青砼(SBS)+8CM沥青砼(AC-20Ⅰ)4)⾬⽔管线实施新⾬⽔管线1100,其余路段利⽤原有管线,并对原有管线进⾏清挖疏通,以确保⾬⽔管线的畅通。
5)综合管线道路两侧⼈⾏道各增设⼀根电⼒管及改建给⽔管,右侧增设⼀根信息管线。
6)驳岸⼯程靠⽂化宫桥边从K1+038.7~K1+230.14有⼀段新建驳岸,基础原设计为钻空灌注桩。
墙⾝为浆砌⾦⼭⽯,C25砼压顶。
2、⼯程重点和难点分析1、路基弹软⼟质处理;2、新⽼路基搭接;3、路基⼟层压实度、灰剂量、灰⼟拌和均匀性;4、管道基础施⼯、抹带接缝及沟槽回填;5、各种⽼管道及⾬污窨井的保护,合理安排管线⼯程的交叉作业;6、交叉⼝、道⼝的施⼯;7、⽂化宫桥沿河驳岸施⼯;8、砼浇筑质量;9、⽔泥稳定碎⽯施⼯;10、SBS沥青砼⾯层施⼯;3、⼯程的项⽬组织项⽬业主:⽆锡市重点⼯程办公室设计单位:上海市市政⼯程设计院承包商:⽆锡市市政⼯程总公司监理单位:⽆锡市市政建设咨询监理有限公司⼆、监理⼯作的⽬标和范围1、监理⼯作的⽬标监理组严格按照业主的授权和监理服务合同履⾏其职责和义务,我们监理⼯作的⽬标是:根据国家监理规范、规定、运⾏质量保证程序,始终坚持质量第⼀;严格监督承包⼈履⾏施⼯承包合同,确保⼯程质量等恪守监理单位公约和监理⼯程师职业道德,为业主提供优质⾼效的监理服务。
施工图桥梁测量参数复核实例计算(惠罗10标项目经理部张斌斌毛锦波)[摘要] 一些工程项目由于忽视施工图纸的审核工作,在施工过程中出现桩基、盖梁、支座垫石平面位置、标高偏差、梁长偏差等引发的质量问题,严重影响了项目的工程进度和质量,鉴于测量在图纸会审中的重要作用,下面本文就以惠罗10标公峨1#大桥右幅桥为例,重点阐述如何进行桥梁图纸中的竖曲线、平曲线、坐标、标高、横坡和梁长等测量参数的复核。
[关键词]:图纸会审;平曲线;竖曲线;纵断面;坐标;标高;横坡;梁长1 、工程概况1.1 桥梁工程地质概况公峨1#大桥位于云贵高原与广西丘陵过渡的斜坡地带。
桥区附近海拔516.5~650.0m,相对高差133.5m;轴线通过段地面高程为525.7~568.7m之间,相对高差为43.00m;桥位所处地面起伏变化较大。
桥区位于罗甸县罗妥乡所管辖,有乡村公路通知桥1.2 桥梁结构类型①. 通过两阶段施工的设计,对线性的优化以及调整,本阶段左幅1#桥采用7X30米预应力砼先简支后连续的T型桥梁,左幅2#桥采用2X30米预应力砼先简支后连续的T型桥梁,左幅3#桥采用20X30预应力砼先简支后结构连续T型梁桥方案。
②. 桥型结构上部结构:预应力砼先简支后连续T型梁;下部结构:0#岸桥台采用重力式U型桥台,承台桩基础,20#台采用扩大基础施工。
桥墩为钢筋砼圆形双柱式墩,基础为桩基础。
③. 桥面采用分离式,桥面宽度为12.25m;具体布置为0.5m(护栏)+11.25(行车道)+0.5(护栏)。
桥面铺装为0.1(沥青)+防水层+0.08(混凝土)。
1.3 桥梁线性指标1.3.1 平曲线本桥平面分别位于圆曲线(起始桩号:YK106+538,终止桩号为YK106+686.872,半径:R=800m,左偏曲线)、缓和曲线(起始桩号:YK106+686.872,终止桩号:YK106+836.872,参数:A=346.410,左偏曲线)、直线(起始桩号:YK106+836.872,终止桩号:K107+006.007)、圆曲线(起始桩号:K107+006.007,终止桩号:107+156.889,半径R=2500m,右偏曲线),本初桥位17-20跨为整幅路基宽度,本桥处于断链上右幅YK107+000.122=整幅K107+006.007。
制表机关:**市市政工程局
批准文号:质监字[2001]315号第页共页表号:通用管表007
制表机关:**市市政工程局
批准文号:质监字[2001]315号第页共页表号:通用管表007
测量复核记录
制表机关:**市市政工程局
批准文号:质监字[2001]315号第页共页表号:通用管表007
制表机关:**市市政工程局
批准文号:质监字[2001]315号第页共页表号:通用管表007
制表机关:**市市政工程局
批准文号:质监字[2001]315号第页共页表号:通用管表007
制表机关:**市市政工程局
批准文号:质监字[2001]315号第页共页表号:通用管表007
制表机关:**市市政工程局
批准文号:质监字[2001]315号第页共页表号:通用管表007
制表机关:**市市政工程局
批准文号:质监字[2001]315号第页共页表号:通用管表007。
测量复测工作程序一、编制依据:根据北京市《建设工程监理规程》DBJ01-41-2002和合同条款的有关规定,编制本工作程序。
二、目的保证道路、桥梁、排水、管线等结构物的空间位置和几何尺寸符合合同图纸和技术规范的要求。
三、适用范围本工作程序适用于对永久性工程的测量控制。
四、工作程序1、施工单位施工前应按照质量检验和验收标准和图纸的要求编制本工程的《测量方案》,并报总监办批准后进行实施。
2、导线点和水准点控制2.1交桩根据合同条款规定,业主向监理办交桩,并提供相应的文字资料;在承包人进场后3日内,由监理办向承包人交桩,并提供基准点、导线点、水准点的详细资料。
2.2复测承包人在接到上述交桩资料后7天内,应组织持证测量人员用合格测量设备对上述基准点进行复测,并书面将复测原始记录、计算结果、精度评定、测量人员资质证明、测量仪器检定证书等资料(一式三份)上报监理办审批。
2.3监理工程师的批复监理办在接到承包人上报的复测报告后3天内,对承包人的复测结果予以审核批复。
若承包人的测量结果不能满足设计和规范规定的精度要求,监理办应在接到报告7日内处理,并向承包人重新交桩。
2.4基准点的使用和保护经监理工程师批准使用的基准点作为承包人测量定线的依据,承包人应对其进行妥善保护,保证在施工期间不受扰动。
当监理工程师认为基准点不能满足施工放线精度要求时,监理工程师有权要求承包人对上述基准点进行重新测量,并以监理工程师重新批复的结论为准。
监理工程师对基准点批准使用的结论,并不免除承包人在测量工作中出现任何偏差造成工程不能满足规范要求的责任。
3、测量控制网的控制3.1承包人依据交桩控制点,为准备施工而引测的测量控制网,必须经监理工程师审批后,方可投入使用。
承包人应将测量记录,复测记录,示意图等详细资料(一式三份)报监理办。
3.2监理办在接到上述资料7日内,对承包人的测量控制网点进行复测,结果满足设计和规范规定的精度要求,即同意投入使用。
路基放样原始记录承包单位:合同号:第页共页监理单位:编号: C—施工中线放样原始记录承包单位:合同号:第页共页监理单位:编号: C—宽度、中线偏位检查记录承包单位:合同号:第页共页监理单位:纵断高程、横坡测量检查记录承包单位:中交第三公路工程局有限公司合同号:ZX-SA12桥(涵)施工测量检测原始记录承包单位:中交第三公路工程局有限公司合同号:ZX-SA12号:平面控制测量成果一览表承包单位:合同号:第页共页监理单位:技术负责人:复核:制表:日期:导线加密控制测量成果一览表承包单位:合同号:第页共页监理单位:编号: C—087导线计算一览表承包单位:合同号:第页共页技术负责人:复核:制表:日期:导线加密控制测量成果一览表承包单位:合同号:第页共页监理单位:编号: C—087导线计算一览表承包单位:合同号:第页共页监理单位:编号: C—088技术负责人:复核:制表:日期:导线测量原始记录表承包单位:合同号:第页共页监理单位:编号: C—089测量:大、中桥控制网点测量成果表承包单位:合同号:第页共页技术负责人:复核:制表:日期:高程控制测量成果一览表承包单位:合同号:第页共页监理单位:技术负责人:复核:制表:水准控制点复测(检查)成果对照表承包单位:合同号:第页共页监理单位:技术负责人:复核:制表:水准加密控制成果一览表承包单位:合同号:第页共页监理单位:技术负责人:复核:制表:闭(附)合路线水准测量平差计算表承包单位:合同号:第页共页监理单位:技术负责人:复核:制表:四等水准观测记录表承包单位:合同号:第页共页监理单位:测量:记录:复核:水准测量原始记录承包单位:中交第三公路工程局有限公司合同号:ZA-SA12测量:复合:监理:审核:。
桥梁桩位测量复核记录测量复核记录施工单位:XX有限公司监理公司:XX监理咨询有限公司合同号:X合同施工路桥1004班第二组工程名称 XX库区公路复建工程单位XX大桥四号墩基底高程、日 2012/11/12 复核部位设计高程、地面高程期复核测原始测量人签字量人签字测量放样资料桩基中心坐标计算:1、JD40(N 781996.211,E 406535.556)JD41(N 782323.912,E 406651.623)交点40 、41的间距为测 22S,,,,,(782323.912781996.211)(406651.6234065635.556)347.65量复核 2、该桥与E坐标的夹角为情782323.912781996.211,况 ,tan2.82,,)406651.623406535.556,草 :图arctan2.827028'29.96'',)3、交点40到3号桥墩中心的距离为L=交点40切线长+桥台至3号墩中心距离=32.1+(8+29.98+30+30)=130.08m4、 3号桥墩的中心坐标为:NX'sin7028'29.96''130.08122.6,,:EX'cos7028'29.96''130.0843.48,,则3号桥墩的实际中心坐标为N''781996.211122.6782118.81,,,E''406535.55643.48406579.04,,,5、?号桩的中心坐标计算:?号桩中心到JD40的连线L与桥位中心线的夹角为 12.25,,,1tan0.02127.83,:arctan0.0218'44.75''则L的方位角为A=70 28’29.96’ ’- 1 8’44.75’ ’ 11=69 19’45.21’ ’ L的长度为L=2.25/sin1 8’44.75’ ’=125.03m 11根据5800计算器程序计算出?号桩中心坐标为(N 782040.346,E 406652.54) ?号桩中心到JD40的连线L与桥位中心线的夹角为 22.25,,,2tan0.017132.33,:则L的方位角为A=70 28’29.96’ ’-0 58’26.16’ ’22arctan0.017058'26.16''=69 30’3.8’ ’ L的长度为L=2.25/sin0 58’26.16’ ’=132.37m 22根据5800计算器程序计算出?号桩中心坐标为 (N 782042.57,E 406659.54) ?号桩中心到JD40的连线L与桥位中心线的夹角为 32.25,,,3tan0.017127.83,:arctan0.017058'26.16''则L的方位角为A=70 28’29.96’ ’+10’29.89’ ’ 33=71 28’59.85’ ’ L的长度为L=2.5/sin1 0’29.89’ ’=142.07m 33根据5800计算器程序计算出?号桩中心坐标为 (N 782038.25,E 40661.07) ?号桩中心到JD40的连线L与桥位中心线的夹角为 42.25,,,tan0.0174132.33,:arctan0.017058'26.16''则L的方位角为A=70 28’29.96’ ’ +058’26.16’ ’ 44=71 26’56.12’ ’ L的长度为L=2.5/sin0 58’26.16’ ’=147.08m 44根据5800计算器程序计算出?号桩中心坐标为 (N 782038.33,E 406661.05)桩位放样:1、放样流程2、根据线路全线水准点设置情况,将离天鹅桥岸较近的一个水准引至桥岸附近设为水准点BM1,以后用于桩基高程的控制和复核延JD40、JD41方向在桥位中心线上离JD130.08m的地方确定340号桥墩的中心,坐标为:NX'sin7028'29.96''130.08122.6,,:EX'cos7028'29.96''130.0843.48,,根据坐标放样法JD40(N 781996.211,E 406535.556) 方位角1931’43.76’ ’、3号墩中心坐标(N’’ 782118.810,E’’ 406579.04)方位角136 20’31.62’ ’、?号桩中心坐标(N 782040.346,E 406652.54)方位角297 20’31.62’ ’ ,依次放出?、?、?、?号桩的中心点。
工程监理施工测量技术复核方法工程监理施工测量技术复核方法近年来工程测量技术发展较快,在20世纪被广泛使用的以经纬仪、钢尺、水准仪等测量仪器为依托的传统测量方法已逐步淘汰。
下面是店铺为大家分享工程监理施工测量技术复核方法,欢迎大家阅读浏览。
1、施工测量工作的重要性施工测量主要分两大部分:一是开工前要对建筑物和构筑物的整体进行地面定位(包括平面位置和高程)。
二是在施工过程中根据设计图纸的要求,测定建筑各部分的平面位置及标高,作为施工的依据。
施工测量贯穿工程施工的全过程,是一项重要的技术工作。
建筑物和构筑物定位的精度将直接影响整个建筑区域规划的正确实施。
一旦定位测量出现偏差,如发现得早可进行返工,将会造成大量人力和物力的浪费;如发现晚,会造成难以弥补的遗憾,轻者影响建筑物本身或整个小区的美观,重则影响建筑物及室外设施的使用功能,有的甚至造成安全隐患。
施工过程中测量工作为施工提供依据。
测量的精度将直接影响建筑物各部分构造位置和尺寸的精确性,对于结构构件而言,位置和尺寸的偏差,将直接影响建筑物的承载力;对于商品住宅而言,房屋空间尺寸的偏差将直接影响房屋的销售。
建筑工程的验收规范中对建筑的分部、分项工程的构造尺寸及位置规定了允许偏差,偏差过大将造成房屋验收不合格。
大量的施工案例告诉我们,施工测量的投入占整个工程的比例甚微,但施工测量一旦出现问题对工程的影响和造成的损失是十分惊人的。
2、工程测量发展现状及目前施工测量中存在的问题近年来工程测量技术发展较快,在20世纪被广泛使用的以经纬仪、钢尺、水准仪等测量仪器为依托的传统测量方法已逐步淘汰。
随着航天技术、计算机技术和光电技术的普及和应用。
本世纪初GPS卫星定位仪器、光电测距仪、数码经纬仪、激光准直仪及数字化全站仪等新型测量仪器已被广泛应用。
随着一大批新型测量仪器的出现,工程测量的方法也随之有了较大的变革。
其主要特点是:过去的平面位置测量多采用测角、测距的几何测量方法,而新型的测量仪器实现了测量数字化,即用大地坐标来确定建筑物的平面位置。
1.目的为了对监理咨询服务项目工程测量质量进行有效控制,监理项目部必须对施工单位的测量成果报验资料进行复核测量,以保证工程测量的定位放线、标高、轴线等的准确性、可靠性,符合设计和规范要求,同时考虑到工程测量的专业性和重要性,各分/子公司应成立专业测量小组。
为了明确专业测量小组和项目部测量人员之间的职责以及相关的测量复核要求,特制定本作业指导书。
2.适用范围本作业指导书适用于企业所承接的建(构)筑物工程监理的测量复核作业。
(对市政项目尚应按交通部和上海市政局的有关规定执行)。
3. 依据文件《城市测量规范》(CJJ8-99)《工程测量规范》(GB50026-93)《精密工程测量规范》(GB/T15314-94)《国家一、二等水准测量规范》(GB12897-91)《国家三、四等水准测量规范》(GB12898-91)《建筑地基基础工程施工质量验收规范》(GB50202-2002)《钢结构工程施工质量验收规范》(GB50205-2001)《建筑地面工程施工质量验收规范》(GB50209-2002)《建筑变形测量规程》(JGJ/T8-97)专业测绘院(队)、设计部门及业主方所提供的测绘数据成果和特殊的技术要求以及规划部门出具的红线依据。
《工程监理服务控制程序》JKPM/B03-20074.职责4.1测量监理人员的职责规定4.1.1分/子公司专职测量监理人员职责范围,主要负责分/子公司所承接的工程项目监理测量复核工作,具体应承担的作业内容如下:a)测量控制网的复核;b)建(构)筑物施工测量定位(灰线)测量复核;c)基础垫层上弹出的定位轴线测量复核;d)首层(标高±0.00面)结构上的定位轴线测量复核;e)建(构)筑物特殊部位定位轴线测量复核;f)建(构)筑物沉降(变形)测量复核,观测次数不少于3次;高度超过100米(含此数)建(构)筑物的整体垂直度测量复核。
4.1.2项目部测量监理人员职责范围,主要负责项目部所承接的工程项目监理测量复核工作,具体应承担的作业内容如下:a)建(构)筑物桩基工程小样桩桩位测量复核;b)建(构)筑物桩基工程(竣工)桩位偏差测量复核;c)建(构)筑物各层层内及上引定位轴线测量复核;d)高层建(构)筑物电梯井垂直度测量复核。
交桩点复核记录范文日期:XX年XX月XX日地点:XXXXXX一、背景和目的为了确保工程质量,我们进行了交桩点的复核工作。
本次复核的目的是为了验证已交付的桩点是否符合设计要求和施工规范,并及时发现和解决可能存在的问题,确保未来的施工顺利进行。
二、复核过程1.查看设计图纸首先,我们查阅了相关的设计图纸,确认了各个桩点的位置、深度和类型等信息。
同时,我们还对设计图纸进行了详细的解读,以确保我们清楚各个桩点的具体要求。
2.实地勘察在复核过程中,我们进行了实地勘察,对每一个桩点进行了详细的检查。
我们主要关注以下几个方面:a.桩的深度和位置是否符合设计要求;b.桩的直径和强度是否满足规范要求;c.桩的质量是否受损或存在明显的缺陷;d.桩基周围是否存在渗漏或松动现象。
3.桩点复核记录在实地勘察过程中,我们对每一个桩点进行了详细的记录,包括以下内容:a.桩点编号和位置;b.实际桩深度与设计要求的对比;c.桩直径和强度的测量结果;d.桩的外观和质量状况的描述;e.桩基周围环境的观察结果;f.存在的问题和建议。
4.验证和解决问题根据我们的实地勘察和桩点复核记录,我们对存在的问题进行了验证和解决。
在复核过程中,我们与施工单位进行了充分的沟通和交流,确保问题得到及时解决和整改。
在一些严重问题的情况下,我们还进行了现场会商,制定了解决方案,并安排了后续的跟进工作。
三、复核结果经过我们的复核工作,我们发现了一些问题并及时解决了。
总体来说,大部分桩点符合设计要求和施工规范,但仍有少数桩点存在一些小问题。
我们已经与施工单位沟通,制定了解决方案。
在后续的施工过程中,我们将加强对桩点的质量管控,并进行定期检查,确保问题不会再次出现。
四、建议和改进措施根据我们的复核工作,我们提出了以下建议和改进措施,以确保今后的施工质量:1.加强施工单位的人员培训,提高其对桩点施工要求的理解和掌握程度;2.建立桩点复核的常态化机制,定期对桩点进行复核,并记录相关的复核信息;3.加强与施工单位的沟通和协作,及时解决可能存在的问题,确保施工的顺利进行;4.将本次复核的经验和教训总结出来,形成相关的文档,为今后的类似工作提供参考。
测量复核记录
测量复核记录
测量复核记录
测 量 复 核 记 录
施记表3
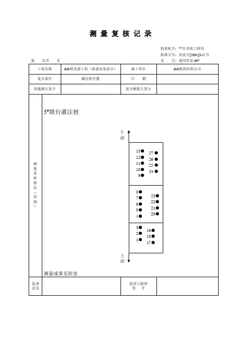
工程名称 哈尔滨松花江公路大桥扩建工程
南岸引桥工程
施工单位 哈尔滨市第二市政工程公司
复核部位 南岸引桥 日 期 2010.5.1 原施测人
张吉
测量复核人
王寿军
测 量 复 核 情 况
测量依据
1.甲方所交BM1、BM2坐标控制点。
2.施工图设计。
3.技术规范。
测量仪器:苏州一光--水准仪 三、测量方法
架设水准仪,后视BM1,建立Z1、Z2、Z3、Z4、Z5、Z6高程点,闭合BM2;架设水准仪,后视BM2,建立Z7、Z8、Z9、Z10、Z11、Z12高程点,闭合BM1;
后见附图。
复核结论 满足规范要求
备 注
(示意图)
水准点复测记录
观测:复测:计算:施工项目技术负责人:
水准点复测记录
观测:复测:计算:施工项目技术负责人:
水准点复测记录
观测:复测:计算:施工项目技术负责人:
水准点复测记录
观测:复测:计算:施工项目技术负责人:
水准点复测记录
观测:复测:计算:施工项目技术负责人:。
建筑工程监理测量复核作业指导书1. 总则1.1 工程建设监理测量复核是针对工程建设施工阶段施工单位的测量成果及测量定位放线的原始数据的重新测量复核和验收。
通过监理单位的测量复核,力求确保基础数据的科学性和可靠性,保证工程建设的质量。
1.2 建筑工程监理测量复核作业指导书规定了监理测量复核程序、设备、人员资质管理要求及技术实施要点。
1.3 本作业指导书适用于建(构)筑物工程的监理测量复核作业指导,对市政及水工等项目应严格按照交通部和上海市政局的有关规定执行。
1.4 本作业指导书由公司总师室负责编制、发布、解释,并经总工程师批准后执行。
2. 监理测量复核作业依据1)《工程测量规范》(GB50026—93);2)《城市测量规范》(CJJ8—99);3)《建筑变形测量规程》(JGJ/T8—97);4)《上海市地基基础设计规范》CDGJ08—11—1999;5)《全球定位系统城市测量技术规程》CJJ73—97;6)专业测绘单位、设计部门及业主方所提供的测绘数据成果和特殊的技术要求以及规划部门出具的红线依据;7)施工设计图纸等。
3. 测量复核主要内容及原则规定3.1 测量复核主要内容3.1.1 人员资质、仪器设备、测量方案等审核1)审核施工单位测量人员人员配备及上岗证书;2)审核施工单位测量仪器检定证书(物证对应、检定时效等);3)审核施工单位施工测量方案。
3.1.2 控制点坐标、标高成果复核1)控制点平面坐标成果复核;2)控制点标高成果复核。
3.1.3 建(构)筑物施工轴线测量复核1)建(构)筑物定位灰线测量复核;2) 基础垫层上弹出的定位轴线测量复核;3)首层(标高±0.00面)结构定位轴线测量复核;4) 其它楼层定位轴线传递及层内轴线测量复核;5) 建(构)筑物特殊部位定位轴线测量复核。
3.1.4 桩位测量复核2) 基桩小样桩桩位测量复核;3) 基桩(竣工)桩位测量复核。
3.1.5 各楼层(包括±O.00面)标高引测复核3.1.6 垂直度测量复核1)建(构)筑物的垂直度测量复核;2)电梯井垂直度测量复核。
桥梁桩位测量复核记录
测量复核记录施工单位:XX有限公司
监理公司:XX监理咨询有限公司合同号:X合同
施工路桥1004班第二组工程名称 XX库区公路复建工程单位
XX大桥四号墩基底高程、日 2012/11/12 复核部位设计高程、地面高程期
复核测
原始测量人签字量人签
字
测量放样资料
桩基中心坐标计算:
1、JD40(N 781996.211,E 406535.556)
JD41(N 782323.912,E 406651.623)
交点40 、41的间距为
测 22S,,,,,(782323.912781996.211)(406651.6234065635.556)347.65量
复
核 2、该桥与E坐标的夹角为
情
782323.912781996.211,况 ,tan2.82,,)406651.623406535.556,草 :图arctan2.827028'29.96'',)
3、交点40到3号桥墩中心的距离为
L=交点40切线长+桥台至3号墩中心距离=32.1+(8+29.98+30+30)
=130.08m
4、 3号桥墩的中心坐标为
:NX'sin7028'29.96''130.08122.6,,
:EX'cos7028'29.96''130.0843.48,,
则3号桥墩的实际中心坐标为
N''781996.211122.6782118.81,,,
E''406535.55643.48406579.04,,,
5、?号桩的中心坐标计算:
?号桩中心到JD40的连线L与桥位中心线的夹角为 1
2.25
,,,1tan0.02
127.83
,:arctan0.0218'44.75''则L的方位角为A=70 28’29.96’ ’- 1 8’44.75’ ’ 11
=69 19’45.21’ ’ L的长度为L=2.25/sin1 8’44.75’ ’=125.03m 11
根据5800计算器程序计算出?号桩中心坐标为
(N 782040.346,E 406652.54) ?号桩中心到JD40的连线L与桥位中心线的夹角为 2
2.25
,,,2tan0.017
132.33
,:则L的方位角为A=70 28’29.96’ ’-0 58’26.16’ ’
22arctan0.017058'26.16''
=69 30’3.8’ ’ L的长度为L=2.25/sin0 58’26.16’ ’=132.37m 22
根据5800计算器程序计算出?号桩中心坐标为 (N 782042.57,E 406659.54) ?号桩中心到JD40的连线L与桥位中心线的夹角为 3
2.25
,,,3tan0.017
127.83
,:arctan0.017058'26.16''则L的方位角为A=70 28’29.96’ ’+1
0’29.89’ ’ 33
=71 28’59.85’ ’ L的长度为L=2.5/sin1 0’29.89’ ’=142.07m 33
根据5800计算器程序计算出?号桩中心坐标为 (N 782038.25,E 40661.07) ?号桩中心到JD40的连线L与桥位中心线的夹角为 4
2.25
,,,tan0.0174
132.33
,:arctan0.017058'26.16''则L的方位角为A=70 28’29.96’ ’ +0
58’26.16’ ’ 44
=71 26’56.12’ ’ L的长度为L=2.5/sin0 58’26.16’ ’=147.08m 44
根据5800计算器程序计算出?号桩中心坐标为 (N 782038.33,E 406661.05)
桩位放样:
1、放样流程
2、根据线路全线水准点设置情况,将离天鹅桥岸较近的一个水准
引至桥岸附近设为水准点BM1,以后用于桩基高程的控制和复
核
延JD40、JD41方向在桥位中心线上离JD130.08m的地方确定340
号桥墩的中心,坐标为
:NX'sin7028'29.96''130.08122.6,,
:EX'cos7028'29.96''130.0843.48,,
根据坐标放样法JD40(N 781996.211,E 406535.556) 方位角19
31’43.76’ ’、3号墩中心坐标(N’’ 782118.810,E’’ 406579.04)方位角136 20’31.62’ ’、?号桩中心坐标(N 782040.346,E 406652.54)方位角297 20’31.62’ ’ ,依次放出?、?、?、?号桩的中心点。
监理监理工程师意见签字。