高速公路路面平整度检测及其技术措施
- 格式:doc
- 大小:26.50 KB
- 文档页数:6
高速公路施工过程中路面平整度的控制摘要:通过作者在高速公路一线施工的经历与实践,浅谈高速公路路面施工过程中平整度的影响因素及控制措施,以供公路施工者参考。
关键词:高速公路施工路面平整度控制高速公路路面施工的主要施工工艺流程为:路基交验→施工测量放样→挂线(针对于沥青上面层以下结构层)→混合料的拌和→混合料的运输→摊铺→碾压→养生。
各环节的施工过程控制,都将对平整度产生影响,具体分析如下:1、路基交验阶段路基交验是路面施工的开始,我们知道,即使表面平整,下层凹凸不平,通过碾压,因摊铺厚度不一样,下层的凹凸也将反映至表面,下层的平整度直接影响上一层,虽然高速公路结构层较多,通常在六层左右,通过每一层的调整,能减弱影响,但源头平整度的控制,能将此影响降低到最小。
所以,路基交验时,在控制标高的同时,也应加强平整度的检测,对于不合格的路段,应严格进行处理后再予接收。
2、测量放样及挂线测量放样是为“挂线”做准备的。
通常我们所说的“挂线”就是根据设计标高,考虑摊铺机预留高度,确定摊铺机行走的高程基准线,以保证该结构层表面达到设计标高。
所以测量的准确性就对挂线的精确度起着决定作用。
再次,作者认为,挂线是平整度控制相当重要的环节,挂线质量的好坏,将直接影响该结构层表面平整度,并进一步将此影响扩散至上一层,所以,挂线需要有责任心的人员进行操作,并严格按照要求进行。
主要控制要点如下:1)钢丝的架设。
2)钢丝的位置。
3)对钢丝绳的保护。
3、混合料的拌和。
由于路面材料消耗量很大,而每个矿的生产能力较小,需从多个矿场采购石料,质量参差不齐。
尽管在配合比设计过程中控制了最大粒径、最大粒径的一半、4.75mm、2.36mm、1.18mm五档规格料的通过量,但施工时中间粒径的通过量出入较大,引起集料级配变化较大,使压实系数产生波动,影响路面平整度。
所以原材料储备应提前安排,尽量控制单一厂家,或固定厂家筛网,同时,加大试验检测力度,对级配情况及时检测,进行信息反馈。
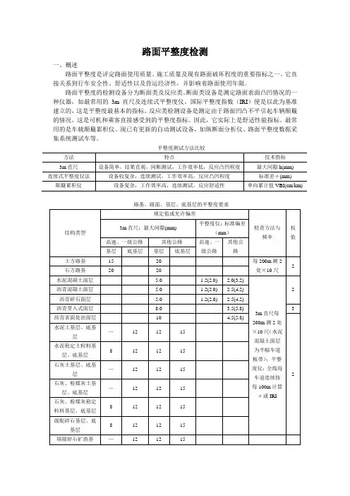
路面平整度检测一、概述路面平整度是评定路面使用质量、施工质量及现有路面破坏程度的重要指标之一。
它直接关系到行车安全性、舒适性以及营运经济性,并影响着路面使用年限。
路面平整度的检测设备分为断面类及反应类。
断面类设备是测定路面表面凸凹情况的一种仪器,如最常用的3m直尺及连续式平整度仪。
国际平整度指数(IRI)便是以此为基准建立的,这是平整度最基本的指标。
反应类检测设备是测定由于路面凹凸不平引起车辆颠簸的情况,这是司机和乘客直接感受到的平整度指标。
因此,它实际上是舒适性能指标。
最常用的是车载颠簸累积仪。
现已有更新的自动测试设备,如纵断面分析仪、路面平整度数据采集系统测试车等。
平整度测试方法比较路基、路面、基层、底基层的平整度要求层、底基层注:括号中的数值是国际平整度指数IRI(m/km)二、3m直尺测定平整度3m直尺测定法有单尺测定最大间隙和等距离(1.5m)连续测定两种,前者常用于施工时质量控制和检查验收,单尺测定时要计算出测定段的合格率。
等距离连续测试也同样可用于施工质量检查验收,但要算出标准差,用标准差来表示平整度程度。
3m直尺测定尺底距离路表面的最大间隙来表示路面的平整度,以mm计。
它适用于测定压实成型的路面各层表面的平整度,以此评定路面的施工质量及使用质量。
它也可用于路基表面成型后的施工平整度检测。
1、检测器具与材料3m直尺:硬木或铝合金钢制。
楔形塞尺。
其他:皮尺或钢尺、粉笔等。
2、方法与步骤1)准备工作选择测试路段。
在测试路段路面上选择测试地点:当施工过程中质量检测需要时,测试地点根据需要确定,可以单杆检测;当为路基路面工程质量检查验收或进行路况评定需要时,应连续测量10尺。
除特殊需要外,应以行车道一侧车轮轮迹(距车道标线80~100cm)作为连续检测的标准位置。
对旧路已形成车辙的路面,应取车辙中间位置为测定位置,用粉笔在路面上作好标记。
清扫路面。
2)测试步骤根据需要确定的方向,将3m直尺摆在测试地点的路面上。
浅谈高速公路沥青混凝土路面平整度的影响因素和预防措施董红锋(郑州市公路工程公司,河南郑州450009)工程技术日商要]路面平整度是评价路面使用性能的一个重要指标,目前道路沥青混凝土路面机械化程度高,施工工艺和质量要求严格,检验评定标准不断提高,但铺筑路面的平整度有时仍不尽人意,存在影响行车安全、车速及舒适性的隐患。
睽;键词]高速公路;沥青混凝土路面;平整度;措施1高速公路沥青混凝土路面平整度影响原因1.1路基下沉对沥青混凝土路面平整度的影响路基下沉主要表现在高速公路建成通车后,路基在自身重力及行车荷载作用下而发生的路基沉降,从而造成路面变形起伏使平整度差。
1)地基沉降,主要是地基上增加荷载而引起的沉降。
根据沉降的不同情况采取不同的措施进行处理。
目前已有许多较成熟的处理措施,实际采取何种措施,一般要因地制宜区别对待。
在软层较浅及厚度较小或面积不大的堆积物,可采用挖除换土法彻底处理:在工期短来不及提前试验,也没有足够的沉降期,可采用加强、加固及复合法处理,以有效地减小完工后沉降;对轻度软基或水稻田地E殳常采用砂砾垫层或砂垫层,既可以增加地基强度,又可以偏离地下毛细水对路基的侵害作用。
2)路提固结沉降,产生的主要原因是由施工引起的。
如施工的路基填土干容重标准代表性差,取土样不规范,做压实度检测时有误差,压实度检测的代表性以及规范规定的检测频率不高等因素。
12特殊地基处理1)对于路基高度不高,软土层地段等,采用砂垫层、置换填土、反压护道、抛石挤淤的方法处理,以增强路基;2)对于排水地基,根据实地隋况,采用砂垫层法、袋装沙井法、砂桩、塑料板排水法及置换填土来处理;3)对于软土地基或湿陷性黄土地区比较复杂的地基情况,采用垫隔土工布、碎石桩、加固土桩及强夯的办法处理;4)对于软土路堤的处理,采用垫隔覆盖土工布、增设土工格室、土工格栅等办法。
13路面基层对沥青混凝土路面平整度的影响微小的基层不平在路面的施工中可以弥补,但其层的平整度太差,必然会使面层的平整度受到影响。
如何保证道路施工中的平整度保证道路施工中的平整度道路施工是城市建设中不可或缺的一环。
而保证道路施工中的平整度是确保道路质量和行车安全的重要因素之一。
本文将探讨如何有效地保证道路施工中的平整度,提供一些实用的方法和建议。
一、施工前的准备工作在进行道路施工之前,必须做好充分的准备工作,包括但不限于以下几个方面:1.设计合理的道路平整度标准:根据不同道路类型和用途,合理制定道路平整度标准是至关重要的。
例如,高速公路和城市主干道的平整度标准会有所不同。
根据实际情况,制定符合标准的平整度指标,有助于明确工程目标。
2.细致的勘测和设计:在施工前,应进行详细的勘测和设计工作。
通过了解施工区域的地质、水文等情况,进行科学合理的设计,从而减少施工中可能出现的问题和难度。
3.选择合适的材料和工艺:选择高质量的材料和适合道路施工的工艺是保证平整度的关键。
材料的品质直接影响道路的平整程度和寿命。
因此,在施工前要充分考虑材料的选择,确保材料质量达标。
二、施工过程中的控制施工过程中的控制是保证道路平整度的关键环节。
以下是几个建议:1.严格遵循施工工艺:严格按照先进的施工工艺进行施工,确保每一个环节都符合规范要求。
特别是在摊铺和压实道路表面的过程中,要使用专业设备和配件,保证施工的准确性和一致性。
2.合理的施工队伍管理:道路施工需要一个高效有序的施工队伍。
施工队伍应具备一定的经验和技术能力,能够根据具体情况调整工作进度和方法。
严格遵守施工计划,确保施工进程的顺利进行,能够有效地控制平整度的质量。
3.定期监测和检测:施工过程中要进行定期的监测和检测工作,及时发现和解决施工中可能出现的问题。
通过使用全站仪等测量设备,对道路表面进行精确测量,保证施工质量和平整度的准确性。
三、施工后的验收和维护施工完毕后,必须进行验收和维护工作,以确保道路平整度的持久性和稳定性。
以下是一些建议:1.验收工作:进行全面细致的道路验收工作,包括对平整度的测量和评估。
LOGO第四章 平整度检测技术长安大学公路学院 支喜兰 2012年 2012年4月第四章 平整度检测技术 一、概述1.意义 . 路面平整度特性车辆悬挂系统的振动特性行驶质量人的反应Company Logo第四章 平整度检测技术路面平整度定义 平整度是路面表面相对于理想平面的竖向偏差。
平整度是路面表面相对于理想平面的竖向偏差。
路面平整 度指标直接反映了路面的行驶舒适性,是一个涉及人、 度指标直接反映了路面的行驶舒适性,是一个涉及人、车、路 三方面的综合指标。
三方面的综合指标。
Company Logo第四章 平整度检测技术Company Logo第四章 平整度检测技术平整度是衡量道路施工质量、服务水平的重要指标。
平整度是衡量道路施工质量、服务水平的重要指标。
平整度 平整度面 层 基 层 垫 层 路 基平整度 平整度Company Logo第四章 平整度检测技术路面不平整 路面不平整振动冲击积水舒适性 安全性路面损坏 汽车机件损坏 轮胎磨损 增大油耗路面水损坏Company Logo第四章 平整度检测技术2.测试方法 . 断面类(表征表面凹凸) 断面类(表征表面凹凸) 三米直尺 连续平整度仪 激光平整度仪 反应类(表征舒适性感觉) 反应类(表征舒适性感觉) 车载式颠簸累积仪 3.评价指标 . 三米直尺:最大间隙值h( 三米直尺:最大间隙值 (mm) ) 连续式平整度仪:标准差σ( 连续式平整度仪:标准差 (mm) ) 颠簸累计仪:单向累计值VBI(cm/km) 颠簸累计仪:单向累计值 ( ) 国际平整度指数IRI(m/km) 国际平整度指数 ( ) Company Logo第四章 平整度检测技术国际平整度指数IRI 国际平整度指数 IRI=International Roughness Index 数学模型:模拟 车轮, 数学模型:模拟1/4车轮,以测定速度 车轮 以测定速度80km/h行 行 驶在路面上, 驶在路面上,在行驶距离内动态反应悬挂系统的累积竖向 位移量RS 位移量 i(m/km)。
高速公路路面工程试验检测重点、难点分析摘要:试验检测是高速公路路面工程施工中的一项重要内容,做好路面试验检测对于提高公路工程施工质量,推动高速公路工程技术发展有重要意义。
本文结合实际,运用文献法、调查法等对高速公路路面试验与检测要点、难点及具体对策展开探究论述,以供借鉴参考。
关键词:高速公路;路面试验检测;重难点;检测方法在高速公路建设与运营中,路面检测、路面试验是两大要点,做好路面检测与试验可让路面养护维修工作更加科学有效,让公路使用年限得到延长。
高速公路试验检测工作要以国家相关技术标准、操作规程与行业相关规范等为依据开展【1】。
下面结合实际,对高速公路路面工程试验检测的重难点做具体分析。
1、高速公路路面工程试验检测重难点高速公路路面工程试验检测项目主要包括沥青试验、集料试验、路面性能质量检测等。
1.1高速公路路面试验检测重难点底基层与基层混合料试验:对公路路面底基层与基层混合料,要开展重型击实试验、承载比试验及抗压强度试验。
①通过重型击实试验,将最大干密度与最佳含水量确定下来,据此规定工地碾压时的最合适的含水量及应达到的最小干密度。
重型击实试验主要通过重型击实试验仪完成。
②开展承载比试验的主要目的是确定工地预期干密度下的承载比,确定材料是否适宜做基层或底基层。
该项试验由路面材料测试仪完成。
③进行抗压强度试验的主要目的在于,根据试验结果,选定最适合公路工程的土质,同时为后续的施工评定提供参考依据。
该项试验由路面材料测试仪或压力机完成【2】。
1.2沥青混凝土物理指标试验高速公路路面施工中,对沥青混凝土的物理指标进行试验检测,根据试验检测结果调整原材料配比,保证沥青混凝土性能质量。
试验检测内容及方法如下:①对按击实法制成的沥青混合料圆柱体,经过12小时以后,用水中重法测定其表观密度,并按组成材料原始数据计算出沥青混合料的包括沥青体积百分率、沥青饱和度、孔隙率及矿料间隙率等在内的各项物理指标。
②沥青混合料高温稳定性指标测定。
路面技术状况评价与一般养护措施一、路面技术状况的评价指标我国从20世纪80年代开始接触路面管理系统,在借鉴国外相关研究成果的基础上,根据我国路面特点,建立了一系列路面评价模型。
我国早期建立的路面评价模型深受美国PSI的影响,经过后续不断改进完善,形成了完善的路面评价指标体系。
我国公路路面技术状况的各评价指标如图8.1所示,各评价指标的值域均为0~100。
图8.1 公路路面技术状况评价指标(一)路面使用性能指数(PQI)沥青路面使用性能评价包含路面损坏、平整度、车辙、抗滑性能和结构强度5项技术内容。
其中,路面结构强度为抽样评定指标,单独计算与评定,评定范围根据路面大中修养护需求、路基的地质条件等自行确定。
水泥混凝土路面使用性能评价包含路面损坏、平整度和抗滑性能三项技术内容。
路面使用性能指数(PQI)按式(8.8)计算:式中w——PCI在PQI中的权重,按表8.5取值;PCI——RQI在PQI中的权重,按表8.5取值;wRQI——RDI在PQI中的权重,按表8.5取值;wRDIw——SRI在PQI中的权重,按表8.5取值。
SRI表8.5 PQI分项指标权重续表(二)路面损坏状况指数PCI路面损坏用路面损坏状况指数(PCI)评价,PCI按式(8.9)和式(8.10)计算:式中DR——路面破损率(Pavement Distress Ratio),为各种损坏的折合损坏面积之和与路面调查面积之百分比,%;——第i类路面损坏的面积,m2;AiA——调查的路面面积,调查长度与有效路面宽度之积,m2;w——第i类路面损坏的权重;i——沥青路面采用15.00,水泥混凝土路面采用10.66,砂石路面采用α10.10;α——沥青路面采用0.412,水泥混凝土路面采用0.461,砂石路面采用i0.487;i——考虑损坏程度(轻、中、重)的第i项路面损坏类型;i——包含损坏程度(轻、中、重)的损坏类型总数,沥青路面取21,水泥混0凝土路面取20,砂石路面取6。
2011年第8期 (总第210期) 黑龙江交通科技
HEILONGJIANG JIAOTONG KEJ No.8,2011
(Sum No.210)
高速公路路面基层平整度影响因素及控制措施 张鲁刚 (山东省菏泽市公路管理局)
摘要:随着高速公路在我国大面积推广公众对其行车速度、舒适性和安全性要求越来越高,提高路面平整 度,仅靠路面面层施工控制不能解决问题,必须从路面基层甚至路基施工严格把关,每个环节均严格控制,才 能最终达到理想的效果,结合工作实际,从路面基层施工的角度探讨影响平整度的因素以及控制措施。 关键词:路面基层;平整度;影响因素;控制措施 中图分类号:U416.216 文献标识码:C 文章编号:1008—3383(2011)08—0102—02
高速公路在我国已大面积推广,公众对其行车速度、舒 适性和安全性要求越来越高,这就对路面的平整度要求也逐 步提高,平整度能够直接反应高速公路通车后的整体效果, 是体现公路使用品质最直接的外观指标。 路面平整度既反映了路面施工质量的优劣,又反映了施 工管理水平的高低,提高路面平整度,仅靠路面面层施工的 严格控制是不够的,必须从路面基层甚至路基施工严格把 关,每个环节均严格控制,才能最终达到理想的效果。结合 某高速公路水泥稳定基层施工,从路面基层施工的角度探讨 影响平整度的因素以及控制措施。 影响路面基层平整度的因素很多,下承层的施工优劣, 施工配合比的设计,混合料的拌合质量,摊铺碾压工序的控 制,施工人员的素质,施工机械的工作性能与选用,施工现场 管理等,都是影响路面基层平整度的原因,下面针对各个影 响因素逐项进行分析。 1下承层的影响 底基层不平整,纵向起伏不平或横坡度不规则,导致摊 铺机在不合要求的、高低变化频繁的平面上行驶,使熨平板 工作角度不断发生化,从而影响基层摊铺的平整度和厚度, 即使摊铺表面很平整,也会因松铺厚度不等,导致碾压后路 面不平整。 以某高速公路设计16 viii厚的水泥稳定碎石基层为例, 通过实验段确定的松铺系数a=1.30,若底基层有h=2 cm 的坑洼,则基层拌合物摊铺、碾压后在路表仍会遗留△h=h (1—1/a)=2(1—1/1.3)=4.6 mm的不平整度,这对于高 速公路要求不大于8mm的技术指标来讲,是一个不可忽略 的数字。因此基层施工前,应对其下承层的平整度和高程认 真复查,不合格处要提前进行人工或机械处理,对下承层的 表面验收合格后,方可进行基层摊铺施工。 2配合比变化 2.1含水量的影响 含水量是水泥稳定碎石配合比的重要指标,也是影响基 层平整度和压实度的关键因素。含水量较低,易造成基层表 面成型质量差,影响平整度。含水量过大,路面压实度难于 以达到要求,且易出现翻浆弹簧现象,平整度更无法保证。 2.2集料最大粒径 基层混合料中粗集料粒径越大,经济性越好,但由于水 泥稳定碎石用水量少,拌合物呈松散状态,所用粗集料粒径 越大,拌合物越易产生离析,即使摊铺表面很平,由于粗集料 和细集料集中的地方在压实过程中变形量不同,导致路面不 平整。 2.3集料的合成级配 粗细集料的合成级配对水泥稳定碎石的压实性能、抗离 收稿日期:2011一O4一II 作者简介:张鲁刚(1975~),男,山东菏泽人,工程师。 ・102・ 析性及易修整性影响很大,只有粗细集料具有良好的合成级 配,且在拌合摊铺各个环节尽量控制离析,路面基层的强度、 质量均匀性、平整度等指标才能得到保证。 3摊铺机械的选择 (1)熨平板是摊铺机的关键工作装置,实现了对摊铺表 面的整平和压实。熨平板通过大臂和主机交接在一起,通常 通过铰接点位置的变化来改变熨平板的仰角a,从而控制熨 平板的上下浮动。浮动熨平板具有以下特点: ①在工作过程中,如果摊铺机运行的下承层是平整的, 并且作用在熨平板上的外力不发生变化,熨平板将会以不变 的仰角(a角)前移,此时摊铺表面是平整的。反之,如果路 面不平整,或作用在熨平板上的外力发生变化(如供料不均 匀、行走速度的变化)都会引起a角的变化,从而造成摊铺层 表面的不平整。 ②原来路面起伏变化波长较短时,熨平板所移动的轨迹 并不“再现”其变化幅度,而是趋于平滑。熨平板的浮动对 原路面起到滤波作用,这一特性,称为自动检索找平特性。 浮动熨平板自找平能力的强弱主要取决于侧臂的长度, 侧臂越长效果越好。其次,取决于下承层的波长,波长越短 效果越好,若波长太大,则自找平作用消失。 (2)摊铺机型号、参数。 高速公路路幅较宽,半幅施工也必须两台摊铺机成梯队 同时作业,两台摊铺机生产厂家、型号等不一致,直接影响摊 铺效果,即便是同厂家、同型号的摊铺机,由于各机选用参数 不一致,或参数一致但机械新旧程度不同,也导致初始密实 度等差异,进而影响成型后基层的平整度。施工过程中要随 时检查各种参数,跟踪控制,以确保基层施工平整度。 施工中为保证均衡统一的摊铺效果,尽量选用同厂家、 同型号的摊铺机梯队铺筑,且两台摊铺机所选用的技术参数 均一致。摊铺机熨平板安装时一定要保证顺直,绝对要避免 熨平板本身出现拱度。同时要对铺筑后碾压前的混合料效 果进行分析,重点对照两摊铺机摊铺性能,如有差别,则对各 参数进行微调,确保两台摊铺机铺出的混合料均匀一致。 4摊铺 4.1摊铺基准线 基层施工时在两侧采用钢丝设置施工基准线,中间采用 托架顶托铝合金标杆形成基准面,前台摊铺机行走后内侧摊 铺面成为下台摊铺机的基准面,基准线、基准面标准与否直 接影响摊铺面的平整,进而影响成型后的基层平整度,为此 必须严格控制基准线、面的设置。 (1)宜选用直径2.0—2.5 mm的钢丝作为基准线的材 料; 第8期 张鲁刚:高速公路路面基层平整度影响因素及控制措施 总第210期 (2)钢丝张拉长度以100—200 nl为佳,张拉力宜为于 800一1 000 N,保证摊铺机电脑感应器经过钢丝时不会产生 下垂变形; (3)支撑杆、钢丝必须固定牢固。支撑杆间距一般为 10 m;钢丝须与路面设计标高平行,标高误差应小于2 mm。 (4)钢丝的扭曲变形应及时调直,粘结、悬挂的杂物须 及时清除。整个摊铺作业期间应有专人看管,严禁碰撞钢。 丝: (5)确定中间托架标高时拉线要紧,安装完成后用水准 仪进行校核; (6)前台摊铺机摊铺面作为后台摊铺机的基准面,在后 台摊铺机传感器经过前不要人为的破坏。 4.2摊铺过程中混合料的离析 摊铺机在摊铺过程中不可避免会出现混合料离析,由于 混合料的离析会引起压实系数的变异,人工对离析部位的处 理同样会造成摊铺表面的不平整,进而影响平整度。针对这 种情况,首先要采取措施减少混合料的离析,包括控制混合 料的拌合质量,在机械设备上采取针对性的措施等,另一方 面加强对离析部位的处理控制,尽量减少对摊铺面的扰动。 4.3连续匀速摊铺 摊铺过程中速度的变化也会造成平整度不良,如果速度 过快,与拌和站的生产能力和运输能力不相匹配,必然造成 停机待料,停车起步会对平整度造成人为的影响,而且速度 的变化同时影响摊铺面的密实程度,碾压成型之后也会对平 整度造成不良影响。 摊铺机振捣压实机构是靠振捣梁上下运动实现对混合 料的压实,在振捣压实过程中,当振捣梁运行到最高点并开 始向最低点下落时,振捣开始第一次压缩混合料,运行到最 低点时实现对混合料的第一次压缩,然后振捣梁从最低点向 最高点运动,振捣梁向上运动形成一个空隙,混合料在螺旋 分料器分料压力及自重作用下填满该间隙,当到达最高点 时,向上运动形成的空隙被混合料填满,这时振捣梁处于最 高点并开始下落开始进行第二次压缩,将填充的混合料压到 第一次压缩的混合料中,使振捣梁下面区域内的混合料内的 空气和水分被新填入的料粒颗粒占据,实现对混合料的压 实。 4.4摊铺初始压实对平整度的影响 初始压实是影响摊铺平整度的一个不可忽视环节。摊 铺过程中熨平板振捣梁上下捣实压实使摊铺混合料形成初 始压实,初始压实不仅影响混合料摊铺的均匀性,而且对消 除下承层平整度对基层平整度的影响起着一定作用。 因此,在摊铺施工中,应根据摊铺机的工作性能和行进 速度,调整摊铺机振捣档位,使摊铺既要有较好的初始压实 质量,又要保证初始振捣压实质量稳定。同时,还要保证两 梯队摊铺的摊铺机有尽可能一致的初始压实度。振捣档位 的选择应结合摊铺机的性能、行进速度设置,同时又要保证 摊铺机的浮动找平系统切实有效。 5碾压 5.1合理配备压实设备 压路机的吨位和台数必须与拌和机及摊铺机的生产能 力相匹配,以保证施工正常连续进行,应通过试验路段进行 确定。每台摊铺机后面应配有振动压路机、三轮或双钢轮压 路机进行碾压,一般半幅摊铺需配备18 t以上振动压路机2 台,18~21 t静压压路机2台,20 t以上胶轮压路机1台。 5.2遵循试验路确定的压实程序和工艺碾压 碾压时应遵循“先轻后重、先稳后振、先慢后快”和“紧 跟、高频、低振”的原则,并控制好各碾压阶段压路机行进速 度,直线段和无超高平曲线段由两侧路肩向中心碾压,设有 超高的平曲线段,由低处向高处碾压。 在碾压时应遵循试验段确定的碾压工艺。并做到: (1)匀速碾压,减小力的变化。 (2)缓缓起步、慢慢停车、长距离小角度去改变机械的 运行方向,以延缓力的作用强度。 (3)在振动碾压时,应“先停振后停车,先行车后起振”, 以延缓力的作用强度。换档位置应在已压好的路段上,在未 碾压一端换挡倒车位置应错开,成锯齿状,出现个别涌包时, 应设专人做铲平处理,并用3 1TI铝合金杆加密量测平整度。 压路机停驶应停在已压实的基层上。 5.3 由试验段确定适宜的碾压作业段长度 避免在水泥初凝前尚未压实,由于水泥固结而影响压实 效果,从而影响平整度。 碾压段落要层次分明,设置明显的分界标志,避免漏压 形成压实功差异。 6抓好前后台施工调度和现场管理,保证施工工序紧密连 接 任何突发事件或者施工的中断都会对施工质量产生影 响,影响基层的各项指标包括平整度指标。 7做好基层养生期成品保护 在基层养生期间应严格交通管制,尽量禁止车辆在基层 上行驶,避免基层破坏,影响平整度。 8严格控制基层接缝质量 (1)水泥稳定碎石基层在每天摊铺压实完成后应立即 将横向接头用人工凿出,凿接头时要用3 m直尺在压好的基 层上检测,将由压路机压实造成推移的部分全部凿除,一般 在0.75~l rn左右,以保证新铺基层与已压实完成基层平整 顺接。 (2)在重新开始摊铺混合料前,首先将横向接头处清扫 干净,然后浇洒水泥浆,有利于新铺混合料与已压实完成基 层横向接头断面的连接,然后用垫木将摊铺熨平板垫至松铺 厚度开始摊铺。 (3)压路机压实时,应首先在已压实的基层上跨缝横向 碾压,并逐渐向新铺筑层上直至碾压密实,再进行纵向碾压。 碾压过程中随时用3 m直尺进行检查。
高速公路路面平整度检测及其技术措施摘要:路面平整度是反应路面质量的其中一个重要指标,同时路面平整度质量直接反映公路运行使用阶段行车安全等方面,本文通过结合路面平整度检测实践,提出路面平整度检测方法,同时结合实践,提出如何有效地提高高速公路路面平整度,为同类工程提供参考。
关键词:高速公路;路面平整度;激光检测;平整度控制
abstract: the road surface roughness is the quality of the road surface reaction one of the important indexes, and pavement roughness quality directly reflects highway runs using phase driving safety and so on, this article by combining road surface flatness detection practice, it puts forward the road surface flatness detection methods, at the same time, combined with the practice, puts forward how to effectively improve the highway pavement roughness, and provide a reference for similar projects.
keywords: highways; and pavement roughness; laser detection; flatness control
中图分类号:u412.36+6 文献标识码:a文章编号:
引言
对高速公路路面平整度检测是指以规定的标准量规,间断地或
连续量测路表面的凹凸情况,通过检测数据来反映路面的不平整度情况。
目前对高速公路路面的平整度检测主要有以下几种测试方法:(1)3m直尺测定法(3m ruler testing);(2)连续式平整度仪测定法(continuous evenness apparatus testing);(3)车载式颠簸累积仪测定法(car jolt cumulate apparatus testing);(4)激光路面平整度测定仪测定法(laser pavement evenness apparatus testing);(5)平整度指标间相互关系(relation of evenness index)。
而对于高速公路路面平整度检测来说,3m直尺测定应用较少。
现通过结合实践来探讨这些路面平整度检测方法。
路面平整度检测
(1)连续式平整检测主要采用连续式平整度仪量测路面的不平整度的标准差(σ),以表示路面的平整度,以mm计。
检测中首先确定连续式平整度仪工作正常,牵引连续式平整度仪的速度应保持匀速,速度宜为5km/h,最大不得超过12km/h。
连续式平整度仪测定后,可按每•10cm•间距采集的位移值自动计算得每100m的计算区间的平整度标准差(mm),还可记录测试长度(m)。
(2)车载式颠簸累积仪测定平整度应要求选择测试系统承载车辆。
该平整度检测方法所要求的测试车辆应具备下列条件之一:在正常状态下行驶超过20000km;标定的时间间隔超过1年;减震器、轮胎等发生更换、维修,都应进行仪器测值与国际平整度指数iri 的相关性标定,相关系数r应不低于0.99。
平整度检测前应让测试车以测试速度行驶5~10km,按照设备操作手册规定的预热时间对
测试系统预热。
测试车停在测试起点前300~500m处,启动平整度测试系统程序,按照设备操作手册的规定和测试路段的现场技术要求设置完毕所需的测试状态。
驾驶员在进入测试路段前应保持车速在规定的测试速度范围内,沿正常行车轨迹驶入测试路段。
(3)车载式激光平整度检测。
通过采用车载式激光平整度仪对新、改建路面工程质量验收和无严重坑槽、车辙等病害及无积水、积雪、泥浆的正常通车条件下采取连续采集路段平整度。
这种平整度检测主要是在测试开始之前应让测试车以测试速度行驶5~10km,按照设备使用说明规定的预热时间对测试系统预热。
驾驶员应按照设备操作手册要求的测试速度范围驾驶测试车,宜在50~80km/h之间,避免急加速和急减速,急弯路段应放慢车速,沿正常行车轨迹驶入测试路段。
根据激光平整度仪采集的数据是路面相对高程值,应以100m为计算区间长度用iri的标准计算程序计算iri值,以m/km计。
平整度检测注意事项
(1)对高速公路路面进行测试前对现场的准备工作具有一定要求:检测现场适宜尽量的封闭交通;清扫路面测定位置处的污物,以防路面杂物影响到检测数据采集异常。
(2)对路面平整度检测路段的测试地点选择:当为沥青路面施工过程中的质量检测时,测试地点应当根据需要而确定;在工程检测实践中,当为路面工程质量检查验收或进行路况评定需要时,通常以行车道一侧车轮轮迹带作为连续测定的标准位置。
对旧路已形
成车辙的路面,取一侧车辙中间位置为测定位置。
(3)对路面平整度的检测频率:对于路面宽度<9m,硬干检测1幅;路面宽度9~15m,检测2幅;路面宽度>15m,检测3幅。
连续式平整度仪检测时,以100m作为一个评定段。
路面平整度控制技术
从对高速公路沥青混凝土路面平整度检测情况来看,路面局部位置出现车辙、拥包、搓板、下陷等现象,公路路面平整度差问题尤为突出,其造成车辆行驶时有起伏感、颠簸感,甚至影响道路行车性能,降低道路的使用寿命。
针对此,作为从事路面检测人员来说,笔者结合工程实践,总结了一些可有效提高高速公路路面平整度的控制技术措施。
(1)沥青混合料的矿料级配偏细、沥青用量偏高,沥青针入度偏大或沥青质量不好,造成沥青混合料的热稳定性不足,当温度变化较大时,面层在车辆水平作用下发生位移变形。
为此施工时在沥青混合料配合比设计中,要控制好细集料的用量,不可偏多,选择质量优良、可靠的沥青材料,控制沥青用量,选择最佳油石比。
在施工过程中,认真作好检测试验工作,及时反馈工程施工质量信息,及时调整和处理。
(2)道路换板后路基、基层未压实或沥青混凝土下面层未经充分压实,强度不足,在上面层碾压时,这样就较易造成面层发生变形位移。
正确的做法应当在施工时必须严格控制道路路基、基层和沥青混凝土下面层的施工质量,严格按碾压工艺要求组织合理的压
实机具,充分压实。
并确保压实后各层的厚度满足设计要求,保证各层间的良好连结,防止层间滑动发生变形。
局部变形较大处,则应对基层进行补强或将损坏部分挖除,重新铺筑,确保新修补的基层具有足够强度和良好的水稳性,坚实平整。
(3)沥青混合料摊铺时,基准线失控,摊铺和碾压工艺差或稳定性低,造成摊铺质量差,路面平整度低。
为了有效地保证沥青混凝土面层的平整度和标高,施工下面层摊铺时一般采用钢绞线,目的是调整面层的标高,消除基层的施工误差,使标高达到设计标准。
上面层采用非接触式平衡梁找平,以提高沥青混凝土上面层的平整度。
同时在施工时由于种种原因有时会出现跳跃式、填空式路段施工,在填空路段摊铺时应以前后已摊铺的沥青混凝土面为基准,采用挂钢绞线进行自动找平摊铺,确保整个路段标高一致,连接顺畅。
选择性能可靠的摊铺设备(施工时采用进口abg-423沥青混凝土摊铺机),每台摊铺机固定专人进行操作,对操作人员进行岗前培训和技术交底,严格按试验段确定的摊铺工艺和相关参数进行施工,不得随意调整。
坚持“高温碾压、紧跟碾压、高频低幅”的碾压原则。
碾压时,压路机应以慢而均匀的速度碾压,压路机的碾压路线及碾压方向不应突然改变而导致混合料推移。
碾压区的长度应大体稳定,两端的折返位置应随摊铺机前进而推进,横向不得在相同的断面上。
在碾压过程中,严禁压路机在行驶过程中急转向、急刹车。
(4)道路横缝设置过多,横缝未按要求压实,平整。
根据高速公路路基交工时间,科学组织施工,合理划分施工作业段,尽量延
长沥青混凝土面层一次摊铺长度,以减少横向接缝。
施工时还必须保证沥青混合料的连续供料,并与市内已建的沥青混凝土搅拌站取得联系,寻求配合和支持,与本工地搅拌站互为备用,以保证供料,避免因供料问题,而影响工程施工,设置过多的横向接缝。
在横缝接缝施工时,采用3m直尺控制接缝平整度,严格按接缝施工工艺的要求,作好接缝处的施工,加强碾压,保证接缝处密实、平整。
加强摊铺过程的检测处理,在摊铺过程中及时用3米直尺检测平整度,发现问题及时处理。
5.结论
文章通过结合高速公路路面平整度检测实践,分析了目前高速公路所采取路面平整度检测技术,提出如连续式平整度检测方法,同时鉴于平整度对于高速公路路面的重要性,通过结合平整度检测结果来提出有效的平整度控制技术,措施可为同类工程参考。
参考文献:
[1] 凌长敏,史忠友,张旭明.浅谈高速公路平整度检测技术[j].黑龙江水利科技,2006,27(02):74-75.
[2] 张帆,钱刚.高速公路平整度检测质量控制浅析[j].建筑施工,2007,29(06):101-103.
[3] 陈志年,林环兴,吴利东.浅析公路平整度检测质量控制措施[j].施工工人,2006,31(02):46-49.。