天然塔吊基础计算书
- 格式:docx
- 大小:56.44 KB
- 文档页数:10
一. 参数信息QTZ-315塔吊天然基础的计算书塔吊型号:QTZ315,自重(包括压重)F1=250.00kN,最大起重荷载F2=30.00kN,塔吊倾覆力距M=315.40kN.m,塔吊起重高度H=28.00m,塔身宽度B=1.40m,混凝土强度等级:C35,基础埋深D=1.30m,基础最小厚度h=1.30m,基础最小宽度Bc=5.00m,二. 基础最小尺寸计算基础的最小厚度取:H=1.30m基础的最小宽度取:Bc=5.00m三. 塔吊基础承载力计算依据《建筑地基基础设计规范》(GB50007-2002)第5.2条承载力计算。
计算简图:当不考虑附着时的基础设计值计算公式:当考虑附着时的基础设计值计算公式:当考虑偏心距较大时的基础设计值计算公式:式中F──塔吊作用于基础的竖向力,它包括塔吊自重,压重和最大起重荷载,F=1.2×280=336.00kN;G──基础自重与基础上面的土的自重,G=1.2×(25.0×Bc×Bc×Hc+20.0×Bc×Bc×D) =1275.00kN;Bc──基础底面的宽度,取Bc=5.00m;W──基础底面的抵抗矩,W=Bc×Bc×Bc/6=20.83m3;M──倾覆力矩,包括风荷载产生的力距和最大起重力距,M=1.4×315.40=441.56kN.m;a──合力作用点至基础底面最大压力边缘距离(m),按下式计算:a=5.00/2-441.56/(336.00+1275.00)=2.23m。
经过计算得到:无附着的最大压力设计值 Pmax=(336.00+1275.00)/5.002+441.56/20.83=85.63kPa无附着的最小压力设计值 Pmin=(336.00+1275.00)/5.002-441.56/20.83=43.25kPa有附着的压力设计值 P=(336.00+1275.00)/5.002=64.44kPa偏心距较大时压力设计值Pkmax=2×(336.00+1275.00)/(3×5.00×2.23)=96.50kPa四. 地基基础承载力验算地基基础承载力特征值计算依据《建筑地基基础设计规范》GB 50007-2002第5.2.3条。
一、QTZ5013塔吊天然基础的计算书1、地基承载力计算1.1塔基在独立状态时,作用于基础的荷载应包括塔机作用于基础顶的竖向荷载标准值(F k)、水平荷载标准值(F vk)、倾覆力矩(包括塔机自重、起重荷载、风荷载等引起的力矩)荷载标准值(M k)、扭矩荷载标准值(T k),以及基础及其上土的自重荷载标准值(G k)。
1.2矩形基础地基承载力计算应符合下列规定:1、基础底面压力应符合:1)、当轴心荷载作用时:p k≤f a=200kpa式中:p k ------相当于荷载效应便准组合时,基础底面处的平均压力值;f a -------修正后的地基承载力特征值。
2)、当偏心荷载作用时,除符合上式外,尚应符合下列要求:p kmax≤1.2 f a=1.2*200=240 kpa 式中:p kmax -------相应于荷载效应标准组合时,基础底面边缘的最大压力值。
2、基础底面的压力可按下列公式确定:1)当轴心荷载作用时:p k=(F k+G k)/bl=(842.4+1108.404)/(5*5)=78.03216 kn/m2≤240 kpa 故,符合要求。
式中:F k -----塔机作用于基础顶面的竖向荷载标准值;G k -----基础及其上土的自重标准值;b-------矩形基础底面的短边长度;l--------矩形基础底面的长边长度。
2)当偏心荷载作用时:p kmax=(F k+G k)/bl+(M k+F vk•h)/W=(842.4+1108.404)/(5*5)+(882+4*1.35)/20.83=78.03216+42.6=120.63 kn/m2≤1.2 f a 符合要求。
式中:M k-------相应于荷载效应标准组合时,作用于矩形基础顶面短边方向的力矩值;F vk-------相应于荷载效应标准组合时,作用于矩形基础顶面短边方向的水平荷载值;h-------基础的高度;W--------基础底面的抵抗矩。
QTZ80(TC5610-6)塔吊天然基础的计算书依据《塔式起重机混凝土基础工程技术规程》一.参数信息塔吊型号:QTZ80( TC5610-6)起重荷载标准值:Fqk=58.8kN塔吊计算高度:H=45.9m非工作状态下塔身弯矩:M=1552kN.m钢筋级别:HRB400承台宽度:Bc=6m1) 塔机自重标准值Fk1 =464.1kN2) 基础以及覆土自重标准值G<=6X 6X 1.35 X 25=1215kN3) 起重荷载标准值Fqk=58.8kN2. 风荷载计算附件一计算简图:二.荷载计算1.自重荷载及起重荷载(JGJ/T 187-2009)。
塔机自重标准值:Fk1=464.10kN塔吊最大起重力矩:M=1335kN.m塔身宽度:B=1.6m承台混凝土等级:C30地基承载力特征值:350kPa1) 工作状态下塔机塔身截面对角线方向所受风荷载标准值a. 塔机所受风均布线荷载标准值(Wo=0.2kN/m2) 叫=0-昭丛口凯=0.8 X 1.59 X 1.95 X 1.349 X 0.2=0.67kN/m 2字止=f H=1. 2X 0.67 X 0.35 X 1.6=0.45kN/mb. 塔机所受风荷载水平合力标准值F v k=q s k X H=0.45X 45.9=20.64kNc. 基础顶面风荷载产生的力矩标准值Mjk=°.5Fvk X H=0.5X 20.64 X 45.9=473.73kN.m2) 非工作状态下塔机塔身截面对角线方向所受风荷载标准值a. 塔机所受风均布线荷载标准值(本地区Wo=0.35kN/mi2)Wjt =2=0.8 X 1.63 X 1.95 X 1.349 X 0.35=1.20kN/m- m f H=1.2 X 1.20 X 0.35 X 1.6=0.81kN/mb. 塔机所受风荷载水平合力标准值F v k=q s k X H=0.81 X 45.9=37.03kNc. 基础顶面风荷载产生的力矩标准值Mjk=0.5F vk X H=0.5X 37.03 X 45.9=849.88kN.m3. 塔机的倾覆力矩工作状态下,标准组合的倾覆力矩标准值l\^=1552+0.9X( -1335+473.73)=776.85kN.m非工作状态下,标准组合的倾覆力矩标准值l\^=1552+849.88=2401.88kN.m三.地基承载力计算依据《塔式起重机混凝土基础工程技术规程》(JGJ/T 187-2009)第4.1.3条承载力计算塔机工作状态下:当轴心荷载作用时:22=(464.1+58.8+1215)/(6 X 6)=48.28kN/m 2 当偏心荷载作用时:肚二(代十旳隅訂陆=(464.1+58.8+1215)/(6 X 6) -2X (776.85 X 1.414/2)/36.002=17.76kN/m 2由于P kmin》0所以按下式计算Pkmax:2 =(垃十曳)"+亚化+甌訂陷=(464.1+58.8+1215)/(6 X 6)+2 X (776.85 X 1.414/2)/36.002=78.79kN/m 2塔机非工作状态下:当轴心荷载作用时:2 =(464.1+1215)/(6 X 6)=46.64kN/m 2当偏心荷载作用时:肚严以十翼山- 叭-M訂%=(464.1+1215)/(6 X 6)-2X (2401.88 X 1.414/2)/36.00=-47.70kN/m由于P kmin<0所以按下式计算Pkmax:二近+兀顾爲心=(2401.88+37.03 X 1.35)/(464.10+1215.00)=1.46m < 0.25b=1.50m载力满足要求!—12-X 忑f2=3-1.03=1.97m=(464.1+1215.00)/(3 X 1.97 X 1.97)=144.57kN/m四.地基基础承载力验算修正后的地基承载力特征值为:f a=570.00kPa非工作状态地基承轴心荷载作用:由于f a》Pk=48.28kPa,所以满足要求!偏心荷载作用:由于1.2 Xf a》P kma>=144.57kPa,所以满足要求! 五•承台配筋计算依据《建筑地基基础设计规范》GB 50007-2011第8.2条。
塔吊天然基础的计算书依据《塔式起重机混凝土基础工程技术规程》(JGJ/T 187-2009)。
一. 参数信息二. 荷载计算1. 自重荷载及起重荷载1) 塔机自重标准值F k1=456kN2) 基础以及覆土自重标准值G k=5.5×5.5×1.35×25=1020.9375kN3) 起重荷载标准值F qk=60kN2. 风荷载计算1) 工作状态下塔机塔身截面对角线方向所受风荷载标准值a. 塔机所受风均布线荷载标准值 (Wo=0.2kN/m2)=0.8×1.59×1.95×1.29×0.2=0.64kN/m2=1.2×0.64×0.35×1.6=0.43kN/mb. 塔机所受风荷载水平合力标准值F vk=q sk×H=0.43×40=17.20kNc. 基础顶面风荷载产生的力矩标准值M sk=0.5F vk×H=0.5×17.20×40=344.03kN.m2) 非工作状态下塔机塔身截面对角线方向所受风荷载标准值a. 塔机所受风均布线荷载标准值 (本地区 Wo=0.45kN/m2)=0.8×1.65×1.95×1.29×0.45=1.49kN/m2=1.2×1.49×0.35×1.6=1.00kN/mb. 塔机所受风荷载水平合力标准值F vk=q sk×H=1.00×40=40.16kNc. 基础顶面风荷载产生的力矩标准值M sk=0.5F vk×H=0.5×40.16×40=803.29kN.m3. 塔机的倾覆力矩工作状态下,标准组合的倾覆力矩标准值M k=-206.55+0.9×(63+344.03)=159.78kN.m非工作状态下,标准组合的倾覆力矩标准值M k=-206.55+803.29=596.74kN.m三. 地基承载力计算依据《塔式起重机混凝土基础工程技术规程》(JGJ/T 187-2009)第4.1.3条承载力计算。
塔吊天然基础的计算书一. 参数信息塔吊型号:QTZ5012, 自重(包括压重)F1=297.80kN,最大起重荷载F2=50.00kN,塔吊倾覆力距M=1,035.30kN.m,塔吊起重高度H=30.00m,塔身宽度B=1.60m,混凝土强度等级:C35,基础埋深D=1.80m,基础最小厚度h=1.40m,基础最小宽度Bc=5.60m,二. 基础最小尺寸计算1.最小厚度计算依据《混凝土结构设计规范》(GB50010-2002)第7.7条受冲切承载力计算。
根据塔吊基础对基础的最大压力和最大拔力,按照下式进行抗冲切计算:其中 F──塔吊基础对基脚的最大压力和最大拔力;其它参数参照规范。
计算方案:当F取塔吊基础对基脚的最大压力,将h01从0.8m开始,每增加0.01m,至到满足上式,解出一个h01;当F取塔吊基础对基脚的最大拔力时,同理,解出一个h02,最后h01与h02相加,得到最小厚度H。
经过计算得到:塔吊基础对基脚的最大压力F=250.00kN时,得h01=0.80m;塔吊基础对基脚的最大拔力F=200.00kN时,得h02=0.80m;解得最小厚度 H c=h01+h02+0.05=1.65m;实际计算取厚度为:H c=1.40m。
2.最小宽度计算建议保证基础的偏心距小于Bc/4,则用下面的公式计算:其中 F──塔吊作用于基础的竖向力,它包括塔吊自重,压重和最大起重荷载,F=1.2×347.80=417.36kN;G──基础自重与基础上面的土的自重,G=1.2×(25.0×B c×B c×H c+20.0×B c×B c×D)=1201.39kN;M──倾覆力矩,包括风荷载产生的力距和最大起重力距,M=1.4×1035.30=1449.42kN.m。
解得最小宽度 B c=3.60m,且还应该满足:B c>=2h+B=4.90m。
塔吊基础计算QTZ60塔吊天然基础的计算书(一)参数信息塔吊型号:QTZ60,自重(包括压重)F1=833.00kN,最大起重荷载F2=60.00kN,塔吊倾覆力距M=600.00kN.m,塔吊起重高度H=40.00m,塔身宽度B=1.60m,混凝土强度等级:C35,基础埋深D=5.00m,基础最小厚度h=1.25m,基础最小宽度Bc=4.82m。
(二)基础最小尺寸计算基础的最小厚度取:H=1.25m基础的最小宽度取:Bc=4.82m(三)塔吊基础承载力计算依据《建筑地基基础设计规范》(GB50007-2002)第5.2条承载力计算。
当不考虑附着时的基础设计值计算公式:当考虑附着时的基础设计值计算公式:当考虑偏心距较大时的基础设计值计算公式:式中 F──塔吊作用于基础的竖向力,它包括塔吊自重,压重和最大起重荷载,F=1.2×893=1071.60kN;G──基础自重与基础上面的土的自重,G=1.2×(25.0×Bc×Bc×Hc+20.0×Bc ×Bc×D) =3659.10kN;Bc──基础底面的宽度,取Bc=4.82m;W──基础底面的抵抗矩,W=Bc×Bc×Bc/6=18.66m3;M──倾覆力矩,包括风荷载产生的力距和最大起重力距,M=1.4×600.00=840.00kN.m;a──合力作用点至基础底面最大压力边缘距离(m),按下式计算:a=4.82/2-840.00/(1071.60+3659.10)=2.23m。
经过计算得到:无附着的最大压力设计值Pmax=(1071.60+3659.10)/4.822+840.00/18.66=248.63kPa 无附着的最小压力设计值 Pmin=(1071.60+3659.10)/4.822-840.00/18.66=158.62kPa有附着的压力设计值 P=(1071.60+3659.10)/4.822=203.63kPa偏心距较大时压力设计值 Pkmax=2×(1071.60+3659.10)/(3×4.82×2.23)=293.09kPa(四)地基基础承载力验算地基基础承载力特征值计算依据《建筑地基基础设计规范》GB 50007-2002第5.2.3条。
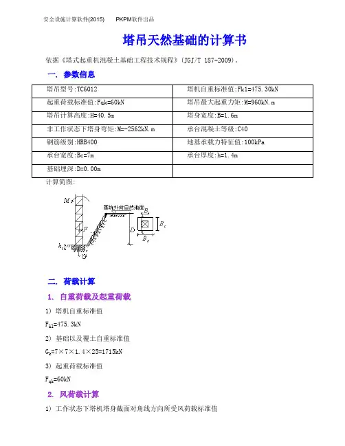
塔吊天然基础的计算书依据《塔式起重机混凝土基础工程技术规程》(JGJ/T 187-2009)。
一. 参数信息二. 荷载计算1. 自重荷载及起重荷载1) 塔机自重标准值F k1=475.3kN2) 基础以及覆土自重标准值G k=7×7×1.4×25=1715kN3) 起重荷载标准值F qk=60kN2. 风荷载计算1) 工作状态下塔机塔身截面对角线方向所受风荷载标准值a. 塔机所受风均布线荷载标准值 (Wo=0.2kN/m2)=0.8×1.59×1.95×1.295×0.2=0.64kN/m2=1.2×0.64×0.35×1.6=0.43kN/mb. 塔机所受风荷载水平合力标准值F vk=q sk×H=0.43×40.5=17.48kNc. 基础顶面风荷载产生的力矩标准值M sk=0.5F vk×H=0.5×17.48×40.5=354.06kN.m2) 非工作状态下塔机塔身截面对角线方向所受风荷载标准值a. 塔机所受风均布线荷载标准值 (本地区Wo=0.30kN/m2)=0.8×1.62×1.95×1.295×0.3=0.98kN/m2=1.2×0.98×0.35×1.6=0.66kN/mb. 塔机所受风荷载水平合力标准值F vk=q sk×H=0.66×40.5=26.72kNc. 基础顶面风荷载产生的力矩标准值M sk=0.5F vk×H=0.5×26.72×40.5=541.10kN.m3. 塔机的倾覆力矩工作状态下,标准组合的倾覆力矩标准值M k=-2562+0.9×(960+354.06)=-1379.35kN.m非工作状态下,标准组合的倾覆力矩标准值M k=-2562+541.10=-2020.90kN.m三. 地基承载力计算依据《塔式起重机混凝土基础工程技术规程》(JGJ/T 187-2009)第4.1.3条承载力计算。
临港新城重装备区一期—(2)塔吊天然基础的计算书一. 参数信息塔吊型号:QTZ63, 自重(包括压重)F1=450.80kN,最大起重荷载F2=60.00kN,塔吊倾覆力距M=630.00kN.m,塔吊起重高度H=101.00m,实际使用40M , 塔身宽度B=1.60m,混凝土强度等级:C35,基础埋深D=2.50m,基础最小厚度h=1.00m,基础最小宽度Bc=6.0m,二. 基础最小尺寸计算基础的最小厚度取:H=1.00m基础的最小宽度取:Bc=6.0m三. 塔吊基础承载力计算依据《建筑地基基础设计规范》(GB50007-2002)第5.2条承载力计算。
计算简图:当不考虑附着时的基础设计值计算公式:当考虑附着时的基础设计值计算公式:当考虑偏心距较大时的基础设计值计算公式:式中 F——塔吊作用于基础的竖向力,它包括塔吊自重,压重和最大起重荷载,F=510.80kN; G——基础自重与基础上面的土的自重,G=25.0×Bc×Bc×Hc+20.0×Bc×Bc×D=1620kN;Bc——基础底面的宽度,取Bc=6.0m;W——基础底面的抵抗矩,W=Bc×Bc×Bc/6=36m3;M——倾覆力矩,包括风荷载产生的力距和最大起重力距,M=630.00kN.m;a——合力作用点至基础底面最大压力边缘距离(m),按下式计算:a=6.0/2-630.00/(510.80+1620)=2.704m。
经过计算得到:无附着的最大压力设计值 Pmax=(510.80+1620)/62+630.00/36=76.67kPa无附着的最小压力设计值 Pmin=(510.80+1620)/62-630.00/36=41.689kPa有附着的压力设计值 P=(510.80+1620)/62=59.17kPa偏心距较大时压力设计值 Pkmax=2×(510.80+1620)/(3×6×2.704)=87.557kPa 四. 地基基础承载力验算地基基础承载力特征值计算依据《建筑地基基础设计规范》GB 50007-2002第5.2.3条。
QTZ50塔吊天然基础计算书一、参数信息型号:QTZ50 塔吊起重高度H=120m塔吊倾覆力距M=530kN.m 混凝土强度等级:C35塔身宽度B=1.50m,基础以上土的厚度:D=1.5m自重F1=240.8fkN,基础承台厚度h=1.3m最大起重荷载F2=40kN,基础承台宽度R=5.5m二、基础最小尺寸计算基础的最小宽度取:Bc=5.00m三. 塔吊基础承载力计算依据《建筑地基基础设计规范》(GB50007-2002)第5.2条承载力计算。
计算简图:当不考虑附着时的基础设计值计算公式:当考虑附着时的基础设计值计算公式:当考虑偏心距较大时的基础设计值计算公式:式中 F──塔吊作用于基础的竖向力,它包括塔吊自重,压重和最大起重荷载,F=304.30kN;G──基础自重与基础上面的土的自重,G=1.2×(25.0×Bc×Bc×Hc+Ym×Bc ×Bc×D) =3025.22kN;Ym——土的加权平均重度Bc──基础底面的宽度,取Bc=5.50m;W──基础底面的抵抗矩,W=Bc×Bc×Bc/6=27.73m3;M──倾覆力矩,包括风荷载产生的力距和最大起重力距,M=1.3×530=689kN.m;a──合力作用点至基础底面最大压力边缘距离(m),按下式计算:a=Bc/2-m/(F+G)=5.5/2-689/(360.96+3025.219)=2.01m。
经过计算得到:无附着的最大压力设计值Pmax=(360.96+3025.219)/5.52+689/27.73=136.786kPa无附着的最小压力设计值Pmin=(360.960+3025.219)/5.52-689/27.73=80.032kPa有附着的压力设计值 P=(360.96+3025.219)/5.52=111.940kPa偏心距较大时压力设计值Pkmax=2×(360.96+3025.219)/(3×5.5×2.01)=102.101kPa四. 地基基础承载力验算地基基础承载力特征值计算依据《建筑地基基础设计规范》GB 50007-2002第5.2.3条。
QTZ80塔吊天然基础的计算书(一)计算依据1.《建筑桩基技术规范》JGJ94-2008;2.《混凝土结构设计规范》(GB50010-2002);3.《建筑结构荷载规范》(GB 50009-2001);4.《南明区大健康欧美医药园项目岩土工程勘察报告》;5.《QTZ80塔式起重机使用说明书》;6.建筑、结构设计图纸;7.《简明钢筋混凝土结构计算手册》。
(二)参数数据信息塔吊型号:QTZ80(6013)塔吊起升高度H:150.00m塔身宽度B:1665mm 基础节埋深d:0.00m自重G:596kN(包括平衡重)基础承台厚度hc:1.40m最大起重荷载Q:60kN 基础承台宽度Bc:6.50m混凝土强度等级:C35 钢筋级别:Q235A/HRB335基础底面配筋直径:25mm公称定起重力矩Me:800kN·m 基础所受的水平力P:80kN标准节长度b:2.80m主弦杆材料:角钢/方钢宽度/直径c:120mm所处城市:贵州省贵阳市基本风压ω:0.3kN/m2地面粗糙度类别:D类密集建筑群,房屋较高,风荷载高度变化系数μz:1.27 。
地基承载力特征值fak:147kPa基础宽度修正系数ηb :0.3 基础埋深修正系数ηd:1.5基础底面以下土重度γ:20kN/m3基础底面以上土加权平均重度γm:20kN/m3(三)塔吊基础承载力作用力的计算1、塔吊竖向力计算塔吊自重:G=596kN(整机重量422+平衡重174);塔吊最大起重荷载:Q=60kN;作用于塔吊的竖向力:F k =G +Q =596+60=656kN ;2、塔吊风荷载计算依据《建筑结构荷载规范》(GB50009-2001)中风荷载体型系数: 地处贵州省贵阳市,基本风压为ω0=0.3kN/m 2; 查表得:风荷载高度变化系数μz =1.27; 挡风系数计算:φ=[3B+2b+(4B 2+b 2)1/2]c/(Bb)=[(3×1.665+2×5+(4×1.6652+52)0.5)×0.12]/(1.665×5)=0.302因为是角钢/方钢,体型系数μs =2.402; 高度z 处的风振系数取:βz =1.0; 所以风荷载设计值为:ω=0.7×βz ×μs ×μz ×ω0=0.7×1.00×2.402×1.27×0.3=0.64kN/m 2;3、塔吊弯矩计算风荷载对塔吊基础产生的弯矩计算:M ω=ω×φ×B×H×H×0.5=0.64×0.302×1.665×100×100×0.5=1609kN·m; M kmax =Me +M ω+P ×h c =800+1609+80×1.4=2521kN ·m ;(四)塔吊抗倾覆稳定验算基础抗倾覆稳定性按下式计算: e =M k /(F k +G k )≤Bc/3式中 e ──偏心距,即地面反力的合力至基础中心的距离; M k ──作用在基础上的弯矩; F k ──作用在基础上的垂直载荷;G k ──混凝土基础重力,G k =25×6.5×6.5×1.4=1479kN ; Bc ──为基础的底面宽度;计算得:e=2521/(656+1479)=1.18m < 6.5/3=2.2m ; 基础抗倾覆稳定性满足要求!(五)塔吊基础地基承载力验算依据《建筑地基基础设计规范》(GB50007-2002)第5.2条承载力计算。
塔吊天然基础计算书一、参数信息塔吊型号:QTZ40,自重(包括压重)Fι=168.560kN,最大起重荷载Fz=40.OOOkN, 塔吊倾覆力距M=400.OOOkN.in,塔吊起重高度H=40~60m,塔身宽度B=l.45-1.85m, 混凝土强度等级:C35,基础埋深D=L200m,基础最小厚度h=1.2m,基础最小宽度Bc=4.600m,二、基础最小尺寸计算基础的最小厚度H=l.2m基础的最小宽度Bc=4.600m三、塔吊基础承载力计算依据《建筑地基基础设计规范》(61350007-2002)第5.2条承载力计算。
计算简图:当不考虑附着时的基础设计值计算公式:当考虑附着时的基础设#值计算公式:当考虑偏心距较大时的或础设计值计算公式:2(F+G)塔吊基础平面图塔吊基础剖面图3B c a式中F——塔吊作用于基础的竖向力,它包括塔吊自重,压重和最大起重荷载,F=l.2X208.56=250.27kN;G—基础自重与基础上面的土的自重,G=I.2X(25.O×Bc×Bc×Hc+20.O×Bc×Bc×D)=3359.23kN;Bc——基础底面的宽度,取Bc=7.200m;W——基础底面的抵抗矩,W=Bc×Bc×Bc∕6=62.21m3;M——倾覆力矩,包括风荷载产生的力距和最大起重力距,M二400.000=560.OOOkN.m400.000=560.OOOkN.m;a—合力作用点至基础底面最大压力边缘距离(In),按下式计算:a=7.200/2-(560.000/(250.27+3359.23))=3.445。
经计算得:无附着的最大压力设计值Pmax=(250.27+3359.23)/7.200^2+560.000/62.21=78.63kpa无附着的最小压力设计值Pmin=(250.27+3359.23)/7.200^2-560.000/62.21=60.63kpa有附着的压力设计值P=(250.27+3359.23)/7.200^2=69.63kpa偏心距较大时压力设计值PkmaxPkmax=2(250.27+3359.23)/(3×7.200X3.445)=97.Olkpa四、地基基础承载力验算地基基础承载力特征值计算依据《建筑地基基础设计规范》GB50007-2002第5.2.3条。
塔吊基础设计计算书工程名称: 编制单位:1.计算参数 (1)基本参数采用1台塔式起重机,塔身尺寸m ;现场地面标高m,基础底标高m ,基础埋设深度m 。
(2)塔吊受力情况:M塔吊基础受力示意图基础顶面所受垂直力基础顶面所受水平力基础所受扭矩基础顶面所受倾覆力矩比较桩基础塔吊基础的工作状态和非工作状态的受力情况,塔吊基础按计算: F k =kN ,F h =kN ,M=kN.mF k ,=kN ,F h ,=kN ,M k =kN .m2.基础底面尺寸验算 (1)基础尺寸:长(a)=m ,宽(b)=m ,高(h)=m 。
(2)基础混凝土: 强度等级,f t =N/mm 2,γ砼=25kN/m 3。
(3)基础底面基础底面标高m 、基础置于土层:;地基承载力特征值f ak=kPa、地基土γ=18.8kN/m3。
G k=a×b×h×γ砼=kNkPa基础底面矩W=ab2/6=m3M k/W=kPa3.地基承载力验算(1)修正后的地基承载力特征值计算f a=f ak+ηbγ(b-3)+ηdγm(d–0.5)=kPa(2)地基承载力验算1)当轴心荷载作用时2)当偏心荷载作用时4.抗倾覆验算倾覆力矩M倾=M=kN.m抗倾覆力矩M抗=(F k+G k)×a/2=kN.mM抗/M倾=5.受冲切承载力验算kPaA L=m2h0=m,βhp=a t=m,a b=m,a m=m0.7βhp f t a m h0=kNF L=P j A L=kNα=1,βhs=,a m/L=(α-P j/1.4f tβhs)βhs/βhp=F L=0.7βhp f t a m h0=kN6.受剪切承载力验算a m/L=(α-P j/1.4f tβhs)βhs/βhp=7.基础配筋验算(1)基础弯矩计算a=m,a’=m,L=mP jmax=F k'/A+M k'/W=kPaP jmin=F k'/A-M k'/W=kPaM=1/12a2[P jmax(3L+a’)+P jI(L+a’)]=kN.m(2)基础配筋基础采用钢筋,f y=300N/mm2;A s1=M/(0.95f y h0)=mm2;按照最小配筋率ρ=0.15%计算配筋;A s2=ρbh0=mm2;比较A s1和A s2,按配筋,取mm(钢筋间距满足要求);8.计算结果(1)基础尺寸:长(a)=m,宽(b)=m,高(h)=m,基础底标高m。
塔吊天然基础的计算书依据《塔式起重机混凝土基础工程技术规程》(JGJ/T 187-2009)。
一. 参数信息二. 荷载计算1. 自重荷载及起重荷载1) 塔机自重标准值F k1=483.5kN2) 基础以及覆土自重标准值G k=5.8×5.8×1×25=841kN3) 起重荷载标准值F qk=60kN2. 风荷载计算1) 工作状态下塔机塔身截面对角线方向所受风荷载标准值a. 塔机所受风均布线荷载标准值 (Wo=0.2kN/m2)=0.8×1.59×1.95×1.295×0.2=0.64kN/m2=1.2×0.64×0.35×1.7=0.46kN/mb. 塔机所受风荷载水平合力标准值F vk=q sk×H=0.46×40.5=18.58kNc. 基础顶面风荷载产生的力矩标准值M sk=0.5F vk×H=0.5×18.58×40.5=376.18kN.m2) 非工作状态下塔机塔身截面对角线方向所受风荷载标准值a. 塔机所受风均布线荷载标准值 (本地区 Wo=0.45kN/m2)=0.8×1.65×1.95×1.295×0.45=1.50kN/m2=1.2×1.50×0.35×1.7=1.07kN/mb. 塔机所受风荷载水平合力标准值F vk=q sk×H=1.07×40.5=43.38kNc. 基础顶面风荷载产生的力矩标准值M sk=0.5F vk×H=0.5×43.38×40.5=878.35kN.m3. 塔机的倾覆力矩工作状态下,标准组合的倾覆力矩标准值M k=-1670.8+0.9×(1100+376.18)=-342.23kN.m非工作状态下,标准组合的倾覆力矩标准值M k=-1670.8+878.35=-792.45kN.m三. 地基承载力计算依据《塔式起重机混凝土基础工程技术规程》(JGJ/T 187-2009)第4.1.3条承载力计算。
天然基础计算书、参数信息塔吊型号:QTZ63,塔吊倾覆力矩M=630fkN.m最大起重荷载F2=60fkN ,基础承台宽度Bc=5m钢筋级别:I 级钢。
二、基础最小尺寸计算1.最小厚度计算依据《混凝土结构设计规范》(GB50010-2002)第7.7条受冲切承载力计算。
根据塔吊基础对基础的最大压力和最大拔力,按照下式进行抗冲切计算:(7.7.1-2)Fw (0 15 口pt 产)甲 pi/o其中:F ——塔吊基础对基脚的最大压力和最大拔力;其它参数参照规范。
n ——应按下列两个公式计算,并取其中较小值,取1.000 ; (7.7.1-2)=04 + — A(7.7.1-3)塔身宽度B=1.6fm , 基础以上土的厚度D:=Om自重 F1=450.8fkN , 基础承台厚度h=1.65m,塔吊起升高度H=i0im 混凝土强度等级:C35,n 2--临界截面周长与板截面有效高度之比的影响系数;P h--截面高度影响系数:当h< 800m时,取p h=1.0 ;当h> 2000m时,取ph=0.9 ,其间按线性内插法取用;ft-- 混凝土轴心抗拉强度设计值,取1.570M Pa(T Pc’m--临界截面周长上两个方向混凝土有效预压应力按长度的加权平均值,其值宜控制在1.0-3.5N/mm2范围内,取2500.000 ;U m--临界截面的周长:距离局部荷载或集中反力作用面积周边h o/2处板垂直截面的最不利周长;这里取(塔身宽度+h o)x 4=9.600m;h 。
--截面有效高度,取两个配筋方向的截面有效高度的平均值;P s--局部荷载或集中反力作用面积为矩形时的长边与短边尺寸的比值,P S不宜大于4;当P s<2时,取P s=2;当面积为圆形时,取P s=2;这里取P s=2;a s--板柱结构中柱类型的影响系数:对中性,取a s=40;对边柱,取a s=30;对角柱,取a s=20o塔吊计算都按照中性柱取值,取as=40。
天然基础计算书、参数信息塔吊型号:QTZ63,塔吊倾覆力矩M=630fkN.m最大起重荷载F2=60fkN ,基础承台宽度Bc=5m 钢筋级别:I 级钢。
二、基础最小尺寸计算1.最小厚度计算依据《混凝土结构设计规范》(GB50010-2002)第7.7条受冲切承载力计算。
根据塔吊基础对基础的最大压力和最大拔力,按照下式进行抗冲切计算:(7.7.1-2)其中:F ——塔吊基础对基脚的最大压力和最大拔力;其它参数参照规范n ----- 应按下列两个公式计算,并取其中较小值,取1.000 ;(7.7.1-2)(7.7.1-3)塔身宽度B=1.6fm , 基础以上土的厚度D:=0m自重 F1=450.8fkN , 基础承台厚度h=1.65m,塔吊起升高度H=101m 混凝土强度等级:C35,n 1--局部荷载或集中反力作用面积形状的影响系数;n 2--临界截面周长与板截面有效高度之比的影响系数;B h--截面高度影响系数:当h< 800m时,取B h=1.0 ;当h> 2000m时,取B h=0.9 , 其间按线性内插法取用;ft-- 混凝土轴心抗拉强度设计值,取1.570MPaC pc,m--临界截面周长上两个方向混凝土有效预压应力按长度的加权平均值,其值宜控制在1.0-3.5N/mm2范围内,取2500.000 ;u m--临界截面的周长:距离局部荷载或集中反力作用面积周边h o/2处板垂直截面的最不利周长;这里取(塔身宽度+h o)x 4=9.600m;h 。
--截面有效高度,取两个配筋方向的截面有效高度的平均值;B s--局部荷载或集中反力作用面积为矩形时的长边与短边尺寸的比值, B s不宜大于4;当B s<2时,取B s=2;当面积为圆形时,取B s=2;这里取B s=2;a s--板柱结构中柱类型的影响系数:对中性,取a s=40;对边柱,取a s=30;对角柱,取a s=20。
塔吊计算都按照中性柱取值,取a s=40。
计算方案:当F取塔吊基础对基脚的最大压力,将h o1从0.8m开始,每增加0.01m,至到满足上式,解出一个h o1 ;当卩取塔吊基础对基脚的最大拔力时,同理,解出一个h o2,最后h o1与h o2相加,得到最小厚度h e。
经过计算得到:塔吊基础对基脚的最大压力F=200.000kN时,得h o1=0.800m;塔吊基础对基脚的最大拔力F=200.000kN时,得h o2=0.800m;解得最小厚度H o=h o1+h o2+0.05=1.650m;实际计算取厚度为:H o=1.650m。
2.最小宽度计算建议保证基础的偏心矩小于Be/4,则用下面的公式计算:其中F——塔吊作用于基础的竖向力,它包括塔吊自重,压重和最大起重荷载, F=1.2 X (450.800+60.000)=612.960kN ;G -------- 基础自重与基础上面的土的自重,G=1.2 X( 25X Bc X Bc X Hc+ 丫m X Bc X Bc X D)=1.2 X (25.0 X Bc X Bc X 1.650+20.000 X Bc X Bc X 0.000);丫m——土的加权平均重度,M ——倾覆力矩,包括风荷载产生的力矩和最大起重力矩,M=1.4X 630.000=882.000kN.m。
解得最小宽度Bc=3.174m,实际计算取宽度为Bc=5.000m三、塔吊基础承载力计算依据《建筑地基基础设计规范》(GB50007-2002)第5.2条承载力计算计算简图:当不考虑附着时的基础设计值计算公式:当考虑附着时的基础设计值计算公式:当考虑偏心矩较大时的基础设计值计算公式:式中F——塔吊作用于基础的竖向力,它包括塔吊自重,压重和最大起重荷载,F=304.30kN ;G ------- 基础自重与基础上面的土的自重:G=1.2 X (25.0 X Bc X Bc X Hc+ 丫m X Bc X Bc X D) = 1237.500kN;丫m——土的加权平均重度Bc ——基础底面的宽度,取Bc=5.000m;W ——基础底面的抵抗矩,W=B X Bc X Bc/6=20.833m3;M ——倾覆力矩,包括风荷载产生的力矩和最大起重力矩,M=1.4X 630.000=882.000kN.m;合力作用点至基础底面最大压力边缘距离(m),按下式计算:a=Bc/2-M/(F+G)=5.000/2-882.000/(612.960+1237.500)=2.023m 经过计算得到:无附着的最大压力设计值F max =(612.960+1237.500)/5.000 2+882.000/20.833=116.354kPa ;无附着的最小压力设计值F min =(612.960+1237.500)/5.000 2-882.000/20.833=31.682kFa ;有附着的压力设计值P=(612.960+1237.500)/5.000 2=74.018kPa;偏心矩较大时压力设计值P kmax =2X (612.960+1237.500)/(3 X 5.000 X 2.023)=121.940kPa。
四、地基基础承载力验算地基基础承载力特征值计算依据《建筑地基基础设计规范》GB 50007-2002第523条。
计算公式如下:S=ji十牡也-s +也加㈡・a 5)fa-- 修正后的地基承载力特征值(kN/m2);f ak--地基承载力特征值,按本规范第5.2.3条的原则确定;取220.000kN/m2;n b、nd --基础宽度和埋深的地基承载力修正系数;丫--基础底面以上土的重度,地下水位以下取浮重度,取20.000kN/m3;b-- 基础底面宽度(m),当基宽小于3m按3n取值,大于6n按6m取值,取5.000m;丫m--基础底面以上土的加权平均重度,地下水位以下取浮重度,取20.000kN/m3;d-- 基础埋置深度(m)取0.000m;解得地基承载力设计值:fa=212.000kPa ;实际计算取的地基承载力设计值为:fa=212.000kPa ;地基承载力特征值fa大于最大压力设计值Pmax=116.354kPa满足要求!地基承载力特征值1.2 x fa大于偏心矩较大时的压力设计值Pkmax=121.940kPa满足要求!五、基础受冲切承载力验算依据《建筑地基基础设计规范》GB 50007-2002第8.2.7条验算公式如下:Ft <式中B hp --- 受冲切承载力截面高度影响系数,当h不大于800mr时,B hp取1.0.当h大于等于2000mr时,B h P取0.9,其间按线性内插法取用;f t --- 混凝土轴心抗拉强度设计值;h o ---基础冲切破坏锥体的有效高度;a m ---冲切破坏锥体最不利一侧计算长度;a t ---冲切破坏锥体最不利一侧斜截面的上边长,当计算柱与基础交接处的受冲切承载力时,取柱宽(即塔身宽度);当计算基础变阶处的受冲切承载力时,取上阶宽;a b ---冲切破坏锥体最不利一侧斜截面在基础底面积范围内的下边长,当冲切破坏锥体的底面落在基础底面以内,计算柱与基础交接处的受冲切承载力时,取柱宽加两倍基础有效高度;当计算基础变阶处的受冲切承载力时,取上阶宽加两倍该处的基础有效高度。
p j --- 扣除基础自重及其上土重后相应于荷载效应基本组合时的地基土单位面积净反力,对偏心受压基础可取基础边缘处最大地基土单位面积净反力;A i --- 冲切验算时取用的部分基底面积F i --- 相应于荷载效应基本组合时作用在A上的地基土净反力设计值。
贝hp ---受冲切承载力截面高度影响系数,取 B hp=0.929 ;f t --- 混凝土轴心抗拉强度设计值,取f t=1.570MPaa m --- 冲切破坏锥体最不利一侧计算长度:务=⑷亠門)/2am=[1.600+(1.600+2X 1.650)]/2=3.250m ;h o ---- 承台的有效高度,取h o=1.600m;P j——最大压力设计值,取P j=121.940KPa;F l——实际冲切承载力:耳話4F l=121.940 X (5.000+4.900) X ((5.000-4.900)/2)/2=30.180kN其中5.000为基础宽度,4.900=塔身宽度+2h;允许冲切力:0.7 X 0.929 X 1.570 X 3.250 X 103X1.600 X 103=5310001.667N=5310.002kN;实际冲切力小于允许冲切力设计值,所以能满足要求!六、承台配筋计算1.抗弯计算依据《建筑地基基础设计规范》GB 50007-2002第827条。
计算公式如下1 P\J[2/ +少也+F7+ (几班一12一 1乂式中:M ---任意截面1-1处相应于荷载效应基本组合时的弯矩设计值;a i --- 任意截面1-1至基底边缘最大反力处的距离;当墙体材料为混凝土时,取a i=b 即取a i=1.700m;P max --- 相应于荷载效应基本组合时的基础底面边缘最大地基反力设计值,取121.940kN/m2;P --- 相应于荷载效应基本组合时在任意截面1-1处基础底面地基反力设计值;P=121.940 X (3 X 1.600-1.700)/(3 X 1.600)=78.753kPa ;G--- 考虑荷载分项系数的基础自重及其上的土自重,取1237.500kN/m2;l --- 基础宽度,取l=5.000m ;a --- 塔身宽度,取a=1.600m;a'--- 截面I - I在基底的投影长度,取a'=1.600m。
经过计算得M=1.7002X [(2 X 5.000+1.600) X (121.940+78.753-2 X 1237.500/5.000 2)+(121.940-78.753) X 5.000]/12=336.099kN.m。
2.配筋面积计算依据《建筑地基基础设计规范》GB 50007-2002第8.7.2条。
公式如下:码=---------- F式中,a 1 ---当混凝土强度不超过C5(时,a 1取为1.0,当混凝土强度等级为C8C时,取为0.94,期间按线性内插法确定,取a 1 = 1.000 ;fc --- 混凝土抗压强度设计值,查表得fc=16.700kN/m2;h o --- 承台的计算高度,h o=1.600m。
经过计算得:a s=336.099 X 106/(1.000 X 16.700 X 5.000 X 103X( 1.600 X 103)2)=0.002 ;E =1-(1- 2X 0.002) 0.5=0.002 ;丫s=1-0.002/2=0.999 ;A s=336.099 X 106/(0.999 X 1.600 X 103X 210.000)=1001.081m*。