矩形钢管尺寸规格表
- 格式:docx
- 大小:24.06 KB
- 文档页数:13
矩形钢管规格表规格厚度(mm) 宽度(mm) 长度(m)20 × 30 1.5 20 630 × 40 2.0 30 640 × 60 2.5 40 650 × 70 3.0 50 660 × 80 3.5 60 670 × 90 4.0 70 680 × 100 4.5 80 6矩形钢管是一种常见的建筑和工程用钢材,具有强度高、稳定性好、重量轻等优点,广泛应用于船舶建造、桥梁工程、钢结构等领域。
为了方便大家了解和选择适合自己需求的矩形钢管,本文将提供一份矩形钢管规格表,包含了常见的规格和相关参数。
下面是矩形钢管规格表的详细内容:规格厚度(mm) 宽度(mm) 长度(m)20 × 30 1.5 20 630 × 40 2.0 30 640 × 60 2.5 40 650 × 70 3.0 50 660 × 80 3.5 60 670 × 90 4.0 70 680 × 100 4.5 80 6以上是7种常见矩形钢管的规格及其参数。
根据表格,我们可以清晰地了解每种规格矩形钢管的厚度、宽度和长度。
需要注意的是,这里的规格为外形尺寸规格,厚度表示矩形钢管的壁厚,宽度和长度分别表示矩形钢管的边长。
举例来说,如果我们需要购买一种规格为30 × 40的矩形钢管,可以从规格表中看到其厚度为2.0mm,宽度为30mm,长度为6m。
在购买时,我们可以根据具体需求订购相应尺寸和数量的矩形钢管。
规格表的提供对于工程师、建筑师和相关行业人士来说非常有用。
通过规格表,他们可以直观地了解各种规格矩形钢管的参数,有助于选择合适的材料和尺寸,确保工程的质量和安全。
除了表格中给出的规格外,矩形钢管还有许多其他规格和尺寸,如60 × 90、80 × 120等,具体选择应根据具体需求和工程设计来确定。
实用文档矩形钢管尺寸规格表(GB/T3094-2000 )产品部分参数矩形钢管尺寸规格表壁厚/mm /cm2理论重量/kg/M截面模数惯性矩边长/mm /cm4 /cm3截面面积5.5811.163.54.903.856.8445.494.5614.37407.876.9855.4816.567.6715.347.555.93610.22425.567.095.5611.936.7329.818.585 50633.359.957.8113.3414.498.8011.2136.23715.41838.5112.359.7018.19554.5710.588.3020.6161.829.6913.35660714.0122.6868.0311.00 824.4315.5573.2812.21 512.589.8790.2625.79 6103.129.4711.5814.770713.1916.81114.532.72 814.7218.75124.535.57 5138.911.4434.7214.58 6159.713.4617.1539.9380715.3919.61178.544.63 817.2348.85195.421.95 547.1916.98217.113.33 620.03251.154.5915.72927282.322.9761.3818.03 867.5820.2525.79310.9 5282.856.5714.5818.58 6328.265.5421.9517.231007370.219.7925.2174.04 822.3628.35408.981.78 5346.9919.9672.1415.67 6400.0785.1323.5518.49 7448.1521.2127.0297.61 8491.4210823.82109.5630.35 10564.2728.75131.8436.62 12151.91620.0533.2642.37 12.534.33631.48156.5743.73标准文案实用文档1447.5937.36660.12169.71 188.7553.3816.5690.1341.90 198.481844.3256.46698.50 91.5421.9928.01503.47 101.424.778557.931.55 110.69608.427.4634.98 137.2629.3737.4210600.90 110158.3012661.5743.3334.01 1448.7138.24705.79177.05 16193.4742.05734.9653.57 1857.90750.37207.5845.45589.7917.55485.4722.366562.1626.43106.1720.75730.3823.85121.99632.54826.8434.19137.23696.8212010807.9132.1541.42165.94 12987.0537.7848.13192.03 1442.6354.319665.79216.23 161015.6659.9747.08237.3626.4033.63168.851145.91 7194.7030.441299.4438.78 81443.0034.3843.79219.85 150101701.2153.42268.0241.93 12313.2649.091922.6162.53 142109.1971.1155.82355.49 1679.17394.632262.9562.15 1677.224252.4298.37590.551801885.02648.774541.3108.3 8362146.94400.2559.791058.634337.6373.42491.53 12579.0886.5367.934983.59 200145562.2699.1177.8662.78 166076.3887.27111.17742.55 186528.64818.2996.32122.7 108841.8773.33781.7393.42 1210254.22110.53924.9486.77 250141063.51127.1199.7811556.24 1197.3116143.17112.3912751.41 1326.27124.58158.713843.1718 28012648.9582.75105.4210987.86标准文案实用文档12124.9398.0714726.821170.881348.7716663.46143.91112.97141521.42127.46162.3718462.79161688.73180.3141.5420128.7118至报价为含税 . 不税运费 . 定尺另加价4%.报价有效期1 天矩形钢管的尺寸规格基本尺寸惯性矩截面系数截面面积F理论质量G SABJxJyWxwy//(kg /m)cm2mmcm3cm40.00740.02390.2030.1600.80.02970.0478 10510.2430.1910.00820.05470.02700.0329 0.03540.06460.1850.2350.00880.03880.8 50.039510.2830.2220.00990.04490.0748 120.80.2510.07300.1970.04380.01390.0462 60.052410.3030.2380.05090.08490.0157 0.09350.2830.01600.80.06540.2230.0535 0.1100.06080.2690.07670.0182160.343 0.1390.09731.50.07150.3700.02150.471 0.1040.2350.06650.02330.2990.80.0724 0.1220.08520.02680.3630.0765170.285 141.50.5010.1560.03240.1090.3940.0927 0.1090.09340.2730.80.05450.3470.133 0.1280.1580.3320.11110.4230.0640100.1641.50.4640.1440.08180.5910.206 0.2380.5740.1670.09250.7310.18520.1050.01710.2990.05710.2350.80.0784 0.123150.2850.065110.36360.09220.0195 0.1570.02301.50.1180.5010.07680.394标准文案实用文档20.6110.4800.02400.1330.07990.177 0.1390.2730.1110.3470.09050.0362 0.80.4230.3320.1650.04210.1320.105 811.50.5910.4640.1310.05250.1730.216 20.2500.7310.2000.5740.05790.145160.80.4110.3230.09410.1480.1570.186 0.2220.50310.1860.1120.3950.177 120.2951.50.7110.2360.1470.2440.559 0.2840.1700.89120.2790.7000.349 0.1180.1800.3950.05320.80.3100.162 0.1390.06240.4830.1940.2150.3791 90.1770.6811.50.5350.07960.2580.287 0.3370.1990.089720.6680.8510.304 0.1940.06800.4110.3230.1360.20.174 0.2310.080210.3950.1610.5030.208 18100.7110.10371.50.3090.2780.5590.207 0.2370.3660.8910.1190.3290.7002 0.2130.80.1490.2220.2460.3730.475 0.2550.5830.2960.2660.17810.458 140.3411.50.6530.8310.2390.3600.400 0.48021.0510.4040.4320.2830.825 0.1970.80.4110.1970.3230.04450.111 0.2360.23610.3950.1300.05200.503 80.3151.50.7110.3150.5590.06540.164 0.1820.07280.3730.7000.37320.891 200.80.1500.3480.07480.2270.4430.227 0.27210.5430.4260.2720.08840.177 100.3670.7710.6060.1150.2291.50.367 0.2630.4380.43820.1320.7630.971标准文案实用文档0.80.4750.3730.1140.2560.1900.256 0.3080.1360.45810.3080.2260.5830.4180.8310.1800.4180.3000.653121.5 0.50320.2110.5030.8250.3521.050.5651.242.50.2310.5650.9760.385 0.2460.1420.06400.2710.80.4590.361 0.2950.07530.4420.16710.3250.563 0.4000.8010.6290.4400.09671.590.215 0.4790.1100.24420.7941.0110.5270.5362.50.5890.1171.190.9360.259220.80.5390.3280.4230.1770.3610.2530.3030.5200.43510.3960.6630.2120.4080.7461.50.9510.2860.5980.54314 0.4870.6611.210.9510.34120.7270.5442.50.3810.7530.8281.441.130.2240.5390.80.4230.3360.4030.1340.2670.6630.4870.16010.4060.520 240.7470.9510.213121.50.5570.3550.669 0.4191.210.9510.67920.8150.2520.4621.131.440.7742.50.9280.2770.1840.3990.80.3200.09180.4110.523 0.2170.4820.3860.1090.6430.50510.2840.6601.5100.9210.5280.1420.723 0.3290.16420.6421.170.9200.802251.390.7281.092.50.9100.1780.3550.3720.7430.6260.5830.2790.50110.5050.3790.69141.50.8681.070.8411521.371.080.4571.070.8540.6090.9831.291.230.5152.51.640.687标准文案实用文档10.7230.5670.1510.6830.2740.488 0.6750.3630.2001.040.9451.50.818 110.32821.331.050.2351.160.4260.4680.2571.250.9511.591.332.5 0.3760.79210.7830.2630.5660.615 0.5091.131.100.7881.50.3560.888 281421.451.140.4281.360.6120.9731.131.580.4822.50.6881.371.74 0.6180.3570.4470.8230.6460.8651 0.8630.6121.51.211.190.9350.489 161.0721.531.501.200.5950.7430.8451.741.842.51.450.6761.24 0.6770.7400.9431.080.7440.77410.9451.371.091.081.041.51.521.171.3621.291.901.391.7728222.52.141.361.682.231.501.591.791.522.491.6732.501.951.941.802.802.202.721.643.50.7961.130.4390.2630.8881.51.19 0.9840.52021.450.3121.481.14 30122.51.371.740.3471.141.710.578 0.6141.261.892.011.5730.3690.5210.3391.221.51.480.9270.959 0.6241.841.571.2321.150.406130.6992.51.491.900.4542.141.341.4932.190.488320.7511.722.39 1.071.51.030.5530.6911.311.69 1.3221.69160.8420.6742.111.33 1.542.50.9612.042.470.7681.60标准文案实用文档32.371.860.8402.771.051.73 1.451.261.581.571.51.212.32 1.832.921.6122.051.581.97252.162.52.491.962.313.451.85 2.082.443.912.912.6032.280.6270.4391.121.51.961.341.05 0.7571.731.4020.5301.362.450.8562.86351.640.5991.64142.52.09 0.9283.211.901.842.430.64930.9750.6832.733.502.143.52.000.9010.8111.171.51.491.372.461.113.101.9321.721.520.9981.281.152.033.652.52.341.84183632.732.141.274.131.412.292.511.373.081.524.532.423.52.364.26282.0421.832.332.851.600.6611.8521.450.8812.961.880.7533.472.51.002.241.762.12371.093.913152.612.050.821 2.314.283.51.162.312.940.8702.483.254.5842.551.200.9011.893.770.8321.042.0121.582.231.194.461.920.9532.442.52.522.231.312.855.053161.052.772.531.121.403.225.553.54045.973.572.801.162.981.461.411.701.412.1722.184.351.642.642.5205.161.642.072.581.835.872.933.0931.832.42标准文案实用文档3.53.502.751.996.481.993.24 3.502.113.0547.013.862.112.542.375.071.911.862.3923.022.56.042.272.252.892.82 3.453.396.903252.542.663.183.832.793.497.653.023.853.54.153.754.2943.362.998.31 422302.552.656.533.832.083.113.4427.732.772.712.184.074.122.59.262.663.223.394.83 45305.5110.653.573.993.134.7335.2911.904.073.53.576.114.555.786.623.994.4213.015.0943.779.062.872.892.274.30248302.53.542.784.535.1210.873.413.242.404.1910.485.1823.053.86502.942.55.043.7412.606.18324.4234 417.075.823.4614.554.4023.498.3614.932.745.435.2918.032.56.564.2910.043.37 557.603835.0711.586.093.9820.916.833.55.8123.578.5712.974.567 4914.235.1249.466.5326.017.9210.1415.846.303.54.9530.41 6011.225.5633.668.714407.0917.42 10.0739.4158.5713.146.7320.15 13.5248.6916.6734.056.8258.35 7015.9939.9855010.5769.I119.758.30 18.0212.3445.04622.439.6978.51标准文案实用文档714.0010.9949.2986.6419.7124.75 23.1958.798.0710.29492.7619.60.27.6869.7512.5723.2559.87110.7 608031.7014.7411.5779.40126.8626 47 29.2735.2887.81713.1916.80141.1 21.5948.7027.4811.09.123.765.07 25.7832.9377.33513.57148.210.65609029.3915.9412.5288.18170.437.86642.3018 2097.70190.3732.5714.2943.0412.22515.5734.86122.0215.2 49.73140.140.04618.34248.614.40 7010055.8621.0016.48156.4279.3744.68 , ,61.43 48.8318.48170.9307.1823.54 41.54155.8285.851.9617.07513.40 60.2520.1447.87331.4179.515.816 7511067.8923.1018.13201.0373.453.617 58.7920.3625.948220.474.92412.1 56.40225.621.946430.671.7617.22 63.3519.78486.6781.10253.425.20 8012069.6728.3422.25278.7538.589.758 97.7424.63586.531.37301.675.419 84.28278.923.7463.6318.646547.8 95.47620.573.9021.43314.07727.30 85130105.9824.1330.74346.3682.481.49 88.43926.75115.6375.8751.634.07 72.70290.8715.128.0021.98102.27 80.08794.131.5424.76113.4320.38 8014086.81934.97347.327.45867.8124.0 133.838.29936.430.05371.792.9210标准文案实用文档728.7022.53266.0814.670.93108.6 120.778.038905.332.34292.625.39 75150132.035.8728.169316.8990.184.47 90.29338.639.291069.31030.84142.6 67.9725.39220.9832.34121.9975.4 73.27238.128,169133.31066.835.87 6516077.981039.2930.84253.41152.0144.0 153.933.4342.591231.282.13266.911聊城开发区江洋物资有限公司业务热线:标准文案。
槽钢、方钢、矩形管矩形钢管的尺寸公差,规格表参考
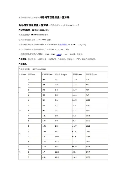
产品执行标准:G B/T3094-2000(国标)冷压异型钢管G B/T6728-2002(国标)矩形钢管尺寸规格表
矩形钢管重量计算-矩形钢管尺寸规格表
矩形钢管理论重量计算方法
(边长+边长)×2×壁厚×0.00785×长度
结构用冷弯空心型钢A S T M A500(美标)
结构用碳素钢冷成型圆截面和异形截面焊接钢管和无缝钢管E N10219-1-2006(欧标)
矩形钢管重量计算-矩形钢管尺寸规格表
矩形钢管理论重量计算方法(边长+边长)×2×壁厚×0.00785×长度
型焊接空心结构型材 JIS G 3466 (日标)
阳能设备、钢结构用,汽车部件、桥梁地桩、护栏、船舶内部结构用。
产品规格:产品执行标准:GB/T3094-2000 (国标) 冷压异型钢管 GB/T6728-2002 (国标)
70
80
矩形钢管尺寸规格表
矩。
矩形钢管——》矩形钢管规格表矩形钢管——矩形钢管规格-聊城市*舜*冶*金*属*制*品*有*限*公*司品种产地规格材质数量价格发布时间矩形管/矩形钢管聊城舜冶200×120×16 20#/16mnQ345 一支起订面议2018/7/25矩形管/矩形钢管聊城舜冶200×120×14 20#/16mnQ345 一支起订面议2018/7/25矩形管/矩形钢管聊城舜冶200×120×12 20#/16mnQ345 一支起订面议2018/7/25矩形管/矩形钢管聊城舜冶200×120×10 20#/16mnQ345 一支起订面议2018/7/25矩形管/矩形钢管聊城舜冶200×120×8 20#/16mnQ345 一支起订面议2018/7/25矩形管/矩形钢管聊城舜冶200×150×16 20#/16mnQ345 一支起订面议2018/7/25矩形管/矩形钢管聊城舜冶200×150×14 20#/16mnQ345 一支起订面议2018/7/25矩形管/矩形钢管聊城舜冶200×150×12 20#/16mnQ345 一支起订面议2018/7/25矩形管/矩形钢管聊城舜冶200×150×10 20#/16mnQ345 一支起订面议2018/7/25矩形管/矩形钢管聊城舜冶200×150×8 20#/16mnQ345 一支起订面议2018/7/25矩形管/矩形钢管聊城舜冶200×160×16 20#/16mnQ345 一支起订面议2018/7/25矩形管/矩形钢管聊城舜冶200×160×12 20#/16mnQ345 一支起订面议2018/7/25矩形管/矩形钢管聊城舜冶200×160×8 20#/16mnQ345 一支起订面议2018/7/25 矩形管/矩形钢管聊城舜冶200×180×20 20#/16mnQ345 一支起订面议2018/7/25 矩形管/矩形钢管聊城舜冶200×180×16 20#/16mnQ345 一支起订面议2018/7/25 矩形管/矩形钢管聊城舜冶200×180×12 20#/16mnQ345 一支起订面议2018/7/25 矩形管/矩形钢管聊城舜冶200×180×10 20#/16mnQ345 一支起订面议2018/7/25 矩形管/矩形钢管聊城舜冶200×180×8 20#/16mnQ345 一支起订面议2018/7/25 矩形管/矩形钢管聊城舜冶220×80×10 20#/16mnQ345 一支起订面议2018/7/25 矩形管/矩形钢管聊城舜冶220×80×8 20#/16mnQ345 一支起订面议2018/7/25 矩形管/矩形钢管聊城舜冶220×120×16 20#/16mnQ345 一支起订面议2018/7/25 矩形管/矩形钢管聊城舜冶220×120×12 20#/16mnQ345 一支起订面议2018/7/25 矩形管/矩形钢管聊城舜冶220×120×10 20#/16mnQ345 一支起订面议2018/7/25 矩形管/矩形钢管聊城舜冶220×120×8 20#/16mnQ345 一支起订面议2018/7/25 矩形管/矩形钢管聊城舜冶220×120×6 20#/16mnQ345 一支起订面议2018/7/25 矩形管/矩形钢管聊城舜冶220×140×16 20#/16mnQ345 一支起订面议2018/7/25 矩形管/矩形钢管聊城舜冶220×140×12 20#/16mnQ345 一支起订面议2018/7/25 矩形管/矩形钢管聊城舜冶220×140×10 20#/16mnQ345 一支起订面议2018/7/25 矩形管/矩形钢管聊城舜冶220×160×16 20#/16mnQ345 一支起订面议2018/7/25 矩形管/矩形钢管聊城舜冶220×160×12 20#/16mnQ345 一支起订面议2018/7/25 矩形管/矩形钢管聊城舜冶220×160×10 20#/16mnQ345 一支起订面议2018/7/25 矩形管/矩形钢管聊城舜冶220×160×8 20#/16mnQ345 一支起订面议2018/7/25 矩形管/矩形钢管聊城舜冶220×180×20 20#/16mnQ345 一支起订面议2018/7/25 矩形管/矩形钢管聊城舜冶220×180×16 20#/16mnQ345 一支起订面议2018/7/25 矩形管/矩形钢管聊城舜冶220×180×12 20#/16mnQ345 一支起订面议2018/7/25 矩形管/矩形钢管聊城舜冶220×180×10 20#/16mnQ345 一支起订面议2018/7/25 矩形管/矩形钢管聊城舜冶220×180×8 20#/16mnQ345 一支起订面议2018/7/25 矩形管/矩形钢管聊城舜冶220×200×20 20#/16mnQ345 一支起订面议2018/7/25 矩形管/矩形钢管聊城舜冶220×200×16 20#/16mnQ345 一支起订面议2018/7/25 矩形管/矩形钢管聊城舜冶220×200×12 20#/16mnQ345 一支起订面议2018/7/25 矩形管/矩形钢管聊城舜冶220×200×10 20#/16mnQ345 一支起订面议2018/7/25 矩形管/矩形钢管聊城舜冶220×200×8 20#/16mnQ345 一支起订面议2018/7/25 矩形管/矩形钢管聊城舜冶250×100×16 20#/16mnQ345 一支起订面议2018/7/25 矩形管/矩形钢管聊城舜冶250×100×12 20#/16mnQ345 一支起订面议2018/7/25 矩形管/矩形钢管聊城舜冶250×100×10 20#/16mnQ345 一支起订面议2018/7/25 矩形管/矩形钢管聊城舜冶250×100×8 20#/16mnQ345 一支起订面议2018/7/25 矩形管/矩形钢管聊城舜冶250×150×20 20#/16mnQ345 一支起订面议2018/7/25 矩形管/矩形钢管聊城舜冶250×150×16 20#/16mnQ345 一支起订面议2018/7/25 矩形管/矩形钢管聊城舜冶250×150×12 20#/16mnQ345 一支起订面议2018/7/25 矩形管/矩形钢管聊城舜冶250×150×10 20#/16mnQ345 一支起订面议2018/7/25矩形管/矩形钢管聊城舜冶250×200×20 20#/16mnQ345 一支起订面议2018/7/25 矩形管/矩形钢管聊城舜冶250×200×16 20#/16mnQ345 一支起订面议2018/7/25 矩形管/矩形钢管聊城舜冶250×200×12 20#/16mnQ345 一支起订面议2018/7/25 矩形管/矩形钢管聊城舜冶250×200×10 20#/16mnQ345 一支起订面议2018/7/25 矩形管/矩形钢管聊城舜冶250×200×8 20#/16mnQ345 一支起订面议2018/7/25 矩形管/矩形钢管聊城舜冶300×100×16 20#/16mnQ345 一支起订面议2018/7/25 矩形管/矩形钢管聊城舜冶300×100×12 20#/16mnQ345 一支起订面议2018/7/25 矩形管/矩形钢管聊城舜冶300×100×10 20#/16mnQ345 一支起订面议2018/7/25 矩形管/矩形钢管聊城舜冶300×100×8 20#/16mnQ345 一支起订面议2018/7/25 矩形管/矩形钢管聊城舜冶300×150×20 20#/16mnQ345 一支起订面议2018/7/25 矩形管/矩形钢管聊城舜冶300×150×16 20#/16mnQ345 一支起订面议2018/7/25 矩形管/矩形钢管聊城舜冶300×150×12 20#/16mnQ345 一支起订面议2018/7/25 矩形管/矩形钢管聊城舜冶300×150×10 20#/16mnQ345 一支起订面议2018/7/25 矩形管/矩形钢管聊城舜冶300×150×8 20#/16mnQ345 一支起订面议2018/7/25 矩形管/矩形钢管聊城舜冶300×200×20 20#/16mnQ345 一支起订面议2018/7/25 矩形管/矩形钢管聊城舜冶300×200×16 20#/16mnQ345 一支起订面议2018/7/25 矩形管/矩形钢管聊城舜冶300×200×14 20#/16mnQ345 一支起订面议2018/7/25 矩形管/矩形钢管聊城舜冶300×200×12 20#/16mnQ345 一支起订面议2018/7/25 矩形管/矩形钢管聊城舜冶300×200×10 20#/16mnQ345 一支起订面议2018/7/25 矩形管/矩形钢管聊城舜冶300×200×8 20#/16mnQ345 一支起订面议2018/7/25 矩形管/矩形钢管聊城舜冶300×250×8 20#/16mnQ345 一支起订面议2018/7/25 矩形管/矩形钢管聊城舜冶350×100×16 20#/16mnQ345 一支起订面议2018/7/25 矩形管/矩形钢管聊城舜冶350×100×12 20#/16mnQ345 一支起订面议2018/7/25 矩形管/矩形钢管聊城舜冶350×100×10 20#/16mnQ345 一支起订面议2018/7/25 矩形管/矩形钢管聊城舜冶350×100×8 20#/16mnQ345 一支起订面议2018/7/25 矩形管/矩形钢管聊城舜冶350×150×16 20#/16mnQ345 一支起订面议2018/7/25 矩形管/矩形钢管聊城舜冶350×150×12 20#/16mnQ345 一支起订面议2018/7/25 矩形管/矩形钢管聊城舜冶350×150×10 20#/16mnQ345 一支起订面议2018/7/25 矩形管/矩形钢管聊城舜冶350×150×8 20#/16mnQ345 一支起订面议2018/7/25 矩形管/矩形钢管聊城舜冶350×200×20 20#/16mnQ345 一支起订面议2018/7/25 矩形管/矩形钢管聊城舜冶350×200×16 20#/16mnQ345 一支起订面议2018/7/25 矩形管/矩形钢管聊城舜冶350×200×12 20#/16mnQ345 一支起订面议2018/7/25 矩形管/矩形钢管聊城舜冶350×200×10 20#/16mnQ345 一支起订面议2018/7/25 矩形管/矩形钢管聊城舜冶350×200×8 20#/16mnQ345 一支起订面议2018/7/25 矩形管/矩形钢管聊城舜冶350×250×20 20#/16mnQ345 一支起订面议2018/7/25 矩形管/矩形钢管聊城舜冶350×250×18 20#/16mnQ345 一支起订面议2018/7/25 矩形管/矩形钢管聊城舜冶350×250×16 20#/16mnQ345 一支起订面议2018/7/25 矩形管/矩形钢管聊城舜冶350×250×14 20#/16mnQ345 一支起订面议2018/7/25矩形管/矩形钢管聊城舜冶350×250×10 20#/16mnQ345 一支起订面议2018/7/25 矩形管/矩形钢管聊城舜冶350×250×8 20#/16mnQ345 一支起订面议2018/7/25 矩形管/矩形钢管聊城舜冶350×300×20 20#/16mnQ345 一支起订面议2018/7/25 矩形管/矩形钢管聊城舜冶350×300×16 20#/16mnQ345 一支起订面议2018/7/25 矩形管/矩形钢管聊城舜冶350×300×14 20#/16mnQ345 一支起订面议2018/7/25 矩形管/矩形钢管聊城舜冶350×300×12 20#/16mnQ345 一支起订面议2018/7/25 矩形管/矩形钢管聊城舜冶350×300×10 20#/16mnQ345 一支起订面议2018/7/25 矩形管/矩形钢管聊城舜冶400×100×16 20#/16mnQ345 一支起订面议2018/7/25 矩形管/矩形钢管聊城舜冶400×100×12 20#/16mnQ345 一支起订面议2018/7/25 矩形管/矩形钢管聊城舜冶140×80×6 20#/16mnQ345 一支起订面议2018/7/25 矩形管/矩形钢管聊城舜冶140×90×10 20#/16mnQ345 一支起订面议2018/7/25 矩形管/矩形钢管聊城舜冶140×90×8 20#/16mnQ345 一支起订面议2018/7/25 矩形管/矩形钢管聊城舜冶140×90×6 20#/16mnQ345 一支起订面议2018/7/25 矩形管/矩形钢管聊城舜冶140×100×12 20#/16mnQ345 一支起订面议2018/7/25 矩形管/矩形钢管聊城舜冶140×100×8 20#/16mnQ345 一支起订面议2018/7/25 矩形管/矩形钢管聊城舜冶140×100×6 20#/16mnQ345 一支起订面议2018/7/25 矩形管/矩形钢管聊城舜冶140×120×12 20#/16mnQ345 一支起订面议2018/7/25 矩形管/矩形钢管聊城舜冶140×120×10 20#/16mnQ345 一支起订面议2018/7/25 矩形管/矩形钢管聊城舜冶140×120×8 20#/16mnQ345 一支起订面议2018/7/25 矩形管/矩形钢管聊城舜冶140×120×6 20#/16mnQ345 一支起订面议2018/7/25 矩形管/矩形钢管聊城舜冶120×40×5 20#/16mnQ345 一支起订面议2018/7/25 矩形管/矩形钢管聊城舜冶120×40×4 20#/16mnQ345 一支起订面议2018/7/25 矩形管/矩形钢管聊城舜冶120×60×8 20#/16mnQ345 一支起订面议2018/7/25 矩形管/矩形钢管聊城舜冶120×60×6 20#/16mnQ345 一支起订面议2018/7/25 矩形管/矩形钢管聊城舜冶120×60×5 20#/16mnQ345 一支起订面议2018/7/25 矩形管/矩形钢管聊城舜冶120×80×12 20#/16mnQ345 一支起订面议2018/7/25 矩形管/矩形钢管聊城舜冶120×80×10 20#/16mnQ345 一支起订面议2018/7/25 矩形管/矩形钢管聊城舜冶120×80×8 20#/16mnQ345 一支起订面议2018/7/25 矩形管/矩形钢管聊城舜冶120×80×6 20#/16mnQ345 一支起订面议2018/7/25 矩形管/矩形钢管聊城舜冶120×80×5 20#/16mnQ345 一支起订面议2018/7/25 矩形管/矩形钢管聊城舜冶120×100×16 20#/16mnQ345 一支起订面议2018/7/25 矩形管/矩形钢管聊城舜冶120×100×12 20#/16mnQ345 一支起订面议2018/7/25 矩形管/矩形钢管聊城舜冶120×100×10 20#/16mnQ345 一支起订面议2018/7/25 矩形管/矩形钢管聊城舜冶120×100×8 20#/16mnQ345 一支起订面议2018/7/25 矩形管/矩形钢管聊城舜冶120×100×6 20#/16mnQ345 一支起订面议2018/7/25 矩形管/矩形钢管聊城舜冶120×100×5 20#/16mnQ345 一支起订面议2018/7/25 矩形管/矩形钢管聊城舜冶150×50×8 20#/16mnQ345 一支起订面议2018/7/25 矩形管/矩形钢管聊城舜冶150×50×6 20#/16mnQ345 一支起订面议2018/7/25矩形管/矩形钢管聊城舜冶150×80×10 20#/16mnQ345 一支起订面议2018/7/25 矩形管/矩形钢管聊城舜冶150×80×8 20#/16mnQ345 一支起订面议2018/7/25 矩形管/矩形钢管聊城舜冶150×80×6 20#/16mnQ345 一支起订面议2018/7/25 矩形管/矩形钢管聊城舜冶150×100×16 20#/16mnQ345 一支起订面议2018/7/25 矩形管/矩形钢管聊城舜冶150×100×12 20#/16mnQ345 一支起订面议2018/7/25 矩形管/矩形钢管聊城舜冶150×100×10 20#/16mnQ345 一支起订面议2018/7/25 矩形管/矩形钢管聊城舜冶150×100×8 20#/16mnQ345 一支起订面议2018/7/25 矩形管/矩形钢管聊城舜冶150×100×6 20#/16mnQ345 一支起订面议2018/7/25 矩形管/矩形钢管聊城舜冶150×120×14 20#/16mnQ345 一支起订面议2018/7/25 矩形管/矩形钢管聊城舜冶150×120×10 20#/16mnQ345 一支起订面议2018/7/25 矩形管/矩形钢管聊城舜冶150×120×8 20#/16mnQ345 一支起订面议2018/7/25 矩形管/矩形钢管聊城舜冶150×140×16 20#/16mnQ345 一支起订面议2018/7/25 矩形管/矩形钢管聊城舜冶150×140×12 20#/16mnQ345 一支起订面议2018/7/25 矩形管/矩形钢管聊城舜冶150×140×10 20#/16mnQ345 一支起订面议2018/7/25 矩形管/矩形钢管聊城舜冶150×140×8 20#/16mnQ345 一支起订面议2018/7/25 矩形管/矩形钢管聊城舜冶150×140×6 20#/16mnQ345 一支起订面议2018/7/25 矩形管/矩形钢管聊城舜冶160×60×10 20#/16mnQ345 一支起订面议2018/7/25 矩形管/矩形钢管聊城舜冶160×60×8 20#/16mnQ345 一支起订面议2018/7/25 矩形管/矩形钢管聊城舜冶160×80×12 20#/16mnQ345 一支起订面议2018/7/25 矩形管/矩形钢管聊城舜冶160×80×10 20#/16mnQ345 一支起订面议2018/7/25 矩形管/矩形钢管聊城舜冶160×80×8 20#/16mnQ345 一支起订面议2018/7/25 矩形管/矩形钢管聊城舜冶160×100×16 20#/16mnQ345 一支起订面议2018/7/25 矩形管/矩形钢管聊城舜冶160×100×12 20#/16mnQ345 一支起订面议2018/7/25 矩形管/矩形钢管聊城舜冶160×100×10 20#/16mnQ345 一支起订面议2018/7/25 矩形管/矩形钢管聊城舜冶160×100×8 20#/16mnQ345 一支起订面议2018/7/25 矩形管/矩形钢管聊城舜冶160×120×16 20#/16mnQ345 一支起订面议2018/7/25 矩形管/矩形钢管聊城舜冶160×120×12 20#/16mnQ345 一支起订面议2018/7/25 矩形管/矩形钢管聊城舜冶160×120×10 20#/16mnQ345 一支起订面议2018/7/25 矩形管/矩形钢管聊城舜冶160×120×8 20#/16mnQ345 一支起订面议2018/7/25 矩形管/矩形钢管聊城舜冶160×140×16 20#/16mnQ345 一支起订面议2018/7/25 矩形管/矩形钢管聊城舜冶160×140×12 20#/16mnQ345 一支起订面议2018/7/25 矩形管/矩形钢管聊城舜冶160×140×10 20#/16mnQ345 一支起订面议2018/7/25 矩形管/矩形钢管聊城舜冶160×140×6 20#/16mnQ345 一支起订面议2018/7/25 矩形管/矩形钢管聊城舜冶180×80×12 20#/16mnQ345 一支起订面议2018/7/25 矩形管/矩形钢管聊城舜冶180×80×10 20#/16mnQ345 一支起订面议2018/7/25 矩形管/矩形钢管聊城舜冶180×80×8 20#/16mnQ345 一支起订面议2018/7/25 矩形管/矩形钢管聊城舜冶180×100×16 20#/16mnQ345 一支起订面议2018/7/25 矩形管/矩形钢管聊城舜冶180×100×12 20#/16mnQ345 一支起订面议2018/7/25矩形管/矩形钢管聊城舜冶180×100×8 20#/16mnQ345 一支起订面议2018/7/25 矩形管/矩形钢管聊城舜冶180×120×16 20#/16mnQ345 一支起订面议2018/7/25 矩形管/矩形钢管聊城舜冶180×120×12 20#/16mnQ345 一支起订面议2018/7/25 矩形管/矩形钢管聊城舜冶180×120×10 20#/16mnQ345 一支起订面议2018/7/25 矩形管/矩形钢管聊城舜冶180×120×8 20#/16mnQ345 一支起订面议2018/7/25 矩形管/矩形钢管聊城舜冶180×140×16 20#/16mnQ345 一支起订面议2018/7/25 矩形管/矩形钢管聊城舜冶180×140×14 20#/16mnQ345 一支起订面议2018/7/25 矩形管/矩形钢管聊城舜冶180×140×12 20#/16mnQ345 一支起订面议2018/7/25 矩形管/矩形钢管聊城舜冶180×140×10 20#/16mnQ345 一支起订面议2018/7/25 矩形管/矩形钢管聊城舜冶180×140×8 20#/16mnQ345 一支起订面议2018/7/25 矩形管/矩形钢管聊城舜冶180×160×16 20#/16mnQ345 一支起订面议2018/7/25 矩形管/矩形钢管聊城舜冶180×160×14 20#/16mnQ345 一支起订面议2018/7/25 矩形管/矩形钢管聊城舜冶180×160×12 20#/16mnQ345 一支起订面议2018/7/25 矩形管/矩形钢管聊城舜冶180×160×10 20#/16mnQ345 一支起订面议2018/7/25 矩形管/矩形钢管聊城舜冶180×160×8 20#/16mnQ345 一支起订面议2018/7/25 矩形管/矩形钢管聊城舜冶200×80×12 20#/16mnQ345 一支起订面议2018/7/25 矩形管/矩形钢管聊城舜冶200×80×10 20#/16mnQ345 一支起订面议2018/7/25 矩形管/矩形钢管聊城舜冶200×80×8 20#/16mnQ345 一支起订面议2018/7/25 矩形管/矩形钢管聊城舜冶200×80×6 20#/16mnQ345 一支起订面议2018/7/25 矩形管/矩形钢管聊城舜冶200×100×16 20#/16mnQ345 一支起订面议2018/7/25 矩形管/矩形钢管聊城舜冶200×100×14 20#/16mnQ345 一支起订面议2018/7/25 矩形管/矩形钢管聊城舜冶200×100×12 20#/16mnQ345 一支起订面议2018/7/25 矩形管/矩形钢管聊城舜冶200×100×10 20#/16mnQ345 一支起订面议2018/7/25 矩形管/矩形钢管聊城舜冶200×100×8 20#/16mnQ345 一支起订面议2018/7/25 矩形管/矩形钢管聊城舜冶400×100×10 20#/16mnQ345 一支起订面议2018/7/25 矩形管/矩形钢管聊城舜冶400×150×16 20#/16mnQ345 一支起订面议2018/7/25 矩形管/矩形钢管聊城舜冶400×150×12 20#/16mnQ345 一支起订面议2018/7/25 矩形管/矩形钢管聊城舜冶400×150×10 20#/16mnQ345 一支起订面议2018/7/25 矩形管/矩形钢管聊城舜冶400×200×20 20#/16mnQ345 一支起订面议2018/7/25 矩形管/矩形钢管聊城舜冶400×200×16 20#/16mnQ345 一支起订面议2018/7/25 矩形管/矩形钢管聊城舜冶400×200×10 20#/16mnQ345 一支起订面议2018/7/25 矩形管/矩形钢管聊城舜冶400×250×20 20#/16mnQ345 一支起订面议2018/7/25 矩形管/矩形钢管聊城舜冶400×250×16 20#/16mnQ345 一支起订面议2018/7/25 矩形管/矩形钢管聊城舜冶400×250×10 20#/16mnQ345 一支起订面议2018/7/25 矩形管/矩形钢管聊城舜冶400×300×20 20#/16mnQ345 一支起订面议2018/7/25 矩形管/矩形钢管聊城舜冶400×300×16 20#/16mnQ345 一支起订面议2018/7/25 矩形管/矩形钢管聊城舜冶400×300×10 20#/16mnQ345 一支起订面议2018/7/25 矩形管/矩形钢管聊城舜冶550×150×20 20#/16mnQ345 一支起订面议2018/7/25矩形管/矩形钢管聊城舜冶550×150×10 20#/16mnQ345 一支起订面议2018/7/25 矩形管/矩形钢管聊城舜冶550×200×20 20#/16mnQ345 一支起订面议2018/7/25 矩形管/矩形钢管聊城舜冶550×200×16 20#/16mnQ345 一支起订面议2018/7/25 矩形管/矩形钢管聊城舜冶550×200×10 20#/16mnQ345 一支起订面议2018/7/25 矩形管/矩形钢管聊城舜冶550×250×20 20#/16mnQ345 一支起订面议2018/7/25 矩形管/矩形钢管聊城舜冶550×250×16 20#/16mnQ345 一支起订面议2018/7/25 矩形管/矩形钢管聊城舜冶550×250×10 20#/16mnQ345 一支起订面议2018/7/25 矩形管/矩形钢管聊城舜冶550×300×20 20#/16mnQ345 一支起订面议2018/7/25 矩形管/矩形钢管聊城舜冶550×300×16 20#/16mnQ345 一支起订面议2018/7/25 矩形管/矩形钢管聊城舜冶550×300×10 20#/16mnQ345 一支起订面议2018/7/25 矩形管/矩形钢管聊城舜冶550×350×20 20#/16mnQ345 一支起订面议2018/7/25 矩形管/矩形钢管聊城舜冶550×350×16 20#/16mnQ345 一支起订面议2018/7/25 矩形管/矩形钢管聊城舜冶550×350×10 20#/16mnQ345 一支起订面议2018/7/25 矩形管/矩形钢管聊城舜冶550×400×20 20#/16mnQ345 一支起订面议2018/7/25 矩形管/矩形钢管聊城舜冶550×400×16 20#/16mnQ345 一支起订面议2018/7/25 矩形管/矩形钢管聊城舜冶550×400×10 20#/16mnQ345 一支起订面议2018/7/25 矩形管/矩形钢管聊城舜冶550×450×20 20#/16mnQ345 一支起订面议2018/7/25 矩形管/矩形钢管聊城舜冶550×450×16 20#/16mnQ345 一支起订面议2018/7/25 矩形管/矩形钢管聊城舜冶550×450×10 20#/16mnQ345 一支起订面议2018/7/25 矩形管/矩形钢管聊城舜冶550×500×20 20#/16mnQ345 一支起订面议2018/7/25 矩形管/矩形钢管聊城舜冶550×500×16 20#/16mnQ345 一支起订面议2018/7/25 矩形管/矩形钢管聊城舜冶550×500×10 20#/16mnQ345 一支起订面议2018/7/25 矩形管/矩形钢管聊城舜冶400×350×20 20#/16mnQ345 一支起订面议2018/7/25 矩形管/矩形钢管聊城舜冶400×350×16 20#/16mnQ345 一支起订面议2018/7/25 矩形管/矩形钢管聊城舜冶400×350×12 20#/16mnQ345 一支起订面议2018/7/25 矩形管/矩形钢管聊城舜冶400×350×10 20#/16mnQ345 一支起订面议2018/7/25 矩形管/矩形钢管聊城舜冶500×150×16 20#/16mnQ345 一支起订面议2018/7/25 矩形管/矩形钢管聊城舜冶500×150×10 20#/16mnQ345 一支起订面议2018/7/25 矩形管/矩形钢管聊城舜冶500×200×20 20#/16mnQ345 一支起订面议2018/7/25 矩形管/矩形钢管聊城舜冶500×200×16 20#/16mnQ345 一支起订面议2018/7/25 矩形管/矩形钢管聊城舜冶500×200×12 20#/16mnQ345 一支起订面议2018/7/25 矩形管/矩形钢管聊城舜冶500×250×20 20#/16mnQ345 一支起订面议2018/7/25 矩形管/矩形钢管聊城舜冶500×250×16 20#/16mnQ345 一支起订面议2018/7/25 矩形管/矩形钢管聊城舜冶500×250×10 20#/16mnQ345 一支起订面议2018/7/25 矩形管/矩形钢管聊城舜冶500×300×20 20#/16mnQ345 一支起订面议2018/7/25 矩形管/矩形钢管聊城舜冶500×300×16 20#/16mnQ345 一支起订面议2018/7/25 矩形管/矩形钢管聊城舜冶500×300×10 20#/16mnQ345 一支起订面议2018/7/25 矩形管/矩形钢管聊城舜冶500×350×20 20#/16mnQ345 一支起订面议2018/7/25矩形管/矩形钢管聊城舜冶500×350×10 20#/16mnQ345 一支起订面议2018/7/25矩形管/矩形钢管聊城舜冶500×400×20 20#/16mnQ345 一支起订面议2018/7/25矩形管/矩形钢管聊城舜冶500×400×16 20#/16mnQ345 一支起订面议2018/7/25矩形管/矩形钢管聊城舜冶500×400×10 20#/16mnQ345 一支起订面议2018/7/25矩形管/矩形钢管聊城舜冶500×450×20 20#/16mnQ345 一支起订面议2018/7/25矩形管/矩形钢管聊城舜冶500×450×16 20#/16mnQ345 一支起订面议2018/7/25矩形管/矩形钢管聊城舜冶500×450×10 20#/16mnQ345 一支起订面议2018/7/2520#方管——20#无缝方管-介绍20号无缝方管是一种具有中空截面周边没有接缝的长条钢材。