机械设计课程设计步骤减速器的设计
- 格式:doc
- 大小:492.00 KB
- 文档页数:32
机械设计课程设计两级展开式圆柱齿轮减速器-目录课程设计书2二设计要求2三设计步骤21. 传动装置总体设计方案32. 电动机的选择43. 确定传动装置的总传动比和分配传动比54. 计算传动装置的运动和动力参数55. 设计V 带和带轮66. 齿轮的设计87. 滚动轴承和传动轴的设计198. 键联接设计269. 箱体结构的设计2710. 润滑密封设计3011.联轴器设计30四设计小结31五参考资料32机械设计课程设计两级展开式圆柱齿轮减速器一. 课程设计书设计课题:设计一用于带式运输机上的两级展开式圆柱齿轮减速器•运输机连续单向运转,载荷变化不大,空载起动,卷筒效率为0.96(包括其支承轴承效率的损失),减速器小批量生产,使用期限8年(300天/年),两班制工作,运输容许速度误差为5%,车间有三相交流,电压380/220V表二. 设计要求1•减速器装配图一张(A1) o2. CAD绘制轴、齿轮零件图各一张(A3)3. 设计说明书一份。
三. 设计步骤1. 传动装置总体设计方案2. 电动机的选择机械设计课程设计两级展开式圆柱齿轮减速器机械设计课程设计两级展开式圆柱齿轮减速器3. 确定传动装置的总传动比和分配传动比4. 计算传动装置的运动和动力参数5. 设计V 带和带轮6. 齿轮的设计7. 滚动轴承和传动轴的设计8. 键联接设计9. 箱体结构设计10. 润滑密封设计11. 联轴器设计1. 传动装置总体设计方案:1. 组成:传动装置由电机、减速器、工作机组成。
2. 特点:齿轮相对于轴承不对称分布,故沿轴向载荷分布不均匀,要求轴有较大的刚度。
3. 确定传动方案:考虑到电机转速高,传动功率大,将V 带设置在高速级。
其传动方案如下:图一:(传动装置总体设计图)初步确定传动系统总体方案如:传动装置总体设计图所示。
选择V带传动和二级圆柱斜齿轮减速器(展开式)。
传动装置的总效率=0.96 X Q.983X Q.952 X0.97 X0.96 = 0.759 ; 1为V带的效率,n2为轴承的效率,3为第一对齿轮的效率,4为联轴器的效率,5为卷筒轴滑动轴承的效率(因是薄壁防护罩,采用开式效率计算2.电动机的选择电动机所需工作功率为:P = P、/ n = 1900 X1.3/1000 3.25kW,执行机构的曲柄转速为n = =82.76r/mi n ,I经查表按推荐的传动比合理范围,V带传动的传动比「=2〜4 ,I )。
机械设计课程设计二级减速器一、教学目标本节课的教学目标是使学生掌握二级减速器的基本设计原理和方法,能够运用所学的知识进行简单的减速器设计。
具体目标如下:1.知识目标:(1)了解二级减速器的结构和工作原理;(2)掌握减速器的设计方法和步骤;(3)熟悉减速器设计中常用的标准和规范。
2.技能目标:(1)能够运用CAD软件进行减速器零件的绘制;(2)能够根据设计要求,计算并选择合适的齿轮模数、齿数等参数;(3)能够完成一级减速器的设计计算和图纸绘制。
3.情感态度价值观目标:(1)培养学生的团队合作意识和能力;(2)激发学生对机械设计的兴趣和热情;(3)培养学生的创新精神和实践能力。
二、教学内容本节课的教学内容主要包括以下几个部分:1.二级减速器的结构和工作原理;2.减速器的设计方法和步骤;3.减速器设计中常用的标准和规范;4.CAD软件在减速器设计中的应用;5.减速器设计实践操作。
三、教学方法为了达到本节课的教学目标,将采用以下几种教学方法:1.讲授法:通过讲解二级减速器的结构、工作原理、设计方法和步骤等基本知识,使学生掌握基本概念和理论。
2.案例分析法:通过分析具体的减速器设计案例,使学生了解减速器设计的过程和注意事项。
3.实验法:安排学生进行减速器设计实验,让学生动手实践,巩固所学知识。
4.讨论法:学生进行小组讨论,培养学生的团队合作意识和能力。
四、教学资源为了保证本节课的教学质量,将准备以下教学资源:1.教材:《机械设计基础》;2.参考书:相关减速器设计手册和论文;3.多媒体资料:减速器设计原理和步骤的PPT;4.实验设备:计算机、CAD软件、减速器设计实验器材。
以上教学资源将有助于实现本节课的教学目标,提高学生的学习效果。
五、教学评估本节课的评估方式将包括以下几个方面:1.平时表现:通过观察学生在课堂上的参与程度、提问回答、小组讨论等表现,评估学生的学习态度和积极性。
2.作业:布置相关的减速器设计作业,要求学生在规定时间内完成,通过评估作业的质量来评估学生的理解和掌握程度。
机械设计课程设计 减速器一、课程目标知识目标:1. 学生能理解减速器的基本原理及其在机械设计中的应用。
2. 学生能掌握减速器的分类、结构特点及其设计计算方法。
3. 学生能了解减速器在工程实际中的应用案例,理解其重要性和适用范围。
技能目标:1. 学生具备运用减速器设计原理进行简单减速器设计的能力。
2. 学生能够运用相关软件(如CAD)进行减速器零件图的绘制和装配图的制作。
3. 学生能够通过实验和数据分析,评估减速器设计的合理性。
情感态度价值观目标:1. 培养学生对机械设计学科的兴趣,激发其创新意识和探索精神。
2. 增强学生的团队合作意识,使其在项目实施过程中学会互相尊重、协作与沟通。
3. 培养学生严谨的科学态度和良好的工程伦理观念,使其在设计过程中注重安全、环保和经济效益。
课程性质:本课程为机械设计课程设计,以实践为主,结合理论,培养学生的实际操作能力和工程设计能力。
学生特点:高年级本科生,已具备一定的机械设计理论基础,具有较强的动手能力和自主学习能力。
教学要求:注重理论与实践相结合,强化学生的动手操作能力和工程设计能力,提高学生在实际工程中的应用能力。
通过课程目标的分解,使学生在完成课程学习后能够达到预期的学习成果,为将来的工作和发展奠定基础。
二、教学内容1. 理论教学:a. 介绍减速器的工作原理、分类及结构特点。
b. 讲解减速器设计的基本计算方法,包括传动比、模数、齿数等参数的确定。
c. 分析减速器在机械系统中的应用,以及选用原则和注意事项。
2. 实践教学:a. 利用CAD软件进行减速器零件图和装配图的绘制。
b. 结合实际案例,进行减速器设计计算,指导学生完成设计任务。
c. 组织学生进行减速器装配和调试,分析实验数据,评估设计合理性。
3. 教学大纲:a. 第一章:减速器概述(对应教材第X章)1) 减速器的基本概念2) 减速器的工作原理及分类3) 减速器的结构特点及应用b. 第二章:减速器设计计算(对应教材第X章)1) 传动比、模数、齿数的确定2) 齿轮啮合原理及强度计算3) 其他零部件的设计计算c. 第三章:减速器设计实践(对应教材第X章)1) CAD软件应用2) 设计计算案例分析3) 实验教学及数据分析4. 教学进度安排:a. 理论教学:共X学时,每周X学时。
二级同轴减速器课程设计
二级同轴减速器课程设计是机械设计专业中的重要教学环节之一,通过这个设计,学生可以综合运用所学的机械设计基础知识,提高分析和解决工程实际问题的能力。
以下是一个二级同轴减速器课程设计的基本步骤:
1. 确定设计任务:根据给定的工作条件和要求,确定减速器的类型、传动比、输入功率和转速等参数。
2. 传动装置的总体设计:根据设计任务,确定传动方案,选择电动机型号、减速器类型和传动比分配等。
3. 各级传动零件的设计计算:包括齿轮、轴、轴承、键等的设计计算,确保其满足强度、刚度和寿命要求。
4. 减速器结构设计:根据各级传动零件的设计计算结果,绘制减速器装配图和零件图,进行减速器的结构设计。
5. 绘制装配图和零件图:使用CAD 软件绘制减速器的装配图和零件图,标注尺寸、公差和技术要求等。
6. 编写设计说明书:撰写详细的设计说明书,包括设计任务、传动方案、设计计算过程、减速器结构设计和绘图等内容。
7. 设计总结和答辩:对设计过程进行总结,准备答辩,回答教师和同学的提问。
通过完成二级同轴减速器课程设计,学生可以加深对机械设计原理的理解,提高设计能力和创新意识,为今后从事机械设计工作打下坚实的基础。
减速器课程设计草图过程一、教学目标本课程的教学目标是使学生掌握减速器的基本原理、结构及设计方法,能够运用所学知识分析和解决实际工程问题。
具体目标如下:1.知识目标:(1)了解减速器的分类、工作原理和应用领域;(2)掌握减速器的结构组成,包括齿轮、轴承、轴等;(3)熟悉减速器的设计方法和步骤,包括传动比、齿轮参数、强度计算等。
2.技能目标:(1)能够运用CAD软件绘制减速器的零件图和装配图;(2)具备分析和解决减速器故障的能力;(3)能够根据实际需求设计简单的减速器。
3.情感态度价值观目标:(1)培养学生的工程意识,提高对减速器行业的认识;(2)培养学生对机械设计的兴趣,激发创新精神;(3)培养学生的团队合作能力和责任感。
二、教学内容根据教学目标,本课程的教学内容主要包括以下几个方面:1.减速器的分类、工作原理和应用领域;2.减速器的结构组成,包括齿轮、轴承、轴等;3.减速器的设计方法和步骤,包括传动比、齿轮参数、强度计算等;4.CAD软件在减速器设计中的应用;5.减速器故障分析与维修;6.减速器设计案例分析。
三、教学方法为了实现教学目标,本课程将采用以下教学方法:1.讲授法:用于传授基本概念、原理和设计方法;2.讨论法:鼓励学生参与课堂讨论,提高思考和分析能力;3.案例分析法:通过分析实际案例,使学生更好地理解减速器的设计和应用;4.实验法:安排实验室实践,让学生动手操作,培养实际操作能力。
四、教学资源为了支持教学内容和教学方法的实施,本课程将准备以下教学资源:1.教材:选用《减速器设计》等专业书籍;2.参考书:提供相关领域的学术论文、技术资料等;3.多媒体资料:制作课件、视频等,用于辅助讲解和演示;4.实验设备:减速器实验装置,用于实验教学。
五、教学评估本课程的教学评估将采用多元化方式,全面客观地评价学生的学习成果。
评估方式包括:1.平时表现:通过课堂参与、提问、讨论等环节,评估学生的学习态度和积极性;2.作业:布置设计练习、报告等作业,评估学生的理解和应用能力;3.考试:包括期中考试和期末考试,以闭卷形式进行,评估学生的知识掌握和运用能力;4.实验报告:评估学生在实验过程中的操作技能和分析能力;5.课程设计:评估学生对减速器设计的整体把握和实际操作能力。
课程设计说明书课程名称:一级V带直齿轮减速器设计题目:带式输送机传动装置的设计院系:材料科学与工程学院学生姓名:学号:专业班级:锻压08-1指导教师:吴雪峰《机械设计》课程设计设计题目:带式输送机传动装置的设计内装:1. 设计计算说明书一份2. 减速器装配图一张<A1)3. 轴零件图一张<A3)4. 齿轮零件图一张<A3)锻压系08-1班级设计者:指导老师:吴雪峰完成日期:成绩:_________________________________课程设计任务书带式输送机传动装置的设计摘要:齿轮传动是应用极为广泛和特别重要的一种机械传动形式,它可以用来在空间的任意轴之间传递运动和动力,目前齿轮传动装置正逐步向小型化,高速化,低噪声,高可靠性和硬齿面技术方向发展,齿轮传动具有传动平稳可靠,传动效率高<一般可以达到94%以上,精度较高的圆柱齿轮副可以达到99%),传递功率范围广<可以从仪表中齿轮微小功率的传动到大型动力机械几万千瓦功率的传动)速度范围广<齿轮的圆周速度可以从0.1m/s到200m/s或更高,转速可以从1r/min到20000r/min或更高),结构紧凑,维护方便等优点。
因此,它在各种机械设备和仪器仪表中被广泛使用。
本文设计的就是一种典型的一级圆柱直齿轮减速器的传动装置。
其中小齿轮材料为40Cr<调质),硬度约为240HBS,大齿轮材料为45钢<调质),硬度约为215HBS,齿轮精度等级为8级。
轴、轴承、键均选用钢质材料。
关键词:减速器、齿轮、轴、轴承、键、联轴器目录机械设计课程设计计算说明书1.一、课程设计任务书 (1)二、摘要和关键词 (2)2.一、传动方案拟定 (3)各部件选择、设计计算、校核二、电动机选择 (3)三、计算总传动比及分配各级的传动比 (4)四、运动参数及动力参数计算 (6)五、传动零件的设计计算 (7)六、轴的设计计算 (10)七、滚动轴承的选择及校核计算 (12)八、键联接的选择及校核计算 (13)九、箱体设计 (14)《机械设计》课程设计设计题目:带式输送机传动装置的设计内装:1. 设计计算说明书一份2. 减速器装配图一张<A)3. 轴零件图一张<A)4. 齿轮零件图一张<A)系班级设计者:指导老师:完成日期:成绩:_________________________________=180)×6.05/<0.96HN1=506MPAHN2=480MPA[ [。
机械设计课程设计二级减速器设计说明书一、设计任务设计一个二级减速器,用于将电动机的高转速降低到所需的工作转速。
减速器的技术参数如下:输入轴转速:1400rpm输出轴转速:300rpm减速比:4.67工作条件:连续工作,轻载,室内使用。
二、设计说明书1.总体结构二级减速器主要由输入轴、两个中间轴、两个齿轮、输出轴和箱体等组成。
输入轴通过两个中间轴上的齿轮与输出轴上的齿轮相啮合,从而实现减速。
2.零件设计(1)齿轮设计根据减速比和转速要求,计算出齿轮的模数、齿数、压力角等参数。
选择合适的齿轮材料和热处理方式,保证齿轮的强度和使用寿命。
同时,要进行轮齿接触疲劳强度和弯曲疲劳强度的校核。
(2)轴的设计根据齿轮和轴承的类型、尺寸,计算出轴的直径和长度。
采用适当的支撑方式和轴承类型,保证轴的刚度和稳定性。
同时,要进行轴的疲劳强度校核。
(3)箱体的设计箱体是减速器的支撑和固定部件,应具有足够的强度和刚度。
根据减速器的尺寸和安装要求,设计出合适的箱体结构。
同时,要考虑到箱体的散热性能和重量等因素。
3.装配图设计根据零件设计结果,绘制出减速器的装配图。
装配图应包括所有零件的尺寸、配合关系、安装要求等详细信息。
同时,要考虑到维护和修理的方便性。
4.设计总结本设计说明书详细介绍了二级减速器的设计过程,包括总体结构、零件设计和装配图设计等部分。
整个设计过程严格遵循了机械设计的基本原理和规范,保证了减速器的性能和使用寿命。
通过本课程设计,提高了机械设计能力、工程实践能力和创新思维能力。
目录设计任务书 (2)第一部分传动装置总体设计 (4)第二部分各齿轮的设计计算 (7)第三部分轴的设计 (17)第四部分主要尺寸及数据 (23)设计任务书一、课程设计题目:方案3:电机→圆锥圆柱齿轮(斜齿)减速器→开式一级齿轮减速→工作机1—电动机;2、4—联轴器;3—圆锥-圆柱斜齿轮减速器;5—输送带;6—滚筒 2原始数据(1)皮带的有效拉力:F=3000N;(2)输送带工作速度:v=1.2m/s;(3)滚筒直径:400mm;3.设计条件1.工作条件:机械厂装配车间;两班制,每班工作四小时;空载起动、连续、单向运转,载荷平稳;2.使用期限及检修间隔:工作期限为8年,每年工作250日;检修期定为三年;3.生产批量及生产条件:生产数千台,有铸造设备;4.设备要求:固定;5.生产厂:减速机厂。
4.工作量1.减速器装配图零号图1张;2.零件图2张(箱体或箱盖,1号图;中间轴或大齿轮,1号或2号图);3.设计说明书一份不少于7000字。
第一部分 传动装置总体设计一、 传动方案(已给定) 1) 外传动为V 带传动。
2) 减速器为两级展开式圆锥-圆柱斜齿轮减速器。
3)方案简图如下:。
计 算 与 说 明结果 三、电动机的选择(一) 类型选择:根据动力源和工作条件,选用Y 型三相异步电动机。
(二) 功率计算 (1)确定工作功率KW FV P w 6.310002.130001000=⨯==(2)原动机功率∑=ηW d P P根据题意 联轴器一个 轴承五对 圆柱齿轮两个 圆锥齿轮一个 滚筒轴一个98.0=轴η97.0=齿η96.0=滚筒η992.0=联η滚筒联齿轴ηηηηη∙∙∙=∑325837.096.0992.098.098.0235=⨯⨯⨯=∑η电动机所需的功率为:30.4837.06.3===∑ηwP P ddP P ed 〉所以选择电动机5.5KW 的(3)电动机的转速 1、工作机主轴转速 min 32.574002.1100060r n w =⨯⨯=π2、各级传动比可选范围 查参考文献[1]表2-2得两级展开式圆柱齿轮减速器的传动比范围'a i 为40~83、电动级转速的确定0.837η∑=4.30d P =57.32min w n r =电动机可选转速范围min 10031~68.137532.57)175~24(r n i n w d =⨯==总从课本查得: 同步转速为1500r/min 满载转速为1440r/min ;电动机额定功5.5KW 制表如下: 电动机型号 额定功率 电动机转速同步 满载 Y132S-414401500 1440Y132S-4电动机的外型尺寸(mm ): (见课设表19-3)A :216B :140C :89D :38E :80F :10G :33H :132 K :12 b: 280 b1: 210 b2: 135 h:315 AA: 60 BB:200 HA:18 L1:475 (二)、传动比分配根据上面选择的电动机型号可知道现在的总传动比 12.2532.571440===w m n n i 总 ;为了使两级大齿轮直径相近取设 2.42=i23.33.1/23==i i 85.1/321=∙=∑i i i i 10.25321=∙∙=∑i i i i(三)、传动装置的运动和动力参数1375.68~10031mind n r =2.42=i3 3.23i = 1 1.85i =25.10i ∑=1、各轴的转速计算 电机轴10min /1440n r nn m===min /38.77885.1/14402r n ==min /33.1852.4/38.7783r n ==min /38.5723.3/33.1854r n ==卷筒min /32.574r n n =≈卷筒 2、各轴输入功率计算KWP KW P P KW P P KW P P KW nd P IV IV 86.3992.090.390.399.098.002.402.499.098.014.414.498.099.027.427.4992.03.412332213=⨯=⨯=⨯⨯===⨯⨯===⨯⨯===⨯==ηηηηηηηηⅢⅡⅢⅠⅡⅠ3 各轴的输入转矩m mN T T m m N i T T m m N i T T m m N i T T m mN T T m mN n P T IV d m d d ⋅⨯=⨯⨯⨯==⋅⨯=⨯⨯⨯⨯==⋅⨯=⨯⨯⨯⨯==⋅⨯=⨯⨯⨯⨯=∙∙=⋅⨯=⨯⨯=∙=⋅⨯=⨯⨯=⨯=552145532335423224413214414661091.699.0992.010036.710036.723.398.099.01025.21025.22.498.099.01051.51051.585.198.099.01083.21083.2992.01085.21085.214403.41055.91055.9ηηηηηηηηηⅢⅡⅠ所以可得表格:01440/minn r =2778.38/min n r = 3185.33/min n r = 457.38/minn r =57.32/minr n=卷筒14.274.144.023.903.86IV IV P KWP KW P KW P KW P KWη====⨯=ⅠⅡⅢ4445552.85102.83105.51102.25107.036106.9110d IV T N mm T N mm T N mm T N mm T N mm T N mm=⨯⋅=⨯⋅=⨯⋅=⨯⋅=⨯⋅=⨯⋅ⅠⅡⅢ轴名功率P/kw转矩T/mm转速n/1min-传动比效率电机轴 4.32.85×410144010.992Ⅰ轴 4.272.83×41014401.85 0.97Ⅱ轴 4.14 5.51×410778.384.2 0.97Ⅲ轴 4.02 2.25×510185.333.230.97IV 轴3.907.036×51057.381 0.98卷筒3.86 6.91510⨯57.32第二部分各齿轮的设计计算一、直齿圆柱齿轮的传动设计1.已知输入功率P2=4.27KW,小齿轮转速960r/min,齿数比u=1.85。
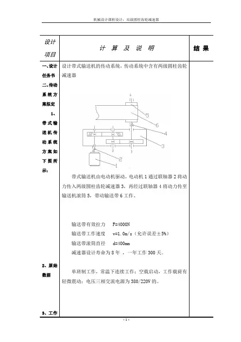
设计项目计算及说明结果一、设计任务书二、传动系统方案拟定1、带式输送机传动系统方案如下图所示:2、原始数据3、工作设计带式输送机的传动系统,传动系统中含有两级圆柱齿轮减速器带式输送机由电动机驱动,电动机1通过联轴器2将动力传入两级圆柱齿轮减速器3,再经过联轴器4将动力传至输送机滚筒5,带动输送带6工作。
输送带有效拉力 F=4000N输送带工作速度 v=1.0m/s(允许误差±5%)输送带滚筒直径 d=400mm减速器设计寿命为8年,一年工作300天。
单班制工作,常温下连续工作;空载启动,工作载荷有轻微震动;电压三相交流电源为380/220V的。
设计项目计算及说明结果条件三、电动机的选择1、电动机容量的选择2、电动机转速的选择根据已知条件由计算得知工作机所需的有效功率KWFVPW0.410002.140001000=⨯==8505.098.099.096.052232434231201=⨯⨯=⨯⨯⨯=⨯⨯⨯⨯=齿轮轴承联轴器卷筒总ηηηηηηηηηηw电动机的输出功率KWKWPPaWd703.28505.00.4===η由Y系列三相异步电动机技术数据中可以确定,满足dedPP〉条件的电动机,取电动机额定功率P m=5.5kw输送机滚筒轴的工作转速min/75.474000.160000rnw=⨯⨯=π由表3-2初选同步转速为1500r/min、1000r/min或750r/min的电动机,对于额定功率P m为5.5 kw的电动机型号应分别为Y132S-4型、Y132M2-6型或Y160M2-8型。
把这三种电动机有关技术数据及相应算得的总传动比列于下表:方案号电动机型号额定功率同步转速满载转速总传动比I Y132S-4 5.5 kw 1500r/min 1440r/min 25.12II Y132M2-6 5.5 kw 1000r/min 960r/min 16.75III Y160M2-8 5.5 kw 750r/min 720r/min 12.56方案I:12i=i3.1=5.1723i=12ii=4.40KWPW0.4=858.0=总ηKWPd703.4=KWPm5.5=设计项目计算及说明结果3、电动机型号的确定四、传动比的分配方案II:12i=i3.1=4.6723i=12ii=3.59方案III:12i=i3.1=4.0423i=12ii=3.11通过对这三种方案比较可以看出,由于整个传动系统采用二级减速,高速级传动比12i应≤4.5,因此选择同步转速ns=750r/min的电动机为宜。
目录第一章传动装置的总体设计一、电动机选择1.选择电动机的类型2.选择电动机的功率3.选择电动机的转速4.选择电动机的型号二、计算总传动比和分配各级传动比三、计算传动装置的运动和动力参数1.各轴转速2.各轴功率3.各轴转矩4.运动和动力参数列表第二章传动零件的设计一、减速器箱体外传动零件设计1.带传动设计二、减速器箱体内传动零件设计1.高速级齿轮传动设计2.低速级齿轮传动设计三、选择联轴器类型和型号1.选择联轴器类型2.选择联轴器型号第三章装配图设计一、装配图设计的第一阶段1.装配图的设计准备2.减速器的结构尺寸3.减速器装配草图设计第一阶段二、装配图设计的第二阶段1.中间轴的设计2.高速轴的设计3.低速轴的设计三、装配图设计的第三阶段1.传动零件的结构设计2.滚动轴承的润滑与密封四、装配图设计的第四阶段1.箱体的结构设计2.减速器附件的设计3.画正式装配图第四章零件工作图设计一、零件工作图的内容二、轴零件工作图设计三、齿轮零件工作图设计第五章注意事项一、设计时注意事项二、使用时注意事项第六章设计计算说明书编写第一章 传动装置总体设计一、电动机选择1.选择电动机的类型电动机有直流电动机和交流电动机。
直流电动机需要直流电源,结构复杂,价格较高;当交流电动机能满足工作要求时,一般不采用直流电动机,工程上大都采用三相交流电源,如无特殊要求应采用三相交流电动机。
交流电动机又分为异步电动机和同步电动机,异步电动机又分为笼型和绕线型,一般常用的是Y 系列全封闭自扇冷式笼型三相异步电动机,它具有防止灰尘、铁屑或其他杂物侵入电动机内部的特点,适用于没有特殊要求的机械上,如机床、运输机、搅拌机等。
所以选择Y 系列三相异步电动机。
2.选择电动机的功率电动机的功率用额定功率P ed 表示,所选电动机的额定功率应等于或稍大于工作机所需的电动机输出功率P d 。
功率小于工作要求则不能保证工作机正常工作,或使电动机长期过载,发热大而过早损坏;功率过大,则增加成本,且由于电动机不能满载运行,功率因素和效率较低,能量不能充分利用而造成浪费。
机械设计基础课程设计减速器引言减速器(Reducer),又称为减速机、减速器、减速齿轮机构,是将高速运动的动力通过齿轮传动装置转换成低速高转矩的设备。
减速器广泛应用于工业生产中的传动装置,具有重要的作用。
本文将详细讨论机械设计基础课程设计中的减速器。
一、减速器的作用和原理减速器主要用于将电动机等高速运动装置的转速降低,同时增加转矩。
其作用在于匹配输入和输出的转速和扭矩,使机械装置达到最适合的工作状态。
•减速器的作用–降低输出速度:通过齿轮传动机构,将高速输入转动降低到所需要的输出速度,满足不同工作环境的要求。
–增加输出扭矩:通过齿轮传动的工作原理,能够增加输出扭矩,提供所需的动力。
–反向装置:通过减速器的设计,可以实现转向,使机械装置在不同的工况下反向运动。
•减速器的原理–齿轮传动原理:减速器主要通过齿轮的传动实现速度和扭矩的转换。
通过两个或多个齿轮的组合传动,可以实现不同的转速比。
一般来说,将大齿轮称为驱动轮,小齿轮称为从动轮。
当驱动轮转动时,从动轮相应地转动,但速度和扭矩会发生变化。
二、减速器的分类根据结构和用途的不同,减速器可以分为多种类型。
下面将详细介绍常见的几种减速器。
2.1 齿轮减速器齿轮减速器是应用最为广泛的减速器之一,其主要由齿轮、轴承、轴和外壳等组成。
根据齿轮的不同排列方式和传动原理,齿轮减速器又可以分为平行轴齿轮减速器、斜齿轮减速器、行星齿轮减速器等。
•平行轴齿轮减速器:工作原理是通过平行轴上的两个齿轮之间的啮合传动来实现速度和扭矩的转换。
广泛应用于各类机械设备。
•斜齿轮减速器:斜齿轮减速器的轴线与齿轮轮系的轴线相交,主要用于两轴不平行的情况,特别适用于转动方向需要改变的场合。
•行星齿轮减速器:行星齿轮减速器由太阳轮、行星轮和内齿轮组成,通过不同齿轮的啮合传动实现减速。
具有结构紧凑、扭矩大等优点,广泛应用于工业领域。
2.2 带传动的减速器带传动的减速器主要是通过皮带、链条等进行传动,将高速输入转动减速至低速输出。
机械设计减速箱课程设计机械设计减速箱课程设计:机械设计课程中的一个重要的部分是减速箱设计。
减速箱被广泛用于各种工业机械中,将高速旋转的电机转换成低速高扭矩的输出以满足特定的应用需求。
在本文中,我们将介绍机械设计减速箱课程设计的各个方面和步骤。
步骤1:需求分析在机械设计减速箱课程设计中,第一个步骤是需求分析。
在这一步中,我们需要确定减速箱的输出转速,输入功率和转矩需求,以及其它特定的应用需求。
这有助于我们选择合适的减速比,齿轮模数以及材料和制造方法。
步骤2:齿轮设计在减速箱设计中,齿轮是最常用的传动元件。
在齿轮设计中,我们需要确定齿轮齿数、齿轮模数、功率、转矩以及制造方法。
此外,我们还需要确定齿轮组合的减速比和最优齿轮几何参数。
步骤3:轴设计减速箱的轴也是非常重要的传动元件。
在轴设计中,我们需要确定轴的直径,长度,材料以及制造方法。
我们还需要确定轴承和安装配件的选型和位置。
步骤4:壳体设计减速箱的壳体设计是非常重要的,因为它确保所有传动元件正常工作并且提供保护。
在壳体设计中,我们需要确定减速箱的尺寸,形状,刚度以及制造工艺。
步骤5:制造和测试在完成减速箱的设计后,我们需要进行制造和测试。
这些活动涉及到材料采购,机器加工,齿轮打磨,装配和检测。
通过测试,我们可以确定减速箱的性能,例如输出转速,效率和噪音。
总结:机械设计减速箱课程设计是机械工程师必须掌握的技能之一,医膳的减速箱可以帮助各种工业机械运行更加平滑和高效。
在设计过程中,我们必须考虑到各种需求,并选用合适的材料和制造方法。
通过有效的设计和测试,我们可以制造出高性能的减速箱以满足特定应用的需求。
(1) 选择电动机① 选择电动机类型和结构形式。
俺找找工作要求和条件,选用一般用途的,Y 系列三相异步电动机,为卧式封闭结构。
② 确定电动机功率。
工作及所需的功率w P (kw )按下式计算ww w w V F P η1000=式中,N F w 2600=,1.1=w V m/s 滚筒效率w η=0.96,代入上式得96.010001.12600⨯⨯=w P =2.98kw电动机所需功率0P (kw )按下式计算,查各类机械传动的效率值:96.0=滚筒η 99.0=联轴器η 98.0=齿轮η 99.0=轴承ηηwP =0P923.0223≈⨯⨯=联轴器齿轮轴承ηηηη923.098.20==ηwP P kw ≈3.23kw 选取电动机额定功率m P (kw),使m P =(1~1.3) 0P =3.23(1~1.3)=3.23~4.20③ 确定电动机转速。
工作机卷筒轴的转速w n 为:DV n ww π100060⨯==3201.1100060⨯⨯⨯π=65.68r/min查机械设计手册 取m P =4kw 。
根据机械设计手册,取二级齿轮减速器齿轮i =8~40 。
故电动机的转速可取范围为:w m n i n 总==(8~40)×65.68r/min=525.44~2627.2r/min符合此转速要求的同步转速有Y132M1-6 和Y112M-4两种电动机,综合考虑选择同步转速为1000r/min 的Y 系列电动机Y132M1-6 ,满载转速960=m n r/min 。
(2)计算传动装置的总传动比并分配各级传动比 ①传动装置的总传动比为:w w n n i /=总960/65.68=14.62 ②分配各级传动比21齿齿总i i i ⋅=1齿i :2齿i =1.31齿i =3.352齿i =3.352齿i =4.37④ 计算传动装置的运动参数和动力参数 1. 各轴转速Ⅰ轴:==m n n Ⅰ960r/minⅡ轴:1/齿ⅠⅡi n n ==960/3.35=286.57r/min Ⅲ轴:2/齿ⅡⅢi n n ==286.57/4.36=65.73r/min 滚筒轴:Ⅱ滚筒n n ==65.73r/min 2. 各轴功率Ⅰ轴:ⅠP =联轴器η0P =4⨯0.99=3.96kwⅡ轴:ⅡP =轴承齿轮ⅠηηP =3.96⨯0.98⨯0.99=3.84kw Ⅲ轴:==轴承齿轮ⅡⅢηηP P 99.098.084.3⨯⨯=3.73kw 3. 各轴转矩电动机轴:41055.91055.96060⨯⨯=⨯⨯=mn P T N ·mm Ⅰ轴:3939399.0397910000=⨯=⋅==联轴器ⅠⅠⅠηηT i T T N ·mm Ⅱ轴:99.098.035.339393⨯⨯⨯==ⅠⅡⅠⅡⅠⅡηi T T =128034N ·mm Ⅲ轴:99.098.036.4128034⨯⨯⨯==ⅡⅢⅡⅢⅡⅢηi T T =541593N ·mm滚筒轴:99.099.0541593⨯⨯==ⅢⅣⅢⅣⅢ滚Ⅳηi T T =530815N ·mm 高速级1. 选定齿轮类型、精度等级、材料及齿数① 按图所示的传动方案,选用直齿圆柱齿轮传动。
机械设计基础课程设计减速器的说明书机械设计基础课程设计减速器的说明书一、设计背景减速器是机械传动系统中常用的一种装置,用于降低驱动设备的转速并提高输出扭矩。
在机械设计基础课程中,学生需要通过设计一个减速器来理解和应用各种机械元件的原理和设计方法。
本说明书旨在介绍该减速器的设计原理、结构、材料和性能等方面的内容。
二、设计原理该减速器采用齿轮传动的原理实现减速功能。
通过齿轮的啮合,将输入轴的高速旋转转换为输出轴的低速旋转。
设计中需要考虑齿轮的模数、齿数、螺旋角等参数,以及齿轮的材料和硬度等。
三、结构设计该减速器的结构包括输入轴、输出轴、齿轮、轴承和外壳等主要部件。
输入轴通过轴承固定在外壳上,输出轴与输入轴通过齿轮相连。
齿轮通过齿轮轴和轴承固定在外壳内。
四、材料选择为了确保减速器的稳定性和耐用性,设计中需要选用适当的材料。
通常情况下,输入轴和输出轴可以选用高强度的合金钢,齿轮可以选用优质的硬质合金钢,轴承可以选用耐磨损的滚珠轴承。
五、性能要求设计中需要考虑减速器的性能要求,包括承载能力、传动效率、噪音和寿命等方面。
减速器应能承受输入扭矩,并保证输出扭矩的稳定性。
传动效率应尽可能高,噪音应尽可能低,并保证减速器的使用寿命。
六、安全注意事项在使用和维护减速器时,需要注意以下事项:1. 定期检查减速器的工作状态,发现异常应及时处理。
2. 避免过载使用减速器,以免导致损坏。
3. 维护时应使用适当的润滑油,确保齿轮和轴承的正常润滑。
4. 使用前应确保减速器的安装牢固,防止产生松动或脱落。
七、总结通过本减速器的设计,学生可以深入了解减速器的原理和设计方法,并通过实际操作提高其机械设计的能力。
减速器是各种机械设备中不可或缺的重要部件,其设计和使用对机械系统的正常运行至关重要。
希望通过本课程设计能够培养学生的综合能力和创新思维。
大三机械设计课程设计减速器1. 减速器的定义减速器是一种可有效提高动力机构的转矩和增加动力机构的速度的机械装置,它能有效地减小电机或其他动力机构的输出转矩和输出转速,以允许机械运行更加稳定、高效。
目前,减速器已经广泛应用于电器、汽车、机床等机械领域,它可以帮助机械传动装置有效地实现速度和转矩要求。
2. 减速器的结构与原理减速器有很多种结构,它们的工作原理类似。
它的基本结构由几个部件组成。
首先是一个输入端,它将输入的动力传递到减速器。
其次是几个减压轮,它们将输入的能量转换为速度,而且可以在接触轮系齿轮以外完成操作。
然后是减速器的输出端,它将减速器输出的动力传递给机械传动装置。
3. 减速器的应用减速器广泛应用于人们所需要的各种行业,比如汽车行业、电器行业、冶金行业及机械行业等。
它不但可以降低动力机构的输出转矩和输出转速,而且可以实现机械传动的动力控制,从而保证机械运行的稳定及安全。
比如汽车减速器可以帮助实现汽车的把挡,有效地减少变速箱和发动机转速之间的差距;它还可以改善转向系统的动力性能、操纵性能和稳定性;冶金行业中,减速器用于降低电动机转速,有利于减少噪音,提高机械的使用寿命。
4. 大三机械设计课程设计减速器大三机械设计课程设计减速器的几个重要阶段:首先,了解减速器的基本结构知识,如减速轮系、减速机轴承及应用性能等。
其次,计算减速器的参数,包括输入转速、输入转矩、输出转速、输出转矩、减速比等。
然后,根据计算出来的参数,选择合适的减速器规格,并设计出相应的零部件。
最后,根据减速器设计出来的零部件进行实践组装,并检查零件,并分析减速器的性能评价指标与设计指标。
通过大三机械设计课程设计的减速器可以使学生们了解减速器的基本原理及其结构,更加熟悉减速器的参数计算及其零部件的设计,加深对减速器的了解,学习的内容更有助于减速器的应用。
机械设计基础课程设计-一级齿轮减速器设计说明书机械设计基础课程设计一级齿轮减速器设计说明书一、引言本文档旨在提供一级齿轮减速器设计的详细说明。
本设计旨在满足特定的需求和要求,确保减速器的功能和性能达到预期目标。
二、设计要求1、设计目标:设计一种能够实现正向旋转和输出指定速比的一级齿轮减速器。
2、输入参数:- 输入轴转速:n1(rpm)- 输出轴转速:n2(rpm)- 轴间距:L(mm)- 减速比:i3、输出参数:- 式轮轴数:N1,N2- 齿轮模数:m(mm)- 中心距:a(mm)- 齿数:z1,z2- 齿宽:b(mm)- 齿顶高系数:h1,h2- 齿根高系数:c1,c2- 传动效率:η- 承载能力:Ft(N)三、设计流程1、给定输入轴转速n1和输出轴转速n2,计算减速比i。
2、根据减速比i和输入参数,选择合适的齿轮模数m。
3、根据模数m和减速比i,计算轴间距L。
4、根据减速比i、模数m和轴间距L,计算齿数z1和z2:5、根据齿数z1和z2,计算中心距a。
6、根据模数m和齿数,计算齿宽b。
7、根据模数m、齿宽b、齿顶高系数h1和齿根高系数c1,计算齿轮1的齿顶高h1和齿根高c1:8、根据齿根高系数c1,计算齿轮1的齿根高c1:9、根据齿顶高系数h2和齿根高系数c2,计算齿轮2的齿顶高h2和齿根高c2:10、根据齿顶高系数h2,计算齿轮2的齿顶高h2:11、根据减速比i,模数m和中心距a,计算传动效率η。
12、根据模数m和中心距a,计算齿轮减速器的承载能力Ft。
四、附件本文档涉及的附件包括:1、设计图纸:包括齿轮齿形图、总体装配图、齿轮轴联接图等。
2、材料清单:列出所需的材料及其数量。
3、零件加工工艺:描述零件的加工流程和工艺要求。
五、法律名词及注释1、减速比(i):输出轴转速与输入轴转速之比,表示减速器的速比。
2、齿轮模数(m):用来表示齿轮齿数与其圆周直径的比值,是齿轮设计中的重要参数。
3、传动效率(η):齿轮传动中输入功和输出功之比,表示齿轮传动的转动效率。
机械设计课程设计步骤减速器的设计
目录第一章传动装置的总体设计
一、电动机选择
1.选择电动机的类型
2.选择电动机的功率
3.选择电动机的转速
4.选择电动机的型号
二、计算总传动比和分配各级传动比
三、计算传动装置的运动和动力参数
1.各轴转速
2.各轴功率
3.各轴转矩
4.运动和动力参数列表
第二章传动零件的设计
一、减速器箱体外传动零件设计
1.带传动设计
二、减速器箱体内传动零件设计
1.高速级齿轮传动设计
2.低速级齿轮传动设计
三、选择联轴器类型和型号
1.选择联轴器类型
2.选择联轴器型号
第三章装配图设计
一、装配图设计的第一阶段
1.装配图的设计准备
2.减速器的结构尺寸
3.减速器装配草图设计第一阶段
二、装配图设计的第二阶段
1.中间轴的设计
2.高速轴的设计
3.低速轴的设计
三、装配图设计的第三阶段
1.传动零件的结构设计
2.滚动轴承的润滑与密封
四、装配图设计的第四阶段
1.箱体的结构设计
2.减速器附件的设计
3.画正式装配图
第四章零件工作图设计
一、零件工作图的内容
二、轴零件工作图设计
三、齿轮零件工作图设计
第五章注意事项
一、设计时注意事项
二、使用时注意事项
第六章设计计算说明书编写
第一章 传动装置总体设计
一、电动机选择
1.选择电动机的类型
电动机有直流电动机和交流电动机。
直流电动机需要直流电源,结构复杂,价格较高;当交流电动机能满足工作要求时,一般不采用直流电动机,工程上大都采用三相交流电源,如无特殊要求应采用三相交流电动机。
交流电动机又分为异步电动机和同步电动机,异步电动机又分为笼型和绕线型,一般常见的是Y 系列全封闭自扇冷式笼型三相异步电动机,它具有防止灰尘、铁屑或其它杂物侵入电动机内部的特点,适用于没有特殊要求的机械上,如机床、运输机、搅拌机等。
因此选择Y 系列三相异步电动机。
2.选择电动机的功率
电动机的功率用额定功率P ed 表示,所选电动机的额定功率应等于或稍大于工作机所需的电动机输出功率P d 。
功率小于工作要求则不能保证工作机正常工作,或使电动机长期过载,发热大而过早损坏;功率过大,则增加成本,且由于电动机不能满载运行,功率因素和效率较低,能量不能充分利用而造成浪费。
工作机所需电动机输出功率应根据工作机所需功率和中间传动装置的效率等确定。
工作机所需功率为:w w 1000Fv P η=
,ηw ——工作机(卷筒)的效率,查吴宗泽P5表1-7。
工作机所需电动机输出功率为:w w 321234d P P P ηηηηη==,η1 ——带传动效率;
η2——滚动轴承效率;η3 ——齿轮传动效率;η4——联轴器效率,查吴宗。