304不锈钢电解抛光液配方
- 格式:doc
- 大小:43.50 KB
- 文档页数:2
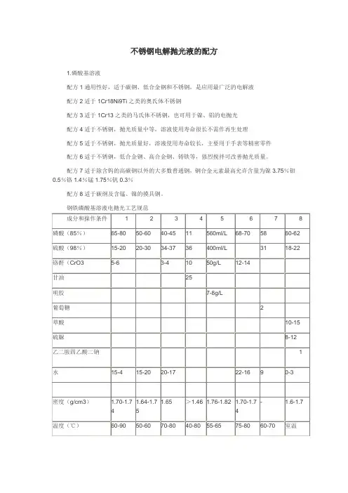
不锈钢电解抛光液的配方
1.磷酸基溶液
配方1通用性好,适于碳钢、低合金钢和不锈钢,是应用最广泛的电解液
配方2适于1Cr18Ni9Ti之类的奥氏体不锈钢
配方3适于1Cr13之类的马氏体不锈钢,也可用于镍、铝的电抛光
配方4适于不锈钢,抛光质量中等,溶液使用寿命很长不需作再生处理
配方5适于不锈钢,抛光质量好,溶液使用寿命较长,主要用于手表等精密零件
配方6适于不锈钢,低合金钢、高合金钢、铸铁等,强烈搅拌可改善抛光质量。
配方7适于除含钨的高碳钢以外的大多数普通钢,钢合金元素最高允许含量为镍3.75%钼0.5%铬1.4%锰1.75%钒0.3%
配方8适于碳纲及含锰、镍的摸具钢。
钢铁磷酸基溶液电抛光工艺规范。
不锈钢抛光剂配方
不锈钢抛光剂是一种高效的金属表面处理工具,主要由几种化学物质混合而成。
下面是一份不锈钢抛光剂的配方,供参考:
材料:
- 乙酸
- 氢氧化钠
- 硝酸
- 碱矿物
- 去离子水
- 表面活性剂
配方:
1. 将5L去离子水倒入一个大容器中。
2. 向水中慢慢加入0.5L乙酸,同时搅拌,直到完全溶解。
3. 将1L氢氧化钠溶液(浓度约为30%)倒入水中,搅拌均匀。
4. 在容器中加入20ml表面活性剂,搅拌均匀。
5. 慢慢加入30ml的碱矿物,搅拌均匀。
6. 最后,加入5ml的硝酸,搅拌至溶解。
注意事项:
- 操作时需戴手套和护目镜,保护好手和眼睛。
- 加入的化学物质需逐一慢慢倒入,避免剧烈反应。
- 加入碱矿物和硝酸时需小心,它们都具有刺激性。
- 置于干燥阴凉处保存,避免阳光直射。
以上是一个不锈钢抛光剂的配方,使用过程中需要高度注意安全。
如果您不具备化学实验经验,建议不要自行制备。
同时,在使用抛光剂时,应该遵守相关操作注意事项,避免误操作而受伤。
环保型不锈钢电化学抛光液工艺配方在生产过程中不锈钢表面容易出现一些黑色氧化皮或是微观不平等,影响其使用价值。
只有对其再加工如机械抛光、化学抛光和电化抛光处理来提高其自身价值,因此推荐以下的工艺或许可获得较好的效果。
工序:化学去油→水洗→酸洗→水洗→化学抛光→水洗→电抛光→水洗→钝化→水洗→烘干→检验。
配方:为了提高不锈钢制品的耐蚀性及装饰性,需要对不锈钢表面进行抛光。
目前,使用的有手工、机械、化学三种抛光和电化学抛光。
由于现有的不锈钢电抛光液都采用磷酸和铬酐,在抛光和清洗过程中有不少铬(Ⅵ)及磷酸根在废水中排出,造成环境污染,通过试验,推荐下列配方和工艺条件。
环保型电抛光液配方1、2不用铬酐,磷酸用量少,这种配方减少了污染排放。
配方3完全不用磷酸和铬酐,解决了废水排放的环境问题,是一种全新型的无污染的环保型电化学抛光剂,其工艺流程如工艺如工艺条件与原有的基本相同,抛光效果也基本相同,保证了抛光质量。
无铬酸酐不锈钢电解抛光液添加剂(无重金属不锈钢电化学电解抛光液)及废水处理介绍:一、重金属为什么有毒性?重金属,特别是汞、镉、铅、铬等具有显著和生物毒性。
它们在水体中不能被微生物降解,而只能发生各种形态相互转化和分散、富集过程(即迁移)。
重金属污染的特点是:1、除被悬浮物带走的外,会因吸附沉淀作用而富集于排污口附近的底泥中,成为长期的次生污染源;2、水中各种无机配位体(氯离子、硫酸离子、氢氧离子等)和有机配位体(腐蚀质等)会与其生成络合物或螯合物,导致重金属有更大的水溶解度而使已进入底泥的重金属又可能重新释放出来;3、 .重金属的价态不同,其活性与毒性不同。
其形态又随pH和氧化还原条件而转化;4、在其危害环境方面的特点是:微量浓度即可产生毒性(一般为1~10毫克/升,汞、镉为0.01~0.001毫克/升);在微生物作用会转化为毒性更强的有机金属化合物(如洋-甲基汞);可被生物富集,通过食物链进入人体,造成慢性路线。
不锈钢电解液配方
主要成分:
1.稀硫酸(H2SO4):稀硫酸可用于溶解不锈钢表面的氧化皮和污渍,同时具有去除不锈钢表面缺陷的作用。
2.稀氯化酸(HCl):稀氯化酸可用于去除不锈钢表面的氧化皮和杂质,同时具有提高不锈钢表面光洁度和清洁度的作用。
3.二异丙基酮(MEK):二异丙基酮可用作溶剂,用以稀释稀硫酸和
稀氯化酸,同时具有促进不锈钢表面清洁的作用。
4.醋酸(CH3COOH):醋酸可用于调节不锈钢电解液的PH值,以保证
不锈钢表面的处理效果。
5.阳离子表面活性剂:阳离子表面活性剂可用于增加不锈钢表面的润
湿性和抗氧化性。
配方:
1.稀硫酸20%:800mL
2.稀氯化酸10%:300mL
3.二异丙基酮:100mL
4.醋酸:50mL
5.阳离子表面活性剂:10mL
操作步骤:
1.将稀硫酸和稀氯化酸分别称量并加入适量的蒸馏水中,搅拌均匀。
2.加入二异丙基酮并继续搅拌,直到完全溶解。
3.加入醋酸和阳离子表面活性剂,再次搅拌均匀。
4.将电解液溶液倒入电解槽中,并按照规定的工艺参数对不锈钢进行
处理。
5.处理完成后,可用干净的纯水进行冲洗,以去除表面残留的电解液。
需要注意的是,不锈钢电解液具有一定的腐蚀性,操作时应注意安全,并按照相关规定进行防护措施。
同时,电解液使用后应妥善保存,避免光
照和高温,以防止电解液的分解和变质。
不锈钢电解抛光一电解液H3PO4+H2SO4+CrO3对钢铁、铝、铜等多种金属材料的电解抛光,一般均采用以磷酸为主要成分的抛光液,以待加工工件为阳极(连接电源正极)、铅板为阴极。
本实验以不锈钢抛光为例,工件不锈钢作阳极,铅板作阴极,在含H3PO4、H2SO4、CrO3分别为65%、10%、15%的电解液中进行电解抛光。
1、配制抛光液时,应先将CrO3溶于适量去离子水中,再将H3PO4、H2SO4依次加入,然后加去离子水至所需体积。
2、预处理:打磨不锈钢片正反两面,将表面毛刺和氧化皮除去,再改用W2801#金相砂纸继续打磨至轻度划痕消去,冲洗干净。
放入经预加热、温度为70℃的除油液中进行电化学除油。
要求待加工钢片为阳极,铅板为阴极,并调节电极挂钩控制两极板平行且间距为1~2 cm,通过调节恒流恒压计使阳极电流密度为3 A/dm2,时间为3 min。
除油后趁热用去离子水将钢片冲洗干净,并迅速放入电解抛光液中进行抛光,以免钢片表面再次氧化。
电化学除油液:NaOH 30 g/dm3、Na2CO3 30 g/dm3、Na2PO4?10H2O 30 g/dm3、Na2SiO3?9H2O 4 g/dm3。
2、将经预处理的钢片作阳极,铅板作阴极,置于温度为70~80℃电解抛光液中,要求控制极板间距为l~2 cm,阳极电流密度为10~11 A/dm2,时间为10 min左右。
3、将抛光好的钢片用去离子水冲洗干净,放入3%Na2CO3溶液浸泡5 min,然后再冲洗、擦干。
二电解液NaOH水溶液配方:NaOH,56g+100ml水浸蚀条件:阳极,电流密度5~10A/dm2,温度140~150度,时间10~15min。
三电解抛光液5%高氯酸+95%醋酸,条件:20V,小于15℃60%磷酸+40%硫酸,条件:25V10%高氯酸+90%乙醇,条件:12V,0℃。
电解抛光液配方电解抛光液配方,是指由多种化学物质混合而成的特殊液体,用于对金属表面进行抛光处理。
在实际生产中,根据不同的金属材料和处理要求,可以采用不同的电解抛光液配方。
本文将介绍几种常用的电解抛光液配方,包括成分、配比以及使用方法等方面的内容。
一、钢铁材料电解抛光液配方钢铁材料通常需要使用含硝酸和氢氟酸的电解抛光液进行处理。
具体配方如下:硝酸:50%;氢氟酸:5%;硫酸:5%;水:40%。
将以上材料按照比例混合均匀,然后加入适量的电解质,即可制成电解抛光液。
使用时,将待处理的钢铁材料浸泡在电解抛光液中,通过电解反应将表面氧化物去除,达到抛光效果。
铝合金材料需要使用含硝酸和草酸的电解抛光液进行处理。
具体配方如下:硝酸:20%;草酸:5%;水:75%。
将以上材料按照比例混合均匀,然后加入适量的电解质,即可制成电解抛光液。
使用时,将待处理的铝合金材料浸泡在电解抛光液中,通过电解反应将表面氧化物去除,达到抛光效果。
三、铜材料电解抛光液配方铜材料需要使用含硝酸和氢氧化钠的电解抛光液进行处理。
具体配方如下:硝酸:15%;氢氧化钠:10%;水:75%。
将以上材料按照比例混合均匀,然后加入适量的电解质,即可制成电解抛光液。
使用时,将待处理的铜材料浸泡在电解抛光液中,通过电解反应将表面氧化物去除,达到抛光效果。
四、不锈钢电解抛光液配方不锈钢材料需要使用含硫酸和氢氟酸的电解抛光液进行处理。
具体配方如下:硫酸:50%;氢氟酸:10%;水:40%。
将以上材料按照比例混合均匀,然后加入适量的电解质,即可制成电解抛光液。
使用时,将待处理的不锈钢材料浸泡在电解抛光液中,通过电解反应将表面氧化物去除,达到抛光效果。
总结:以上是几种常见的电解抛光液配方,每种材料都需要采用不同的配方和处理方法,以达到最佳的抛光效果。
在使用电解抛光液时,应注意安全和环保问题,避免对人体和环境造成危害。
同时,根据实际情况选择合适的电解抛光液配方,可以提高生产效率和产品质量。
304不锈钢电解液配方以下是一种常见的304不锈钢电解液配方,包括其主要成分和制备过程。
这个配方可以根据实际需要进行调整和修改。
主要成分:1.硅酸钠(Na2SiO3):作为亲水基团,有助于增加润湿性和清洁性能。
2.磷酸二氢钠(NaH2PO4):作为缓冲剂,调节pH值,增强清洗效果。
3.磷酸三钠(Na3PO4):作为碱性剂,提供碱性环境,有助于除锈和去污。
4.氢氟酸(HF):作为腐蚀剂,能够去除不锈钢表面的氧化物和锈蚀。
5.去离子水:作为稀释剂,用于调整电解液的浓度和pH值。
制备过程:1.按照所需电解液的量比例准备硅酸钠、磷酸二氢钠、磷酸三钠和氢氟酸。
根据具体需要,调整每种化学物质的浓度。
2.在适量的去离子水中加入硅酸钠和磷酸二氢钠,搅拌均匀。
3.慢慢地加入磷酸三钠,继续搅拌混合直至完全溶解。
4.将适量的氢氟酸缓慢加入溶液中,并继续搅拌混合。
5.根据需要,适量调整电解液的pH值,可以通过添加磷酸或氢氧化钠溶液来完成。
6.最后,使用去离子水稀释电解液,直到达到所需的浓度。
使用注意事项:1.在制备和使用电解液时,必须戴防护手套、护目镜和防护服等个人防护装备,以避免化学物质对人体的伤害。
2.电解液通常具有腐蚀性,应远离易腐蚀的材料和设备。
3.在使用电解液进行清洗和除锈时,应注意温度控制,避免产生有毒气体或引起其他意外。
4.使用后应妥善保存电解液,避免接触到光线和火源。
总结:304不锈钢电解液配方可以根据实际需要进行调整和优化,以提高其清洗和除锈效果。
在使用过程中,必须注意安全操作,并遵循相关的安全规定和操作流程。
这样才能有效地清洁、除锈和抛光不锈钢材料,确保其表面的光洁度和耐腐蚀性。
不锈钢电解抛光液配方 Prepared on 22 November 2020不锈钢电解抛光液配方,不锈钢电解抛光液成分,不锈钢电解抛光液,不锈钢抛光液,不锈钢光亮剂,不锈钢电解抛光液光亮剂,不锈钢电解抛光液添加剂,不锈钢电解抛光液光亮剂(PR022)产品用途1、不锈钢材质电化学抛光液的高光“光亮添加剂”;2、适用于各类不锈钢材质,对如下牌号的不锈钢可达到镜面光亮效果:201、202、304、304L、316、316L、321、410、420、430等不锈钢或相近不锈钢;3、要求电解液中不含六价铬、三价铬、总铬,且要求高光亮的场合,添加本剂配合磷酸、硫酸使用,为最佳搭配;4、要求大大延长电解液的使用寿命,使用本剂为首选;5、该技术配方是经过市场反复验证的成熟配方;6、该配方是环保化的技术;7、该配方领先于同行业技术水平;8、保证为客户带来实用性经济技术价值;性能特点1、使用本剂配合磷酸、硫酸使用,便可调配出高品质的电解液;2、清亮、高光、高亮的效果,清晰的影像镜面视觉;3、友好环保,不含铬酸酐、六价铬、三价铬、总铬等有害离子,无需复杂的水处理工艺,即可安全排放;4、内含丰富的抗氧化剂、再生剂,性能稳定,使用寿命远远大于同行业同类电解抛光液、铬系电解抛光液,维护良好的施工现场,已创下25个月换槽期的记录;5、客户无需购买成品电解液,只需购买磷酸、硫酸,添加本剂,便可调配出高品质的成品电解液,且本剂的添加量极少,大大降低了客户的生产成本;6、极低的抛光电流,电源能耗低。
7、配制工艺简单,易于操控。
理化指标注意事项1、严格按照“原料纯度含量”要求,技术调试与施工;2、对于达标300系列材质,建议按照“硫酸的配比浓度的上限”配槽;对于达标200系列、常见400牌号材质,建议按照“硫酸的配比浓度的下限”配槽;对于200、300组合材质,建议按照“硫酸的配比浓度的中值”配槽;对于耐蚀性极差的不锈钢、无镍200系列材质,建议在配方基础上继续提高磷酸含量;对于极特殊材质,可电询本公司技术研发中心,本技术中心将会推出“适配的工艺配方”;3、不建议与其它“成品电解液”混用,严禁与铬系电解液混用;4、电解槽设计优选PP材质,禁止选用金属类材质;5、配液步骤:先加磷酸,再边搅拌边缓慢添加硫酸,此时,混合液温度会升高,等待混合液温度降到35度以下添加PR光亮剂,避免温度过高,导致光亮剂失效。
100系列除油除锈防锈清洗剂DD-101除油王DD-1012除油剂DD-102除油粉DD-1021低成本除油粉DD-103除锈剂DD-104电解除油粉DD-105除油除锈二合一DD-106冷脱剂DD-107中性除蜡水DD-1071碱性除蜡水(暂无说明书)DD-108超声波清洗剂DD-101除油剂超低温特效除油、脱脂王本品系德国技术,替代传统的高温碱除油和中温除油。
基本不采用低温条件下难以清洗且腐蚀、危害性大的原料,是一种对皂化性油污和非皂化性油污,金属和非金属都适用的广谱除油、脱脂清洗剂。
在极低温度下对各类钢板表面油污有极好的处理效果,本品在工业应用中稳定性好,处理面积大,成本低,不二次带油,无环境污染。
一、使用方法:采用人工擦洗、浸渍、喷淋式处理(喷淋处理时需添加适量消泡剂)二、使用药剂:三、除油处理槽体或喷嘴材质:槽体可采用厚壁塑料板或低碳钢制造(有防腐衬里),交换器和喷嘴采用不锈钢制造,配管和泵应为不锈钢制,可减轻维修工作。
四、检测用药品及仪器:药品:指示剂:酚酞滴定液:0.1N 的H2SO4仪器:移液管:10ml 滴定管:25ml 三角烧杯:200ml五、处理工序:脱脂—→水洗—→水洗—→后处理。
六、除油工作液的配制方法:1、将水加入处理槽六成;2、加除油剂50 ~ 80公斤,边搅拌边溶解至溶解完全;3、加余量的水补足920公斤。
七、处理条件:游离碱度:24 ~ 45pt 温度:0℃~ 60℃处理时间:3 ~ 8分钟(温度过低或油过重相应延长)八、产品重要特点:1、本品使用温度低,处理时间短,使用寿命长,处理面积大,单位成本低,是国目前最先进的常温脱脂剂之一。
2、本品脱脂、除油能力强,效率高,节省能源,污染小,对皮肤无明显刺激,使用安全、方便。
3、本品可采用手擦洗、槽浸、喷淋(需少量消泡剂)。
九、补充和调整:1、由于生产过程中连续使用,致使工作液除油、脱脂性能减弱。
即PH值<9时,应进行添加,添加量为初配槽时的三分之一,即可继续工作。
不锈钢电解新抛光工艺一、特点1、抛光效率高,数分钟内可抛光至镜面光亮,且抛光深度强,抛光后光泽保持长久不变。
2、抛光液磷酸含量低,成本低,较一般使用的传统抛光液低30%以上。
3、抛光电流密度小,电压低,电能消耗较传统工艺低1倍左右。
4、抛光液稳定容易维护管理。
5、适用18-8类型奥氏体不锈钢抛光,也适用镍基合金抛光。
二、抛光液组成和操作条件浓磷酸(比重1.74)510ml/L88 7.4g/L浓硫酸(比重1.84)395ml/L72 6.8g/LLQ-60添加剂50ml/L52.5g/ L水50ml/L50g/L温度50–75℃最佳60–65℃阳极电流密度,DA6–15A/dm2最佳10–12A/dm2电压5–8伏抛光时间3–5分钟阴极材料铅或铅合金阴极面积∶阳极面积2–3∶1三、开槽步骤LQ-60添加剂是一种表面活性剂,在其使用初期电解抛光时会产生大量泡沫,因此抛光液液面与抛光槽顶部之间的距离不应≤15cm。
准确计算将欲配制的电解抛光液的体积,再根据抛光液组成将所要加入的抛光液各组分按下列顺序加入抛光槽内。
1、注入所需水量。
2、加入所需磷酸量。
3、切记硫酸用水稀释时会释放出大量热量,溶液温度急剧升高,边搅拌边添加,当温度升至80℃时应停止添加,待溶液冷却后再进一步添加直至全部加完。
4、加入所需数量LQ-60添加剂,边搅拌边添加,添加完毕后彻底搅拌以确保均匀混合。
四、工艺流程温度50–75℃最佳60–65℃阳极电流密度,DA6–15A/dm2最佳10–12A/dm2电压5–8伏抛光时间3–5分钟阴极材料铅或铅合金阴极面积∶阳极面积2–3∶1三、开槽步骤LQ-62添加剂是一种表面活性剂,在其使用初期电解抛光时会产生大量泡沫,因此抛光液液面与抛光槽顶部之间的距离不应≤15cm。
准确计算将欲配制的电解抛光液的体积,再根据抛光液组成将所要加入的抛光液各组分按下列顺序加入抛光槽内。
1、注入所需水量。
2、加入所需磷酸量。
不锈钢电解抛光工艺及配方
不锈钢电解抛光是一种广泛应用于不锈钢表面的表面处理技术,可提高不锈钢表面的亮度和平整度。
以下是一种常见的不锈钢电解抛光工艺及配方:
工艺步骤:
1. 清洗:将待处理的不锈钢件清洗干净,去除表面的油污和杂质。
2. 预处理:将待处理的不锈钢件浸泡在10%-15%的盐酸溶液中,除去表面的氧化层和黑斑。
3. 电解抛光:将不锈钢件放置在电解槽中,通过阳极(不锈钢)和阴极(铜或铝)的配对,加入适量的酸性抛光液和适当的电流密度进行电解抛光。
电流密度的选择应根据具体情况进行优化,一般在1-5 A/dm2范围内。
抛光液的酸性pH值一般为1-2,通过配方来控制。
4. 清洗:将抛光后的不锈钢件从电解槽中取出,用清水冲洗干净,去除残留的抛光液和产生的气泡。
5. 中和处理:将清洗干净的不锈钢件放置在中和槽中,用碱性溶液进行中和处理,去除抛光过程中产生的酸性物质。
6. 干燥:将中和后的不锈钢件晾干或用热风、烘箱等进行干燥。
配方示例:
- 硫酸:30-40 g/L
- 氯化铁:40-50 g/L
- 氢氟酸:10-20 g/L
- 硼酸:10-20 g/L
- 氯化铵:10-20 g/L
以上只是一种不锈钢电解抛光的工艺及配方,具体的抛光工艺和配方应根据不同的不锈钢材质和要求进行优化和调整。
在实际操作中应严格遵守相关安全操作规程,并按照实验室或工艺流程进行操作。
304电解液抛光标准一、抛光液成分304电解液抛光液主要由以下成分组成:1.硫酸(H2SO4):提供导电介质,参与化学反应。
2.甘油(C3H8O3):增加溶液的粘稠度,改善电解抛光效果。
3.水(H2O):溶剂,调节溶液浓度。
4.添加剂:如表面活性剂等,提高抛光效率。
二、抛光液浓度304电解液抛光液的浓度通常根据所需的抛光效果和生产成本进行适当调整。
一般而言,浓度越高,抛光效果越好,但同时成本也会相应增加。
建议根据实际需求选择合适的浓度。
三、抛光电流密度抛光电流密度是指单位时间内通过电极的电流强度。
合适的电流密度有助于提高抛光效率,同时避免过度腐蚀和烧伤工件。
一般来说,电流密度应根据工件材质、形状、尺寸以及电解液成分等因素进行选择。
四、抛光时间抛光时间是指工件在电解液中停留的时间。
过长或过短的抛光时间都会影响抛光效果。
一般来说,应根据工件材质、形状、尺寸以及电解液成分等因素进行选择。
五、抛光液温度抛光液温度对抛光效果也有重要影响。
温度过高会导致电解液活性增加,抛光速度加快,但可能导致工件过腐蚀;温度过低则可能影响抛光效果。
建议控制抛光液温度在合适的范围内。
六、抛光压力抛光过程中,电极与工件之间的压力应适中。
压力过大可能导致工件表面烧伤,压力过小则可能影响抛光效果。
建议根据实际情况选择合适的抛光压力。
七、抛光布的类型和更换周期电解抛光过程中,使用合适的抛光布可以有效提高抛光效果。
建议根据工件材质、形状、尺寸以及电解液成分等因素选择合适的抛光布。
同时,为保证抛光效果,需定期更换抛光布。
建议根据实际使用情况确定更换周期。
八、电解液的循环和过滤为保持电解液的清洁度和浓度,需对电解液进行循环和过滤。
过滤去除电解液中的杂质和沉淀物,确保电解液的纯净度;循环则有助于使电解液分布均匀,提高抛光效果。
建议定期检查电解液的循环和过滤系统,确保其正常运行。
九、设备的维护和清洁电解抛光设备应定期进行维护和清洁,以保持良好的工作状态和延长设备使用寿命。
不锈钢电抛光液配方
以下是一个不锈钢电抛光液的配方:
配方一:
- 醋酸:500ml
- 硝酸:100ml
-磷酸:100g
- 硫酸:200ml
- 纯净水:1200ml
将以上成分按照比例加入一个密闭容器中,然后搅拌均匀,即可得到不锈钢电抛光液。
使用时,将液体涂抹在不锈钢表面,然后用电动抛光机进行抛光操作。
配方二:
- 盐酸:200ml
- 氢氟酸:100ml
- 硫酸:300ml
-水杨酸:20g
- 纯净水:1200ml
将以上成分按照比例加入一个密闭容器中,然后搅拌均匀,即可得到不锈钢电抛光液。
使用时,将液体涂抹在不锈钢表面,然后用电动抛光机进行抛光操作。
配方三:
- 氨水:500ml
- 硝酸:100ml
-磷酸:100g
- 硫酸:200ml
- 纯净水:1200ml
将以上成分按照比例加入一个密闭容器中,然后搅拌均匀,即可得到不锈钢电抛光液。
使用时,将液体涂抹在不锈钢表面,然后用电动抛光机进行抛光操作。
这些配方只是提供了一些基础的成分组合,具体的配方比例和使用方法可能会因应用领域的不同而有所变化。
在使用这些配方前,应先了解其危险性和正确的使用方法,以保证人身安全和最佳抛光效果。
同时,还需要在使用过程中做好防护措施,如佩戴化学防护手套和护目镜等。
304不锈钢抛光液制备流程下载温馨提示:该文档是我店铺精心编制而成,希望大家下载以后,能够帮助大家解决实际的问题。
文档下载后可定制随意修改,请根据实际需要进行相应的调整和使用,谢谢!并且,本店铺为大家提供各种各样类型的实用资料,如教育随笔、日记赏析、句子摘抄、古诗大全、经典美文、话题作文、工作总结、词语解析、文案摘录、其他资料等等,如想了解不同资料格式和写法,敬请关注!Download tips: This document is carefully compiled by theeditor. I hope that after you download them,they can help yousolve practical problems. The document can be customized andmodified after downloading,please adjust and use it according toactual needs, thank you!In addition, our shop provides you with various types ofpractical materials,such as educational essays, diaryappreciation,sentence excerpts,ancient poems,classic articles,topic composition,work summary,word parsing,copy excerpts,other materials and so on,want to know different data formats andwriting methods,please pay attention!304不锈钢抛光液制备流程。
材料准备:1. 双氧水(30%)。
不锈钢电解液配方
成分:
1.硝酸
2.稀硫酸
3.氟化物
4.氯化物
5.补充剂(如有需要)
配方比例:
硝酸:10-30%
稀硫酸:10-30%
氟化物:1-10%
氯化物:1-5%
补充剂:适量
硝酸,作为主要的腐蚀剂,可以去除不锈钢表面的氧化皮和热影响区,提供更加光滑和清洁的表面。
稀硫酸则作为帮助硝酸发挥作用的剂。
氟化
物和氯化物则可以增强腐蚀效果,同时还可以防止表面的二次氧化。
在配制不锈钢电解液时,首先需要准备一个适当的容器。
然后,按照
上述配方比例,依次将硝酸、稀硫酸、氟化物和氯化物加入容器中。
在添
加过程中,需要注意搅拌均匀以确保各组分充分混合。
配制完成后,需要对电解液进行混合和搅拌,以确保各组分的均匀分布。
同时,还需要测试电解液的pH值和浓度,以确定其适用性和效果。
使用不锈钢电解液时,需要将要处理的不锈钢件浸泡在电解液中,同时加入适量的电流,可以使用直流或交流电。
在处理过程中,需要注意控制温度和时间,避免过度腐蚀和损坏。
需要注意的是,不锈钢电解液具有一定的腐蚀性,因此在使用过程中需要采取适当的安全措施,如佩戴防护手套和眼镜,确保通风良好等。
以上是一种常用的不锈钢电解液配方,可以根据实际需要进行调整和改进。
在使用时,请遵循相应的操作规程和安全指南。
304不锈钢电解抛光液配方
304适配性:
一款针对304不锈钢的电化学抛光液配方,通过适当调试,便可达到高光亮效果,电解液可达到两年左右的换槽期。
●以上配方对201、202、304、304L、316、316L、321、410、420、430等不锈钢材质均有效;
●对于达标300系列材质,建议按照“硫酸的配比浓度的上限”配槽;
对于达标200系列、常见400牌号材质,建议按照“硫酸的配比浓度的下限”配槽;
对于200、300组合材质,建议按照“硫酸的配比浓度的中值”配槽;
对于耐蚀性极差的不锈钢、无镍200系列材质,建议在配方基础上继续提高磷酸含量;
●电解槽设计优选PP材质,禁止选用金属类材质;
●建议经常清理槽内杂质或沉淀物,可15天清理一次,以维持长久的使用寿命。
●在加工过程中,工件会带出液体,槽液会正常消耗。
当液位明显下降时,要按原配比例同时添加磷酸、硫酸(或稍微过量的硫酸);严禁只添加单一酸种。
●以上配方电解液的寿命是长久的,基本不用更换。
但在槽液极脏的情况下,就需要更换新液;
●停工期间,建议在电解槽上加置密封盖,防止电解液吸潮造成配方失调——带来的电解缺陷;
●以上配方电解出来不锈钢件,可呈现出清亮、高光、高亮的效果,清晰的影像镜面视觉;
●不含铬酸酐、六价铬、三价铬、总铬等有害离子,无需复杂的水处理工艺,即可安全排放;
●使用寿命远远大于同行业同类电解抛光液、铬系电解抛光液,维护良好的施工现场,已
创下25个月换槽期的记录;
●极低的抛光电流,电源能耗低;
●配方简单,配制工艺易于操控。