设计技术复核意见书
- 格式:doc
- 大小:20.50 KB
- 文档页数:1
工程技术复核单工程技术复核单(Engineering Technical Review Form)是指为确保项目工程质量,针对重要工程、难点工程、创新工程产生的设计、施工、调试等问题,由资深专家对其设计施工方案的合理性、可行性及技术难点进行全方位审核和评价的一种重要技术手段。
该复核单是承担项目复核的重要参考文件,它准确、全面地反映了工程建设的真实情况。
内容要求工程技术复核单分为工程设计、工程施工、工程调试三个环节,根据不同的项目,需要填写的内容有所不同。
但需要包含以下要点:•复核项目信息:包括项目名称、项目编号、复核时间等。
•复核任务和要求:对复核的目的、内容、范围、要求等进行明确阐述。
•复核对象和范围:涵盖复核对象的设计、施工、调试全过程,包括各个分项工程、主要构件、关键节点等。
•复核依据和方法:复核时所应依据的法律法规和工程技术标准,以及采取的具体复核方法和评估准则。
•复核结论和建议:针对复核内容和复核对象,给出审核结论和改进建议等,以提高工程设计、施工、调试水平和质量。
编写要求确定复核标准针对不同的项目,确定具体的复核标准,包括安全性、可靠性、经济性、环境适应性等方面的要求和技术标准。
同时需要考虑到项目的实际条件和施工环境,为复核提供科学、实用的依据。
编写流程•定义复核的范围、依据、方式;•确定复核的对象和逐项审核;•填写复核单并审核;•将复核单的审核结果整理并制作为正式报告。
注意事项•要准确理解复核范围,针对性地进行审核;•审核表述要清晰、逻辑结构合理、数据正确、客观准确;•要及时总结复核的结果并着手制作复核报告;•要尊重专家的意见和建议,在复核过程中保持沟通。
结束语工程技术复核单是保证工程质量、提高工程建设水平的必要手段之一。
只有在认真编写和细致审核的基础上,才能真正发挥其应有的作用。
因此,对于重点工程、难点工程和创新工程,应高度重视技术复核,严格落实复核工作,保障工程质量和安全。
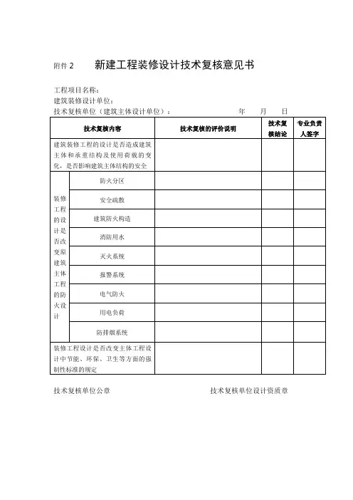
附件2 新建工程装修设计技术复核意见书
工程项目名称:宁波香溢商务办公楼
建筑装修设计单位:象山县规划设计院
技术复核单位(建筑主体设计单位):宁波市建筑设计研究院有限公司
2012 年06月07日
技术复核内容技术复核的评价说明技术复
核结论
专业负责
人签字
建筑装修工程的设计是否造成建筑主体和承重结构及使用荷载的变化,是否影响建筑主体结构的安全1.一层仓库荷载2.5kn/㎡;
2.内墙分隔应按土建设计,凡新增内
墙都必须用轻质隔断;
3.部分房间使用功能变化后与原土建
图纸不相符。
不符合
装修工程的设计是否改变原建筑主体工程的防火设计
防火分区一层一个防火分区符合安全疏散档案室需用1500mm宽甲级防火门;不符合建筑防火构造一层仓库需用乙级以上防火门不符合消防用水————符合灭火系统仓库库做气体灭火系统(热气溶胶)符合报警系统
控制中心报警系统,消防报警保护对
象为二级
符合电气防火耐火等级一级,采用耐火电缆符合用电负荷各层用电负荷有所增加
总负荷需
要重新核
实
防排烟系统 1.内走道排烟系统;2.正压送风不符合
装修工程设计是否改变主体工程设
计中节能、环保、卫生等方面的强
制性标准的规定
改变主体工程设计不符合技术复核单位公章技术复核单位设计资质章。
设计复查意见书设计复查意见书致:设计单位参考:名称为XXX的项目设计文件设计复查意见书尊敬的先生/女士:根据我方对您单位所编制的名称为XXX的项目设计文件进行的细致复查,针对该设计文件,我方有以下几点意见和建议:1. 居民生活区布局根据我们对设计文件的细致研究,我们认为居民生活区的布局需要进一步优化和完善。
具体而言,我们建议将居民楼的位置、公共设施以及园林景观等进行重新规划。
我们建议将居民楼布置得更加合理,以便提供更多平面的绿地和更好的居住环境。
2. 道路交通设计我们注意到在设计文件中,道路交通的设计有一些缺陷。
为了保证整个项目的交通流畅和安全性,我们建议您重新评估交通道路的规划和设计。
特别是在主要交叉口和人流密集的区域,我们建议您增加有效的交通管理设施,例如交通信号灯以及斑马线等。
3. 公共空间设计公共空间的设计对于提升居民的生活质量至关重要。
在设计文件中,我们认为公共空间的设计有待改进。
我们建议您增加公共空间的面积,并提供适宜的座椅和绿化设施,以便居民可以休憩和进行社交活动。
此外,我们还建议您考虑在公共空间增加一些娱乐设施,例如儿童游乐场和运动场等,以满足居民的不同需求。
4. 生活设施规划在设计文件中,我们注意到对于生活设施的规划和布置存在一些问题。
我们建议您重新评估生活设施的规划,确保居民可以方便地获得基本生活所需,包括超市、医疗机构和学校等。
此外,我们还建议您考虑增加社区文化设施和娱乐设施,以满足居民的多样化需求。
综上所述,根据我们的复查和分析,我们认为您单位所编制的设计文件有待进一步改进和完善。
我们希望您能认真对待我们的建议,并在设计文件中进行必要的调整和修改,以确保该项目的顺利进行和居民的满意度。
如果您有任何疑问或者需要我们提供进一步的解释和指导,敬请随时与我们联系。
谢谢您对我们工作的支持与配合。
此致敬礼XXX设计审查服务部。
复核意见书尊敬的某某某公司:首先,我要感谢贵公司对我们之前的意见书所做出的积极回应,并对相关问题所做出的改进表示赞赏。
在经过进一步的研究和讨论后,我们想再次提出一些复核意见,以帮助贵公司进一步提升业务和服务质量。
首先,我们注意到贵公司最近在产品设计和开发方面取得了显著进展。
新推出的产品在功能和外观上都比以往更加创新和吸引人,而且在性能和质量上也有了显著提高。
我们希望贵公司能够在市场竞争日益激烈的情况下,继续加强对产品创新的投入,并提供更多符合消费者需求的产品。
其次,我们认为贵公司在售后服务方面仍有一些可以改进的地方。
虽然贵公司的客服团队始终保持着友好和专业的态度,但他们的响应速度并不总是令人满意。
我们建议贵公司增加更多的客服人员和增加服务热线的投入,以便更好地满足客户的需求。
另外,我们注意到贵公司在市场营销方面的努力,在各种渠道上的广告投放和宣传推广等方面做得非常出色。
然而,在营销策略上,我们认为贵公司能够更加注重市场细分和目标市场的调研,以更准确地了解不同消费者群体的需求,为其提供更加个性化和有针对性的产品。
此外,我们也希望贵公司能够更加注重企业社会责任,在环境保护、员工福利和公益慈善等方面做出更多贡献。
作为一家具有影响力的企业,贵公司应该以身作则,积极参与社会发展和公益事业,为社会带来更多的正能量。
最后,我们希望贵公司能够进一步加强内部管理,优化组织结构和流程,提高工作效率和企业竞争力。
一个良好的内部管理体系将有助于贵公司更好地应对市场变化和外部挑战,从而更加稳健地发展壮大。
总之,我们对贵公司的努力和改进表示赞赏,同时也希望贵公司能够进一步提高产品质量、优化售后服务、精确市场定位、加强企业社会责任和优化内部管理。
相信贵公司在这些方面的努力将会使其在市场上取得更好的成绩,并为更多消费者带来更好的产品和服务体验。
再次感谢贵公司对我们意见书的重视和积极回应,期待贵公司能够不断进步和改进,取得更加辉煌的成就。
技术复核意见书尊敬的技术部门领导:根据您的要求,我对新开发的系统进行了技术复核,并就以下方面提出了一些建议和意见。
首先是系统的可扩展性。
在复核过程中,我发现系统虽然满足了当前的需求,但随着公司业务的不断发展,可能会面临多次扩展和改进的需求。
因此,建议在系统开发中更加注重可扩展性。
具体而言,可以采用模块化设计,将不同功能模块组合在一起,方便后续的扩展和维护工作。
此外,建议在系统中留有一定的接口,方便与其他系统进行集成,以满足未来可能的业务整合需求。
其次是系统的安全性。
在复核过程中,我注意到系统的安全设计存在一些潜在的风险。
建议在系统中加强对用户身份认证和数据传输过程的加密保护。
除此之外,还应该注重系统的权限管理,合理划分不同用户的权限,以控制其对系统的访问和操作。
同时,建议定期进行漏洞扫描和安全性评估,及时发现并修复潜在的安全风险。
再次是系统的稳定性。
在复核过程中,我发现系统的性能表现良好,但需要进一步考虑系统的容错性和稳定性。
建议对系统进行压力测试,以确保其在高并发情况下的稳定运行。
同时,要注意系统的故障恢复能力,设计合理的备份和恢复机制,降低系统发生故障时的影响程度。
最后是系统的易用性。
在复核过程中,我发现系统的界面设计简洁明了,符合用户习惯,但还可以进一步提升用户体验。
建议在系统中增加一些辅助功能,比如操作指南、帮助文档等,方便用户理解和使用系统。
此外,还可以加入一些智能化的提示和建议,以提高系统的自动化程度和用户的工作效率。
综上所述,根据我对系统的技术复核,我认为在可扩展性、安全性、稳定性和易用性等方面还有一些潜在问题和改进空间。
建议在系统的后续开发和维护工作中,重视这些方面,并根据实际情况进行相应的优化和改进。
我将详细的复核意见和建议整理成报告,并将在接下来的会议上向您进行汇报。
如果您对这些意见和建议有任何疑问或需要进一步的解释,请随时与我联系。
谢谢您的理解和支持!此致敬礼技术复核人员。
设计复核意见书
[你好],
我们已收到并审阅了你的设计稿,并在此给予你一些建议和复核意见。
首先,我们要赞赏你所提交的设计稿中所呈现出的创意和努力。
你的设计风格独特,色调和图案选择也很精彩。
然而,我们认为还有一些地方可以改进,以使设计更加完善和符合客户需求。
首先,关于色彩搭配和图案选择。
设计稿中使用的色彩鲜艳且多样,图案也丰富。
然而,我们建议你对色彩进行适度调整,以确保整体视觉效果更加和谐。
同时,对于图案的选择,我们建议你选择几个核心元素,以便更好地传达设计概念。
太多的图案可能会使设计显得杂乱无章。
其次,关于排版和合理搭配。
设计的文字和图片的排布需要更加清晰明了。
建议你合理使用页面空白,对不同的元素进行分组,以提高整体布局效果。
此外,字体的选择也要慎重,确保与设计风格和主题相符,并保持整体统一性。
另外,我们还希望你对设计稿中的细节进行再次优化。
注意检查细微的图形边缘,确保没有锯齿或模糊的问题。
同时,对于设计中的图标和按钮等元素,确保其在各种设备上都能清晰显示和高效操作。
最后,我们建议你进行对比测试,以确保设计与实际需求和用户期望相一致。
最后,我们希望你能参考我们的建议,对设计稿进行相应的修改和完善。
请记住,我们的目标是为客户提供最佳的设计解决方案。
如果你有任何问题或需要更多帮助,请随时与我们联系。
谢谢你对我们设计服务的选择和信任。
期待与你的进一步合作。
祝一切顺利!
此致,
[你的名字]。
复核意见书文号尊敬的领导:您好!经过对XX工程项目的全面复核,我从多个方面对该项目进行了认真分析和评估,并提出了以下复核意见:一、项目管理项目管理方案的制定和实施需要进一步完善,特别是在项目进度计划、成本控制、质量管理以及风险应对方面存在较大问题。
在项目进度方面,应合理安排各项工作任务的时间节点,并与各部门和相关人员进行充分沟通和协调,以确保项目实施进度的合理性和可行性。
在成本控制方面,要建立科学合理的成本估算和控制机制,加强对项目费用的精细化管理,避免出现过度投入和浪费现象。
在质量管理方面,需要加强对项目质量控制的监督和检查,确保项目的质量符合国家标准和客户要求。
在风险应对方面,需要建立完善的风险管理体系,及时识别和评估项目可能面临的各类风险,并采取相应的措施进行防范和化解。
二、技术方案项目的技术方案需要进一步优化和调整。
在现有技术方案的基础上,要加强对项目可行性和技术可行性的评估,并结合实际情况进行调整和完善。
要重视科技创新和技术进步,引进先进的工艺和技术设备,提高项目的技术含量和竞争力。
要加强对技术方案实施过程中的监督和检查,确保各项技术要求和技术指标得到落实,并能够按照计划和要求进行顺利实施。
三、投资效益项目的投资效益需要进行全面评估和分析。
在项目实施前期,要充分考虑投资的回报周期和投资收益,进行风险评估和投资效益分析,确保项目的投资合理和可行。
在项目实施过程中,要加强对项目资金使用的监督和管理,避免出现资金浪费和损失的问题。
在项目实施后期,要进行投资效益的评估和分析,及时发现和解决投资效益低下的问题,为项目的长期可持续发展奠定良好基础。
四、环境保护项目实施过程中要注重环境保护工作。
要制定有效的环境保护措施和应急预案,做好环境影响评估工作,确保项目不对周边环境造成污染和破坏。
要加强对环境监测和监管,及时发现和处理环境问题,并采取相应的修复和整治措施,保护好生态环境和自然资源。
以上是我对XX工程项目的复核意见,希望能够引起领导的重视和关注。
鉴定意见复核意见书尊敬的评鉴委员会:我受委托对被鉴定人的鉴定意见进行复核,并提出以下复核意见。
本文将对被鉴定人的鉴定意见进行分析、评价,并阐述我的观点。
在复核前,我已仔细阅读了原始的鉴定意见书,包括被鉴定人的相关材料以及委托方提供的相关证据。
我十分理解委托方对这次鉴定意见的重要性和关注点。
因此,我将从专业性、客观性和逻辑性三个方面进行复核。
首先,对于鉴定意见的专业性,我注意到鉴定人的学术背景和经验十分丰富,具有高度的专业素养。
鉴定过程中,鉴定人运用了专业知识和技术手段,进行了全面细致的分析。
在此基础上,提出了有关结论和建议,为委托方提供了重要参考。
其次,鉴定意见在客观性方面也做得较好。
鉴定人在整个过程中保持了独立客观的态度,并妥善处理了事实与假设的关系。
鉴定人对各种证据进行了全面分析和审查,并根据实际情况作出了合理的结论。
在处理争议和矛盾的证据时,鉴定人秉持公正公平的原则,避免了主观偏见的影响。
最后,在逻辑性方面,鉴定意见的结论与相应的论据相衔接紧密,有合理的推理过程。
鉴定人对问题的分析逻辑严密,无论是从事实的角度还是从学术的角度,都做到了有备而来。
鉴定人清晰表达了自己的思路和观点,使鉴定意见更易理解和接受。
然而,尽管鉴定意见在专业性、客观性和逻辑性方面表现优秀,但仍然存在一些不足之处。
首先,鉴定人在论证过程中,未对可能存在的异议进行充分说明和解释。
其次,在鉴定人提出建议的部分,未能准确、详细地说明建议的依据和实施方法,这可能给委托方的后续工作带来困扰。
因此,我建议在最终的鉴定意见中,鉴定人应进一步完善对异议的解释和回应,并对建议的实施方法做出更为详细和全面的说明。
在复核过程中,我尽力做到独立、公正、客观,并力求为评鉴委员会提供专业的意见和建议。
该复核意见仅代表我个人的观点和思考,希望能对实施者提供一些参考,进一步完善鉴定意见。
谢谢评鉴委员会的阅读和理解。
如有任何疑问或需要进一步讨论的地方,请随时与我联系。