kV电缆选型及截面选择
- 格式:doc
- 大小:35.50 KB
- 文档页数:4
一、110kv电力电缆的常见规格及结构近年来,随着国家电力行业的快速发展,110kv电力电缆的需求量也在不断增加。
110kv电力电缆作为输送高压电力的重要设备,其规格及结构用量对于电力行业的发展至关重要。
在实际应用中,110kv电力电缆的规格和结构对于输电线路的安全稳定运行起着至关重要的作用。
深入了解110kv电力电缆的常见规格及其结构用量对于行业发展具有重要意义。
1. 110kv电力电缆的常见规格110kv电力电缆的常见规格主要包括导体截面、绝缘层厚度、护套厚度等。
(1)导体截面:110kv电力电缆的导体截面一般为240mm²、300mm²、400mm²等。
(2)绝缘层厚度:110kv电力电缆的绝缘层厚度达到特定要求,一般在35mm以上。
(3)护套厚度:110kv电力电缆的护套厚度一般在3mm以上。
2. 110kv电力电缆的结构用量110kv电力电缆的结构用量包括导体、绝缘层、护套等。
(1)导体:110kv电力电缆的导体采用多股铝或铜绞线制作,其导体截面与输电距离、输电功率等有一定的关系。
通常情况下,110kv电力电缆的导体采用铜绞线制作,导体的结构用量根据具体的输电要求进行设计。
(2)绝缘层:110kv电力电缆的绝缘层一般采用交联聚乙烯(XLPE)材料制作,其结构用量与电缆的规格、电压等有一定的关系。
110kv电力电缆的绝缘层需要具有良好的耐电压、耐热、耐候等性能,以保证电力输送的安全可靠。
(3)护套:110kv电力电缆的护套一般采用聚乙烯(PE)材料制作,用于保护电缆免受外部机械损伤和化学侵蚀,其结构用量与电缆的长度、敷设环境等有一定的关系。
110kv电力电缆的护套需要具有良好的机械强度和耐候性能,以保证电缆在各种敷设环境下能够正常运行。
二、110kv电力电缆规格及结构用量的影响因素110kv电力电缆的规格及结构用量受到多方面因素的影响,主要包括输电距离、输电功率、敷设环境、敷设方式等。
110kV输电线路工程中导线选型及参数计算发表时间:2017-06-22T11:59:47.727Z 来源:《基层建设》2017年5期作者:黄志良[导读] 摘要:导线选型是输电线路工程规划中的一个重要环节,关系到输电线路工程的施工质量及成本造价。
身份证号码:44068219850614xxxx 广东运峰电力安装有限公司摘要:导线选型是输电线路工程规划中的一个重要环节,关系到输电线路工程的施工质量及成本造价。
本文对110kV输电线路工程中的导线选型及参数计算展开了探讨,分析了几种节能导线材料和特性,并结合工程实例,对110kV输电线路工程中的导线选型及参数计算进行了详细的介绍。
关键词:输电线路;导线选型;参数计算0 引言随着我国国民经济的快速发展,我国电力行业得到了迅速的发展,110kV输电线路工程的施工也日益增加。
在110kV输电线路工程中,导线作为电力传输的主要载体,对输电线路的安全性、可靠性及经济性具有十分重要的影响。
如何在保证系统安全及输电质量的前提下,做好导线选型工作,减少输电线路的损耗,降低输电成本,已成为当前电力领域备受关注的问题。
1 节能导线材料和特性1.1 钢芯高导电铝型线绞线钢芯高导电铝型线绞线,采用导电率63%IACS的硬铝型线作导体层,高强度钢线作为承力构件的型线同心绞架空导线。
它具有结构相近、电阻损耗小、输送容量大、机械负荷荷载小、年费用低,以及施工、运行要求相似等优点。
目前,在用的架空导线的导体材料都采用电工铝。
在输电工程中,国际上普遍采用钢芯铝绞线作为架空输电导线的主要产品,已有百余年历史。
现在架空导线衍生出许多品种:钢芯铝合金绞线、铝包钢芯铝绞线、铝合金绞线、耐热铝合金绞线、钢芯型线绞线等。
2000年,日本首先开发了复合材料芯软铝绞线,2004年开发出殷钢钢芯软铝绞线。
由于不同导线品种的铝导体材料性能不同,其导电率亦有所不同,从56%IACS至63%IACS不等(见表1)。
小型化工厂kV供配电系统电缆选型指南在小型化工厂中,电缆的选型是至关重要的一环。
本文将针对小型化工厂的kV供配电系统,提供电缆选型的指南,以确保系统运行稳定、高效。
首先,我们需要考虑的是电缆的额定电压。
在选择电缆时,必须确保其额定电压与供配电系统的额定电压相匹配。
通常,小型化工厂的供配电系统额定电压为低压(LV)或中压(MV),因此应选用相应额定电压的电缆。
其次,考虑电缆的导体材料。
常见的导体材料包括铜和铝。
铜导体具有良好的导电性和耐腐蚀性,适用于需要高电导率的场合;而铝导体则具有较轻的重量和较低的成本,适用于成本敏感型项目。
根据实际需求和预算考量,选择合适的导体材料。
此外,环境条件也是选择电缆的重要考虑因素之一。
小型化工厂的供配电系统通常处于恶劣的工业环境中,可能受到化学物质、高温、湿度等因素的影响。
因此,选用具有良好耐候性和耐化学腐蚀性能的电缆至关重要,以确保系统长期稳定运行。
在电缆选型过程中,还需考虑电缆的截面积和敷设方式。
根据供配电系统的负载需求和敷设环境的限制,选择适当的电缆截面积,并确保采用合适的敷设方式,以最大限度地降低电缆损耗和故障风险。
最后,建议在选择电缆时,参考相关的国家标准和行业规范,以确保选用的电缆符合质量和安全要求。
此外,可以咨询专业的电气工程师或电缆制造商,获取专业的建议和技术支持。
综上所述,电缆选型对小型化工厂的kV供配电系统至关重要。
通过考虑额定电压、导体材料、环境条件、截面积和敷设方式等因素,并参考相关标准和规范,可以选择合适的电缆,确保供配电系统的稳定运行和安全性。
**集团**化工有限责任公司8×40.5MVA电石工程110KV及10KV电缆选型计算书设计:甘孝文计算:甘孝文**天晟**有限公司2011年11月1日一、110KV电缆选型计算1 设备运行环境条件及电力系统情况注:爬电比距指设备外绝缘的爬电距离与系统最高电压之比。
1.2电力系统情况a、额定工作电压:Uo/U,64/110 kV;b、最高工作电压:Uom/Um,72/126 kV;c、额定频率:50Hz;d、接地方式:中性点直接接地;e、系统短路电流:18.93kA (根据***电力勘测设计院提供的《**集团**化工电石项目配套110KV变电站初步设计说明书》和《**集团**化工有限责任公司***氯碱综合利用工程供电方案研究》中电气部分短路电流计算值)。
1.3 敷设条件、安装位置及环境a、电缆直接敷设在桥架上,排列方式为品字形。
b、敷设方式为机械牵引敷设。
c、最小弯曲半径:敷设安装时: 20 倍电缆平均外径;电缆运行时: 15 倍电缆平均外径;d、导体运行温度:长期正常运行90℃;短路(最长时间5s)250℃。
e、金属外护层接地方式:GIS端直接接地,变压器端保护接地。
f、电缆户内终端垂直安装在支架上,GIS终端垂直安装在GIS屋内配电装置室内。
2.电缆截面选型:2.1 最大运行电流计算(按过负荷30%计算)=276.33A2.2 短路电流校验110KV电缆最大绝热短路电流(1S)的计算:=34.3KA厂家提供的YJLW03-64/110kV-1×240mm2电缆资料其空气中载流量在品字形敷设在电缆桥架中时为570A,电缆导体1秒热短路电流:34.7 kA。
110KV电力电缆要求其热短路电流大于系统短路电流。
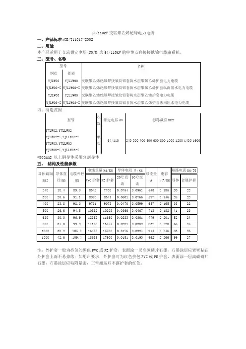
2.3电缆选型根据GB/T 11017.2-2002《额定电压110KV交联聚乙烯绝缘电力电缆及附件》附录C的电缆使用环境选择交联聚乙烯绝缘皱纹铝套聚乙烯护套电力电缆。
结论:根据以上计算和电缆的选型要求YJLW03-64/110kV-1×240mm2电缆完全满足本工程要求。
高压电缆选用导则(电缆类型和导体截面选择)
1绝缘类型选择
1.1 油纸绝缘电缆具有优良的电气性能,使用历史悠久,一般场合下均可选用。
对低中压(35kV及以下),如电缆落差较大时,可选用不滴流电缆;63kV.HOkV可选用自容式充油电缆;220kV及以上优先选用自容式充油电缆。
1.2 由于聚乙烯绝缘电缆(PVe)介质损耗大,在较高电压下运行不经济,故只推荐用于IkV及以下线路。
1.3 对于6~110kV交联聚乙烯电缆(XLPE),因有利于运行维护,通过技术经济比较后,可因地制宜采用;但对22OkV及以上电压等级的产品,在选用时应慎重。
1.4 乙丙橡胶绝缘电缆(EPR)适用于35kV及以下的线路。
虽价格较高,但耐湿性能好,可用于水底敷设和弯曲半径较小的场合。
2导体截面选择
2.1 导体材料可根据技术经济比较选用铜芯或铝芯。
2.2 导体截面应根据输送容量从有关电缆结构给出的标准截面中选择,或向厂商提出特殊订货。
3交联聚乙烯电缆金属屏蔽层截面选择
3.1 为了使系统在发生单相接地或不同地点两相接地时,故障电流流过金属屏蔽层而不至将其烧损,该屏蔽层最小截面宜满足表5要求。
3.2 对于IlOkV及以上单芯交联聚乙烯电缆,为减少流经金属屏蔽层的接地故障电流,可加设接地回流线,该回流线截面应通过热稳定计算确定。
1.电缆选型
绝缘材料
考虑电缆线路安全以及施工管理方便,并考虑以往的运行维护经验、电缆选用交联聚乙烯电缆。
交联聚乙烯电力电缆具有较好的电性能和物理性能,耐热性能好、软化点高、热变形小,有优异的热稳定性和老化稳定性;随着制造技术的不断完善,如采用聚乙烯高纯净化、导体屏蔽、绝缘层、绝缘屏蔽三层同时共挤、干式硬化法,加上防水的纵向防水层,护套选用了具有防水性能良好的聚乙烯护套,表面有导电石墨涂层等措施对于防止早期的电缆由于绝缘气隙、杂质、水分等产生的水树生长起了良好的作用。
同时XLPE电缆可耐小半径弯曲,重量轻、安装简便、安全可靠、与充油电缆相比,其接续与终端处理也比较容易。
因此安装费用也较低廉,从安全及环境保护来看,交联聚乙烯绝缘没有油料渗漏,以及防暴性能较好的优点。
因此考虑到电缆线路的安全及施工,运行维护方便,并结合以往电缆线路的运行经验,本工程电缆选用交联聚乙烯绝缘电缆,绝缘标称厚度16.5mm。
金属护套
电缆的防水构造以铅包或皱纹铝包效果最好,铅套电缆的优点是柔软,弯曲性能、密封性和耐腐蚀性好,便于敷设,也便于电缆附件的安装,适用于防水、防潮以及防腐蚀性要求较高的场合。
皱纹铝包的优点是机械强度高。
铝包与皱纹铝包相比较,相同截面情况下铅套的电缆外经小,耐腐蚀性好,同时铅套对施工有利,缺点是电缆单位自重较重。
根据福州局已有电缆工程运行情况及本工程的特点,推存采用化学稳定性好的铅包电缆。
外护套
规程规定在潮湿、含化学腐蚀环境或易受谁浸泡的电缆,金属护套上尚应有挤塑外套,以保护金属护套免受腐蚀。
目前常用的电缆挤塑外护套材料有聚乙烯(PE)或聚氯乙烯(PVC)。
聚氯乙烯耐环境应力开裂性能比聚乙烯好,且在燃烧时分解的氯气有助于阻燃,故一般多采用聚氯乙烯,但聚氯乙烯对化学腐蚀的耐受性能不及聚乙烯,在燃烧时会析出含有氯化氢等有毒的气体。
本工程电缆埋设多位电缆沟以及隧道,电缆受环境应力影响小,宜选用耐化学腐蚀的聚乙烯护套,并具有防白蚂蚁、防鼠害特性。
综上所述,本工程电缆的典型结构推存为铜单芯、交联聚乙烯绝缘、纵向阻水层、铅合金护套、聚乙烯护套的结构,该结构具有抗腐蚀、防水的特点,适于福州地区使用。
2.电缆截面的选择
电缆线芯工作温度
根据GB50217-94《电力工程电缆设计规范》中规定,交联聚乙烯绝缘电缆线芯最高允许温度,额定负荷时为80°C,短路时为250°C。
其主要出发点为电缆线芯的持续工作温度,关联这电缆绝缘的耐热寿命,缆芯的持续工作温度越高,电缆绝缘的老化越快,电缆的运行寿命越短。
但根据IEC-287《电缆连续允许载流量的计算》中规定的交联聚乙烯绝缘电缆的线芯最高温度为90°C,且随着电缆制造技术的发展,目前国内外电缆制造商基本上均可生产缆芯持续工作温度为90°C并能保证电缆运行寿命在30年以上的交联聚乙烯绝缘电力电缆,故若仍按缆芯持续工作温度为80°C设计本工程电缆,势必导致电缆截面增大,并由此引起电缆线路走廊的加宽和工程投资的增加。
因此在保证电缆运行寿命的同时,为减少电缆线路走廊,节省工程投资,并参照省内多条110KV电缆线路的取值(均按缆芯持续工作温度为90°C取值),本工程电缆缆芯最高允许温度为:额定负荷时的90°C,短路时为250°C。
截面选择
鉴于我国尚未制定35kV以上电缆允许载流量的计算标准,本工程按现行规范推存的IEC-287《电缆连续允许载流两的计算》标准进行电缆载流量的计算。
本工程电缆载流量近期按两台容量为50MVA的变压器考虑,其载流量为603A,该载流量考虑为西郊变远期两回电缆进线时,正常情况为一回备用,另一回可转送两回线的电能,根据此原则进行设计。
根据计算,在不同敷设条件下截面为630mm^2电缆最大允许连续输送容量约为677A,结合未来的发展,选用截面为630mm^2的电缆较为合适。
另外,福州电业局计划部要求本工程截面为630mm^2,因此本工程选用截面为630mm^2的电缆。
3.电缆系统设计
设计的基本参数
系统额定电压110KV
系统最高线电压127KV
最高相电压73KV
系统电网频率50HZ
中性点直接接系统
雷电冲击耐受电压(BLL)550KV
金属护层短路电流(T=1S)
最高气温TMAX=40°C
最高土壤温度T=30°C
热阻系数P=1.2°C*M/W
金属护套工频感应电压
GB50217-94《电力工程电缆设计规范》中规定,交流单相电力电缆的金属护层,必须直接接地,且在金属护层上任一点非接地出的正常感应电压,在未采取不能任意接触金属护层的安全措施时,不得大于50V,除此之外,不得大于100V.同时“电力电缆运行规程规定”:单芯电缆的铅包只在一端接地时,在铅包的另一端上的正常感应电压一般不超过65V,当铅包正常感应电压超过65V时,应于易于人身接触的裸露的铅包及其相连的设备加以适当遮蔽。
根据本工程的电缆线路的输送电流,经计算,电缆外护套层的工频感应电压约为M。
为满足通过正常负荷电流时护套感应过电压不危及人身及设备安全,本工程电缆长度分为2段,设置一个接头工井。
系统由两端的GIS户内终端头和户外终端头以及一个中间绝缘接头组成接地系统,具体的系统接线可参见电缆系统接线图。
4 电缆附件
本工程电缆线路的主要附件有:线路型电缆户外终端头、GIS电缆密封终端接头、绝缘街头、单路接地连接箱、带保护器三路接地联接箱、接地联接电缆等。
众所周知,电缆附件是电缆系统中最薄弱的环节,根据国内外电力电缆运行经验的统计,电缆运行故障大部分出在电缆附件上,约占事故的40%~60%,这是由于电缆附件所处的电场分布比电缆主要绝缘内分布要复杂得多,因此,要求厂家能够生产出优质、确保在不同环境施工条件下都能保质施工的电缆附件。
电缆附件以及他们的安装一直是电缆系统最脆弱的一部分,也是国内110KV 及以上电压等级的电缆附件生产的薄弱环节。
因此,为确保运行的安全以及施工顺利,推存采用国外进口预制配式的接头。
线路型电缆户外终端头
用于线路侧电缆终端区,绝缘水平与电缆匹配,污秽等级按Ⅲ级区上限设计,泄漏比距≥32mm/kV,并适用于本工程的环境。
4.2SF6全密封终端接头
SF6全密封终端接头与GIS开关按IEC-859配合,绝缘与电缆水平相配套。
中间绝缘接头
型式为预制式,绝缘水平与电缆相配套,电场分布均匀,防止界面间的爬行放电,导线连接可靠,有良好的电气性能和足够的机械强度,接头的绝缘层有足够的绝缘水平,并能满足埋入地下以及长期地下雨水或污水的浸蚀,保护不受大气环境及地下工作环境污染,安装维护便利。
护层绝缘保护器
护层绝缘保护器应选用氧化锌阀片的保护器,并配有动作记录器,保护器的技术要求如下:
1)可能最大冲击电流作用下的残压,不得大于电缆护层的冲击耐压被所除数值。
电缆护层冲击耐压水平为1分钟工频耐压24KV,雷电冲击受电压(峰值)。
2)可能最大工频过电压()的5秒作用下,应能耐受。
3)可能最大冲击电流累积作用20次后,保护器不得损坏。
8/20μ标准冲击电流的通流容量为。
1)
2)。