门式起重机验收记录表
- 格式:docx
- 大小:7.26 KB
- 文档页数:2
编号:
桥门式起重机安装改造重大修理
自检(验收)记录
施工类别:□新装□改造□移装□重大修理使用单位:
设备类别:□桥式起重机□门式起重机
设备品种:
设备型号:
设备代码:
自检日期:
施工单位名称:
填写说明
1.本记录依据《起重机械安装改造重大修理监督检验规则》(TSG Q7016-2016)编制,适用于桥门式起重机械的安装改造和重大修理过程的施工单位自检
(验收)。
2.本记录一律采用签字笔或蓝、黑墨水笔填写。
3.检查结果栏填写内容如下要求:
(1)自检合格项填写“√”;不合格项填写“×”、并说明具体情况;无此项填“/”。
(2)有测试数据的项目应填写实测数据,有需要说明的项目,可用简单文字说明。
(3)填写内容不得随意涂改,当填写出现错误时,应在错误内容上划一横杠,并在错误内容的旁边填写正确内容,改动人应签名,并填写
修改日期。
4.施工单位质检人员应按要求如实填写本记录,并在规定处签名。
5.监检机构监检人员在确认方式栏勾选采用的确认方式。
一、设备基本信息
二、起重机械施工自检记录汇总表
;
三、工作见证索引文件
3.1 技术文件资料
3.2 起重机械安装基础验收合格证明
3.3 附属设施及安全距离检查记录
3.4 部件施工前质量检查记录
3.5部件施工过程与施工后检查记录
3.6 电气设备安装检查记录
3.7 电气保护装置检查记录
3.8 液压系统及司机室检查记录
3.9 安全保护和防护装置检查记录
3.10 性能试验检查记录
四、起重机械安装改造重大修理质量证明书。
门式起重机联合验收记录表
编号:
工程名称设备型号
设备使用登记号验收时间
序号验收内容施工单位检查情况监理单位审核情况1 施工单位是否与租赁单位签订租赁合同
2 设备生产企业是否有特种设备制造许可证、设备是否有出厂合格证
3 设备是否办理进场验收手续、设备安装完成后是否进行检验检测并有检测合格报告
4 设备特种作业人员是否持有效证件上岗(一台设备至少配司机、信号、司索共三人)
5 是否对特种作业人员进行了安全技术交底及教育培训
6 设备的重量、力矩、高度限制器等安全保险装置灵敏可靠性以及钢丝绳使用状况是否良好,基础、轨道梁是否满足要求
7 设备起重作业防倾覆、交叉作业防碰撞等安全措施是否到位
8 是否根据施工现场实际情况编制应急预案
9 其他情况
安装单位意见(签章):
项目负责人:
日期:租赁单位意见(签章):
项目负责人:
日期:
施工单位意见(签章):
项目负责人:
日期:
监理单位意见(签章):
总监理工程师:日期:建设单位意见(签章):
业主代表:日期:
说明:1、该验收由施工单位组织;
2、此表各责任主体单位各执一份。
起重机械施工质量检验记录使用单位:设备品种:型号规格:施工类别:(新装、移装、改造、重大维修)河南省大方重型机器有限公司说明1.本质量检验记录适用于桥、门式起重机(以下简称起重机)的安装、改造、大修、移装工程施工过程记录。
专用的起重机中相同或类似的部分亦可参照使用。
2.检验依据《起重机械安装改造重大维修监督检验规则》TSGQ7016-2008《起重机械安全技术监察规程-桥式起重机》TSGQ0002-2008《起重机械安全规程》GB6067《起重设备安装工程施工及验收规范》GB50278《电气装置施工及验收规范》GB50256□《电动单梁起重机》JB/T1306□《电动悬挂起重机》JB/T2603□《通用桥式起重机》GB/T14405□《通用门式起重机》GB/T14406□《电动葫芦桥式起重机》JB/T3695□《电动葫芦门式起重机技术条件》JB/T5663设计文件及相关产品合同以上文件和标准均为现行有效版本3. 此质量检验记录中的记录为过程记录,当每个阶段自检完毕后,应提交监检员进行必要确认。
4.如起重机施工仅为局部改造或大修,则可针对施工内容作部分填写,并加以必要说明。
5.性能试验结束后,检验员应及时完成质量检验记录,并提交监检机构和施工单位存档。
6.所有表中“检验结果”栏如无数据要求时应采用“√”、“×”和“/”分别表示“合格”、“不合格”和“无此项”;如有测量数据要求时应填写实测数据并打“√”或“×”,7.检验用仪器设备应完好并在计量检定期内。
8.检验员应对检验记录、检测数据进行核对,施工单位对质量检验记录负责。
目录注:如本施工工程中,无此项目内容,则在该项的备注栏中注明无此项。
起重机施工验收证明书项目施工人员登记表注:填写起重机械机械安装维修、起重机械电气安装维修、起重机械指挥、起重机械司机、特种设备焊接人员、无损检测人员及现场检验员、现场技术负责人。
第4页起重机预期用途和预期工作环境说明设备开箱检验记录产品编号:2、改造、重大维修施工主要核查已改造的结构件和更换零部件的相关资料,并加以说明。
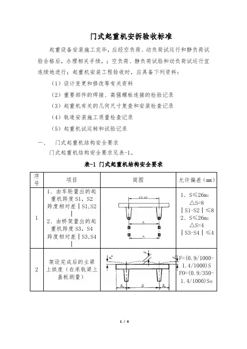
门式起重机安拆验收标准起重设备安装施工完毕,应经空负荷、动负荷试运行和静负荷试验合格后,办理相关手续,;空负荷、静负荷试验和动负荷试运行宜连续地进行;起重机安装工程验收时,应具备下列资料:(1)设计变更和修改等有关资料(2)重要部件的焊接、高强螺栓连接的检验记录(3)起重机有关的几何尺寸复查和安装检查记录(4)轨道安装施工质量检查记录(5)起重机试运转和试验记录一、门式起重机结构安全要求门式起重机结构安全要求见表-1。
表-1 门式起重机结构安全要求序号项目简图允许偏差(㎜)1 1、由车轮量出的起重机跨度S1,S2跨度相对差│S1,S2│2、由桥架量出的起重机跨度S3,S4跨度相对差│S3,S4│1、S≤26m:△S=8│S1-S2│≤82、S≤26m:△S=4│S3-S4│≤42架设完成后的主梁上拱度(在承轨梁上盖板测量)F=(0.9/1000-1.4/1000)SFO=(0.9/350-1.4/1000)So3 主梁的水平旁弯(在承轨梁上盖板测量)f≤1/2 000S,但对正轨箱形梁最大不超过20㎜,且必须向外弯,对偏轨梁,衍架梁及单腹板梁最大不超过15㎜4 桥架对角线偏差│D1-D2││D1-D2│≤55 支腿垂直度h1≤1/2 000H16 桥架结构桥架的垂直倾斜C≤11/1 0007 电葫芦轨道的高低差e≤18 电葫芦轨道接头处的侧向错位g≤1二、电气要求(1)电气部分起重机电气系统的设计符合GB3811-2008《起重机设计规范》和GB6067-2010《起重机械安全规程》的各项规定。
起重机的电气设备能够保证机械的传动性能、电气的监控及保护性能安全、准确和可靠。
在起重机发生紧急情况下,操作人员能够在司机室切断电源,安全停车。
(2)供电:起重机供电电源为三相交流电源,电压380V±10%,频率50HZ。
大车供电采用驾驶室下方电缆卷筒取电。
(3)电气保护:①短路及过载保护②起重机总受电屏、控制屏进出电源设置断路器、控制回路设置小容量断路器,使各机构在短路,过载等事故状态下,迅速与电源脱离,以达到保护设备及人机安全的目的。
工程名称施工单位出租单位安装单位检测单位设备名称出厂编号拟安装高度扒杆工作半径(龙门吊)安装验收表NCRT-AQ-C9.4项目负责人出租负责人安装资格情况初安装高度安装时间资质证号规格型号自编号额定起重量序号检杳项目检查内容及要求实测实量实查验收结果一一一管理与资料起重机械基础(隐蔽工程)验收记录井架垂直度测量记录经审批的安装(拆除)方案井架安装前的机械及结构性能检测报告有健全的安全管理制度和岗位责任制吊篮容许载重标志牌、严禁乘人警告牌、安全技术操作规程牌、定人定机牌、验收合格牌齐全。
操作人员已接受技术交底、进厂教育及经培训合格持证上岗。
二二二结构部分各结构防腐,主要受力杆件端面腐蚀量应不大于原尺寸的10%各连接件螺栓齐全,固定牢固。
滑轮无缺损及严重磨损,安装符合要求且牢固防脱槽装置有效。
架体的垂直度偏差,新机不大于全高 5 %0,各此使用的不大于咼不超过3%o,并不得超过200mm-三吊臂卷扬机安装平稳牢固,且距第一导向轮中心距离不少于卷筒长度的15〜20倍。
钢丝绳放岀最大长度后,卷筒上至少保留三圈,卷筒两端凸缘至外层钢丝绳的距离,不得小于钢丝绳直径的2倍。
钢丝绳直径与绳卡匹配正确,绳卡间距合理,鞍座放置以及绳卡数量符合要求钢丝绳符合国家安全使用规定,工作时无拖地、浸水,有过路保护卷筒上应安装防脱绳装置卷扬机上方应搭设能防落物冲击和防晒防护棚(龙门吊)安装验收表(续表)监理单位意见:专业监理工程师:检测结论验收结论 (附检测报告)验收人 签名施工单位年 月曰出租单位安装单位年 月曰。