(完整版)交通规划课后习题答案
- 格式:doc
- 大小:620.01 KB
- 文档页数:13
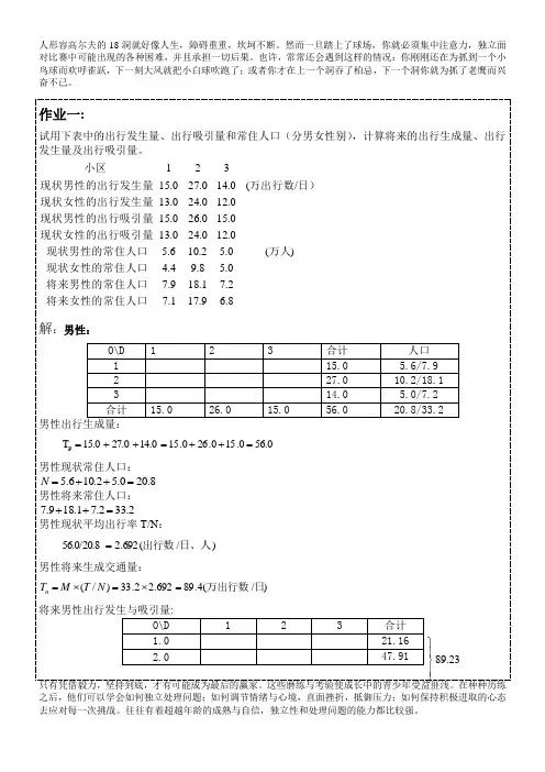
作业一:试用下表中的出行发生量、出行吸引量和常住人口(分男女性别),计算将来的出行生成量、出行发生量及出行吸引量。
解:男性:O\D 1 2 3 合计人口1 15.0 5.6/7.92 27.0 10.2/18.13 14.05.0/7.2 合计 15.0 26.0 15.0 56.020.8/33.2男性出行生成量: 男性现状常住人口: 男性将来常住人口:男性现状平均出行率T/N : 男性将来生成交通量:将来男性出行发生与吸引量:O\D 1 2 3合计 1.021.16 2.047.91 3.020.16合计 21.16 46.14 21.16总量控制:因为,T=89.4 万次/日调整后将来男性出行发生与吸引量O\D 1 2 3合计1.0 21.202.0 48.003.020.20 合计 21.38 46.63 21.3889.39 女性:O\D 1.0 2.0 3.0 合计人口 1.0 13.0 4.4/7.1 2.0 24.0 9.8/17.9 3.0 12.05.0/6.8 合计 13.0 24.0 12.0 49.019.2/31.8女性出行生成量: 女性现状常住人口: 女性将来常住人口:女性现状平均出行率T/N : 女性将来生成交通量:调整后将女性出行发生与吸引量O\D 1 2 3合计 120.98 243.84 316.32∑∑≠jjii DO ⎪⎭⎪⎬⎫23.89⎪⎪⎪⎪⎭⎪⎪⎪⎪⎬⎫合计 20.9843.84 16.32 81.14 将调整后的男性和女性出行发生与吸引量合并O\D 123合计142.18 291.84 336.52 合计 42.3690.47 37.7170.53作业二:试用指定的方法,求出下列图、表示分布交通量。
(同一、平均增长率法,底特律法,Frator 法) 现状 0.1050.270.500.280.260.170.50.430.510.60.380.720.280.40.70.171321\计计D O将来解:1、同一法:(1)求个小区的发生增长系数:01O F =38.18.6/28.0/11==O U ; 01O F =38.18.6/28.0/11==O U 01O F =38.18.6/28.0/11==O U ;(2)将来个小区的预测值(单位:万次)O\D 1 2 3 合计 预测值1 17.0 7.0 4.0 28.0 38.62 7.0 38.0 6.0 51.0 91.93 4.0 5.0 17.0 26.0 36.0 合计 28.0 50.0 27.0 105.0166.5(3)以上表为基础矩阵,各项均乘以发生增长系数,得下表:同一法计算得到的OD 表(单位:万次)O\D 1 2 3 合计 预测值 1 23.44 9.65 5.51 38.6 38.6 2 12.61 68.48 10.81 91.9 91.9 3 5.54 6.92 23.54 36.0 36.0 合计 41.59 85.05 39.86 166.5166.5此OD 表满足发生的约束条件,故为所求的将来年分布矩阵。
交通规划课后习题第一章绪论1.交通的含义?如何分类?2.交通规划的含义?3.交通规划的构成要素有哪些?具体包括哪些方面?4.交通规划按规划目标时期分为哪几类?期限各是多少?5.交通需求预测分为哪四个阶段?第二章交通调查1.延误的含义?分为哪几类?2.OD调查基本术语有哪些?各自含义是什么?3.OD调查方法有哪些?各自特点是什么?4.交通小区划分原则有哪些?第三章交通与土地利用1.城市用地分为几大类?其中对外交通用地、道路广场用地、市政公用设施用地具体包括哪些内容?2.什么是土地利用模型?3.土地利用分析变量包括哪几类,具体包括什么内容?4.理解劳瑞模型相关描述第四章交通网络布局规划与设计1.城市交通网络基本形式有哪些?各自特点是什么?2.城市发展形态结构与路网形式有何关系?3.交通网络各项评价指标有哪些?各自含义是什么?4.层次分析法的原理、组成是什么?5.写出下列网络的邻接矩阵、权矩阵、邻接目录表。
6.第5题图如果以1为起点,7为终点,写出其路段—径路连接矩阵。
第五章交通发生与吸引1.什么是交通需求预测?2.原单位法计算原理是什么?3.利用原单位法计算下题,并用总量调整法调整。
各小区现状的出行发生量和吸引量123合计(万次)人口(万人)(基年/规划年)12812.0/16.025521.0/38.032710.0/15.0合计29503111043.0/69.04.出行产生和出行吸引影响因素有哪些?各会产生怎样的影响?5.聚类分析法的原理、优缺点各是什么?第六章交通分布1.什么是交通分布预测?2.交通分布预测中底特律法、福莱特法、福尼斯法的计算原理分别是什么?3.增长系数法的优缺点各是什么?4.重力模型的优缺点有哪些?5.标定乌尔希斯模型参数,假设f=c ij-r,ε<3%。
6.根据给出的现状分布交通量和将来的发生与吸引交通量,分别利用底特律法、福莱特法、福尼斯法求将来出行分布交通量,ε<3%。
试用下表中的出行发生量、出行吸引量和常住人口(分男女性别),计算将来的出行生成量、出行发生量及出行吸引量。
8.69.171.72.71.189.70.58.94.4)(0.52.106.50.120.240.130.150.260.150.120.240.13/(0.140.270.15321将来女性的常住人口将来男性的常住人口现状女性的常住人口万人现状男性的常住人口现状女性的出行吸引量现状男性的出行吸引量现状女性的出行发生量日)万出行数现状男性的出行发生量小区作业二:试用指定的方法,求出下列图、表示分布交通量。
(同一、平均增长率法,底特律法,Frator 法) 现状.1050.270.500.280.260.170.50.430.510.60.380.720.280.40.70.171321\计计D O将来 5.1669.363.903.390.3639.9126.381321/计计DO1 2 3OD 小区示意图按上次作业给出的现状OD 表和将来生成、发生与吸引交通量,利用下式重力模型和底特律法,求出将来OD 表。
收敛标准ε=1%。
重力模型 γβij j i ij c D O k t )(=其中,k=0.183,β=1.152,γ=1.536现状 将来0.1050.270.500.280.260.170.50.430.510.60.380.720.280.40.70.171321\计计D O 5.1669.363.903.390.3639.9126.381321/计计D O作业四:试用作业五的分布交通量和下述Logit 模型,计算已知条件下公共汽车和汽车的分布交通量未定常数。
:,,1]exp[]exp[]exp[γβαγβαβα+⋅+⋅=⋅+⋅=−=+=CAR ij CAR ij CAR ij BUS ijBUS ij BUS ij BUS ijCAR ij CAR ij BUS ij BUS ij BUSij c t V c t V p P V V V p现状行驶时间将来行驶时间 1 2 31 2 3 1 8.0 17.0 22.01 4.0 9.0 11.02 17.0 15.0 23.02 9.0 8.0 12.03 22.0 23.0 7.0 3 11.0 12.0 4.0 ij c ij c。
2.平均增长系数法不能用于出行分布预测模型不属于交通和土地利用的模型4.浮动车不能获得出行吸引量5.自由式交通网络结构的形成与城市自然地理位置有关6.随出行距离增加,自行车的分担率先大后小7.出行生成预测的聚类分析假设:一定时期内的出行率稳定,家庭规模的变化很小,收入与车辆拥有量保持不变8.全有全无分配是假设路网没有拥挤路阻不变的9.重力模型(分子含OD,分母含D)满足发生条件约束是SUE的一种特例11.由于感知存在差异导致用户路径选择的差异是交通流分派中用户的随机性12.集计是在个体信息基础上,通过分门别类统计分析描述总体行为13.为检验交通流分配模型精度,采用将现状OD量分配到规划路网上方法14.交通规划范围:交通调查,交通与土地利用,交通需求量的预测,交通网络规划与设计,交通网络分析评价15.交通状态因素不影响交通方式选择16.在环形放射状交通网络中。
放射线的作用:承担主城与卫星城的内出行17.在交通分配中,最基本的方法:全有全无方法18.考虑小区位置系数影响的方法是Fratar法(福莱特法)1.交通规划:确定交通目标与设计达到交通目标的策略和交通行动的过程2.重力模型包括:无约束重力模型,单约束重力模型,双约束重力模型3.对调查区域而言,出行分为境内出行,境外出行,内外出行4.区域境界线调查是起迄点调查的一部分,主要用于核对出行调查数据5.城市交通网络基本形式:方格网式交通网,带状交通网,放射状交通网6.预测发生与吸引交通量的主要方法:原单位法,聚类分析法,增长率法7.交通规划的需求主要分为:需求要素,供给要素,市场要素8.交通流三要素:交通量,车速,密度9.按交通设施分类,交通规划分为:交通网络规划,交通节点规划10.交通调查包括:交通运输,社会经济土地利用基础资料,相关政策法规,建设资金,交通规划影响11.分布较同量的预测方法主要有两类,一类为生成交通量预测,一类为发生与吸引交通量预测12.道路网密度是城市建成区内道路长度与城市建成区总面积的比值13.调查中以小客车为标准14.非集计是以个人为单位构造模型确定交通方式的选择概率,然后再将每个人的结果集计,预测分担交通量的模型15.区间车调查方法:牌照发,跟车法16.延误:由于道路和环境条件、交通干扰以及交通管理与控制等驾驶员无法控制的因素所引起的行程时间损失。
奋不已。
之后,他们可以学会如何独立处理问题;如何调节情绪与心境,直面挫折,抵御压力;如何保持积极进取的心态奋不已。
之后,他们可以学会如何独立处理问题;如何调节情绪与心境,直面挫折,抵御压力;如何保持积极进取的心态奋不已。
之后,他们可以学会如何独立处理问题;如何调节情绪与心境,直面挫折,抵御压力;如何保持积极进取的心态奋不已。
之后,他们可以学会如何独立处理问题;如何调节情绪与心境,直面挫折,抵御压力;如何保持积极进取的心态奋不已。
之后,他们可以学会如何独立处理问题;如何调节情绪与心境,直面挫折,抵御压力;如何保持积极进取的心态奋不已。
之后,他们可以学会如何独立处理问题;如何调节情绪与心境,直面挫折,抵御压力;如何保持积极进取的心态奋不已。
之后,他们可以学会如何独立处理问题;如何调节情绪与心境,直面挫折,抵御压力;如何保持积极进取的心态奋不已。
之后,他们可以学会如何独立处理问题;如何调节情绪与心境,直面挫折,抵御压力;如何保持积极进取的心态奋不已。
只有凭借毅力,坚持到底,才有可能成为最后的赢家。
这些磨练与考验使成长中的青少年受益匪浅。
在种种历练之后,他们可以学会如何独立处理问题;如何调节情绪与心境,直面挫折,抵御压力;如何保持积极进取的心态02.134.36/9.36/;99.068.91/3.90/;02.149.38/3.39/;02.117.35/0.36/;99.03.93/9.91/;01.18.6/38.043/331221111331221111321321==================D V F D V F D V F O U F O U F O U F D D D O O O (5)收敛判别。
由于1iO F 和1j D F 的误差均在允许范围内,因此不需继续迭代计算。
上表即为所求的最总分布交通量表。
奋不已。
只有凭借毅力,坚持到底,才有可能成为最后的赢家。
这些磨练与考验使成长中的青少年受益匪浅。
作业一:试用下表中的出行发生量、出行吸引量和常住人口(分男女性别),计算将来的出行生成量、出行发生量及出行吸引量。
8.69.171.72.71.189.70.58.94.4)(0.52.106.50.120.240.130.150.260.150.120.240.13/(0.140.270.15321将来女性的常住人口将来男性的常住人口现状女性的常住人口万人现状男性的常住人口现状女性的出行吸引量现状男性的出行吸引量现状女性的出行发生量日)万出行数现状男性的出行发生量小区解:男性:O\D 1 2 3 合计 人口 1 15.0 5.6/7.9 2 27.0 10.2/18.1 314.0 5.0/7.2 合计15.026.015.056.020.8/33.2男性出行生成量:56.00.150.260.1514.027.015.0T p =++=++= 男性现状常住人口: 8.200.52.106.5=++=N 男性将来常住人口: 2.332.71.189.7=++男性现状平均出行率T/N :)/(692.256.0/20.8日、人出行数= 男性将来生成交通量:)/(4.89692.22.33)/(日万出行数=⨯=⨯=N T M T n将来男性出行发生与吸引量:O\D 1 2 3 合计 1.0 21.16 2.0 47.91 3.020.16 合计21.16 46.14 21.16总量控制:∑∑≠jjii DO ⎪⎭⎪⎬⎫23.8946.88⎪⎪⎪⎪⎭⎪⎪⎪⎪⎬⎫∑∑⨯=⨯=N ii iN i i i DT D D O T O O //''因为,T=89.4 万次/日调整后将来男性出行发生与吸引量O\D 1 2 3 合计 1.0 21.20 2.0 48.00 3.0 20.20 合计 21.38 46.6321.38 89.39 女性:O\D 1.0 2.0 3.0 合计 人口 1.0 13.0 4.4/7.1 2.0 24.0 9.8/17.9 3.0 12.0 5.0/6.8 合计 13.0 24.0 12.049.019.2/31.8女性出行生成量:49122413122413T p =++=++= 女性现状常住人口: 2.1958.94.4=++=N 女性将来常住人口: 8.318.69.171.7=++女性现状平均出行率T/N :)/(552.22.19/49日、人出行数= 女性将来生成交通量:)/(15.81552.28.31)/(日万出行数=⨯=⨯=N T M T n 调整后将女性出行发生与吸引量O\D 1 2 3 合计 1 20.98 2 43.84 3 16.32 合计 20.98 43.8416.32 81.14 将调整后的男性和女性出行发生与吸引量合并O\D 1 2 3 合计 1 42.18 2 91.84 3 36.52 合计 42.36 90.4737.7170.53作业二:试用指定的方法,求出下列图、表示分布交通量。
道路交通规划习题集及答案道路交通规划习题集及答案随着城市化进程的不断加快,道路交通规划成为城市发展中不可或缺的一部分。
道路交通规划的目的是为了提高交通效率、减少交通拥堵、降低交通事故率,使人们出行更加便捷和安全。
为了更好地了解道路交通规划的相关知识,下面将给大家提供一些道路交通规划的习题及答案。
习题一:城市道路交通规划的目标是什么?请列举至少三个。
答案:城市道路交通规划的目标包括但不限于以下几个方面:1. 提高交通效率:通过科学合理地规划道路网,合理分配交通资源,减少交通拥堵,提高道路通行能力,使人们出行更加便捷和高效。
2. 减少交通事故率:通过合理规划道路布局、设置交通信号灯、提供行人过街设施等措施,降低交通事故发生率,保障行人和车辆的安全。
3. 促进城市可持续发展:通过道路交通规划,合理利用土地资源,提高土地利用效率,减少对自然环境的破坏,实现城市的可持续发展。
习题二:请列举几种常见的道路交通规划方法。
答案:常见的道路交通规划方法包括但不限于以下几种:1. 道路网规划:通过对城市道路网络的规划,确定主干道、次干道和支路的布局,合理分配道路交通流量,提高道路通行能力。
2. 交通信号灯规划:通过对交叉口和路段的交通信号灯的设置,合理调控交通流量,减少交通事故的发生,提高道路通行效率。
3. 公共交通规划:通过合理规划公交线路、站点的布局,提高公共交通的覆盖范围和服务质量,鼓励市民使用公共交通工具,减少私家车的使用,缓解交通拥堵。
4. 步行和自行车出行规划:通过规划步行和自行车道,提供行人和非机动车的安全通行环境,鼓励市民选择步行和自行车出行,减少机动车的使用,改善空气质量。
习题三:城市道路交通规划的考虑因素有哪些?答案:城市道路交通规划需要考虑的因素较多,主要包括但不限于以下几个方面:1. 交通需求:根据城市人口规模、居住区和商业区的分布,确定不同区域的交通需求,合理规划道路网和交通设施。
2. 土地利用:根据城市的土地利用现状和规划,确定道路的布局和宽度,合理利用土地资源,提高土地利用效率。
交通规划原理课后答案【篇一:交通规划原理复习题】名词解释1. 2. 3.4.5. 6. 7. 8. 9. 径路:交通网络上任意一od点对之间,从发生点到吸引点一串连通的路段的有序排列叫做这一od点对之间的径路。
路段:交通网络上相邻两个节点之间的交通线路期望线:至连接各个小区形心的直线,代表了小区之间的出行,其宽度通常根据出行数大小而定。
od表:指根据od调查结果整理而成的表示各个小区间出行量的表格。
小区形心:指小区内出行代表点,小区所有的出行从该点发生,但不是该区的几何中心。
延误:由于和环境条件,交通干扰以及交通管理与控制等驾驶员无法控制的因素所引起的行程时间延误。
交通量:指单位时间内通过道路某一断面或某一车道的车辆数或行人数。
交通规划:是有计划的引导交通的一系列行动,即规划者如何提示各种目标,又如何将提示的目标付诸实施的方法。
交通:通常被广义的的定义为人,货物,信息的地点间,并伴随着人的思维意识的移动。
10. 交通流分配:就是将预测得出的交通小区i和交通小区j之间的分布交通量符合实际的分配到道路网中的各条道路上去。
,根据已知的道路网描述,按照一定的规则11. 道路网密度:单位城市用地面积内道路的长度,表示区域中道路网的疏密程度。
12. 干道网间距:两条感到之间的间隔,对道路网密度起决定作用13. 路网结构:城市快速路,主干道,次干道,支路在长度上的比例,衡量道路网的合理性14. 道路面积率:道路用地面积占城市建设用地面积的比例,15. 人均道路面积:城市居民人均占有的道路面积。
16. 道路网可达性:所有交通小区中心到达道路网最短距离的平均值。
二.填空1. 2. 3.4. 5. 6. 7. 8. 9. 交通需求量预测四阶段预测法;交通发生与吸引,交通分布,交通方式划分,交通流分配。
求最短路径的方法;标号法和矩阵迭代法。
生成交通量是由;发生交通量与吸引交通量构成的。
分布预测中增长系数法包括常增长系数法,平均增长系数法,底特律法,福莱特法,佛尼斯法。
1.Logit模型具有IIA特性2.平均增长系数法不能用于出行分布预测3.Logit模型不属于交通和土地利用的模型4.浮动车不能获得出行吸引量5.自由式交通网络结构的形成与城市自然地理位置有关6.随出行距离增加,自行车的分担率先大后小7.出行生成预测的聚类分析假设:一定时期内的出行率稳定,家庭规模的变化很小,收入与车辆拥有量保持不变8.全有全无分配是假设路网没有拥挤路阻不变的9.重力模型(分子含OD,分母含D)满足发生条件约束10.UE是SUE的一种特例11.由于感知存在差异导致用户路径选择的差异是交通流分派中用户的随机性12.集计是在个体信息基础上,通过分门别类统计分析描述总体行为13.为检验交通流分配模型精度,采用将现状OD 量分配到规划路网上方法14.交通规划范围:交通调查,交通与土地利用,交通需求量的预测,交通网络规划与设计,交通网络分析评价15.交通状态因素不影响交通方式选择16.在环形放射状交通网络中。
放射线的作用:承担主城与卫星城的内出行17.在交通分配中,最基本的方法:全有全无方法18.考虑小区位置系数影响的方法是Fratar法(福莱特法)1.交通规划:确定交通目标与设计达到交通目标的策略和交通行动的过程2.重力模型包括:无约束重力模型,单约束重力模型,双约束重力模型3.对调查区域而言,出行分为境内出行,境外出行,内外出行4.区域境界线调查是起迄点调查的一部分,主要用于核对出行调查数据5.城市交通网络基本形式:方格网式交通网,带状交通网,放射状交通网6.预测发生与吸引交通量的主要方法:原单位法,聚类分析法,增长率法7.交通规划的需求主要分为:需求要素,供给要素,市场要素8.交通流三要素:交通量,车速,密度9.按交通设施分类,交通规划分为:交通网络规划,交通节点规划10.交通调查包括:交通运输,社会经济土地利用基础资料,相关政策法规,建设资金,交通规划影响11.分布较同量的预测方法主要有两类,一类为生成交通量预测,一类为发生与吸引交通量预测12.道路网密度是城市建成区内道路长度与城市建成区总面积的比值13.调查中以小客车为标准14.非集计是以个人为单位构造模型确定交通方式的选择概率,然后再将每个人的结果集计,预测分担交通量的模型15.区间车调查方法:牌照发,跟车法16.延误:由于道路和环境条件、交通干扰以及交通管理与控制等驾驶员无法控制的因素所引起的行程时间损失。
02.134.36/9.36/;99.068.91/3.90/;02.149.38/3.39/;02.117.35/0.36/;99.03.93/9.91/;01.18.6/38.043/331221111331221111321321==================D V F D V F D V F O U F O U F O U F D D D O O O (5)收敛判别。
由于1iO F 和1j D F 的误差均在允许范围内,因此不需继续迭代计算。
上表即为所求的最总分布交通量表。
未定常数。
:,,1]exp[]exp[]exp[γβαγβαβα+⋅+⋅=⋅+⋅=-=+=CAR ij CAR ij CAR ij BUSij BUS ij BUS ij BUS ijCAR ij CAR ij BUS ij BUS ij BUS ij c t V c t V p P V V V p可得:BUSijV1 2 3 1 -1.017 -1.534 -1.807 2 -1.454 -1.336 -2.118 3-1.807-2.118-1.017CAR ijV1 2 3 1 0.051 -0.464 -0.689 2 -0.464 -0.368 -0.776 3-0.689-0.776-0.058又因为:BUSijCAR ij CAR ij BUS ij BUS ij BUS ijp P V V V p-=+=1]ex p[]ex p[]ex p[ BUS ijP 1 2 3 1 0.2558 0.2554 0.2464 2 0.2708 0.2754 0.2071 30.24640.20710.254412 3 1 0.7442 0.7446 0.7536 2 0.7292 0.7246 0.7929 30.75360.79290.7456CARijP(5)旅游区标志:提供旅游景点方向、距离的标志,分为指引标志和旅游符号。
作业一:试用下表中的出行发生量、出行吸引量和常住人口(分男女性别),计算将来的出行生成量、出行发生量及出行吸引量。
8.69.171.72.71.189.70.58.94.4)(0.52.106.50.120.240.130.150.260.150.120.240.13/(0.140.270.15321将来女性的常住人口将来男性的常住人口现状女性的常住人口万人现状男性的常住人口现状女性的出行吸引量现状男性的出行吸引量现状女性的出行发生量日)万出行数现状男性的出行发生量小区解:男性:O\D 1 2 3 合计 人口 1 15.0 5.6/7.9 2 27.0 10.2/18.1 314.0 5.0/7.2 合计15.026.015.056.020.8/33.2男性出行生成量:56.00.150.260.1514.027.015.0T p =++=++= 男性现状常住人口: 8.200.52.106.5=++=N 男性将来常住人口: 2.332.71.189.7=++男性现状平均出行率T/N :)/(692.256.0/20.8日、人出行数= 男性将来生成交通量:)/(4.89692.22.33)/(日万出行数=⨯=⨯=N T M T n将来男性出行发生与吸引量:O\D 1 2 3 合计 1.0 21.16 2.0 47.91 3.020.16 合计21.16 46.14 21.16总量控制:∑∑⨯=⨯=N ii iN i i i DT D D OT O O //''∑∑≠jjii DO ⎪⎭⎪⎬⎫23.8946.88⎪⎪⎪⎪⎭⎪⎪⎪⎪⎬⎫因为,T=89.4 万次/日调整后将来男性出行发生与吸引量O\D 1 2 3合计 1.0 21.20 2.0 48.00 3.0 20.20 合计 21.38 46.6321.38 89.39 女性:O\D 1.0 2.0 3.0 合计 人口 1.0 13.0 4.4/7.1 2.0 24.0 9.8/17.9 3.0 12.0 5.0/6.8 合计 13.0 24.0 12.049.019.2/31.8女性出行生成量:49122413122413T p =++=++= 女性现状常住人口: 2.1958.94.4=++=N 女性将来常住人口: 8.318.69.171.7=++女性现状平均出行率T/N :)/(552.22.19/49日、人出行数= 女性将来生成交通量:)/(15.81552.28.31)/(日万出行数=⨯=⨯=N T M T n 调整后将女性出行发生与吸引量O\D 1 2 3 合计 1 20.98 2 43.84 3 16.32 合计 20.9843.84 16.32 81.14 将调整后的男性和女性出行发生与吸引量合并O\D 1 2 3 合计 1 42.18 291.84 3 36.52 合计42.3690.4737.7170.53作业二:试用指定的方法,求出下列图、表示分布交通量。
2.平均增长系数法不能用于出行分布预测模型不属于交通和土地利用的模型4.浮动车不能获得出行吸引量5.自由式交通网络结构的形成与城市自然地理位置有关6.随出行距离增加,自行车的分担率先大后小7.出行生成预测的聚类分析假设:一定时期内的出行率稳定,家庭规模的变化很小,收入与车辆拥有量保持不变8.全有全无分配是假设路网没有拥挤路阻不变的9.重力模型(分子含OD,分母含D)满足发生条件约束是SUE的一种特例11.由于感知存在差异导致用户路径选择的差异是交通流分派中用户的随机性12.集计是在个体信息基础上,通过分门别类统计分析描述总体行为13.为检验交通流分配模型精度,采用将现状OD量分配到规划路网上方法14.交通规划范围:交通调查,交通与土地利用,交通需求量的预测,交通网络规划与设计,交通网络分析评价15.交通状态因素不影响交通方式选择16.在环形放射状交通网络中。
放射线的作用:承担主城与卫星城的内出行17.在交通分配中,最基本的方法:全有全无方法18.考虑小区位置系数影响的方法是Fratar法(福莱特法)1.交通规划:确定交通目标与设计达到交通目标的策略和交通行动的过程2.重力模型包括:无约束重力模型,单约束重力模型,双约束重力模型3.对调查区域而言,出行分为境内出行,境外出行,内外出行4.区域境界线调查是起迄点调查的一部分,主要用于核对出行调查数据5.城市交通网络基本形式:方格网式交通网,带状交通网,放射状交通网6.预测发生与吸引交通量的主要方法:原单位法,聚类分析法,增长率法7.交通规划的需求主要分为:需求要素,供给要素,市场要素8.交通流三要素:交通量,车速,密度9.按交通设施分类,交通规划分为:交通网络规划,交通节点规划10.交通调查包括:交通运输,社会经济土地利用基础资料,相关政策法规,建设资金,交通规划影响11.分布较同量的预测方法主要有两类,一类为生成交通量预测,一类为发生与吸引交通量预测12.道路网密度是城市建成区内道路长度与城市建成区总面积的比值13.调查中以小客车为标准14.非集计是以个人为单位构造模型确定交通方式的选择概率,然后再将每个人的结果集计,预测分担交通量的模型15.区间车调查方法:牌照发,跟车法16.延误:由于道路和环境条件、交通干扰以及交通管理与控制等驾驶员无法控制的因素所引起的行程时间损失。
城市道路与交通规划习题集结构1. 章节序参照<<城市道路与交通>>2. 题型分填空题.选择题.名词解释.简答题.计算题.论述题.综合题(含作图题.设计等)3. 参考书目绪论一. 简答题1. 城市道路的功能有哪些? 由哪些部分组成?2. 为什么说城市道路系统规划是城市建设的百年大计?3. 城市道路分类的目的和依据是什么? 试举例说明其必要性。
4. 为何要进行城市道路红线规划?5. 城市道路应如何分类?试举各类道路的功能.特点与技术指标说明之?6. 城市交通的基本概念是什么?7. 公路与城市道路在设计标准和技术要求上有什么不同?二名词解释1. 绿波交通第一、二章一. 填空题1. 设计车速指。
2. 车流密度指。
3. 交通量是指。
4. 道路通行能力指。
5. 小型汽车的外廓尺寸:总长米,总宽米,总高米.。
6. 一条机动车道可能通行能力一般为辆/小时。
7. 一条自行车道可能通行能力一般为辆/小时。
8. 一米人行道可能通行能力一般为人/小时。
9. 在平面交叉的道路网上,一条机动车道的实际通行能力常为辆/小时。
10. 常见公共汽车的车身宽度为米,道路交叉口上空,无轨电车架空线净空不得低于米。
11. 自行车行驶时,左右摆动的宽度各为米,一条自行车道净高为米。
12. 交通量观测资料可应用在, , 三方面,其中高峰小时交通量是设计的依据,而年平均昼夜交通量是设计的依据。
1. 一条车道的通行能力是指在单位时间内,车辆的行驶长度被:(1)平均车身长度(2)车头间距长度(3)停车视距除得的数值。
2. 车辆在高速行驶时, 驾驶员的视野:(1)越来越宽阔(2)越来越近(3)越来越狭窄。
注意力的集中点也(1)越来越近(2)越来越远(3)越来越高。
3. 道路上车速越高,车流密度(1)越大(2)越小(3)先小后大。
三. 名词解释1. 交通量2. 一条机动车道理论通行能力3. 服务水平4. 服务流量5. 动力因素6. 停车视距三. 简答题1. 城市道路交通的特征如何?2. 城市交通运输的工具有哪些?它们的特点如何?3. 交通工具的尺寸与道路设计的哪些方面有关?4. (结合图示)说明车流密度.车流量.速度三者的关系如何?何者起主要影响作用?5. 外白渡桥宽为三条机动车道,以往两边各一条车道上下行,中间一条车道为自由使用,实际效果不好,后改为上坡两车道,下坡一车道(在桥中央换位),效果较好。
城市道路与交通规划习题集结构1. 章节序参照<<城市道路与交通>>2. 题型分填空题.选择题.名词解释.简答题.计算题.论述题.综合题(含作图题.设计等)3. 参考书目绪论一. 简答题1. 城市道路的功能有哪些? 由哪些部分组成?2. 为什么说城市道路系统规划是城市建设的百年大计?3. 城市道路分类的目的和依据是什么? 试举例说明其必要性。
4. 为何要进行城市道路红线规划?5. 城市道路应如何分类?试举各类道路的功能.特点与技术指标说明之?6. 城市交通的基本概念是什么?7. 公路与城市道路在设计标准和技术要求上有什么不同?二名词解释1. 绿波交通第一、二章一. 填空题1. 设计车速指。
2. 车流密度指。
3. 交通量是指。
4. 道路通行能力指。
5. 小型汽车的外廓尺寸:总长米,总宽米,总高米.。
6. 一条机动车道可能通行能力一般为辆/小时。
7. 一条自行车道可能通行能力一般为辆/小时。
8. 一米人行道可能通行能力一般为人/小时。
9. 在平面交叉的道路网上,一条机动车道的实际通行能力常为辆/小时。
10. 常见公共汽车的车身宽度为米,道路交叉口上空,无轨电车架空线净空不得低于米。
11. 自行车行驶时,左右摆动的宽度各为米,一条自行车道净高为米。
12. 交通量观测资料可应用在, , 三方面,其中高峰小时交通量是设计的依据,而年平均昼夜交通量是设计的依据。
1. 一条车道的通行能力是指在单位时间内,车辆的行驶长度被:(1)平均车身长度(2)车头间距长度(3)停车视距除得的数值。
2. 车辆在高速行驶时, 驾驶员的视野:(1)越来越宽阔(2)越来越近(3)越来越狭窄。
注意力的集中点也(1)越来越近(2)越来越远(3)越来越高。
3. 道路上车速越高,车流密度(1)越大(2)越小(3)先小后大。
三. 名词解释1. 交通量2. 一条机动车道理论通行能力3. 服务水平4. 服务流量5. 动力因素6. 停车视距三. 简答题1. 城市道路交通的特征如何?2. 城市交通运输的工具有哪些?它们的特点如何?3. 交通工具的尺寸与道路设计的哪些方面有关?4. (结合图示)说明车流密度.车流量.速度三者的关系如何?何者起主要影响作用?5. 外白渡桥宽为三条机动车道,以往两边各一条车道上下行,中间一条车道为自由使用,实际效果不好,后改为上坡两车道,下坡一车道(在桥中央换位),效果较好。
1.Logit模型具有IIA特性2.平均增长系数法不能用于出行分布预测3.Logit模型不属于交通和土地利用的模型4.浮动车不能获得出行吸引量5.自由式交通网络结构的形成与城市自然地理位置有关6.随出行距离增加,自行车的分担率先大后小7.出行生成预测的聚类分析假设:一定时期内的出行率稳定,家庭规模的变化很小,收入与车辆拥有量保持不变8.全有全无分配是假设路网没有拥挤路阻不变的9.重力模型(分子含OD,分母含D)满足发生条件约束10.UE是SUE的一种特例11.由于感知存在差异导致用户路径选择的差异是交通流分派中用户的随机性12.集计是在个体信息基础上,通过分门别类统计分析描述总体行为13.为检验交通流分配模型精度,采用将现状OD量分配到规划路网上方法14.交通规划范围:交通调查,交通与土地利用,交通需求量的预测,交通网络规划与设计,交通网络分析评价15.交通状态因素不影响交通方式选择16.在环形放射状交通网络中。
放射线的作用:承担主城与卫星城的内出行17.在交通分配中,最基本的方法:全有全无方法18.考虑小区位置系数影响的方法是Fratar法(福莱特法)1.交通规划:确定交通目标与设计达到交通目标的策略和交通行动的过程2.重力模型包括:无约束重力模型,单约束重力模型,双约束重力模型3.对调查区域而言,出行分为境内出行,境外出行,内外出行4.区域境界线调查是起迄点调查的一部分,主要用于核对出行调查数据5.城市交通网络基本形式:方格网式交通网,带状交通网,放射状交通网6.预测发生与吸引交通量的主要方法:原单位法,聚类分析法,增长率法7.交通规划的需求主要分为:需求要素,供给要素,市场要素8.交通流三要素:交通量,车速,密度9.按交通设施分类,交通规划分为:交通网络规划,交通节点规划10.交通调查包括:交通运输,社会经济土地利用基础资料,相关政策法规,建设资金,交通规划影响11.分布较同量的预测方法主要有两类,一类为生成交通量预测,一类为发生与吸引交通量预测12.道路网密度是城市建成区内道路长度与城市建成区总面积的比值13.调查中以小客车为标准14.非集计是以个人为单位构造模型确定交通方式的选择概率,然后再将每个人的结果集计,预测分担交通量的模型15.区间车调查方法:牌照发,跟车法16.延误:由于道路和环境条件、交通干扰以及交通管理与控制等驾驶员无法控制的因素所引起的行程时间损失。
02.134.36/9.36/;99.068.91/3.90/;02.149.38/3.39/;02.117.35/0.36/;99.03.93/9.91/;01.18.6/38.043/3312211113312211113
21321==================D V F D V F D V F O U F O U F O U F D D D O O O (5)收敛判别。
由于1i
O F 和1j D F 的误差均在允许范围内,因此不需继续迭代计算。
上表即为所求的最总分布交通量表。
未定常数。
:,,1]
exp[]exp[]exp[γβαγ
βαβα+⋅+⋅=⋅+⋅=-=+=
CAR ij CAR ij CAR ij BUS
ij BUS ij BUS ij BUS ij
CAR ij CAR ij BUS ij BUS ij BUS ij c t V c t V p P V V V p
可得:
BUS
ij
V
1 2 3 1 -1.017 -1.534 -1.807 2 -1.454 -1.336 -2.118 3
-1.807
-2.118
-1.017
CAR ij
V
1 2 3 1 0.051 -0.464 -0.689 2 -0.464 -0.368 -0.776 3
-0.689
-0.776
-0.058
又因为:
BUS
ij
CAR ij CAR ij BUS ij BUS ij BUS ij
p P V V V p
-=+=
1]
ex p[]ex p[]
ex p[ BUS ij
P 1 2 3 1 0.2558 0.2554 0.2464 2 0.2708 0.2754 0.2071 3
0.2464
0.2071
0.2544
1
2 3 1 0.7442 0.7446 0.7536 2 0.7292 0.7246 0.7929 3
0.7536
0.7929
0.7456
CAR
ij
P
(5)旅游区标志:提供旅游景点方向、距离的标志,分为指引标志和旅游符号。
(6)道路施工安全标志:通告道路施工区通行的标志,分为路栏、锥形交通路标、施工警告路标、施工警告灯号、道口标注、施工区标志、移动性施工标志。
(7)辅助标志:附设在主标志下的起辅助作用的标志。
它不能单独设置与使用吗,按照用途分为表示时间、车辆种类、区域与时间、区域与距离、警告与禁令、组合辅助等。
2、定时式、感应式控制的基本原理是什么?适用于什么条件的交通状况?
答:定时式控制原理:按照事先设计好的控制程序,在每个方向上通过红绿黄色灯循环显示,只是交通流,在时间上实施间隔。
适用条件:当交通状况符合总体流量稳定,变化比较规律时,选用定时式。
感应式控制原理:感应式信号控制没有固定的周期长度,在感应式新信号控制的进口,均设有车辆到达检测器,一相位起始绿灯,感应信号在控制器内设有一个“初始绿灯时间”,到初始绿灯时间结束时,如果在一个预先设置的时间间隔内没有后续车辆到达,就变换相位;如果有车辆到达,那么绿灯就延长一个预设的单位绿灯延长时间,只要不断有车辆到达,绿灯时间可以继续延长,知道预设的最长绿灯时间是变换相位。
适用条件:感应式适用于交叉口交通状况变化比较傲频繁而且没有规律的情况。
3、干线协调控制的基本类型有?适用于什么条件?
答:有干线交通信号定时式协调控制和干线交通信号感应式协调控制两种。
定时式适用条件:交通状况符合总体流量稳定,变化比较有规律。
感应式使用条件:交叉口交通状况变化比较傲频繁而且没有规律。
4、区域交通信号控制系统按照控制策略分为几种?相应的控制系统的开发软件有?
答:有定时脱机式控制系统和感应式练级控制系统。
定时脱机式控制系统的开发软件:TRANSYT、THESEE、RHEBES。
练级感应式控制系统的开发软件:SCATS和SCOOT。
5、加强交通管理的措施有?
答:①针对人、车、路实施综合管理,使用法制、行政、技术手段对交通实施系统管理。
②借助先进的技术、设施对路面交通实时调节、调度和控制。
③通过经济、政策、行政手段在空间、时间上调节交通需求,实时对交通行为的管理。