PC车间机械设备配置清单
- 格式:docx
- 大小:14.22 KB
- 文档页数:4
机床验收主要配置及附件清单一、普通车床CDE6140A主要配置及机床附件:二、数控车床CK6140(华中世纪星21T-3)主要配置及机床附件:三、数控车床CK6150(FANUC 0i Mate TD)主要配置及机床附件四、数控车床CK6140(广数980系统)主要配置及机床附件五、A VZ-500(华中世纪星)主要配置及机床附件六、A VL-1020(FANUC 0i Mate MD)主要配置及机床附件机床购置附属协议甲方(购买方):东明县职业中等专业学校乙方(销售方):山东冠泓数控装备有限公司甲乙双方经友好协商,在设备采购过程中通过竞争性谈判,鉴于以下条款,除达成设备采购协议及有关事项外,特达成以下附属协议:1、乙方免费承担“三包”服务期三年以上,免费按买方要求把设备安装调试到位并负责管、线、机油等费用,故障维修2小时响应,24小时到达现场;超三包服务期,乙方仍对设备承担终身服务,甲方只负责零配件费用,其他费用仍由乙方负责;2、乙方免费为甲方培训设备操作维修教师,免费为设备软件升级,免费提供与教学有关的资源,在甲方场地,对甲方专业教师免费进行机床操作培训,理论培训、安全维护保养培训、实训项目培训;甲方派送机床方面专业技术和任课人员,到乙方生产场地,接受技术培训,培训人数:5人/批以内,培训时间:一周;培训内容:机床维修和故障等;甲方参与和监督所购机床精度检验;甲方免费提供食宿等方便条件。
3、乙方免费为甲方参加国、省、市级技能大赛,提供技术支持和资源服务;乙方为甲方免费培训国、省、市等参赛选手和教师,积极协调大赛承办单位,进行现场培训,预先熟悉机床场地,练习,熟悉相关事项和内容。
为甲方提供大赛软件应用方便和优惠等服务;帮助甲方获得尽可能获得好成绩,;大赛选手和教师由乙方选送。
4、甲乙双方本着互利共赢原则共同研究和开发校企合作项目;甲方参加乙方牵头组织的职教集团,免费享受集团提供的教学资源,教材、培训方案等优惠服务;为甲方所在地区树立校企合作典范。
电子工厂生产设备清单
概述
本文档列举了电子工厂所需的生产设备清单。
这些设备是用于电子产品制造和组装的关键工具和设施。
生产设备清单
以下是电子工厂所需的常见生产设备清单:
1. 装配线设备:包括传送带、工作台、组装夹具等,用于产品的组装和装配。
2. 焊接设备:包括焊接机、焊接头、焊接辅助工具等,用于电子元器件的连接。
3. 检测设备:包括测试仪器、检测仪器、质量控制工具等,用于对成品进行质量检测和测试。
4. 加工设备:包括数控机床、切割机、冲压机等,用于加工电子产品所需的零部件。
5. 调试设备:包括调试器、编程器、模拟设备等,用于对电子产品进行功能测试和调试。
6. 电源设备:包括电源供应器、稳压器、变压器等,用于为电子设备提供稳定的电源供应。
7. 清洁设备:包括洗涤机、吸尘器、静电除尘器等,用于保持生产环境的清洁和无尘。
8. 仓储设备:包括货架、托盘、堆垛机等,用于存储和管理成品和零部件的仓库设备。
请注意,以上仅列举了一些常见的生产设备,具体的设备清单会根据不同的电子工厂而有所差异。
供料车间设备设施清单为了方便管理和维护,以下是一份供料车间设备设施清单:一、常规设备1. 混合器:用于将不同的原料混合。
2. 称重机:用于称量原料的数量。
3. 滚筒烘干机:用于将原料烘干、去除水分。
4. 挤压机:用于将原料挤压成一定形状。
5. 切割机:用于将原料切成一定大小的块状。
6. 包装机:用于将成品包装。
7. 输送带:用于输送原料和成品。
8. 加热箱:用于烤干或烤焙原料。
9. 冷却机:用于将加工后的成品冷却。
二、仪器设备1. 温度计:用于测量加工环境的温度。
2. 酸碱度计:用于测量化学酸碱度。
3. pH计:用于测量水的酸碱度。
4. 粘度计:用于测量液体的流动性。
5. 压力计:用于测量液体的压力。
6. 流量计:用于测量液体的流量。
7. 称重仪:用于测量重量。
8. 光谱仪:用于对原材料进行成分分析。
9. 热重分析仪:用于对材料进行热学性质分析。
10. 熔融指数仪:用于对塑料材料进行熔融指数测试。
三、环保设备1. 除尘器:用于去除生产过程中产生的粉尘。
2. 废水处理设备:用于处理产生的废水,将其达到国家标准后排出。
3. 废气处理设备:用于处理产生的废气,将其达到国家标准后排出。
四、安全设施1. 安全警示标志:用于提示员工注意安全。
2. 充电电池柜:用于存放电池,防止发生爆炸等意外事故。
3. 灭火器:用于灭火和防火。
4. 突发事件报警器:用于发生紧急情况时的紧急报警。
以上就是供料车间设备设施清单,不同工厂或企业根据具体生产的产品和流程可能会有所不同。
为了生产过程的安全和高效,厂家需要按照相关规定设备相关设施,并严格遵守操作流程和安全规定。
机械设备清单工程名称:怡亚通长沙供应链整合研发中心-物流仓库、研发中心
设备保养记录
设备保养记录
设备保养记录
设备保养记录
设备保养记录
设备保养记录
设备保养记录
设备维修记录表工程名称:怡亚通长沙基地物流仓库办公楼
安全设施(设备)管理台帐
企业名称__________________
填写说明
一、安全设施(设备)包括:安全阀、压力表、温度计、报警仪(包含可燃气体、有毒气体、超温、超压、高液位等报警仪)、减压阀、防爆膜、放空管、液位计,以及正压式空气呼吸器、洗眼器、沐浴器、防化服等。
二、“记录应及时,字迹应工整,内容应真实。
三、每台安全设施(设备)的出厂资料、定期检测资料,应单独建档管理
安全设施(设备)管理台帐
]安全设施(设备)管理台帐
]安全设施(设备)管理台帐
安全设施(设备)管理台帐
安全设施(设备)管理台帐
安全设施(设备)管理台帐
企业建筑施工机械设备一览表
单位(部门、项目部):XA/B3-3。
主要施工机械设备配置表以下是主要施工机械设备配置表:序号。
机械或设备名称。
型号。
国别产地。
制造年份(KW能力)。
用于施工部位。
数量。
备注1.塔吊。
H3/36B。
四川。
2009.结构。
1.2.塔吊。
FO/23B。
四川。
2009.结构。
1.3.塔吊。
TC6020.四川。
2008.结构。
1.4.施工电梯。
SCD200/200.河北。
2008.装修。
2.5.物料提升机。
SMK150.河北。
2010.装修。
5.6.钢筋调直机。
GJ6-4/8.北京。
2009.钢筋加工。
4.7.钢筋切断机。
GJ5-40.北京。
2009.钢筋加工。
4.8.钢筋弯曲机。
GW-40.青岛。
2010.钢筋加工。
8.9.直螺套丝机。
GSJ-40.河北。
2009.钢筋加工。
12.10.硅整流焊机。
ZX5-500.河北。
2008.钢材焊接。
6.11.电焊条烘箱。
YGCH-X-40.青岛。
2010.钢材焊接。
2.12.木工圆锯。
MJ105.济南。
2009.模板加工。
4.13.木工平刨。
MB503A。
济南。
2009.模板加工。
4.14.木工压刨。
MB106.青岛。
2009.模板加工。
4.15.地泵。
HTB80.湖北。
2008.砼浇筑。
28.16.振捣棒。
HZ50.天津。
2010.砼浇筑。
16.17.振捣棒。
HZ30.天津。
2010.砼浇筑。
12.18.平板振动器。
ZB11.天津。
2009.砼浇筑。
4.19.空压机。
XF200.天津。
2008.模板清理。
4.20.5T氧炔气割设备。
ZH85.天津。
2009.钢材切割。
4.21.平板振动夯。
HW20.天津。
2010.土方回填。
10.22.蛙式打夯机。
JKL3.天津。
2010.土方回填。
16.23.卷扬机。
JKL3.天津。
2007.机电设备运输。
2.24.卷扬机。
3T。
河南。
2007.机电设备运输。
1.25.倒链。
BS1-315.浙江。
2009.机电设备安装。
6.26.倒链。
NSA4-300-1.额定制造功率。
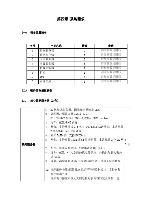
第四章采购需求(一)设备配置清单(二)硬件部分招标参数2.1核心数据服务器(2台)1.2U机架式服务器,国际知名品牌非OEM;2.处理器:配置2颗Intel XeonE5-2640v2八核2.0GHz处理器,20MB cache;3.内存:配置64GB内存;4.硬盘:支持热插拔2.5英寸SAS/SATA/SSD硬盘,本次配置2块300GB SAS10K硬盘;5.独立RAID卡:支持RAID0,1;6.网卡:支持板载10GE或GE灵活配置,本次配置2个GE网口2台数据服务器;7.配件:机架安装导轨,2块单通道8G HBA卡;8.电源:配置1+1冗余热插拔电源模块,并提供配套的电源连接线;9.风扇:满配冗余风扇,支持单风扇失效,风扇支持热插拔;10.管理维护功能:配置独立的远程管理控制端口,支持远程监控图形界面,可实现与操作系统无关的远程对服务器的完全控制,包括远程的开机、关机、重启、虚拟软驱、虚拟光驱等操作;11.提供原厂3年质保承诺函;2.2数据库存储(1台)由设备生产厂家提供3年免费保修服务(需在投标文件中提供21售后服务相关售后服务证明文件)2.3应用服务器(2台)1.2U机架式服务器,国际知名品牌非OEM;2.处理器:配置2颗Intel XeonE5六核1.6GHz处理器,15MB cache;3.内存:配置32GB内存;4.硬盘:支持热插拔2.5英寸SAS/SATA/SSD硬盘,本次配置2块300GB SAS10K硬盘;5.独立RAID卡:支持RAID0,1;6.网卡:支持板载10GE或GE灵活配置,本次配置2个GE网口;应用服务器7.电源:配置1+1冗余热插拔电源模块,并提供配套的电源2台连接线;8.风扇:满配冗余风扇,支持单风扇失效,风扇支持热插拔;9.管理维护功能:配置独立的远程管理控制端口,支持远程监控图形界面,可实现与操作系统无关的远程对服务器的完全控制,包括远程的开机、关机、重启、虚拟软驱、虚拟光驱等操作;10.投标现场提供原厂3年质保承诺函;2.4前置服务器(1台)1.2U机架式服务器,国际知名品牌非OEM;2.处理器:配置2颗Intel XeonE5六核1.6GHz处理器,15MB cache;前置服务器3.内存:配置32GB内存;4.硬盘:支持热插拔2.5英寸SAS/SATA/SSD硬盘,本次配置2块300GB SAS10K硬盘;5.独立RAID卡:支持RAID0,1;6.网卡:支持板载10GE或GE灵活配置,本次配置2个GE网口2台;7.电源:配置1+1冗余热插拔电源模块,并提供配套的电源连接线;8.风扇:满配冗余风扇,支持单风扇失效,风扇支持热插拔;9.管理维护功能:配置独立的远程管理控制端口,支持远程监控图形界面,可实现与操作系统无关的远程对服务器的完全控制,包括远程的开机、关机、重启、虚拟软驱、虚拟光驱等操作;10.提供原厂3年质保承诺函;2.5负载均衡器(1台)1.★吞吐量2Gbps、并发会话数≥1600万、4层新建连接≥30万、7层新建连接≥40万;标配8个千兆电口,不少于3组硬件Bypass功能,可扩展到24个千兆网口或8个万兆网口、8G内存、1U标准机架式设备;*性能扩展:在不升级硬件的情况下,可通过license将性能提升至8Gbps,功能不受限制;2.★设备形式:专业负载均衡设备;中英文操作界面,支持管理员分级管理;3.★多负载合一:单一设备同时支持链路负载均衡、全局负载均衡和服务器负载均衡,且三种负载功能同时激活可用,无需额外购买授权;支持下一代数据中心,支持负载均衡器服务器优化,支持服务器加速,支持硬件SSL卸载。
电子产品生产机械设备清单以下是电子产品生产过程中所需要的机械设备清单:
1. SMT 贴片机
- 功能:用于将电子元件贴装到 PCB(Printed Circuit Board)上
- 品牌型号:XX贴片机
- 规格:XX尺寸
2. 焊接设备
- 功能:用于将电子元件与 PCB 进行焊接,包括表面贴装技术(SMT)和通孔焊接技术(TH)
- 品牌型号:XX焊接设备
- 规格:XX尺寸
3. 电路板检测设备
- 功能:用于检测 PCB 上的电路连接是否正常
- 品牌型号:XX检测设备
- 规格:XX尺寸
4. 电子产品组装线
- 功能:用于将贴装好的电子元件组装成最终的电子产品
- 品牌型号:XX组装线
- 规格:XX尺寸
5. 质量检测设备
- 功能:用于对电子产品进行质量检测,包括功能测试、外观检查等
- 品牌型号:XX检测设备
- 规格:XX尺寸
6. 封装机
- 功能:用于将电子产品进行密封封装,以保护内部电路不受损害
- 品牌型号:XX封装机
- 规格:XX尺寸
请注意,以上仅为例示,并非详尽无遗的机械设备清单,根据具体生产需求,您可能需要根据实际情况选择适合的机械设备。
工一整理一设备设施清单为了提高工作效率和保持工作环境的健康与安全,对于工厂和工作场所的设备设施进行清单整理和管理非常重要。
以下是一个常见的设备设施清单,以供参考。
一、生产工具和设备1. 机械设备:例如钻床、铣床、车床等。
2. 电动工具:例如电钻、电锤、磨机、切割机等。
3. 手动工具:例如扳手、梅花扳手、卡尺、板手、螺丝刀等。
4. 焊接设备:例如电弧焊机、气体焊机、切割焊机等。
5. 工作台:例如钳工台、木工台、铁工台等。
二、办公设备和家具1. 电脑设备:例如电脑主机、显示器、键盘、鼠标等。
2. 通讯设备:例如电话、传真机、打印机、复印机等。
3. 其他设备:例如投影仪、扫描仪、数码相机等。
4. 家具:例如桌子、椅子、柜子、书架等。
三、环境控制设备1. 空调设备:例如中央空调、独立空调、壁挂式空调等。
2. 湿度控制设备:例如加湿器、除湿器等。
3. 排风设备:例如排风扇、排气扇等。
4. 清洁设备:例如吸尘器、洗地机、清洗器材等。
四、安全设备和防护设备1. 消防设备:例如灭火器、灭火器柜、消火栓等。
2. 人身防护设备:例如安全帽、安全鞋、手套、护目镜、口罩等。
3. 机器防护设备:例如护栏、护网、护罩等。
4. 报警设备:例如监控设备、警铃、呼叫器等。
五、维修工具和设备1. 电动维修工具:例如电动螺丝刀、电动扳手、电动钳子等。
2. 手动维修工具:例如扳手、梅花扳手、卡尺、板手、螺丝刀等。
3. 维修设备:例如计量仪器、检测仪器、维修台等。
以上是一个基本的设备设施清单,不同工厂和工作场所的具体清单会有所不同。
对于清单管理,需要定期检查设备设施的使用情况、维修情况和安全情况,及时调整清单并采取对应措施。
PC构件生产线设备大全PC装备主要包括PC流水线、混凝土搅拌站、专用运输设备等,其中PC流水生产线是其核心构成。
PC流水生产线将钢筋、混凝土、砂石等原材料加工成高质量、高环保的混凝土预制件,是生产混凝土预制件的核心。
在PC生产线中,各个工位具有随动和联动功能,可实现多个模台同时动作,实现了建筑构件的工厂化生产,大大提高生产效率。
PC构件生产线设备1划线机划线机用于在底模上快速而准确画出边模,预埋件等位置。
提高放置边模、预埋件准确性和速度。
功能介绍数控划线机为桥式结构,采用双边伺服驱动,运行稳定,工作效率高。
带自动喷枪装置,自动调高感应装置及友好的人机操作界面,适用于各种规格的通用模型叠合板,墙板底模的划线。
可根据实际要求处理复杂图形,精确定位系统保证图形的准确。
2布料机混凝土布料机用于向混凝土构件模具中进行均匀定量的混凝土布功能介绍设备可按图纸尺寸、设计厚度要求由程序控制均匀布料。
具有平面两坐标运动控制、纵向料斗升降功能。
控制系统留有计算机接口,便于实现直接从中央控制室计算机系统读取图纸数据的功能。
布料机采用整幅布料,布料速度快且操作简便。
布料机料斗容积约为3m3 ,行走速度布料速度无极可调。
布料机配清洗平台、高压水枪和清理用污水箱,便于清洗和污水回收。
布料机可人工手动控制和自动控制。
料斗带混凝土称重计量装置。
3振动台振动台用于振捣完成布料后的周转平台,将其中混凝土振捣密实。
功能介绍固定台座和振动台座各有三组,前后依次布置,固定台座与振动台面之间装有减振提升装置,减振提升装置由空气弹簧和限位装置组成。
周转平台放置于振动台上。
振动台锁紧装置锁紧,将周转平台与振动台锁紧为一体,布料机在模具进行布料。
布料完成后,振动台起升后再起振,将模具中混凝土振捣密实。
4预养护窑流水线自动将构件送入预养护窑进行预养,预养时间不少于1小5立体养护窑由堆垛机将构件送入立体养护窑各养护仓位,养护6-8小时。
立体养护窑窑体是由型钢组合成框架,框架上安装有托轮,托轮为模块化设计。
机械设备清单工程名称:怡亚通长沙供应链整合研发中心-物流仓库、研发中心
设备保养记录
项目名称:怡亚通长沙供应链整合研发中心一物流仓库、研发中心年月日
设备保养记录项目名称:怡亚通长沙供应链整合研发中心一物流仓库、研发中心
设备保养记录
设备保养记录
项目名称:怡亚通长沙供应链整合研发中心一物流仓库、研发中心年月日
设备保养记录
项目名称:怡亚通长沙供应链整合研发中心一物流仓库、研发中心年月日
设备保养记录
设备保养记录
项目名称:怡亚通长沙供应链整合研发中心一物流仓库、研发中心年月日
设备维修记录表工程名称:怡亚通长沙基地物流仓库办公楼
安全设施(设备)管理台帐
企业名称____________________
填写说明
、安全设施(设备)包括:安全阀、压力表、温度计、报警仪(包含可燃气体、有
毒气体、超温、超压、高液位等报警仪)、减压阀、防爆膜、放空管、液位计,以及
正压式空气呼吸器、洗眼器、沐浴器、防化服等。
二、记录应及时,字迹应工整,内容应真实。
三、每台安全设施(设备)的出厂资料、定期检测资料,应单独建档管理
安全设施(设备)管理台帐
安全设施(设备)管理台帐
安全设施(设备)管理台帐
安全设施(设备)管理台帐
安全设施(设备)管理台帐
安全设施(设备)管理台帐
专业.专注
学习参考。