长螺旋钻成孔灌注桩交底
- 格式:doc
- 大小:140.50 KB
- 文档页数:7
长螺旋钻孔建筑灌注桩安全技术交底长螺旋钻孔建筑灌注桩是一种常见的基础施工方式,它在建筑工程中起到了重要的承载和稳定作用。
为了确保施工过程中的安全性,以下是关于长螺旋钻孔建筑灌注桩的安全技术交底:1. 前期准备- 在施工前,需进行相关地质勘察和土壤力学参数的分析,以确保施工地点的安全性和适宜性。
- 准备好必要的施工设备和工具,并确保其良好的工作状态和安全运行。
2. 施工现场安全- 施工现场应设置明显的警示标志和安全线,以提醒人员注意安全并限制未授权人员进入。
- 检查并确保施工区域的地基坚实和无明显沉降迹象。
- 定期检查施工设备和机械的运行情况,及时发现并修复故障。
3. 人员安全- 所有相关人员必须接受岗前培训,了解施工规范和操作流程,并具备必要的安全意识。
- 施工现场应配备足够数量的急救设备,并培训相关人员进行急救处理。
4. 施工工艺- 严格执行设计要求和方案,确保施工过程的合理性和稳定性。
- 在进行钻孔作业时,要确保钻机稳定并正确操作,避免异常震动和倾斜。
- 灌注桩时,要控制混凝土的施工流量和质量,确保灌注完全填充钻孔,防止出现空洞或不均匀灌注现象。
- 定期检查并记录灌注桩的质量状况,及时发现问题并采取相应措施。
5. 施工后的安全措施- 施工完成后,对现场进行清理,移除施工垃圾和危险物品,确保施工区域的安全和整洁。
- 检查施工桩身的质量和稳定性,如有问题及时修复和处理。
- 监测灌注桩的承载能力,确保其满足设计要求。
请在使用本文档前确保相关人员已经了解并接受相关安全措施,并根据具体情况进行必要的调整和补充。
长螺旋钻成孔灌注桩技术交底一、工程概况在进行长螺旋钻成孔灌注桩施工前,首先需要对工程的基本情况有清晰的了解。
本工程位于_____,总建筑面积为_____平方米,基础采用长螺旋钻成孔灌注桩,设计桩径为_____毫米,桩长为_____米,桩身混凝土强度等级为_____。
二、施工准备1、技术准备熟悉施工图纸和地质勘察报告,了解桩位布置、桩长、桩径等设计要求。
编制施工方案,并向施工人员进行技术交底。
测量放线,确定桩位,并设置好桩位控制点。
2、材料准备水泥:选用_____水泥,强度等级为_____,具有出厂合格证和检验报告。
砂:选用中砂,含泥量不大于_____%。
石子:选用碎石,粒径为_____毫米,含泥量不大于_____%。
钢筋:钢筋的品种、规格、级别应符合设计要求,具有出厂合格证和检验报告。
3、主要机具准备长螺旋钻机:根据工程桩径和桩长选择合适型号的长螺旋钻机。
混凝土输送泵:选用_____型号的混凝土输送泵,保证混凝土的输送能力。
电焊机:用于钢筋笼的制作和焊接。
水准仪、全站仪:用于测量放线和桩位的复核。
三、施工工艺流程1、测量放线根据设计图纸和测量控制点,使用全站仪准确放出桩位,并设置好桩位控制点和水准点。
桩位偏差不得大于_____毫米。
2、钻机就位将长螺旋钻机移动到桩位处,调整钻机的水平度和垂直度,使钻杆垂直于地面。
3、钻进成孔启动钻机,钻头旋转钻进,钻进过程中应根据地质情况控制钻进速度。
当钻至设计深度后,停止钻进。
4、泵送混凝土在钻进的同时,通过混凝土输送泵将混凝土输送至钻杆内,混凝土从钻头底部喷出,边提钻边灌注混凝土,直至桩顶设计标高以上_____米。
5、插放钢筋笼当混凝土灌注到一定高度后,将制作好的钢筋笼吊起,垂直插入混凝土中,钢筋笼的位置应准确,保护层厚度应符合设计要求。
6、桩头处理桩顶混凝土灌注完成后,应及时清理桩头浮浆,确保桩顶混凝土质量。
四、施工质量控制要点1、桩位控制桩位偏差应符合设计和规范要求,施工前应进行测量放线,施工过程中应随时复核桩位。
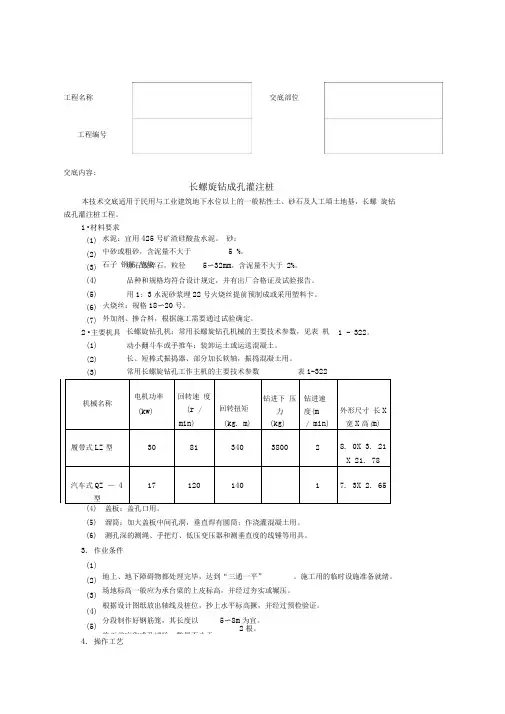
长螺旋钻孔机:常用长螺旋钻孔机械的主要技术参数,见表 机动小翻斗车或手推车:装卸运土或运送混凝土。
长、短棒式振捣器、部分加长软轴,振捣混凝土用。
常用长螺旋钻孔工作主机的主要技术参数 表1-322机械名称电机功率(kw )回转速 度(r /min )回转扭矩 (kg . m )钻进下 压力 (kg )钻进速 度(m / min )外形尺寸 长X 宽X 高(m )履带式LZ 型30 81 3403800 28. 0X 3. 21 X 21. 78汽车式QZ — 41712014017. 3X 2. 65型(5) 溜筒:加大盖板中间孔洞,垂直焊有圆筒;作浇灌混凝土用。
(6) 测孔深的测绳、手把灯、低压变压器和测垂直度的线锤等用具。
3. 作业条件(1) (2) (3) (4) (5)4. 操作工艺工程名称 交底部位 工程编号 交底内容: 长螺旋钻成孔灌注桩 本技术交底适用于民用与工业建筑地下水位以上的一般粘性土、砂石及人工填土地基,长螺 旋钻成孔灌注桩工程。
1 •材料要求 (1) (2) (3) (4) (5)(6) (7) 水泥:宜用425号矿渣硅酸盐水泥。
砂:中砂或粗砂,含泥量不大于5 %。
石子 钢筋 垫块 卵石或碎石,粒径 5〜32mm ,含泥量不大于 2%。
品种和规格均符合设计规定,并有出厂合格证及试验报告。
用1: 3水泥砂浆埋22号火烧丝提前预制成或采用塑料卡。
火烧丝:规格18〜20号。
外加剂、掺合料,根据施工需要通过试验确定。
2 •主要机具 (1) (2) (3)地上、地下障碍物都处理完毕,达到“三通一平”。
施工用的临时设施准备就绪。
场地标高一般应为承台梁的上皮标高,并经过夯实或辗压。
根据设计图纸放出轴线及桩位,抄上水平标高撅,并经过预检验证。
分段制作好钢筋笼,其长度以5〜8m 为宜。
施工前应作成孔试验,数量不少于 2根。
1 - 322。
T移钻孔机至下一桩位浇灌混凝土工艺流程:T插桩顶钢筋工程名称 交底部位 工程编号 1) 冬期当温度低于 0 C 以下浇灌混凝土时,应采取加热保温措施。
常用长螺旋钻孔工作主机的主要技术参数表1一322
(1)
应在桩架上或桩管上作出控制的标尺,以便在施工中进行观测、记录。
工程名称
交底部位
工程编号
日 期
6)同一配合比的试块,每班不得少于一组。
(7)冬、雨期施工:
1) 冬期当温度低于0°C 以下浇灌混凝土时,应采取加热保温措施。
浇灌时,混凝土的温度 按冬施方案规定执行。
在桩顶未达到设计强度50%以前不得受冻。
当气温高于30°C 时,应根 据具
体情况对混凝土采取缓凝措施。
2) 雨期严格坚持随钻随打混凝土的规定,以防遇雨成孔后灌水造成塌孔。
雨天不能进行 钻
孔施工。
现场必须采取有效的排水措施。
5. 质量标准 (1) 保证项目:
1) 灌注桩的原材料和混凝土强度必须符合设计要求和施工规范的规定。
2) 成孔深度必须符合设计要求。
以磨擦力为主的桩,沉渣厚度严禁大于300mm :以端承力 为主的桩,沉渣厚度严禁大于lOOmmo
3) 实际浇筑混凝土量严禁小于计算体积。
4) 浇筑混凝土后的桩顶标高及浮浆处理,必须符合设计要求和施工规范的规定。
(2) 允许偏差项目见表1 一323。
长螺旋钻成孔灌注桩允许偏差
表1一323
注:d为桩的直径,H为桩长。
长螺旋钻成孔灌注桩本技术交底适用于民用与工业建筑地下水位以上的一般粘性土、砂石及人工填土地基,长螺旋钻成孔灌注桩工程。
1.材料要求(1)水泥:宜用425号矿渣硅酸盐水泥。
(2)砂:中砂或粗砂,含泥量不大于5%。
(3)石子:卵石或碎石,粒径5~32mm,含泥量不大于2%。
(4)钢筋:品种和规格均符合设计规定,并有出厂合格证及试验报告。
(5)垫块:用1:3水泥砂浆埋22号火烧丝提前预制成或采用塑料卡。
(6)火烧丝:规格18~20号。
(7)外加剂、掺合料,根据施工需要通过试验确定。
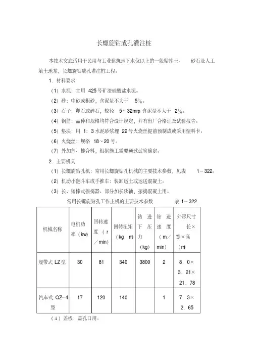
2.主要机具(1)长螺旋钻孔机:常用长螺旋钻孔机械的主要技术参数,见表1-322。
(2)机动小翻斗车或手推车:装卸运土或运送混凝土。
(3)长、短棒式振捣器、部分加长软轴,振捣混凝土用。
常用长螺旋钻孔工作主机的主要技术参数表1-322机械名称电机功率(kw)回转速度(r/min)回转扭矩(kg.m)钻进下压力(kg)钻进速度(m/min)外形尺寸长×宽×高(m)履带式LZ型30 81 340 3800 2 8.0×3.21×21.78汽车式QZ-4型17 120 140 1 7.3×2.65(4)盖板:盖孔口用。
(5)溜筒:加大盖板中间孔洞,垂直焊有圆筒;作浇灌混凝土用。
(6)测孔深的测绳、手把灯、低压变压器和测垂直度的线锤等用具。
3.作业条件(1)地上、地下障碍物都处理完毕,达到“三通一平”。
施工用的临时设施准备就绪。
(2)场地标高一般应为承台梁的上皮标高,并经过夯实或辗压。
(3)根据设计图纸放出轴线及桩位,抄上水平标高橛,并经过预检验证。
(4)分段制作好钢筋笼,其长度以5~8m为宜。
(5)施工前应作成孔试验,数量不少于2根。
4.操作工艺成孔工艺流程;钻孔桩就位→钻孔→检查成孔质量→孔底清理→盖好孔口盖板→移钻孔机至下一桩位浇灌混凝土工艺流程:移走盖板复测孔深、垂直度→放钢筋笼子→放混凝土留筒→浇灌混凝土(随浇随震)→插桩顶钢筋(1)钻孔机就位:钻孔机就位时,必须保持平稳,不发生倾斜、移位。
精品文档长螺旋钻成孔灌注桩安全技术交底记录高清洁醇醚燃料产业示范生产辅助楼、汽车装卸区、工程名称交底部位基地(一期)工程辅助生产用房工程编号日期交底内容:长螺旋钻成孔灌注桩安全技术交底一、施工安全1、钻机在转移及行进中,采取加固措施,防治钻机碰撞建筑物、翻车等事故。
钻机就位后,对钻机及配套设备进行全面的检查,钻架加设斜撑或揽风绳,确保钻机安设平稳、牢固。
2、钻进时,严密监视钻进情况,观察孔内有无异常情况,钻架是否倾斜、各连接部位是否松动、是否有坍孔征兆等,如有异常,应及时处理。
钻机停钻时,将钻头提出孔外置于钻架上,不得滞留孔内。
3、当拆钻杆为双层作业时,上下紧密配合,防止落物伤人。
4、对于已埋设护筒未开钻或已成桩护筒尚未拔出的,加设护筒顶盖或铺设安全网罩。
5、钢筋笼吊装时,必须对各主副吊点进行检查,确保满足吊装安全要求。
各吊点、连接部位牢固无损,并经常检查,发现问题及时修理。
遇大风、雷雨等异常天气,应停止钢筋笼吊装。
吊装时,下方禁止站人,必须待钢筋笼到位后,才准靠近。
6、安全用电技术负责人:交底人:接底人:恒宇华顿高清洁醇醚燃料生产辅助楼、汽车装卸区、工程名称交底部位产业示范基地(一期)工程辅助生产用房工程编号日期交底内容:长螺旋钻成孔灌注桩安全技术交底(1)各类用电人员要求掌握安全用电的基本知识和所用设备的性能,使用设备前必须按规定穿戴和设备相应的劳动保护用品 , 检查安全装置和防护设施是否完好,严禁设备带病运转。
停用的设备必须拉闸断电锁好开关箱。
搬迁或移动电器设备必须经电工切断电源,并做妥善处理后进行。
(2)配电箱作到“五防一通”即防火、防雨、防雪、防汛、防小动物,通风良好。
二、环境保护1、合理规划施工用地在施工准备阶段,结合设计图纸,以“减少植被破坏,少占耕地”为原则,合理规划临时用地,最大限度地减少施工用地。
2、水环境保护在进行施工组织安排时,充分考虑雨季特点,提前安排河道水源丰富的桩基施工,并及时做配套排水沟,完善排水系统,保护地方水利设施,确保地表径流的畅通。
长螺旋钻孔压灌桩施工技术交底一、施工准备1、施工现场障碍物都处理完毕,达到“三通一平”。
施工临时设施准备就绪。
2、测量放线并由甲乙双方共同复测桩位基线,确定无误后,进行桩位放线,并做好标记。
3、根据图纸放出轴线及桩位点。
4、试验桩设置2根,锚桩8根,首先施工A6#试验桩,成孔试验按以下工艺质量要求施工。
二、操作流程长螺旋钻孔压灌桩施工工艺流程三、质量控制技术要点(一)测量放线1、利用内部控制网测放各轴线,并作好轴线桩;3、利用轴线网测放各工程桩桩位;4、高程点引入现场经检查(误差±2mm)合格后报监理工程师确认后,并加以标识保护;5、误差控制标准:控制网小于±5mm;轴线网小于±10mm;工程桩位小于±20mm;水准网小于±5mm。
6、整个测量放线过程均需复测、检查、误差控制在允许范围,方可进入下道工序,控制点、高程点埋没牢固并加以保护,定期复测校验。
(二)技术要点1、试桩前应进行试成孔,以校对地质资料、检验设备及技术要求是否适宜;2、桩机就位必须铺垫平衡,立柱垂直稳定牢固,钻头对准桩位。
3、开钻前必须检查钻头上的契形出料活门是否闭合;严禁开口钻进;4、钻孔过程中,未达到设计标高不得反转或提升钻杆,如因特殊情况要反转提升钻杆,应将钻杆提至地面,对钻头活门重新疏通、闭合;5、桩体混凝土采用超流态混凝土,砼坍落度180~220㎜;6、压灌与钻杆提升配合好坏,将直接影响桩的质量,如钻杆提升晚,将造成活门难以打开,一般在钻杆提升30~50mm开始泵送砼为宜,避免泵压过大憋坏胶管。
如若活门打不开,将钻头提至地面,将活门疏通,并闭合好,重新钻进至设计桩底标高,重新开始压灌;7、提钻时避免在饱和砂土和饱和粉土层停泵待料。
灌至设计标高后班长指挥司泵继续泵送砼15-20秒,后停泵反抽,以保证超灌量不低于1.2m,确保桩头质量。
8、压灌应连续进行。
泵斗内要有一定容量砼,砼容量要高出进料口50mm以上,以防止吸进空气。
长螺旋钻孔灌注桩技术交底施工单位名称中国中铁五局集团有限公司单位工程名称中铁五局集团哈佳铁路站房及相关工程二工区施工部位方正站站房及雨棚孔桩基础施工内容方正站长螺旋钻孔灌注桩技术交底内容技术交底内容一、质量总方针、目标:质量总方针:以人为本,诚信经营,科学管理,持续发展。
质量目标:交验工程质量达到国家、行业质量验收标准,符合设计文件和有关技术规范要求,单位工程验收合格率100%,工程质量满足行业规定标准和顾客要求。
二、工程概况:本工程哈佳路方正站位于哈尔滨市方正站,桩基工程:主楼共152根桩,雨棚228根桩,桩径600mm,桩长15-20m;混凝土强度等级C30,用量2100m3,本工程采用长螺旋钻孔灌注桩工艺。
三、施工工艺:1、工艺流程施工准备→钢筋笼制作→轴线定位放线→复查定位轴线→桩点定位→钻机就位→开钻至设计标高→泵注混凝土提钻→安放钢筋笼→补注混凝土→留置混凝土试块→桩基检测2、施工准备2.1材料及主要机械(1)钢筋:品种、规格、符合设计要求。
有出厂证明、试验报告单。
(2)2台履带式长螺旋钻孔机(JGL90),1台360型履带式反铲挖掘机。
3、制作钢筋笼(1)钢筋连接方式采用搭接焊。
搭接部位必须弯折4度角,保证焊接完成后钢筋受拉部位受力在同一轴线上。
双面搭接焊的焊缝长度不小于5d (d为钢筋直径),单面搭接焊的焊缝长度不小于10d。
焊接质量要求焊缝饱满,无焊碴、砂眼;焊接接头在受弯构件的受拉区不得大于50%,轴心受拉构件不得大于25%;钢筋接头避开钢筋弯曲处,距弯曲点的距离不得小于钢筋直径的10倍;两焊接接头间距不小于主筋直径35倍范围且不小于500mm以内同一根钢筋上的接头不得超过一个。
(2)加工好的半成品须分堆摆放上盖下垫,码放整齐,并用标识牌标明用途和型号。
(3)钢筋应平直,无局部弯折,成盘的钢筋和弯曲的钢筋均应调直。
采用冷拉方法调直钢筋时,I级钢筋的冷拉率不宜大于2%。
(4)钢筋笼制作时,按设计尺寸做好加强箍筋,标出主筋的位置。
长螺旋钻孔灌注桩安全技术交底一、安全生产总体措施(1)坚决贯彻“安全第一,预防为主”的方针,制定具体可靠的规则、办法,切实予以执行。
(2)临时用工应签订劳动合同,劳动合同应当有安全卫生保障条款,并进行上岗前安全培训。
(3)组织工程项目施工的安全教育和技术培训考核,对管理人员和施工作业人员按各自的安全职责进行教育,建立安全生产奖惩制度,并认真落实。
(4)确保必需的安全投入。
购置必备的劳动保护用品、安全设备及设施,使其完全满足安全生产的需要。
(5)必须逐级进行安全技术交底,技术交底应有书面材料或作业指导书(或操作细则)。
技术交底针对性要强,并履行签字手续,保存资料。
(6)施工现场实行机械安全管理和安装验收制度。
使用的施工机械、机具和电气设备,在安装完成后,应当按照规定的安全技术标准进行检测,经检测合格验收后方可投入使用。
(7)施工现场的安全管理必须重视施工平面布置和现场设施管理,做到图物相符,井然有序,状况良好,此外还应做好环保、消防、材料、卫生、设备等文明施工管理。
(8)除了在施工现场设置安全宣传标牌外,危险地点必须悬挂按照GB2893-82《安全色》和GB2894-82《安全标志》规定的标牌,夜间有人经过的坑洞还应设红灯示警。
(9)施工现场安全教育,包括对新工人的定期教育和培训、变工种工人、特种作业工人的安全教育。
新进场的职工,未经三级安全教育不准上岗。
(10)施工现场所有的设备、设施、安全装置、工具、必须经常检查附件和个人防护装备,确保完好和安全使用。
二、长螺旋钻孔和压力灌浆桩作业的程序要求(1)承包人应根据工程地质勘察资料和设计文件编制工程桩施工组织设计或施工方案,经发包方技术负责人批准后,并报监理工程师批准。
(2)开工前,必须办理开工手续,总监理工程师签发开工令后方可施工。
(3)特殊工种必须持证上岗,且必须人证相符。
(4)各种原材料的取样应符合相关规范要求,抽样检查必须及时通知监理人和发包人。