固定资产编码规则84997
- 格式:doc
- 大小:268.50 KB
- 文档页数:9
固定资产编号规则
一、编号规则总体安排。
1.编号由总体结构码和实体码构成,其中总体结构码为2位,实体码
为6位。
2.总体结构码为两位,前一位表示固定资产的所属大类,后一位表示
具体的类型。
3.实体码为6位,第一位表示所属的大类,其余的5位数则记录资产
的出现的顺序。
二、构成总体结构码的参考标准。
1.固定资产大类以“R”表示,实物资产以“C”表示,固定资产的类
型以“X”表示,其他资产以“Z”表示。
2.具体的类型则按资产的用途来定义和记录,比如小车、机器设备等等,可以使用数字、字母或者混合方式来记录。
三、构成实体码的参考标准。
1.实体码由6位构成,第一位按照固定资产大类“R”“C”“X”“Z”来定义,其余5位则用来记录资产出现的顺序。
2.剩余5位可以使用数字、字母或者混合方式来记录,数字表示资产
出现的先后,从0开始记录。
四、实施措施。
1.建立一个固定资产编号系统,把固定资产统一编号,并存入资产管
理软件,方便资产的查询、台账的维护和管理。
2.生成的固定资产编号须让财务部门和其它部门验证,检查是否正确,以确保编号的准确性。
固定资产编码规则
一、固定资产编码遵循的原则:
1、系统性----编码组织应该具有一定的系统性,便于分类和识别。
2、通用性----编码的结构要简单明了,位数少。
3、实用性----编码要便于使用,容易记忆。
4、扩展性----编码要便于追加,且追加后不会引起体系的混乱。
5、效率性----编码要易于计算和处理,且处理的效率较高。
6、成套性----成套给出制定的编码规范,以便于管理和维护。
二、编码说明:
□-□□-□□-□□□
1 2 3 4 5 6 7 8
第一位:是固定资产的一级科目,1表示生产用固定资产;
2表示非生产用固定资产;
3表示租出固定资产;
4表示非使用固定资产;
5表示不需用固定资产;
6表示融资租入固定资产;
7表示土地。
第二、三位:是固定资产的二级科目,01表示为房屋及购建物类;
02表示仪器仪表类;
03表示机电设备类;
04表示电子设备类;
05表示印刷机械类;
06表示家具类;
07表示行政办公设备类;
08表示炊事设备类。
第四、五位:是固定资产的三级科目,根据固定资产的具体类别划分(详细编码见下表)
第六、七、八位:是固定资产的流水号。
例:2011年1月购买了办公用电脑3台,则其编号分别为:20401001、20401002、20401003。
固定资产编码规则
一、固定资产编码原则。
保证编码的系统性、唯一性、实用性。
二、固定资编码组成。
编码分四部份:第一部份表示资产性质,第二部份表示资产类别,第三部份为流水号。
三、固定资产编码使用。
编码由财务部统一编制,会计账簿、登记表、固定资产卡片均按统一编码进行记录。
四、固定资产编码整理。
每半年盘查一次资产,统一整理固定资产编码,对固定资产使用性质发生变化的须重新编码。
五、固定资产编码检查。
保证每项固定资产都有唯一的编码与之相对应。
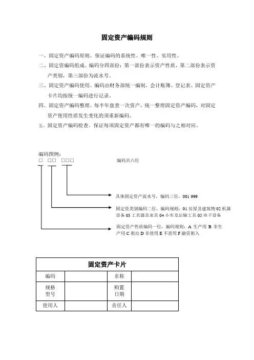
编码图例:
□ □□ □□□ 编码共六位
固定资产卡片
编码
名称 规格
型号
购置 日期 使用人
责任人 具体固定资产流水号,编码三位,001-999 固定资类别编码二位,编码规则:01房屋及建筑物02机器设备03工具器具家具04小车及运输工具05电子设备 固定资产性质编码一位,编码规则:A 生产用B 非生产用C 租出D 非使用E 不需用F 融资租入。
固定资产编码规则
附件2:
固定资产编码规则分类
注:以上是常用的固定资产编号,第一位是固定资产的一级科目,具体为1表示生产用固定资产、2表示非生产用固定资产、3表示租出固定资产、4表示非使用固定资产、5表示不需用固定资产、6表示融资租入固定资产、7表示土地;第二、三位是固定资产的二级科目,具体为01表示为房屋及购建物类、02表示仪器仪表类、03表示机电设备类、04表示电子设备类、05表示印刷机械类、06表示文体设备类、07表示家具类、08表示行政办公设备类、09表示炊事设备类、10表示无形资产类;第四、五位是固定资产的三级科目,另外在三级科目下取四位数作为该固定资产的流水号。
比如2006年1月1日购买了电脑3台,则其编号分别为:104010001、104010002、104010003。
附件一:版本A固定资产编码规则一、为加强公司固定资产管理,特制定本规则。
二、纳入固定资产管理范围的资产(除模具外),均按本规则执行。
三、固定资产的有效编码长度固定为10位,分为4码,共三段,用分割符隔开:具体如下:QS - X X - X X - X X -0011码2码3码4码 5码各码说明如下:第1码:由两位英文字母组成,代表公司,统一为QS(乾朔首字母);第2码:设备类别,由设备名称拼音的第一个字母构成。
JJ:家具(jiaju),GQ:工具器具(gongjuqiju)第3码:由两位英文字母组成,代表资产列管年份,2012 年标示为12,2013年标示为13;第4码:由两位英文字母组成,代表资产列管月份,06月份;第5码:由四位阿拉伯数字组成,代表流水号。
四、资产大类的划分:4.1房屋、建筑物及附属设施:办公、生产、仓库、宿舍、食堂用房屋,道路、围墙、水塔、烟囱等建筑物,供排水、污水处理、供电代暖、燃气、消防等设施。
4.2机器设备:直接或间完成生产、加工、运行等功能或效用、需要永久的或在一段时间内以某种方式安装或固定在土地或建筑物上的装置,包括各种用于生产的机械、设备及配套装置。
4.3工具仪器:用于辅助生产经营活动的检测、校正、自动化控制、消毒、报警等使用的工具、器具、仪器仪表等。
4.4家具:办公用的通用性设备,包括桌椅、沙发、柜子、茶具、床、空调、冰箱、饮水机等。
4.5运输设备:客车、货车、摩托车、叉车及其他车辆等。
4.6电子通讯设备:通讯设备、电脑、打印机、复印机、传真机、扫描仪、投影仪、交换机、服务器等。
4.7模具治具:用以注塑、吹塑、挤出、压铸或锻压成型、冶炼、冲压、拉伸等方法得到所需产品的各种模子和工具,以及协助控制位置或动作(或两者)的工具。
4.8其它:其他未列入上述范围的固定资产。
如:消防设备。
专用于存储软件的介质(如磁盘),如所记录的软件价值大于2000元,且通过该介质可将软件重复安装于运行设备上,则该介质作为固定资产管理。
固定资产编码规则编码规则及信息卡粘贴规范要求为了加强公司内固定资产的管理,确保编码的唯一性和实用性,实现账、卡、物及使用人、管理责任人清晰明了,特制定本规则及规范要求。
适用范围为公司内所有固定资产的编码标识、更改与信息卡(标签)粘贴。
职责划分:公司总部固定资产的编码标识、更改与信息卡粘贴由公司行政管理部全权负责,各分支机构固定资产的编码标识、更改与信息卡粘贴由对应单位行政管理部门全权负责,公司财务管理部有权核查资产动向与明细。
编码原则:系统性、唯一性、实用性,把握及时性。
编码组成:资产流水号(3位)、资产类型(3位)、资产总分类(2位)、所在单位名称(2-4位)、公司名称(2位:NK)。
编码要求:编码标签自张贴于固定资产之日起正式生效,未经固定资产归口管理部门同意,任何人不得私自损毁或变更标签相关内容。
固定资产归口管理部门每半年对管辖范围内固定资产进行一次全面普查与核对,梳理规整编码,纠正违规行为,对使用性质发生变化的固定资产要重新进行编码,对污损、遗失的标签要及时更换补贴。
确保每项固定资产均有唯一编码与之对应,新购配置的固定资产应在5日内完成编码,调拨异动的固定资产应在3日内完成编码,弃用报废的固定资产应在当日内注销编码。
固定资产编码分类代码及标签内容按如下规定办理:一级:小轿车、商务车、运输设备二级:YS小货车、大货车三级:电视、空调、冰箱、微波炉、电器设备及杂项设施、饮水机、电热水壶、音响、风扇、吸尘器、热水器、大班台(桌+边柜)、办公桌、办公家具、用品、会议桌、圆桌、接待桌、长条桌四级:对应名称代码五级:集团名称(NK)、单位名称固定资产编码规范XXX对固定资产进行编码管理,以便统计和管理资产的使用情况。
编码规范如下:一级编码为“NK”,代表XXX。
二级编码为所在单位的名称核心汉字拼音第一个字母(大写)组合而成。
例如,总部为“ZB”,河西店面为“NKHEXI”,河东店面为“NKHEDO”。
固定资产编码规则及信息卡粘贴规范要求一、目的:为切实加强公司内固定资产的日常管理,确保其身份编码的唯一性和实用性,真正实现账、卡、物及使用人、管理责任人清楚明了、相互对应,特制定本规则及规范要求;二、适用范围:公司范围内所有固定资产的编码标识、更改与信息卡标签粘贴三、内容:一职责划分:公司总部固定资产的编码标识、更改与信息卡粘贴统一由公司行政管理部全权负责,各分支机构固定资产的编码标识、更改与信息卡粘贴由对应单位行政管理部门全权负责,公司财务管理部有权核查资产动向与明细;二编码标识与标签制作:1、编码原则:讲究系统性、确保唯一性、突出实用性,把握及时性;2、编码组成:一级二级三级四级五级位资产类型,编码3位,对应编码见第4款资产总分类,编码2位,对应编码见第4款所在单位名称,编码2-4位,公司名称,编码2位:NK3、编码要求:1编码标签自张贴于固定资产之日起正式生效,未经固定资产归口管理部门同意,任何人不得私自损毁或变更标签相关内容;集团范围内任何形式的固定资产异动均须通过归口管理部门实施完成,其他人无权决定与操作;2由固定资产归口管理部门牵头负责,相关财务管理部门密切配合,每半年对管辖范围内固定资产进行一次全面普查与核对,梳理规整编码,纠正违规行为,对使用性质发生变化的固定资产要重新进行编码,对污损、遗失的标签要及时更换补贴;3确保每项固定资产均有唯一编码与之对应,凡新购配置的固定资产,应在5日内完成编码,调拨异动的固定资产,应在3日内完成编码,弃用报废的固定资产,应在当日内注销编码;4、固定资产编码分类代码及标签内容按如下规定办理:1一级编码由集团名称核心汉字前两个字汉语拼音第一个字母大写组合而成,统一规定为“NK”;2二级编码由所在单位公司总部或分支机构名称核心汉字汉语拼音第一个字母大写组合而成,如公司总部为“ZB”,必拿客河西店面为“NKHEXI”,必拿客河东店面为“NKHEDO”以此类推;3三级编码为资产总分类前两个汉字汉语拼音第一个字母大写组合而成如上表所示;4四级编码为该资产所属类型数字代码如上表所示;五级编码为对应资产流水号001-9995、固定资产标签统一按如下式样制作:三固定资产信息卡标签粘贴要求:1、标签粘贴范围:资产分类中运输设备不适宜粘贴标签的可以不粘贴标签,但在台帐记录中仍需对其进行编码、标识和统计,除此之外其它固定资产原则上均需按规范要求粘贴标签;2、标签粘贴原则:根据物品通常摆放位置,从便于观察并易于粘贴、保管的原则出发,按以下顺序选择标签粘贴位置:1能够正面粘贴的,首先选取正面右上角位置粘贴;2正面无处粘贴的,可选择顶部前端位置粘贴;3正面和顶部都无法粘贴的,可选择侧部前上角位置粘贴;4上述位置均无法粘贴的,可粘贴在背面右上角位置;5台式计算机须在显示器、主机上同时粘贴资产标签;笔记本电脑应将标签粘贴在底部不影响机器散热处;6各类车辆标签粘贴在车辆前挡风玻璃内侧右上角;7无法粘贴标签或不适宜粘贴标签的资产,须在固定资产代码台账备注栏写明原因;3、标签粘贴注意事项:1粘贴时应仔细核对资产信息,确保账、物对应相符,避免贴错资产;2标签粘贴务求端正、整齐,位置统一,切实遵循不易磨损并便于查询的原则;标签应粘贴于表面平坦、醒目且不易磨损的位置,以便随时查看;标签粘贴必须保持平整、光洁,不能弯曲;3标签粘贴前,应对粘贴位置做去油、去污处理;4标签粘贴位置与资产边界之间应保留一定距离,一般以1厘米左右为宜;5设备类标签粘贴原则上应选择在设备醒目不易磨损的外壳之上,若条件允许最好粘贴在设备右侧或右上方,其中:①计算机类设备,显示器标签贴在背面,主机标签贴在机箱上,且不能被覆盖;②由多个台件组成的大型设备,凡以“系统”整体列目建账的如多媒体音箱系统,其标签粘贴位置应选择在主机或价值高、体积大的设备上;③粘贴位置为曲面类似圆柱面的,标签按曲面中轴方向粘贴;④资产标签尺寸大于应标识设备的如数码相机等,则保留标签重要信息资产编码,其余剪除后再行粘贴;6办公家具类标签粘贴按如下规则办理:①柜类、架类家具粘贴在柜架正面右上角横框处;②桌类、沙发类家具粘贴在资产侧面上部位置;③带靠背椅子类家具粘贴在资产后背底部,凳类家具粘贴在坐面底部;④其它类家具视其外形选定不易磨损的位置粘贴;4、标签粘贴操作程序:1对照设备和台账上的资产编号选取相应的标签,核对标签信息名称、型号、使用单位等,确保准确无误;2将标签一端撕下,粘贴在规定位置;3抹平标签,避免边、角翘起现象,必要时应用透明胶带对标签进行加固处理;四附则:1、本规则及规范要求由公司行政部负责制定和解释,自正式颁布之日起开始生效;执行中如有未尽或不妥事项,可以适时进行修改与完善,修改完善后的版本为最新版本,原版本同时作废;2、本制度实施后,其它制度中与此不一致或有所抵触的相关条款一律作废,均以此为准遵照执行;本制度解释权归公司行政部;。
固定资产编号规则固定资产编号是企业管理和控制固定资产的重要手段,也是资产会计核算及管理的基础,可以准确反映财务、物管、设备等部门之间的变动。
固定资产编号由企业在编制的基础上,采用符合企业实际经营情况的编码方式组成,其编码能够体现固定资产的主要特征,并且具有300-400位数的位数,形式如下:(1)第1-3位,表示类别:例如:固定资产分为两类:固定资产和无形资产,其中固定资产编码以“GA”开头,无形资产编码以“GI”开头;(2)第4-6位,表示大类:例如,计算机固定资产以“101”开头;(3)第7-9位,表示小类:例如,计算机固定资产的台式机以“102”开头;(4)第10-13位,表示具体型号:例如,计算机台式机105系列以“1010”开头;(5)第14-17位,表示资产来源:例如,购买资产以“1001”开头;(6)第18-20位,表示来源所在部门:例如,财务部购买资产以“101”开头;(7)第21-25位,表示管理机构:例如,总经理室管理的资产以“MGR-”开头;(8)第26-30位,表示具体属性:例如,计算机台式机105系列由总经理室购买,属性为“ORA-”,则以“ORA-”开头。
二、编号实施固定资产编号的实施需要在财务、物管、设备三部门共同完成,具体操作流程如下:1、财务部:财务部负责编制固定资产编号,根据购买资产的类别,大类,小类,具体型号,来源,来源部门以及管理机构等信息,综合运用上述编码方式,编制符合企业实际经营情况的固定资产编号。
2、物管部:物管部负责物资采购过程中,根据固定资产编号,将采购的资产准确录入其资产管理系统,保证固定资产的编号与实物保持一致,并且要求资产的状态应当保持一致。
3、设备部:设备部负责资产的日常维护及运行,根据固定资产的编号能够准确识别出具体的资产,完成设备的各项维护工作。
三、编号管理固定资产编号的管理非常重要,企业必须对其进行严格的管理,以保证其准确性和可视性。
文件制修订记录
一、资产编码说明
1、编码分“类、项、目、子目”四个层次,其中“子目”用资产数量序列表示。
资产分九大类,其中1-6类属固定资产,7-9属低值易耗品,第10类属于无形资产。
第一类中房屋及建筑物符合《投资性房地产准则》确认要求的,会计按投资性房地产核算。
2、为保持信息编码长度统一,“类、项、目”均按两位数字编码表示,“子目”按三位数字编码;某项资产无分类按00编码。
3、统一编码:公司保持统一编码,编码由公司资产管理员确定,经公司主管会计审核后,下发资产编码。
二、资产目录:
1、同时具备以下条件,确认为固定资产:
(1)使用寿命超过一个会计年度的房屋及建筑物、经营设备、经营电器、运输工具以及其他与生产经营有关的设备、器具、工具等。
(2)一般情况下,单位价值在2000元以上(含2000元)或单位在2000元以下,但属于集团固定资产编码内的资产(低值易耗品中无该类编码)。
低值易耗品是指不符合上述固定资产标准的,可周转使用的,金额在200-2000
元的实物资产。
固定资产科目编码固定资产是指某个企业用于长期生产经营活动、拥有并支配并且预计在多个会计期间内使用的有形资产。
固定资产通常包括土地、建筑物、机器设备、交通工具、仓储设施等。
为了便于企业进行财务管理和会计核算,需要对固定资产进行科目编码。
科目编码是对账户进行分类和编号,方便进行财务数据的分类、管理、汇总和分析。
一、固定资产科目分类在编制固定资产科目编码前,首先需要对固定资产进行分类。
一般按照企业的运营特点和行业特征进行分类,常见的固定资产分类如下:1.房屋及建筑物类:包括土地使用权、厂房、办公楼、仓库等;2.机器设备类:包括生产设备、办公设备、运输设备等;3.交通工具类:包括汽车、船舶、飞机等;4.电子设备类:包括计算机、服务器、网络设备等;5.图书档案类:包括图书、档案等;6.生产工具类:包括工具、模具等;7.其他类:包括土地使用权、设计费、安装工程等。
二、固定资产科目编码原则在对固定资产进行科目编码时,需要遵循以下原则:1.层次性原则:固定资产科目编码应该采用分级编码,即从整体到细分,给每个科目分配唯一的编码。
例如,房屋及建筑物类可以为1开头,机器设备类可以为2开头,交通工具类可以为3开头,以此类推。
2.有序性原则:固定资产科目编码应该按照一定的顺序编码,使得编码的数字大小与科目的分类有一定的对应关系,便于查找和管理。
例如,房屋及建筑物类可以依次编码为101、102、103等,机器设备类可以依次编码为201、202、203等。
3.简洁性原则:固定资产科目编码应该尽可能简洁明了,避免过长的编码数字,同时要保证编码的唯一性。
可以采用不重复的数字来进行编码,避免使用形如10101这样的数字串。
三、示例编码根据以上原则,可以为不同类别的固定资产进行编码。
以下为一些示例编码:1.房屋及建筑物类:101 土地使用权102 厂房103 办公楼104 仓库2.机器设备类:201 生产设备202 办公设备203 运输设备3.交通工具类:301 汽车302 船舶303 飞机4.电子设备类:401 计算机402 服务器403 网络设备5.图书档案类:501 图书502 档案6.生产工具类:601 工具602 模具7.其他类:701 土地使用权702 设计费703 安装工程通过以上编码,可以清晰地对不同类型的固定资产进行分类和管理,方便进行财务核算和报表汇总。
固定资产编码规则
一、固定资产编码原则。
保证编码的系统性、唯一性、实用性和及时性;
二、固定资产编码组成。
编码分四部分,第一部分表示资产性质,第二部分表示资产形态,第三部分表示资产类别,第四部分为流水号;
三、固定资产编码使用。
编码由财务部统一编制,会计账簿、实物台账和卡片帐均按统一编码进行记录,出售、转让、毁损报废资产占有的编码注销;
四、固定资产编码整理。
每半年全面普查一次资产,统一整理固定资产编码,对固定资产使用性质发生变化的需要进行重新编码;
五、固定资产编码检查。
保证每项固定资产都有唯一的编码与之对应,新购置的应在5日内编码,调拨的应在3日内编码,报废的应在当日注销编码。
固定资产编码示例:
一级二级三级四级
# ## ## ### 编码八位,图示如下:
001-999
固定资产类别编码,编码二位,编码规则:见附表
固定资产形态,编码二位,编码规则:
01房屋建筑物02机器设备03工具器具家具
04小车及运输工具05电子设备
固定资产性质,编码一位,编码规则:A生产经营用固定资产B非生产经营用固定资产C租出固定资产D非使用固定资产E不需要固定资产F融资租入固定资产
二、三级编码表:。
固定资产编码说明
为规范公司的固定资产管理,方便查询,现对所有符合固定资产条件的都以编码进行系统管理。
一、编码由4级11位数字和字母组成。
二、编码原则为:资产类别(2位)+购入年月(4位)+序列号(4位)+补充码(1位)。
三、编码使用规则:
第一级:资产类别分及代码分别如下:
第三级:购入年月用4位数表示,年代取后2位。
第四级:序列号从001开始至999,自年初开始依资编写。
四、本规定自09年11月01日起执行。
五、举例:
1.2009年9月从国内购入生产环牛设备中速机1台,属于本年度已购入
机械设备第26台,则编号如下:C02/0909/026
2.固定资产编号为O04/0611/008,则表示为06年11月份从国外进口购入检测设备一台(套),排序为第8台(套)。
模具編碼說明
為規范公司的模具管理,方便查詢,現對所有符合模具條件的都以編碼進行系統管理。
一、編碼由3級8位數字和字母組成。
二、編碼原則為:所有權(1位)+購入年月(4位)+序列號(3位)。
三、編碼使用規則:
第一級:資產的所有權,分為客供和自有,分別用C(Customer)和O(Own)表示;
第二級:購入年月用4位數表示,年代取後2位。
第三級:序列號從001開始至999,自年初開始依資編寫。
四、本規定自09年11月01日起執行。
五、舉例:
1.2009年11月從國內購入模具1套,為公司本年度購入第108套,則編號
如下:O/0911/108
2.某套模具編號為C/0905/006,則表示為此模具為客戶提供,09年05月進入公司,為本公司第6套客戶模具。
河南联合汇能清洁能源有限公司固定资产编码规则及责任信息卡粘贴规范一、目的:为切实加强公司内固定资产的日常管理,确保其身份编码的唯一性和实用性,真正实现账、卡、物及使用人、管理责任人清楚明了、相互对应,特制定本规则及规范要求。
二、适用范围:公司范围内所有固定资产的编码标识、更改与信息卡(标示牌)粘贴三、内容:(一)职责划分:固定资产的编码标识、更改与信息卡(标示牌)粘贴统一由各设备使用场站负责,公司运营管理部及财务部门有权核查资产动向与明细。
(二)资产编码组成:资产编码由“单位名称核心汉字首字母(2~3个汉语拼音字母)+资产总分类(2个字母)+资产类型(3位数字)+资产流水号(3位数字)”四级组成,每级之间用“—”号隔开:一级二级三级四级###—##—###—###资产流水号,编码3位资产类型,编码3位资产总分类,编码2位所在单位名称关键字字母,编码2~3位,例子:资产编码“CJ—SC—001—001”所表示的意思是:一级二级三级四级CJ—SC—001—001第一台压缩机的流水编号。
资产类型:压缩机;资产总分类:生产设备;长江路加气站名称的关键字“长江”的首字母;(三)一级编码:一级编码由所在“单位名称”核心汉字前两个字汉语拼音第一个字母(大写)组合而成,如:单位名称AA路加气站(AA加气站)BB部门核心汉字AABB代码AABB……以此类推(四)二、三级编码:二级编码为资产总分类前两个汉字汉语拼音第一个字母(大写)组合而成(如下表所示);三级编码为该资产所属类型数字代码(如下表所示):资产总分类资产类型序号名称代码名称土地房屋1土地、房屋及构建物FW建筑物罩棚……压缩机机组(撬)干燥器储气井顺序控制盘加气机2生产设备SC缓冲罐回收罐冷却水塔储罐LNG撬体调压设施代码001 002 003 004…001 002 003 004 005 006 007 008 009 010 011过滤器管道及管道附件PLC控制柜燃气泄漏检测仪可燃气体探测探头钢瓶扫描仪压力表3仪器仪表YQ温度表流量计安全阀压力变送器温度变送器干粉灭火器二氧化碳灭火器4消防设施XF消防箱柜火灾报警系统小轿车商务车越野车3运输设备YS大巴车货车……监控系统台式电脑(主机、显示器)笔记本电脑4电器电子设备DQ打印机复印机传真机012 013 104 001 002 003 004 005 006 007 008 009 001 002 003 004 001 002 003 004 005001 002 003 004 005 006扫描仪打印复印传真扫描一体机投影仪碎纸机电视空调冰箱洗衣机抽油烟机电磁炉消毒柜饮水机纯水机相机……大班台(桌+边柜)办公桌长条桌会议桌前台接待桌007 008 009 010 011 012 013 014 015 016 017 018 019 020…001 002 003 004 0075家具用具JJ办公椅沙发文件柜保险柜......008 009 010 011 (001)其他低值资产QT002003………(五)四级编码:四级编码为对应资产流水号(001-999)(六)编码要求:(1)编码要讲究系统性、唯一性、实用性、及时性。
1目的
为了有效管理公司固定资产,明确部门的职责,特制定本编码规则。
2定义
无
3适用范围
公司所有购置的固定资产。
4职责
总经办负责制定固定资产编码规则以及对公司新购入固定资产进行编码;
财务部负责根据总经办制定的固定资产编码对应台账流水号。
5固定资产编号
5.1编号原则:KX—资产类别号-购建年月-OA部门编号-资产序列号。
5.2编号内容
5.2.1 ;
5.2.5 资产序列号:范围从到(如公司发展规模扩大,可延展系列号为五位)
5.3 其他事项
5.3.1 编码中的部门编号是指该固定资产的使用部门编码,如无使用部门,可以将管理部门或申
请部门的编码作为部门编码。
5.3.2 编码实例:总经办年月购入文件柜一个,使用部门是财务部,该固定资产的编码
为:
6支持文件
无
7相关记录
无。
固定资产编码规则(一)固定资产分类1、按照资产使用地点的不同,将以门店为单位作一级划分(店别码按照开店时间顺序依序编写,其店别码由总公司统一指定)。
2、按照资产使用用途的不同,将其划分为10大类共27小类。
10大类包括:办公设备、机电设备、安防设备、计量设备、运输设备、播音设备、收银设备、营运设备、建筑物、其它(详见分类明细表)。
(二)、固定资产编码规则:固定资产采用五级编码原则,共计十三位码,具体如下:1、固定资产编码图示:XX(8-9位) XXXX(资产数量码)第二级代码(资产类别,二位)第三级代码(资产项目码,二位)第四级代码(资产明细码,二位,门店自编)(三)、编码说明:1、第一级码公司店别码:三位数码(即001-999),按开店时间顺序编码,由总公司总务资产部统一分配。
例:邻水店001,华蓥店002;2、第二级码资产类别码(即大类别):两位数码(即01-99),按总公司总务资产部指定的代码顺序编写。
例:办公设备01,则华蓥店办公设备00201;3、第三级码资产项目码(即小类别):两位码(即01,02,03顺序编码)按总公司总务资产部指定的代码顺序编写。
例:华蓥店办公设备中的办公桌椅0020104;4、第四级码资产明细码:两位码(即01,02,03顺序编码),由门店总务部资产管理员自行编写。
例:华蓥店办公设备中的办公桌椅类中的电脑桌002010402或是002010401,但必须按顺序编写,中间不能缺号(如:不能从01—11中间缺掉05号段);5、第五级码资产数量码:四位码(即0001,0002,0003顺序编码,第一次编码不能中间不断号;如有资产报废,产生的断号由新增资产补上,如没有新增,则可在年终将最高号段依序替补)。
例:如某一设备数量为有50个,则为0001--0050;华蓥店的第一张办公桌:0020104010001华蓥店的第一张电脑桌:0020104020001华蓥店的电脑桌共37张:0020104020001—0037(此为同类资产数量较多时的表示方法)。
目录部门编码 (2)资产分类编码 (3)固定资产卡片编码 (5)固定资产卡片整理 (6)部门编码如图,右下方红框里面的编码规则,里面有 2组的2位米字符,其中多少组表示能分成几 级(不是必须分成几级),而多少位米字符表示每级的流水号能有多长,图中共有 2组2位的米字符,表示最多能分成两级,每级的流水号是 01-99.我这里编码规则是 2组2位,你们的是5组2位,如图,左侧红框,里面是我简单做的部门分类档案,第一级就是 01总经办--07仓储部,第二级就是0201的财务一部和 0202的财务二部 总体说明:米取统一编码 编码规则:xx XX二级分类。
---------------- ► 一级分类举例:第一级分类 01总经办 02财务部 03销售部。
第二级分类 0201财务一部 0202财务二部以此类推。
rfn 亠 —K ~3I* /悸at IMF-4 ni LH 越至苣定橙 A 2E:-丄昭 Jf 齐部门档夷荽^ nBH M d二一r E r輕阳ll EJ sr^阳骷愉w rw 〔込-生忌 1- .F SLtss 吗a匚厂曰—卜—卜卜—一—卜」卸门右案<11--且用前J毎门!S 玛 會门斶 iSA褂* 即门堯凹 电逢2厂嗚*地M iSflW.S I 三丄丹;: foU.kti 陽血日 鐵也曰酹资产分类编码资产类别编码方式,和上面的部门档案编码分类是一样的不同的是,你们的部门分类编码规则在创建账套的时候已经制定好了,这里面可以自己制定,上面的级别表示能够分成多少级,下面的编码长度表示每级的编码能有多长。
这个要先定义好,定义好后就能够在下图的资产类别里面进行资产类别的设定。
同时还能够设置卡片编号的长度,卡片编号的长度只有两个选项,一个是五位,一个是六位,这里我选择的是六位。
a部应折旧科目£]選产类别區1资因旦增咸方式囱使由状况0折I日方蛍0条码信息设置0卡片项目站阖定资产标釜£1卡片样式曲凭酬要设羞如图:下面是我做的一级和二级的分类,我只是粗略的进行了一个分类,你们可以根据自己的需要分的细致一点。
固定资产编码规则一、编码长度和层次结构编码的长度一般根据资产种类的数量来确定,较多的资产种类可以采用较长的编码长度,以方便分类和管理。
例如,可以使用4位、6位或8位编码长度。
在编码层次结构方面,可以根据资产种类的分类和层次关系,逐级划分编码层次。
较高层次的编码可以表示资产大类,而较低层次的编码可以表示具体的资产品种和个体。
二、基本编码规则1.资产大类编码:资产大类编码是指将不同种类的资产归为几个大类,以便于资产分类和管理。
通常可以使用阿拉伯数字或字母来表示资产大类。
例如,1表示固定资产、2表示无形资产、3表示金融资产等。
2.资产小类编码:资产小类编码是指对每一种资产进行细分的编码。
通常可以在资产大类编码的基础上添加1位或2位的数字来表示资产小类。
例如,11表示土地、12表示建筑物、13表示机器设备等。
3.资产个体编码:资产个体编码是指对每一具体的资产进行编码,以方便对个别资产进行识别和管理。
通常可以在资产小类编码的基础上添加1位或2位的数字来表示资产个体。
例如,110表示土地1号、111表示土地2号等。
三、其他编码要素除了基本编码规则外,还可以考虑其他编码要素,以满足企业的特殊需求。
例如,可以添加地区、部门、使用年限、维修记录等信息,以便于对资产信息进行进一步的统计和分析。
编码规则的制定应该根据企业的实际情况进行调整和优化。
在制定编码规则之前,需要对企业的资产种类、管理需求和系统要求进行充分的调研和分析。
同时,也需要与企业内部的相关部门和人员进行充分的沟通和讨论,以确保编码规则的准确性和实用性。
总之,固定资产编码规则是一项重要的管理工作,它能够提高企业的资产管理效率和准确性。
通过合理制定编码规则,可以对固定资产进行分类、识别和管理,为企业的资产管理提供有力的支持。
目录
部门编码 (2)
资产分类编码 (3)
固定资产卡片编码 (5)
固定资产卡片整理 (6)
部门编码:
如图,右下方红框里面的编码规则,里面有2组的2位米字符,其中多少组表示能分成几级(不是必须分成几级),而多少位米字符表示每级的流水号能有多长,图中共有2组2位的米字符,表示最多能分成两级,每级的流水号是01-99.
我这里编码规则是2组2位,你们的是5组2位,
如图,左侧红框,里面是我简单做的部门分类档案,第一级就是01总经办--07仓储部,第二级就是0201的财务一部和0202的财务二部
总体说明:
采取统一编码
编码规则:
X X XX
二级分类。
一级分类
举例:
第一级分类01总经办02财务部03销售部。
第二级分类0201财务一部0202财务二部
以此类推。
资产分类编码:
资产类别编码方式,和上面的部门档案编码分类是一样的
不同的是,你们的部门分类编码规则在创建账套的时候已经制定好了,这里面可以自己制定,上面的级别表示能够分成多少级,下面的编码长度表示每级的编码能有多长。
这个要先定义好,定义好后就能够在下图的资产类别里面进行资产类别的设定。
同时还能够设置卡片编号的长度,卡片编号的长度只有两个选项,一个是五位,一个是六位,这里我选择的是六位。
如图:下面是我做的一级和二级的分类,我只是粗略的进行了一个分类,你们可以根据自己的需要分的细致一点。
我这边对应着上图的编码规则进行编写的,第一级为2位编码A1-A7,第二级为1位编码1-2(编码用数字还是字母都可以,这边只是根据我的想法,在第一级用了字母加数字)
固定资产卡片编码
如图可以看出:卡片编号的长度是固定6位的,并且随着卡片的增加自动填写数字,而固定资产编码是不固定的,如图,能是6位,也能是二十位,这边的二十多位是我手动输入的,所以才会有这么长,也可以自动输入,但自动输入的话,长度就会被固定下来。
手动输入,不限制长度,但要自己设置编码规则,并根据此来填写,不然容易搞混淆。
自动编码,根据所选的系统中的不同规则来制定长度,选好后就会固定下来,不能再改变了。
如图,自动输入的话,有以上几种类型,其中序号的长度最大为00001-99999,你们在制定编码规则的时候,可以拿来参考。
固定资产卡片整理:
这个是我们卡片的基础样式,可以根据这个卡片来对Excel模板进行整理,Excel模板中的蓝色项都是必填的,累计折旧,已使用月份,净残率,净残值也是要填的,折旧科目如果不细分的话,填6602就行,细分的话,就要根据你们细分的来进行填写。
要注意的是,如果会记科目中的6602管理费用进行了细分,比如说,是按照部门划分的,例:660201 管理费用-总经办折旧费用,那在填写Excel表的时候,同样的部门的折旧科目编码要填写的一模一样,
其中系统已经有了的编码规则如下:
如图,增加方式,使用状况,和折旧方法的编码都已经有了,可以直接使用。
如图,这是我填写的一个大致的范例,你们可以照着我这个范例来填写,其中要注意的是:A7010002这个固定资产,可以看到它有两个,除了部门编码之外其它都相同,这种情况是因为,有的固定资产不是一个部门在使用,是多个部门在使用,对于这种情况,就是有几个部门在使用,就录几行,将部门设置的不同,并且在使用比例中填写各占的比例,比例加起来要等于1。
如果对固定资产的分类比较细致,比较多的话,也可以通过填写模板,到时候直接进行导入。
如图
一般来说填写这几项就行了,对应的方法编码前面的图片都提供了,这里资产类别前面也教过怎么分类了,将你们做好的固定资产分类填进去,并根据前面教的编码规则,填写编码就
行了。
卡片样式你们根据我发的几张图片来选,分别对应的编码是1,3,4
如果对这些样式有哪些不满意的地方,选择一个最让你满意的模板,然后我们这里可以对模板进行调改。