恒大名都锅炉房泄爆口采光顶设计计算书
- 格式:doc
- 大小:348.50 KB
- 文档页数:25
福建工程学院《锅炉房》课程设计计算说明书题目燃气热水锅炉房工艺设计系别:专业:建筑环境与设备工程班级:学号:学生:指导老师:日期: 2014年目录1设计原始资料 (2)1.1设计概况 (2)2 锅炉房容量及锅炉的选择 (2)2.1全厂热负荷计算 (2)2.2锅炉机组的选择 (3)3 给水及水处理设备的选择 (4)3.1锅炉循环水量的计算 (4)3.2循环水泵扬程的计算 (4)3.3循环水泵的选择 (4)4 定压机水处理设备的选择 (5)4.1 膨胀容积计算 (5)4.2定压装置及补水泵的选择 (6)4.3软化水箱设备及软化水箱的选择 (6)4.4其他 (6)5 水汽系统主要管道管径的确定 (7)5.1 循环水主干管管径的确定 (7)5.1.1锅炉房循环水进出总管管径 (7)5.1.2 水泵至锅炉循环水管管径 (7)5.2 天然气总管管径的确定 (8)6 燃气及排气系统 (8)6.1 燃气及天然气泄漏报警装置 (8)6.2 烟囱 (9)7 热工控制和测量仪表 (9)8 锅炉房的布置 (9)10 技术经济指标 (10)11 锅炉房主要设备表 (10)1设计原始资料1.1设计概况设计作为一燃用天然气的热水锅炉房,主要为联合厂房采暖及生活沐浴提供所需的热能。
锅炉房位于厂区东面的公用动力站房内,毗邻有空压站。
根据规划,近期锅炉房内先安装三台WNS2.8-1.0-95/70-Q 型燃气热水锅炉,锅炉房总额定功率为8.4MW ,热水供、回水温度为95℃和70℃。
锅炉燃料为天然气。
1.2原始资料1.2.1 热负荷采暖用热 Q 1=4000KW 供、回水温度:95℃/75℃;生活用热 Q 2=7440KW 供、回水温度:95℃/75℃1.2.2 燃料资料燃料为东海天然气,其收到基地位热值:34332kJ/m 3。
1.2.3水质资料总硬度 H 0 121mg/L永久硬度 H FT 24mg/L暂时硬度 H T 97mg/L总碱度 A 0 95mg/L1.2.4工厂工作班制工作班制为两班制2 锅炉房容量及锅炉的选择2.1全厂热负荷计算1、采暖季最大计算热负荷MW Q K Q K K Q )2211(0max +=式中 K 0------管网散热损失系数,取1.05;K 1------采暖用热的同时使用系数,取1;K 2------生活用热的同时使用系数,生活用热可提前1h 加热,故取0.5。
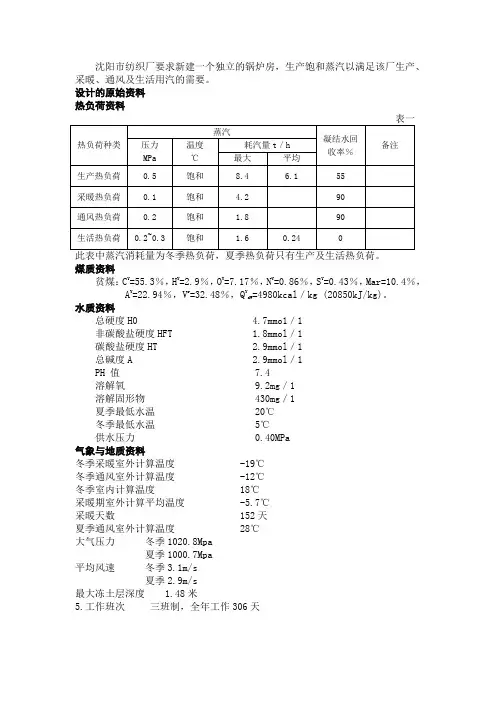
沈阳市纺织厂要求新建一个独立的锅炉房,生产饱和蒸汽以满足该厂生产、采暖、通风及生活用汽的需要。
设计的原始资料热负荷资料煤质资料贫煤:C Y=55.3%,H Y=2.9%,O Y=7.17%,N Y=0.86%,S Y=0.43%,Mar=10.4%,A Y=22.94%,V r=32.48%,Q Y dW=4980kcal/kg (20850kJ/kg)。
水质资料总硬度H0 4.7mmo1/1非碳酸盐硬度HFT 1.8mmol/1碳酸盐硬度HT 2.9mmol/1总碱度A 2.9mmol/1PH 值 7.4溶解氧 9.2mg/1溶解固形物 430mg/1夏季最低水温 20℃冬季最低水温 5℃供水压力 0.40MPa气象与地质资料冬季采暖室外计算温度 -19℃冬季通风室外计算温度 -12℃冬季室内计算温度 18℃采暖期室外计算平均温度 -5.7℃采暖天数 152天夏季通风室外计算温度 28℃大气压力冬季1020.8Mpa夏季1000.7Mpa平均风速冬季3.1m/s夏季2.9m/s最大冻土层深度 1.48米5.工作班次三班制,全年工作306天二、锅炉选型和台数选择锅炉房锅炉炉型的选择和台数的确定是锅炉房设计过程中首先要解决的原则问题,其正确合理与否,不仅影响到锅炉房辅助设备的选择、基本建设投资、能源消耗,而且还影响到以后工厂的生产和生活。
锅炉房计算热负荷1、全厂热负荷资料全厂热负荷资料是选择锅炉及确定锅炉房规模大小的依据。
因此,必须深入细致地摸清各车间生产工艺、生活及采暖通风等对供热的要求(如供热介质参数、负荷大小及使用情况等)。
如有条件可绘制处各车间的热负荷曲线,用热负荷曲线来确定锅炉房规模大小是最为合理,但实际上这种热负荷曲线较难取得,尤其是新建工厂往往无法求得,为此一般用公式来计算锅炉房得热负荷。
2、锅炉房热负荷的计算在取得全厂各车间热负荷资料后,即可进行锅炉房热负荷得计算。
在计算时将全厂热负荷作具体分析,精打细算并作必要的经济技术比较,以决定锅炉房采用何种节能措施。
呼市恒大名都幼儿园转换层吊装施工方案海尔家居集成有限公司2016年08月05日一、编制依据《建筑装饰装修工程质量验收规范》GB50210-2001《建筑钢结构焊接技术规程》JGJ81-2002《施工现场临时用电安全技术规范》JGJ46-2005《建设工程质量验收统一标准》GB50300-2001呼和浩特恒大名都装饰专业蓝图呼和浩特恒大名都建筑专业施工图设计说明二、工程概况呼和浩特恒大名都幼儿园三楼三层净空高度为3500mm至5800mm,走廊、房间吊顶高度为2350mm,由此部分吊顶高度超过1500mm,根据规范要求,此种情况应在吊顶内设置反支撑或转换层以加强吊顶整体刚度。
我单位施工范围内吊顶做法主要是单层9.5厚纸面石膏板吊顶,每平米吊顶重量不超过15kg/㎡(根据图集07CJ03-1,单层9.5厚纸面石膏板吊顶每平米重量),40×2等边角钢屈服强度为30kg/mm²。
因竖向角钢吊点间距为1200mm。
吊顶重量取最大值30kg。
角钢吊杆荷载计算如下:1.每根角钢吊杆与周边4块区域(1200mm×1200mm)相连接,承载每块区域的1/4荷载,由此可得,相当于每根角钢承受1200mm×1200mm范围内的吊顶重量。
则每根角钢承受吊顶荷载=1.2×1.2×30=43.2kg2.角钢自重加龙骨吊顶重量计算,角钢取2米计算,2.5KGx2米=5KG。
吊顶每平米重量12KG.5KG+12KG=17KG=17KG.3.角钢吊杆总荷载=角钢自重+吊顶荷载=12+5=17kg<43.2kg结论:使用40×2角钢作为转换层吊杆,能够满足荷载要求。
三、施工部署(一)进度及劳动力计划1.进度计划(暂定)(1)教室五,教室六:8月5日至8月10日(2)走廊等:8月10日至8月14日2.劳动力计划(暂定,依工期要求调整)(1)焊工:2人(2)木工:6人(3)小工:2人(二)主要工程量及部位需要安装转换层的吊顶面积约为400㎡。
贵阳恒大名都门窗热工性能计算书(一)本计算概况:气候分区:贵州省属高原地区,温和气候特征明显,属温和地区工程所在城市:贵州省贵阳市传热系数限值:≤3.20 (W/(m2.K))遮阳系数限值(东、南、西向/北向):≤0.75(二)参考资料:《严寒和寒冷地区居住建筑节能设计标准》JGJ26-2010《夏热冬冷地区居住建筑节能设计标准》JGJ134-2010《夏热冬暖地区居住建筑节能设计标准》JGJ175-2003《民用建筑热工设计规范》GB50176-93《公共建筑节能设计标准》GB50189-2005《贵州省居住建筑节能设计标准》(修订版)DBJ 52/49-2008《建筑玻璃应用技术规程》JGJ 113-2009《建筑门窗玻璃幕墙热工计算规程》JGJ/T 151-2008《建筑门窗幕墙热工计算及分析系统(W-Energy3.0)》(三)计算基本条件:1.计算实际工程所用的建筑门窗和玻璃幕墙热工性能所采用的边界条件应符合相应的建筑设计或节能设计标准。
2.设计或评价建筑门窗、玻璃幕墙定型产品的热工参数时,所采用的环境边界条件应统一采用规定的计算条件。
3.以下计算条件可供参考:(1)各种情况下都应选用下列光谱:S(λ):标准太阳辐射光谱函数(ISO 9845-1);D(λ):标准光源(CIE D65,ISO 10526)光谱函数;R(λ):视见函数(ISO/CIE 10527)。
(2)冬季计算标准条件应为:室内空气温度 T in=20 ℃室外空气温度 T out=-20 ℃室内对流换热系数 h c,in=3.6 W/(m2.K)室外对流换热系数 h c,out=16 W/(m2.K)室内平均辐射温度 T rm,in=T in室外平均辐射温度 T rm,out=T out太阳辐射照度 I s=300 W/m2(3)夏季计算标准条件应为:室内空气温度 T in=25 ℃室外空气温度 T out=30 ℃室内对流换热系数 h c,in=2.5 W/(m2.K)室外对流换热系数 h c,out=16 W/(m2.K)室内平均辐射温度 T rm,in=T in室外平均辐射温度 T rm,out=T out太阳辐射照度 I s=500 W/m2(4)计算传热系数应采用冬季计算标准条件,并取I s= 0 W/m2。
锅炉房通风系统设计计算[摘要]结合上海环球金融中心锅炉房通风设计,对燃气燃油锅炉的燃料燃烧需要空气量、烟气量、事故换气、排除余热通风量及自然排风进行了设计计算及校核。
[关键词]锅炉;通风;空气量;烟气量;余热[中图分类号][文献标识号][文章编号]Design and Calculation for Ventilation System of Boiler HouseLiu Xin Hai1,Chu Qing Xiang2,Song Ming Gang3(1. The First Construcion Engineering Co.,Ltd Of China Construction Third Eng.Bureau,Wuhan,Hubei 430030,China;2. The First Construcion Engineering Co.,Ltd Of China Construction Third Eng.Bureau,Wuhan,Hubei 430030,China) Abstract:The design calculation and check to fule gas-fired boiler on the fuel combustion of the air needs , flue gas volume, accident ventilation, remove heat ventilation and natural ventilation with design for boiler house ventilation of Shanghai World Financial Center.Key words:Boiler; ventilation; air; flue gas volume; heat上海环球金融中心锅炉房分为锅炉房1和锅炉房2,其中锅炉房1的面积为373m2,布置有2台10t/h的燃气锅炉;锅炉房2面积为554373m2, 布置有4台10t/h的燃气锅炉。
第一部分、计算书设计简介第一章工程概况工程名称:天津市汇融大厦外墙干挂石材装饰工程建筑地点:天津市建设路结构造型:现浇钢筋混凝土框架结构体系幕墙总高度为:119.4m建设单位:天津市海河建设发展投资有限公司设计单位:天津市建筑设计院第二章设计要求所有的计算均按照国家的规范规定执行。
第三章主要材料本工程根据国家现行规范的有关要求,结合招投标书和图纸的要求,本着安全、经济、美观的原则,选取如下材料作为我们使用的主要材料:1、玻璃:中空钢化夹胶玻璃的强度、挠度经计算满足国家规范要求。
2、Q235B结构钢第二部分、计算书设计依据1.《碳素结构钢》GB700-882.《建筑结构荷载规范》GB50009-20013.《混凝土结构设计规范》GB50010-20024.《建筑抗震设计规范》GB50011-20015.《钢结构设计规范》GB50017-20026.《建筑幕墙》JG3035-967.《玻璃幕墙工程技术规范》JGJ102-20038.《建筑玻璃应用技术规程》JGJ113-20039.《建筑结构静力计算手册》(第二版)10.甲方所供建筑招标图纸及电子版图纸11.甲方所供招投标书第三部分基本参数及主要材料设计指标一、基本参数01.工程名称:天津;02.建筑耐久年限 : 50年;03.地面粗糙度类型:C类;04.基本风压:0.50kPa二、主要材料参数1、钢化玻璃(5~12 mm)重力体积密度: r =25.6 KN/m3强度设计值: f g1=84 N/mm2弹性模量 E=0.72×105 =72000N/mm2线膨胀系数αa=1×10-5=0.00001泊松比ν=0.22、Q235B钢抗拉、抗压、抗弯强度设计值 f=215 N/mm2抗剪强度设计值 f v =125 N/mm2局部承压强度设计值 f ab=320 N/mm2弹性模量 E =2.06×105 =206000N/mm2线膨胀系数α=1.2×10-5=0.000012重力体积分布ρ=78.5×103 =78500N/m3泊松比ν=0.33、C30混凝土f=14.3 N/mm2C30混凝土轴心抗压强度设计值cf=1.43 N/mm2C30混凝土轴心抗拉强度设计值t4、Ⅱ级钢筋f=300 N/mm2Ⅱ级钢筋抗拉压强度设计值y5、焊缝(E43型焊条、Q235钢第1组、)f=160 N/mm2角焊缝抗拉、抗压和抗剪强度设计值wf第四部分采光顶的结构计算第一章、计算说明采光顶位于玻璃采用TP8+12A+TP6+1.14PVB+TP6钢化中空夹胶玻璃,钢化夹胶玻璃的最大分格为1870×1500mm。
钢结构采光顶计算书1 计算引用的规范、标准及资料1.1幕墙相关设计规范:《铝合金结构设计规范》 GB50429-2007《玻璃幕墙工程技术规范》 JGJ102-2003《建筑玻璃应用技术规程》 JGJ113-2009《建筑幕墙》 GB/T21086-2007《建筑玻璃采光顶》 JG/T231-2007《建筑用玻璃与金属护栏》 JG/T342-2012《建筑幕墙工程技术规范》 DGJ08-56-20121.2建筑设计规范:《地震震级的规定》 GB/T17740-1999《钢结构设计规范》 GB50017-2003《混凝土结构设计规范》 GB50010-2010《建筑结构荷载规范》 GB50009-2012《建筑结构可靠度设计统一标准》 GB50068-2001《建筑抗震设计规范》 GB50011-2010《冷弯薄壁型钢结构技术规范》 GB50018-20021.3《建筑结构静力计算手册》(第二版)1.4土建图纸:2 基本参数2.1采光顶所在地区番禺地区;2.2地面粗糙度分类等级按《建筑结构荷载规范》(GB50009-2012)A类:指近海海面和海岛、海岸、湖岸及沙漠地区;B类:指田野、乡村、丛林、丘陵以及房屋比较稀疏的乡镇和城市郊区; C类:指有密集建筑群的城市市区;D类:指有密集建筑群且房屋较高的城市市区;依照上面分类标准,本工程按B类地形考虑。
3 采光顶荷载计算3.1采光顶的荷载作用说明玻璃采光顶承受的荷载包括:自重、风荷载、雪荷载以及活荷载。
(1)自重:包括玻璃、杆件、连接件、附件等的自重,可以按照以下值估算:当采用单层玻璃时:取400N/m2;当采用中空及夹层玻璃时:取500N/m2;当采用中空夹层玻璃时:取650N/m2;当由于玻璃较厚或龙骨较重,按上面估算不适合的时候,由人工计算给定;本例计算取:0.0004MPa(按假设);(2)风荷载:是垂直作用于采光顶表面的荷载,按GB50009采用;(3)雪荷载:是指采光顶水平投影面上的雪荷载,按GB50009采用;(4)活荷载:是指采光顶水平投影面上的活荷载,按GB50009采用;在实际工程的采光顶结构计算中,对上面的几种荷载,考虑最不利组合,有下面几种方式,取用其最大值:a.当永久荷载起控制作用的时候,按下面公式进行荷载组合:S A+=1.35G k+0.7×1.4S k(或Q k)b.当永久荷载不起控制作用的时候,按下面公式进行荷载组合:S A+=1.2G k+1.4S k(或Q k)考虑负风压时:c.按下面公式进行荷载组合:S A-=1.0G k+1.4w k3.2风荷载标准值计算按《建筑结构荷载规范》(GB50009-2012)计算:w k+=βgzμzμs1+w0……8.1.1-2[GB50009-2012]w k-=βgzμzμs1-w0上式中:w k+:正风压下作用在采光顶上的风荷载标准值(MPa);w k-:负风压下作用在采光顶上的风荷载标准值(MPa);Z:计算点标高:28m;βgz:高度z处的阵风系数;根据不同场地类型,按以下公式计算:βgz=1+2gI10(z/10)-α……条文说明部分8.6.1[GB50009-2012]其中A、B、C、D四类地貌类别截断高度分别为:5m、10m、15m、30m;A、B、C、D四类地貌类别梯度高度分别为:300m、350m、450m、550m;也就是:对A类场地:当z>300m时,取z=300m,当z<5m时,取z=5m;对B类场地:当z>350m时,取z=350m,当z<10m时,取z=10m;对C类场地:当z>450m时,取z=450m,当z<15m时,取z=15m;对D类场地:当z>550m时,取z=550m,当z<30m时,取z=30m;g:峰值因子,取2.5;I10:10m高名义湍流度,对应A、B、C、D地面粗糙度,可分别取0.12、0.14、0.23和0.39;α:地面粗糙度指数,对应A、B、C、D地面粗糙度,可分别取0.12、0.15、0.22和0.30;对于B类地形,28m高度处的阵风系数为:βgz=1+2×2.5×0.14×(Z/10)-0.15=1.5998μz:风压高度变化系数;根据不同场地类型,按《建筑结构荷载规范》条文说明部分8.2.1提供的公式计算:A类场地:μz A=1.284×(z/10)0.24B类场地:μz B=1.000×(z/10)0.30C类场地:μz C=0.544×(z/10)0.44D类场地:μz D=0.262×(z/10)0.60公式中的截断高度和梯度高度与计算阵风系数时相同,也就是:对A类场地:当z>300m时,取z=300m,当z<5m时,取z=5m;对B类场地:当z>350m时,取z=350m,当z<10m时,取z=10m;对C类场地:当z>450m时,取z=450m,当z<15m时,取z=15m;对D类场地:当z>550m时,取z=550m,当z<30m时,取z=30m;对于B类地形,28m高度处风压高度变化系数:μz=1.000×(Z/10)0.30=1.3619μs1:局部风压体型系数;按《建筑结构荷载规范》GB50009-2012第8.3.3条:计算围护结构及其连接的风荷载时,可按下列规定采用局部体型系数μs1:1 封闭矩形平面房屋的墙面及屋面可按表8.3.3-1的规定采用;2 檐口、雨篷、遮阳板、边棱处的装饰条等突出构件,取-2.0;3 其它房屋和构筑物可按本规范第8.3.1条规定体型系数的1.25倍取值。
采光顶设计计算书计算:校核:XXXX幕墙公司XXXX年XX月XX日目录一、荷载计算 (1)1.风荷载标准值: (1)2.风荷载设计值: (2)3.雪荷载标准值计算: (2)4.雪荷载设计值计算: (3)5.采光顶坡面活载荷设计值: (3)6.采光顶自重荷载设计值: (3)7.采光顶设计荷载组合计算: (4)二、玻璃计算 (5)1.玻璃面积: (5)2.玻璃板块自重: (5)3.玻璃强度计算: (6)4.玻璃跨中挠度计算: (8)三、立柱计算 (10)1.杆件受力计算: (10)2.选用立柱型材的截面特性: (11)3.杆件的强度计算: (12)4.杆件的刚度计算: (12)5.杆件的剪力计算: (13)四、横梁计算 (14)1.选用横梁型材的截面特性: (14)2.横梁的强度计算: (15)3.横梁的刚度计算: (18)4.横梁的抗剪强度计算: (20)北立面10米处采光顶设计计算书一、荷载计算1.风荷载标准值:Wk: 作用在采光顶上的风荷载标准值(kN/m2)μz: 10m高处风压高度变化系数(按C类区计算): (GB50009-2001 7.2.1)μz=0.616×(z/10)0.44=0.616 由于0.616<0.74,取μz=0.74μf: 脉动系数 : (GB50009-2001 7.4.2-8)μf=0.5×35(1.8×(0.22-0.16))×(z/10)-0.22=0.734056βgz: 阵风系数 : (GB50009-2001 7.5.1-1)βgz=к×(1+2×μf) = 2.0979Wk=βgz×μz×μs×W0 (JGJ102-2003 5.3.2)=2.0979×0.74×0.8×0.45=0.558879 kN/m2Wk<1kN/m2,取Wk=1kN/m22.风荷载设计值:W: 风荷载设计值: kN/m2rw : 风荷载作用效应的分项系数:1.4按《玻璃幕墙工程技术规范》JGJ 102-2003 5.1.6条规定采用W=rw×Wk=1.4×1=1.4kN/m23.雪荷载标准值计算:Sk: 作用在采光顶上的雪荷载标准值(kN/m2)S0: 基本雪压,北京50年一遇最大积雪的自重: 0.4kN/m2根据现行<<建筑结构荷载规范>>GB50009-2001取值μr: 屋面积雪分布系数为 0.8根据<<建筑结构荷载规范>>GB50009-2001公式6.1.1屋面雪载荷按下式计算Sk=μr×S0=0.8×0.4=0.32kN/m24.雪荷载设计值计算:S: 雪载荷设计值(kN/m2)rs: 雪载荷分项系数为 1.4按《铝门窗幕墙技术资料汇编(一)》表'3-1 各种荷载分顶系数'采用S=rs×Sk=1.4×0.32=0.448kN/m25.采光顶坡面活载荷设计值:Q: 采光顶坡面活载荷设计值(KN/m2)rq: 活载荷分项系数为 1.3Qk: 采光顶坡面活载荷标准值为 0.3kN/m2Q=rq×Qk=1.3×0.3=0.39kN/m26.采光顶自重荷载设计值:G: 采光顶构件自重荷载设计值(kN/m2)Gk: 采光顶结构平均自重为 0.5 kN/m2rg: 恒载荷分项系数为 1.2按《铝门窗幕墙技术资料汇编(一)》表'3-1 各种荷载分顶系数'采用G=rg×Gk=1.2×0.5=0.6kN/m27.采光顶设计荷载组合计算:计算采光顶杆件和结构应力时的载荷组合(沿坡面分布)根据<<建筑结构荷载规范>>GB50009-2001规定和<<建筑幕墙与采光顶技术>>5.2.1中载荷组合要求:设计荷载取恒载、雪荷载、风荷载组合,组合系数取0.9。
除尘器泄爆面积计算书一、容器耐压初算根据SolidWorks应力分析可知,普通的Q235钢板3mm厚时的变形情况如下:1、间距500mm,20000pa平均分布,四边固定时,σmax=200.3Mpa<材料屈服强度σ=235Mpa 最大位移S=5.28mm此时材料会出现弹性形变,但在材料容许屈服强度以内2、间距600mm,15000pa平均分布,四边固定时,σmax=214.8Mpa<材料屈服强度σ=235Mpa 最大位移S=7.61mm此时材料会出现弹性形变,但在材料容许屈服强度以内3、间距600mm,20000pa平均分布,四边固定时,σmax=286.4Mpa<材料抗拉强度σ=370Mpa 最大位移S=10.14mm此时材料会发生塑性形变,但不会拉断二、除尘器泄爆条件的选择根据GB/T 15605-1995规定,1、包围体耐压强度等于或者大于0.02Mpa时可按规定中第五章——高强度包围体泄爆的相关规定进行计算2、包围体耐压强度低于0.02Mpa时,可按规定中第八章——低强度包围体泄爆的相关规定继续计算由于通过上面容器耐压初算,可知,设备在20000pa时候不会产生剧烈破坏,而对于同一种粉尘同一种工况的泄爆,包围体强度越高,需要的泄爆面积也越小,相反,为保证设计的可靠性,我们可以暂定设备耐压强度为高强度包围体里最弱的一档,即认为设备耐压程度为0.02Mpa。
三、条件验证根据GB/T 15605-1995规定,高强度包围体泄爆的相关计算应当满足下列条件:目前CF(A)1500-28AL与CF(A)1500-42AL均满足1、最大泄爆压力为0.02Mpa2、开启压力原则上是可以随意设置,但国标上给出的开启压力,及诺莫图法所设置的开启压力仅为3档:0.01Mpa、0.02Mpa和0.05Mpa,也就是说,一般无特殊要求,常规泄爆的开启压力为这三档,通过大量的咨询,除尘器行业所用开启压力99%都是选择0.01Mpa,如果另外特别订制会有几方面问题:a、价格偏高b、交货周期长c、供货单位设计能力存在差距因此,可设定开启压力为0.01Mpa3、因为使用的工况是粉煤灰,查标准附录表C2 矿质粉尘可知,所有煤灰无一例外的都属于ST1类粉尘,爆炸指数均小于20Mpa•(m/s)因此,为保证设计安全性,可取爆炸指数Kmax=20 Mpa•(m/s)4、ST1级粉尘最大爆炸压力小于1.1Mpa,从上表可知,粉煤灰的爆炸性能满足此要求。
附录一泄水建筑物水力设计计算公式一、堰面曲线1.开敞式溢流孔的堰面曲线。
采用幂曲线时按下式和附表1计算。
x kH y n s n =-1(附1)式中H s 为定型设计水头,按堰顶最大作用水头H z max 的75%~95%计算(m),其它符号见附图1,数值见附表1。
附表1上游坝面坡度 kn垂直(3∶0) 2.000 1.850 3∶11.9361.836原点上游宜用椭圆曲线,其方程式为x aH bH y bH s s s 22221()()()+-=式中aH s 和bH s 分别为椭圆曲线的长轴和短轴。
假设上游面垂直,其长轴aH s 和短轴bH s 可按以下关系选定:a ≈028030.~.ab a =+0873.附图1采用倒悬堰顶时(如附图1),应满足2maxz H d >。
定型设计水头选择及堰顶可能出现的最大负压值参照附表2。
定型设计水头H s 情况下的流量系数m 和其他作用水头H z 情况下的流量系数m z 的比值参照附表3。
2.设有胸墙的堰面曲线。
当校核情况下最大作用水头H z max (孔口中心线上)与孔口高(D )的比值5.1max>D H z 时;或闸门全开时仍属孔口泄流,即可按下式计算:s H x y 224ϕ=(附2)式中H s ——定型设计水头,一般取孔口中心线至水库校核洪水位的水头的75%~95%; j ——孔口收缩断面上的流速系数,一般取j =0.96;假设孔前设有检修闸门槽时取j =0.95。
其余符号参照附图2。
附图2原点上游可用单圆,复式圆或椭圆曲线,与胸墙底缘通盘考虑。
假设5.12.1max<<D H z 时,应通过试验决定。
H s /H z max0.75 0.775 0.80 0.825 最大负压值(m)0.5H s 0.45H s 0.4H s0.35H sH s / H z max0.85 0.875 0.90 0.95 1.0 最大负压值(m)0.3H s0.25H s0.2H s0.1H s0.0H sH z /H s 0.2 0.4 0.6 0.8 1.0 1.2 1.4 m z /m0.850.900.950.9751.01.0251.07二、泄水建筑物泄水能力计算公式1.开敞式溢流孔的泄水能力可按下式计算:Q m B gH z m z =εσ232/(附3)式中Q ——流量,m 3/s ; B ——溢流堰净宽,m ; H z ——堰顶作用水头,m ; g ——重力加速度,m/s 2;m z ——流量系数,初设时在定型设计水头作用的情况下,当3>z H P '(P 为堰高,m)时,取m z =m =0.47~0.49;当3≤'z H P时,取m =0.44~0.47;ε——侧收缩系数,根据闸墩厚度及墩头形状而定,初设时可取ε=0.90~0.95;σm ——淹没系数,视泄流的淹没程度而定,不淹没时σm =1。
威海路住宅区采光顶计算书计算人:校对人:审核人:日期:________________________________________________________________________________山东恒远装饰设计工程有限公司目录1 设计依据 (1)2 计算简图 (1)3 荷载与组合 (2)3.1 节点荷载 (2)3.2 单元荷载 (2)3.3 其它荷载 (4)3.4 荷载组合 (5)4 内力位移计算结果 (5)4.1 内力 (5)4.1.1 最不利内力 (5)4.1.2 内力包络及统计 (9)4.2 位移 (14)4.2.1 组合位移 (14)5 设计验算结果 (21)5.1 设计验算结果图及统计表 (21)5.2 设计验算结果表 (24)1 设计依据《钢结构设计规范》(GB50017-2003)《建筑结构荷载规范》(GB50009-2012)《建筑抗震设计规范》(GB50011-2010)《建筑地基基础设计规范》(GB50007-2011)《钢结构焊接规范》(GB50661-2011)《钢结构高强度螺栓连接技术规程》(JGJ82-2011)2 计算简图计算简图(圆表示支座,数字为节点号)单元编号图3 荷载与组合结构重要性系数: 1.003.1 节点荷载3.2 单元荷载1) 工况号: 0*输入的面荷载:面荷载分布图:面荷载序号 1 分布图(实线表示荷载分配到的单元) 2) 工况号: 1*输入的面荷载:面荷载分布图:面荷载序号 1 分布图(实线表示荷载分配到的单元)3) 工况号: 2*输入的面荷载:面荷载分布图:面荷载序号 1 分布图(实线表示荷载分配到的单元)3.3 其它荷载(1). 地震作用规范:《建筑抗震设计规范》(GB50011-2010)地震烈度: 7度(0.15g)水平地震影响系数最大值: 0.12计算振型数: 9建筑结构阻尼比: 0.040特征周期值: 0.25地震影响:多遇地震场地类别:Ⅰ1类地震分组:第一组周期折减系数: 1.00地震力计算方法:振型分解法(2). 温度作用无温度作用。
1 基本参数1.1采光顶所在地区成都地区;依照上面分类标准,本工程按B类地形考虑。
2 采光顶荷载计算2.1玻璃采光顶的荷载作用说明玻璃采光顶承受的荷载包括:自重、风荷载、雪荷载以及活荷载。
(1)自重:包括玻璃、杆件、连接件、附件等的自重,可以按照以下值估算:当采用单层玻璃时:取400N/m2;当采用中空及夹层玻璃时:取500N/m2;当采用中空夹层玻璃时:取600N/m2;当由于玻璃较厚或龙骨较重,按上面估算不适合的时候,由人工计算给定;本例计算取:0.0006MPa(按假设);(2)风荷载:是垂直作用于采光顶表面的荷载,按GB50009采用;对于采光顶结构,荷载作用复杂,并且可能有时风压是正,而有时候是负,一定范围内的负压对结构是有利的!因此实际计算的时候要分别考虑并采用其参与组合后的最大值!(3)雪荷载:是指采光顶水平投影面上的雪荷载,按GB50009采用;(4)活荷载:是指采光顶水平投影面上的活荷载,按GB50009采用;在实际工程中,对上面的几种荷载,考虑最不利组合,且雪荷载与活荷载不同时考虑。
分项系数按以下参数取值:永久荷载分项系数取:γg :1.2 风荷载的分项系数取:γw:1.4雪荷载的分项系数取:γs :1.4 活荷载的分项系数取:γh:1.4组合值系数为:永久荷载组合值系数取:ψg :1.0 风荷载的组合值系数取:ψw:0.6雪荷载的组合值系数取:ψs :0.7 活荷载的组合值系数取:ψh:0.72.2风荷载标准值计算按建筑结构荷载规范(GB50009-2001)计算:wk =βgzμzμs1w……7.1.1-2[GB50009-2001 2006年版]上式中: wk:作用在采光顶上的风荷载标准值(MPa);Z:计算点标高:15m;βgz:瞬时风压的阵风系数;根据不同场地类型,按以下公式计算(高度不足5m按5m计算):βgz =K(1+2μf) 其中K为地面粗糙度调整系数,μf为脉动系数A类场地:βgz =0.92×(1+2μf) 其中:μf=0.387×(Z/10)-0.12对于B类地形,15m高度处瞬时风压的阵风系数:βgz=0.89×(1+2×(0.5(Z/10)-0.16))=1.7241对于B类地形,15m高度处风压高度变化系数:μz=1.000×(Z/10)0.32=1.1385μs1:局部风压体型系数,根据计算点体型位置选取,并依据实际结构分别考虑其最大和最小两种情况,对本例,分别取0.2、-0.5;按《建筑结构荷载规范》GB50009-2001(2006年版)第7.3.3条:验算围护构件及其连接的强度时,可按下列规定采用局部风压体型系数μs1:一、外表面1.正压区按表7.3.1采用;2.负压区 - 对墙面,取-1.0 - 对墙角边,取-1.8二、内表面对封闭式建筑物,按表面风压的正负情况取-0.2或0.2。
岳阳五星宾馆铝镁锰合金屋面设计计算书设计:审核:批准:广东大潮建筑装饰工程有限公司2013年08月一、铝镁锰合金屋面受力计算1.设计依据《金属屋面工程技术规范》(JGJ102-96)《冷弯薄壁钢结构技术规程》(GBJ18-87)《压型金属板设计与施工规程》(YBJ216-88)《模压金属板设计和建造规范》(YBJ216)《铝材和铝合金模压板》(GB6891-86)《低合金高强度结构钢》(GB1597)《铝合金建筑型材》(GB/T5237-2000)《铝及铝合金轧制板材》(GB/T3880-97)《建筑结构荷载规范》(GB50009-2001)《钢结构设计规范》(GB50017-2002)《建筑抗震设计规范》(GB50011-2001)《钢结构施工及验收规范》(GB50205-2001)《建筑设计防火规范》(GBJ16-87)(2001版);《高层民用建筑设计防火规范》(GB50045-95)(2001版)2.设计荷载:(1)恒载标准值:屋面板(含避雷系统)自重: 0.025/m2(2)活载标准值: 0.5kN/m2(3)雪荷载标准值: 0.45kN/m2(4)风荷载:基本风压: 0.35kN/m2高度变化系数:μz=1.184(h≈17m)μz=1.084(h≈13m)风载体型系数,计算点统一取: -1.3风压标准值: -0.585kN/m23.设计原则:(1)结构要求:首先满足建筑、结构使用功能要求。
(2)功能要求:考虑结构经济、合理,安全可靠。
(3)结构设计理论:按承载力极限状态和正常使用极限状态设计截面。
(4)结构计算模型:考虑屋面板承受竖向荷载、水平荷载,强度和挠度按受弯构件计算;并考虑温度和地震效应的影响。
强度和挠度按弹性五跨连续梁模型计算内力,按薄壁构件验算截面。
4.设计所采用计算方法及公式:(1)荷载组合:a. 当活荷载≥雪荷载时: 恒荷载+活荷载b. 当活荷载<雪荷载时: 恒荷载+活荷载c.考虑风荷载最不利组合: 恒荷载+风荷载d.考虑检修荷载组合:恒荷载+检修荷载(2)内力分析:按弹性理论分析,在活荷载作用下考虑活荷载的最不利布置,在雪荷载作用下考虑满跨布置,并考虑积雪效应,检修荷考虑作用在跨中,并沿板纵向(板铺方向)换算成一个波峰宽方向的线荷载后,再按集中荷载计算。
天元兴盛无纺布有限公司锅炉房钢结构厂房计算书计算:审核:校对:中机十院2012年3月目录一、结构设计计算说明 (3)二、荷载标准值 (3)三、计算文件 (3)第一章钢架计算文件 (3)第二章节点计算文件 (16)第三章基础计算文件 (21)第四章抗风柱计算 (22)第五章支撑计算文件 (25)(一)屋面支撑 (25)(二)柱间支撑 (49)第六章檩条计算文件 (52)(一)屋面檩条计算 (52)(二)墙梁计算文件 (55)第七章计算书附图 (61)天元兴盛无纺布有限公司锅炉房*********计算书*********一、结构设计计算说明本工程为新疆省乌鲁木齐市天元兴盛无纺布有限公司厂区成品、材料库,计算分析采用中国建筑科学研究院编制的结构设计软件PKPM-STS。
二、荷载标准值1、屋面恒载:0.30kN/m2;2、屋面活载:0.8kN/m2;3、基本风压:0.6kN/m2;4、基本雪压:0.8kN/m2;三、计算文件第一章钢架计算文件工程名: mj-1************ PK11.EXE *****************日期: 3/17/2012时间:16:26:59设计主要依据:《建筑结构荷载规范》(GB 50009-2001);《建筑抗震设计规范》(GB 50011-2010);《钢结构设计规范》(GB 50017-2003);《门式刚架轻型房屋钢结构技术规程》(CECS 102:2002);结果输出---- 总信息 ----结构类型: 门式刚架轻型房屋钢结构设计规范: 按《门式刚架轻型房屋钢结构技术规程》计算结构重要性系数: 1.00节点总数: 6柱数: 3梁数: 2 标准截面总数: 2活荷载计算信息: 考虑活荷载不利布置风荷载计算信息: 计算风荷载钢材: Q235梁柱自重计算信息: 柱梁自重都计算恒载作用下柱的轴向变形: 考虑梁柱自重计算增大系数: 1.20基础计算信息: 计算基础梁刚度增大系数: 1.00钢结构净截面面积与毛截面面积比: 0.85门式刚架梁平面内的整体稳定性: 按压弯构件验算钢结构受拉柱容许长细比: 400钢结构受压柱容许长细比: 180钢梁(恒+活)容许挠跨比: l / 180柱顶容许水平位移/柱高: l / 60地震作用计算: 计算水平地震作用计算震型数: 3地震烈度: 8.00场地土类别:Ⅲ类附加重量节点数: 0设计地震分组:第二组周期折减系数:0.80地震力计算方法:振型分解法结构阻尼比:0.045按GB50011-2010 地震效应增大系数 1.000---- 节点坐标 ----节点号 X Y 节点号 X Y 节点号 X Y( 1) 0.15 6.30 ( 2) 11.01 6.30 ( 3) 5.58 6.86( 4) 0.15 0.00 ( 5) 5.58 0.00 ( 6) 11.01 0.00---- 柱关联号 --------柱号 节点Ⅰ 节点Ⅱ 柱号 节点Ⅰ 节点Ⅱ 柱号 节点Ⅰ 节点Ⅱ( 1) 4 1 ( 2) 5 3 ( 3) 6 2---- 梁关联号 ----梁号 节点Ⅰ 节点Ⅱ 梁号 节点Ⅰ 节点Ⅱ 梁号 节点Ⅰ 节点Ⅱ( 1) 1 3 ( 2) 3 2---- 柱上下节点偏心 ----节点号 柱偏心值 节点号 柱偏心值 节点号 柱偏心值 节点号 柱偏心值( 1) 0.00 ( 2) 0.00 ( 3) 0.00 ( 4) 0.00( 5) 0.00 ( 6) 0.00---- 标准截面信息 ----1、标准截面类型( 1) 16, 200, 200, 300, 6.0, 8.0, 8.0, 5( 2) 16, 200, 200, 300, 6.0, 8.0, 8.0, 5 ---- 柱布置截面号,铰接信息,截面布置角度 -----柱号 标准截 铰接 截面布 柱号 标准截 铰接 截面布面 号 信息 置角度 面 号 信息 置角度( 1) 1 1 0 ( 2) 1 3 90( 3) 1 1 0---- 梁布置截面号,铰接信息,截面布置角度 -----梁号 标准截 铰接 截面布 梁号 标准截 铰接 截面布面 号 信息 置角度 面 号 信息 置角度( 1) 2 0 0 ( 2) 2 0 02、标准截面特性截面号 Xc Yc Ix Iy A1 0.10000 0.15000 0.79681E-04 0.10672E-04 0.49040E-022 0.10000 0.15000 0.79681E-04 0.10672E-04 0.49040E-02截面号 ix iy W1x W2x W1y W2y1 0.12747E+00 0.46649E-01 0.53121E-03 0.53121E-03 0.10672E-03 0.10672E-032 0.12747E+00 0.46649E-01 0.53121E-03 0.53121E-03 0.10672E-03 0.10672E-03恒荷载计算...节 点 荷 载: 节点号 弯矩 垂直力 水平力柱 荷 载: 柱号 荷载类型 荷载值 荷载参数1 荷载参数2梁 荷 载: 连续数 荷载个数 荷载类型 荷载值 1 荷载参数1 荷载值2 荷载参数21 1 1 1.11 0.001 1 1 1.11 0.00---- 恒荷载标准值作用计算结果 ------- 柱内力 ---柱号 M N V M N V1 0.00 11.47 -1.76 -11.08 -8.56 1.762 0.00 3.17 0.00 0.00 0.00 0.003 0.00 11.47 1.76 11.08 -8.56 -1.76--- 梁内力 ---梁号 M N V M N V1 11.08 2.63 8.34 11.19 -1.75 0.182 -11.19 1.75 0.18 -11.08 -2.63 8.34--- 恒荷载作用下的节点位移(mm) ---节点号. X 向位移 Y 向位移 1 -0.7 0.1 2 0.7 0.1 3 0.0 7.0 7 0.0 0.0 活荷载计算...节 点 荷 载: 节点号 弯矩 垂直力 水平力柱 荷 载: 柱号 荷载类型 荷载值 荷载参数1 荷载参数2梁 荷 载: 连续数 荷载个数 荷载类型 荷载值 1 荷载参数1 荷载值2 荷载参数21 1 1 2.95 0.001 1 1 2.95 0.00--- 活荷载标准值作用下的节点位移(mm) ---节点号. X 向位移 Y 向位移1 -1.3 0.12 1.3 0.1 3 0.0 13.1 7 0.0 0.0风荷载计算...---- 左风荷载标准值作用 ----节 点 荷 载: 节点号 水平力 垂直力柱 荷 载: 柱号 荷载类型 荷载值 荷载参数1 荷载参数21 1 1.16 0.002 1 3.52 0.003 1 1.63 0.00梁 荷 载: 连续数 荷载个数 荷载类型 荷载值 1 荷载参数1 荷载值2 荷载参数21 1 1 -3.25 0.001 1 1 -1.86 0.00--- 节点侧向(水平向)位移(mm) ---节点号 δx 节点号 δx 节点号 δx 节点号 δx( 1) 42.8 ( 2) 40.7 ( 3) 41.8 ( 4) 0.0( 5) 0.0 ( 6) 0.0 ( 7) 0.0--- 柱内力 ---柱号 M N V M N V1 0.00 -20.40 10.53 43.25 20.40 -3.202 0.00 0.00 0.00 0.00 0.00 0.003 0.00 -7.37 6.27 7.20 7.37 3.98--- 梁内力 ---梁号 M N V M N V1 -43.25 -5.27 -19.97 -17.28 5.27 2.202 17.28 -4.71 -3.23 -7.20 4.71 -6.92---- 右风荷载标准值作用 ----节 点 荷 载: 节点号 水平力 垂直力参数1 荷载参数21 1 -1.63 0.002 1 -3.52 0.003 1 -1.16 0.00梁 荷 载: 连续数 荷载个数 荷载类型 荷载值 1 荷载参数1 荷载值2 荷载参数21 1 1 -1.86 0.001 1 1 -3.25 0.00--- 节点侧向(水平向)位移(mm) ---节点号 δx 节点号 δx 节点号 δx 节点号 δx ( 1) -40.7 ( 2) -42.8 ( 3) -41.8 ( 4) 0.0( 5) 0.0 ( 6) 0.0 ( 7)0.0--- 柱内力 ---柱号 M N V M N V1 0.00 -7.37 -6.27 -7.207.37 -3.98 2 0.00 0.00 0.00 0.000.00 0.00 3 0.00 -20.40 -10.53 -43.2520.40 3.20--- 梁内力 ---梁号 M N V M N V1 7.20 -4.72 -6.92 -17.284.72 -3.23 2 17.28 -5.27 2.20 43.25地震计算...----- 左震动标准值作用计算结果-----地震力计算质量集中信息:质量集中节点号:1质点重量:36.153水平地震标准值作用底层剪力: 5.026底层最小地震剪力(抗震规范5.2.5条): 1.157各质点地震力调整系数: 1.000地震力调整后剪重比: 0.139*** 第 1振型结构自振周期(已乘周期折减系数,单位:秒): 0.665特征向量:1.000各质点的水平地震力(kN):5.026--- 节点侧向(水平向)位移(mm)---节点号δx 节点号δx 节点号δx 节点号δx( 1) 23.8 ( 2) 23.8 ( 3) 23.8 ( 4) 0.0( 5) 0.0 ( 6) 0.0 ( 7) 0.0*** 左地震各振型叠加(SRSS)水平地震作用效应输出: --- 节点侧向(水平向)位移(mm)---节点号δx 节点号δx 节点号δx 节点号δx( 1) 23.8 ( 2) 23.8 ( 3) 23.8 ( 4) 0.0( 5) 0.0 ( 6) 0.0 ( 7) 0.0--- 柱内力 ---柱号 M N V M N V1 0.00 -3.00 2.51 15.83 3.00 -2.512 0.00 0.00 0.00 0.00 0.00 0.003 0.00 3.00 2.51 15.83-3.00 -2.51--- 梁内力 ---梁号 M N V M N V1 -15.83 -1.14 -2.90 0.001.142.902 0.00 1.14 -2.90 -15.83-1.14 2.90振型参与质量系数:100.00%----- 右震动标准值作用计算结果-----地震力计算质量集中信息:质量集中节点号:2质点重量:36.153底层最小地震剪力(抗震规范5.2.5条): 1.157 各质点地震力调整系数: 1.000 地震力调整后剪重比: 0.139*** 第 1振型结构自振周期(已乘周期折减系数,单位:秒): 0.665特征向量: 1.000各质点的水平地震力(kN): 5.026--- 节点侧向(水平向)位移(mm) ---节点号 δx 节点号 δx 节点号 δx 节点号 δx( 1) -23.8 ( 2) -23.8 ( 3) -23.8 ( 4) 0.0( 5) 0.0 ( 6) 0.0 ( 7) 0.0*** 右地震各振型叠加(SRSS)水平地震作用效应输出:--- 节点侧向(水平向)位移(mm) ---节点号 δx 节点号 δx 节点号 δx 节点号 δx( 1) -23.8 ( 2) -23.8 ( 3) -23.8 ( 4) 0.0( 5) 0.0 ( 6) 0.0 ( 7) 0.0--- 柱内力 ---柱号 M N V M N V-3.00 2.512 0.00 0.00 0.00 0.00 0.00 0.003 0.00 -3.00 -2.51 -15.83 3.00 2.51--- 梁内力 ---梁号 M N V M N V1 15.83 1.14 2.90 0.00 -1.14 -2.902 0.00 -1.14 2.90 15.83 1.14 -2.90振型参与质量系数:100.00%荷载效应组合计算...----- 荷载效应组合及强度、稳定、配筋计算 -------------------------------------------------------------------------------------钢 柱 1截面类型= 16; 布置角度= 0; 计算长度:Lx= 14.56, Ly= 3.00; 长细比:λx= 114.2,λy= 64.3构件长度= 6.30; 计算长度系数: Ux= 2.31 Uy= 0.48 抗震等级: 三级截面参数: B1= 200, B2= 200, H= 300, Tw= 6, T1= 8, T2= 8轴压截面分类:X 轴:b 类, Y 轴:c 类 构件钢号:Q235验算规范: 门规CECS102:2002柱下端柱 上 端组合号 M N V MN V 1 0.00 -14.80 12.632 0.00 -17.09 12.98 49.46 20.00 -2.733 0.00 3.46 -10.89 -23.38 0.04 -3.464 0.00 1.16 -10.54 -21.17 1.75 -3.825 0.00 13.77 -2.11 -13.30 -10.28 2.116 0.00 11.47 -1.76 -11.08 -8.56 1.767 0.00 15.49 -2.37 -14.96 -11.56 2.378 0.00 36.33 -6.74 -42.48 -32.84 6.749 0.00 34.03 -6.39 -40.27 -31.12 6.3910 0.00 31.28 -5.62 -35.39 -27.35 5.6211 0.00 36.33 -6.74 -42.48 -32.84 6.7412 0.00 34.03 -6.39 -40.27 -31.12 6.3913 0.00 31.28 -5.62 -35.39 -27.35 5.6214 0.00 13.77 -2.11 -13.30 -10.28 2.1115 0.00 11.47 -1.76 -11.08 -8.56 1.7616 0.00 15.49 -2.37 -14.96 -11.56 2.3717 0.00 -3.37 6.73 23.03 6.86 -0.5818 0.00 -5.66 7.08 25.25 8.58 -0.9319 0.00 7.58 -7.38 -19.35 -4.09 -1.2320 0.00 5.29 -7.03 -17.13 -2.38 -1.5921 0.00 19.19 2.10 -6.16 -15.70 4.0522 0.00 16.89 2.45 -3.94 -13.98 3.7023 0.00 30.14 -12.01 -48.54 -26.65 3.40 -46.32 -24.94 3.0525 0.00 19.19 2.10 -6.16 -15.70 4.0526 0.00 16.89 2.45 -3.94 -13.98 3.7027 0.00 30.14 -12.01 -48.54 -26.65 3.4028 0.00 27.85 -11.66 -46.32 -24.94 3.0529 0.00 -3.37 6.73 23.03 6.86 -0.5830 0.00 -5.66 7.08 25.25 8.58 -0.9331 0.00 7.58 -7.38 -19.35 -4.09 -1.2332 0.00 5.29 -7.03 -17.13 -2.38 -1.5933 0.00 -14.80 12.63 47.25 18.29 -2.3734 0.00 -17.09 12.98 49.46 20.00 -2.7335 0.00 3.46 -10.89 -23.38 0.04 -3.4636 0.00 1.16 -10.54 -21.17 1.75 -3.8237 0.00 1.00 9.38 26.82 2.50 0.8738 0.00 -1.30 9.73 29.03 4.21 0.5239 0.00 19.25 -14.13 -43.81 -15.76 -0.2240 0.00 16.95 -13.78 -41.60 -14.04 -0.5741 0.00 1.00 9.38 26.82 2.50 0.8742 0.00 -1.30 9.73 29.03 4.21 0.5243 0.00 19.25 -14.13 -43.81 -15.76 -0.2244 0.00 16.95 -13.78 -41.60 -14.04 -0.5745 0.00 -14.80 12.63 47.25 18.29 -2.3746 0.00 -17.09 12.9847 0.00 3.46 -10.89 -23.38 0.04 -3.4648 0.00 1.16 -10.54 -21.17 1.75 -3.8249 0.00 9.87 1.16 7.28 -6.38 -1.1650 0.00 7.57 1.51 9.50 -4.66 -1.5151 0.00 27.34 -7.36 -46.39 -23.85 7.3652 0.00 23.43 -6.68 -42.09 -20.52 6.6853 0.00 27.34 -7.36 -46.39 -23.85 7.3654 0.00 23.43 -6.68 -42.09 -20.52 6.6855 0.00 9.87 1.16 7.28 -6.38 -1.1656 0.00 7.57 1.51 9.50 -4.66 -1.51考虑腹板屈曲后强度,强度计算控制组合号: 23, M= 0.00, N= 30.14, M= -48.54, N= -26.65考虑屈曲后强度强度计算应力比 = 0.513抗剪强度计算控制组合号: 39, V= -14.13抗剪强度计算应力比 = 0.066平面内稳定计算最大应力 (N/mm*mm) = 104.64平面内稳定计算最大应力比 = 0.487平面外稳定计算最大应力 (N/mm*mm) = 96.93平面外稳定计算最大应力比 = 0.451门规CECS102:2002腹板容许高厚比 [H0/TW] = 250.00翼缘容许宽厚比 [B/T] = 15.00考虑屈曲后强度强度计算应力比 = 0.513 < 1.0抗剪强度计算应力比 = 0.066 < 1.0平面内稳定计算最大应力 < f= 215.00平面外稳定计算最大应力 < f= 215.00腹板高厚比 H0/TW= 47.33 < [H0/TW]= 250.00翼缘宽厚比 B/T = 12.12 < [B/T]= 15.00压杆,平面内长细比λ= 114. ≤ [λ]= 180压杆,平面外长细比λ= 64. ≤ [λ]= 180构件重量 (Kg)= 242.53-----------------------------------------------------钢柱 2截面类型= 16; 布置角度= 90; 计算长度:Lx= 6.86,Ly= 3.00; 长细比:λx= 147.0,λy= 23.5构件长度= 6.86; 计算长度系数: Ux= 1.00Uy= 0.44抗震等级: 三级截面参数: B1= 200, B2= 200, H= 300, Tw= 6, T1=8, T2= 8轴压截面分类:X轴:b类, Y轴:c类构件钢号:Q235验算规范: 门规CECS102:2002抗风柱类型1: 仅承担山墙风荷载山墙风压力作用,柱中最大弯矩 My1 = -20.67山墙风吸力作用,柱中最大弯矩 My2 = 20.67组合号 My N V(柱底)1 0.00 4.28 0.002 -28.93 3.80 16.883 -17.36 3.80 10.134 28.93 3.80 -16.885 17.36 3.80 -10.13强度计算控制组合号: 2, M= -28.93, N= 3.80强度计算应力比 = 0.299平面内稳定计算最大应力 (N/mm*mm) = 77.85平面内稳定计算最大应力比 = 0.362平面外稳定计算最大应力 (N/mm*mm) = 55.29平面外稳定计算最大应力比 = 0.257门规CECS102:2002腹板容许高厚比 [H0/TW] = 250.00翼缘容许宽厚比 [B/T] = 15.00抗风柱挠度风吸力控制,挠度值 v (mm) -6.1强度计算最大应力 < f= 215.00平面内稳定计算最大应力 < f= 215.00平面外稳定计算最大应力 < f= 215.00腹板高厚比 H0/TW= 47.33 < [H0/TW]= 250.00翼缘宽厚比 B/T = 12.12 < [B/T]= 15.00压杆,平面内长细比λ= 147. ≤ [λ]= 180压杆,平面外长细比λ= 24. ≤ [λ]= 180抗风柱的挠度 v/H= 1/ 1118. < [v/H]= 1/4004mm构件重量 (Kg)= 264.01--------------------------------------------------------------------------------钢 柱 3截面类型= 16; 布置角度= 0; 计算长度:Lx= 14.56, Ly= 3.00; 长细比:λx= 114.2,λy= 64.3构件长度= 6.30; 计算长度系数: Ux= 2.31 Uy= 0.48 抗震等级: 三级截面参数: B1= 200, B2= 200, H= 300, Tw= 6, T1= 8, T2= 8轴压截面分类:X 轴:b 类, Y 轴:c 类 构件钢号:Q235验算规范: 门规CECS102:2002柱下端 柱 上 端组合号 M N V M N V1 0.00 3.46 10.89 23.38 0.04 3.462 0.00 1.16 10.54 21.17 1.75 3.823 0.00 -14.80 -12.63 -47.25 18.29 2.374 0.00 -17.09 -12.98 -49.46 20.00 2.735 0.00 36.33 6.74 42.48 -32.84 -6.746 0.00 34.03 6.39 40.27 -31.12 -6.397 0.00 31.28 5.62 35.39 -27.35 -5.628 0.00 13.77 2.11 13.30 -10.28 -2.119 0.00 11.47 1.76 11.08 -8.56 -1.7610 0.00 15.49 2.37 14.96 -11.56 -2.3711 0.00 36.33 6.74 42.48 -32.84 -6.7412 0.00 34.03 6.39 40.27 -31.12 -6.3913 0.00 31.28 5.62 35.39 -27.35 -5.6214 0.00 13.77 2.11 13.30 -10.28 -2.1115 0.00 11.47 1.76 11.08 -8.56 -1.7616 0.00 15.49 2.37 14.96 -11.56 -2.3717 0.00 30.14 12.01 48.54 -26.65 -3.4018 0.00 27.85 11.66 46.32 -24.94 -3.0519 0.00 19.19 -2.10 6.16 -15.70 -4.0520 0.00 16.89 -2.45 3.94 -13.98 -3.7021 0.00 7.58 7.3819.35 -4.09 1.2322 0.00 5.29 7.0317.13 -2.38 1.59 23 0.00 -3.37 -6.73-23.03 6.86 0.58 24 0.00 -5.66 -7.08-25.25 8.58 0.93 25 0.00 30.14 12.01 48.54 -26.65 -3.4026 0.00 27.85 11.66 46.32 -24.94 -3.0527 0.00 19.19 -2.106.16 -15.70 -4.05 28 0.00 16.89 -2.453.94 -13.98 -3.70 29 0.00 7.58 7.3819.35 -4.09 1.23 30 0.00 5.29 7.0317.13 -2.38 1.59 31 0.00 -3.37 -6.73-23.03 6.86 0.58 32 0.00 -5.66 -7.08-25.25 8.58 0.93 33 0.00 19.25 14.1343.81 -15.76 0.2234 0.00 16.95 13.78 41.60 -14.04 0.5735 0.00 1.00 -9.38 -26.82 2.50 -0.8736 0.00 -1.30 -9.73 -29.03 4.21 -0.5237 0.00 3.46 10.89 23.38 0.04 3.4638 0.00 1.16 10.54 21.17 1.75 3.8239 0.00 -14.80 -12.63 -47.25 18.29 2.3740 0.00 -17.09 -12.98 -49.46 20.00 2.7341 0.00 19.25 14.13 43.81 -15.76 0.2242 0.00 16.95 13.78 41.60 -14.04 0.5743 0.00 1.00 -9.38 -26.82 2.50 -0.8744 0.00 -1.30 -9.73 -29.03 4.21 -0.5245 0.00 3.46 10.89 23.38 0.04 3.4646 0.00 1.16 10.54 21.17 1.75 3.8247 0.00 -14.80 -12.63 -47.25 18.29 2.3748 0.00 -17.09 -12.98 -49.46 20.00 2.7349 0.00 27.34 7.36 46.39 -23.85 -7.3650 0.00 23.43 6.68 42.08 -20.52 -6.6851 0.00 9.87 -1.16 -7.28 -6.38 1.1652 0.00 7.57 -1.51 -9.50 -4.66 1.5153 0.00 27.34 7.36 46.39 -23.85 -7.3654 0.00 23.43 6.68 42.08 -20.52 -6.6855 0.00 9.87 -1.16 -7.28 -6.38 1.1656 0.00 7.57 -1.51 -9.50 -4.66 1.51考虑腹板屈曲后强度,强度计算控制组合号: 17, M=0.00, N= 30.14, M= 48.54, N= -26.65考虑屈曲后强度强度计算应力比 = 0.513抗剪强度计算控制组合号: 33, V= 14.13抗剪强度计算应力比 = 0.066平面内稳定计算最大应力 (N/mm*mm) = 104.64平面内稳定计算最大应力比 = 0.487平面外稳定计算最大应力 (N/mm*mm) = 96.93平面外稳定计算最大应力比 = 0.451门规CECS102:2002腹板容许高厚比 [H0/TW] = 250.00翼缘容许宽厚比 [B/T] = 15.00考虑屈曲后强度强度计算应力比 = 0.513 < 1.0抗剪强度计算应力比 = 0.066 < 1.0平面内稳定计算最大应力 < f= 215.00平面外稳定计算最大应力 < f= 215.00腹板高厚比 H0/TW= 47.33 < [H0/TW]= 250.00翼缘宽厚比 B/T = 12.12 < [B/T]= 15.00压杆,平面内长细比λ= 114. ≤ [λ]= 180压杆,平面外长细比λ= 64. ≤ [λ]= 180构件重量 (Kg)= 242.53--------------------------------------------------------------------------------钢梁 1截面类型= 16; 布置角度= 0;计算长度: Lx= 10.92,Ly= 3.00构件长度= 5.46; 计算长度系数: Ux= 2.00Uy= 0.55抗震等级: 三级截面参数: B1= 200, B2= 200, H= 300, Tw= 6, T1=8, T2= 8轴压截面分类:X轴:b类, Y轴:c类构件钢号:Q235验算规范: 门规CECS102:2002组合号 M N V MN V1 -47.25 -4.23 -17.95-10.76 5.28 3.302 -49.46 -4.76 -19.62-13.00 5.63 3.273 23.38 -3.45 0.32 -10.76 4.50 -4.314 21.17 -3.98 -1.35 -13.00 4.85 -4.345 42.48 10.06 31.98 42.90 -6.71 0.696 40.27 9.54 30.31 40.67 -6.36 0.657 35.39 8.38 26.64 35.74 -5.59 0.578 13.30 3.15 10.01 13.43 -2.10 0.229 11.08 2.63 8.34 11.19 -1.75 0.1810 14.96 3.54 11.26 15.11 -2.36 0.2411 6.16 5.64 15.20 28.39 -2.28 2.5412 3.94 5.11 13.53 26.15 -1.93 2.5113 48.54 6.10 26.16 28.39 -2.75 -2.0214 46.32 5.58 24.49 26.15 -2.40 -2.0615 -23.03 -1.28 -6.77 -1.08 2.33 2.0716 -25.25 -1.80 -8.44 -3.32 2.68 2.0317 19.35 -0.81 4.19 -1.08 1.86 -2.5018 17.13 -1.34 2.53 -3.32 2.21 -2.5319 -26.82 0.61 -2.57 9.88 2.06 3.6320 -29.03 0.08 -4.24 7.64 2.41 3.6021 43.81 1.39 15.70 9.88 1.28 -3.9822 41.60 0.86 14.03 7.64 1.63 -4.0123 -47.25 -4.23 -17.95 -10.76 5.28 3.3024 -49.46 -4.76 -19.62 -13.00 5.63 3.27 25 23.38 -3.45 0.32 -10.76 4.50 -4.3126 21.17 -3.98 -1.35 -13.00 4.85 -4.3427 46.39 7.59 23.19 26.06 -2.59 4.1928 42.09 6.58 19.96 21.72 -1.91 4.1229 33.88 4.63 13.78 13.43 -3.58 -3.5530 31.66 4.11 12.11 11.19 -3.23 -3.5931 42.48 10.06 31.98 42.90 -6.71 0.6932 40.27 9.54 30.31 40.67 -6.36 0.6533 35.39 8.38 26.64 35.74 -5.59 0.5734 13.30 3.15 10.01 13.43 -2.10 0.2235 11.08 2.63 8.34 11.19 -1.75 0.1836 14.96 3.54 11.26 15.11 -2.36 0.2437 6.16 5.64 15.20 28.39 -2.28 2.5438 3.94 5.11 13.53 26.15 -1.93 2.5139 48.54 6.10 26.16 28.39 -2.75 -2.0240 46.32 5.58 24.49 26.15 -2.40 -2.0641 -23.03 -1.28 -6.77 -1.08 2.33 2.0742 -25.25 -1.80 -8.44 -3.32 2.68 2.0343 19.35 -0.81 4.19 -1.08 1.86 -2.5044 17.13 -1.34 2.53 -3.32 2.21 -2.5345 -26.82 0.61 -2.57 9.88 2.06 3.6346 -29.03 0.08 -4.24 7.64 2.41 3.6047 43.81 1.39 15.709.88 1.28 -3.98 48 41.60 0.86 14.03 7.64 1.63 -4.0149 -47.25 -4.23 -17.95 -10.76 5.28 3.3050 -49.46 -4.76 -19.62 -13.00 5.63 3.2751 23.38 -3.45 0.32 -10.76 4.50 -4.3152 21.17 -3.98 -1.35 -13.00 4.85 -4.3453 46.39 7.59 23.19 26.06 -5.56 -3.3554 42.09 6.58 19.96 21.72 -4.88 -3.4255 33.88 4.63 13.78 13.43 -3.58 -3.5556 31.66 4.11 12.11 11.19 -3.23 -3.59--- 梁的弯矩包络 --- 梁下部受拉:截面 1 2 3 4 5 6 7弯矩 -49.46 -32.85 -21.81 -23.22 -34.25 -41.05 -42.90梁上部受拉:截面 1 2 3 4 5 6 7弯矩 48.54 30.42 21.89 20.96 19.17 16.51 13.00考虑屈曲后强度强度计算应力比 = 0.514 抗剪强度计算应力比 = 0.150平面内稳定最大应力 (N/mm*mm) = 96.77 平面内稳定计算最大应力比 = 0.450 平面外稳定最大应力(N/mm*mm) = 97.16 平面外稳定计算最大应力比 = 0.452考虑屈曲后强度计算应力比 = 0.514 < 1.0 抗剪强度计算应力比 = 0.150 < 1.0 平面内稳定最大应力 < f= 215.00 平面外稳定最大应力 < f= 215.00腹板高厚比 H0/TW= 47.33 < [H0/TW]= 250.00(CECS102:2002)翼缘宽厚比 B/T = 12.12 < [B/T] = 15.00--- (恒+活)梁的相对挠度 (mm) ---截面 1 2 3 4 5 6 7挠度值 0.00 0.71 2.05 3.19 3.49 2.51 0.00最大挠度值 = 3.49 最大挠度/梁跨度 = 1/1565.斜梁坡度初始值: 1/ 9.73 变形后斜梁坡度最小值: 1/ 10.25变形后斜梁坡度改变率 = 0.051 < 1/3构件重量 (Kg)= 210.14 --------------------------------------------------------------------------------钢 梁 2 截面类型= 16; 布置角度= 0;计算长度: Lx= 10.92, Ly= 3.00构件长度= 5.46; 计算长度系数: Ux= 2.00 Uy= 0.55 抗震等级: 三级截面参数: B1= 200, B2= 200, H= 300, Tw= 6, T1= 8, T2= 8轴压截面分类:X 轴:b 类, Y 轴:c 类 构件钢号:Q235验算规范: 门规CECS102:2002组合号 M N V M N V1 10.76 -4.50 -4.31 -23.38 3.45 0.322 13.00 -4.85 -4.34 -21.17 3.98 -1.353 10.76 -5.28 3.30 47.25 4.23 -17.954 13.00 -5.63 3.27 49.46 4.76 -19.625 -13.43 2.10 0.22-13.30 -3.15 10.016 -11.19 1.75 0.18 -11.08 -2.63 8.347 -15.11 2.36 0.24 -14.96 -3.54 11.268 -42.90 6.71 0.69 -42.48 -10.07 31.989 -40.67 6.36 0.65 -40.27 -9.54 30.3110 -35.74 5.59 0.57 -35.39 -8.38 26.6411 1.08 -1.86 -2.50 -19.35 0.81 4.1912 3.32 -2.21 -2.53 -17.13 1.34 2.5313 1.08 -2.33 2.07 23.03 1.28 -6.7714 3.32 -2.68 2.03 25.25 1.80 -8.4415 -28.39 2.75 -2.02 -48.54 -6.10 26.1616 -26.15 2.40 -2.06 -46.32 -5.58 24.4917 -28.39 2.28 2.54 -6.16 -5.64 15.2018 -26.15 1.93 2.51 -3.94 -5.11 13.5319 10.76 -4.50 -4.31 -23.38 3.45 0.3220 13.00 -4.85 -4.34 -21.17 3.98 -1.3521 10.76 -5.28 3.30 47.25 4.23 -17.9522 13.00 -5.63 3.27 49.46 4.76 -19.6223 -9.88 -1.28 -3.98 -43.81 -1.39 15.7024 -7.64 -1.63 -4.01 -41.60 -0.86 14.0325 -9.88 -2.06 3.6326.82 -0.61 -2.5726 -7.64 -2.41 3.60 29.03 -0.08 -4.2427 -13.43 0.62 3.99 7.28 -1.67 6.24 28 -11.19 0.27 3.95 9.50 -1.14 4.5729 -26.06 2.59 4.19 -5.23 -4.63 15.6530 -21.72 1.91 4.12 -0.92 -3.61 12.4131 -42.90 6.71 0.69 -42.48 -10.07 31.9832 -40.67 6.36 0.65 -40.27 -9.54 30.3133 -35.74 5.59 0.57 -35.39 -8.38 26.6434 -13.43 2.10 0.22 -13.30 -3.15 10.0135 -11.19 1.75 0.18 -11.08 -2.63 8.3436 -15.11 2.36 0.24 -14.96 -3.54 11.2637 -28.39 2.75 -2.02 -48.54 -6.10 26.1638 -26.15 2.40 -2.06 -46.32 -5.58 24.4939 -28.39 2.28 2.54 -6.16 -5.64 15.2040 -26.15 1.93 2.51 -3.94 -5.11 13.5341 1.08 -1.86 -2.50 -19.35 0.81 4.1942 3.32 -2.21 -2.53 -17.13 1.34 2.5343 1.08 -2.33 2.07 23.03 1.28 -6.7744 3.32 -2.68 2.03 25.25 1.80 -8.4445 -9.88 -1.28 -3.98 -43.81 -1.39 15.7046 -7.64 -1.63 -4.01 -41.60 -0.86 14.0347 -9.88 -2.06 3.63 26.82 -0.61 -2.5748 -7.64 -2.41 3.60 29.03 -0.08 -4.2449 10.76 -4.50 -4.31 -23.38 3.45 0.3250 13.00 -4.85 -4.34-21.17 3.98 -1.35 51 10.76 -5.28 3.30 47.25 4.23 -17.9552 13.00 -5.63 3.27 49.46 4.76 -19.6253 -26.06 2.59 4.19 -5.23 -4.63 15.6554 -21.72 1.91 4.12 -0.92 -3.61 12.4155 -13.43 0.62 3.99 7.28 -1.67 6.2456 -11.19 0.27 3.95 9.50 -1.14 4.57--- 梁的弯矩包络 --- 梁下部受拉:截面 1 2 3 4 5 6 7弯矩 -42.90 -41.05 -34.25 -23.96 -21.81 -32.85 -49.46梁上部受拉:截面 1 2 3 4 5 6 7弯矩 13.00 16.52 19.17 20.96 21.90 30.42 48.54考虑屈曲后强度强度计算应力比 = 0.514 抗剪强度计算应力比 = 0.150平面内稳定最大应力 (N/mm*mm) = 96.76 平面内稳定计算最大应力比 = 0.450 平面外稳定最大应力(N/mm*mm) = 97.16 平面外稳定计算最大应力比 = 0.452考虑屈曲后强度计算应力比 = 0.514 < 1.0 抗剪强度计算应力比 = 0.150 < 1.0 平面内稳定最大应力 < f= 215.00 平面外稳定最大应力 < f= 215.00腹板高厚比 H0/TW= 47.33 < [H0/TW]= 250.00 (CECS102:2002)翼缘宽厚比 B/T = 12.12 < [B/T] = 15.00--- (恒+活)梁的相对挠度 (mm) ---截面 1 2 3 4 5 6 7挠度值 0.00 2.51 3.49 3.19 2.05 0.71 0.00最大挠度值 = 3.49 最大挠度/梁跨度 = 1/1565.斜梁坡度初始值: 1/ 9.73 变形后斜梁坡度最小值: 1/ 10.25 变形后斜梁坡度改变率 = 0.051 < 1/3构件重量 (Kg)= 210.14--------------------------------------------------------------------------------风荷载作用下柱顶最大水平(X 向)位移:节点( 1), 水平位移 dx= 42.831(mm) = H / 147.地震荷载作用下柱顶最大水平(X 向)位移: 节点( 1), 水平位移 dx= 23.838(mm) = H /264. 梁的(恒+活)最大挠度:梁( 2), 挠跨比 = 1 / 1565. 风载作用下柱顶最大水平位移: H/ 147< 柱顶位移容许值: H/ 60地震作用下柱顶最大水平位移: H/ 264< 柱顶位移容许值: H/ 60梁的(恒+活)最大挠跨比: 1/ 1565< 梁的容许挠跨比: 1/ 180所有钢柱的总重量 (Kg)= 749. 所有钢梁的总重量 (Kg)= 420. 钢梁与钢柱重量之和 (Kg)= 1169.-----PK11 计算结束-----第二章节点计算文件NODE.OUT****** 轻钢门式刚架施工图设计 STMJW.EXE******设计时间: 3/17/2012高强度螺栓计算方法:采用方法1,假定中和轴在受压区最下两排螺栓中心节点设计结果:===================================================== =======施工图总剖面数: 7当前剖面归并号: 1梁柱连接节点: 节点号: 1梁端与柱刚接连接连接构件号: 柱 1, 梁 1节点连接形式: 1内力设计值: 弯矩 M= 48.535 kN.m, 拉力 N= 0.000 kN 剪力 V= 26.639 kN高强度螺栓承载力: 直径=M20, Ftb= 124.000 kN, Fvb= 41.850 kN高强度螺栓受力: Max Ft= 42.513 kN, Max Fv= 8.204 kN反向弯矩设计值: M1= -49.463 kN.m,高强度螺栓拉力: Max Ft1= 43.672 kN满足: 高强度螺栓抗拉满足!满足: 高强度螺栓抗剪满足!端板尺寸: 宽度×厚度= 200×22;长度= 580 mm螺栓总排数: 4 排(受拉区 2排;受压区 2排)螺栓中心位置: 到翼缘表面的距离= 45;到腹板中心的距离= 50;间距= 70构件翼缘与端板的连接采用全熔透对接焊缝,腹板的连接采用与腹板等强的角焊缝焊缝强度: Ftw = 160.0 N/mm腹板角焊缝剪应力: Max sigmaV= 79.3满足: 角焊缝剪应力满足!角焊缝焊脚尺寸: 腹板 7 mm焊缝强度: Ftw = 160.0 N/mm端板外伸处加劲肋连接角焊缝计算.采用内力设计值: T= 42.513 kN加劲肋压应力: sgm= 65.404 N/mm满足: 加劲肋强度满足!角焊缝焊脚尺寸: 与端板连接处 8 mm, 与翼缘 8 mm角焊缝应力: 与端板连接处 56.6, 与翼缘板连接处 142.1满足: 角焊缝应力满足!与端板连接的构件腹板应力比 = 0.0满足: 与端板连接的构件腹板强度验算满足!梁柱连接节点域应力比 = 0.8满足: 梁柱连接节点域剪应力验算满足!===================================================== =======施工图总剖面数: 7当前剖面归并号: 2梁柱连接节点: 节点号: 1梁端与柱刚接连接连接构件号: 柱 1, 梁 1节点连接形式: 1内力设计值: 弯矩 M= 48.535 kN.m, 拉力 N= 0.000 kN 剪力 V= 26.639 kN高强度螺栓承载力: 直径=M20, Ftb= 124.000 kN, Fvb= 41.850 kN高强度螺栓受力: Max Ft= 42.513 kN, Max Fv= 8.204 kN反向弯矩设计值: M1= -49.463 kN.m,高强度螺栓拉力: Max Ft1= 43.672 kN满足: 高强度螺栓抗拉满足!满足: 高强度螺栓抗剪满足!端板尺寸: 宽度×厚度= 200×22;长度= 480mm螺栓总排数: 4 排(受拉区 2排;受压区 2排)螺栓中心位置: 到翼缘表面的距离= 45;到腹板中心的距离= 50;间距= 70构件翼缘与端板的连接采用全熔透对接焊缝,腹板的连接采用与腹板等强的角焊缝焊缝强度: Ftw = 160.0 N/mm腹板角焊缝剪应力: Max sigmaV= 79.3满足: 角焊缝剪应力满足!角焊缝焊脚尺寸: 腹板 7 mm焊缝强度: Ftw = 160.0 N/mm端板外伸处加劲肋连接角焊缝计算.采用内力设计值: T= 42.513 kN加劲肋压应力: sgm= 65.404 N/mm满足: 加劲肋强度满足!角焊缝焊脚尺寸: 与端板连接处 8 mm, 与翼缘 8 mm角焊缝应力: 与端板连接处 56.6, 与翼缘板连接处 142.1满足: 角焊缝应力满足!与端板连接的构件腹板应力比 = 0.0满足: 与端板连接的构件腹板强度验算满足!梁柱连接节点域应力比 = 0.8满足: 梁柱连接节点域剪应力验算满足!===================================================== =======施工图总剖面数: 7当前剖面归并号: 1梁柱连接节点: 节点号: 2梁端与柱刚接连接连接构件号: 柱 3, 梁 2节点连接形式: 1内力设计值: 弯矩 M= -48.535 kN.m, 拉力 N= 0.000 kN 剪力 V= 26.639 kN高强度螺栓承载力: 直径=M20, Ftb= 124.000 kN, Fvb= 41.850 kN高强度螺栓受力: Max Ft= 42.513 kN, Max Fv= 8.204 kN反向弯矩设计值: M1= 49.462 kN.m,高强度螺栓拉力: Max Ft1= 43.672 kN满足: 高强度螺栓抗拉满足!满足: 高强度螺栓抗剪满足!端板尺寸: 宽度×厚度= 200×22;长度= 580 mm螺栓总排数: 4 排(受拉区 2排;受压区 2排)螺栓中心位置: 到翼缘表面的距离= 45;到腹板中心的距离= 50;间距= 70构件翼缘与端板的连接采用全熔透对接焊缝,腹板的连接采用与腹板等强的角焊缝焊缝强度: Ftw = 160.0 N/mm腹板角焊缝剪应力: Max sigmaV= 79.3满足: 角焊缝剪应力满足!角焊缝焊脚尺寸: 腹板 7 mm焊缝强度: Ftw = 160.0 N/mm端板外伸处加劲肋连接角焊缝计算.采用内力设计值: T= 42.513 kN加劲肋压应力: sgm= 65.404 N/mm满足: 加劲肋强度满足!角焊缝焊脚尺寸: 与端板连接处 8 mm, 与翼缘 8 mm角焊缝应力: 与端板连接处 56.6, 与翼缘板连接处 142.1满足: 角焊缝应力满足!与端板连接的构件腹板应力比 = 0.0满足: 与端板连接的构件腹板强度验算满足!梁柱连接节点域应力比 = 0.8满足: 梁柱连接节点域剪应力验算满足!===================================================== =======施工图总剖面数: 7当前剖面归并号: 2梁柱连接节点: 节点号: 2梁端与柱刚接连接连接构件号: 柱 3, 梁 2节点连接形式: 1内力设计值: 弯矩 M= -48.535 kN.m, 拉力 N= 0.000 kN 剪力 V= 26.639 kN高强度螺栓承载力: 直径=M20, Ftb= 124.000 kN, Fvb= 41.850 kN高强度螺栓受力: Max Ft= 42.513 kN, Max Fv= 8.204 kN反向弯矩设计值: M1= 49.462 kN.m,高强度螺栓拉力: Max Ft1= 43.672 kN满足: 高强度螺栓抗拉满足!满足: 高强度螺栓抗剪满足!端板尺寸: 宽度×厚度= 200×22;长度= 480 mm螺栓总排数: 4 排(受拉区 2排;受压区 2排)螺栓中心位置: 到翼缘表面的距离= 45;到腹板中心的距离= 50;间距= 70构件翼缘与端板的连接采用全熔透对接焊缝,腹板的连接采用与腹板等强的角焊缝焊缝强度: Ftw = 160.0 N/mm腹板角焊缝剪应力: Max sigmaV= 79.3满足: 角焊缝剪应力满足!角焊缝焊脚尺寸: 腹板 7 mm焊缝强度: Ftw = 160.0 N/mm端板外伸处加劲肋连接角焊缝计算.采用内力设计值: T= 42.513 kN加劲肋压应力: sgm= 65.404 N/mm满足: 加劲肋强度满足!角焊缝焊脚尺寸: 与端板连接处 8 mm, 与翼缘 8 mm角焊缝应力: 与端板连接处 56.6, 与翼缘板连接处 142.1满足: 角焊缝应力满足!与端板连接的构件腹板应力比 = 0.0满足: 与端板连接的构件腹板强度验算满足!梁柱连接节点域应力比 = 0.8满足: 梁柱连接节点域剪应力验算满足!============================================================施工图总剖面数: 7当前剖面归并号: 3柱号: 1柱脚形式: 2 ( 铰接类型 2 )计算柱脚底板的设计内力: M= 0.000 kN.m, N= 36.329 kN基础混凝土等级: 20基础混凝土强度: 9.600基础混凝土最大压应力: 0.449满足: 柱脚混凝土抗压满足!计算柱脚锚栓的设计内力: M= 0.000 kN.m, N= 17.091 kN柱脚锚栓抗拉强度: 直径=M24, Ftb= 140.000 N/mm, Ntb= 49.350 kN锚栓拉应力 : Max Ft= 12.122 N/mm ; 锚栓拉力: Max Nt= 4.273 kN满足: 柱脚锚栓抗拉满足!柱脚底板厚度: 20 mm柱脚需要设计抗剪键:抗剪键设计剪力: V = 12.977 kN (组合号=2 )抗剪键截面: [10抗剪键长度: 100.0 mm侧面混凝土压应力: 1.4抗剪键根部设计弯矩: M = 0.649 kN.m抗剪键强度设计值: f = 215.000 N/mm , fv= 125.000 N/mm抗剪键根部应力: sgm = 16.361 N/mm ,tao= 29.017 N/mm与底板连接角焊缝尺寸: 6 mm角焊缝强度: Ffw = 160.000 N/mm角焊缝应力: Ff = 10.801 N/mm , Fv= 18.613 N/mm抗剪键放置: 腹板与剪力方向平行柱端与底板连接周边采用坡口焊缝============================================================施工图总剖面数: 7当前剖面归并号: 4柱号: 2柱脚形式: 2 ( 铰接类型 2 )计算柱脚底板的设计内力: M= 0.000 kN.m, N= 4.277 kN基础混凝土等级: 20基础混凝土强度: 9.600基础混凝土最大压应力: 0.053满足: 柱脚混凝土抗压满足!计算柱脚锚栓的设计内力: M= 0.000 kN.m, N= 0.000 kN柱脚锚栓抗拉强度: 直径=M24, Ftb= 140.000 N/mm, Ntb= 49.350 kN锚栓拉应力 : Max Ft= 0.000 N/mm ; 锚栓拉力: Max Nt= 0.000 kN满足: 柱脚锚栓抗拉满足!柱脚底板厚度: 20 mm 柱脚需要设计抗剪键:抗剪键设计剪力: V = 15.609 kN (组合号=48 )抗剪键截面: [10抗剪键长度: 100.0 mm侧面混凝土压应力: 1.7抗剪键根部设计弯矩: M = 0.780 kN.m抗剪键强度设计值: f = 215.000 N/mm , fv= 125.000 N/mm抗剪键根部应力: sgm = 19.678 N/mm ,tao= 34.901 N/mm与底板连接角焊缝尺寸: 6 mm角焊缝强度: Ffw = 160.000 N/mm角焊缝应力: Ff = 12.991 N/mm , Fv= 22.388 N/mm抗剪键放置: 腹板与剪力方向平行柱端与底板连接周边采用坡口焊缝============================================================施工图总剖面数: 7当前剖面归并号: 3柱号: 3柱脚形式: 2 ( 铰接类型 2 )计算柱脚底板的设计内力: M= 0.000 kN.m, N= 36.329 kN基础混凝土等级: 20基础混凝土强度: 9.600基础混凝土最大压应力: 0.449满足: 柱脚混凝土抗压满足!计算柱脚锚栓的设计内力: M= 0.000 kN.m, N= 17.091 kN柱脚锚栓抗拉强度: 直径=M24, Ftb= 140.000 N/mm, Ntb= 49.350 kN锚栓拉应力 : Max Ft= 12.121 N/mm ; 锚栓拉力: Max Nt= 4.273 kN满足: 柱脚锚栓抗拉满足!柱脚底板厚度: 20 mm柱脚需要设计抗剪键:抗剪键设计剪力: V = 12.977 kN (组合号=4 )抗剪键截面: [10抗剪键长度: 100.0 mm侧面混凝土压应力: 1.4抗剪键根部设计弯矩: M = 0.649 kN.m抗剪键强度设计值: f = 215.000 N/mm , fv= 125.000 N/mm抗剪键根部应力: sgm = 16.360 N/mm ,tao= 29.017 N/mm与底板连接角焊缝尺寸: 6 mm角焊缝强度: Ffw = 160.000 N/mm角焊缝应力: Ff = 10.801 N/mm , Fv= 18.613 N/mm抗剪键放置: 腹板与剪力方向平行柱端与底板连接周边采用坡口焊缝============================================================柱号(抗风柱): 2抗风柱偏心: 150柱顶连接形式: 3 ( 长圆孔形式1 )内力设计值: 剪力 V= 16.876 kN连接板宽度x厚度= 200x10mm连接板钢材强度设计值: f = 215.000 N/mm , fv= 125.000 N/mm连接板净截面剪应力: τ= 12.409 N/mm满足: 连接板净截面强度满足!抗风柱腹板厚度: Tw= 6.000 mm连接板钢材强度设计值: f = 215.000 N/mm , fv= 125.000 N/mm抗风柱腹板截面剪应力: τ= 12.785 N/mm满足: 抗风柱腹板净截面强度满足!高强度螺栓: 按照承压型连接设计,而且不施加预拉力高强度螺栓承载力: 直径=M20, Ftb= 122.400 kN, Fvb= 56.400 kN高强度螺栓总数: 1 个高强度螺栓受力: Max Ft= 0.000 kN, Max Fv= 16.876 kN满足: 高强度螺栓抗剪满足!连接板与梁连接焊缝强度: Ftw = 160.0 N/mm连接角焊缝尺寸: 5 mm角焊缝剪应力: Max sigmaV= 12.7满足: 角焊缝剪应力满足!第三章基础计算文件扩地底敦计算:三个厂房最不利一组荷载:sNmax=60.kN M= 0kNm Q= 25kN。
恒大名都锅炉房泄爆口采光顶钢骨架采光顶(泄爆口)设计计算书山东天幕集团总公司西宁分公司二〇一四年十月十一日目录1 计算引用的规范、标准及资料 (1)1.1 幕墙设计规范: (1)1.2 建筑设计规范: (1)1.3 铝材规范: (2)1.4 金属板及石材规范: (2)1.5 玻璃规范: (3)1.6 钢材规范: (3)1.7 胶类及密封材料规范: (3)1.8 五金件规范: (4)1.9 相关物理性能等级测试方法: (4)1.10 《建筑结构静力计算手册》(第二版) (5)1.11 土建图纸: (5)2 基本参数 (5)2.1 幕墙所在地区 (5)2.2 地面粗糙度分类等级 (5)2.3 抗震设防 (5)3 幕墙承受荷载计算............................................................................................................ 错误!未定义书签。
3.1 风荷载标准值的计算方法.................................................................................... 错误!未定义书签。
3.2 计算支撑结构时的风荷载标准值 ........................................................................ 错误!未定义书签。
3.3 计算面板材料时的风荷载标准值 ........................................................................ 错误!未定义书签。
3.4 垂直于幕墙平面的分布水平地震作用标准值 .................................................... 错误!未定义书签。
3.5 平行于幕墙平面的集中水平地震作用标准值 .................................................... 错误!未定义书签。
3.6 作用效应组合........................................................................................................ 错误!未定义书签。
4 幕墙立柱计算.................................................................................................................... 错误!未定义书签。
4.1 立柱型材选材计算................................................................................................ 错误!未定义书签。
4.2 确定材料的截面参数............................................................................................ 错误!未定义书签。
4.3 选用立柱型材的截面特性.................................................................................... 错误!未定义书签。
4.4 立柱的抗弯强度计算............................................................................................ 错误!未定义书签。
4.5 立柱的挠度计算.................................................................................................... 错误!未定义书签。
4.6 立柱的抗剪计算.................................................................................................... 错误!未定义书签。
5 幕墙横梁计算.................................................................................................................... 错误!未定义书签。
5.1 横梁型材选材计算................................................................................................ 错误!未定义书签。
5.2 确定材料的截面参数............................................................................................ 错误!未定义书签。
5.3 选用横梁型材的截面特性.................................................................................... 错误!未定义书签。
5.4 幕墙横梁的抗弯强度计算.................................................................................... 错误!未定义书签。
5.5 横梁的挠度计算.................................................................................................... 错误!未定义书签。
5.6 横梁的抗剪计算.................................................................................................... 错误!未定义书签。
6 短槽式(托板)连接石材的选用与校核 ............................................................................. 错误!未定义书签。
6.1 石材板块荷载计算................................................................................................ 错误!未定义书签。
6.2 石材的抗弯设计.................................................................................................... 错误!未定义书签。
6.3 短槽托板在石材中产生的剪应力校核 ................................................................ 错误!未定义书签。
6.4 短槽托板剪应力校核............................................................................................ 错误!未定义书签。
7 连接件计算........................................................................................................................ 错误!未定义书签。
7.1 横梁与立柱间焊接强度计算................................................................................ 错误!未定义书签。
7.2 立柱与主结构间焊接强度计算............................................................................ 错误!未定义书签。
8 幕墙埋件计算(粘结型化学锚栓) ..................................................................................... 错误!未定义书签。
8.1 荷载值计算............................................................................................................ 错误!未定义书签。
8.2 锚栓群中承受拉力最大锚栓的拉力计算 ............................................................ 错误!未定义书签。
8.3 群锚受剪内力计算................................................................................................ 错误!未定义书签。
8.4 锚栓钢材破坏时的受拉承载力计算 .................................................................... 错误!未定义书签。
8.5 锚栓钢材受剪破坏承载力计算............................................................................ 错误!未定义书签。
8.6 拉剪复合受力承载力计算.................................................................................... 错误!未定义书签。
9 幕墙转接件强度计算........................................................................................................ 错误!未定义书签。