安徽省大学生程序设计大赛
- 格式:pdf
- 大小:360.15 KB
- 文档页数:5
计算机科学与技术系2012年大事记1月份2010中韩(2+2) 1名韩国留学生顺利毕业并获得学历学位证书;2月份2010级网络系统管理(1.5+1.5)班 33名学生顺利赴韩国汉拿大学学习。
3月份我系申报的软件工程专业(目录外)顺利通过教育部审批;完成了2012届本科毕业实习工作。
4月份合肥工业大学的罗越童副教授为我系师生做了关于“基于物联网技术的智能交通研究”的学术报告;获合肥学院田径运动会团体冠军;系全体教职工赴大蜀山革命烈士陵园,向烈士纪念碑敬献花篮。
5月份陈圣兵博士做了关于“动态数据挖掘在物联网中的应用”的学术报告;李红和项响琴指导的安徽省2012大学生程序设计竞赛分别获得一等和三等奖;在学院校园网各系部网页评比中,我系网页荣获第一名。
6月份组织了2010级2个本科专业6个班进行了为期12周的认知实习;龙夏老师在合肥学院第五届青年教师教学基本功竞赛(实验)中获三等奖;组织了2012届本科毕业设计(论文)的答辩工作,2012届毕业生顺利毕业离校。
7月份2010级中德2+3班2名学生顺利通过DAF考试;2011级中德2+3班2名学生赴德国威廉港参加夏令营;2009级中韩1.5+1.5班24名学生在韩国济州汉拿大学顺利毕业;与中国陆军军官学院就联合培养工程硕士展开合作。
8月份2010级计算机科学与技术专业(对德合作)班4名学生顺利赴德国学习;屠菁、张艳明老师指导的团队获得中国大学生服务外包创新创业大赛分别获得二、三等奖;我系新申报的软件工程(本科)专业顺利完成招生;顺利完成我系向新校区二期搬迁工作。
9月份顺利完成了2010级本科生的认知实习报告答辩及认知实习总结工作;顺利完成2012级新生开学和军训工作;邹乐获合肥市大学生医保工作优秀工作者荣誉称号;何立新荣获院师德标兵称号,何立新、马保卫、熊锐荣获院“三育人”先进个人称号。
李国斌、李新路和李正茂指导的团队参加2012年大学生物联网创新创业大赛获得安徽赛区两个三等奖;10月份合肥工业大学的方宝富副教授为我系师生做了关于“RoboCup机器人足球”的学术报告;章义刚副教授、吕刚副教授、张贯虹老师分别获得一项合肥学院校级教研项目;何立新指导的作品获得第四届全国计算机仿真大赛二等奖;吕刚指导的作品获得第四届全国计算机仿真大赛三等奖;成功承办全国第七届全国信息技术应用水平大赛合肥学院预赛;袁暋主任主持的《借鉴德国FH的计算机应用型人才培养模式研究与实践》项目获合肥学院教学成果特等奖。
智能科学与技术专业python课程教学探索作者:鲁月林汪爽史晨阳刘永明赵转哲刘志博来源:《科技风》2024年第15期摘要:Python语言程序设计是智能科学与技术专业的编程基础课程,对该专业后续实践课程的实施具有重要作用。
为了提升Python课程的质量,从专业对人才素质的需求角度出发,对Python课程教学提出了改进措施,包括提升教师编程技能与课程理解、建立层次分明的课堂教学体系、构建以学生为中心的实践教学体系以及建立Python课程与学科竞赛的链接。
通过课程的不断改进,最终实现了课程教学质量的提升。
关键词:Python语言;智能科学与技术;教学方案;实践能力1概述智能科学与技术专业是契合人工智能时代人才能力需求的专业,该专业融合了人工智能、计算机、控制、传感、通讯等众多学科领域[1-2],学生就业主要面向信息技术、先进制造类企事业单位。
安徽工程大学人工智能学院为了应对社会与企业对信息化、智能化人才的需求,积极培养学生通过编程解决实际问题的能力。
由于Python语言具有简单易懂、易于学习,以及包含丰富的第三方库和工具[1]特点,被广泛应用于各种领域,如Web开发、数据科学、人工智能和机器学习等[3-4]。
智能科学与技术专业在低年级开设《Python语言程序设计》课程,该课程的先修课有《C语言程序设计》、《计算机基础》等,其教学内容主要包括基础语法、库的使用、面向对象基础知识等。
学生在Python课程中所掌握的编程技能是该专业后续课程如《机器学习》、《自然语言处理》、《ROS机器人开发》等课程的基础,也是学生毕业后从事相关工作的重要技能。
通过Python语言的学习和训练,可以有效提升智能科学与技术专业学生的计算思维、算法思维和以及解决工程问题的能力[5-6]。
本课程除了要求学生熟练使用Python以外,还要求学生对程序设计有一定理解,为以后更深入的学习和实践打下基础,支撑专业学习成果中相应指标点的达成。
斛兵塘畔的工科巨人吴赛我的母校合肥工业大学是一所教育部直属的全国重点大学、国家“211工程”重点建设高校和“985工程”优势学科创新平台建设高校。
合工大有着悠久而辉煌的历史。
合肥工业大学是抗日战争胜利成立的,1960年就是国家重点大学。
我校的最大特色就是工科实力雄厚,基础扎实,在工科各个领域都有卓越的成就。
尤其是机械与车辆工程学院和计算机与信息学院。
先说说机械与车辆吧,我校之前隶属于第一机械工业部,当时号称是一机部的头牌学校,我校在机械方面的实力可见一斑。
该学院现在是我校的第一大学院同时也是王牌学院,之所以说它是王牌学院是有原因的,我校的机械与车辆工程学院人才辈出,现在国产汽车像奇瑞QQ,东风系列,江淮JAC,比亚迪它们的老总全部毕业于合肥工业大学机汽学院,优秀的校友是我校机汽学院雄厚实力最好的象征。
我校在中国的车辆领域的地位很高,三分天下有其一,绝不逊色于大家熟知的同济大学和北京理工大学车辆工程专业。
我觉得合工大机械与汽车专业有如今的成就与其优秀的历史传统,严谨的作风,和名师的培训,尤其是刻苦扎实的基础培训是分不开的。
我校最重视的就是学生的实践能力,在我们学校有一个工程训练中心,就是一个类似于工厂的实践中心,我校的每一名学生都要在其中接受刻苦的训练,包括各种工种的培训,像车工,铣工,钳工,热处理,线切割,电焊,锻压技术等等一系列的培训,每一环节都抓得很紧,而且训练非常的严格,在艰苦的环境中不仅磨练了技术更锻炼了意志品质,而动手能力更是在一次次的刻苦训练中得以迅速的提高,工大的学生给人的第一印象就是,动手能力强,基础扎实。
而像机械和汽车这种工科性质很明显的专业实践能力绝对是最为重要的,因此合工大机械领域的地位绝对不是吹出来的,而是一步一个脚印踏踏实实练出来的。
再说说计算机专业吧,假如说要评选一个全国计算机专业最正宗的学校你会选哪一所?我会把这一票投给合肥工业大学,为什么这么说呢?因为中国的第一台微型计算机的诞生地就在我的母校合工大。
安 徽 省 机 器 人 大 赛程 序 设 计 赛 道( 本 科 组 )比赛试题2021年9月目 录A. 数7 (3)B. 恢复排列 (4)C. 连通块 (5)D. 持续攻击 (6)E. 字符串排序 (7)F. 道路维修 (8)G. 连边问题 (9)H. 数字谜盘 (11)I. 病毒 (12)J. 计分板 (14)K. 毒斗罗,群战yyds (15)A. 数7描述给定N个正整数,每个数大小不超过3,那么最多能将这N个数分为多少个组,使得每一组的和都是7的倍数?输入多组数据,第一行一个整数T表示数据组数。
每组数据第一行一个整数N,第二行三个整数x,y,z,分别表示1的个数,2的个数,3的个数,保证x+y+z=N,x+2y+3z能被7整除。
1 <= T <= 1000, 1 <= N <= 100。
输出输出T行,每行一个整数表示答案。
样例输入样例输出342 1 160 4 2 10061 24 15 1 2 22B. 恢复排列描述有一个1到N的排列P,给定P中任意两数的大小关系,求恢复这个排列。
输入第一行一个整数N,接下来N行,每行N个数。
每个数表示第i行第j列的值Pij,当Pij为-1表示Pi<Pj,为1表示Pi>Pj,为0表示Pi=Pj。
1 <= N <= 1000输出输出一行N个数,表示排列P。
样例输入 样例输出5 4 2 3 150 1 1 1 1-1 0 1 1 1-1 -1 0 -1 1-1 -1 1 0 1-1 -1 -1 -1 0C. 连通块描述给定一个长N的序列A,对于所有二元组(i,j) (1<=i<=n,1<=j<=n),如果满足i<j并且Ai>Aj,那么就在i和j之间连接一条边,这样最终得到一个无向图G。
那么现在你需要求出无向图G的最大连通块的点数。
输入第一行一个整数N,接下来一行N个整数,表示序列A。
安徽省大学生学科和技能竞赛AB类项目列表09年版1. 数学竞赛项目-数学建模数学建模竞赛是一个综合性的竞赛项目,要求选手运用数学知识和技能解决实际问题。
选手需要分析问题,建立数学模型,进行数据处理和分析,并给出合理的解决方案。
这个竞赛项目培养了选手的创新思维和团队合作能力。
2. 物理竞赛项目-物理实验物理实验竞赛要求选手根据实验要求进行实验设计和操作,同时进行数据记录和分析。
选手需要熟练掌握基本实验仪器的使用方法,并能准确测量物理量。
通过这个竞赛项目,选手能够加深对物理知识的理解和应用,提高实验设计和数据处理的能力。
3. 化学竞赛项目-化学实验与创新化学实验与创新竞赛有两个部分组成:实验和创新。
实验部分,选手需要完成多个化学实验,并根据实验数据进行数据分析和实验结果的解释。
创新部分,选手需要根据所学知识,提出一个有创新性的化学实验方案,并进行实验验证。
这个竞赛项目培养了选手的实验操作能力和创新思维能力。
4. 生物竞赛项目-生物实验与科技创新生物实验与科技创新竞赛要求选手进行多个生物实验项目的设计和操作,并进行数据记录和分析。
选手还需要根据所学知识,提出一个有创新性的生物科技方案,并进行实验验证。
这个竞赛项目培养了选手的实验设计和操作能力,以及创新思维和科研能力。
5. 计算机竞赛项目-程序设计与算法计算机竞赛主要包括程序设计和算法两个方面。
程序设计要求选手编写程序解决给定的问题。
算法要求选手设计高效的算法解决复杂的计算问题。
这个竞赛项目培养了选手的编程能力和算法设计能力,提高了他们解决问题的能力。
6. 电子竞赛项目-电子技术应用与创新电子技术应用与创新竞赛要求选手进行电子电路设计和制作,并进行实验验证。
选手还需要根据所学知识,提出一个有创新性的电子技术方案,并进行实验验证。
这个竞赛项目培养了选手的电子电路设计和制作能力,以及创新思维和工程实践能力。
7. 经济竞赛项目-经济分析与决策经济分析与决策竞赛要求选手对经济问题进行分析和研究,并提出合理的决策方案。
2018年安徽省TI杯大学生电子设计竞赛灭火飞行器(B题)设计报告目录摘要: (2)关键词: (2)一、系统方案 (3)1.1 控制系统的选择 (3)1.2 飞行姿态控制的论证与选择 (3)1.3 电机的选择 (3)1.4 高度测量模块的论证与选择 (3)1.5 边界判断模块的选择 (3)1.6 角速度与加速度测量模块选择 (4)二、设计与论证 (4)2.1 控制方法设计 (4)2.1.1降落及飞行轨迹控制 (4)2.1.2 飞行高度控制 (5)2.1.3 飞行姿态控制 (5)2.2 参数计算 (6)三、理论分析与计算 (6)3.1 Pid控制算法分析 (6)四、电路与程序设计 (9)4.1 系统组成 (9)4.2 系统框图 (9)4.3 系统各模块电路图 (10)4.4 程序流程图 (13)五、测试方案与测试条件 (13)5.1 测试方案 (13)5.2 测试条件 (14)六、结论 (16)6.1 pid控制如下图: (16)附录一:元器件明细表 (18)附录二:仪器设备清单 (18)附录三:程序 (18)摘要:本系统由数据采集、数据信号处理、飞行姿态和航向控制等部分组成。
系统选用STM32F4单片机作为主控芯片,对从STM32F4芯片读取到的一系列数据进行PID算法处理并向飞行器的电调给出相应指令,从而达到对飞行器飞行姿态的控制。
采用STM32F4芯片采集四旋翼飞行器的三轴角速度和三轴角加速度数据,用激光定高来判断“火源位置”,以保证飞行器可以直接找到“火源”。
通过使用激光判断边界区域,确保可以在相应范围内飞行;nrf51422无线通信模块用来实现遥控器和飞行器之间的通信。
关键词:STM32F4单片机激光传感器超声波测距定高 PID算法光流定点模块nrf51422无线模块一、系统方案本系统主要由控制模块、激光定高模块、电机调速模块、循迹模块、无线通信模块组成,下面分别论证这几个模块的选择。
1.1 控制系统的选择方案一:STM32F1单片机作为主控芯片来控制飞行器的飞行姿态与方向,带有摄像头采集,并把摄像头采集的数据发送给STM32F4进行处理,运用 pid算法进行姿态调整。
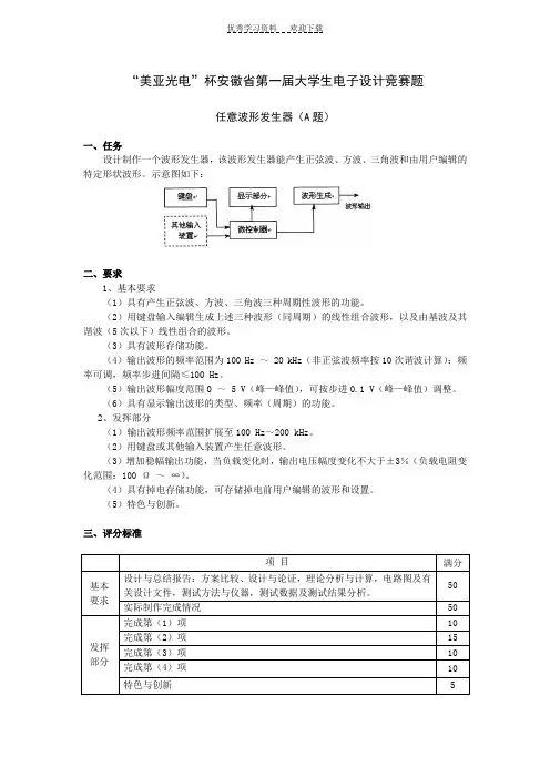
“美亚光电”杯安徽省第一届大学生电子设计竞赛题任意波形发生器(A题)一、任务设计制作一个波形发生器,该波形发生器能产生正弦波、方波、三角波和由用户编辑的特定形状波形。
示意图如下:二、要求1、基本要求(1)具有产生正弦波、方波、三角波三种周期性波形的功能。
(2)用键盘输入编辑生成上述三种波形(同周期)的线性组合波形,以及由基波及其谐波(5次以下)线性组合的波形。
(3)具有波形存储功能。
(4)输出波形的频率范围为100 Hz ~ 20 kHz(非正弦波频率按10次谐波计算);频率可调,频率步进间隔≤100 Hz。
(5)输出波形幅度范围0 ~ 5 V(峰—峰值),可按步进0.1 V(峰—峰值)调整。
(6)具有显示输出波形的类型、频率(周期)的功能。
2、发挥部分(1)输出波形频率范围扩展至100 Hz~200 kHz。
(2)用键盘或其他输入装置产生任意波形。
(3)增加稳幅输出功能,当负载变化时,输出电压幅度变化不大于±3%(负载电阻变化范围:100 Ω~∞)。
(4)具有掉电存储功能,可存储掉电前用户编辑的波形和设置。
(5)特色与创新。
三、评分标准远程温湿度测量系统(B题)一、任务制作一个远程温湿度测量仪,该测试仪具有温湿度测量和远程显示等功能。
其结构框图如下:二、要求l、基本要求(1)通过可编程控制器、变换器和温湿度传感器采集温湿度数据并在LED上显示。
(2)温度误差<1℃,湿度误差<1%,温度测量范围0℃~120℃,湿度测量范围1%~99%。
(3)可用电池供电。
2、发挥部分(1)设计红外二极管发射电路和红外接收电路,实现温湿度数据的准确可靠发送和接收。
(2)设计射频发射电路和接收电路,实现温湿度数据的准确可靠发送和接收。
(3)最好采用微型化的温湿度传感器,无线传输距离>5米。
(4)特色与创新。
三、评分标准多功能电话防盗报警器(C题)一、任务设计并制作一个电话防盗报警器。
包括电源、控制、报警、探测电路。
计算机教学与教育信息化本栏目责任编辑:王力结合OJ 及竞赛的算法设计与分析课程教学实践时慧琨(淮南师范学院计算机学院,安徽淮南232038)摘要:针对算法设计与分析课程教学中教学以讲授为主、学生缺乏实践机会及实践脱离应用实际的问题,从在线测试(OJ )系统建设、实践团队组织、教学活动开展和竞赛组织参与等方面,详细阐述了在教学过程中结合OJ 以及竞赛开展课程教学的实践模式,激发学生学习主动性,引导培养学生分析问题,解决问题能力及团队合作能力,提高教学效果。
关键词:算法设计与分析;OJ ;教学实践中图分类号:G642文献标识码:A文章编号:1009-3044(2021)10-0149-03开放科学(资源服务)标识码(OSID ):Teaching Practices of Algorithm Design and Analysis Combined with OJ and Competitions SHI Hui-kun(School of Computer Science,Huainan Normal University,Huainan 232038,China)Abstract:In the teaching of algorithm design and analysis course,there are some problems such as too many theoretical teaching,lack of practical opportunities and practice divorced from real application,etc.This paper elaborates on the practical mode of com⁃bining online judge(OJ)system and competitions in the teaching process from several aspects include OJ system construction,prac⁃tice team organization,teaching activities development and competition organization participation.Practices proved these measures can stimulate students'learning initiative,guide and cultivate students'ability of analyzing,problem solving and team working,so as to improve the teaching effect.Keywords:AlgorithmDesignandAnalysis;OJ;teaching practice1算法设计与分析课程算法设计与分析课程是高校计算机专业学生的一门专业必修课,该课程主要学习算法设计和算法分析的基本理论及方法。
程序设计比赛策划书3篇篇一《程序设计比赛策划书》一、比赛主题“编程之翼,挑战无限”二、比赛目的1. 激发学生对程序设计的兴趣和热情,提高编程技能。
2. 培养学生的创新思维和团队合作精神。
3. 为学生提供一个展示才华和交流学习的平台。
三、参赛对象[具体参赛范围,如全校学生等]四、比赛时间及地点[详细的比赛时间和地点]五、比赛规则1. 比赛可以个人或团队形式参加,团队人数不超过[X]人。
2. 比赛题目将涵盖多种编程语言和算法领域。
3. 参赛选手需在规定时间内完成题目要求,根据完成情况和代码质量进行评分。
4. 比赛过程中严禁抄袭和作弊行为,一经发现将取消比赛资格。
六、比赛流程1. 报名阶段:在规定时间内完成报名。
2. 培训阶段:组织赛前培训,讲解比赛规则和相关知识。
3. 比赛阶段:参赛选手签到入场。
发放比赛题目。
选手开始答题。
比赛结束,收卷。
4. 评审阶段:组织专业评委进行评审。
5. 颁奖阶段:公布比赛结果,进行颁奖仪式。
七、奖项设置根据比赛成绩设立一等奖[X]名、二等奖[X]名、三等奖[X]名,以及优秀奖若干名,同时设立最佳团队奖等特别奖项。
八、宣传方案1. 通过学校官网、公众号等平台发布比赛通知。
2. 在教学楼、食堂等场所张贴宣传海报。
3. 邀请相关专业老师在课堂上进行宣传。
九、预算安排1. 奖品费用:[具体金额]2. 宣传费用:[具体金额]3. 其他费用:[具体金额]十、工作人员安排1. 负责报名工作的人员。
2. 培训和比赛现场的组织人员。
3. 评审工作的相关人员。
十一、注意事项1. 确保比赛场地的设备和网络正常运行。
2. 维护比赛现场秩序,确保比赛公平公正。
3. 做好比赛过程中的安全保障工作。
策划人:[姓名][具体日期]篇二《程序设计比赛策划书》一、活动背景随着信息技术的飞速发展,程序设计在各个领域的重要性日益凸显。
为了激发学生对程序设计的兴趣和热情,提高学生的编程能力和创新思维,特举办本次程序设计比赛。
安徽大学电子信息工程学院2020年专业类学术科技类竞赛级别认定表(试行)序号竞赛名称(分类)主办单位级别1 “互联网+”大学生创新创业大赛教育部等部委国家级A2 全国大学生智能汽车竞赛教育部、财政部“质量工程”支持国家级A3 全国大学生电子设计竞赛教育部、财政部“质量工程”支持国家级A4 全国大学生工程训练综合技能竞赛教育部、财政部“质量工程”支持国家级A5 全国大学生数学建模竞赛教育部、财政部“质量工程”支持国家级A6 “西门子杯”中国智能制造挑战赛教育部、财政部“质量工程”支持国家级A7 “挑战杯”全国大学生课外学术科技作品竞赛教育部等部委国家级A序号竞赛名称主办单位级别1国际大学生数学建模竞赛美国数学及其应用联合会(COMAP)和美国工业与应用数学学会(SIAM)国家级B2全国计算机仿真大奖赛教育部高教司、中国自动化学会、中国计算机用户协会、中国系统仿真学会、总装仿真技术组国家级B3全国大学生信息安全大赛教育部高等学校信息安全类专业教学指导委员会国家级B4中国高校计算机大赛教育部高等学校计算机类专业教学指导委员会、教育部高等学校软件工程专业教学指导委员会、教育部高等学校大学计算机课程教学指导委员会、全国高等学校计算机教育研究会国家级B5RACV中国计算机视觉与应用专题竞赛中国计算机学会(CCF) 国家级B6 全国大学生物联网设计竞赛(TI杯)教育部高等学校计算机类专业教学指导委员会国家级B 7全国软件与信息技术专业人才大赛工业和信息化部人才交流中心,教育部就业指导中心国家级B 8全国无线电测向锦标赛国家体育总局航空无线电模型运动管理中心国家级B 9“毕昇杯”全国电子创新设计竞赛北京精仪达盛科技有限公司国家级B 10ACM/ICPC国际大学生计算机程序设计竞赛亚洲区域赛ACM(美国计算机协会)国家级B11中国机器人大赛暨RoboCup公开赛中国自动化学会机器人竞赛工作委员会、RoboCup中国委员会、科技部高技术研究发展中心、中山市人民政府、中创科技发展战略研究中心国家级B12全国大学生计算机博弈大赛教育部高等学校计算机科学与技术专业教学指导分委员会与中国人工智能学会机器博弈专业委员会国家级B13亚洲大学生超级计算机竞赛国际超级计算机大会组委会(ISC)、国际高性能计算咨询委员会(HPC AC)国家级B 14全国航模锦标赛国家体育总局、科学技术部、教育部国家级B 15中国大学生iCAN国际创新创业大赛教育部理工科教学指导委员会(机械\电子\计算机)国家级B16全国大学生控制仿真挑战赛教育部高等学校自动化专业教学指导分委员会、中国系统仿真学会、西门子(中国)有限公司工业领域工业自动化与驱动技术集团国家级B17中国MEMS传感器应用大赛教育部理工科教学指导委员会国家级B 18全国大学生工业自动化挑战赛教育部高等学校自动化类专业教学指导分委员会国家级B 19全国大学生FPGA创新设计邀请赛教育部电子信息类专业教学指导委员会、国家级实验教学示范中心联席会国家级B20 “创青春”全国大学生创业大赛教育部等部委国家级B21 全国大学生集成电路创新创业大赛工业和信息化部人才交流中心国家级B 序号竞赛名称主办单位级别1 安徽省百所高校百万大学生科普创意创新大赛(双百)安徽省科协、教育厅、团委主办省级A2安徽省电子设计竞赛安徽省教育厅省级A电子信息工程学院二〇一八年十一月一日。
计算机程序设计大赛活动策划书一、活动背景每年的五月为我校大学生学科竞赛活动月。
为响应学校号召,贯彻落实学校方针,我系也将举办首届计算机程序设计竞赛为学科竞赛活动的一项。
信息社会,计算机事业发展尤为迅速,而程序设计也如雨后春笋般在蓬勃发展。
本次活动定位于初级编程爱好者,是联系初级编程爱好者与软件开发者的一条不可或缺的纽带,旨在提高广大在校学生的学习积极性、创新意识和勇于实践的科学精神。
我们本着“以赛促学,全面提升”的原则,开展此次的竞赛活动。
二、活动目的与意义 为了培养和激励我校计算机专业学生在程序设计特别是算法分析与设计的能力、软件开发过程中的创新意识,综合运用高级语言程序设计、数据结构、算法分析与设计等课程的知识,促进我校大学生程序设计竞赛活动的开展,让同学们学以致用。
希望进一步提高大家的编程水平。
本届大赛旨在培养和激励广大在校学生的学习积极性、创新意识和勇于实践的科学精神,进一步培养我系学生的综合素质和创新能力,全面促进学生成长成才,进一步优化我系学风。
挖掘出更多优秀软件人才。
特举办此次大赛。
三、比赛安排1、比赛方式:以实例形式在机房进行计算机程序设计2、比赛地点:图书馆三楼三机房3、比赛时间:初赛各班级自行安排。
复赛时间安排如下XX年5月6日中午13:0014:00大一年级XX年5月7日中午13:0014:00大二年级XX年 5月8日中午13:0014:00大三年级四、参加办法 各班级由班长、学习委员牵头班委会成员安排初赛,将班级成员分成若干小组,(10人左右一组),各小组分别进行比赛,最后各选出一名获胜者,每组获胜者参加复赛。
由系内统一安排复赛,对各班级选拔出的成员进行再选拔。
五、报名时间各班级将报名表于5月4日下午17点前发送到。
六、颁奖时间与地点 由学校安排。
七、评比及奖励 1、评比 评比时间:5月11日至15日 设一等奖1名,二等奖2名,三等奖2名。
另设优秀工作者若干。
(如有成绩相同情况,则适当变化) 2、奖励办法 凡获得名次者均发荣誉证书和奖品。
全国高等学校(安徽考区)计算机水平考试《C 程序设计》教学(考试)大纲一、课程基本情况课程名称:C 程序设计课程代号:240先修课程:计算机应用基础参考学时:72~96 学时(理论48~60 学时,实验24~36 学时)考试安排:每年两次考试,一般安排在学期期末考试方式:机试考试时间:90 分钟考试总分:100 分机试环境:Windows 7+Visual C++ 6.0设置目的:《C 程序设计》是一门重要的学科基础课程,C 语言在软件开发方面应用广泛,在计算机教育领域长期占有重要地位。
C 语言功能丰富、表达能力强、使用灵活、应用面广、目标程序效率高、可移植性好,兼具低级语言和高级语言的特点。
通过对本课程的学习,可以使学生掌握程序设计的基本理论和基本知识,掌握结构化程序设计的基本方法,培养学生程序设计能力、计算思维能力和分析解决问题的能力,为后续课程的学习和计算机应用奠定良好的基础。
二、课程内容与考核目标第 1 章 C 语言概述(一)课程内容C 语言程序的基本构成、开发环境、编辑调试过程,算法的基本概念。
(二)考核知识点C 语言程序的基本格式,头文件,main 函数,注释语句,算法的特征。
(三)考核目标了解:C 语言的形成、发展和基本特点,算法的特征。
理解:程序设计的基本概念。
掌握:C 语言程序的基本结构,C 语言编程环境。
(四)实践环节1.类型演示、验证。
2.目的与要求掌握C 语言开发环境(Visual C++ 6.0 或Visual Studio 2010 Express)的使用方法,掌握源程序的编辑、编译、链接和运行的基本方法。
第 2 章数据类型与运算(一)课程内容数据类型,标识符,常量与变量,运算符及表达式,不同类型数据的运算。
(二)考核知识点C 语言的数据类型,常量的使用,变量的定义和使用,各种运算符、运算优先级和结合性,不同类型数据的运算,C 语言的各种表达式(赋值表达式、算术表达式、关系表达式、逻辑表达式、条件运算表达式、逗号表达式)和运算规则。
安徽新华学院学科与科技竞赛管理办法(试行)第一章总则第一条为落实我校应用型人才培养目标和“以赛训能”的人才培养思路,做好大学生学科与科技竞赛组织管理工作,搭建培养大学生实践动手能力、应用与创新能力的平台,进一步提高我校应用型人才的综合素质,特制定本办法。
第二条学科与科技竞赛是我校应用型人才培养体系的重要一环,参加学科与科技竞赛应成为每个学生的自觉行为。
第三条学科与科技竞赛作为一项长期且重要的教育教学活动纳入学校规范管理。
各教学单位及相关职能部门要提高对大学生学科与科技竞赛活动意义的认识,积极组织面向全校或面向本专业的学科与科技竞赛,分专业、分方向、分层次开展相关活动。
第四条学科与科技竞赛主要包括两个类别:第一类,学科设计与专业技能大赛。
如:大学生电子设计竞赛、动漫设计大赛、艺术设计大赛、广告设计大赛、机器人大赛、数学建模、力学竞赛、大学生英语竞赛、素描大赛、书法大赛等。
第二类,课外学术与科技作品大赛。
如:挑战杯科技作品、挑战杯创业计划、职业生涯规划与创业大赛、科普创意创新大赛等。
第五条各类学科与科技竞赛分为国际、国家、省部、地市和学校五个层次。
1.国际性竞赛:指联合国教科文组织或有关权威性国际学术团体组织的世界性学科竞赛。
2.国家级竞赛:指由教育部、工业和信息化部、科技部、人社部、团中央主办,或教育部委托国家一级学会主办的各类大学生竞赛活动。
3.省部级竞赛:指由省教育厅、省人社厅、团省委和除以上组织国家级竞赛部委之外的其它部委主办,或国家一级学会下属二级分会主办的各类大学生竞赛活动。
4.地市级竞赛:指由地市级教育主管等部门和高校联盟(或校际)主办的各类竞赛活动。
5.校级竞赛:指由学校组织,团委、教学单位等部门承办的各类竞赛活动。
比赛级别界定的原则以比赛通知(邀请函)或获奖证书上的公章为主要依据。
第二章竞赛组织与管理第六条学校成立学科与科技竞赛工作领导组,由分管教学工作的校领导任组长,教务处处长任副组长,教务处、学生处(团委)、科研处、招就办、各教学单位负责人为成员,负责学校学科与科技竞赛的宏观指导与协调、竞赛项目的审批等。
程序设计比赛策划书3篇篇一程序设计比赛策划书一、活动主题“编程创造未来”二、活动目的1. 提升学生的程序设计能力和团队协作能力。
2. 激发学生对计算机科学的兴趣和热情。
3. 培养学生的创新思维和解决问题的能力。
三、活动时间[具体时间]四、活动地点[详细地点]五、参与对象全校学生六、比赛形式1. 个人赛或团队赛,团队赛每组人数不超过[人数]。
2. 比赛题目分为基础题、中等题和难题,难度逐渐增加。
3. 参赛选手需要在规定时间内完成题目,并提交代码。
4. 评委会根据选手的完成情况和代码质量进行评分。
七、活动流程1. 报名阶段([报名时间])在学校官网、公众号等平台发布比赛通知,明确比赛时间、地点、形式等信息。
接受学生报名,填写报名表格,包括个人信息、参赛组别等。
2. 培训阶段([培训时间])针对参赛选手进行程序设计基础知识培训,包括编程语言、数据结构、算法等。
组织模拟比赛,让选手熟悉比赛流程和环境。
3. 比赛阶段([比赛时间])按照比赛规则和流程进行比赛,确保比赛的公平、公正、公开。
安排工作人员进行现场支持和技术指导,及时解决选手遇到的问题。
4. 颁奖阶段([颁奖时间])评选出获奖选手名单,颁发奖项和证书。
组织获奖选手进行经验分享和交流,促进学生之间的学习和进步。
八、奖项设置1. 个人赛和团队赛分别设立一等奖、二等奖、三等奖若干名。
2. 颁发荣誉证书和奖品,以资鼓励。
九、活动预算1. 奖品费用:[具体金额]2. 培训资料费用:[具体金额]3. 宣传费用:[具体金额]4. 其他费用:[具体金额]十、注意事项1. 参赛选手需遵守比赛规则和赛场纪律,不得使用任何违规工具或手段。
2. 比赛过程中,如遇突发情况,组委会将根据情况进行处理。
3. 本活动最终解释权归主办方所有。
篇二程序设计比赛策划书一、活动主题“代码之美,创意无限”二、活动目的本活动旨在激发学生对程序设计的兴趣,提高学生的编程能力和创新思维,同时也为广大编程爱好者提供一个展示自我的平台。
安徽省大学生程序设计大赛
竞
赛
方
案
全国大学生信息安全竞赛安徽省赛区组委会安徽省大学生程序设计大赛技术委员会
一.竞赛章程
●竞赛宗旨
为培养安徽省高校大学生的创新意识和创新能力,提高大学生应用计算机分析和解决实际问题的能力,安徽省教育厅主办了安徽省大学生程序设计大赛,赛事旨在为广大学生的一个展示和提高解题与编程能力的机会,开展计算机编程方面的公平竞赛。
●竞赛设置
安徽省大学生程序设计大赛计划开展本科组、高职组两个级别竞赛。
参赛以学校为单位,组委会为每个单位提供3支队(含)以内参赛名额,参赛单位3支队(不含)以上参赛名额由参赛单位向组委会提出申请,报名截止后组委会根据报名情况统一裁定。
组委会根据参赛情况适量接受少量友情参赛队,队名附“*”以示区别,不参加评奖。
安徽省大学生程序设计大赛由大赛技术委员会负责命题、评判,采用统一命题,本科组、高职高专组分组设奖方式进行,奖项设置以各组别参赛队伍为基数,按参赛队成绩排序,分别设置一等奖(不超过基数10%)、二等奖(不超过基数20%)、三等奖(不超过基数30%)和优胜奖。
●参赛队伍组成
比赛以队为参赛基础,队的组成包括教练1~2名(必须是参赛学校的教师),以及不超过3名参赛队员。
每个参赛学校可以派多支代表队,每个参赛学校可有一名领队(可选),至少一名教练(必需,可兼任同一学校多支队伍教练)以及若干参赛队员组成。
教练是参赛队伍所代表学校的正式教师,教练必须保证所有队员符合本规则的规定。
教练作为参赛队伍的代表,负责赛区预赛活动中的联系工作。
参赛队伍必须向竞赛组织委员会提交领队、教练和队员的身份合格证明材料,经竞赛组织委员会审查通过后,一支队伍才能获得参赛资格。
领队、教练和队员的身份合格证明材料:由各高校教务部门一次性出具所在
学校所有参赛队报名表,包括:参赛学生学号、姓名、性别、年级、专业等信息,领队、教练的教师信息,包括姓名、性别、所在部门等信息,并经学校教务部门盖章生效。
参赛队员、报名队伍需要符合以下规则:
1.每支队伍参赛队员必须是未取得学士学位或者同等学历的正式在籍学生。
2.每支队伍参赛队员代表参赛单位参加本竞赛不得超过3次。
3.报名根据先来先服务、历史成绩、首次参赛等原则进行办理。
为了使更多的学校获得参赛的机会,每个学校或学院保证3支参赛队名额,3支以上参赛队由组委会统一裁定,报名截止后两周内收到是否获得参赛资格的通知。
参赛队员是否符合本规则关于学历的规定由竞赛组织委员会负责解释,对此任何疑问应提交给竞赛报名负责人,由其负责回答。
比赛开展
竞赛中每队拥有一台计算机,竞赛命题10题,比赛时间为5个小时。
参赛队员可以携带诸如书、手册、程序清单等参考资料。
参赛队员不能携带任何可用计算机处理的软件或数据(不允许任何私人携带的U盘、磁盘或计算器)。
参赛队员不能携带任何类型的通讯工具,包括无线电接收器、移动电话。
在竞赛中,参赛队员不得和竞赛技术委员会指定工作人员以外的人交谈;系统支持人员可以回答和系统相关的问题,例如解释系统错误信息。
竞赛的预定时间为5小时,但当竞赛进行一定时间后,竞赛技术委员会可以因为出现不可预见的事件而调整比赛时间长度,一旦比赛时间长度发生改变,将会以及时并且统一的方式通告所有参赛队员。
比赛过程中,选手若要上厕所等离开座位行为,必须征得裁判批准,且有裁判陪同。
当参赛队伍出现妨碍比赛正常进行的行为时,诸如擅自移动赛场中的设备,未经授权修改比赛软硬件,干扰他人比赛等,都将会被竞赛裁判组终止其参赛资格。
●竞赛评分
试题的解答提交裁判运行,每一次运行会被判为正确或者错误,判决结果会及时通知参赛队伍。
竞赛裁判主要负责判定解答提交是否正确,竞赛裁判、裁判长、竞赛技术委员会主席根据参赛队伍比赛结果协商后确定获胜队伍,并报竞赛组委会审核发布。
参赛队员有权利通过提交解释请求,针对试题描述中的不明确或错误的部分提问。
如果裁判确认试题中确实存在不明确或错误的部分,将会通告所有参赛队伍进行声明或更正。
参赛队伍根据解题数目进行排名,解题数目相同的参赛队根据总用时加上罚时时间从小到大进行排名。
总用时和惩罚时间由每道解答正确的试题的用时加上惩罚时间而成。
每道试题用时将从竞赛开始到试题解答被判定为正确为止,其间每一次错误的运行将被加罚20分钟时间,未正确解答的试题不记时。
为了保持赛场的紧张气氛,在比赛结束前1小时,会停止对于竞赛结果的公告信息,但对于运行的判决结果仍将及时通知其提交队伍。
请特别注意本条规则(非常重要):参赛队的队号在竞赛前抽签决定,这个队号在裁决软件系统中使用。
队号与参赛学校名称的对应关系在竞赛过程中是不对裁判公布的。
竞赛技术委员会负责在竞赛开始后60分钟将队号与参赛学校的对应关系公布在显著的位置。
●竞赛命题和裁判组
竞赛技术委员会负责竞赛命题和解答,为了保证赛题的保密性要求,由技术委员会负责人最终合成赛题,包括修改提交的赛题或补充提交的赛题。
技术委员会负责组织裁判组。
裁判组的成员以及和裁判组成员关系密切的人不得担任参赛队伍的教练。
●竞赛环境和竞赛语言
竞赛语言:C/C++、Java。
每支队伍使用一台计算机,所有队伍使用计算机的规格配置完全相同。
竞
赛中使用的语言软件版本必须是在地区预赛前已经发行的版本。
竞赛承办者在竞赛中应该向参赛队伍提供足够的磁盘空间。
其他有关细节,如存储器和硬盘配置、软件版本、打印机信息在队伍报到时公布。
竞赛裁判软件采用PC^2。
违反赛区规则和程序
在发生违反赛区规则或处理不当的行为以后三天之内,参赛队员可以向竞赛组委会进行申诉。
申诉报告必须以正式的书面形式书写,并且,必须要有申诉队员及其教练的签名。
竞赛组委会受到申诉后,由技术委员会进行复核和技术解释,最终提交竞赛组委会技术报告,由竞赛组委会负责进行处罚,包括取消本次奖项、取消3年内参赛资格等。
二.技术委员会组成
主任:
徐本柱合肥工业大学计算机与信息学院
副主任:
孙广中中国科学技术大学计算机学院
周健安徽大学计算机科学与技术学院
委员:
陈少军安徽师范大学数学计算机科学学院
王广正安徽工业大学计算机科学与技术学院
潘正高宿州学院
胡春玲合肥学院计算机科学与技术系
赵靖安徽科技学院信息与网络工程学院
付贤政安徽国防科技职业技术学院
张成叔安徽财贸职业学院
秘书长:
曹力合肥工业大学计算机与信息学院
*本章程由技术委员会制定、颁布、执行、解释。