砼强度评定计算(标养主体C25)
- 格式:xls
- 大小:14.00 KB
- 文档页数:2
混凝土取样(送样)规范主要依据GB50204-2002《混凝土结构工程施工质量验收规范》以下简称《规范》和GBJ107《混凝土强度检验评定标准》对混凝土试块送样过程中出现的问题进行若干阐述。
1 砼试块留样的部位和数量在规范中7.4.1中明确规定用于检查结构构件混凝土强度的试块应该在混凝土的浇注地点随机抽取。
取样和试块的留置应符合下面几个规定:1不超过100M3的同配合比的混凝土,取样不得少于一次;2每工作班搅拌的同一配合比的混凝土不足100盘时取样不得少于一次;3当一次连续浇注超过1000M3每200 M3取样一次;每一楼层、同一配合比的混凝土,取样不得少于一次;4每次取样应该至少留置一组标准养护试块,同条件养护试块的留置组数应根据实际需要确定。
所谓的实际需要,在规范的附录D中说明:同条件养护的试块所对应的结构构件或结构部位应由监理(建设)施工等各方共同决定,选定的依据是什么?结构实体的检验仅限于涉及结构安全的柱、墙、梁等结构构件的重要部位。
像垫层等非涉及结构安全的部位完全可以不留置同条件试块。
同条件试块留置数量依照《规范》的规定:同一强度等级的同条件养护试块,其留置的数量应根据混凝土工程的工程量和重要性决定,不宜少于10组不应少于3组,不少于10组是为了按照GBJ107的要求构成进行统计方法的必要条件,不少3组是为了按照GBJ107的要求构成非统计方法的必要条件。
当有抗渗要求的工程时,混凝土试块应当在浇注地点随机取样,同一工程同一配合比的混凝土,取样不应少于一次,留置组数可根据实际需要确定。
2 砼试块的制作和养护参加混凝土强度评定的试块分为标养试块和同养试块,标养试块是指在标养室养护的试块,规范规定标养试块是在温度20度上下3度范围,湿度不小于百分之九十,养护28天;同养试块是指在浇注现场随机抽取混凝土制作的试块,同养试块是在施工现场随机抽取并在现场依现场养护条件日平均温度累积至600摄氏度的试块。
中间验收报告中间验收报告篇一:中间验收报告目录1、工程概况2、施工情况3、工程变更情况4、质保资料5、砼试块评定情况6、砂浆试块评定情况7、现场有关部门抽查情况8、建筑物沉降观测情况9、房屋大角倾斜度观测情况 10、分部分项评定情况各位领导.各位专家:首先我代表江西昌厦建设工程公司对各位领导、专家的莅临指导表示热烈的欢迎,并对一直以来关心和支持本工程的有关部门领导表示诚挚的敬意,下面我把本工程施工情况作简单的汇报。
一、工程概况:周田大厦工程位于瑞安市莘塍街道周田村,由瑞安市莘塍街道周田村经济合作社投资建设,由瑞安华信房地产开发代建,浙江求新建筑设计,瑞安市建筑工程质量监督站监督,慈溪市建设工程监理,总承包单位温州正康建设。
周田大厦工程建筑面积为:93631.7㎡,其中地下19566.82㎡,地上 74064.88㎡。
本工程A标段1#、2#、3#、4#;B标段5#、6#、7#、8#楼八幢主体工程,二标段分别带有地下室。
主体框剪结构分别1#、4#楼为14+1F层、2#、3#楼为16层,5#-8#楼15+1F。
本工程采用钻孔灌注桩,混凝土强度C25,基础、主体采用商品砼,基础垫层混凝土C15,地下室底板防水保护层混凝土强度为C20,地下室承台梁底板、顶板外墙混凝土强度等级为C30;地下室内剪力墙、柱混凝土强度等级为C35。
主体混凝土强度等级有:1#、4#楼C35:剪力墙、柱(1-5层:标高为-4.150m~13.650m )C30:梁、板(1-5层:标高为-4.150m~13.650m ) C30:剪力墙、柱(6-10层:标高为16.600-28.400m ) C25:墙、柱(11-机房层:标高48.950 m以下) C25:梁、板(6-机房层:标高:16.600m 以上)主体混凝土强度等级有:2#、3#楼C35:墙、柱(1-4层:标高为-4.15m~11.350m ) C30:梁、板(1-4层:标高为-4.15m~11.350m ) C30:墙、柱(5-9层:标高为-14.300m~26.100m ) C25:梁、板(5层-机房) C25:墙、柱(10层-机房)基础地下室采用MU10实心水泥砖,M7.5水泥砂浆砌筑;主体外墙砌体采用MU10烧结多孔砖,M5.0混合砂浆砌筑。
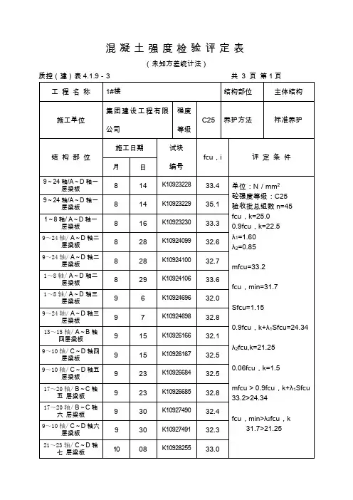
混凝土试块强度统计、评定记录
试验表22
文档
施工项目技术负责人:制表:计算:制表日期:年月日文档
混凝土试块强度统计、评定记录
试验表22
文档
施工项目技术负责人:制表:计算:制表日期:年月日文档
混凝土试块强度统计、评定记录
试验表22
文档
施工项目技术负责人:制表:计算:制表日期:年月日文档
混凝土试块强度统计、评定记录
试验表22
文档
施工项目技术负责人:制表:计算:制表日期:年月日文档
混凝土试块强度统计、评定记录
试验表22
文档
施工项目技术负责人:制表:计算:制表日期:年月日文档
混凝土试块强度统计、评定记录
试验表22
文档
施工项目技术负责人:制表:计算:制表日期:年月日文档
混凝土试块强度统计、评定记录
试验表22
文档
施工项目技术负责人:制表:计算:制表日期:年月日文档
混凝土试块强度统计、评定记录
试验表22
文档
施工项目技术负责人:制表:计算:制表日期:年月日文档
混凝土试块强度统计、评定记录
试验表22
文档
施工项目技术负责人:制表:计算:制表日期:年月日文档
实用文档。
c25混凝土强度计算公式
一、1、100*100*100的混凝土试块:压力值/ 受力面积* 0.95
二、2、150*150*150的混凝土试块:压力值/ 受力面积
三、3、200*200*200的混凝土试块:压力值/ 受力面积* 1.05
➢混凝土的强度等级是指混凝土的抗压强度。
混凝土的强度等级应以混凝土立方体抗压强度标准值划分。
采用符号C与立方体抗压强度标准值(以N/mm^2; 或MPa计)表示。
依照标准实验方法测得的具有95%保证率的抗压强度作为混凝土强度等级.
➢按照GB50010-2010《混凝土结构设计规范》规定,普通混凝土划分为十四个等级,即:C15,C20,C25,C30,C35,C40,C45,C50,C55,C60,C65,C70,C75,C80。
例如,强度等级为C30的混凝土是指30MPa≤fcuk<35MPa
➢影响混凝土强度等级的因素主要有水泥等级和水灰比、骨料、龄期、养护温度和湿度等有关。
混凝土取样(送样)规范主要依据GB50204-2002《混凝土结构工程施工质量验收规范》以下简称《规范》和GBJ107《混凝土强度检验评定标准》对混凝土试块送样过程中出现的问题进行若干阐述。
1 砼试块留样的部位和数量在规范中7.4.1中明确规定用于检查结构构件混凝土强度的试块应该在混凝土的浇注地点随机抽取。
取样和试块的留置应符合下面几个规定:1不超过100M3的同配合比的混凝土,取样不得少于一次;2每工作班搅拌的同一配合比的混凝土不足100盘时取样不得少于一次;3当一次连续浇注超过1000M3每200 M3取样一次;每一楼层、同一配合比的混凝土,取样不得少于一次;4每次取样应该至少留置一组标准养护试块,同条件养护试块的留置组数应根据实际需要确定。
所谓的实际需要,在规范的附录D中说明:同条件养护的试块所对应的结构构件或结构部位应由监理(建设)施工等各方共同决定,选定的依据是什么?结构实体的检验仅限于涉及结构安全的柱、墙、梁等结构构件的重要部位。
像垫层等非涉及结构安全的部位完全可以不留置同条件试块。
同条件试块留置数量依照《规范》的规定:同一强度等级的同条件养护试块,其留置的数量应根据混凝土工程的工程量和重要性决定,不宜少于10组不应少于3组,不少于10组是为了按照GBJ107的要求构成进行统计方法的必要条件,不少3组是为了按照GBJ107的要求构成非统计方法的必要条件。
当有抗渗要求的工程时,混凝土试块应当在浇注地点随机取样,同一工程同一配合比的混凝土,取样不应少于一次,留置组数可根据实际需要确定。
2 砼试块的制作和养护参加混凝土强度评定的试块分为标养试块和同养试块,标养试块是指在标养室养护的试块,规范规定标养试块是在温度20度上下3度范围,湿度不小于百分之九十,养护28天;同养试块是指在浇注现场随机抽取混凝土制作的试块,同养试块是在施工现场随机抽取并在现场依现场养护条件日平均温度累积至600摄氏度的试块。
比如我一个单位的一层的柱、梁、板同时浇筑使用90立方C25商砼我留置了1组标养试块并且检验合格但是混凝土标养评定必须3组才能评定我现在只有1组能否不评定请教各位大虾是否有规范说混凝土标养必须评定或者可以不评定之内的。
《混凝土强度检验评定标准》GBJ107第2.0.4条预拌混凝土厂、预制混凝土构件厂和采用现场集中搅拌混凝土的施工单位,应按本标准规定的统计方法评定混凝土强度。
对零星生产的预制构件的混凝土或现场搅拌的批量不大的混凝土,可按本标准规定的非统计方法评定。
根据现场材料,选配合比后,设计配合比,按配合比计量过秤,现场随机取样,28天水中养护后试压,达到设计强度的100~120(百分之)为合格。
百年大计,质量第一。
混凝土强度检验评定标准 GBJ107-87要求第四章混凝土强度的检验评定第一节统计方法评定第4.1.1条当混凝土的生产条件在较长时间内能保持一致,且同一品种混凝土的强度变异性能保持稳定时,应由连续的三组试件组成一个验收批,其强度应同时满足下列要求:。
第4.1.3条当混凝土的生产条件在较长时间内不能保持一致,且混凝土强度变异性不能保持稳定时,或在前一个检验期内的同一品种混凝土没有足够的数据用以确定验收批混凝土立方体抗压强度的标准差时,应由不少于10组的试件组成一个验收批,其强度应同时满足下列公式的要求:。
第4.1.3条当混凝土的生产条件在较长时间内不能保持一致,且混凝土强度变异性不能保持稳定时,或在前一个检验期内的同一品种混凝土没有足够的数据用以确定验收批混凝土立方体抗压强度的标准差时,应由不少于10组的试件组成一个验收批,其强度应同时满足下列公式的要求:。
第4.3.1条当检验结果能满足第4.1.1条或第4.1.3条或第4.2.1条的规定时,则该批混凝土强度判为合格;当不能满足上述规定时,该批混凝土强度判为不合格。
第4.3.2条由不合格批混凝土制成的结构或构件,应进行鉴定。
对不合格的结构或构件必须及时处理。
混凝土取样(送样)标准要紧依据GB50204-2002《混凝土结构工程施工质量验收标准》以下简称《标准》和GBJ107《混凝土强度查验评定标准》对混凝土试块送样进程中显现的问题进行假设干论述。
1 砼试块留样的部位和数量在标准中7.4.1中明确规定用于检查结构构件混凝土强度的试块应该在混凝土的浇注地址随机抽取。
取样和试块的留置应符合下面几个规定:1不超过100M3的同配合比的混凝土,取样不得少于一次;2每工作班搅拌的同一配合比的混凝土不足100盘时取样不得少于一次;3当一次持续浇注超过1000M3每200 M3取样一次;每一楼层、同一配合比的混凝土,取样不得少于一次;4每次取样应该至少留置一组标准养护试块,同条件养护试块的留置组数应依如实际需要确信。
所谓的实际需要,在标准的附录D中说明:同条件养护的试块所对应的结构构件或结构部位应由监理(建设)施工等各方一起决定,选定的依据是什么?结构实体的查验仅限于涉及结构平安的柱、墙、梁等结构构件的重要部位。
像垫层等非涉及结构平安的部位完全能够不留置同条件试块。
同条件试块留置数量依照《标准》的规定:同一强度品级的同条件养护试块,其留置的数量应依照混凝土工程的工程量和重要性决定,不宜少于10组不该少于3组,很多于10组是为了依照GBJ107的要求组成进行统计方式的必要条件,很多3组是为了依照GBJ107的要求组成非统计方式的必要条件。
当有抗渗要求的工程时,混凝土试块应当在浇注地址随机取样,同一工程同一配合比的混凝土,取样不该少于一次,留置组数可依如实际需要确信。
2 砼试块的制作和养护参加混凝土强度评定的试块分为标养试块和同养试块,标养试块是指在标养室养护的试块,标准规定标养试块是在温度20度上下3度范围,湿度不小于百分之九十,养护28天;同养试块是指在浇注现场随机抽取混凝土制作的试块,同养试块是在施工现场随机抽取并在现场依现场养护条件日平均温度积存至600摄氏度的试块。
摘要如今建港、修路、民用、工业建筑桥梁搭建等工程建筑混凝土是主要材料之一。
而混凝土构件是这些工程建筑中必不可少的混凝土成品。
混凝土构件的强度是建筑产品的安全的基本保障,更是建筑施工从业人员经常面对的问题。
在工程施工期间及其随后的质量评估中混凝土构件强度检测机评定是极其重要的环节之一。
目前混凝土强度检测方法主要有非破损法、局部破损法和综合法。
局部破损法具有操作简单,工具携带方便,使用广泛,但会因环境条件受到一定影响。
本文简述了混凝土构件制作检测到现场测强度全过程简述和简单影响强度的因素。
关键词:混凝土构件强度判定目录引言 (3)1、混凝土强度试块的制作 (4)2 、混凝土石块的抗压强度 (5)3、现场回弹法测混凝土构件的强度 (5)3.1一般规定 (6)3.1.1、结构或构件混凝土强度检测可采用下列两种方式: (6)3.1.2、每一结构或构件的测区符合些列规定: (6)3.2回弹值的测量 (6)3.3碳化深度 (7)3.4碳化深度的影响 (7)3.5回弹值计算 (7)3.6混凝土强度的计算 (8)4、混凝土强度等级 (9)4.1 混凝土的等级 (9)4.2混凝土强度等级选用范围 (9)5、影响试件和构件强度的主要因素 (10)5.1 影响试件的因素 (10)5.2影响构件混凝土强度的因素 (10)6、结论 (10)7、参考文献 (11)引言混凝土是一种用量很大、运用广泛、而又正在蓬勃发展的工程材料,也是现代土木工程中最主要的结构材料之一。
混凝土施工质量的好坏直接影响到混凝土结构工程乃至整个建筑工程的安全。
混凝土的生产技术未完全工业化,因而质量管理十分重要。
混凝土原材料的品质、配合比、拌和、捣制和养护等生产工艺不当,均可能导致混凝土质量、强度和耐久性的下降。
因此,加强混凝土的质量监控和检测来保证混凝土质量,成为建筑工程管理中的重要环节。
混凝土标准试件的抗压试验对混凝土结构来说,毕竟是一种间接测定值。
C25SG-029混凝土(弯拉)强度合格评定施工单位:绵阳市万苹宏达建筑有限公司水泥品种及标号配合比(重量比)塌落度(cm )养护条件单位工程名称绵阳市涪城区杨家镇中学混凝土强度等级同批混凝土代表数量(m3)结构部位42.5R水水泥石砂子外加剂3.5~5标准养护520±0.000以上结构0.4413.033.480.191.7λ2 =0.9试件组数 n =12合格判定系数λ1 =32.829.838.331.2同一验收批强度平均值:34.73前一检验期强度标准差:33.240.831.831.9同一验收批强度标准差: 5.05验收批各组试件弯拉强度:47.533.032.633.8标准差已知统计方法m fcu =Mp a弯拉强度试件大于10组√Mp am fcu -λ1·s fcu =26.14m fcu =f cuk +0.7δ0=0.90f cuk =22.50弯拉强度试件小于10组0.90f cukm fcu 22.50Mp a1.15f cuk =29.80Mp a f cu,min =m fcu f cuk +0.7δ0m fcu -λ1·s fcu≥标准差未知统计方法λ2·f cuk =0.95f cuk =非统计方法f cu,min =Mp af cu,min = 1.15f cuk进行评定,达到合格标准。
f cu,minf cuk -0.7δ0f cu,min =Mp af cuk -0.7δ0=年 月 日≥λ2·f cukf cu,min 年 月 日0.95f cuk验收评定结论:根据《混凝土强度检验评定标准》GBJ107的标准差未知统计方法年 月 日注:本表一式四份,建设单位、施工单位、监理单位、城建档案馆各一份。
四川省建设厅制注册建造师(技术负责人):(签字)审核人:(签字)评定人:(签字)监理工程师:(注册方章)年 月 日。
混凝土取样(送样)规范为了按照GBJ107 的要求构成进行统计方法的必要条件,不少3 组是为了按照GBJ107 的要求构成非统计方法的必要条件。
当有抗渗要求的工程时,混凝土试块应当在浇注地点随机取样,同一工程同一配合比的混凝土,取样不应少于一次,留臵组数可根据实际需要确定。
砼试块的制作和养护参加混凝土强度评定的试块分为标养试块和同养试块,标养试块是指在标养室养护的试块,规范规定标养试块是在温度20 度上下3 度范围,湿度不小于百分之九十,养护28 天;同养试块是指在浇注现场随机抽取混凝土制作的试块,同养试块是在施工现场随机抽取并在现场依现场养护条件日平均温度累积至600 摄氏度的试块。
同时,《规范》也规定了等效的养护周期不宜小于14d 也不宜大于60d。
在进行高层建筑施工的情况下,通常我们也要留臵拆模试块,冬季时,温度较低,混凝土的强度发展缓慢,这就要求拆模的龄期长些,夏季时,温度高,混凝土的强度发展较快,一般在7d 的现场养护条件下,混凝土强度就能达到90% 以上,可以适当的缩短拆模龄期。
砼试块强度评定3.1 同一组试块的强度评定。
混凝土的强度是在后面加上它的抗压强度表示的,比如一组标养C25 150150150的立方体标准试块,它所能承受的荷载压力F=压强*表面积(150 150)=25Mpa*0.225m2=562500N=562.50KN。
也就是说C25 的试块所能承受的压力至少要达到562.50KN。
GBJ107中这样计算一组混凝土的强度的:1.取三个试块强度的算术平均值作为每组试块的强度代表值;2.当一组试块中强度的最大值或最小值与中间值之差超过中间值的15%时,取中间值作为改组试块的强度值;3.当一组试块中强度的最大值和最小值与中间值之差超过中间值的15%时,该组试块的值无效。
3.2 同一验收批试块的强度评定GBJ107 规定了有两种评定试块强度的方法:统计方法和非统计方法,统计方法要求同一验收批的试块数量在10 组以上,大部分状况下,混凝土的生产条件不能够在较长的时间里保持一致,因而具体评定方法如下,同一验收批的强度应当同时满足mfcu-λ1〃Sfcu0.9fcu,k(3.2.1)fcu,minλ2〃fcu,k (3.2.2)式中mfcu——同一验收批混凝土立方体抗压强度的平均值,fcu,k ——混凝土立方体抗压强度的标准值fcu,min——同一验收批中混凝土立方体抗压强度的最小值Sfcu——同一验收批混凝土立方体抗压强度的标准差λ1,λ2——合格判定系数,非统计方法要求同一验收批地试块数量在 3 组以上。
混凝土强度检验评定标准比如我一个单位的一层的柱、梁、板同时浇筑使用90立方C25商砼我留置了1组标养试块并且检验合格但是混凝土标养评定必须3组才能评定我现在只有1组能否不评定请教各位大虾是否有规范说混凝土标养必须评定或者可以不评定之内的。
《混凝土强度检验评定标准》GBJ107第2.0.4条预拌混凝土厂、预制混凝土构件厂和采用现场集中搅拌混凝土的施工单位,应按本标准规定的统计方法评定混凝土强度。
对零星生产的预制构件的混凝土或现场搅拌的批量不大的混凝土,可按本标准规定的非统计方法评定。
根据现场材料,选配合比后,设计配合比,按配合比计量过秤,现场随机取样,28天水中养护后试压,达到设计强度的100~120(百分之)为合格。
百年大计,质量第一。
混凝土强度检验评定标准GBJ107-87要求第四章混凝土强度的检验评定第一节统计方法评定第4.1.1条当混凝土的生产条件在较长时间内能保持一致,且同一品种混凝土的强度变异性能保持稳定时,应由连续的三组试件组成一个验收批,其强度应同时满足下列要求:。
第4.1.3条当混凝土的生产条件在较长时间内不能保持一致,且混凝土强度变异性不能保持稳定时,或在前一个检验期内的同一品种混凝土没有足够的数据用以确定验收批混凝土立方体抗压强度的标准差时,应由不少于10组的试件组成一个验收批,其强度应同时满足下列公式的要求:。
第4.1.3条当混凝土的生产条件在较长时间内不能保持一致,且混凝土强度变异性不能保持稳定时,或在前一个检验期内的同一品种混凝土没有足够的数据用以确定验收批混凝土立方体抗压强度的标准差时,应由不少于10组的试件组成一个验收批,其强度应同时满足下列公式的要求:。
第4.3.1条当检验结果能满足第4.1.1条或第4.1.3条或第4.2.1条的规定时,则该批混凝土强度判为合格;当不能满足上述规定时,该批混凝土强度判为不合格。
第4.3.2条由不合格批混凝土制成的结构或构件,应进行鉴定。
砼试块送样注意的若干问题土建工程试验送样是体现展示土建工程质量优劣的一个主要途径,砼试块的送样是土建工程试验的一个重要组成部分,同时砼试块送样又存在时效性强,试验报告出来后无法更改,不能补送的特点。
这样,一旦送样出现纰漏,就会对工程造成相当大的损失。
在这篇文章中主要依据GB50204-2002《混凝土结构工程施工质量验收规范》以下简称《规范》和GBJ107《混凝土强度检验评定标准》对混凝土试块送样过程中出现的问题进行若干阐述。
1 砼试块留样的部位和数量在规范中7.4.1中明确规定用于检查结构构件混凝土强度的试块应该在混凝土的浇注地点随机抽取。
取样和试块的留置应符合下面几个规定:1不超过100M3的同配合比的混凝土,取样不得少于一次;2每工作班搅拌的同一配合比的混凝土不足100盘时取样不得少于一次;3当一次连续浇注超过1000M3每200 M3取样一次;每一楼层、同一配合比的混凝土,取样不得少于一次;4每次取样应该至少留置一组标准养护试块,同条件养护试块的留置组数应根据实际需要确定。
所谓的实际需要,在规范的附录D中说明:同条件养护的试块所对应的结构构件或结构部位应由监理(建设)施工等各方共同决定,选定的依据是什么?结构实体的检验仅限于涉及结构安全的柱、墙、梁等结构构件的重要部位。
像垫层等非涉及结构安全的部位完全可以不留置同条件试块。
同条件试块留置数量依照《规范》的规定:同一强度等级的同条件养护试块,其留置的数量应根据混凝土工程的工程量和重要性决定,不宜少于10组不应少于3组,不少于10组是为了按照GBJ107的要求构成进行统计方法的必要条件,不少3组是为了按照GBJ107的要求构成非统计方法的必要条件。
当有抗渗要求的工程时,混凝土试块应当在浇注地点随机取样,同一工程同一配合比的混凝土,取样不应少于一次,留置组数可根据实际需要确定。
2 砼试块的制作和养护参加混凝土强度评定的试块分为标养试块和同养试块,标养试块是指在标养室养护的试块,规范规定标养试块是在温度20度上下3度范围,湿度不小于百分之九十,养护28天;同养试块是指在浇注现场随机抽取混凝土制作的试块,同养试块是在施工现场随机抽取并在现场依现场养护条件日平均温度累积至600摄氏度的试块。