手机天线外观检验标准
- 格式:doc
- 大小:92.00 KB
- 文档页数:7
天线检验作业指导书引言概述:天线作为无线通信系统中的重要组成部分,其性能的稳定与否直接影响到通信质量。
为了确保天线的正常工作,需要进行定期的检验工作。
本文将详细介绍天线检验的作业指导书,包括检验内容、方法和注意事项。
一、天线外观检验1.1 外观检查- 检查天线外壳是否完整,无明显的损坏或变形。
- 检查天线表面是否有腐蚀、锈蚀等现象。
- 检查天线连接部分是否松动或损坏。
1.2 标识检查- 检查天线上的标识是否清晰可见,包括型号、制造商等信息。
- 检查标识是否与实际天线相符,确认天线是否被替换或更换。
1.3 尺寸检查- 使用测量工具测量天线的尺寸,包括长度、宽度、高度等。
- 检查测量结果是否与天线规格书中的要求相符。
二、天线电性能检验2.1 驻波比检验- 使用驻波比仪器对天线进行驻波比测量。
- 检查测量结果是否符合天线规格书中的要求。
2.2 增益检验- 使用增益测试仪器对天线进行增益测量。
- 检查测量结果是否符合天线规格书中的要求。
2.3 方向性检验- 使用方向图仪器对天线进行方向性测量。
- 检查测量结果是否符合天线规格书中的要求。
三、天线机械性能检验3.1 调节力检验- 使用力计测量天线调节力的大小。
- 检查测量结果是否符合天线规格书中的要求。
3.2 调节范围检验- 使用角度测量仪器对天线调节范围进行测量。
- 检查测量结果是否符合天线规格书中的要求。
3.3 防风性能检验- 使用风洞设备对天线进行防风性能测试。
- 检查测试结果是否符合天线规格书中的要求。
四、天线环境适应性检验4.1 温度适应性检验- 使用温度控制设备对天线进行温度适应性测试。
- 检查测试结果是否符合天线规格书中的要求。
4.2 湿度适应性检验- 使用湿度控制设备对天线进行湿度适应性测试。
- 检查测试结果是否符合天线规格书中的要求。
4.3 抗腐蚀性检验- 将天线放置在腐蚀性液体中进行腐蚀性测试。
- 检查测试结果是否符合天线规格书中的要求。
1.0 目的规范手机天线零件进料质量检验,使质量管理人员有章可循,达到质量控制之目的。
2.0 适用范围所有手机天线零件(包括内质天线,外置天线)进料检验使用(若与客户标准有差异,应执行客户标准),包括天线结构外观,电特性及可靠性检测。
3.0 定义3.1 检验区域之定义A 级面:使用者经常看到之区域,如:组装好后能看到的天线的外观面;B 级面:装配前能看见,装配后不能看见的面。
3.2 缺点种类及定义:3.2.1. 致命缺点:指产品在生产和使用过程中会产生损害人身安全,或者严重影响产品性能的缺点。
a) 断裂;b) 尺寸超差,变形严重,以至不能装配;c) 与设计要求不符,关键尺寸超差,环境或可靠性测试不通过。
3.2.2. 主要缺点:对产品外观或性能产生较严重影响的缺点。
a) 表面有深度划伤;b) 尺寸超差,但可以装配并且不影响使用性能。
3.2.3 次要缺点:对产品外观或性能产生轻微影响的缺点。
a) 外观缺点除别特注明的以外均为轻缺点;b) 非关键尺寸有轻微超差,但并不影响装配及使用性能3.2.4 代码对照表3.3 不良点定义:3.3.1 凹痕:因撞击或压力造成的下陷.3.3.2 划伤:受尖锐硬物划踫而在零件表面留下的细长线状划伤痕迹﹒3.3.2.1 轻划痕:用手指(指甲)横向轻划无凹入感﹐但又能目视明显的轻微划痕﹒3.3.2.2 浅划伤(无感划伤):用手指(指甲)横向轻划有轻微凹入感﹒3.3.2.3 深划伤(有感划伤):用手指(指甲)横向轻划有刮手或明显凹入感﹒3.3.3 擦伤,刮伤:受尖锐硬物刮踫或摩擦而在零件表面留下的块状痕迹.3.3.4 指纹: 裸手触摸产品留下的手指纹印﹒3.3.5 异色点:在喷漆件表面出现的颜色异于周围的点。
3.3.6 油污,脏污:明显粘附于零件表面能擦除的呈块状或膜状的油脂或变色异物.3.3.7 氧化: 基体材料发生化学氧化现象﹒3.3.8 颗粒:在喷漆件表面上附着的细小颗粒,与异色点不同的是表面颗粒凸出表面,造成局部表面不平。
文件轻微严重不允许1ROHS目测包装箱是否有ROHS 标识物料符合ROHS,包装箱外箱必须有ROHS 标识X外观效果与封样相比不允许有色差,不允许有结构差异X直线形及曲线形等线状缺陷(划伤、熔接线、痕迹、丝印不良、印刷不良等)A 面长度≤2mm ,宽度<0.1mm ;B 面长度≤3mm ,宽度<0.1mm ;C 面长度≤3mm ,宽度<0.15mm ;长度≤4mm 宽度<0.15mm (A 、B 、C 、D 面定义参考FQA-WI-034-01),外置天线参考A 、B 面标准,内置天线参考C 、D 面标准X点状缺陷(污迹,灰尘、色点、污垢、亮点、异物等)A 面,B 面点直径<0.2mm ,不超过1个;C 面,D 面点直径<0.3mm ,不超过1个;(A 、B 、C 、D 面定义参考FQA-WI-034-01),外置天线参考A 、B 面标准,内置天线参考C 、D 面标准X表面金属部件不允许有污迹、锈迹X 飞边、毛刺尖利、有造成伤害的可能X 水口切断不良不允许装配后可见但对外观影响较大或影响装配X热熔不允许有热熔不到位导致弹片开裂现象参考:图片1X不良丝印、印刷错误或缺少丝印位置不允许文字边缘粗糙、气泡、空洞、残缺(标志区)X 裂纹、断裂、缺口不允许物料有裂纹断裂参考:图片2X 弹片不允许有高低不平、歪、断裂现象X 3关键尺寸参考GB/T2828.1-2003 特殊检验水平S-3进行抽样测量卡尺/三维投影仪天线长、宽尺寸对比封样图纸,测量图纸标注的关键尺寸, 记录测量数据并判断是否在规格范围内.参考:图片3X4功能参数5试配6拆解检查7标准化8封样对比检查参考GB/T2828.1-2003 特殊检验水平S-2进行抽样测量是否与封样一致X编制审核批准天线检验指导书主题IQC 部品检验指导书文件编号IQC-****部品名称:天线检验测试内容检验测试要求缺陷判定图片区域序号项目抽样计划检验方法 省略 省略1:参考GB/T2828.1-2003 一般检验水平II进行抽样检验。
天线检验作业指导书标题:天线检验作业指导书引言概述:天线是无线通信系统中至关重要的组成部份,它们的质量和性能对通信质量和覆盖范围有着重要影响。
为了确保天线的质量和性能达到标准要求,进行天线检验是必不可少的。
本文将为您提供一份天线检验作业指导书,旨在匡助您进行天线检验工作,确保通信系统的正常运行。
正文内容:1. 天线外观检查1.1 天线外壳检查- 检查天线外壳是否完整,无裂纹或者变形。
- 检查天线外壳的涂层是否均匀,无腐蚀或者剥落。
- 检查天线外壳的连接部份是否紧固。
1.2 天线连接器检查- 检查天线连接器的插头和插座是否干净,无腐蚀或者氧化。
- 检查连接器的引线是否完好,无损坏或者断裂。
- 检查连接器的连接是否坚固,无松动或者接触不良。
1.3 天线标识检查- 检查天线标识是否清晰可读,无磨损或者含糊。
- 检查标识中的参数是否与实际天线相符,如频率范围、增益等。
2. 天线参数测量2.1 天线增益测量- 使用天线增益测试仪器,按照操作手册进行操作,测量天线的增益。
- 检查测量结果是否与天线标识中的增益参数相符。
2.2 天线驻波比测量- 使用天线驻波比测试仪器,按照操作手册进行操作,测量天线的驻波比。
- 检查测量结果是否符合通信系统的要求。
2.3 天线辐射图测量- 使用天线辐射图测试仪器,按照操作手册进行操作,测量天线的辐射图。
- 检查测量结果是否符合通信系统的要求。
3. 天线安装检查3.1 天线安装位置检查- 检查天线是否按照设计要求安装在正确的位置。
- 检查天线与其他设备之间是否保留足够的安全距离。
3.2 天线固定检查- 检查天线的固定方式是否坚固可靠,无松动或者脱落。
- 检查天线固定件是否完好,无损坏或者断裂。
3.3 天线馈线检查- 检查天线馈线是否完好,无损坏或者断裂。
- 检查馈线连接器是否干净,无腐蚀或者氧化。
4. 天线性能测试4.1 天线频率范围测试- 使用频谱分析仪或者信号源,按照操作手册进行操作,测试天线的频率范围。
天线检验作业指导书标题:天线检验作业指导书引言概述:天线是无线通信系统中的重要组成部分,其性能直接影响通信质量。
为了确保天线的正常工作,需要进行定期的检验和维护。
本文将介绍天线检验的作业指导书,帮助操作人员正确、高效地进行天线检验工作。
一、检查天线外观1.1 确保天线表面无明显损坏或腐蚀,如有损坏应及时更换。
1.2 检查天线连接部分是否松动,确保连接牢固。
1.3 检查天线支架是否稳固,确保天线安装牢固。
二、测量天线参数2.1 使用天线分析仪测量天线的驻波比,确保在正常范围内。
2.2 测量天线的增益和方向图,检查是否符合设计要求。
2.3 检查天线的极化特性,确保与系统匹配。
三、检查天线馈线3.1 检查馈线是否有损坏或老化现象,如有问题应及时更换。
3.2 检查馈线连接部分是否牢固,确保连接良好。
3.3 测量馈线的传输损耗,确保在可接受范围内。
四、调整天线方向4.1 使用仪器辅助调整天线的方向,确保最佳信号接收。
4.2 检查天线方向是否受到遮挡,及时调整避免影响通信质量。
4.3 定期检查天线方向,确保保持最佳通信状态。
五、记录检验结果5.1 将每次检验的具体参数和结果记录在作业指导书中,建立档案。
5.2 记录天线的使用寿命和维护情况,为后续维护提供参考。
5.3 定期对天线检验结果进行分析和总结,优化维护计划。
结论:通过以上步骤的指导,操作人员可以正确、全面地进行天线检验工作,确保天线的正常工作和通信质量。
天线检验作业指导书是保障通信系统稳定运行的重要工具,应定期更新和完善,以适应不同环境和需求。
日期:03-12-021.目的: 用以规范和统一产品外观检验标准.2. 适用范围.本标准建立了移动电话的功能和装配质量标准,适用于SEF所有移动电话产品。
用以规范和统一SEF及供应商,协作生产厂产品外观检查标准。
注:若新产品不断出现或本标准中有些项目为涉及到,应根据客户的要求在本标准中加入未涉及到的项目或修正本标准。
3. 定义:3.1. 点:具有点的形状,测量时以其最大直径为其尺寸。
3.2. 装配缝隙:除了设计时规定的缝隙外,由两部件装配造成的缝隙。
4. 对一些典型缺陷的描述4.1. 对元件表面喷漆的缺陷描述:水泡、褪色、掉漆、水纹、漆面粗糙、漆面污点、漆面划伤或损坏。
4.2. 对塑料件缺陷的描述:凹痕、熔接痕、划伤、污物、缺损、合模线、破坏、点、色差。
4.3. 对印刷缺陷的描述:字体重叠、印刷不全、印刷不正、字体周围有多余印迹、印刷字体水波纹、字体断线。
4.4. 对Lens缺陷的描述(所有塑料件和印刷缺陷均适用于Lens)。
表面异物、指印、划伤。
5. 手机产品表面分类:5.1. 表面分类:根据表面等级标准将表面分为“AA”、“A”、“B”、“C”面。
5.2. 缺陷等级的定义:Level0.5 直径为0.005英寸的点(0.15mm)Level1 直径为0.0075英寸的点(0.20mm)Level2 直径为0.01英寸的点(0.25mm)Level3 直径为0.015英寸的点(0.40mm)Level4 直径为0.02英寸的点(0.50mm)Level5 直径为0.03英寸的点(0.80mm)Level6 直径为0.04英寸的点(1.00mm)Level7 直径为0.05英寸的点(1.30mm)5.3. 表面等级标准:如果一个表面有多个缺陷,那么所有缺陷的总和来决定此表面缺陷是否超标。
(对于划痕,则把所有划痕的长度相加之和来决定是否超标,对于圆形缺陷,则其直径之和来决定是否超标。
)AA面:只显示信息的区域一个有颜色对比的缺陷不能超过Level 2(0.25mm)一个同色的缺陷不能超过Level 3(0.4mm)A面:在使用过程中,直接在外观看且暴露的主要面一个有颜色对比的缺陷不能超过Level 3(0.4mm)一个同色的缺陷不能超过Level 4(0.5mm)B面:在使用过程中,不直接观看且暴露的次要面一个缺陷不能超过Level 5(0.8mm)C面:在使用过程中看不见的面6. 缺陷的确认:对于划痕,斑点,凹坑,合缝等缺陷,检验员可用目测并根据经验进行判断。
对天线进行评估时,需要思考以下几个问题:1.手机主板的长宽尺寸是多少?2.天线采用什么形式?3.天线可用面积多少?天线高度多少?4.天线做在主板的上端还是下端(手机正放)?5.天线周围的环境如何?周围是否有speaker(扬声器)、camera(相机)等?与天线距离如何?6.天线,电子器件离开天线X方向10(低限8),天线尽量靠壳体侧壁,天线倾斜不得超过5度,PCB天线触点背面不允许有金属。
.硬件建议最好不要采用天线与SIM卡座的距离要大于30MM 电工天线,周围3mm以内不允许布件,6mm 以内不允许布超过2mm高的器件,天线正对的PCB板背面平面方向周围3mm 以内不允许有任何金属件7.机壳环境如何?前框是否金属?电池后盖是否金属?天线附件是否有金属物体,如装饰件等?8.金属接地是否做好了?金属框架接地的位置是否进行过筛选?是否是最佳接地点?9.是否按照排除法,找到了干扰源?10.弹片压缩后,接触点与天线金属纸是否在中心?长边偏移:1.0MM;短边偏移:0.3MM在手机天线的调试过程中,总结出了以下几个建议:1.点测,看传导功率和传导灵敏度是否正常。
在馈点上焊一根较长的焊锡丝,拉出机壳。
换句话说,相当于引一根外置天线,这样不受机壳内部环境的影响。
然后在2D测试的时候,不停地一点一点剪短焊锡丝,不停地在综测仪上查看相应的2D 动态测试结果。
如果数据可以做的很好,说明传导是完全正常的,天线性能是受环境影响而变差的。
如果不能,说明传导做的不好,天线本身性能就做不上来。
2.天线的技术指标是什么?人头手?3D的TRP&TIS;2D的TX power&Sensitivity;3.弹片压缩后,接触点与天线金属纸是否在中心?长边偏移:1.0MM;短边偏移:0.3MM.不得4.手机前框是金属,需要去找接地点,而且这个接地点是要选择,不同的接地点对于性能的影响是很大的。
5.电池后盖也要考虑是否要接地(这个不是一定的,要通过实验确定),选择接地点,找出最佳位置。
第1版适用范围: IQC 进料检验日期: 2004.8.20批准: 审核: 编制:IQC零件性能测试规范版本:01一、目的:1.1为规范塑料外观检验标准,确保经IQC检验之部品符合产品品质要求。
二、职责2.1本标准必须经由培训合格之检验人员执行2.2检验中如有疑问及争执,须由MQE主管协调处理。
2.3若出现本标准中未涉及的项目,应立即通知MQE工程师修改或解释本标准。
三、参考文件3.1 GSM FQA外观检验标准3.2 DBTEL电池板外观检验标准3.3客户要求的相关文件四、缺陷定义4.1 点(含杂质):具有点的形状,测量时以其最大直径为其尺寸4.2 毛边:在塑料零件的边缘或结合线处线性凸起(通常为成型不良所致)4.3 银丝:在成型中形成的气体使塑料零件表面退色(通常为白色)。
这些气体大多为树脂内的湿气,某些树脂易吸收湿气,因此制造前应加入一道干燥工序4.4气泡:塑料内部的隔离区使其表面产生圆形的突起4.5变形:制造中内应力差异或冷却不良引起的塑料零件变形4.6顶白:成品被顶出模具所造成之泛白及变形﹐通常发生在顶出稍的另一端(母模面)4.7缺料:由于模具的损坏或其它原因﹐造成成品有射不饱和缺料情形.4.8断印:印刷中由于杂质或其它原因造成印刷字体中的白点等情况。
4.9漏印:印刷内容缺划或缺角或字体断印缺陷大于0.3mm,也被认为有漏印。
4.10色差:指实际部品颜色与承认样品颜色或色号比对超出允收值。
4.11同色点: 指颜色与部品颜色相接近的点;反之为异色点。
4.12流水纹:由于成形的原因﹐在浇口处留下的热溶塑料流动的条纹4.13熔接痕:由于两条或更多的熔融的塑料流汇聚,而形成在零件表面的线性痕迹4.14装配缝隙:除了设计时规定的缝隙外,由两部组件装配造成的缝隙4.15细碎划伤:无深度的表面擦伤或痕迹(通常为手工操作时造成)4.16硬划伤:硬物或锐器造成零件表面的深度线性伤痕(通常为手工操作时造成)4.17凹痕缩水:零件表面出现凹陷的痕迹或尺寸小于设计尺寸(通常为成型不良所致)4.18颜色分离:塑料生产中,流动区出现的条状或点状色痕(通常由于加入再生材料引起)4.19不可见:指瑕疵直径<0.03mm为不可见,LENS透明区除外(依每部品材料所订定之检测距离)4.20碰伤:产品表面或边缘遭硬物撞击而产生的痕迹4.21油斑:附着在对象表面的油性液体4.22漏喷:应喷漆之产品表面部份因异常原因而导致油漆没有喷到露出底材之现象4.23修边不良:产品边缘处因人工修边而产生缺口等不规则形状八、喷漆可靠度测试:8.1 耐磨擦试验8.1.1 试验条件:RCA磨擦机施加175g荷重,150cycles8.1.2 测试设备:RCA耐磨擦机.8.1.3 判定方法:8.1.3.1 透过表层到基层可见, 判定为不良;8.1.3.2透过表层到表层下面其它颜色的油漆, 判定为不良;8.1.3.3 磨损到肉眼可见时,判定为不良.8.2 百格附着力试验8.2.1试验条件:胶带粘贴30-90秒内180°迅速拉起胶带8.2.2测试设备: 百格刀(.锋角15°`30°),3M(600 or 610型)胶带.8.2.3判定方法:划痕边缘及交点处有部份脱漆, 受影响区域> 15%判定为不良.8.3溶剂试验8.2.1试验条件:使用MEK(乙丙醇、丁酮)涂擦喷漆层表面,静置3min8.2.1判定方法:喷漆外观应可抵抗3min 的MEK 腐蚀﹐无明显的覆盖层破裂和起泡,起皱或油漆潜在的分解.8.4 铅笔硬度试验8.4.1试验条件:三菱铅笔500g,以45°划过喷漆件表面,由5H-HB依序降低硬度,直到不能划破表层为止8.4.2判定方法:表面硬度>2H为OK8.5 冷热冲击试验:9.3.1 试验条件:+85℃~-40℃,45min,25cycle,热柜开始.9.3.2参考规范:IEC68-2-14.9.3.3测试样品数量:5pcs.9.3.4判定方法: 外观无明显变形、起泡、剥落.九、电镀可靠度测试:9.1 耐磨擦试验9.1.1 试验条件:RCA磨擦机施加175g荷重,150cycle9.1.2 测试设备:RCA耐磨擦机.9.1.3 判定方法:透过表层到基层可见, 判定为不良;9.2 附着力试验(仅限电镀平面面积超过1c㎡以上之产品)9.2.1试验条件:9.2.1.1使用刀片在镀件上画出相距1mm的格子,划痕要到达底层;(如产品电镀平面面积低于1c㎡则无需此步操作)9.2.1.2胶带粘贴30-90秒内180°迅速拉起胶带9.2.2测试设备: 百格刀(.锋角15°`30°),3M(600 or 610型)胶带.9.2.3判定方法: 观察镀层是否有脱落现象,受影响区域> 15%判定为不良.9.3 热冲击试验(9.3.1 试验条件:+85℃~-40℃,45min,25cycle,热柜开始.9.3.2参考规范:IEC68-2-14.9.3.3测试样品数量:5pcs.9.3.4判定方法: 外观无明显变形、起泡、剥落.9.4 盐水喷雾试验:9.3.1 试验条件: Na Cl浓度5%,温度35℃±1℃,时间48h9.3.2测试样品数量:5pcs.9.3.3 判定方法: 除去盐渍后无明显色泽变化及剥落现象9.5 铅笔硬度试验8.4.1试验条件:三菱铅笔500g, 以45°划过喷漆件表面,由5H-HB依序降低硬度,直到不能划破表层为止8.4.2判定方法:表面硬度需>2H为OK十、实装测试8.1实装抽样数为8.1.1如来料有2个穴号(或2个以下),则实装数每穴需抽取5pcs;8.1.2如来料有3个穴号(或3个以上),则实装数每穴需抽取2pcs;8.2装配件含手机前盖、后盖、电池盖、LENS、电池扣、Hinge及相关配件;前后盖需加PCBA合盖锁螺丝实装8.3装配标准规范A、LENS (指LENS与前盖之装配)1)L ENS与前盖组合间隙<= 0.25mm2)L ENS平面超出前盖平面有台阶效应<=0.1mm且无刮手现象3)L ENS装配时不得有卡合困难现象及装配后不得有上翘不平整之现象4)L ENS装配后透过透明区域垂直目视不可有背胶及Housing外露现象B、前后盖(前后盖、前盖和KEY、Folder 和Base;(需加PCBA板锁盖及安装Hinge)1)前盖和KEY装配无卡键之现象2)铜柱不得歪斜,高度以Boss端面为基准不得上浮或下沉0.10mm3)Hinge装入Housing时不可有无法装入现象及装入后松动现象,手机翻盖折叠时Hinge处不可有异音现象;4)前后盖组合间隙直板机一般不得≧0.50mm,翻盖机一般为不得≧0.30mm,但组合间隙极差不得超过0.20mm;针对翻盖机Folder舆Base合盖后最大缝隙不得≧0.65m错缝不得≧0.45mm5)前后盖组合台阶效应<=0.15mm且无刮手现象6)前后盖卡合不可困难、明显错位或不到位7)螺丝锁盖不得有滑牙、面板顶白、螺孔开裂、柱子断等现象8)前后盖螺丝柱子无错位影响机构之现象C、后盖(后盖和电池盖、后盖相关配件)1)后盖PCBA板卡脚卡合到位2)各配件与后盖应卡合顺畅3)电池盖装配不可有明显松动之现象4)电池盖与后盖扣合顺畅不得有阻滞或不到位之现象5)后盖与电池盖间隙台阶效应<=0.15mm 且无有刮手现象电池扣装配顺畅不得有阻滞或不到位之现象6)天线拧合与后盖天线孔间隙<=0.4mm7)天线不得有难拧入或歪斜之现象十一、关于产品颜色样品及色差规定9.1 检验依据: 依ID或市场部所认可之颜色样品作为Golden Sample;9.2 判定标准: 依ID或市场部所认可之Golden Sample舆产品进行色差比对,深色产品(如珍珠蓝色,钢琴红色)色差值ΔE≦2.0,浅色产品(如银色,珍珠白色)色差值ΔE≦0.8。
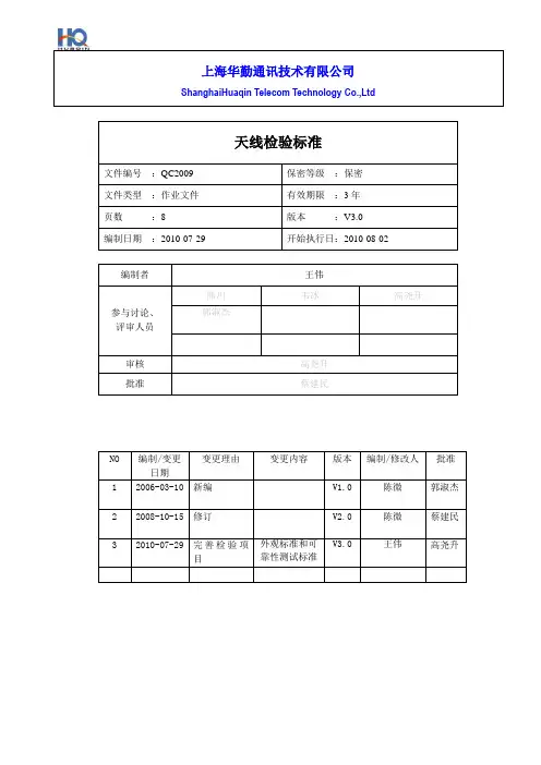
上海华勤通讯技术有限公司ShanghaiHuaqin Telecom Technology Co.,Ltd天线检验标准文件编号:QC2009 保密等级:保密文件类型:作业文件有效期限:3年页数:8 版本:V3.0编制日期:2010-07-29 开始执行日:2010-08-02 编制者王伟参与讨论、评审人员熊川韦冰高尧升郭淑杰审核高尧升批准蔡建民NO 编制/变更日期变更理由变更内容版本编制/修改人批准1 2006-03-10 新编V1.0 陈微郭淑杰2 2008-10-15 修订V2.0 陈微蔡建民3 2010-07-29 完善检验项目外观标准和可靠性测试标准V3.0 王伟高尧升1目的3.3 不良点定义:3.3.1 凹痕:因撞击或压力造成的下陷.3.3.2 划伤:受尖锐硬物划踫而在零件表面留下的细长线状划伤痕迹﹒3.3.2.1 轻划痕:用手指(指甲)横向轻划无凹入感﹐但又能目视明显的轻微划痕3.3.2.2 浅划伤(无感划伤):用手指(指甲)横向轻划有轻微凹入感﹒3.3.2.3 深划伤(有感划伤):用手指(指甲)横向轻划有刮手或明显凹入感﹒3.3.3 擦伤,刮伤:受尖锐硬物刮踫或摩擦而在零件表面留下的块状痕迹.3.3.4 指纹: 裸手触摸产品留下的手指纹印﹒3.3.5 异色点:在喷漆件表面出现的颜色异于周围的点。
3.3.6 油污,脏污:明显粘附于零件表面能擦除的呈块状或膜状的油脂或变色异物。
3.3.7 氧化: 基体材料发生化学氧化现象﹒3.3.8 颗粒:在喷漆件表面上附着的细小颗粒,与异色点不同的是表面颗粒凸出表面,造成局部表面不平。
3.3.9 光泽不良: 产品表面的光泽不在标准光泽的(+/-10 度〕范围内3.3.10 色不均: 局部出现颜色与其它部分颜色有差异3.3.11 点缺点: 具有点形状的缺陷,测量时以其最大直径为尺寸3.3.12 剥落: 产品表面上出现涂层或镀层脱落的现象3.3.13 异色点: 在产品表面出现的颜色异于周围的点3.3.14 缩水 : 由于塑料的收缩率不同,产品厚薄不均及成型条件的波动,在产品表面上形成的凹陷;3.3.15 亮斑 : 由于模具的局部温度偏高造成产品的表面发亮;3.3.16 毛边:由于注塑参数或模具的原因,造成在塑料件的边缘或分型面处所产生的多余而薄边3.3.17龟裂: 由于环境老化,或油漆在内外应力造成在产品表面上有裂纹。
1. 目的为IQC检验员提供检验和判定依据, 确保原材料质量满足生产上线使用要求。
2. 范围本标准适用我司来料检验及外协加工厂对原材料的检验,客户无特别要求时适用本标准,如有变更时以《设计变更通知》ECN为准。
3. 定义3。
1 手机检验面的定义AA级检验面:手机上显示信息的重要区域,如镜片的透明区和LCD的显示区。
A级检验面:暴露在外,且正常使用时可直接看到的主要表面,如镜片的非信息显示区,键盘、面壳、底壳、电池盖的正面、翻盖(及大翻盖)的正反两面.B级检验面:暴露在外,且正常使用时并不直接看到的次要表面,如前壳、后壳电池盖、翻盖(及大翻盖)的外侧面,天线外表面,及其它手机配件如充电器、耳机等的外观面。
C级检验面:正常使用时看不到,只有在装卸电池或SIM卡时可看到的内表面,如后壳上被电池盖住的面或电池盖的内表面;D级检验面:只有在拆卸手机时才能看到的零件表面。
3。
2 缺陷级别定义3.2.1 致命缺陷(A类)(Critical Defect):产品存在对使用者的人身及财产安全构成威胁的缺陷或造成不能使用的缺陷或严重影响主要性能指标、功能不能实现的缺陷,A类。
3.2。
2 严重缺陷(B类)(Major Defect):功能缺陷影响正常使用,性能参数超出规格标准;漏元件、配件或主要标识,多出无关标识及其他可能影响产品性能的物品;包装存在可能危及产品形象的缺陷,导致最终客户拒绝购买的结构及外观缺陷,B类。
3。
2。
3 次要缺陷(C类)(Minor Defect):影响外观的缺陷,不影响产品使用,最终客户有可能愿意让步接受的缺陷。
注:有些外观检查中发现的问题会影响到产品的功能,则按照功能缺陷的标准来确定缺陷等级;如按键脱落会导致按键无功能,为主要缺陷.有些功能检查中发现的问题仅影响到产品观感,则按照外观缺陷的标准来确定缺陷等级;如按键漏光,C类。
4. 抽样方案依据GB/T2828。
1-2012/ISO 2859—1:2008 MIL—STD-105E正常检验一次抽样方案Ⅱ级水准,Cri AQL=0.010 ,Maj AQL=0.4 ,Min AQL=1.5,(当Maj与Min同时出现时,计算不良:两个Min相加等于一个Maj或一个Maj相当于两个Min).AC(Accept):表示合格判定个数;RE(Reject):表示不合格判定个数,抽样表(注)数值表示,AC(合格判定个数)/n(抽样数)。
天线检验作业指导书引言概述:天线是无线通信系统中不可或者缺的组成部份,其性能直接关系到通信质量和传输距离。
为了确保天线的正常工作和性能,进行天线检验是必不可少的。
本文将介绍天线检验的步骤和方法,以确保天线的质量和性能达到预期要求。
一、天线外观检查1.1 外观完整性检查首先,对天线外观进行子细检查,确保其没有明显的损坏、变形或者腐蚀等情况。
特殊要注意天线连接器的完整性,如天线接头是否松动、氧化等。
1.2 天线标识检查检查天线上的标识,包括型号、序列号、创造商等信息,与相关文档进行核对,确保天线的标识与实际情况一致。
1.3 天线安装检查检查天线的安装情况,包括天线的位置、方向和高度等。
确保天线安装符合规范要求,没有受到遮挡物的影响。
二、天线电气性能检查2.1 驻波比检查使用专业的天线分析仪器,对天线进行驻波比检查。
驻波比是评估天线性能的重要指标,应确保其在允许范围内。
2.2 增益检查使用天线测试仪器测量天线的增益。
增益是天线辐射能力的指标,应与天线的设计要求相符。
2.3 方向性检查通过天线测试仪器,检查天线的方向性。
方向性是天线辐射能力的指标,应与天线的设计要求相符。
三、天线机械性能检查3.1 机械强度检查对天线进行机械强度测试,包括抗风压、抗震动等。
确保天线能够在恶劣环境下正常工作。
3.2 防水性能检查对天线进行防水性能测试,确保其能够在潮湿环境下正常工作,防止水分侵入导致性能下降。
3.3 耐候性检查对天线进行耐候性测试,包括耐高温、耐低温等。
确保天线能够在各种气候条件下正常工作。
四、天线辐射性能检查4.1 电磁辐射检查使用电磁辐射测试仪器,对天线的电磁辐射进行检查。
确保天线的辐射功率符合相关标准要求。
4.2 频率响应检查通过频率响应测试,检查天线在不同频率下的工作情况。
确保天线在频率范围内具有良好的性能。
4.3 极化特性检查通过极化特性测试,检查天线的极化特性。
确保天线的极化特性与设计要求一致。
手机外观检验标准
注:①A面为正常使用时,第一眼可看到的表面。
如正面(贴装饰牌的一面)。
B面为不是直视范围,如打开翻盖后出现的面。
如侧面、底面。
C面为正常使用时,看不到的面。
如取出电池后出现的面。
②三级深度为轻擦痕(不反光时难看出的,在某一固定角度才能看得见的划
痕)
二级深度为轻度硬器划伤。
(不转换角度都能看得见且轻微的划痕)
一级深度为重硬器划伤。
(不转换角度都能看得见且较严重的划痕)
二、镜片检验标准:
四、合缝:
五、装饰钮、装饰圈外观检验标准:
1、装饰牌表面图案、饰纹应轮廓清晰、准确、不变形,无批锋毛刺、断续等。
2、所嵌宝石应均匀一致,镶嵌牢固,不下陷、不凸出,宝石应无明显杂色,无
破裂、无划痕。
3、装饰牌镀层均匀,无锈斑、剥落,无明显色泽异变。
4、饰牌背面双面胶应平整,粘性及尺寸符合要求。
5、饰牌表面凸凹点、混色点及划痕检验标准如下表:
一、凸凹点、混色点:
二、划痕:。
CR MAJ MIN ACRE 1、用卡尺測量偏离標準0.2mm以上,試裝不合格;●●2、用卡尺測量偏离標準0.2mm以下,且試裝OK;●●3、對照订單、样品和工程图纸及BOM,所用材料不同;●●1、外形結構同樣板不符;●●2、色差,与样品对比,表面颜色有色差,但是大体不偏离本体颜色;●●1、丝印模糊不清、断字,字码不能识别(不良率>3%);●●2、丝印模糊不清、断字,字码能识别;●●1、表面折痕长度10mm以下,且数量>2条(手撕位除外);●●2、表面折痕长度10mm以下,且数量≦2条(手撕位除外);●●3、FPC表面污点,不影响性能和结构;●●4、FPC表面划伤,划伤长度<0.8MM,且数量>2个;●●5、FPC表面污点,划伤长度<0.8MM,且数量≦2个;●●6、边缘切偏露铜,且切掉线路部分>0.1MM;●●7、边缘切偏露铜,且切掉线路部分≦0.1MM;●●8、线路中间露铜,区域周长小于0.8MM,且数量>1个;●●9、线路中间露铜,区域周长小于0.8MM,且数量≦1个;●●10、焊盘电镀部位电镀不均匀、氧化或漏镀;●●11、焊盘电镀部位折痕、针印;●●12、边缘撕破>0.2MM;●●13、边缘撕破≦0.2MM,且数量≦1个;●●14、3M胶背胶纸表面污点、划伤;●● 等 级判 定序号1检验项目尺 寸材 質結 構色 差丝 印类型FPC外 观检验工具卡尺目視/样机试装目視目視卡尺/目视检验方法与标准備注等 级 判 定类型检验工具检验方法与标准備注序号检验项目CR MAJ MIN AC RE等 级 判 定类型检验工具检验方法与标准備注序号检验项目2FPC+支架CR MAJ MIN AC RE等 级 判 定类型检验工具检验方法与标准備注序号检验项目CR MAJ MIN AC RE。
1.目的
为IQC检验员提供检验和判定依据,确保原材料质量满足生产上线使用要求。
2.范围
本标准适用我司来料检验及外协加工厂对原材料的检验,客户无特别要求时适用本标准,如有变
更时以《设计变更通知》ECN为准。
3.定义
手机检验面的定义
AA级检验面:手机上显示信息的重要区域,如镜片的透明区和LCD的显示区。
A级检验面:暴露在外,且正常使用时可直接看到的主要表面,如镜片的非信息显示区,键盘、面壳、底壳、电池盖的正面、翻盖(及大翻盖)的正反两面。
B级检验面:暴露在外,且正常使用时并不直接看到的次要表面,如前壳、后壳电池盖、翻盖(及大翻盖)的外侧面,天线外表面,及其它手机配件如充电器、耳机等的外观面。
C级检验面:正常使用时看不到,只有在装卸电池或SIM卡时可看到的内表面,如后壳上被电池盖住的面或电池盖的内表面;
D级检验面:只有在拆卸手机时才能看到的零件表面。
缺陷级别定义
致命缺陷(A类)(Critical Defect):产品存在对使用者的人身及财产安全构成威胁的缺陷或造成不能使用的缺陷或严重影响主要性能指标、功能不能实现的缺陷,A类。
严重缺陷(B类)(Major Defect):功能缺陷影响正常使用,性能参数超出规格标准;漏元件、配件或主要标识,多出无关标识及其他可能影响产品性能的物品;包装存在可能危及产品形象的缺陷,导致最终客户拒绝购买的结构及外观缺陷,B类。
次要缺陷(C类)(Minor Defect):影响外观的缺陷,不影响产品使用,最终客户有可能愿意让步接受的缺陷。
注:有些外观检查中发现的问题会影响到产品的功能,则按照功能缺陷的标准来确定缺陷等级;如按键脱落会导致按键无功能,为主要缺陷。
有些功能检查中发现的问题仅影响到产品观感,则按照外观缺陷的标准来确定缺陷等级;如按键漏光,C类。
4.抽样方案
依据GB/ISO 2859-1:2008 MIL-STD-105E正常检验一次抽样方案Ⅱ级水准,Cri AQL= ,
Maj AQL= ,Min AQL=,(当Maj与Min同时出现时,计算不良:两个Min相加等于一个Maj 或一个Maj相当于两个Min)。
AC(Accept):表示合格判定个数;RE(Reject):表示不合格判定个数,抽样表(注)数值表示,AC(合格判定个数)/n(抽样数)。
5.检验工具
游标卡尺、千分尺、刀片及其他辅助检测工具等;
6. 手机物料检验条件及环境
环境光度:600~800LUX或40W两盏冷白荧光灯;
观察距离:人眼距被测面25~35cm;
观察角度:被测物被检测面与视线成45度角,上下左右转动被测物15度以内;
观察时间: 10S±5S;
视力要求:裸视或矫正视力在以上且无色盲;
7. 检验内容
8. 可靠性测试
备注:
1. 功能机弹片式天线检验依《原材料检验标准------塑胶结构件》检验标准执行,但要注意弹片不得变形,不得氧化、不得脏污,热熔要平整,组装与其他结构件不得相互干涉。
2. 天线在面面交接的折弯处铺铜宽度、尽量控制在以内、否则必须设置应力释放孔槽、或针线以降低内应力。
3. FPC在金手指位置及天线边缘易翘起部分须预留热熔孔/柱、如果起翘明显则进行热熔、热熔柱的位置与天线弹片的工作位置要保证2mm以上的距离。
4. 天线金手指大小标准*、最小不得小于2*3 mm、金手指边缘距离拐角部位至少1 mm(结构R 角大于mm)以避免金手指剥离、造成内应力等、馈点处的背胶面积标准为mm、馈点长度方向最小5 mm、宽度方向最小8 mm。
5. 天线金手指部位的FPC基材须尽可能向外延伸3 mm以上、必要时将基材反折到另外的平面、以便于利用结构件固定。
6.对于外形边角部位、天线铺铜边缘PI边缘至少2 mm、当铺铜必须要铺到FPC天线边缘时、需要将FPC天线继续延伸、然后折弯到结构件的内部。
9. 引用文件
《IQC作业指导书》
《原材料检验标准------塑胶结构件》
《样品承认书》
《IQC检验报告》
《原材料送检(暂收)单》。