16、灌注桩水下混凝土灌注现场记录表(记录表16)
- 格式:doc
- 大小:59.50 KB
- 文档页数:1
钻孔桩水下混凝土灌注记录一、工程概况本次灌注的钻孔桩位于_____工程的_____部位,桩号为_____,设计桩径为_____m,设计桩长为_____m。
桩身混凝土强度等级为_____,采用_____配合比。
二、施工准备1、灌注设备采用_____型号的混凝土搅拌车运输混凝土,每车容量为_____m³。
灌注使用_____型号的导管,导管内径为_____mm,壁厚为_____mm,节长分别为_____m、_____m、_____m等,配备_____套导管接头和密封圈。
导管使用前进行了水密承压试验,试验压力为_____MPa,持续时间为_____min,导管无渗漏现象。
2、混凝土原材料水泥:采用_____品牌的_____强度等级水泥,其性能指标符合_____标准要求。
砂:选用_____产地的中砂,细度模数为_____,含泥量为_____%,符合_____标准要求。
石子:采用_____产地的_____mm 连续级配碎石,含泥量为_____%,针片状颗粒含量为_____%,符合_____标准要求。
外加剂:使用_____品牌的_____外加剂,其性能指标符合_____标准要求。
水:采用_____水源,符合混凝土拌合用水标准。
3、混凝土配合比设计配合比为:水泥:砂:石子:水:外加剂=______:______:______:______:______。
施工配合比根据现场原材料的含水率进行调整,调整后的配合比为:水泥:砂:石子:水:外加剂=______:______:______:______:______。
三、灌注过程1、首批混凝土灌注计算首批混凝土灌注量,根据公式 V =πD²/4 × (H1 + H2) +πd²/4 × h1 ,其中 D 为桩孔直径,H1 为桩孔底至导管底端间距,H2 为导管初次埋置深度,d 为导管内径,h1 为桩孔内混凝土达到埋置深度H2 时,导管内混凝土柱平衡导管外(或泥浆)压力所需的高度。
钻孔灌注桩施工作业指导书(水下)目录1 引用文件2 施工准备2.1作业条件2.2材料及机具3 操作工艺3.1工艺流程3.2主要施工方法3.3雨天施工的技术措施3.4施工难点、重点及解决方案4 质量标准4.1 主控项目4.2 一般项目5 成品保护6 注意事项6.1 应注意的质量问题6.2 应注意的安全问题6.3 应注意的环境问题7 质量记录1、引用文件(1)《公路桥涵施工技术规范》JTGT F50-2011(2)《城市桥梁工程施工与质量验收规范》CJJ 2-2008(3)工程施工图纸(4)工程施工合同2 施工准备2.1作业条件(1)在旱地上,清除杂物,场地平整、满足钻孔灌注桩的施工作业区域、条件,如遇到软土地基应经行处理。
在浅水中,宜筑岛经行施工。
在深水中,宜搭设平台。
(2)图纸要求采用钻孔灌注或地质条件满足钻孔灌注桩施工的条件;2.2材料及机具桩孔灌注桩所采用的主要材料:钢筋、混凝土、膨润土、水源机具:旋挖钻机、装载机、翻斗车、吊车、泥浆泵、发电机、电焊机3 操作工艺3.2主要施工方法一、施工准备1)、修筑便道、平台:修筑便道通往墩台位置处;施工平台平整压实,满足钻机施工时平稳的要求。
做好附近地面排水防止雨季降水影响施工。
2)、认真审核孔桩地质断面及平面布置图,现场仔细核对桥两侧施工范围内有无与已埋管线抵触情况。
3)、在施工前先对钻机及工作人员进行岗前培训,组织施工人员熟悉施工流程及掌握钻孔桩操作技能。
二、施工技术要点(1)钻孔准备测量放线定桩位:先定出基础中心线,测量地面标高,桩孔中心外3m设置前后左右的桩孔定位护桩,施工时拉线确定桩位。
桩孔定位后报驻地监理工程师复核确认。
护筒的埋设:护筒用厚≥5mm钢板卷制而成,其内径比桩径大200mm,长度≥2.0m,并根据现场地质情况而定。
根据复核好的桩位挖好基坑后,护筒埋设平面位置偏差不大于5cm,倾斜度不大于1%。
在护筒外侧四周以及下部50cm范围内夯填粘土,以防钻进过程中造成塌孔。
施工记录表格(共16张)
表格目录
钻(挖)孔桩施工记录表
工程项目名称:施工合同段:编号:
记录:施工负责人:年月
泥浆试验记录表
记录:施工负责人:年月日
水下混凝土浇注导管水密试压施工记录表
水下混凝土浇注记录表
混凝土养护记录表
桥梁架设施工记录表(一)工程项目名称:施工合同段:编号:
桥梁架设施工记录表(二)
注:一、十字线错动量纵向偏离跨中方向为“+”,偏向跨中方向为“—”;横向以偏向外侧为“+”,偏向内侧为“—”。
二、支座安装栏内布置填活动或固定。
3、支座密贴及混凝土灌注均天合格或不
隧道开挖工作面地质状况记录表(一)
隧道开挖工作面地质状况记录表(二)
隧道净空转变量测记录表
隧道拱顶下沉量测记录表
隧道衬砌初期支护施工记录表
隧道衬砌超前支护施工记录表
[路基沉降观测]
地表沉降观测记录表
[路基沉降观测]
水平位移观测记录表
碎石桩施工记录表。
001m-18.7m -18.6m 25.1m 25.6m 每隔min15h 30min 16h0min16h 30min 17h0min h min h min h min h min h min h min h min h min hmin专业监理工程师(建设单位项目技术负责人):×××混凝土实测坍落度(mm)孔内混凝土面标高(m)导管长度(m)混凝土含管深度(m)平均断面尺寸(mm)混凝土桩地质柱状断面示意图主要参数混凝土浇筑过程监控记录护筒(导墙)顶标高清孔完成时孔底标高开管时孔底标高设计桩(墙)顶标高实际桩(墙)顶标高专业工长专业质检员前台班组长后台班组长××××××××××××留置数量使用报告试块编号1组标养×××监理(建设)单位施工单位试块留置10.334.317082417516581617030混凝土灌注量观测记录本次累计8825.6635160-1803434.31.1混凝土设计混凝土灌注强度等级(C)坍落度(mm)理论灌注量实际灌注总量充盈系数灌注桩施工序号×××地下连续墙槽段编号1-10施工日期201×年××月××日施工单位广东电白建设集团有限公司分部/子分部/分项地基与基础/基坑支护/地下连续墙检验批编号GD-C5-71125001灌注桩、地下连续墙灌注水下混凝土记录GD-C4-6341单位(子单位工程)名称商住楼(和平碧桂园二标段)。
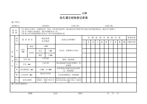
混凝土灌注桩工程检验批质量验收记录表GB50202—2002(Ⅱ)说明(Ⅱ)010405主控项目:1、桩位。
桩位允许偏差和桩的位置及成孔方法不同而不同。
尺量检查。
2、入孔深。
+300mm。
只能深不能浅,测钻杆、套管长度或重锤测。
嵌岩桩应确保进入设计要求的嵌岩深度。
3、桩体质量检查。
应用动力法检测,或钻芯取样至桩尖下50cm。
符合设计要求,按设计要求方法检测。
设计为甲级地基或地质条件复杂,成桩质量可靠性低的灌注桩,抽检数量为总数的30%,且不少于20根;其他桩不少于总数的20%,且不少于10根;对混凝土预制桩及地下水位以上且终孔后经过核查的灌注桩。
检查不少于总数10%。
且不少于10根。
每个柱子承台下不少于1根。
4、混凝上强度。
每50m3取(不足50m3)取一组试块,每根柱必须有一组试块。
强度符合设计要求。
5、承载力。
设计等级为甲级或地质条件复杂,成桩质量可靠性低的灌注桩,应采用静载荷试验,数量不少于总桩数1%,且不少于3根。
总桩数少于50根时,为2根。
其它桩应用高应变动力检测。
对地质条件、桩型,成桩机具和工艺相同、同一单位施工的桩基。
检验桩数不少于总桩数的2%,且不少于5根。
静载荷试验,高应变动力检测方法。
检查检测报告。
一般项目:1、垂直度。
除人工挖孔混凝土护壁桩为<0.5%;其它桩为<1%。
检查套筒、钻杆的垂直度或吊垂球检查。
2、桩径。
套管成孔、干成孔的桩径为-20mm;泥浆护壁钻孔为+50mm;人工挖孔为+50mm。
用井径仪、尺量检查。
3、泥浆比重(粘土、砂性土中)。
1.15~1.20。
用比重计测量。
4、泥浆面标高(高于地下水位)。
0.5~1.0m。
观察检查5、沉渣厚度:端承桩≤50mm。
用沉渣仪或吊锤测量。
磨擦桩≤150mm。
用沉渣仪或吊锤测量。
6、混凝土坍落度:水下灌注160~220mm,灌注前坍落度仪测量。
干施工70~100mm。
灌注前坍落度仪测量。
7、钢筋笼安装深度:±100mm,尺量检查。
钻孔灌注桩资料表格(全套).施⼯放样现场记录表承包⼈:合同号:监理单位:编号:浙路(JS)101单位⼯程分项⼯程施⼯⽇期分部⼯程桩号、部位检测、记录⽇期施⼯放样⽰意图:承包⼈⾃检说明:监理检评:现场监理⽇期施⼯负责⼈⽇期质检员⽇期施⼯员⽇期浙江省交通厅⼯程质量监督站监制桩基础回旋钻孔原始记录(⼀)承包⼈:监理单位:合同号:结构物名称:⼯程编号:浙路(JS)606墩号桩号设计桩径(m)设计桩底标⾼开钻⽇期施⼯前准备情况地⾯标⾼⽔位标⾼护筒顶⾯标⾼护筒底⾯标⾼钻孔平台标⾼钻盘顶⾯标⾼基准⾯位置护筒型式护筒埋深护筒内⽔位标⾼钻机型号钻头型式及直径钻头⾼度⽅钻杆长度起⽌接钻杆情况钻进深度(m)地质情况泥浆情况⼯作内容⽇时:分⽇时:分时间时:分节数长度基准⾯⾄⽅钻杆读数本次累计孔底标⾼钻渣情况设计地质实际地质⽐重粘度砂率记事填表说明:1、此表按桩基填写,开钻阶段使⽤;2、应详细填写施⼯过程;不同地质交界⾯应明确填写,交界⾯的标⾼应经设计、监理认可。
质检员:施⼯负责⼈:施⼯员:现场监理:浙江省交通厅⼯程质量监督站..桩基础回旋钻孔原始记录(⼆)承包⼈:监理单位:合同号:结构物名称:⼯程编号:浙路(JS )606-1墩号桩号设计桩径(m )设计桩底标⾼开钻⽇期起⽌接钻杆情况钻进深度(m)地质情况泥浆情况⼯作内容⽇时:分⽇时:分时间时:分节数长度基准⾯⾄⽅钻杆读数本次累计孔底标⾼钻渣情况设计地质实际地质⽐重粘度砂率记事辅助⽣产时间(h )⾮⽣产停钻时间(h )纯钻时间清孔检孔检查机具其它⼩计孔内事故停电其它⼩计合计时间(h )监理终孔意见:时间统计填表说明:1、此表按桩基填写,开钻阶段使⽤;2、应详细填写施⼯过程;不同地质交界⾯应明确填写,交界⾯的标⾼应经设计、监理认可。
3、⼯件内容应包括清孔。
质检员:施⼯负责⼈:施⼯员:现场监理:浙江省交通厅⼯程质量监督站监制.钻(挖)孔桩终孔后灌注前检查记录承包⼈:合同号:监理单位:编号:浙路(JS )609结构物名称⾥程桩号台、墩号桩号设计标⾼钻孔直径地⾯⾼程护筒顶标⾼护筒长度桩顶桩尖桩长钻头⾼度设计终孔孔位偏差⾃钻盘(或基准⾯)⾄孔底总深度项⽬测定时限钻盘基准⾯标⾼沉淀测量时间桩顶终孔时⽉⽇时实测孔深灌注前⽉⽇时分节长度搭接长度测量时间总长12341-22-33-4焊接⽅法实际操作(h )钢筋笼安装⾄钢筋笼顶⾯实测距离 M 计算钢筋笼顶⾯标⾼为 M ⾃⽉⽇时起⾄⽉⽇时⽌料⽃直径底⼝标⾼总长第⼀节长度底⼝标⾼容量储槽容量⼯作时间导管安装理论计算⾸次应⼀次性下灌砼数量 m3⾃⽉⽇时起⾄实际操作(h )其他记录事项现场监理⽇期施⼯负责⼈⽇期质检员⽇期施⼯员⽇期注:⼀座桥(或结构物)桩基完⼯后,需⽤JS612表对桩基进⾏汇总。
钻孔桩水下混凝土记录表合同名称:市三义寨引黄灌区续建配套与节水改造项目2017年度工程第六标段合同编号:SQJS-2017-SG6工程名称:墩(台)号:桩位编号:设计钻孔直径:(mm)设计孔底标高:(m)设计桩顶标高:(m)计算砼数量:(m3)灌注前孔底标高:(m)灌注毕桩顶标高:(m)护筒顶标高:(m)实际砼数量:(m3)导管长度:(m)导管分节砼标号:测深基点标高:(m)砼配合比:每盘砼数量:(m3)试验者:复核:施工负责人:监理员:钻孔桩成桩检验记录表合同名称:市三义寨引黄灌区续建配套与节水改造项目2017年度工程第六标段合同编号:SQJS-2017-SG6混凝土拌和物坍落度试验记录合同名称:市三义寨引黄灌区续建配套与节水改造项目2017年度工程第六标段合同编号:SQJS-2017-SG6试验:计算:复核:审核:监理工程师:试验日期:泥浆性能试验记录合同名称:市三义寨引黄灌区续建配套与节水改造项目2017年度工程第六标段合同编号:SQJS-2017-SG6钻孔记录表合同名称:市三义寨引黄灌区续建配套与节水改造项目2017年度工程第六标段合同编号:SQJS-2017-SG6工程名称:桥梁工程墩(台)号:桩位编号:地面标高:设计桩尖标高:护筒顶标高:技术负责人:记录: 复核: 监理员:监理工程师: 日期:年月日水下混凝土施工检查表合同名称:市三义寨引黄灌区续建配套与节水改造项目2017年度工程第六标段合同编号:SQJS-2017-SG6钻孔桩钢筋现场质量检查表合同名称:市三义寨引黄灌区续建配套与节水改造项目2017年度工程第六标段合同编号:SQJS-2017-SG6钻孔桩终孔后灌注混凝土前检验记录表合同名称:市三义寨引黄灌区续建配套与节水改造项目2017年度工程第六标段合同编号:SQJS-2017-SG6记录:复核:施工负责人:监理员:。
钻孔灌注桩水下灌注记录表在当今的建筑工程中,钻孔灌注桩是一种常用的基础形式。
它们通过深入土壤或岩石层,提供稳固的支撑,帮助承载建筑物的重量。
其中,水下灌注是钻孔灌注桩施工的一个重要环节,对于确保桩基的质量和稳定性至关重要。
本文将详细介绍钻孔灌注桩水下灌注的记录表及其重要性。
钻孔灌注桩水下灌注记录表是一份详细记录水下灌注过程中各种参数和数据的表格。
这些数据包括但不限于:灌注时间、导管位置、混凝土的种类和数量、开始和结束时的水位等。
这份记录表对于评估桩基的质量、安全性以及解决可能出现的问题具有至关重要的价值。
质量控制:水下灌注记录表提供了关于灌注过程完整、详细的数据,使得工程师和质检员可以准确地评估桩基的质量。
安全预防:通过对灌注过程中数据的分析,可以识别出可能的安全隐患,例如导管堵塞、混凝土离析等,从而及时采取预防措施。
事故调查:当桩基出现质量问题时,完整的水下灌注记录表可以为事故原因的调查提供关键线索。
工程审计:水下灌注记录表是工程审计的重要依据,它提供了对施工过程和质量的客观评价。
确保数据的准确性和完整性:所有数据都应准确记录,包括时间、数量、位置等,以避免出现误导。
遵循规范的格式:为了便于数据的分析和比对,应采用规范的格式来填写记录表。
实时更新:钻孔灌注桩水下灌注是一个动态的过程,因此记录表应实时更新,以反映最新的施工情况。
保持记录的可追溯性:对于每一步操作,都应记录下时间、地点、操作人员等信息,以便于追溯和查证。
钻孔灌注桩水下灌注记录表是确保桩基质量和安全的重要工具。
通过认真填写和保存这份记录表,我们可以对施工过程进行有效的监控,及时发现并解决问题,从而确保建筑工程的顺利进行和质量安全。
为了贯彻《军人子女教育优待办法》,进一步落实军人子女的教育优待政策,天津市教育局、民政局、人力资源和社会保障局、退役军人事务局联合发布了《天津市军人子女教育优待办法实施细则》。
该细则自发布之日起施行,旨在为军人子女接受教育提供更多保障和便利。
钻孔灌注桩水下混凝土灌注技术交底一、工程概述在本次工程中,钻孔灌注桩基础被广泛应用。
为确保灌注桩的质量和承载能力,水下混凝土灌注是关键环节之一。
本次技术交底旨在向施工人员详细介绍钻孔灌注桩水下混凝土灌注的工艺流程、技术要点及注意事项。
二、施工准备1、材料准备(1)水泥:应选用强度等级不低于 425 的硅酸盐水泥或普通硅酸盐水泥,其质量应符合现行国家标准。
(2)骨料:粗骨料宜选用卵石或碎石,其最大粒径不应大于导管内径的 1/6~1/8 和钢筋最小净距的 1/4,同时不应大于 40mm;细骨料宜采用级配良好的中砂。
(3)水:宜采用饮用水,当采用其他水源时,水质应符合国家现行标准的规定。
(4)外加剂:应根据混凝土性能要求、施工条件和气候条件,结合混凝土原材料性能、配合比以及对水泥的适应性等因素,通过试验确定其品种和掺量。
2、机械设备准备(1)混凝土搅拌设备:应能保证混凝土的连续供应,其生产能力应满足灌注桩灌注速度的要求。
(2)混凝土运输设备:通常采用混凝土搅拌运输车,确保混凝土在运输过程中不发生离析、泌水等现象。
(3)灌注设备:包括导管、漏斗、隔水栓等。
导管应内壁光滑、顺直,直径宜为200~300mm,节长宜为2m,底节长度不宜小于4m。
漏斗的容量应满足首批混凝土灌注后,使导管埋入混凝土的深度不小于 1m。
隔水栓应具有良好的隔水性能,保证首批混凝土灌注时能顺利排出管外。
3、现场准备(1)桩孔成孔后,应进行孔底沉渣厚度的检测,如超过规定要求,应进行二次清孔,直至符合要求。
(2)安装钢筋笼后,应对钢筋笼的位置、标高进行检查,确保符合设计要求。
(3)在灌注现场应设置好混凝土搅拌站、运输车辆的停放位置,以及导管、漏斗等灌注设备的安放位置。
三、灌注工艺流程1、安设导管(1)导管使用前应进行水密承压和接头抗拉试验,严禁用压气试压。
(2)导管应自下而上顺序编号,单节长度一般为 2m,底节长度不小于 4m。
(3)导管安装时应保持居中,轴线顺直,稳步沉放,防止卡挂钢筋笼和碰撞孔壁。
工程名称:台州市路桥区金清渔港二期工程部位:编号:
施工单位:中国水利水电第十二工程局有限公司
施工负责人: 记录人: 记录日期:
工程名称:台州市路桥区金清渔港二期工程部位:编号:
施工单位:中国水利水电第十二工程局有限公司
施工负责人: 记录人: 记录日期:
钻孔灌注桩终孔验收单
工程名称:台州市路桥区金清渔港二期工程灌注桩类型:
桩位编号:中心桩号:
开孔日期:年月日终孔验收日期:年月日
编号:
施工单位:中国水利水电第十二工程局有限公司
初检负责人: 复检负责人: 终检负责人: 检验日期:
cheng
水下混凝土施工记录表
工程名称:台州市路桥区金清渔港二期工程桩号:天气温度
孔底标高:导管离开孔底(m)孔深节数
砼浇注时间:年月日时分至月日时分砼标号:
编号:
施工单位:中国水利水电第十二工程局有限公司
施工负责人: 记录人: 记录日期:。
钻孔灌注桩监理检查记录表工程名称:杭州来福士广场地下工程设计桩径:Φ600编号:129余杭老320国道至德清申嘉湖杭高速新市互通公路工程公路建设项目施工放样现场记录表承包人:浙江省宏途交通建设有限公司合同号:02 合同监理单位:杭州公路工程监理咨询公司编号:浙路(JS)101浙江省交通厅工程质量监督站监制余杭老320国道至德清申嘉湖杭高速新市互通公路工程公路建设项目基础(钻孔灌注桩)工程现场质量检验报告单(二)承包人:浙江省宏途交通建设有限公司合同号: 02合同注:1、本表签字人员一般应指单位工程的相关人员(检验负责人除外)浙江省交通厅工程质量监督站监制余杭老320国道至德清申嘉湖杭高速新市互通公路工程公路建设项目钢筋和预应力筋加工、安装及张拉工程现场质量检验报告单(一)(钢筋安装)承包人:浙江宏途交通建设有限公司合同号:02合同浙江省交通厅工程质量监督站监制余杭老320国道至德清申嘉湖杭高速新市互通公路工程公路建设项目桩基础回旋钻孔原始记录(一)承包人:浙江省宏途交通建设有限公司监理单位:杭州公路工程监理咨询公司合同号:02合同质检员:施工负责人:施工员:现场监理:浙江省交通厅工程质量监督站桩基础回旋钻孔原始记录(二)承包人:浙江省宏途交通建设有限公司监理单位:杭州公路工程监理咨询公司合同号:02合同质检员:施工负责人:施工员:现场监理:浙江省交通厅工程质量监督站监制钻(挖)孔桩终孔后灌注前检查记录承包人:浙江宏途交通建设有限公司合同号:02合同注:一座桥(或结构物)桩基完工后,需用JS612表对桩基进行汇总。
浙江省交通厅工程质量监督站监制桩基钢筋笼施工原始记录承包人:浙江省宏途交通建设有限公司合同号:02合同浙江省交通厅工程质量监督站监制水泥砼(砂浆)浇筑申请单承包人:浙江省宏途交通建设有限公司合同号:02合同浙江省交通厅工程质量监督站监制结构物水泥(砂浆)配料通知单承包人:浙江省宏途交通建设有限公司合同号:02合同浙江省交通厅工程质量监督站监制余杭老320国道至德清申嘉湖杭高速新市互通公路工程公路建设项目水下砼灌注原始记录承包单位:浙江省宏途交通建设有限公司监理单位:杭州公路工程监理咨询公司合同号:02合同浙路(JS)610质检员:施工负责人:施工员:现场监理:浙江省交通厅工程质量监督站监制余杭老320国道至德清申嘉湖杭高速新市互通公路工程公路建设项目凿桩检查记录承包人:浙江宏途交通建设有限公司合同号:02合同监理单位:杭州公路工程监理咨询公司编号:浙路(JS)注:除一类桩外,经检测桩质量有少量缺陷而不影响使用者,须经设计代表认可。
桩水下灌注砼注意事项桩水下灌注是一种常见的施工方法,用于在水下挖掘时灌注混凝土来形成桩基。
在进行桩水下灌注砼施工时,需要注意以下几个问题:1. 施工前期准备:在进行桩水下灌注砼之前,需要对施工区域进行认真勘测,确定水深、水流、底质等情况,以了解现场的条件,并进行合理的施工方案设计。
同时,还需要购买和准备好所需的材料和设备,例如混凝土搅拌机、水下泵送设备等。
2. 施工现场环境管理:在进行桩水下灌注砼时,需要保持施工现场的良好环境。
首先,需要对施工现场进行有效的隔离,防止水流和其他杂物对施工造成干扰。
其次,施工人员需要佩戴合适的个人防护设备,保证施工人员的人身安全。
3. 砼配合比设计:在桩水下灌注砼施工时,需要根据工程的具体要求和现场条件,合理设计砼配合比。
砼的配合比应满足强度、耐久性等要求,而且要考虑到底泥或水流对砼的影响,选用适宜的砂石级配。
4. 泵送设备选择:在进行桩水下灌注砼时,需要选择适合的泵送设备来保证砼的灌注质量。
水下泵送设备应具备良好的抗水压能力和抗堵塞能力,并且能够实现砼的均匀灌注。
5. 砼浆密度控制:在桩水下灌注砼施工中,需要控制砼浆的密度,以确保砼的均匀灌注,避免出现空洞或夹砂等问题。
可通过调节水泥用量或添加适量的掺合料来达到砼浆密度控制的目的。
6. 浇注方式选择:桩水下灌注砼的浇注方式有两种,即自由下沉浇注和压力下沉浇注。
自由下沉浇注适用于较浅的水深和较小的断面,而压力下沉浇注适用于较深的水深和较大的断面。
在选择浇注方式时,需根据具体情况综合考虑,确定最佳方式。
7. 砼坍落度控制:在桩水下灌注砼施工时,需要控制砼的坍落度,以便进行泵送和灌注。
砼的坍落度过低会增加泵送和灌注的阻力,影响施工进度,而过高的坍落度则可能导致砼的分层和堆积等问题。
因此,需根据具体情况,合理控制砼的坍落度。
8. 预防泄漏和渗漏:在桩水下灌注砼施工中,需要采取措施预防砼浆的泄漏和渗漏。
可以采用封闭性施工方法,如灌注桩周围先灌入一层低强度砼,形成临时封闭层,再进行正式的灌注。
钻孔灌注桩水下混凝土灌注记录表工程名称:墩号:桩位编号:设计钻孔直径: m,设计桩底标高: m,设计桩顶标高: m计算砼数量: m3,,灌注前孔底标高: m,灌注毕桩砼顶标高: m 护筒顶标高: m,测探基点标高: m,强度等级: Mpa导管分节,导管长度: m ,实测坍落度: cm 水泥品种、标号:普硅32.5 每盘方数: m3 , C-2-15-2记录:工地负责人:承包人:监理员:监理工程师:日期:钻孔灌注桩施工记录表工程名称:阜宁县南恒河整治工程施工二标施工单位:江苏省水利建设工程有限公司桩径:800mm 编号:记录人:质检员:现场监理: 2013年月日施工方案一、工程概况该工程为阜宁县南恒河整治工程施工Ⅱ标的单位工程:码头工程。
位于阜宁县恒河油脂有限公司厂区北侧,南恒河南岸,总长度为336米,其中码头长度为313.86米,设计为3个泊位,分别为西侧1个泊位K0+000~K0+085,长85米,独立布置,上设8t固定式吊机一座。
东侧两个泊位,K0+169.94~K0+313.86,长143.92米,上设10t固定式吊机2座。
二、设计标准1、本工程安全等级为二级,设计使用年限五十年。
2、码头吨位:千吨级。
3、设计下部结构为C25砼钻孔灌注桩,上部为C25砼盖梁、面层。
三、工程地质钻探深度范围内的土层可分为9个工程地质层(沿线建筑物分层编号与河道一致),详见以下描述:1层:素填土(Q4ml)。
以暗黄色、灰色砂壤土或壤土为主,夹腐植物、螺壳及植物根须等杂质。
层厚1.0~1.9m。
2层:重粉质砂壤土(Q4al)。
黄色、灰黄色、暗黄色。
稍密-中密状。
层厚1.5~1.7m。
3层:粘土(Q4al)。
灰色。
可塑状,局部软塑状。
层厚2.3~3.2m。
局部软塑状。
层厚5.4~5.8m。
4层:淤泥质粉质粘土(Q4al)。
灰色、灰黄色。
软塑-流塑状。
层厚7.5~8.2m。
4-1层:轻粉质壤土,夹砂壤土(Q4al)。