人防工程给排水设计-给、排水 PPT课件
- 格式:ppt
- 大小:4.06 MB
- 文档页数:20
工程慨况:(1)本工程为津武(挂)2001—255号地静莲雅苑地下汽车库。
(2)人防区域总面积:5162㎡。
(3)地下人防工程战时为二等人员掩蔽部平时为汽车库。
(4)地下人防战时人员掩蔽部3个,移动电站一个一专业特点:该工程设计战时给水系统、排水系统、洗消给排水系统、电站供供油系统、清洁式通风、滤毒式通风、隔绝通风方式。
1、战时通风方式的转换:(1)战争状态下工程外的空气尚未受到污染时,采用清洁通风,工程外的空气受到污染时,应首先采用隔绝通风,之后采用滤毒通用。
2、平战转换:(1)安装电站的进排风机,风管及附属管件。
(2)安装战时风机、滤毒过滤吸收器、进(排)风管及附属管件。
(3)通风设备,风管均必须在平时施工时一次安装到位,若战时通风管道确实与平时管道相撞、可以将相撞部分的战时通风管道拆除。
存放到该人防内的储物间妥善保管。
3、给水系统:(1)为了满足战时工程内掩蔽人员的用水需要,在防空地下清洁区内设有战时饮用水箱及战时生活水箱,人员生活水箱同时贮存人员洗消和墙、地面冲洗用水。
人员生活用水水箱设电动给水泵,以满足战时人员生活和洗消用水。
战时人员饮用水不设臵管道系统,由人员直接在饮用水箱间通过水嘴取水。
人员洗消为简易洗消、洗消水由战时生活水箱供给。
(2)在密闭通道及箱易洗消间内配备冲洗软管。
其服务半径不宜超过25米,供水压力不宜小于0、2mpa,供水管径不得小于20mm。
4、排水系统:(1)战时生活污水集水池的尺寸2500×2000×1500有效容积,包括调节容积和贮备容积、调节容积为污水泵5min出水量为2.1m³。
(2)防空地下室清洁区内的污水由室内排水系统汇集到污水集水池,由潜污排水泵及排水手摇泵提升至室外排水检查井。
战时卫生间设干式马桶。
(3)洗消间设洗手盆及洗消冲洗阀,洗消废水由防爆波地漏及洗脸盆排水口收集排至防护密闭门外通道内的洗消废水集水池。
5、供油:柴油发电机组功率120KW;柴油发电机组燃油消耗率240(g/KW〃n)柴油机组设在储油间内油桶供油,上下两层放臵,油桶选用不锈钢材,尺寸为φ572×900mm储油间净面积不宜小于8平米。
二、给、排水工程本工程为平战结合设计,平时为汽车库,战时设有4个防护单元。
其中一、四防护单元为核六常六级甲类人防物资库。
人防建筑面积均为:3998平方米.二、三为核六级二等人员掩蔽所。
二防护单元:人防建筑面积:1998平方米(含战时固定发电机房165平方米)。
人员掩蔽面积:1285平方米;人员掩蔽人数:1283人。
三防护单元:人防建筑面积:1999平方米;人员掩蔽面积:1400平方米.人员掩蔽人数:1399人。
(一)给水:本工程人防地下室采用城市自来水作为供水水源,战时按无可靠供水水源进行贮水,贮水时间:饮用水按15天进行贮水,生活用水按9天进行贮水,生活水池内储存口部洗消水量10m3‹.贮水量见表:第二防护单元:第三防护单元:为方便战时水箱安装,二、三核六级二等人员掩蔽所战时饮用水采用60m3+30m3的不锈钢装备水箱;生活用水采用60m3的不锈钢装备水箱。
一、四核六常六级甲类人防物资库生活饮用共用水箱采用10m3的不锈钢装备水箱。
(同时储存口部冲洗用水)。
柴油发电机房配备有效容积2m3的水箱。
60m3水箱规格:6000x 4500x 2500。
30m3水箱规格:4000x 3000x 2500。
10m3水箱规格:2500x 200x 2000。
2m3水箱规格:2000x1000x1500战时生活、洗消用水采用气压自动给水设备供给,在供电中断情况下采用手摇泵供水。
(二)、战时排水:生活污水及洗消废水分别排入掩蔽部内的污水,废集水池内,生活污水采用平战合用的污水泵提升排入城市下水道,洗消废水采用移动式潜水泵提升排入城市下水道,断电的情况下采用手摇泵排水。
隔绝防护时间内,人防地下室不得向外部排水。
(三)、防护措施1、地面建筑的所有排水管一律不得进入人防地下室。
穿越人防地下室顶板时,应采取防护密闭措施。
2、允许穿越防护外墙及顶板的所有给排水管道,必须位于防护外墙及顶板的内侧设置抗力不小于1MPa的防爆波阀门。
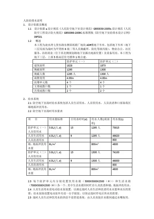
人防给排水说明1、设计依据及概述1.1设计依据a.设计规范《人民防空地下室设计规范》GB50038-2005b.设计规范《人民防空工程设计防火规范》GB50098-2009C.标准图集《防空地下室给排水设计示例》09FS011.2概述本工程为凌水湾七贤东路东侧原纸箱厂地块AD#楼地下车库。
包括地下车库(地下三层局部为战时为甲类核6级二等人员掩蔽所,防化等级丙级),物业办公、社区服务、沿街商业(位于西北侧规划路地下室露出地面位置)及设备用房。
本工程为2、给水系统2.1 防空地下室战时给水系统包括人员生活用水、人员饮用水、人员洗消和口部染毒区墙地面冲洗用水。
2.2 防空地下室战时用水量表2.3 每个防护单元内分别设置饮用水箱(5000X5000X2500(H))和生活水箱(7000X5000X2500(H))各一个。
其中生活水箱同时贮存人员洗消和墙、地面冲洗用水。
2.4 人员生活用水设电动给水泵装置,以满足战时人员生活和洗消用水水量和水压的需要;给水泵除设置电动泵外另设一台手摇泵,以保证战时停电后供水的需要。
2.5 战时人员生活和饮用水的供给不设管道系统,由人员直接在水箱间通过水嘴取用。
2.6 人员洗消为简易洗消,洗消水由贮水箱供给。
2.7 在进风口部和主要出入口部分别设置洗消部洗栓,用于战时口部染毒墙、地面的冲洗。
3、排水系统3.1 战时卫生间设干式马桶。
3.2 洗消间设洗消污水集水坑,由战时设置的潜污泵排出工程外。
3.3 进风口部的墙、地面洗消污水由设在进风竖井内的洗消污水集水坑收集;主要出入口部的墙、地面洗消污水由设在防护密闭门外通道内的洗消污水集水坑收集。
洗消污水由设置的潜污泵排出室外。
4、平战功能转换4.1 贮水箱,给水泵平时不使用时,可暂不安装,应预留管道接口和固定设备的预埋件。
临战前应在15d转换时限内施工完毕。
4.2 防空地下室平时用水由室外市政管网直接供给。
5、施工说明5.1 给水管、排水管及消防管道在穿过防空地下室围护结构时,在其穿墙(穿板)处应设置刚性放水套管;并应在围护结构内侧设置防护阀门,该阀门为公称压力1.0MPa的阀芯为铜材质的闸阀。
人防工程给水排水设计人防工程在战争时期主要的目的就是为了抵抗一些具有杀伤性较大武器的破坏,是保护人民生命财产安全的防护工程。
人防工程是城市建设的主要组成部分,在保留自身特色的前提下移经济建设为中心的方向进行发展,并且逐渐融入到地下空间综合开发领域中。
标签:人防工程;给水;排水;设计一、人防工程给水和排水设计需注意的一些问题人防工程给排水一般包括:饮用水、生活用水、洗消用水、消防用水和设备用水。
人防工程的给排水设计,严格执行《人民防空工程设计防火规范》。
(一)人防工程给水设计应注意的问题1、水源人防工程的水源一般有三种:市政管网供水,人防工程区域水源和自备水源。
城市自来水为水源的特点是:水质、水量可靠,成本低,出于节省建设运行管理费用,人防工程多数采用市政管网城市自来水供水的方式。
2、给水管材及安装根据相关工程设计规范规定的要求“穿过人防围护结构的给水管道应采用钢塑复合管或热镀锌钢管”,所以在穿过防护结构处时,不仅仅要预埋防护密闭套管,而且不允许PVC管从此穿过。
凡是要穿过人防围护结构(包括防护密闭墙和密闭墙)的管道都需要在人防区内侧加防护阀门。
现行规范对防护阀门的叙述为公称压力不小于1.0MPa,阀芯为不锈钢或铜材质的闸阀或截止阀。
如果管道同时穿过防护密闭墙和密闭墙,而且管道为热镀锌钢管则只需在防护密闭墙内侧加防护阀门。
当管道穿过两个防护单元的隔墙时应分别在两个防护单元两侧加装防护阀门。
防护阀门的安装应尽量垂直于人防墙面安装,并距墙面不宜大于200mm。
3、饮用水池人防工程生活、饮用水水量标准应根据其用途、卫生设备的完善程度和当地的气候条件等因素综合考虑确定。
对于平时将消防水池设置在人防工程内,还需根据具体工程消防系统的复杂程度、造价等因素综合考虑。
如消防系统很复杂,需穿越人防工程的管道多,则宜将消防水池放在非防护区。
(二)人防工程排水设计需注意的一些问题人防工程排水主要包括生活污水,设备废水,人员、地面、墙及设备的洗消废水,消防废水及口部雨水。
人防地下室给排水设计(2009—11—18 20:45:37)人防地下室给排水设计摘要介绍了人防地下室工程中给水系统、排水系统、洗消系统以及发电机房的设计要点,同时对平战转换的措施进行了比较明确的阐述。
关键词平战结合人防工程给排水设计防护洗消前言为落实城市建设兼顾人民防空的指导思想和设防原则,全国各地特别是沿海发达地区出现了大量平战结合的人防地下室,如何做好这些人防地下室的给水排水工程的设计工作引起了越来越多的专业设计工作者的重视。
一给排水系统的防护设计人防工程给排水系统的防护主要是水源和管道的防护,以及防止核爆炸冲击波、放射性物质、化学毒剂、生物战剂,通过给排水管道进入人防工程内部破坏内部给排水设备、危害人员健康。
1。
1与防空地下室无关管道的处置与防空地下室无关的管道不宜穿过人防围护结构,为此,在设计中应尽量把专供上部建筑平时使用的设备间,设置在防空地下室的防护范围之外。
上部建筑的生活污水管、雨水管、燃气管不得进入防空地下室,这是由于将上部建筑的生活污水管道引入防空地下室,目前还没有可靠的临战封堵转换措施。
为避免建筑上部的排水管道穿过人防顶板,一般考虑适当提高首层层高, 将排水管在首层顶板下集中后设置管道井,并将其置于防护范围以外的办法来处理。
当不能布置在人防地下室的防护区外时,可采取地下室顶板降板的方式处理。
当上部为功能较简单的办公等建筑,卫生设施相对集中,管道相对较少,可采取地下室局部顶板降板或管沟的方式处理。
当上部为功能较复杂的宾馆、商住楼等建筑,特别是底部带商业网点的住宅楼,商铺往往要求设卫生间,这种情况下,底层卫生设施比较分散,排水管道相对较多,可采取地下室顶板全部降板的方式处理。
降板的深度一般为450~600mm。
当底层卫生设施排出管放坡仍不够时,可考虑部分卫生间再垫高。
1。
2与防空地下室相关的管道的设计穿过人防围护结构的管道,其公称直径不宜大于150mm;穿过人防围护结构的管道,均应采取以下防护密闭措施:1)设置刚性防水套管:当管径≤DN150mm应设置刚性防水套管;当管径>DN150mm或管道穿过核4级、核4B级的甲类防空地下室临空墙时应设置外侧加防护挡板的刚性防水套管。
人防工程给排水设计知识总结(1)一、建筑专业提供初步设计方案1、给水项目检查人员掩蔽工程:(1)查看给水箱有没有可合理放置的位置,包括引入管、水箱、气压供水设备。
(2)查看主要出入口简易洗消间位置、洗消栓位置是否能合理放置。
人防医疗救护站工程:(1)检查水箱间能否合理放下水箱、气压供水设备、开水间,给水引入管能否合理放置。
(2)救护站第一密闭区能否放下2000×1000×2000的水箱(水管引入侧距墙1000,没有水管引入侧距墙700),洗消间有没有能够合理放置电热水器的位置。
(3)查看主要出入口简易洗消间位置、洗消栓位置是否能合理放置。
移动电站:(1)移动电站出入口简易洗消间位置、洗消栓位置是否能合理放置。
(2)移动电站内水箱能否合理放置,并与发电机组、通风管、空调室外机等不构成位置、空间矛盾。
2、排水检查项目;人员掩蔽工程:(1)查看主要出入口防毒通道、防护密闭门外是否各自放置1000×1000×1000h规格洗消废水集水坑。
(2)查看次要出入口是否在密闭通道设置内1000×1000×1000h规格洗消废水集水坑一个。
(在防护密闭门外设一个1000×1000×1000h规格洗消废水集水坑或者安装防爆地漏连接至密闭通道内洗消集水坑)人防医疗救护站工程:(1)查看主要出入口防毒通道、防护密闭门外是否各自放置1000×1000×1000h规格洗消废水集水坑。
(2)查看次要出入口是否在密闭通道设置内1000×1000×1000h规格洗消废水集水坑一个。
(在防护密闭门外设一个1000×1000×1000h规格洗消废水集水坑或者安装防爆地漏连接至密闭通道内洗消集水坑)(3)检查洗消间是否有1200×1500×1000h规格洗消废水集水坑一个。
(4)救护站工程内部卫生间各自单独在卫生间或附近设置1200×1500×1000h规格污水集水坑一个。
高层建筑人防地下室给排水设计摘要:在经济建设不断发展的同时,城市地上空间也变得越来越拥挤,迫使人们开发利用地下空间。
在目前,人防地下室在平时大多数作为车库或者商场的使用,战时作为人员的掩蔽所。
本文主要对高层建筑的人防地下室给排水的设计进行简要的分析探讨。
关键词:高层建筑;人防;地下室;给排水一、高层建筑人防地下室给水设计1、给水水源(1)城市市政给水管网供水时,一般由给水引入管进入防空地下室。
战时由贮水箱(池)供水,平时可由城市市政给水管网直接供水。
(2)区域水源供水系统指人防工程的区域水源,由几个人防工程共建一个区域水源。
一般采用地下水经净化处理后供各人防工程使用。
该水源具有一定的防护能力,可以独立设置,也要设置在防护单元内,保障战时供水的水质、水压。
但由于以管道输送到各个人防工程,战时有可能管道破坏中断供水。
(3)自备外水源系统指具有一定防护能力,为单个防空地下室服务的独立的外水源;或为多个防空工程服务的区域水源。
(4)自备内水源天下系指设于防空地下室防护单元清洁区内的水源(井)。
(5)防空地下室自备内水源应优先采用地下水作为供水水源,并宜采用具有一定的防护能力的管井或大口井为取水构筑物。
2、给水系统的设计(1)生活给水系统:供给防空地下室战时人员的盥洗、冲厕等用水。
(2)饮用水系统:供给防空地下室战时人员的饮用、简单煮食用水。
(3)生产给水系统:供给防空地下室的机械、通信、空调和柴油发电站等设备用水。
(4)洗消用水系统:供防空地下室战时人员洗消、染毒区冲洗洗消用水。
(5)消防给水系统:供防空地下室平时使用的消防给水。
(6)循环利用给水系统:在技术经济合理情况下,应设置循环利用给水系统,一般该系统适用于设备冷却用水。
(7)重复利用给水系统:应视具体用水对象采用重复利用给水系统,并应尽量利用其余压。
(8)给水系统应根据平战结合的使用功能要求可采用合并的生活、饮用水给水系统;生活、饮用、生产给水系统;消防给水系统等。