电梯安装分部工程质量验收记录(一)2016版资料
- 格式:xls
- 大小:49.00 KB
- 文档页数:1
表C7-2电梯分项工程质量验收纪录2、当同一分项工程检验批名称不一致时,填写检验批名称。
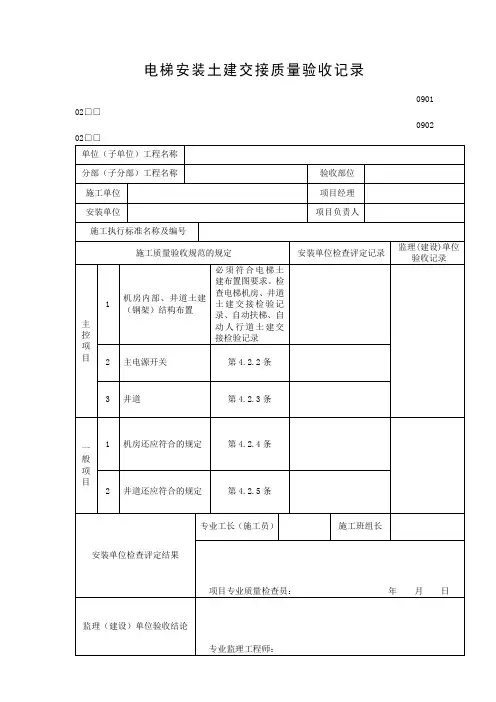
市建筑工程质量监督站监制电梯安装分项工程质量验收记录表G2 编号:电梯安装工程设备进场质量验收记录表GB50310—2002 0901010109020101电梯安装土建交接质量验收记录表GB50310—2002 0901020109020201电梯驱动主机安装工程质量验收记录表(曳引式或强制式)GB50310-2002 09010301电梯导轨安装工程质量验收记录表(曳引式或强制式)GB50310-2002 0901040109010401电力液压电梯门系统安装质量验收记录表GB50310-2002 0901050109020501电梯轿厢及对重安装工程质量验收记录表GB50310-2002 0901060109020601电梯安全部件安装工程质量验收记录表GB50310-2002 0901070109020701电梯悬挂装置、随行电缆、补尝装置安装工程质量验收记录表GB50310-2002 09010801电梯电气装置安装工程质量验收记录表GB50310-2002 0901090109020901电梯整机安装工程质量验收记录表GB50310-2002 9011001电梯承重梁、起重吊环埋设隐蔽工程检查记录表D3-1 编号:隐检容及示意图:承重梁规格280 数量2根承重墙类型混泥土厚度240 埋设长度210 过墙中心100 梁垫规格1100×240×36焊接情况良好防腐措施封闭梁端封闭型刚焊接、混泥土灌注起重吊环设计载荷2000㎏起重吊环材料规格36混泥土承重梁位置规格合理吊环与钢筋描固尺寸合理圆钢吊环载荷2000㎏检查意见检查合格、同意隐蔽。
2010年月日复检意见年月日参加人员签字建设(监理)单位安装单位技术负责人质检员工长电梯钢丝绳灌注隐蔽工程检查记录表D3-2 编号:工程名称美景瑞园小区号楼隐检项目钢丝绳头灌注操作场地楼顶屋面填写日期2010年月日操作日期2010年月日天气情况气温用火手续正常看火人操作人钢绳用途曳引钢丝绳规格10㎜锥套数共10个隐检容及示意图:检查意见检查合格,同意隐蔽2010年月日复检意见年月日参加人员签字建设(监理)单位安装单位技术负责人质检员工长。
电梯分部(子分部)工程质量验收纪录表G3电梯安装分项工程质量验收记录电梯安装工程设备进场质量验收记录表GB50310—2002 09010101电梯安装土建交接质量验收记录表GB50310—2002 0901020109020201电梯驱动主机安装工程质量验收记录表(曳引式或强制式)GB50310-2002 09010301电梯导轨安装工程质量验收记录表(曳引式或强制式)GB50310-2002 0901040109010401电力液压电梯门系统安装质量验收记录表GB50310-2002 0901050109020501电梯轿厢及对重安装工程质量验收记录表GB50310-2002 0901060109020601电梯安全部件安装工程质量验收记录表GB50310-2002 0901070109020701电梯悬挂装置、随行电缆、补尝装置安装工程质量验收记录表GB50310-2002 09010801电梯电气装置安装工程质量验收记录表GB50310-2002 0901090109020901电梯整机安装工程质量验收记录表GB50310-2002 9011001电梯承重梁、起重吊环埋设隐蔽工程检查记录表D3-1 编号:工程名称美景瑞园小区号楼隐检项目承重梁、起重吊环埋设检查部位机房填写日期2010年月日施工日期2010年月日天气情况气温度隐检内容及示意图:承重梁规格280 数量2根承重墙类型混泥土厚度240 埋设长度210 过墙中心100 梁垫规格1100×240×36焊接情况良好防腐措施封闭梁端封闭型刚焊接、混泥土灌注起重吊环设计载荷2000㎏起重吊环材料规格36混泥土承重梁位置规格合理吊环与钢筋描固尺寸合理圆钢吊环载荷2000㎏检查意见检查合格、同意隐蔽。
2010年月日复检意见年月日参加人员签字建设(监理)单位安装单位技术负责人质检员工长电梯钢丝绳灌注隐蔽工程检查记录表D3-2 编号:工程名称美景瑞园小区号楼隐检项目钢丝绳头灌注操作场地楼顶屋面填写日期2010年月日操作日期2010年月日天气情况气温用火手续正常看火人操作人钢绳用途曳引钢丝绳规格10㎜锥套数共10个隐检内容及示意图:检查意见检查合格,同意隐蔽2010年月日复检意见年月日参加人员签字建设(监理)单位安装单位技术负责人质检员工长。
-建筑工程技术资料资料名称:电梯技术资料建设单位:****************************工程名称:****************************监理单位:****************************设计单位:****************************施工单位:****************************安装单位:****************************年月日电梯安装工程技术资料目录表电梯安装工程分部报验申请表电梯安装工程分部(子分部)工程验收记录(GB50300-2001)表编号:注:除地基基础分部外,勘察单位可不参加。
电力驱动曳引式电梯安装工程子分部报验申请表电力驱动的曳引式或强制式电梯分部(子分部)工程验收记录(GB50300-2001)表编号:设备进场分项、检验批工程质量报验申请表工程名称:******* 编号:090101设备进场验收分项工程质量验收记录表(GB50300-2001)表编号:设备进场检验批质量验收记录(GB50310-2002)表、编号:090101□□设备进场检验批质量验收记录(GB50310-2002)表、编号:090101□□设备进场检验批质量验收记录设备进场检验批质量验收记录设备进场检验批质量验收记录(GB50310-2002)表、编号:090101□□土建交接分项、检验批工程质量报验申请表土建交接检验分项工程质量验收记录表(GB50300-2001)表编号:土建交接检验批质量验收记录土建交接检验批质量验收记录(GB50310-2002)表编号:□□土建交接检验批质量验收记录(GB50310-2002)表编号:□□土建交接检验批质量验收记录(GB50310-2002)表编号:□□土建交接检验批质量验收记录(GB50310-2002)表编号:□□驱动主机分项、检验批工程质量报验申请表工程名称:******* 编号:090103驱动主机分项工程质量验收记录表(GB50300-2001)表编号:导轨分项、检验批工程质量报验申请表导轨分项工程质量验收记录表(GB50300-2001)表编号:导轨检验批质量验收记录(GB50310-2002)表编号:090104□□导轨检验批质量验收记录(GB50310-2002)表编号:090104□□导轨检验批质量验收记录(GB50310-2002)表编号:090104□□导轨检验批质量验收记录(GB50310-2002)表编号:090104□□导轨检验批质量验收记录(GB50310-2002)表编号:090104□□门系统分项、检验批工程质量报验申请表门系统分项工程质量验收记录表(GB50300-2001)表编号:门系统检验批质量验收记录门系统检验批质量验收记录门系统检验批质量验收记录门系统检验批质量验收记录(GB50310-2002)表编号:090105□□门系统检验批质量验收记录轿厢对重分项、检验批工程质量报验申请表工程名称:*******编号:090106轿厢、对重(平衡重)分项工程质量验收记录表(GB50300-2001)表编号:。