溢流阀拆装拆装实验报告
- 格式:docx
- 大小:242.13 KB
- 文档页数:4
溢流阀的拆装
1、通过溢流阀的油液压力出现波动、不稳定
原因:
1)弹簧弯曲或太软。
2)锥阀与阀座接触不良或磨损。
3)钢球不圆,钢球与阀座配合不良。
4)阀芯变形或拉毛。
5)油不清洁,阻尼孔堵塞。
诊断与排除:
检查油液是否清洁,阻尼孔是否堵塞,并根据情况,进行疏通或更换;检查弹簧是否变形,如有变形,则更换弹簧;检查阀芯有无变形,各接合部位是否良好,如有变形或接触不良,则要研配或更换。
2、溢流阀有明显泄露
原因:
1)锥阀或钢球与阀座接触不良。
2)阀芯与阀体配合间隙过大。
3)管接头没拧紧。
4)结合面纸垫或铜垫失效。
诊断与排除
首先拧紧各管接头,检查纸垫或铜垫是否损坏,如有损坏,予以更换;检查各接触面是否良好,配合间隙是否合乎要求,根据情况进行研配或更换。
3、电动叉车溢流阀在工作过程中,出现明显噪声和振动现象
原因:螺母松动;弹簧变形不复原;阀芯配合过紧;锥阀磨损;出口油路中有空气;流量超过允许值;和其他阀产生共振。
诊断与排除:紧固松动的螺母;检查油路中是否有空气,如有,则要放出空气;检查弹簧工作情况,如工作不良,应更换弹簧;检查锥阀磨损程度,如较严重,应研配;检查油路中流量是否超过溢流阀允许值;略微改变阀的额定压力值,以消除共振现象。
一、实验目的1. 了解溢流阀的结构、工作原理和功能。
2. 掌握溢流阀的拆装步骤和注意事项。
3. 通过实际操作,提高对液压系统的认识和理解。
二、实验原理溢流阀是一种液压系统中的流量控制阀,其主要作用是防止液压系统过载,保护液压元件不受损害。
当系统压力超过设定值时,溢流阀会自动开启,使部分液压油流回油箱,从而降低系统压力,保证系统安全稳定运行。
三、实验器材1. 溢流阀1个2. 拆装工具1套3. 液压系统1套4. 清洁剂1瓶5. 记录本1本四、实验步骤1. 观察溢流阀结构(1)仔细观察溢流阀的外观,了解其整体结构。
(2)识别溢流阀的主要部件,如阀体、阀芯、弹簧、调压杆等。
2. 拆装溢流阀(1)拆卸前,先关闭液压系统,确保安全。
(2)拆下调节螺母,取出弹簧。
(3)用扳手拧下内六角螺钉,使阀体与阀座分离,取出阀芯。
(4)拆下闷盖,取出先导阀芯。
(5)检查各部件是否有损坏,并进行清洗。
(6)按照拆卸的相反顺序进行装配。
3. 调试溢流阀(1)将装配好的溢流阀安装在液压系统中。
(2)启动液压系统,观察溢流阀的工作情况。
(3)根据需要调整调压杆,使溢流阀在设定压力下开启。
(4)检查溢流阀是否能够正常工作,确保系统安全稳定。
五、实验结果与分析1. 通过拆装实验,我们对溢流阀的结构、工作原理和功能有了更深入的了解。
2. 在拆装过程中,我们掌握了溢流阀的拆装步骤和注意事项,提高了实际操作能力。
3. 通过调试实验,我们验证了溢流阀的性能,确保了液压系统的安全稳定运行。
六、实验总结1. 溢流阀是液压系统中重要的流量控制阀,具有保护系统安全稳定运行的作用。
2. 通过拆装实验,我们掌握了溢流阀的拆装步骤和注意事项,提高了实际操作能力。
3. 实验过程中,我们要注意安全,遵守实验规程,确保实验顺利进行。
七、实验拓展1. 研究不同类型溢流阀的结构特点和工作原理。
2. 探讨溢流阀在实际液压系统中的应用和改进方法。
3. 研究溢流阀故障诊断与维护技术。
一、实习背景为了提高自身的实践能力,培养动手操作技能,我于2021年6月参加了阀门拆卸组装实习。
此次实习是在我国某知名阀门制造企业进行的,实习期间,我深入了解了阀门的结构、原理及拆卸组装工艺,并亲自参与了阀门的拆卸与组装工作。
二、实习目的1. 了解阀门的基本结构、原理及分类;2. 掌握阀门的拆卸与组装工艺;3. 提高自身的动手操作能力;4. 增强对阀门制造行业的认识。
三、实习内容1. 阀门基础知识实习期间,我首先学习了阀门的基本知识,包括阀门的分类、结构、工作原理等。
通过学习,我了解到阀门是管道系统中的一种重要设备,主要用于控制管道介质的流动、压力、流量等。
2. 阀门拆卸工艺在掌握了阀门基础知识后,我开始学习阀门的拆卸工艺。
首先,我了解了拆卸前的准备工作,包括对阀门的检查、清理以及所需工具的准备。
然后,我跟随师傅学习了拆卸步骤,具体如下:(1)拆卸阀体:首先,拧下阀体与阀杆的连接螺栓,将阀体与阀杆分离;(2)拆卸阀杆:拧下阀杆上的螺纹连接螺栓,将阀杆从阀体内抽出;(3)拆卸阀瓣:根据阀瓣的结构,采用相应的拆卸工具将阀瓣从阀体内取出;(4)拆卸密封件:拆卸密封件时,需注意保护密封面,避免损伤。
3. 阀门组装工艺在掌握了阀门的拆卸工艺后,我开始学习阀门的组装工艺。
组装步骤如下:(1)清洗:对拆卸下来的部件进行清洗,去除油污、杂质等;(2)检查:检查各个部件的磨损、损伤情况,确保符合要求;(3)组装:按照拆卸的相反顺序进行组装,注意各部件的安装位置和方向;(4)试压:组装完成后,对阀门进行试压,确保无泄漏。
4. 实际操作在理论学习的基础上,我跟随师傅进行了实际操作。
在师傅的指导下,我完成了多个阀门的拆卸与组装,积累了丰富的实践经验。
四、实习体会1. 实习使我深刻认识到理论与实践相结合的重要性。
通过此次实习,我不仅掌握了阀门的拆卸与组装工艺,还提高了自身的动手操作能力。
2. 实习过程中,我学会了与同事、师傅沟通交流,增强了团队协作能力。
实验二液压阀拆装一、实验目的液压元件是液压系统的重要组成部分,通过对液压阀的拆装可加深对阀结构及工作原理的了解。
并能对液压阀的加工及装配工艺有一个初步的认识。
二、实验用工具及材料内六角扳手、固定扳手、螺丝刀、各类液压泵、液压阀及其它液压元件三、实验内容及步骤拆解各类液压元件,观察及了解各零件在液压阀中的作用,了解各种液压阀的工作原理,按一定的步骤装配各类液压阀。
1.溢流阀型号:Y型溢流阀(板式)结构图见图1—4图1-4工作原理溢流阀进口的压力油除经轴向孔a进入主阀芯的下端A 腔外,还经轴向小孔b进入主阀芯的上腔B,并经锥阀座上的小孔d作用在先导阀锥阀体8上。
当作用在先导阀锥阀体上的液压力小于弹簧的预紧力和锥阀体自重时,锥阀在弹簧力的作用下关闭。
因阀体内部无油液流动,主阀芯上下两腔液压力相等,主阀芯再主阀弹簧的作用下处于关闭状态(主阀芯处于最下端),溢流阀不溢流。
2.减压阀型号:J 型减压阀结构图见图1---5图1-5工作原理进口压力1p 经减压缝隙减压后,压力变为2p 经主阀芯的轴向小孔a 和b 进入主阀芯的底部和上端(弹簧侧)。
再经过阀盖上的孔和先导阀阀座上的小孔C 作用在先导阀的锥阀体上。
当出口压力低于调定压力时,先导阀在调压弹簧的作用下关闭阀口,主阀芯上下腔的油压均等于出口压力,主阀芯在弹簧力的作用下处于最下端位置,滑阀中间凸肩与阀体之间构成的减压阀阀口全开不起减压作用。
3.换向阀型号:34E —25D 电磁阀结构图见图1—6图1-6工作原理利用阀芯和阀体间相对位置的改变来实现油路的接通或断开,以满足液压回路的各种要求。
电磁换向阀两端的电磁铁通过推杆来控制阀芯在阀体中的位置。
4.单向阀型号:I —25型结构图见图1—7图1-7工作原理压力油从1p 口流入,克服作用于阀芯2上的弹簧力开启由2p 口流出。
反向在压力油及弹簧力的作用下,阀芯关闭出油口。
5.节流阀型号:L---10B 型节流阀结构图见图1---8图1-8工作原理转动手柄3,通过推杆2使筏芯1作轴向移动,从而调节调节流阀的通流截面积,使流经节流阀的流量发生变化。
一、实验目的1. 理解阀门的结构和功能。
2. 掌握阀门拆装的步骤和技巧。
3. 培养安全操作意识,确保实验过程中的安全。
4. 提高动手实践能力,加深对液压系统知识的理解。
二、实验原理阀门是液压系统中重要的控制元件,用于控制介质的流动、压力和流量。
本实验主要针对闸阀、球阀和截止阀进行拆装,通过实际操作了解其结构和工作原理。
三、实验工具与材料1. 实验工具:扳手、螺丝刀、锤子、扳手扳手、磁力线、水平尺等。
2. 实验材料:闸阀、球阀、截止阀、密封垫片、螺栓、螺母等。
四、实验步骤1. 闸阀拆装(1)观察闸阀的结构,了解其组成部件。
(2)将闸阀从管道上拆下,注意观察拆卸过程中的顺序。
(3)拆下阀盖,取出阀杆和阀座。
(4)检查阀杆、阀座和密封垫片,如有损坏或磨损,及时更换。
(5)将阀杆、阀座和密封垫片按拆卸顺序装回阀体。
(6)拧紧阀盖,检查密封性。
2. 球阀拆装(1)观察球阀的结构,了解其组成部件。
(2)将球阀从管道上拆下,注意观察拆卸过程中的顺序。
(3)拆下阀体,取出球体和阀杆。
(4)检查球体、阀杆和密封垫片,如有损坏或磨损,及时更换。
(5)将球体、阀杆和密封垫片按拆卸顺序装回阀体。
(6)拧紧阀体,检查密封性。
3. 截止阀拆装(1)观察截止阀的结构,了解其组成部件。
(2)将截止阀从管道上拆下,注意观察拆卸过程中的顺序。
(3)拆下阀盖,取出阀芯和阀座。
(4)检查阀芯、阀座和密封垫片,如有损坏或磨损,及时更换。
(5)将阀芯、阀座和密封垫片按拆卸顺序装回阀体。
(6)拧紧阀盖,检查密封性。
五、实验结果与分析1. 通过实验,掌握了闸阀、球阀和截止阀的拆装步骤和技巧。
2. 理解了阀门的结构和工作原理,加深了对液压系统知识的理解。
3. 培养了安全操作意识,确保了实验过程中的安全。
4. 提高了动手实践能力,为今后在实际工作中解决阀门故障打下了基础。
六、实验总结本次实验通过拆装闸阀、球阀和截止阀,使我们了解了阀门的结构、功能和工作原理,掌握了阀门拆装的步骤和技巧。
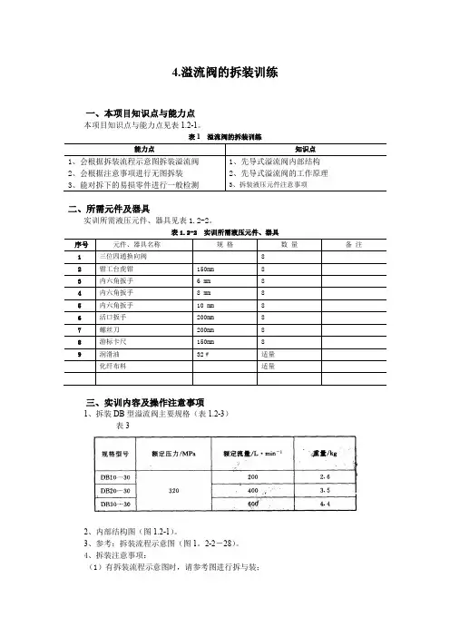
4.溢流阀的拆装训练一、本项目知识点与能力点本项目知识点与能力点见表1.2-1。
表1 溢流阀的拆装训练能力点知识点1、会根据拆装流程示意图拆装溢流阀2、会根据注意事项进行无图拆装3、能对拆下的易损零件进行一般检测 1、先导式溢流阀内部结构 2、先导式溢流阀的工作原理3、拆装液压元件注意事项二、所需元件及器具实训所需液压元件、器具见表1.2-2。
表1.2-2 实训所需液压元件、器具序号 元件、器具名称 规 格数 量备 注1 三位四通换向阀 82 钳工台虎钳 150mm 83 内六角扳手 6 mm 84 内六角扳手 8 mm 85 内六角扳手 10 mm 86 活口扳手 200mm 87 螺丝刀 200mm8 8 游标卡尺 150mm 89 润滑油 32﹟ 适量 化纤布料 适量三、实训内容及操作注意事项1、拆装DB 型溢流阀主要规格(表1.2-3)表32、内部结构图(图1.2-1)。
3、参考:拆装流程示意图(图1。
2-2-28)。
4、拆装注意事项:(1)有拆装流程示意图时,请参考图进行拆与装;(2)无图拆装时,请记录解体零件的拆装顺序和方向;(3)拆下的零件按次序摆放,不应落地、划伤、锈蚀等;(4)拆、装螺栓组时应对角依次拧松或拧紧;图 1.2-1l一主阀体2一先导阀体3一主阀芯4一主阀套5,6,11一阻尼孔7,10,13,14,16一控制通道8一球阀9一弹簧”12一弹簧腔.15一螺堵(5)需顶出零件时,应使用铜棒适度击打,切忌用钢、铁棒;(6)安装前的零件清洗后应晾干,切忌用棉纱擦拭;(7)应更换老化的密封;(8)安装时应参照图或拆卸记录,注意定位零件;(9)安装完毕,推动应急按钮,检查阀芯滑动是否顺利;(10)请检查现场有无漏装零件。
四、思考题(1)先导式溢流阀由哪两部分组成?这两部分各由哪几个主要零件组成?分析各零件的作用。
(2)试分析先导式溢流阀的工作原理。
(3)哪儿是溢流阀的调压部分?(4)观察油液通道,阀体上有几个通外部的油口?(5)比较主阀与先导问的弹簧大小和刚度,并分析为何要这样设计?(6)观察阀口在关闭状态下阀芯的遮盖量情况,并回答为何是这样的?(7)观察遥控口,并分析如何通过此口来实现远程调压和卸荷?(8)先导式溢流阀的额定压力及调压范围是多少?提高压力的关键问题是什么?五、编写实训报告实训报告内容如下:1、拆、装顺序(1)拆卸顺序 零件(名称)1→零件(名称)2→零件(名称)3………。
液压与气压传动——(溢流阀拆装实验)实验报告一、实验目的(1)正确选取拆装工具;(2)先导式溢流阀主要零件分析;(3)掌握溢流阀的拆卸和装配步骤;(4)通过对先导式溢流阀结构的认知,进一步理解其工作原理。
二、实验内容(主要对元件或系统的描述)(1)技术资料查阅。
包括产品图样或溢流阀的结构示意图。
图1 先导式溢流阀拆装示意图1、4—阀盖;2—主阀芯;3—主阀弹簧;5—阀座;6—先导阀芯;7—调压弹簧;8—调压杆;9—锁紧螺母;10—调节螺母(2)结构和工艺分析。
按图样将溢流阀分解成几部分,分析各部分的具体结构,找出哪些是可拆的连接,哪些是不可拆的连接。
(3)分析溢流阀中主要零件的精度及装配精度的关系。
(4)密封。
密封是液压元件解决泄漏问题最主要的手段。
密封不良将产生外泄漏,或者使内泄漏超差,从而引起压力降低,速度减小,容积效率低和场地污染等问题。
密封过度虽然防止了泄漏,但会造成密封部分磨损加剧,寿命降低,功耗加大等不良效果。
三、主要实验步骤(认识性实验略)1.溢流阀的拆装步骤(1)拆下调节螺母10。
(2)用扳手拧下4个内六角螺钉,使阀体与阀座5分离,取出弹簧3和7。
(3)用工具将闷盖1和4拧出,取出阀芯2和6。
(4)清洗。
在装配过程中,液压元件零部件的清洗对保证装配质量和延长元件的使用寿命均有重要意义。
密封件和精密件污染后装配,会引起液压元件的磨损加剧,甚至卡死造成重大事故。
为了使元件、辅件发挥令人满意的工作性能,达到预期的使用寿命,在装配前必须进行仔细的清洗。
(5)按拆卸的相反顺序进行装配。
2.溢流阀装配过程需注意的事项:(1)拆下的零件应按次序摆放,不应落地、划伤、锈蚀等。
(2)拆、装螺栓组时应对角依次拧松或拧紧。
(3)需顶出零件时,应使用铜棒适度击打,切忌用钢铁棒。
(4)装配前必须将全部零件仔细清洗、凉干,切忌用棉纱擦拭。
(5)应更换老化的密封。
(6)安装时应参照图或拆装记录,注意定位零件。
一、实验目的1. 了解先导溢流阀的结构和工作原理;2. 掌握先导溢流阀的拆装步骤和注意事项;3. 培养实际操作能力和团队合作精神。
二、实验器材1. 先导溢流阀;2. 拆装工具(扳手、螺丝刀等);3. 实验台;4. 液压系统;5. 润滑油。
三、实验原理先导溢流阀是一种液压系统中的压力控制阀,其主要作用是控制液压系统的压力,防止系统压力过高而损坏设备。
先导溢流阀由先导阀和主阀两部分组成,先导阀负责控制主阀的启闭。
当系统压力超过设定值时,先导阀开启,主阀随之打开,实现溢流,降低系统压力。
四、实验步骤1. 拆卸前准备工作(1)观察先导溢流阀的结构,了解其组成部分和功能;(2)检查实验台和液压系统,确保设备正常;(3)准备好拆装工具和润滑油。
2. 拆卸步骤(1)拆卸调节螺母:使用扳手拧下调节螺母,使其与阀体分离;(2)拆卸阀盖:用扳手拧下阀盖上的内六角螺钉,使阀盖与阀体分离;(3)取出主阀芯和弹簧:用螺丝刀取出主阀芯和弹簧;(4)拆卸先导阀芯和弹簧:用螺丝刀取出先导阀芯和弹簧;(5)检查阀芯和弹簧:检查阀芯和弹簧是否有磨损、变形等情况;(6)清理零件:用压缩空气或清洗剂清理阀芯、弹簧等零件;(7)涂上润滑油:在阀芯、弹簧等零件上涂上适量的润滑油。
3. 装配步骤(1)将清理干净的弹簧安装到先导阀芯上;(2)将先导阀芯安装到阀体上;(3)将主阀芯和弹簧安装到主阀芯座上;(4)将阀盖安装到阀体上,并拧紧内六角螺钉;(5)将调节螺母安装到阀盖上,并拧紧;(6)检查装配质量:检查阀芯、弹簧等零件的装配质量,确保其符合要求。
4. 实验结束(1)关闭液压系统;(2)清理实验台和设备;(3)填写实验报告。
五、实验结果与分析1. 通过拆装实验,掌握了先导溢流阀的结构和工作原理;2. 在拆装过程中,注意了拆卸和装配的顺序,避免了零件损坏;3. 通过实验,提高了实际操作能力和团队合作精神。
六、实验总结本次先导溢流阀拆装实训,使我们深入了解了先导溢流阀的结构和工作原理,掌握了其拆装步骤和注意事项。
液压阀拆装实验液压阀是液压系统的控制元件,通过对液压阀的拆装加深对阀结构及工作原理的了解,并初步认识液压阀的加工及装配工艺。
二、实验工具及设备内六角扳手、固定扳手、螺丝刀、液压阀。
三、实验内容及步骤按一定步骤拆解溢流阀、减压阀、节流阀,观察及了解各零件在液压阀中的作用,了解液压阀的工作原理,并重新装配液压阀。
(一)溢流阀型号:Y型溢流阀(板式),结构图见下图:1、工作原理溢流阀进口压力油除经轴向孔g进入主阀芯5的下端外,还经轴向小孔e进入主阀芯5的上腔后,又经锥阀座上的小孔a作用在先导阀锥阀体3上。
当作用在先导阀锥阀体上的液压力小于弹簧2的预紧力时,锥阀在弹簧力的作用下关闭。
因主阀体内部无油液流动,主阀芯上下两腔液压力相等,主阀芯在主阀弹簧的作用下处于关闭状态(主阀芯处于最下端),溢流阀不溢流。
2、实验报告要求1)补全溢流阀溢流时的工作原理。
2)根据实物画出溢流阀的工作原理简图。
3、思考题1)先导阀和主阀分别是由那几个重要零件组成的?2)遥控口的作用是什么?远程调压和卸荷是怎样实现的?3)溢流阀的静特性包括那几个部分?名句赏析!!!!!不限主题不限抒情四季山水天气人物人生生活节日动物植物食物山有木兮木有枝,心悦君兮君不知。
____佚名《越人歌》人生若只如初见,何事秋风悲画扇。
____纳兰性德《木兰词·拟古决绝词柬友》十年生死两茫茫,不思量,自难忘。
____苏轼《江城子·乙卯正月二十日夜记梦》只愿君心似我心,定不负相思意。
____李之仪《卜算子·我住长江头》玲珑骰子安红豆,入骨相思知不知。
____温庭筠《南歌子词二首/ 新添声杨柳枝词》曾经沧海难为水,除却巫山不是云。
____元稹《离思五首·其四》愿得一心人,白头不相离。
____卓文君《白头吟》去年今日此门中,人面桃花相映红。
____崔护《题都城南庄》平生不会相思,才会相思,便害相思。
____徐再思《折桂令·春情》入我相思门,知我相思苦。
溢流阀拆装拆装实验报告
实验目的:了解液压溢流阀的结构原理,掌握溢流阀的拆装方法,加深对液压控制阀
件的理解。
实验器材:液压溢流阀、螺丝刀、扳手等工具。
实验原理:液压溢流阀是液压系统中一种重要的压力保护装置。
它可以在液压系统压
力超过预设值时自动开启,将多余的液压油流回油箱,以避免系统发生损坏。
液压溢流阀由阀芯、阀体、弹簧、调节螺母等部件组成。
阀芯在弹簧的作用下,与阀
座之间形成一定的压力平衡,当系统压力超过阀芯对弹簧的压力时,阀芯会移动,使液压
油流回油箱,起到保护作用。
拆装方法:1、将液压系统中的油排空。
2、使用螺丝刀和扳手将固定液压溢流阀的螺
丝拆除。
3、将阀体分离出来。
4、将弹簧、阀芯、阀座等零件拿出来清洗,并检查是否有
损坏或磨损。
5、根据需要更换零件,并重新组装。
实验结果:通过本次实验,我们掌握了溢流阀的结构原理,了解了液压控制阀件的基
本知识,并成功地进行了液压溢流阀的拆装实验。
实验中发现:液压溢流阀零件结构复杂,需要仔细检查清洗,在拆装加装螺栓时要注意力度,防止损坏零件。
实验中没有出现问题,重新组装后,液压系统启动正常,工作稳定。
一、实验目的1. 了解液压阀的结构组成和工作原理;2. 掌握液压阀的拆装方法及注意事项;3. 熟悉液压阀的调试与维修技巧。
二、实验原理液压阀是液压系统中重要的控制元件,其主要作用是控制液压系统中油液的流动方向、压力和流量。
液压阀的拆装实验旨在通过实际操作,加深对液压阀结构和工作原理的理解。
三、实验器材1. 液压阀(溢流阀、减压阀、顺序阀等);2. 拆装工具(扳手、螺丝刀、钳子等);3. 液压泵、油箱、管道、压力表等辅助设备。
四、实验步骤1. 拆卸液压阀(1)断开液压阀与液压系统的连接,确保安全;(2)用扳手和螺丝刀将液压阀的外壳拆卸下来;(3)拆卸液压阀内部的各个零件,如阀芯、阀座、弹簧等。
2. 观察和分析(1)仔细观察液压阀的结构,分析各个零件的作用;(2)分析液压阀的工作原理,理解油液在液压阀中的流动过程;(3)检查液压阀的磨损情况,如阀芯、阀座、弹簧等。
3. 装配液压阀(1)按照拆卸的顺序,将液压阀的各个零件重新装配;(2)注意装配过程中的对位、对正,确保液压阀的正常工作;(3)将液压阀的外壳安装到位,并拧紧螺丝。
4. 调试与维修(1)将装配好的液压阀安装在液压系统中;(2)根据实际需求,调整液压阀的参数,如压力、流量等;(3)检查液压阀的工作状态,确保其正常工作;(4)对磨损严重的零件进行更换,以保证液压阀的长期使用。
五、实验结果与分析1. 通过拆装液压阀,加深了对液压阀结构和工作原理的理解;2. 掌握了液压阀的拆装方法及注意事项,为实际工作中液压阀的维修提供了基础;3. 通过调试与维修,提高了液压阀的性能,确保了液压系统的稳定运行。
六、实验总结本次液压阀的拆装实验,使我们对液压阀有了更深入的了解,掌握了液压阀的拆装、调试与维修技巧。
在今后的实际工作中,我们将充分发挥所学知识,为液压系统的稳定运行提供保障。
同时,通过本次实验,我们也认识到实际操作的重要性,只有通过实践,才能真正掌握液压系统的原理和技能。
一、前言液压阀是液压系统中的重要组成部分,具有控制液压系统流量、压力和方向等功能。
为了更好地掌握液压阀的拆装技术,提高自己的实践操作能力,我们参加了液压阀拆装实训。
以下是我在实训过程中的心得体会。
二、实训目的与意义1. 了解液压阀的结构和原理,掌握液压阀的拆装步骤。
2. 提高自己的动手能力,培养团队协作精神。
3. 熟悉液压系统的基本操作,为今后从事液压行业打下基础。
三、实训过程1. 实训前的准备在实训前,我们首先对液压阀的结构和原理进行了学习,了解了液压阀的种类、工作原理和用途。
同时,我们还熟悉了实训所需的工具和设备。
2. 拆装液压阀(1)观察液压阀的外观,了解其结构特点。
(2)根据液压阀的结构特点,确定拆装顺序。
(3)使用专用工具,小心拆下液压阀的各个部件。
(4)对拆下的部件进行清洗、检查,确保无损坏。
(5)按照拆装的逆顺序,将液压阀的各个部件重新组装。
(6)检查组装后的液压阀,确保其性能正常。
3. 实训总结通过拆装液压阀,我们掌握了液压阀的拆装步骤,了解了液压阀的结构和原理。
在实训过程中,我们遇到了一些问题,但在老师和同学的帮助下,我们顺利解决了这些问题。
四、实训心得1. 认真观察,掌握液压阀的结构特点在拆装液压阀的过程中,我们首先要认真观察液压阀的外观,了解其结构特点。
这样有助于我们更好地掌握拆装顺序,提高拆装效率。
2. 熟悉工具和设备,提高动手能力实训过程中,我们使用了多种工具和设备,如扳手、螺丝刀、量具等。
熟悉这些工具和设备的使用方法,有助于我们提高动手能力,更好地完成拆装任务。
3. 团队协作,共同进步在实训过程中,我们分组进行拆装,相互协作,共同解决问题。
这种团队协作精神使我们更好地掌握了液压阀的拆装技术,也为今后的工作积累了宝贵经验。
4. 注重细节,确保液压阀性能正常在拆装液压阀的过程中,我们要注重细节,如清洗部件、检查磨损情况等。
只有确保液压阀的性能正常,才能保证液压系统的稳定运行。
一、实训目的本次液压阀拆装实训旨在使学生掌握液压阀的结构、原理、拆装方法以及故障排除技巧。
通过实训,提高学生的动手能力和实际操作技能,为以后从事液压系统设计、维护和维修工作打下坚实基础。
二、实训内容1. 液压阀概述液压阀是液压系统中的一种控制元件,用于调节液压系统中的压力、流量和方向。
液压阀按照功能可分为压力控制阀、流量控制阀和方向控制阀。
本次实训主要涉及压力控制阀和流量控制阀。
2. 液压阀结构及原理(1)压力控制阀压力控制阀分为减压阀、安全阀和溢流阀。
减压阀用于降低液压系统中的压力;安全阀用于防止液压系统压力过高;溢流阀用于保持液压系统中的压力稳定。
(2)流量控制阀流量控制阀分为节流阀、调速阀和分流集流阀。
节流阀用于调节液压系统中的流量;调速阀用于调节液压执行元件的速度;分流集流阀用于改变液压系统中的流量分配。
3. 液压阀拆装步骤(1)减压阀拆装1)将减压阀从液压系统中取出,用扳手拧下进出口管接头;2)拆下阀体,取出阀芯、阀座、弹簧等部件;3)检查各部件磨损情况,必要时进行更换;4)按照拆卸顺序将部件组装回阀体,重新安装管接头。
(2)溢流阀拆装1)将溢流阀从液压系统中取出,用扳手拧下进出口管接头;2)拆下阀体,取出阀芯、阀座、弹簧等部件;3)检查各部件磨损情况,必要时进行更换;4)按照拆卸顺序将部件组装回阀体,重新安装管接头。
4. 液压阀故障排除液压阀故障排除主要包括以下几个方面:(1)检查液压阀进出口管接头是否松动,如有松动,重新拧紧;(2)检查阀芯、阀座、弹簧等部件是否磨损,如有磨损,更换新件;(3)检查液压系统中的油液是否清洁,如有杂质,进行过滤;(4)检查液压泵、液压缸等执行元件是否正常工作。
三、实训过程及结果1. 实训过程本次实训共分为四个环节:液压阀概述、液压阀结构及原理、液压阀拆装步骤和液压阀故障排除。
实训过程中,学生分组进行,每组由一名指导教师负责。
2. 实训结果通过本次实训,学生掌握了液压阀的结构、原理、拆装方法以及故障排除技巧。
第1篇一、实验背景溢流阀是液压系统中重要的控制元件,其主要功能是防止系统过载、保护液压系统安全运行。
通过本实验,我们旨在了解溢流阀的工作原理、结构特点及其在液压系统中的应用。
二、实验目的1. 理解溢流阀的工作原理和结构特点。
2. 掌握溢流阀在液压系统中的作用和功能。
3. 分析溢流阀在不同工况下的性能表现。
4. 培养实际操作能力和分析问题的能力。
三、实验原理溢流阀是利用阀芯和阀座之间的压力差来控制阀口开度的液压控制阀。
当系统压力超过设定值时,溢流阀开启,使多余的压力油流回油箱,从而保持系统压力稳定。
本实验所使用的溢流阀为直动式溢流阀,其工作原理如下:1. 当系统压力低于设定值时,阀芯在弹簧力的作用下关闭,系统压力油通过阀芯中心孔流回油箱。
2. 当系统压力超过设定值时,阀芯在压力差的作用下克服弹簧力,开启阀口,使多余的压力油流回油箱。
四、实验步骤1. 准备实验设备:液压系统、溢流阀、压力表、油箱等。
2. 按照原理图连接实验回路,确保连接正确。
3. 启动液压系统,调节溢流阀的设定压力。
4. 观察压力表读数,记录系统压力变化。
5. 改变系统负载,观察溢流阀的开启和关闭情况。
6. 分析溢流阀在不同工况下的性能表现。
五、实验数据1. 当系统压力低于设定值时,溢流阀关闭,压力表读数为设定值。
2. 当系统压力超过设定值时,溢流阀开启,压力表读数下降。
3. 随着系统负载的增加,溢流阀开启时间延长,压力下降幅度增大。
六、结果分析1. 溢流阀在液压系统中起着调压和保护的作用,能够有效防止系统过载。
2. 溢流阀的开启和关闭时间与系统负载和设定压力有关。
3. 溢流阀的性能受阀芯、阀座、弹簧等因素的影响。
七、结论1. 溢流阀是液压系统中重要的控制元件,具有调压和保护的作用。
2. 通过本实验,我们掌握了溢流阀的工作原理、结构特点和性能表现。
3. 在实际应用中,应根据系统需求和工况选择合适的溢流阀。
八、建议1. 在实验过程中,注意观察溢流阀的开启和关闭情况,分析其原因。
一、实习目的本次实习的主要目的是通过实际操作,了解阀门拆卸的基本步骤和注意事项,掌握阀门拆卸的技巧和方法,提高自己的动手能力和实际操作能力。
二、实习时间及地点实习时间为2022年X月X日至X月X日,实习地点为XX公司阀门车间。
三、实习内容1. 阀门拆卸的基本步骤(1)观察阀门结构,了解阀门的类型、规格和材质。
(2)准备好拆卸工具,如扳手、螺丝刀、锤子等。
(3)拆卸前,确认阀门已关闭,并切断水源、气源或油源。
(4)根据阀门类型,采用相应的拆卸方法。
以下为几种常见阀门的拆卸方法:1)闸阀拆卸:先拆除阀杆上的螺丝,然后用手或扳手拧下阀杆,最后拆卸阀门本体。
2)截止阀拆卸:先拆除阀杆上的螺丝,然后拧下阀盖,拆卸阀杆和阀芯。
3)球阀拆卸:先拆除阀杆上的螺丝,然后拧下阀盖,拆卸阀杆和球体。
4)蝶阀拆卸:先拆除阀杆上的螺丝,然后拧下阀盖,拆卸阀杆和蝶板。
2. 阀门拆卸的注意事项(1)拆卸过程中,注意保护阀门部件,避免损坏。
(2)拆卸螺丝时,要均匀用力,避免用力过猛导致螺丝损坏。
(3)拆卸过程中,注意观察阀门部件的磨损情况,如有磨损严重的部件,应及时更换。
(4)拆卸完毕后,要对阀门部件进行清洗和检查,确保无损坏和污垢。
四、实习心得通过本次实习,我对阀门拆卸有了更深入的了解,以下是我在实习过程中的一些心得体会:1. 实践是检验真理的唯一标准。
在理论课上,我们学习了阀门拆卸的基本知识,但在实际操作中,才能真正体会到这些知识的运用。
2. 严谨的态度是成功的关键。
在拆卸过程中,我时刻保持严谨的态度,严格按照操作步骤进行,确保拆卸过程顺利进行。
3. 团队合作的重要性。
在实习过程中,我与同学们互相帮助、共同进步,充分体现了团队合作的重要性。
4. 安全意识不可忽视。
在拆卸过程中,我时刻注意安全,遵守操作规程,确保自己和他人的安全。
总之,本次实习让我受益匪浅,不仅提高了我的动手能力和实际操作能力,还让我明白了理论与实践相结合的重要性。
一、实验目的1. 熟悉溢流阀的结构和工作原理。
2. 掌握溢流阀的拆装步骤和技巧。
3. 培养实际操作能力,提高对液压系统的认识。
二、实验原理溢流阀是一种液压系统中的压力控制阀,主要用于调节油路中的流量,使油泵出口的压力保持稳定。
当油路中的压力超过设定值时,溢流阀会自动打开,将多余的油液排出系统,以保护系统不受过压损坏。
三、实验设备与材料1. 溢流阀实验台2. 拆装工具(扳手、螺丝刀等)3. 润滑油4. 清洁布四、实验步骤1. 溢流阀拆装前的准备工作(1)观察溢流阀的外观,确认其型号和规格。
(2)准备好拆装工具和润滑油。
(3)将溢流阀实验台接通电源,检查设备是否正常。
2. 溢流阀拆装步骤(1)拆下调节螺母:使用扳手拧下调节螺母,松开调节螺母与阀体之间的连接。
(2)拧下内六角螺钉:用扳手拧下4个内六角螺钉,使阀体与阀座分离。
(3)取出弹簧:用工具将弹簧从阀座中取出。
(4)拆下闷盖:使用扳手拧出闷盖,取出阀芯。
(5)清洗零件:用清洁布和润滑油清洗溢流阀的各个零件。
(6)装配步骤与拆装步骤相反。
3. 溢流阀拆装后的检查(1)检查各个零件是否完好,表面是否有划痕或磨损。
(2)检查密封件是否损坏,如有损坏需更换。
(3)检查阀芯与阀座的接触面是否光滑,如有不平整需修磨。
五、实验结果与分析1. 实验结果通过拆装溢流阀,掌握了溢流阀的结构、工作原理和拆装步骤。
在拆装过程中,注意了各个零件的清洗和润滑,确保了溢流阀的正常工作。
2. 实验分析(1)溢流阀的结构主要由阀体、阀座、弹簧、阀芯等组成。
阀芯与阀座的接触面需保持光滑,以保证溢流阀的正常工作。
(2)拆装溢流阀时,注意不要损坏密封件和零件表面。
在拆装过程中,要小心操作,以免造成不必要的损失。
(3)溢流阀的拆装步骤较为简单,但需注意各个零件的顺序和位置,以免装错。
六、实验总结本次溢流阀拆装实训,使我对液压系统的溢流阀有了更深入的了解。
通过实际操作,掌握了溢流阀的拆装步骤和技巧,提高了自己的实际操作能力。
液压与气压传动——
(溢流阀拆装实验)实验报告
一、实验目的
(1)正确选取拆装工具;
(2)先导式溢流阀主要零件分析;
(3)掌握溢流阀的拆卸和装配步骤;
(4)通过对先导式溢流阀结构的认知,进一步理解其工作原理。
二、实验内容(主要对元件或系统的描述)
(1)技术资料查阅。
包括产品图样或溢流阀的结构示意图。
图1 先导式溢流阀拆装示意图
1、4—阀盖;2—主阀芯;3—主阀弹簧;5—阀座;6—先导阀芯;7—调压弹簧;8—调压杆;9—锁紧螺母;10—调节螺母
(2)结构和工艺分析。
按图样将溢流阀分解成几部分,分析各部分的具体结构,找出哪些是可拆的连接,哪些是不可拆的连接。
(3)分析溢流阀中主要零件的精度及装配精度的关系。
(4)密封。
密封是液压元件解决泄漏问题最主要的手段。
密封不良将产生外泄漏,或者使内泄漏超差,从而引起压力降低,速度减小,容积效率低和场地污染等问题。
密封过度虽然防止了泄漏,但会造成密封部分磨损加剧,寿命降低,功耗加大等不良效果。
三、主要实验步骤(认识性实验略)
1.溢流阀的拆装步骤
(1)拆下调节螺母10。
(2)用扳手拧下4个内六角螺钉,使阀体与阀座5分离,取出弹簧3和7。
(3)用工具将闷盖1和4拧出,取出阀芯2和6。
(4)清洗。
在装配过程中,液压元件零部件的清洗对保证装配质量和延长元件的使用寿命均有重要意义。
密封件和精密件污染后装配,会引起液压元件的磨损加剧,甚至卡死造成重大事故。
为了使元件、辅件发挥令人满意的工作性能,达到预期的使用寿命,在装配前必须进行仔细的清洗。
(5)按拆卸的相反顺序进行装配。
2.溢流阀装配过程需注意的事项:
(1)拆下的零件应按次序摆放,不应落地、划伤、锈蚀等。
(2)拆、装螺栓组时应对角依次拧松或拧紧。
(3)需顶出零件时,应使用铜棒适度击打,切忌用钢铁棒。
(4)装配前必须将全部零件仔细清洗、凉干,切忌用棉纱擦拭。
(5)应更换老化的密封。
(6)安装时应参照图或拆装记录,注意定位零件。
(7)主阀芯在阀体内应移动灵活,不得有阻滞现象,配合间隙一般为0.015~0.025mm。
(8)主阀芯、先导阀芯与它们的阀座应密封良好,不得有泄漏。
(9)安装完毕应推动应急按钮,检查阀芯滑动是否顺利。
(10)检查现场有无漏装零件。
(11)装配后要做压力调整实验。
四、实验小结(实验结果及分析、实验中遇到的问题及其解决方法、实验的意见和建议等)
1.齿轮泵的拆装注意事项:
(1)掌握齿轮泵的工作原理和结构后再实施拆装。
拆装时对应图纸拆卸。
(2)尽可能地将拆装下来的零件按拆装顺序摆放,以防弄乱和丢失。
2.实验室实验中齿轮泵拆装不同于虚拟实验的地方如下:
(1)实际拆装中要注意液压元件的防止污染。
液压元件一旦被污染,将会带来一系列故障隐患。
零件污染后,应用煤油清洗或绸子擦拭,切勿用棉纱擦拭。
(2)拆卸弹簧部件,注意防止弹簧部件的蹦丢;拆卸油封部件,注意使其不受损伤。