车险费率表
- 格式:doc
- 大小:64.00 KB
- 文档页数:3
中国人民财产保险股份有限公司机动车辆保险费率表机动车辆保险费率表编号:SZ-2005深圳分公司费率表(适用范畴:深圳地区)名目使用说明 (5)机动车辆第三者责任保险费率表 (9)家庭自用汽车缺失保险费率表 (20)非营业用汽车缺失险费率表 (21)营业用汽车缺失险费率表 (24)特种车辆保险费率表 (28)摩托车保险费率表 (30)拖拉机保险费率表 (31)附加险费率表 (32)风险修正系数表 (38)使用说明一、保费运算方法(一)第三者责任保险1、按照投保人类别、车辆用途、座位数/吨位数、车辆使用年限、责任限额直截了当查找保费;2、挂车保险费按2吨以下货车计收(责任限额统一为5万元)。
(二)车辆缺失保险1、按照投保人类别、车辆用途、座位数/吨位数、车辆使用年限、新车购置价所属档次查找基础保费和费率;保费= 基础保费+ (实际新车购置价–新车购置价所属档次的起点)×费率;以下表为例,表中横栏第一行为新车购置价档次,共分5个档次:5万以下、5-10万,10-15万、15-20万、20-30万。
每个档次对应的基础保费是该档次的最低保费(档次起点对应的保费),费率是实际新车购置价与档次起点的差额部分的费率。
家庭自用汽车缺失保险费率表(局部)保费的运算方法举例说明如下:例1、假定某投保车辆的车龄为4-5年、新车购置价为20万元,则其所属的新车购置价档次为20-30万元档(档次分段含起点不含终点),在费率表上查得对应的基础保费为2619元,而实际新车购置价恰好为档次的起点(20万元),则该车辆的保费确实是2619元。
例2、假定另一投保车辆的车龄为4-5年、新车购置价为25万元,则其所属的新车购置价档次同样为20-30万元档;在费率表上查得对应的基础保费为2619元,费率为1.379%;保费= 2619+(25万-20万)×1.379%=3308.5元。
2、假如投保人选择不足额投保,即保额小于新车购置价,保费应作相应调整,公式为:保费=(0.05+0.95×保额/ 新车购置价)×足额投保时的标准保费;3、36座以上营业客车新车购置价低于20万元的,按照20-36座营业客车对应档次的保险费计收;4、挂车保险费按同吨位货车对应档次保险费的50%计收。
驾驶人保费 = 每次事故责任限额 × 费率乘客保费 = 每次事故每人责任限额 × 费率 × 投保乘客座位数(四)盗抢险按照被保险人类别、车辆用途、座位数查找基础保费和费率;保费 = 基础保费 + 保险金额 × 费率挂车保险费按同吨位货车对应档次保险费的50%计收。
(五)不计免赔率特约条款按照适用的险种查找费率;保费 = 适用本条款的险种标准保费 × 费率(六)玻璃单独破碎险按照被保险人类别、座位数、投保国产/进口玻璃查找费率;保费 = 新车购置价 × 费率注:对于特种车,防弹玻璃等特殊材质玻璃标准保费上浮10%。
(七)可选免赔额特约条款按照选择的免赔额、新车购置价查找费率折扣系数;约定免赔额之后的机动车损失保险保费 = 机动车损失保险保费 × 费率折扣系数(八)车身划痕损失险按车龄、新车购置价、保额所属档次直接查找保费。
(九)附加油污污染责任保险按照责任限额直接查找保费;注:只有同时投保了机动车损失保险和第三者责任保险,方可投保本附加险。
(十)新车特约条款A按照车龄、协定比例查找费率;保费 = 车损险标准保费 × 费率。
(十一)新车特约条款B按照车龄、协定比例查找费率;保费 = 车损险标准保费 × 费率。
(十二)附加机动车出境保险按照扩展的区域半径查找费率;保费 =(车损险标准保费 + 三者险标准保费)× 费率;注:只有同时投保了机动车损失保险和第三者责任保险,方可投保本附加险。
(十三)车上货物责任险按照营业用、非营业用查找费率;保费 = 责任限额 × 费率;注:最低责任限额为人民币20000元。
(十四)自燃损失险按照车龄查找费率;保费 = 保险金额 × 费率。
(十五)火灾、爆炸、自燃损失险固定费率;。
中国人寿财税
注:1,车辆损失险及全车盗抢险保费=固定保费+保险金额*费率(%)
2,商业第三者责任险100万元以上限额保费计算公式=(N-2)*(A-50万限额保费)*(1-N*0.005)+A 式中A指同档次限额为100万元时的每 3,特种车一:油罐车、汽罐车、液罐车;特种车二:专用净水车、特种车一以外的罐式货车,以及用于清障、清扫、清洁、起重、装卸
财税保险股份有限公司机动车辆商业保险行业基本费率表
时的每三者险保费;N=限额/50万元,限额必须是50万元的整数。
、装卸、升降、搅拌、挖掘、推土、冷藏、保温等的各种专用机动车;特种三:装有固定专用仪器设备从事专业监测、消防、运钞、医疗、电视转
电视转播的各种专用机动车。
中国人民财产保险股份有限公司机动车辆保险费率表编号:SZ-2005深圳分公司费率表(适用范围:深圳地区)目录使用说明 (5)机动车辆第三者责任保险费率表 (9)家庭自用汽车损失保险费率表 (20)非营业用汽车损失险费率表 (21)营业用汽车损失险费率表 (24)特种车辆保险费率表 (28)摩托车保险费率表 (30)拖拉机保险费率表 (31)附加险费率表 (32)风险修正系数表 (38)使用说明一、保费计算方法(一)第三者责任保险1、按照投保人类别、车辆用途、座位数/吨位数、车辆使用年限、责任限额直接查找保费;2、挂车保险费按2吨以下货车计收(责任限额统一为5万元)。
(二)车辆损失保险1、按照投保人类别、车辆用途、座位数/吨位数、车辆使用年限、新车购置价所属档次查找基础保费和费率;保费= 基础保费+ (实际新车购置价–新车购置价所属档次的起点)×费率;以下表为例,表中横栏第一行为新车购置价档次,共分5个档次:5万以下、5-10万,10-15万、15-20万、20-30万。
每个档次对应的基础保费是该档次的最低保费(档次起点对应的保费),费率是实际新车购置价与档次起点的差额部分的费率。
家庭自用汽车损失保险费率表(局部)保费的计算方法举例说明如下:例1、假定某投保车辆的车龄为4-5年、新车购置价为20万元,则其所属的新车购置价档次为20-30万元档(档次分段含起点不含终点),在费率表上查得对应的基础保费为2619元,而实际新车购置价恰好为档次的起点(20万元),则该车辆的保费就是2619元。
例2、假定另一投保车辆的车龄为4-5年、新车购置价为25万元,则其所属的新车购置价档次同样为20-30万元档;在费率表上查得对应的基础保费为2619元,费率为1.379%;保费= 2619+(25万-20万)×1.379%=3308.5元。
2、如果投保人选择不足额投保,即保额小于新车购置价,保费应作相应调整,公式为:保费=(0.05+0.95×保额/ 新车购置价)×足额投保时的标准保费;3、36座以上营业客车新车购置价低于20万元的,按照20-36座营业客车对应档次的保险费计收;4、挂车保险费按同吨位货车对应档次保险费的50%计收。
交强险费率下浮标准表格交强险费率是指在交通事故责任强制保险中,保险公司根据被保险车辆的车型、座位数以及车主的年龄、性别等因素来确定保险费率的一种方式。
费率的调整直接影响到保险费用的高低,因此对于车主来说很重要。
交强险费率的下浮是指在原来费率的基础上进行降低,使得车主需要支付的保险费用减少。
下浮是由保险公司根据车险市场的发展和需求情况来进行调整的,通常是根据理赔数据和风险评估结果来确定具体调整的幅度。
交强险费率的下浮旨在激励车主购买交强险,以提高整个车险市场的保障水平。
下浮可以使得保费更加合理,降低车主的经济负担,同时也可以增加保险公司的经营收入,促进车险市场的稳定和健康发展。
下浮费率主要是针对没有事故记录、车辆驾驶安全指数高、从事驾驶员培训等方面的车主,通过对这些车主的费率进行下浮,可以更好地激励和奖励车主的安全驾驶行为,提高整个车险市场的风险防范能力。
下浮费率的具体标准可以通过表格的形式进行呈现,以下是一个示例:-------------------------------------------------------------车型|座位数|年龄|性别|下浮费率(单位:%)-------------------------------------------------------------小型汽车| 5座及以下| 18-30 |男性| 10小型汽车| 5座及以下| 18-30 |女性| 12小型汽车| 5座及以下| 31-45 |男性| 8小型汽车| 5座及以下| 31-45 |女性| 10小型汽车| 5座及以下| 46-60 |男性| 6小型汽车| 5座及以下| 46-60 |女性| 8小型汽车| 5座及以下| 60岁以上|男性| 4小型汽车| 5座及以下| 60岁以上|女性| 6-------------------------------------------------------------以上表格只是一个示例,具体的下浮费率标准可能会有所不同,需要根据实际的保险公司政策和市场情况来确定。
2023年的交强险费率表如下:
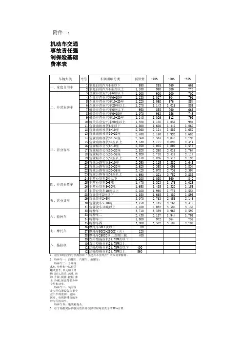
1.6座以下家庭自用车:950元。
2.6-10座家庭自用车:1100元。
3.6座以下企业非营业用车:1000元。
4.6-10座企业非营业用车:1130元。
此外,交强险的保费会根据车辆上一年度的出险情况有所调整。
例如,第一年5座车型的交强险价格为950元,但如果上一年度出现事故,第二年的保费将有所上涨。
请注意,交强险是每个车主必须交的,不交是不可以上路的,属于强制险种,不论是买人保、太平洋还是平安,价格都是一样的,而且这个保费不是给保险公司的,是给国家的,保险公司只是代收。
机动车辆保险率率表(营业)中国保险监督管理委员会统一制定费率机动车辆保险基本险率费表(非营业)中国保险监督管理委员会统一制定费机动车辆保险附加险费率表中国保险监督管理委员会统一制定费率全车盗抢险四川省、福建省、重庆市为1.2%;广东省、浙江省、江西省、湖北省、甘肃省、湖南省、海南省、黑龙江省、吉林省、辽宁省、北京市、上海市、山东省为1.0%;江苏省、安徽省、河南省、贵州省、青海省、陕西省、河北省、云南省、广西省、西藏自治区为0.8%;山西省、宁夏自治区、新疆自治区、内蒙古自治区、天津市为0.6%;客车:六座以下(不含),按基准费率执行;六座以上(含),按基准费率减去0.2%执行;货车、拖拉机及其他车辆按基准率减去0.2%执行;摩托车按基准费率加上0.2%执行。
车上责任险车上货物:赔偿限额的1.5%。
车上人员:选择座位投保的,按赔偿限额的0.9%;按核定座位数投保的,按赔偿限额的0.5% 。
无过失责任险第三者责任险保险费的20%。
北京地区非营运车辆保险费率表● 全车盗抢险1、六座以下(不含)客车桑塔纳系列按1.1%;其它按盗抢险保险金额的1.0%;2、六座以上(含)旅行类费率为0.88%;3、其它为0.8%;●车上人员责任险1、选择座位投保的,按赔偿限额的0.9%;2、按核定座位数投保:0.5%●车上货物责任险赔偿限额的1.5%●无过失责任险第三者责任险保险费的20%●车载货物掉落责任险赔偿限额的0.6%●玻璃单独破碎险1、进口:货车为新车购置价的0.15%;16座以下客车为0.25%;16座以上客车为0.35%2、国产:货车为新车购置价的0.10%;16座以下客车为0.15%;16座以上客车为0.20%●车辆停驶损失险约定的最高赔偿天数乘以日赔偿金额的10%●自燃损失险赔偿限额的0.4%●新增加设备损失险按车辆损失险的费率执行●不计免赔特约险车辆损失险和第三者责任险保险费之和的20%上海地区非营运车辆保险费率表● 全车盗抢险1、六座以下(不含)客车按盗抢险保险金额的1%;2、其它为0.8%●车上人员责任险1、选择座位投保的,按赔偿限额的0.9%;2、按核定座位数投保:0.5%●车上货物责任险赔偿限额的1.5%●无过失责任险第三者责任险保险费的20%●车载货物掉落责任险赔偿限额的0.6%●玻璃单独破碎险1、进口:货车为新车购置价的0.15%;16座以下客车为0.25%;16座以上客车为0.35%2、国产:货车为新车购置价的0.10%;16座以下客车为0.15%;16座以上客车为0.20%●车辆停驶损失险约定的最高赔偿天数乘以日赔偿金额的10%●自燃损失险赔偿限额的0.4%●新增加设备损失险按车辆损失险的费率执行●不计免赔特约险车辆损失险和第三者责任险保险费之和的20%广东地区非营运车辆保险费率表(深圳地区除外)● 全车盗抢险1、六座以下(不含)客车按盗抢险保险金额的1%;2、其它为0.8%●车上人员责任险1、选择座位投保的,按赔偿限额的0.9%;2、按核定座位数投保:0.5%●车上货物责任险赔偿限额的1.5%●无过失责任险第三者责任险保险费的20%●车载货物掉落责任险赔偿限额的0.6%●玻璃单独破碎险1、进口:货车为新车购置价的0.15%;16座以下客车为0.25%;16座以上客车为0.35%2、国产:货车为新车购置价的0.10%;16座以下客车为0.15%;16座以上客车为0.20%●车辆停驶损失险约定的最高赔偿天数乘以日赔偿金额的10%●自燃损失险赔偿限额的0.4%●新增加设备损按车辆损失险的费率执行失险●不计免赔特约车辆损失险和第三者责任险保险费之和的20%险深圳地区非营运车辆保险费率表● 乘客座位责任1、单保三责险:0.18%;险2、投保综合险:每位0.09%●司机座位责任1、单保三责险:0.9%;险2、投保综合险:0.54%●无过失责任险固定保费200元●车载货物掉落赔偿限额的0.6%责任险●玻璃单独破碎车损险保额的0.27%险●自燃损失险赔偿限额的0.4%●新增加设备损赔偿限额的2.5%失险●不计免赔特约车辆损失险和第三者责任险保险费之和的10%险●中国境内加费1、同时投保车损险和第三者责任险的,在总保费基础上加收10%;2、单保第三者责任险的,在总保费基础上加收20%南京地区非营运车辆保险费率表● 全车盗抢险1、六座以下(不含)客车按盗抢险保险金额的0.8%;2、其它为0.6%●车上人员责任1、选择座位投保的,按赔偿限额的0.9%;险2、按核定座位数投保:0.5%●车上货物责任赔偿限额的1.5%险●无过失责任险第三者责任险保险费的20%●车载货物掉落赔偿限额的0.6%责任险●玻璃单独破碎险1、进口:货车为新车购置价的0.15%;16座以下客车为0.25%;16座以上客车为0.35%2、国产:货车为新车购置价的0.10%;16座以下客车为0.15%;16座以上客车为0.20%●车辆停驶损失险约定的最高赔偿天数乘以日赔偿金额的10%●自燃损失险赔偿限额的0.4%●新增加设备损失险按车辆损失险的费率执行●不计免赔特约险车辆损失险和第三者责任险保险费之和的20%杭州地区非营运车辆保险费率表● 全车盗抢险1、六座以下(不含)客车按盗抢险保险金额的1%;2、其它为0.8%●车上人员责任险1、选择座位投保的,按赔偿限额的0.9%;2、按核定座位数投保:0.5%●车上货物责任险赔偿限额的1.5%●无过失责任险第三者责任险保险费的20%●车载货物掉落责任险赔偿限额的0.6%●玻璃单独破碎险1、进口:货车为新车购置价的0.15%;16座以下客车为0.25%;16座以上客车为0.35%2、国产:货车为新车购置价的0.10%;16座以下客车为0.15%;16座以上客车为0.20%●车辆停驶损失险约定的最高赔偿天数乘以日赔偿金额的10%●自燃损失险赔偿限额的0.4%●新增加设备损失险按车辆损失险的费率执行●不计免赔特约险车辆损失险和第三者责任险保险费之和的20%成都地区非营运车辆保险费率表● 全车盗抢险1、六座以下(不含)客车按盗抢险保险金额的1.2%;2、其它为1%;●车上人员责任险1、选择座位投保的,按赔偿限额的0.9%;2、按核定座位数投保:0.5%●车上货物责任险赔偿限额的1.5%●无过失责任险第三者责任险保险费的20%●车载货物掉落责任险赔偿限额的0.6%●玻璃单独破碎险1、进口:货车为新车购置价的0.15%;16座以下客车为0.25%;16座以上客车为0.35%2、国产:货车为新车购置价的0.10%;16座以下客车为0.15%;16座以上客车为0.20%●车辆停驶损失险约定的最高赔偿天数乘以日赔偿金额的10%●自燃损失险赔偿限额的0.4%●新增加设备损失险按车辆损失险的费率执行●不计免赔特约险车辆损失险和第三者责任险保险费之和的20%青岛地区非营运车辆保险费率表● 全车盗抢险1、六座以下(不含)客车按盗抢险保险金额的1%;2、其它为0.8%;●车上人员责任1、选择座位投保的,按赔偿限额的0.9%;险2、按核定座位数投保:0.5%●车上货物责任险赔偿限额的1.5%●无过失责任险第三者责任险保险费的20%●车载货物掉落责任险赔偿限额的0.6%●玻璃单独破碎险1、进口:货车为新车购置价的0.15%;16座以下客车为0.25%;16座以上客车为0.35%2、国产:货车为新车购置价的0.10%;16座以下客车为0.15%;16座以上客车为0.20%●车辆停驶损失险约定的最高赔偿天数乘以日赔偿金额的10%●自燃损失险赔偿限额的0.4%●新增加设备损失险按车辆损失险的费率执行●不计免赔特约险车辆损失险和第三者责任险保险费之和的20%。
中国人民财产保险股份有限公司机动车辆保险费率表编号:SZ-2005深圳分公司费率表(适用范围:深圳地区)目录使用说明 (5)机动车辆第三者责任保险费率表 (9)家庭自用汽车损失保险费率表 (20)非营业用汽车损失险费率表 (21)营业用汽车损失险费率表 (24)特种车辆保险费率表 (28)摩托车保险费率表 (30)拖拉机保险费率表 (31)附加险费率表 (32)风险修正系数表 (38)使用说明一、保费计算方法(一)第三者责任保险1、按照投保人类别、车辆用途、座位数/吨位数、车辆使用年限、责任限额直接查找保费;2、挂车保险费按2吨以下货车计收(责任限额统一为5万元)。
(二)车辆损失保险1、按照投保人类别、车辆用途、座位数/吨位数、车辆使用年限、新车购置价所属档次查找基础保费和费率;保费= 基础保费+ (实际新车购置价–新车购置价所属档次的起点)×费率;以下表为例,表中横栏第一行为新车购置价档次,共分5个档次:5万以下、5-10万,10-15万、15-20万、20-30万。
每个档次对应的基础保费是该档次的最低保费(档次起点对应的保费),费率是实际新车购置价与档次起点的差额部分的费率。
家庭自用汽车损失保险费率表(局部)保费的计算方法举例说明如下:例1、假定某投保车辆的车龄为4-5年、新车购置价为20万元,则其所属的新车购置价档次为20-30万元档(档次分段含起点不含终点),在费率表上查得对应的基础保费为2619元,而实际新车购置价恰好为档次的起点(20万元),则该车辆的保费就是2619元。
例2、假定另一投保车辆的车龄为4-5年、新车购置价为25万元,则其所属的新车购置价档次同样为20-30万元档;在费率表上查得对应的基础保费为2619元,费率为1.379%;保费= 2619+(25万-20万)×1.379%=3308.5元。
2、如果投保人选择不足额投保,即保额小于新车购置价,保费应作相应调整,公式为:保费=(0.05+0.95×保额/ 新车购置价)×足额投保时的标准保费;3、36座以上营业客车新车购置价低于20万元的,按照20-36座营业客车对应档次的保险费计收;4、挂车保险费按同吨位货车对应档次保险费的50%计收。
固定费率;保费 = 约定的最高赔偿天数 × 约定的最高日赔偿限额 ×费率。
(十)代步机动车服务特约条款固定保费,无需计算。
(十一)新增加设备损失保险保费 = 本附加险保险金额 × 车损险标准保费/车损险保险金额。
(十二)附加换件特约条款保费 = 车损险标准保费 × 10%。
(十三)发动机特别损失险保费 = 车损险标准保费 × 5%。
(十四)随车行李物品损失保险固定费率;保费 = 保险金额 × 费率。
(十五)附加交通事故精神损害赔偿责任保险固定费率;保费 = 每次事故责任限额 × 费率;注:每人每次事故的最高责任限额为人民币50000元。
(十六)异地出险住宿费特约条款固定费率;保费 = 保险金额 × 费率。
(十七)自燃损失险按照车辆使用年限查找费率;保费 = 保险金额 × 费率。
(十八)附加机动车出境保险按照扩展的区域半径查找费率;保费 =(车损险标准保费 + 三者险标准保费)× 费率;注:只有同时投保了机动车损失保险和第三者责任保险,方可投保本附加险。
(十九)附加油污污染责任保险按照责任限额直接查找保费;注:只有同时投保了机动车损失保险和第三者责任保险,方可投保本附加险。
(二十)多次出险增加免赔率特约条款选择该附加险,机动车损失保险保费下浮一定比例;选择本附加险后的机动车损失保险保费=机动车损失保险保费× 98%。
(二十一)指定专修厂特约条款选择该特约条款,按照国产/进口车,对机动车车损险保险费进行相应的调整。
(二十二)法律费用特约条款按照责任限额直接查找保费。
二、使用费率调整系数表进行费率调整(一)无赔款优待及上年赔款记录费率调整系数根据历史赔款记录,按照规定的费率调整系数进行费率调整。
(二)指定驾驶人、性别、驾龄、年龄系数适用于指定驾驶人的情况,当指定多名驾驶人时,以乘积高者为准。
(三)使用规则1.费率调整系数采用系数连乘的方式:费率调整系数 = 系数1 × 系数2 × 系数3 × ……2.使用费率调整系数后,各险别的费率优惠幅度超过监管部门规定的最大优惠幅度,按照监管部门规定的最大优惠幅度执行。