工程外观质量评定表
- 格式:doc
- 大小:336.50 KB
- 文档页数:17
XX 省水利水电工程
水利水电工程房屋建筑工程外观质量评定表
填表说明
填表时必须遵守“填表基本规定”,并符合以下要求。
1、单位工程完工后,项目法人应组织监理、设计及施工等单位组成工程外观质量评定组,现场进行工程外观质量检验评定,并将评定结论报工程质量监督机构核定。
参加工程外观质量评定的人员应具有工程师及以上技术职称或相应执业资格。
评定组人数应不少于5人,大型工程不宜少于7人。
2、外观质量检查的内容多为定性判断项目,应由工程外观质量评定组人员共同通过观察触摸(有时可辅以简单量测),经商讨后给予评价。
3、房屋建筑工程的各专业施工质量验收规范中,对外观质量有具体检验要求。
表05中质量评价标准如下:
1)好,指外观质量较优良;
2)一般,指基本符合要求;
3)差,指外观质量达不到要求,且存在明显缺陷者。
被评为“差”的项目应进行返修处理,在达到质量要求后再检查评定。
4、观感质量评定后,各单位参加工程外观质量评定组人员应在《水利水电工程房屋建筑工程外观质量评定表》表尾签字。
5、工程外观质量评定结论应由项目法人报工程质量监督机构核定。
XX省水利厅水利工程建设质量与安全管理中心印。
小型农田水利工程渠道外观质量评定表小型农田水利工程渠道外观质量评定表堤防工程外观质量评定表小型农田水利工程堤防外观质量评定表堤防单位工程外部尺寸质量检测评定表小型农田水利工程堤防单位工程外部尺寸质量检测评定表渠道单元工程质量评定表小型农田水利工程渠道单元工程质量评定表注:(1 )检测数量:总检查点不少于1/100m个;(2 )单元工程质量标准:合格为允许偏差不小于70%,优良为允许偏差不小于90%。
堤基清理单元工程质量评定表小型农田水利工程堤基清理单元工程质量评定表注:(1 )检测项目:①堤基清理范围应根据工程级别、沿堤长度每20—50m测量一次,每个单元工程不少于10次;②压实质量按清基面各每400—800m2取样一次测试干密度;(2)合格:检测项目达到质量标准,清理范围检测合格率不小于70%,压实质量合格率不小于80% ;优良检测项目达到质量标准,清理范围检测合格率不小于90%压实质量合格率不小于90% ;。
干砌石护坡单元工程质量评定表小型农田水利工程干砌石护坡单元工程质量评定表注:(1 )检测项目:①堤基清理范围应根据工程级别、沿堤长度每20—50m测量一次,每个单元工程不少于10次;②压实质量按清基面各每400—800m2取样一次测试干密度;(2)合格:检测项目达到质量标准,清理范围检测合格率不小于70%,压实质量合格率不小于80% ;优良检测项目达到质量标准,清理范围检测合格率不小于90%压实质量合格率不小于90% ;。
混凝土预制块护坡单元工程质量评定表小型农田水利工程混凝土预制块护坡单元工程质量评定表注:(1 )检测数量:坡面平整度沿堤线或每10—20m不少于1点。
(2)单无工程质量标准:合格为坡面平整度合格率不小于70%,优良为坡面平整合格率不小于90% ;第三十六节闸门安装工程质量评定表小型农田水利工程闸门安装工程质量评定表注:(1)检测数量:先宏观检查,没发现有明显不合格处,即进行抽样检查,总测点数不少于10个; ⑵单元工程质量标准:合格为允许偏差不小于70%,优良为允许偏差不小于90%。
表0.1 工程项目施工质量评定表填表说明填表时必须遵守“填表基本规定”,并符合以下要求:1.工程项目名称:按批准的初步设计报告的项目名称填写。
2.工程等级:填写本工程项目等别、规模及主要建筑物级别。
3.建设地点:填写枢纽工程建设的具体地名,如省、县、乡。
4.主要工程量:填写2~3项数量最大及次大的工程量。
有混凝土(包括钢筋混凝土)量、土石方填筑方量、砌石方量等主要项目时必须填写。
5.项目法人(建设单位):填写全称。
6.设计、施工、监理等单位名称应填写与项目法人签定合同时所用的全称。
若一个工程项目是由多个施工(或多个设计、监理)单位承担任务时,表中只需填出承担主要任务的单位全称,并附页列出全部承担任务单位全称及各单位所完成的单位工程名称。
若工程项目由一个施工单位总包、几个单位分包完成,表中只填总包单位全称,并附页列出分包单位全称及所完成的单位工程名称。
7.开工日期:填写主体工程开工的年份(4位数)及月份。
竣工日期:填写批准设计规定的内容全部完工的年(4位数)及月份。
8.评定日期:填写工程项目质量等级评定的实际日期。
9.主要建筑物单位工程:主要建筑物指失事后将造成下游灾害或严重影响工程效益的建筑物,如堤坝、泄水建筑物、输水建筑物、电站厂房及泵站等。
10.本表在工程项目批准设计规定的内容已全部完成,各单位工程已进行施工质量等级评定后,由项目总监填写,并进行工程项目质量评定,监理单位负责人签字加盖公章,若工程项目由多个监理单位监理时,各监理单位项目总监负责统计本单位监理的单位工程质量评定结果(含单元工程、分部工程质量统计)及主要工程量统计交项目法人。
再由项目法人委托一个主要监理单位的项目总监汇总各单位统计资料,填写工程项目质量评定表,并签字、盖本监理单位公章。
再交项目法人评定,项目法人的法定代表人签字,并盖公章,报质量监督机构核定质量等级,质量监督项目站长或质量监督机构委派的该项目负责人签字,并加盖公章。
表0.2.2 枢纽工程水工建筑物外观质量评定表
填表说明
填表时必须遵守“填表基本规定”,并符合以下要求:
1.本表用于水工建筑物单位工程外观质量评定。
表中各项质量标准,是在主体工程开工初期由项目法人组织监理、设计、施工等单位根据本工程特点(等级及使用情况等)和相关技术标准共同研究提出,报质量监督机构确认后执行。
2.外观质量等级评定工作是在单位工程完工后,由项目法人(建设单位)组织,项目法人(建设单位)、监理、设计、施工及管理运行等单位组成外观质量评定组,进行现场检验评定。
参加外观质量评定组的人员,必须具有工程师及以上技术职称。
评定组人数不应少于5人,大型工程不宜少于7人。
3.检测数量。
全面检查后,抽测25%,且各项不少于10点。
4.评定等级标准。
测点中符合质量标准的点数占总测点数的百分率为100%时,评为一级。
合格率为90 .9/6~99.9%时,评为二级。
合格率为70.0%~89.9%时,评为三级。
合格率小于70.0%时,评为四级。
其下方的百分数为相应于所得标准分的百分数。
每项评定得分按下式计算:
各项评定得分=该项标准分×该项得分百分率
评定得分小数点后保留一位,并填写在相应级别栏内。
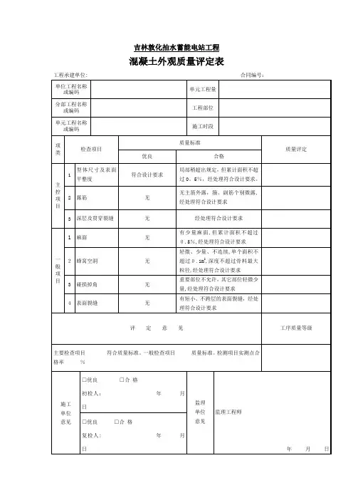
5.表中第13项混凝土表面缺陷指混凝土表面的蜂窝、麻面、挂帘、裙边、小于3cm的错台、局部凹凸及表面裂缝等。
如无上述缺陷,该项得分率为100 %,缺陷面积超过总面积5%者,该项得分为0。
6.表中带括号的标准分为工作量大时的标准分。
填表时,须将不执行的分数用“/”划掉。
7.合计应得分是实际评定各项标准分之和,实得分是各项实际得分之和。
实得分×100%,小数点后保留一位。
得分率=
应得分
8.表尾由各单位参加外观质量评定的人员签名(施工单位1人,如本工程由分包单位施工,则分包单位、总包单位各派1人参加。
项目法人(建设)、监理、设计各1~2人,管理运行单位1人)。
9. 外观质量评定结论由项目法人报工程质量监督机构核定。
水利水电工程
表0.2.3 堤防外观质量评定表
填表说明填表时必须遵守“填表基本规定”,并符合以下要求:1.本表用于堤防工程外观质量评定。
其它同表0.2.2说明。
2.外观质量评定标准
水利水电工程
表0.2.4 明(暗)渠工程外观质量评定表
填表说明
填表时必须遵守“填表基本规定”,并符合以下要求:
1.本表用于明(暗)渠工程外观质量评定。
其它同表0.2.2说明。
水利水电工程
表0.2.5 引水(渠道)建筑物工程外观质量评定表
填表说明
填表时必须遵守“填表基本规定”,并符合以下要求:
1.本表用于引水(渠道)建筑物工程外观质量评定。
其它同表0.2.2说明。
水利水电工程
表0.2.6 水利水电工程房屋建筑工程外观质量评定表
填表说明
填表时必须遵守“填表基本规定”,并符合以下要求:
1.本表是水利水电工程房屋建筑工程外观质量评定表。
表中各项质量标准确定方法与表0.2.2同。
2. 表头的“分部工程”栏系指发电厂房、变电站、水闸等单位工程中包含的房屋建筑分部工程,在表中填写该分部工程名称。
3.观感质量等级评定工作是在单位工程完工后,由项目法人(建设单位)组织监理、设计、施工、管理运行等单位组成外观质量评定组,进行现场检验评定。
参加外观质量评定组的人员,必须具备工程师及以上技术职称。
评定组人数不应少于5人,大型工程不宜少于7人。
4.检查、检测项目经外观质量评定组全面检查后,抽测25%,且各项不少于10点。
5.评定等级标准。
①好,指观感质量较优良;②一般,指基本符合要求;③差,指外观质量达不到要求,且存在明显缺陷者。
被评为“差”的项目应进行返修处理,在达到质量要求后再检查评定。
6.外观质量评定后,各单位参加外观质量评定组人员应在表尾签字。
如本工程由分包单位施工,则分包单位与总包单位各派1人参加。
项目法人(建设)、监理、设计各1~2人,管理运行单位1人。
7.工程外观质量评定结论应由项目法人报工程质量监督机构核定。
水利水电工程
表0.2.6 水利水电工程房屋建筑工程外观质量评定表
2
能 建
筑
现场设备安装
观感质量综合评价:
外观质量评定组成
员
单 位 单位名称 职 称 签 名 项目法人 监 理 设 计 施 工 运行管理
质量监督机构
核定意见:
核定人:(签名),加盖公章
年 月
日
注:质量评价为“差”的项目,应进行返修。