常用技术服务响应文件范本
- 格式:doc
- 大小:1.12 MB
- 文档页数:88
响应文件
(技术服务性)
采购编号:
项目名称:
响应人名称(全称加盖公章):
响应人代表签字:
日期:年月日
目录
第一章技术响应表.............................3-10 第二章商务响应表.. (11)
第三章报价明细表.............................11-18
技术响应表
响应货物名称、品牌、型号:报警主机、FOCUS、
响应货物名称、品牌、型号:LED屏单色、泰德、F5.0
响应货物名称、品牌、型号:红外防水摄像机、大华、DH-CA-FW460PC-IR0
响应货物名称、品牌、型号:32寸液晶监视器、SONY、KLV-32BX350
响应货物名称、品牌、型号:摄像机电源、定制、12VDC 2A
响应人名称(全称加盖公章):响应人代表(签字):
日期:
商务响应表
响应人名称(全称加盖公章):
响应人代表(签字):
日期:
报价明细表一包:自井区妇幼保健院
响应人名称(全称加盖公章):响应人代表(签字):
日期:
二包:自井区疾病预防控制中心
响应人名称(全称加盖公章):
响应人代表(签字):
日期:
三包:自流井区委群众工作局
响应人名称(全称加盖公章):响应人代表(签字):
日期:。
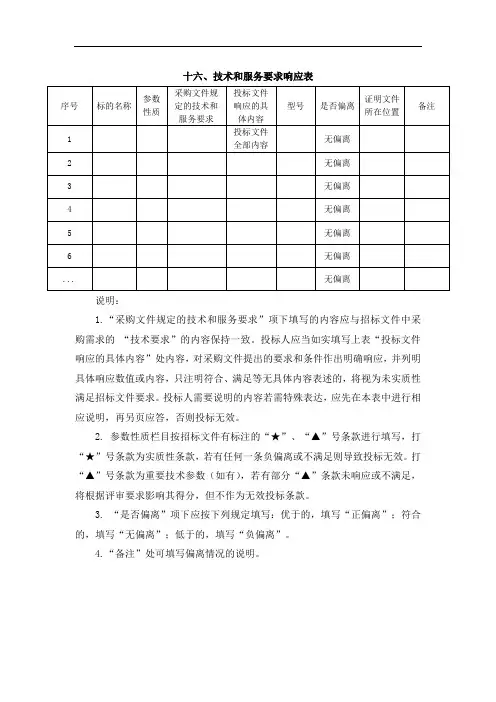
十六、技术和服务要求响应表
说明:
1.“采购文件规定的技术和服务要求”项下填写的内容应与招标文件中采购需求的“技术要求”的内容保持一致。
投标人应当如实填写上表“投标文件响应的具体内容”处内容,对采购文件提出的要求和条件作出明确响应,并列明具体响应数值或内容,只注明符合、满足等无具体内容表述的,将视为未实质性满足招标文件要求。
投标人需要说明的内容若需特殊表达,应先在本表中进行相应说明,再另页应答,否则投标无效。
2. 参数性质栏目按招标文件有标注的“★”、“▲”号条款进行填写,打“★”号条款为实质性条款,若有任何一条负偏离或不满足则导致投标无效。
打“▲”号条款为重要技术参数(如有),若有部分“▲”条款未响应或不满足,将根据评审要求影响其得分,但不作为无效投标条款。
3. “是否偏离”项下应按下列规定填写:优于的,填写“正偏离”;符合的,填写“无偏离”;低于的,填写“负偏离”。
4.“备注”处可填写偏离情况的说明。
第1章技术及服务响应书1.1概述中兴监控产品线成立于1995 年,产品专门针对机房、基站内的动力设备和环境量进行集中监控。
经过十几年时间的发展,积累了丰富的经验,为运营商实现对基站机房内动力设备和环境监控提供先进、成熟、实用的系统,整体优势明显,主要表现于以下几点:1.技术和经验积累十四年的监控产品生产和服务经验,产品成熟度高,公司获得系统集成二级资质和安防一级资质,实施能力强;2.物流供货能力年生产能力18 个亿,实施的机房基站数量超过25 万套,通过项目积累,根据动力设备配置的特点,公司物流体系实现复合包装,大大提高了供货能力和供货时间,同时提高了工程施工的效率。
在标准化配置的基础上,同比友商公司物流发货能力提高了 1.9 倍,而发货时间则缩短了45%;相应的施工时间则可以提高30%以上。
这对湖南电力来说大大节省了建设时间,为项目的正常使用提供了保障。
按照我司物流惯例,更好的服务用户,货物发至各地市指定收货地址。
3.项目组织能力通过多年的项目经验积累,项目实施能力大大提高。
对大规模基站站点规模具有成熟的项目组织,这种项目组织能力是经过了大量的项目实践证明了的。
几百个站点和上千过万个站点对项目整理组织、实施能力的要求是完全不一样的,同时对系统的优化和完善也是通过长期的经验才能实现系统的稳定、实用。
4.维护经验方面经历了大量的工程与维护,我司积累了大量维护经验。
湖南地区成立专门的维护团队,专职负责动环监控产品维护工作,在人员组织和分配上,实行1+N 的维护模式,即 1 个地市配备一名中兴力维维护工程师,再加上N 个经过考核认证的工程公司人员,组建成完善的服务维护体系。
1.2设备配置清单衡阳电业局信息中心动环监控配置清单表序号品牌、型号 / 订货号产品描述(配置与参数描述)单位数量1、监控中心中兴 ZXM10监控中心软件,用于1.1系统监控台软件套1处理动环和视频信息,提供人机交互界面。
Microsoft SQL Server 2005中1.2SQL Server 2005套1文版 / 标准版 /32bit/25CAL1.3门铃套1 2、系统调试费用2.1系统调试相关费用套1拓溪水电厂信息机房动环监控配置清单表序品牌、型号 / 订货数产品描述(配置与参数描述)单位号号量1、监控中心DELL PER710(2*146GB硬盘 ) :至强四1.1 NT服务器核 E55042.00GHz/2*2GB RDIMM ECC台3 DDR3/6*3.5 寸硬盘背板 /4*PCI-E 扩展插槽 /SAS6iR 阵列子卡 / 集成两个双口千兆网卡 (4 网口 )/(1+1)冗余电源/DVD/上架套件DELL MD3000:双阵列控制器 /2*800MSAS主机端口 /1G(2x512M)Cache/2*SAS5E HBA卡/2*SAS Cable1.2磁盘阵列台12m/(1+1) 冗余电源 / 心跳线/VersaRails for MD3000/MS3000Storage Manager存储管理工具Dell 146G(SAS 15K 3.5"):Dell1.3硬盘块4146G(SAS 15K 3.5")/用于MD3000ThinkcentreM4000T :Intel酷睿2双核(3.0G/1333MHz/6MB)/G31/Intel1.4台式机台2G31芯片组 /2G(1*2G) DDR2 800/350GSATA(7200rpm)/ 键盘鼠标联想 17 寸标准屏液晶显示器:最佳分1.5液晶显示器别率:1280*1024/700:1/响应时间:台25ms/接口: Analog中兴 ZXM10监控中心软件,用于处理1.6系统监控台软件套1动环和视频信息,提供人机交互界面。
服务响应方案一、工程技术支持及维护1.定期维护保养2.在保修期内,我公司负责提供技术维修人员和维修材料,作定期维修保养.根据各系统的运行情况,及维修程序,执行系统的维修服务:包括对设备的例行检查,调试设备,替换不正常的设备。
现场排除故障或技术指导应业主要求,我公司负责派遣专业工程技术人员及时前往现场解决用户的各种问题.保修期结束后,实行终身维修服务,设备如有损坏,将仅收取更换的零配件成本和少量的人工费。
3.备件我公司将优先保证用户的备件供应,并可负责为用户安装更换.4.保修期内为保持系统的正常运作,对设备进行维修或更换的工作. 保修期内提供维修保养记录书,并将系统的运行状态信息、维护信息自动送入网络系统中。
5.保修期内按照以下要求安排定期维修及检查对所有系统设备进行例行检查;清理所有主要设备;调试所有设备;替换所有不正常的监控设备。
6.紧急异常情况的及时处理经验表明,任何实际的系统,在运行过程都难免出现某些紧急异常情况,特别是像行政中心这样大型的、复杂的弱电系统。
我公司具有处理这类突发事件的能力,建立紧急异常情况的处理保障体系。
7..在工程项目保修期负责条款以及保修期后的维护合同中对这类紧急异常情况处置作出明确规定。
2。
建立并保存完整的系统文档、服务纪录。
8.我公司在系统调试、交接时,将提供完整的完工图纸,软、硬件文档,操作、维护手册,设备清单等,并帮助业主建立系统的运行、管理和维护文档,以便在发生故障时能及时提供资料,迅速找到并排除故障,将损失减至最小。
9.系统开放性、延续性承诺。
我公司提供系统将来扩容或更改所需的全面工程咨询与技术服务。
如系统将来有扩容或更改的需要,不论是否由我方承担,我方均无偿提供全部所需的技术资料、文件和界面要求及技术支持,但要求资料予以保密。
二、服务响应时间1.服务响应时间为4小时。
我公司提供售后服务专线电话服务,在接到报修电话后,无论在正常工作期间或非工作时间0小时内均可提供电话服务,紧急情况小时可到达现场。
技术响应说明书范文尊敬的[需求方]:您好!非常感谢您给予我们机会来阐述针对[项目名称]的技术响应。
下面就像拉家常一样,跟您说说我们的方案。
一、项目理解。
您看啊,这个项目就像是一场特殊的“冒险之旅”,目标明确又充满挑战。
我们理解您想要达到[具体目标],就好比您想要登上一座高峰,而我们就是您攀登路上的得力助手。
这个项目的关键之处在于[列举关键需求点,如高效性、稳定性等],这就像在冒险途中,您需要一把锋利的剑(高效性)和坚固的盾牌(稳定性)一样重要。
二、技术解决方案。
# (一)整体架构。
我们为这个项目搭建的架构就像是一座精心设计的城堡。
最底层是坚实的基础——[基础技术名称],这就如同城堡的基石,稳稳地扎根在土地上,为整个系统提供强大的支撑。
往上一层呢,是我们的[中间层技术名称],它像是城堡里四通八达的走廊,负责连接各个部分,让信息能够顺畅地流动。
最上层就是专门为满足您需求打造的[应用层相关内容],就像城堡里的各种功能房间,每个房间都有独特的作用,合起来就能满足您在城堡里的各种生活(项目)需求啦。
# (二)功能实现。
1. [功能1]对于这个功能,我们就像魔术师变魔术一样。
通过[具体技术手段1]收集相关的数据或者信号,这就像是魔术师从帽子里变出小兔子的第一步——准备道具。
然后呢,运用[具体算法或处理逻辑]对这些数据进行处理,就像魔术师对道具进行巧妙的操作。
呈现出[功能1的具体效果],就如同小兔子活蹦乱跳地出现在观众眼前一样神奇。
而且哦,这个功能还特别灵活,就像魔术可以根据不同的观众喜好进行调整一样,它可以根据您不同的使用场景和需求进行个性化的设置。
2. [功能2]这个功能的实现有点像搭积木。
我们先准备好各种形状的“积木块”——[功能2涉及的各种技术模块或组件]。
然后按照特定的规则——[相关的技术流程或逻辑]把这些“积木块”一块一块地搭起来。
在搭的过程中,我们会不断检查,确保每一块“积木”都放得稳稳当当的,这就相当于我们在功能实现过程中的测试和优化环节。
技术响应文件根据技术规格要求,我方有能力设计制造指定的TL450X4-N脱硫专用离心机,并选用其常用型号LW450×1800-N(国家行业标准离心机型号表示方法)卧式螺旋卸料沉降离心机进行技术报价,并提供优质的售后服务。
一、设计基础数据工艺介质条件及参数(需方提供)。
三、离心机结构及工作原理●结构简述TL450X4-N(LW450×1800-N)型离心机由转鼓、螺旋输送器、进料管、左右轴承座、差速器、传动部件及机座、机壳等部件组成。
(1)转鼓转鼓由圆锥转鼓、圆柱转鼓、大小端盖等组成。
在转鼓的大端盖上有均布的4个出液孔,液位由调节板控制。
为适应各种不同物料及固相不同干度的需要,本机通过调换调节板的不同溢流半径来调节液位尺寸,R值越大,沉降区越短,干燥区就越长,分离出来的固相也就越干;反之,沉降区越长,分离出来的液相含固量就越少,固相也相应变湿。
转鼓的小端径向分布有8个镶有耐磨炭化钨衬套的固相出口。
(2)螺旋输送器螺旋输送器主要由柱锥体的内筒、螺旋叶片及法兰盘等组成。
叶片焊接在筒体上成螺旋线形,叶片的外圆及推料工作面喷有一层耐磨层,抗磨性能好,喷涂层磨损后可以修复。
螺旋内筒出料部位有布料加速锥,将物料预先加速至转鼓转速后再进入转鼓工作腔,以减少物料对液池的冲击。
(3)差速器本机采用行星齿轮差速器,传动效率高,工作可靠且结构紧凑。
它的外圆与转鼓作同步旋转,输出轴带动螺旋输送器转动。
在差速器的作用下,确保了转鼓和螺旋输送器以不同的速度同向旋转,且能得到稳定的差速值。
(4)传动部件主、辅电机均采用防爆电机配变频调速器,主电机根据物料特性调节不同离心机工作转速,辅电机可调节不同差转速。
●工作原理TL450X4-N(LW450×1800-N)离心机由主、辅电机驱动,主电机通过皮带带动转鼓及差速器外壳转动,辅电机通过差速器变速后驱动螺旋。
这样使转鼓与螺旋同向旋转且具有一定的差转速。
附件2:响应文件格式1、响应函致:苏州轨道交通物业管理发展有限公司我公司收到贵公司SZGW-XJ-2017-064 号询价公告,经仔细阅读和研究,我公司决定响应。
1、我们已详细阅读全部询价公告(含询价公告及附件、澄清答疑等),对询价公告无任何异议,愿意以报价单大写含税总计金额为响应总报价,我们完全理解并同意放弃对这方面有不明及误解的权力,愿意按照询价公告的一切要求,提供本项目的所有货物和服务等。
2、如果我们的响应文件被接受,我公司将严格履行询价公告中规定的每一项要求,按期、按质、按量履行合同的义务,保证具有履行合同所必须的设备和专业技术能力及供货能力,并同意按本项目合同主要条款规定的相关内容执行合同。
3、我公司同意按询价公告中的规定,本响应文件的有效期限为递交响应文件截止时间后90天,我们承诺本响应文件在询价开始后的全过程中保持有效,不作任何更改和变动。
4、我们愿意提供采购人在询价公告中要求的所有资料,并保证具有良好的商业信誉,近三年内无不良经营行为,也同意向贵方提供贵方可能另外要求的与其询价有关的任何证据或资料。
并保证所递交的响应文件及有关资料内容完整、真实和准确,若与真实情况不符,我公司愿意承担由此而产生的一切后果。
5、我们承诺我公司符合询价公告供应商须知中“供应商资格条件”的要求,同时承诺本项目为独立承担经营,无联合体。
6、我们认为你公司有权决定成交者,还认为你公司有权接受或拒绝所有的响应者。
7、在服务过程中,我们将严格遵守国家的有关法律、法规、制度规定、有关行业规范及你公司相关管理办法的要求,积极开展工作。
8、我们承诺提供增值税专用发票,对于由于我公司报价时声明税率错误导致采购人少抵扣增值税款的部分,采购人付款时有权给予相关扣回。
9、我们承诺不存在以下任何一种情形:法定代表人为同一个人的两个或者两个以上企业法人;供应商之间存在控股关系、隶属关系的。
10、在签署协议书之前,你方的成交通知书连同本询价响应函,对各方具有约束力。
响应文件(第一阶段)项目名称:项目编号:所投包号:供应商名称:(公章)法定代表人:(签字或盖章)供应商代表:供应商地址:日期:年月日附件1.响应书响应书致:XXX有限公司:根据贵方为项目的磋商邀请(项目编号:),签字代表(姓名/职务)经正式授权并代表供应商(供应商名称、地址)提交下述文件正本份、副本份和电子版份。
据此函,签字代表宣布同意如下:1.我公司将按竞争性磋商文件的规定履行合同责任和义务。
2.我公司已详细审查全部竞争性磋商文件,包括更正公告以及全部参考资料和所有附件。
我们认为全部竞争性磋商文件(包括更正公告以及全部参考资料和所有附件)公平公正,无倾向性和排他性,我们完全理解并同意放弃对这方面有不明及误解的权利。
3.我公司的磋商有效期为磋商之日起60天。
4.我公司同意按照采购人要求提供的与磋商有关的一切数据或资料,并声明响应竞争性磋商文件及所提供的一切资料均真实有效。
由于我公司提供资料不实而造成的责任和后果由我公司自行承担。
5.我公司承诺完全符合《中华人民共和国政府采购法》、《中华人民共和国政府采购法实施条例》等法律法规规定,并随时接受采购人、采购代理机构的检查验证。
在整个磋商过程中,我公司若有违规行为,我公司完全接受磋商采购单位依照相关法律法规和竞争性磋商文件的规定给予处罚。
6.我公司承诺未列入“信用中国”网站失信被执行人、重大税收违法案件当事人名单,也未列入中国政府采购网政府采购严重违法失信行为记录名单,符合《中华人民共和国政府采购法》第二十二条规定的各项条件。
7.我公司若成交,本承诺将成为合同不可分割的一部分,与合同具有同等的法律效力。
8.如违反上述承诺,我公司磋商无效且接受相关部门依法作出的处罚,并承担通过“天津市政府采购网”等相关媒体予以公布的任何风险和责任。
9.与本磋商有关的一切正式往来通讯请寄:地址:邮政编码:电话:传真:供应商代表姓名、职务:供应商名称(公章):日期:年月日供应商代表签字:附件2.货物一览表货物一览表项目名称:项目编号:包号:注:1.商品属性应在“环保产品”、“节能、节水产品”、“自主知识产权产品”、“无”四个选择项中选择填写。
响应文件(技术)供应商:响应方案(技术)一、项目背景工业新区自2007年开工建设以来,已建成3大园区、29条市政道路核心区域16平方公里,入驻企业500余家(规上工业企业69家,其中东风板块11家),是全区工业企业的聚集地,园区生态环保责任重大、任务艰巨。
为科学论证园区生态环保风险,拟聘请高水平的第三方咨询机构深入进行调研评估。
二、项目服务范围及内容为确保张湾区十堰工业新区和西城开发区涉水企业的运营排放不对周边环境造成不良影响,同时保障企业的可持续发展,对张湾区十堰工业新区和西城开发区内的所有涉水企业进行全面的水环境风险摸底排查,针对现有收排水系统以及依托的污水处理设施进行科学严谨的可行性论证和周边水环境风险可接受性论证。
1.涉水企业水环境风险摸底排查:对张湾区十堰工业新区和西城开发区内的所有涉水企业进行全面的水环境风险摸底排查。
2.现有收排水系统评估:评估涉水企业现有收排水系统的运行状况、处理能力、设备状况等,分析可能存在的风险点。
3.污水集中处理设施评估:对依托的污水集中处理设施进行全面评估,包括处理能力、处理工艺、设备状况、运营管理等方面,分析其对涉水企业废水处理的支撑能力。
4.水环境风险评估论证:结合摸底排查结果和评估情况,对涉水企业的水环境风险进行科学、严谨的评估论证,提出相应的风险控制措施和建议。
5.报告编制:根据评估论证结果,编制详细的项目报告,包括问题描述、分析过程、评估结论、风险控制措施和建议等。
三、工作的依据、工作目标1.现有收排水系统评估:评估涉水企业现有收排水系统的运行状况、处理能力、设备状况等,分析可能存在的风险点。
2.污水集中处理设施评估:对依托的污水集中处理设施进行全面评估,包括处理能力、处理工艺、设备状况、运营管理等方面,分析其对涉水企业废水处理的支撑能力。
3.水环境风险评估论证:结合摸底排查结果和评估情况,对涉水企业的水环境风险进行科学、严谨的评估论证,提出相应的风险控制措施和建议。
第1章技术及服务响应书1.1 概述中兴监控产品线成立于1995 年,产品专门针对机房、基站内的动力设备和环境量进行集中监控。
经过十几年时间的发展,积累了丰富的经验,为运营商实现对基站机房内动力设备和环境监控提供先进、成熟、实用的系统,整体优势明显,主要表现于以下几点:1. 技术和经验积累十四年的监控产品生产和服务经验,产品成熟度高,公司获得系统集成二级资质和安防一级资质,实施能力强;2. 物流供货能力年生产能力18 个亿,实施的机房基站数量超过25 万套,通过项目积累,根据动力设备配置的特点,公司物流体系实现复合包装,大大提高了供货能力和供货时间,同时提高了工程施工的效率。
在标准化配置的基础上,同比友商公司物流发货能力提高了1.9 倍,而发货时间则缩短了45%;相应的施工时间则可以提高30%以上。
这对湖南电力来说大大节省了建设时间,为项目的正常使用提供了保障。
按照我司物流惯例,更好的服务用户,货物发至各地市指定收货地址。
3. 项目组织能力通过多年的项目经验积累,项目实施能力大大提高。
对大规模基站站点规模具有成熟的项目组织,这种项目组织能力是经过了大量的项目实践证明了的。
几百个站点和上千过万个站点对项目整理组织、实施能力的要求是完全不一样的,同时对系统的优化和完善也是通过长期的经验才能实现系统的稳定、实用。
4. 维护经验方面经历了大量的工程与维护,我司积累了大量维护经验。
湖南地区成立专门的维护团队,专职负责动环监控产品维护工作,在人员组织和分配上,实行1+N的维护模式,即1个地市配备一名中兴力维维护工程师,再加上N个经过考核认证的工程公司人员,组建成完善的服务维护体系。
1.2 设备配置清单衡阳电业局信息中心动环监控配置清单表拓溪水电厂信息机房动环监控配置清单表、视频监控录像系统邵阳电业局信息机房动环监控配置清单表机、环境监测系统益阳电业局信息机房动环监控配置清单表岳阳电业局信息机房动环监控配置清单表长沙电业局信息机房动环监控配置清单表湘西电业局信息机房动环监控配置清单表、水浸监测系统投标设备的情况及环境要求包括设备描述、各种接口特性、安装方式及物理尺寸、供电方式、温度、湿度等环境要求。
第1章技术及服务响应书1.1 概述中兴监控产品线成立于1995年,产品专门针对机房、基站内的动力设备和环境量进行集中监控。
经过十几年时间的发展,积累了丰富的经验,为运营商实现对基站机房内动力设备和环境监控提供先进、成熟、实用的系统,整体优势明显,主要表现于以下几点:;相织,系统的稳定、实用。
4.维护经验方面经历了大量的工程与维护,我司积累了大量维护经验。
湖南地区成立专门的维护团队,专职负责动环监控产品维护工作,在人员组织和分配上,实行1+N的维护模式,即1个地市配备一名中兴力维维护工程师,再加上N个经过考核认证的工程公司人员,组建成完善的服务维护体系。
1.2 设备配置清单1.6 技术对比列表页脚内容页脚内容页脚内容页脚内容1.7 技术服务、支持、保修中兴力维在长沙设立了售后维护中心,在每个地市均配有专职服务人员。
维护团队有40多名具有丰富的设备维护经验的工程师,其中动环监控产品专职维护工程师有20多人,随时为客户提供最优质的售前、售中、售后服务。
长沙维护中心备有足够的工程维护用车,可以为用户提供快捷、方便、高效、周到的服务。
同时,4求,配合用户制定详细的割接方案,完成设备割接,并在割接后对设备的运行情况进行观察。
1.7.4维护与保修在设备试运行期间,我公司各本地用户服务处的技术人员为用户提供7×24小时技术支持与服务,对一些简单的问题通过电话予以解答和指导操作,对于电话指导无法解答的问题或排除的设备故障,保证在接到用户通知后乘坐最快的交通工具前往故障设备地点,排除故障,保证试运行期间设备的稳定运行。
在试运行结束后我公司技术人员将配合用户完成设备的终验。
1.7.5巡检为了保证设备的正常运行,为用户提供优质的服务,我公司提供巡检服务,根据协商结果,可半年或一年对设备进行全面的检查,排除存在的隐患,并向用户提交详细的巡检报告。
用户档案,记录产品使用情况,为今后公司产品的质量改进提供依据。
1.7.9终身维护、保证用户利益维护保障服务(Maintenance Ensured Service)是中兴通讯为了满足客户高层次、全方位、个性化的服务需求而提供的,旨在保障客户网上设备的稳定、高效运行,提高客户维护人员技术水平的服务方案,共分为四类十五种服务,客户可以根据需要选择组成维护保障服务包。
技术规范书响应方案范文模板一、引言。
尊敬的[需求方],咱们就像两个即将开始一场超酷合作冒险的伙伴。
您给了咱们这个技术规范书,就像是给了一张神秘宝藏的地图,我们呢,这就带着满满的诚意和创意来响应啦。
二、对技术规范的总体理解。
1. 核心需求捕捉。
您这个技术规范书啊,就像一个装满了各种奇妙要求的魔法盒。
我们一眼就瞅见了里面最闪亮的几个核心需求。
比如说,[列举核心需求1],这就像是这个项目的超级发动机,没它可不行。
还有[核心需求2]呢,就像导航仪,指引着整个技术方案的方向。
我们觉得这些核心需求是为了达成[最终目标阐述,例如打造一个高效、稳定且用户体验超棒的系统],这目标简直太酷了,我们已经热血沸腾地想要开始大干一场了。
2. 整体架构关联。
这些需求可不是各自为政的小喽啰,它们在整个技术架构里可是紧密相连的。
就像一个超级英雄团队,每个成员都有自己的专长,但只有团结起来才能拯救世界。
[需求1]为[需求2]提供了[具体关联,例如数据基础],而[需求2]又反过来为[需求1]的实现提供[对应的支持,例如处理逻辑]。
三、具体技术响应。
# (一)[技术领域1]1. 技术选型依据。
在这个领域呢,我们经过深思熟虑,就像挑选最适合冒险旅程的装备一样,选择了[技术名称1]。
为啥呢?因为这个技术就像一把万能钥匙,能轻松打开[需求1相关的技术挑战]这把锁。
它有着[技术的优势1,例如高性能]的特点,就像超级英雄的超能力,能飞快地处理[相关任务]。
而且它的[优势2,例如兼容性好],就像一个社交达人,能和其他技术小伙伴愉快地玩耍,完美地融入咱们这个大项目里。
2. 实现方式详述。
那我们打算怎么用这个技术呢?我们会[步骤1,例如进行初始化配置],这就像给汽车加油一样,是启动这个技术的关键。
然后呢,我们会按照[具体逻辑流程,例如数据流向]来处理各种任务。
比如说,当[触发条件]的时候,这个技术就会[具体动作],就像一个训练有素的士兵,听到命令就准确地执行任务。
第六章响应文件内容及格式格式一:响应文件封面:(************项目)响应文件采购编号:项目名称:供应商名称:供应商地址:联系电话:日期:年月日响应函致贵州鑫润招标代理有限公司:1.按照已收到的竞争性谈判文件要求,我们愿意按照竞争性谈判性文件的一切要求,提供完成该项目的全部内容,我们的报价包括所投标的物及其备品、附件和专用配套费用、税费及包装、运至最终目的地的运输、保险、检测验收、安装调试、技术支持与培训、售后服务与维保相关劳务支出等工作所发生的全部费用以及谈判响应单位企业利润、税金和政策性文件规定及合同包含的所有风险、责任等各项应有费用。
2.如果我们的谈判响应文件被接受,我们将严格履行采购文件中的规定的每一项要求,按期、按质、按量履行合同的义务。
3.我们已详细审查全部竞争性谈判文件,我们认为采购文件中不存在以不合理的要求限制或者排斥潜在谈判供应商、不存在对潜在供应商实行差别待遇或者歧视待遇、不存在指定特定的供应商、不存在含有倾向性或者排斥潜在谈判供应商的其他内容,我们完全理解并同意放弃对这方面有不明及误解的权利。
4.我们同意按采购文件中的规定,本谈判响应文件的有效期限为谈判开始后60天。
如果我们在开标后规定的谈判有效期内撤回投标,我们的谈判保证金可被贵方没收。
5.我们愿意提供谈判采购单位在采购文件中要求的所有资料,也同意向贵方提供贵方可能另外要求的与其谈判有关的任何证据或资料。
并保证所提供的资料全部是真实的、有效的,若有虚假,我们愿承担一切责任。
6.我们认同你们有权决定成交单位,你们有权接受或拒绝所有的谈判供应商。
7.我们愿意遵守竞争性谈判文件中所列的收费标准。
8.我们承诺本谈判响应文件在谈判开始后的全过程中保持有效,不作任何更改和变动,我方保证不以任何理由增加报价。
我们同意成交后若不履行谈判响应文件的内容要求和各项承诺及义务的即被视为违规,其成交资格将被取消。
9.我们愿意按采购文件的规定交纳谈判保证金,并同意谈判供应商须知中关于没收谈判保证金的规定。
响应文件格式1、供应商提交文件须知1.1 供应商应当严格按照以下《附件目录》的顺序填写和提交规定的全部格式文件以及其它有关资料。
由于响应文件编排混乱导致响应文件被误读或者查找不到有效文件的,后果由供应商承担。
1.2 所附表格中要求回答的全部问题和信息都必须明确填写。
1.3 响应文件应当严格按照文件的要求提交,并按规定的统一格式逐项填写,不准有空项;无相应内容可填的项应当填写“无”、“未测试”、“没有相应指标”等明确的回答文字。
1.4 供应商提交的全部格式文件以及其它有关资料应当真实有效、信息准确,否则将视为无效。
1.5 供应商提交的全部格式文件以及其它有关资料应当按磋商文件的有关规定签字、盖章,否则将视为无效。
1.6 磋商小组将依据供应商提交的资料,审查供应商履行合同的能力。
1.7 供应商提交的材料将被保密保存,概不退还。
1.8 全部文件应当按《供应商须知资料表》中规定的语言和份数提交。
2、附件目录附件1——磋商书(格式)附件2——报价一览表(格式)附件3——磋商分项报价说明表(格式)附件4——技术规格偏离表(格式)附件5——商务条款偏离表(格式)附件6——履约保证金保函(格式,成交后开具)附件7——资格证明文件17-1 法人营业执照副本7-2法定代表人的授权委托书(格式)7-3 供应商的资格声明(格式)7-4 供应商财务状况证明文件7-5 社会保障资金缴纳记录证明文件7-6 依法缴纳税收记录证明文件7-7参加本次政府采购活动前三年内,在经营活动中没有重大违法记录的书面声明7-8 信用记录7-9 磋商文件要求的其他资格证明文件附件8——磋商成交服务费承诺书附件9——关于技术方案、实施方案、项目人员资质配置、售后服务方案、质保期等的相关响应及承诺附件10-1——《中小企业声明函》(如适用)附件10-2——《监狱、戒毒企业声明函》(如适用)附件10-3——《监狱、戒毒企业产品一览表》(如适用)附件10-4——《残疾人福利性单位声明函》(如适用)附件10-5——《残疾人福利性单位产品一览表》(如适用)附件11——供应商控股及管理关系情况表附件12——政府采购担保函(专业担保机构格式)(如适用)附件13——政府采购履约担保函(专业担保机构格式)(如适用,成交后开具)附件14——其他资料附件15——保证金信息表附件1磋商书(格式)致:XXX有限公司根据贵方为(项目名称)项目磋商货物的磋商邀请(项目编号),签字代表(姓名、职务)经正式授权并代表供应商(企业名称、地址)提交下述文件正本一份及副本份:1、报价一览表2、磋商分项报价说明表3、技术规格偏离表4、商务条款偏离表5、资格证明文件(附件 -附件)6、遵守国家有关法律、法规和规章,按磋商文件中供应商须知和技术规格要求提供的有关文件。
正本湖南省还贷性高速公路小修保养项目响应文件单位名称:日期:目录(一)代表人身份证明(二)授权委托书(三)履约担保函及(市州公路局)担保函(四)主要技术人员最低要求(五)主要机械设备和实验检测设备最低要求(六)主要场地最低要求(七)企业营业执照(八)企业养护资质(九)企业安全生产许可证(十)承诺函(十一)邀请函(十二)人员变更申请(一)法定代表人身份证明单位名称:湖南省怀化公路桥梁建设总公司单位性质:全民所有制地址:湖南省怀化市鹤城区迎中路迎丰88 号成立时间:年月经营期限:长期姓名:性别:年龄:职务:系湖南省怀化公路桥梁建设总公司(单位名称)的法定代表人。
特此证明单位:湖南省怀化公路桥梁建设总公司(盖单位章)2013年 11月25日(二)授权委托书本人(姓名)系湖南省怀化公路桥梁建设总公司(单位名称)的法定代表人,现委托(姓名)为我方代理人。
代理人根据授权,以我方名义签订合同和处理有关事宜,其法律后果由我方承担。
代理人无转委托权。
附:法定代表人身份证明单位:湖南省怀化公路桥梁建设总公司(盖单位章)法定代表人:(签字)身份证号码:委托代理人:(签字)身份证号码:2013年 11月25日(五)主要技术人员最低要求项目部主要技术人员表人员数量姓名职称专业及相关要求岗位登记一级建造师注册证书(公路工程注册单位必须项目经理 1 人工程师专业),交通主管部门核发的安与投标人相对全生产考核合格证书( B 类)应1 人工程师必须登记在投标人处桥梁、路基1 人高级工程师必须登记在投工程师标人处1 人工程师路桥专业必须登记在投标人处路面工程师1工程师路桥专业必须登记在投标人处隧道工程师1高级工程师隧道专业必须登记在投标人处交安工程师1高级工程师路桥专业绿化工程师1工程师园林绿化专业内业计量工1工程师公路甲级造价工程师执业资格程师财务负责人1会计师财会专业,具有执业资格证书专职安全员1交通主管部门核发的安全生产考核合格证书( C类)机械维修1工程师养护工区养护人员最低要求人员最少数配备备注管理人员10 人 /5个工区普通工人80 人50 岁以下,身体健康(限男性)技术工人30 人 /5个工区50 岁以下,身体健康(限男性)注:原则上每 50km里程路段需设置一处养护工区,且无互通相交的单独路段需设置一处养护工区。
一.针对本项目的技术和服务响应方案为更好的服务客户,我公司特为本项目建立服务机构,具体服务内容如下:我公司服务承诺应按不低于本招标文件中提出的所有服务要求的标准做出响应。
其基本服务要求(但不限于此)如下:1.中标后,我公司开设公务车辆维修快速通道,并在服务厅内及维修工位处设立指示标记,同时安排专人提供从接车到验车出厂的全过程服务,切实保证本项目顺利开展,保障客户进行维修时方便.快捷。
2.确定专门的服务小组,由1名投标人管理层人员担任负责人,负责协调公务车辆维修及接受客户投诉等与本项目有关的事项。
3.维修过程中,接受客户的现场监督。
4.提供维修及相关服务的作业程序和业务流程,为定点维修单位的送修车辆建立用户相关资料,专人负责,专人管理,规范档案内容,送修单.派工单.结算单实行“三单合一”管理,并开展跟踪服务,掌握送修方车辆状况。
5.送修方自带零配件维修的免配件加价(非安全件)。
6.保证修理质量符合《机动车维修管理规则》(2005年第7号令)及其他有关规则。
7.维修车辆在投标人停车场免费停放,车辆修理完毕后提供免费车辆清洗服务。
8.提供免费拖车服务。
9.接受招标人及财政部门监督检查,我公司定期向招标人按时填报公务车辆定点维修统计数据。
10.协助有关部门做好对公务车辆维修经办人的廉政作业,防止腐败现象的出现。
11.除招标人提出的各项服务要求外,我公司可根据业务开展情况还将提供的其他优惠的服务,服务承诺真实可靠。
二.服务人员和配件相关准则(一)人员培训准则1.厂长每年初制定培训计划,确定培训内容和培训形式。
2.根据培训内容组织培训人员,培训设备和选定培训教师,有效的保证培训目标顺利完成。
3.积极参加行业主管部门和相关部门组织的培训。
(二)配件管理准则1.不使用假冒伪劣配件维修机动车2.建立采购配件登记准则,记录购买日期.供应商名称.地址.产品名称及规格型号等,并查验产品合格证等相关证明。
建立配件入库检验台帐。
第1章技术及服务响应书
1.1 概述
中兴监控产品线成立于1995年,产品专门针对机房、基站内的动力设备和环境量进行集中监控。
经过十几年时间的发展,积累了丰富的经验,为运营商实现对基站机房内动力设备和环境监控提供先进、成熟、实用的系统,整体优势明显,主要表现于以下几点:
1.技术和经验积累
十四年的监控产品生产和服务经验,产品成熟度高,公司获得系统集成二级资质和安防一级资质,实施能力强;
2.物流供货能力
年生产能力18个亿,实施的机房基站数量超过25万套,通过项目积累,根据动力设备配置的特点,公司物流体系实现复合包装,大大提高了供货能力和供货时间,同时提高了工程施工的效率。
在标准化配置的基础上,同比友商公司物流发货能力提高了1.9倍,而发货时间则缩短了45%;相应的施工时间则可以提高30%以上。
这对湖南电力来说大大节省了建设时间,为项目的正常使用提供了保障。
按照我司物流惯例,更好的服务用户,货物发至各地市指定收货地址。
3.项目组织能力
通过多年的项目经验积累,项目实施能力大大提高。
对大规模基站站点规模具有成熟的项目组织,这种项目组织能力是经过了大量的项目实践证明了的。
几百个站点和上千过万个站点对项目整理组织、实施能力的要求是完全不一样的,同时对系统的优化和完善也是通过长期的经验才能实现系统的稳定、实用。
4.维护经验方面
经历了大量的工程与维护,我司积累了大量维护经验。
湖南地区成立专门的维护团队,专职负责动环监控产品维护工作,在人员组织和分配上,实行1+N的维护模式,即1个地市配备一名中兴力维维护工程师,再加上N个经过考核认证的工程公司人员,组建成完善的服务维护体系。
1.2 设备配置清单
衡阳电业局信息中心动环监控配置清单表
1.3 投标设备的情况及环境要求
包括设备描述、各种接口特性、安装方式及物理尺寸、供电方式、
1.4 投标设备技术指标一览表
1.5 投标产品关键技术特点
1.6 技术对比列表
技术对比表
下载文档可编辑
39 / 88下载文档可编辑
40 / 88下载文档可编辑
41 / 88下载文档可编辑
42 / 88下载文档可编辑
43 / 88下载文档可编辑
44 / 88下载文档可编辑
1.7 技术服务、支持、保修
中兴力维在长沙设立了售后维护中心,在每个地市均配有专职服务人员。
维护团队有40多名具有丰富的设备维护经验的工程师,其中动环监控产品专职维护工程师有20多人,随时为客户提供最优质的售前、售中、售后服务。
长沙维护中心备有足够的工程维护用车,可以为用户提供快捷、方便、高效、周到的服务。
同时,中兴力维在长沙维护中心提供保修期内和保修期外7*24小时热线服务,对一些简单的问题可通过电话予以解答和操作指导,对于电话指导无法解答的问题或排除的设备故障,保证在接到用户投诉后乘坐最快的交通工具前往故障设备地点。
故障响应及处理时间如下:
1.故障申告响应时间:接到故障申告内30分钟内响应, 4小时
内到达现场。
2.系统硬软件故障处理:在接到招标方故障申告后24小时内解
决,对于24小时内不能解决的故障,自用户故障申告时起3
个工作日内提供备件。
中兴力维承诺:针对本期项目实行三年保修,保修时间自签定验收
证书之日起计算。
中兴力维湖南省售后技术支持联系方式
中兴公司湖南办事处日常调用车辆信息列表
1.7.1督导安装
我公司技术人员对我公司提供的设备的安装提供技术指导,对每种设备的正确安装进行实际示范指导,在设备安装过程中,对设备的安装质量进行检查,确保整机调试前硬件安装准确无误,保证整机调试的顺利进行。
1.7.2系统调测
我公司技术人员将负责单机的加电及初始化工作,进行单机各项指标的测试,并进行网管系统的安装、调测及整个系统的联调,排除在联调过程发现的各种问题,按照技术规范书的要求对整个系统的各项功能进行测试,形成书面的测试报告,移交给用户代表作为验收依据,并配合用户完成对设备的初验。
1.7.3设备割接
在设备初验合格后对各种局数据和用户数据进行核对,清理在安装调试初验期间留下的各种数据,清理各种告警信息和历史数据,将设备移交给用户。
根据工程计划的要求,配合用户制定详细的割接方案,完成设备割接,并在割接后对设备的运行情况进行观察。
1.7.4维护与保修
在设备试运行期间,我公司各本地用户服务处的技术人员为用户提供7×24小时技术支持与服务,对一些简单的问题通过电话予以解答和指导操作,对于电话指导无法解答的问题或排除的设备故障,保证在接到用户通知后乘坐最快的交通工具前往故障设备地点,排除故障,保证试运行期间设备的稳定运行。
在试运行结束后我公司技术人员将配合用户完成设备的终验。
1.7.5巡检
为了保证设备的正常运行,为用户提供优质的服务,我公司提供巡检服。